Indonesian Journal of Electrical Engineering and Computer Science
Vol. 21, No. 3, March 2021, pp. 1317~1331
ISSN: 2502-4752, DOI: 10.11591/ijeecs.v21.i3.pp1317-1331  1317
Journal homepage: http://ijeecs.iaescore.com
Modeling and validation of lithium-ion battery with initial state
of charge estimation
Ali Mohsen Alsabari, M. K Hassan, Azura CS, Ribhan Zafira
Department of Electrical and Electronic Engineering, Universiti Putra Malaysia, Selangor, Malaysia
Article Info ABSTRACT
Article history:
Received Sep 13, 2020
Revised Dec 18, 2020
Accepted Jan 6, 2021
The modeling of lithium-ion battery is an important element to the
management of batteries in industrial applications. Various models have been
studied and investigated, ranging from simple to complex. The second-order
equivalent circuit model was studied and investigated since the dynamic
behavior of the battery is fully characterized. The simulation model was built
in Matlab Simulink using the Kirchhoff Laws principle in mathematical
equations, while the battery's internal parameters were identified by using the
BTS4000 (battery tester) device. To estimate the full state of charge (SOC),
the initial state of charge (SOC0) must be identified or measured. Hence, this
paper seeks for the SOC estimation by using experimental terminal voltage
data and SOC with Matlab lookup table. Then, the simulated terminal
voltage, as well as the SOC of the battery are compared and validated against
measured data. The maximum relative error of 0.015V and 2% for terminal
voltage and SOC respectively shows that the proposed model is accurate and
relevant based on the error analysis.
Keywords:
Battery modeling
Battery tester
BTS4000
SOC
SOC0
This is an open access article under the CC BY-SA license.
Corresponding Author:
M.K Hassan
Department of Electrical and Electronic Engineering
Universiti Putra Malaysia, Serdang, Selangor, Malaysia 43300
Email: khair@upm.edu.my
1. INTRODUCTION
Nowadays, energy storage devices are gaining attention among researchers and they are also being
manufactured as alternative energy storage devices for conventional energy sources [1-5]. There are many
types of existing energy storage devices, such as supercapacitors, flywheel, fuel cells, and others. Battery is
the most widely used energy storage device, which currently used as an alternative energy storage device,
such as rechargeable batteries [6]. It also can be used as an alternative fossil fuel solution for future green
energy technologies [7-9]. As energy storage device, battery is utilized in multiple applications, including
portable electronics, electric vehicles, military, and many others [10]. Among other types of battery such as
lead-acid, sodium nickel chloride (-1iCl), vanadium redox flow battery (VRFB), nickel-cadmium (NiCd),
zinc-bromine flow battery (ZBFB) and sodium-sulfur (NAS), lithium-ion battery is the most advantageous
option that served for researchers and manufacturers [11, 12]. This is due to its high power density, high
energy density, zero pollution to the environment, zero memory effect, long life cycle, low self-discharge,
high voltage, and inexpensive [5, 13-18]. However, regardless of these advantages, this type of battery still
requires a precise and reliable battery management system in order to operate safely with the desired output
[19, 20]. On the other hand, it is necessary to have a battery model as it helps in specifying its characteristics
as well as improving a battery management system [21-23]. According to the latest literature, mathematical
model, electrical model, chemical model, electrochemical model, thermal model, and electro-thermal model
are among battery models that have been studied and discussed. All of these models have the capability to
 ISSN: 2502-4752
Indonesian J Elec Eng & Comp Sci, Vol. 21, No. 3, March 2021 : 1317 - 1331
1318
predict the performance of the battery depending on the simplicity, accuracy, and application of the model
[21, 24, 25]. According to the latest works by [7, 26, 27] and, the most electrical battery model used is the
second-order equivalent circuit model. The second-order equivalent circuit model has resistances,
capacitances, and voltage sources, and these parameters capable to form a simple, efficient, easy
mathematical model based on Kirchhoff laws, and help the researcher in investigating the process of charging
and discharging lithium-ion battery. Based on the mathematical expressions of these parameters’ physical
meaning, the state of charge (SOC) can be estimated [23]. For electric vehicle application, the SOC
estimation is classified as important parameters and indicator that describe the remaining of battery capacity,
by determining the charge and discharge strategy that protect the battery from overcharging or over-
discharging [28, 29]. In the literature, there are many methods used to estimate the SOC such as Coulombs-
counting (CC), open-circuit voltage (OCV), Kalman filter (KF), neural network (NN), genetic algorithm
(GA), fuzzy logic and many other [30]. According to the review of previous researchers, each method has its
own advantages and disadvantages [31]. In the literature of [23], the estimation of the initial state of charge in
the simulation model was set to1 when the battery was fully charged after calibration, and this is because
BTS4000 has no capability to show the exact remaining of the battery during the first charge. Based on the
literature, there is a lack of studies that focus on the estimation of initial state of charge if the battery is
having an unknown SOC while using BTS4000. Hence, this paper chooses CC as a method to estimate the
initial SOC of battery. Then, the estimation of the initial state of charge in the simulation model is proposed
by using the experimental terminal voltage data with SOC using lookup table in Matlab. The next sections of
this paper will discuss the model structure, identification of battery parameters, simulation model, validation
results with discussion and conclusion.
2. MATERIALS AND METHODS
2.1. Model structure
The model chosen in this paper aims to examine the lithium-ion battery based on a second-order
equivalent circuit as proposed by many literatures including [26]. It has two branches elements of resistance
and capacitance structure that can represent the dynamic behavior of the battery as well as carry out the
identification of the internal parameters precisely.
The schematic diagram of the model shown in Figure 1 has an open circuit voltage (UOC) with one
internal resistance R0 and two RC parallel networks. It describes the relationship between current and
voltage during battery operation. Open circuit voltageUOC (OCV) signifies the internal voltage of the
battery, and it is depending on the SOC. U1 and U2 are the voltage that drops across the RC networks. When
R1 and C1 play their role as the resistance and capacitance of the first network, R2 and C2 are performed as
the resistance and capacitance of the second network. The mathematical expression of the model can be
described based on the Kirchhoff Law of the closed-loop circuit. Hence, the terminal voltage can be
described as follows:
Figure 1. Model structure [26]
UT = OCV − U1 − U2 − ITR0 (1)
Indonesian J Elec Eng & Comp Sci ISSN: 2502-4752 
Modeling and validation of lithium-ion battery with initial state of charge… (Ali Mohsen Alsabari)
1319
The transient voltage drops across the RC networks can be expressed as follows:
ⅆ𝑣𝑖
ⅆ𝑡
=
𝐼𝑇
𝐶𝑖
−
𝑈𝑖
𝑅𝑖 𝐶𝑖
(2)
Where 𝐼𝑇 is the current of the battery, 𝐶𝑖 and 𝑅𝑖 are the capacitances and resistances across two
networks, while i = 1, 2 represents the number of RC networks. Their voltage can be expressed as below:
𝑈1 = ∫
𝐼𝑇
𝑐1
−
𝑈1
𝑅1𝑐1
(3)
𝑈2 = ∫
𝐼𝑇
𝑐2
−
𝑈2
𝑅2𝑐2
(4)
2.2. Battery testing bench
The internal parameters of the battery are the resistances and capacitances during transient response
and unknown due to their nonlinear functions of SOC of the battery. The experiment was set in order to
identify these parameters according to discharge and charge profile of the battery. As shown in Figure 2, the
testing bench included a NCRPF18650 battery, a BTS4000 with eight channels, an intermediate machine, a
personal data collection computer, and a NETWARE software v7.5.6. The main functions of BTS4000 are to
charge or discharge the battery, the current and voltage sensors, collect data from the circuits via DAQ, and
transmit the control commands via the software to the connected battery terminals. The tester operates on the
voltage range of 0 to 10V, a current range of 0 to 6A with a sampling frequency of 1 Hz for 0.5 C and 1C
data collection, and a measurement error that less than 0.5 percent. The purposes of middle machine in
network connections are to receive control commands from a personal computer, monitor the battery cycle,
and finally upload the data from the experiment. The computer has the functions of controlling the cycle
through Ethernet cables and storing the data in the software database. The lithium-ion battery is used in this
experiment and its important parameters is summarized in Table 1.
In Table 1, the battery specification that used in this bench aims to test the capacity, nominal
voltage, temperature range, and the standard current of charge and discharge based on the data sheet of the
battery used in this experiment.
Figure 2. Battery testing bench
Table 1. Battery specifications
Rated capacity Minimum 2700 mAh
Capacity 2900 mAh
Nominal voltage 3.6V
Charging CC-CV 1.375A,4.2V
Temperature Charge: 0-45c
Discharge: -20 to 60c
Storage: -20 to 50c
Energy density 207wh/kg
 ISSN: 2502-4752
Indonesian J Elec Eng & Comp Sci, Vol. 21, No. 3, March 2021 : 1317 - 1331
1320
2.3. Identification of model parameters
2.3.1. Evaluating open circuit voltage (OCV)
Open-circuit voltage (OCV) is the terminal voltage of the battery that happened in an open-circuit
condition, and it is equal to the electromotive force (emf) that used to calculate the energy contained in the
battery [23]. During the charging and discharging phase in an open-circuit setting, the terminal voltage
declined from reaching a stable voltage value. There is a clear relationship between SOC and OCV due to the
connection that happened between the energy stored and the remaining capacity [32]. In order to evaluate the
relationship between SOC and OCV, fourteen (14) experimental procedures has been applied as in [23],
which can be identified as below:
a) Charge the battery to 100% SOC with a standard charging current of 0.5C (1.35A), and followed by 4
hours rest.
b) Discharge the battery to 0% SOC with a standard discharging current of 0.5C (1.35A) until 2.5V, and
followed by 4 hours rest.
c) Charge the battery to 100% SOC with a standard charging current of 0.5C (1.35A), and followed by 4
hours rest.
d) Discharge the battery with 0.5C current rate to 90% SOC, and followed by 4 hours rest.
e) Discharge the battery with 0.5C current rate to 80% SOC, and followed by 4 hours rest.
f) Discharge the battery with 0.5C current rate to 70% SOC, and followed by 4 hours rest.
g) Discharge the battery with 0.5C current rate to 60% SOC, and followed by 4 hours rest.
h) Discharge the battery with 0.5C current rate to 50% SOC, and followed by 4 hours rest.
i) Discharge the battery with 0.5C current rate to 40% SOC, and followed by 4 hours rest.
j) Discharge the battery with 0.5C current rate to 30% SOC, and followed by 4 hours rest.
k) Discharge the battery with 0.5C current rate to 20% SOC, and followed by 4 hours rest.
l) Discharge the battery with 0.5C current rate to 10% SOC, and followed by 4 hours rest.
m) Discharge the battery with 0.5C current rate to 5% SOC, and followed by 4 hours rest.
n) Discharge the battery with 0.5C current rate to 0% SOC, and followed by 4 hours rest.
By applying the test procedures above, the open-circuit, voltage has been recorded in equilibrium,
and the variation with SOC is graphed accordingly as per shown in Figure 3.
Figure 3. OCV and SOC relationship
In Figure 3, the linear relationship between OCV and SOC can be represented as a linear function
with third-order polynomials function as follow:
𝑂𝐶𝑉 = 0.6954𝑆𝑂𝐶3
− 0.939𝑆𝑂𝐶2
+ 1.144𝑆𝑂𝐶 + 3.2918 (5)
According to Coulombs-counting method, SOC can be expressed as:
𝑆𝑂𝐶(𝑡) = 𝑆𝑂𝐶0(𝑡0) −
1
𝐶𝑛
∫ 𝜂
𝑡
𝑡0
𝑖𝑙(𝜏)𝑑𝜏 , (6)
Where 𝑆𝑂𝐶0 ,is the initial state of charge, 𝐶𝑛 is the rated capacity, η is the columbic efficiency and
𝑖𝑙(𝜏) represents the battery’s current. SOC0 can be represented as follow:
Indonesian J Elec Eng & Comp Sci ISSN: 2502-4752 
Modeling and validation of lithium-ion battery with initial state of charge… (Ali Mohsen Alsabari)
1321
𝑠𝑜𝑐0(𝑡0) = 𝑠𝑜𝑐(𝑡) +
1
𝐶𝑛
∫ 𝜂
𝑡
𝑡0
𝑖𝑙(𝜏)𝑑𝜏 (7)
2.3.2. Identification of battery parameters
The functions of battery parameters (Ro, R1, C1, R2, and C2) are nonlinear and depend on the
relationship between SOC and OCV. The values of these parameters can be estimated when the battery
reaches equilibrium and the behavior of transient variation response to the terminal voltage. According to
[33], the variation of the terminal voltage during the equilibrium can be represented by the following
equation:
𝑉(𝑡) = 𝑣𝑓 + 𝑣1 (1 − 𝑒
(−
𝑥
𝜏1
)
) + 𝑣2 (1 − 𝑒
(−
𝑥
𝜏2
)
) (8)
Where 𝑣𝑓, 𝑣1, 𝑣2, and 𝜏1, 𝜏2are set as constant values. From the experiment, terminal voltage data
during equilibrium has been collected into an excel file in each state of discharge
(0,0.05,0.1,0.15,0.2,0.3,0.4,0.5,0.6,0.7,0.8,0.9,0.95,1). By using these data with (8) and apply least square
method in Matlab fitting curve application, the constant values of 𝑣𝑓, 𝑣1, 𝑣2, and 𝜏1, 𝜏2 can be estimated. The
curves fitting are displayed in Figures 4 and 5 respectively.
Figure 4. Rest curve for 0% SOC to 40%
Figure 5. Rest curve voltage from 50% SOC to 100%
 ISSN: 2502-4752
Indonesian J Elec Eng & Comp Sci, Vol. 21, No. 3, March 2021 : 1317 - 1331
1322
In Figures 4 and 5, the Matlab fitting curve toolbox application have been used with least square
method in order to find the suitable function for terminal voltage during equilibrium. Then, this equation
which generated from Matlab is compared with general terminal voltage in (8), so that the constant values
can be obtained and used for internal parameters calculation of battery. For example, during the rest period
after zero SOC, the fitted Matlab function is designed as follow:
𝐹(𝑥) = 3.029 + 0.132 (1 − 𝑒
(−
𝑥
54.62
)
) + 0.03049 (1 − 𝑒
(−
𝑥
858.7
)
) (9)
The accuracy of Matlab fitting curve for experimental data was at 95% confidence and the RMSE
was at 0.00137. Comparing in (8) with (9), 𝑣𝑓 𝑖𝑠 3.029, 𝑣1 𝑖𝑠 0.132, 𝑣2 𝑖𝑠 0.03049, 𝜏1 𝑖𝑠 54.62, 𝜏2 𝑖𝑠 858.7.
Thus, according to [33] it can be concluded that the internal parameters of battery can be obtained and
calculated by using the following equations:
𝑅0 =
𝑉𝑓
𝐼
(10)
𝑅1 =
𝑉1
𝐼
(11)
𝑅2 =
𝑉2
𝐼
(12)
𝐶1 =
𝜏1
𝑅1
(13)
𝐶2 =
𝜏2
𝑅2
(14)
The current of 1.35A used in battery current profile so the values of 𝑅0, 𝑅1, 𝐶1, R2 and 𝐶2 can be
calculated using (10-14). These procedures also applied to each state of discharge
(0,0.05,0.1,0.15,0.2,0.3,0.4,0.5,0.6,0.7,0.8,0.9,0.95,1) so the polarization of resistance and capacitance can be
calculated, listed and tabulated as equal to the detail that been shown in Table 2. In Table 2, the listed internal
parameters can be used in simulation model for verification of model with experimental data.
Table 2. Identified values of resistance and capacitance of lithium-ion battery model
SOC 𝑣𝑓 𝑣1 𝑣2 𝜏1 𝜏2 R1(ohm) R2(ohm) C1(F) C2(F)
0 3.029 0.132 0.03049 54.62 858.7 0.097 0.0225 563.029 38164.4
0.05 3.268 0.01295 0.06005 652.3 43.97 0.00959 0.04448 68018.76 988.53
0.1 3.327 0.01139 0.03868 612 24.3 0.00843 0.02865 72597.86 848.6
0.2 3.444 0.0368 0.02047 80.22 648.6 0.027259 0.01516 2942.88 42783.6
0.3 3.524 0.02824 0.01743 81.11 524.4 0.020918 0.02098 3877.5 40651.1
0.4 3.582 0.007278 0.02975 913.6 69.42 0.00539 0.02207 169499 3150
0.5 3.652 0.007966 0.02293 624 40.99 0.00590 0.01695 105762 2425.44
0.6 3.735 0.03652 0.0293 666.7 22.6 0.02705 0.0217 24646.95 1041.47
0.7 3.833 0.00673 0.03777 686. 85.7 0.004985 0.0279 137612 3071.68
0.8 3.918 0.006637 0.024851 556.9 41.96 0.004913 0.02481 113276.2 1688.53
0.9 4.028 0.007925 0.02729 511.1 39.85 0.00587 0.02024 87069.84 1971.4
0.95 4.071 0.01123 0.02319 45.99 551 0.008318 0.01717 66241.88 2678.5
1 4.169 0.00861 0.01487 94.87 1018 0.006377 0.01104 14862.78 92210.1
2.4. Simulation model
Since the parameters of required model have been obtained in Table 2, the simulation model for the
second-order equivalent circuit can be built by using Matlab Simulink with the application of output of (1) to
(14). The simulation of the battery for the second-order equivalent circuit model and sub-models of the
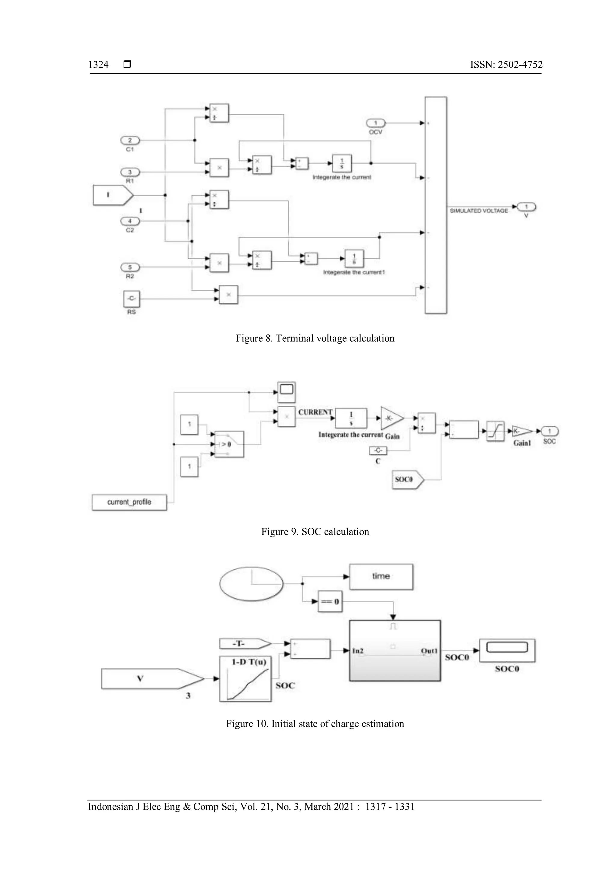
model components are shown in Figures 6 and 7 respectively. These components consist of sub-modules of
SOC calculation, SOC0 calculation, internal parameters lookup table, and terminal voltage calculation. In
Figure 6, the current profile used in the simulation is the current pulse of 1.35A, specifically to discharge the
battery by 5% and 10% of its final value (which is the same data used in experiment for terminal voltage
validation purpose). Figure 7 shows the simulation model of SOC validation with the comparison of its
measured data. The experimental data of capacity and current are obtained from experiment that presented in
workspace. In Figure 8, the sub-modules of terminal voltage calculation were built based on (1) to (4). The
Indonesian J Elec Eng & Comp Sci ISSN: 2502-4752 
Modeling and validation of lithium-ion battery with initial state of charge… (Ali Mohsen Alsabari)
1323
terminal voltage is output of the voltage difference that happened between the OCV and the voltage across
the capacitance and resistance. In Figure 9, the calculation of SOC is built based on Coulombs-counting
method that described in (6). The rate limiter is set between 0 and 1 in order to avoid charge and discharge of
the battery, and show the accuracy of the simulation model. Figure 10 shows the initial state of charge
(SOC0) calculation. It has enabled the function, which aimed to get the value of SOC0 during the second of
zero simulation and avoid from updating its value during the full simulation. The terminal voltage data that
obtained from workspace was compared with OCV lookup table that used to measure the final SOC. Integral
function of current and SOC used with application of (7) had allowed the value of SOC0 as to be estimated.
Figure 6. Simulation model of battery second-order equivalent circuit model
Figure 7. The simulation model of SOC validation model
 ISSN: 2502-4752
Indonesian J Elec Eng & Comp Sci, Vol. 21, No. 3, March 2021 : 1317 - 1331
1324
Figure 8. Terminal voltage calculation
Figure 9. SOC calculation
Figure 10. Initial state of charge estimation
Indonesian J Elec Eng & Comp Sci ISSN: 2502-4752 
Modeling and validation of lithium-ion battery with initial state of charge… (Ali Mohsen Alsabari)
1325
3. RESULTS AND DISCUSSION
3.1. Model validation
3.1.1. Battery calibration
In this experiment, the test procedures as above have been applied in charging and discharging the
battery for capacity calibration. The current profile used is displayed precisely in Figure 11. Figure 11 shows
the current profile that is used for battery calibration in order to collect the terminal voltage data of battery
for SOC0 estimation. After the battery has fully charged and discharged by current amount of 1.35 A, the
battery then discharged by 10% and 5%of its SOC and left for four hours rest in order to reach equilibrium
status.
Figure 12 shows the experimental data of battery terminal voltage based on the current profile that
used in Figure 11. The cut off voltage has reached 2.5 V during zero state of charge, and it reached 2.7 V
when being discharged by pulse. These voltage data will be used for initial SOC estimation in the next
sections.
Figure 11. Current profile for battery calibration
Figure 12. Experimental data of terminal voltage
3.1.2. Current pulse discharge validation
A. Current profile
For modeling validation, the terminal voltage and SOC play their role as the main parameters and
deeply discussed in this paper. To validate the model, a current profile is used in order to discharge the
battery by 1.35 A with unknown SOC. The current profile is displayed in Figure 13.
 ISSN: 2502-4752
Indonesian J Elec Eng & Comp Sci, Vol. 21, No. 3, March 2021 : 1317 - 1331
1326
Figure 13. Current discharge pulses
B. Initial and final SOC results
In this paper Coulombs-counting method is used for SOC estimation. The data of terminal voltage,
SOC and lookup table in Matlab with the application of (7), the initial state of charge (SOC0) was estimated.
The constant value of SOC0 estimated in simulation with the SOC is shown in Figure 14.
Figure 14 shows that the initial and final SOC during the first charge show the value of the
remaining capacity of the battery at almost 90%. The researchers believe that the SOC0 shown in red line
will be constant during the full simulation model. The final SOC changed from 90% to almost 5% of its final
value based on the current pulse used. For showing the accuracy of the proposed method of SOC0 estimation,
this paper used another enable function in order to record the initial SOC for the whole simulation. The SOC
is compared and plotted with initial SOC as shown in Figure 15.
Figure 14. Initial and final SOC profile
Figure 15. Final and initial SOC for the time > zero
Indonesian J Elec Eng & Comp Sci ISSN: 2502-4752 
Modeling and validation of lithium-ion battery with initial state of charge… (Ali Mohsen Alsabari)
1327
In Figure 15, the final and initial SOC are plotted and compared in order to identify the detail of
changes that occur at each level of SOC as well as aware with the previous value of SOC to show the
accuracy of SOC0 estimation method.
C. Battery terminal voltage results
As a continuous process of model validation with the SOC0 estimated in previous section, the
terminal voltage of simulation and experimental data are comparedand in Figure 16. The error between
experimental and simulated model in Figure 17 shows the accuracy of the second-order equivalent circuit
model for lithium-ion battery with average RMSE error of 0.1V. By comparing this results with the paper
studied by [26], the initial state of charge was set in his study to 90% rather than estimated and the terminal
voltage average RMSE error was 0.2733%. In this paper, the initial state of charge was estimated and used to
validate the terminal voltage with better error rate, which validate the proposed methods studied of this paper.
Figure 16. Battery terminal voltage simulation and experimental
Figure 17. Model error
3.1.3. Static validation
To verify the accuracy of the model, constant discharge current was performed. The battery was
discharged at a constant current of 1C (2.7 A) to its cutoff voltage of 2.5 V. For the simulation model, the
initial SOC was estimated based on (7), and the model was run afterwards.
A. Terminal voltage validation
During constant discharging current of the battery for one hour, the simulated model was compared
with experimental data of battery terminal voltage. The terminal voltage results and its errors are shown in
Figures 18 and 19 respectively.
 ISSN: 2502-4752
Indonesian J Elec Eng & Comp Sci, Vol. 21, No. 3, March 2021 : 1317 - 1331
1328
Figure 18. Terminal voltage of simulation and experimental during constant discharging
The comparison in Figure 18 illustrates that the curves are approximately similar. during 0 to 2000
second, terminal voltage is lower in case of experimental voltage (as compare to simulated voltage), while
2000 to 3500 second it is just reverse due to the increase of internal resistance of the battery by time. In
Figure 19, the maximum relative error between simulated and measured voltage of the battery is 0.015 V,
which simultaneously prove the accuracy of model. In the literature conducted by [23], the second-order
equivalent circuit model validation using Coulombs-counting method was used for SOC estimation and the
value of SOC0 was set to 0.3. In this paper, the SOC0 was estimated and by comparing the error rate of
terminal voltage, reported by [23], the maximum relative error was 0.0452. In this paper, however, it was
0.015 and better in overall error rate in graphs reported. This clearly show that the estimation method of
SOC0 was valid and more accurate for validation of battery terminal voltage.
Figure 19. Output error in constant discharging process
B. SOC validation
The SOC of the battery is the key indicator parameter of the remaining capacity of the battery,
specifically for battery development and its application. In this paper, the SOC was estimated by using
Coulombs-counting method and validated with experimental data. The comparison between the estimated
model and the experimental results is shown in Figure 20.
In Figure 20, the red line shows the CC method in simulation, while the green line shows the
measurement data from the experiment. It can be clearly seen that in Figure 20 during 0 to 3000 second, state of
charge (%) is lower in case of CC method (as compare to (Reference) while 3000 to 3500 second it is just reversed
due to the constant rated capacity used in simulation model compared to the experimental capacity data obtained
from experiment as function of time. The average RMSE error is 2.409 %, which acknowledges that the model
was precise with a simple method of SOC estimation as compared to the complicated methods reported in the
literature such as the proposed observer which investigated by [26]with their average error of almost 5%.
Indonesian J Elec Eng & Comp Sci ISSN: 2502-4752 
Modeling and validation of lithium-ion battery with initial state of charge… (Ali Mohsen Alsabari)
1329
Figure 20. SOC profile for CC method
4. CONCLUSION
The lithium-ion battery second-order circuit model characterizes the electrical behavior of lithium-
ion battery in terms of terminal voltage and SOC parameters. These parameters were investigated by
discharging the battery through pulse and constant discharging methods. Firstly, this study managed to find
an accurate method of model parameter identification for battery internal parameters. Then the estimation of
initial SOC in the simulation model was proposed by using terminal voltage data and SOC with Matlab
lookup table and CC method. After that, the simulation model of terminal voltage and SOC validated with
measured battery voltage and SOC. Furthermore, the error analysis for terminal voltage and SOC are
calculated with almost 0.015V and 2% respectively. Based on the validation between the measured and
simulated terminal voltage and SOC, the error shows that the electrical model as second-order represents the
dynamic behavior of the battery. In addition, the obtained results satisfies the precision of the model
proposed, so it can be used for a further battery management system and application.
ACKNOWLEDGEMENTS
The authors would like to thank the Faculty of Engineering, Universiti Putra Malaysia (UPM) for
providing the facilities and conducive learning environment in conducting the research.
REFERENCES
[1] J. Y. Yong, V. K. Ramachandaramurthy, K. M. Tan, and N. Mithulananthan, “A review on the state-of-the-art
technologies of electric vehicle, its impacts and prospects,” Renew. Sustain. Energy Rev., vol. 49, pp. 365-385,
2015.
[2] G. Ren, G. Ma, and N. Cong, “Review of electrical energy storage system for vehicular applications,” Renew.
Sustain. Energy Rev., vol. 41, pp. 225-236, 2015.
[3] E. Chemali, M. Peindl, P. Malysz, and A. Emadi, “Electrochemical and Electrostatic Energy Storage and
Management Systems for Electric Drive Vehicles: State-of-the-Art Review and Future Trends,” IEEE J. Emerg.
Sel. Top. Power Electron., vol. 4, no. 3, pp. 1-1, 2016.
[4] M. Farrokhifar, A. Alahyari, and D. Pozo, “Power Management of Electric Vehicle Equipped with Battery and
Supercapacitor Considering Irregular Terrain,” 2019 Int. Youth Conf. Radio Electron. Electr. Power Eng., pp. 1-5,
2019.
[5] S. Madani, E. Schaltz, and S. Knudsen Kær, “An Electrical Equivalent Circuit Model of a Lithium Titanate Oxide
Battery,” Batteries, vol. 5, no. 1, p. 31, 2019.
[6] O. Quan, J. Chen, and K. You, “State of charge estimation of lithium-ion batteries with unknown model
parameters,” Proc. Am. Control Conf., vol. 2016-July, pp. 4012-4017, 2016.
[7] L. W. Yao, J. A. Aziz, P. Y. Kong, and N. R. N. Idris, “Modeling of lithium-ion battery using MATLAB/simulink,”
IECON Proc. (Industrial Electron. Conf., no. November, pp. 1729-1734, 2013.
[8] L. Olatomiwa, S. Mekhilef, M. S. Ismail, and M. Moghavvemi, “Energy management strategies in hybrid
renewable energy systems: A review,” Renew. Sustain. Energy Rev., vol. 62, no. May, pp. 821-835, 2016.
[9] L. Kumar and S. Jain, “Electric propulsion system for electric vehicular technology: A review,” Renew. Sustain.
Energy Rev., vol. 29, pp. 924-940, 2014.
[10] Y. Wang, C. Liu, R. Pan, and Z. Chen, “Modeling and state-of-charge prediction of lithium-ion battery and
ultracapacitor hybrids with a co-estimator,” Energy, vol. 121, pp. 739-750, 2017.
[11] A. N. Azmi, N. Bin Salim, and A. B. Khamis, “Analysis of an energy storage sizing for grid-connected
photovoltaic system,” Indones. J. Electr. Eng. Comput. Sci. (IJEECS), vol. 16, no. 1, pp. 17-24, 2019.
 ISSN: 2502-4752
Indonesian J Elec Eng & Comp Sci, Vol. 21, No. 3, March 2021 : 1317 - 1331
1330
[12] J. Jaguemont, L. Boulon, and Y. Dubé, “Characterization and Modeling of a Battery Pack at Low Temperatures,”
vol. 65, no. 1, pp. 1-14, 2016.
[13] Y. Tian, D. Li, J. Tian, and B. Xia, “A comparative study of state-of-charge estimation algorithms for lithium-ion
batteries in wireless charging electric vehicles,” IEEE PELS Work. Emerg. Technol. Wirel. Power, WoW 2016, no.
2016, pp. 186-190, 2016.
[14] Y. Tian, D. Li, J. Tian, and B. Xia, “State of charge estimation of lithium-ion batteries using an optimal adaptive
gain nonlinear observer,” Electrochim. Acta, vol. 225, pp. 225-234, 2017.
[15] L. Kouchachvili, W. Yaïci, and E. Entchev, “Hybrid battery/supercapacitor energy storage system for the electric
vehicles,” J. Power Sources, vol. 374, no. October 2017, pp. 237-248, 2018.
[16] M. A. Hannan, M. M. Hoque, A. Hussain, Y. Yusof, and P. J. Ker, “State-of-the-Art and Energy Management
System of Lithium-Ion Batteries in Electric Vehicle Applications: Issues and Recommendations,” IEEE Access,
vol. 6, pp. 19362-19378, 2018.
[17] Z. Yang, D. Patil, and B. Fahimi, “Electrothermal modeling of lithium-ion batteries for electric vehicles,” IEEE
Trans. Veh. Technol., vol. 68, no. 1, pp. 170-179, 2019.
[18] Y. Wang, C. Zhang, and Z. Chen, “State-of-charge Estimation of Lithium-ion Batteries Based on Multiple Filters
Method,” Energy Procedia, vol. 75, pp. 2635-2640, 2015.
[19] A. Samba, “Battery Electrical Vehicles-Analysis of Thermal Modelling and Thermal Management,” 2016.
[20] F. Claude, M. Becherif, and H. S. Ramadan, “Experimental validation for Li-ion battery modeling using Extended
Kalman Filters,” Int. J. Hydrogen Energy, vol. 42, no. 40, pp. 25509-25517, 2017.
[21] A. A. Hussein, “Experimental modeling and analysis of lithium-ion battery temperature dependence,” Conf. Proc. -
IEEE Appl. Power Electron. Conf. Expo. - APEC, vol. 2015-May, no. May, pp. 1084-1088, 2015.
[22] A. Fotouhi, D. J. Auger, K. Propp, S. Longo, and M. Wild, “A review on electric vehicle battery modelling: From
Lithium-ion toward Lithium-Sulphur,” Renew. Sustain. Energy Rev., vol. 56, pp. 1008-1021, 2016.
[23] L. Zhang, H. Peng, Z. Ning, Z. Mu, and C. Sun, “Comparative Research on RC Equivalent Circuit Models for
Lithium-Ion Batteries of Electric Vehicles,” Appl. Sci., vol. 7, no. 10, p. 1002, 2017.
[24] T. Zahid and W. Li, “A comparative study based on the least square parameter identification method for state of
charge estimation of a LiFePO4 battery pack using three model-based algorithms for electric vehicles,” Energies,
vol. 9, no. 9, 2016.
[25] T. Mesbahi, N. Rizoug, P. Bartholomëus, R. Sadoun, F. Khenfri, and P. Le Moigne, “Dynamic model of li-ion
batteries incorporating electrothermal and ageing aspects for electric vehicle applications,” IEEE Trans. Ind.
Electron., vol. 65, no. 2, pp. 1298-1305, 2018.
[26] Q. Zhu, N. Xiong, M. L. Yang, R. Sen Huang, and G. Di Hu, “State of charge estimation for lithium-ion battery
based on nonlinear observer: An H ∞ method,” Energies, vol. 10, no. 5, pp. 1-19, 2017.
[27] M. C. Argyrou, P. Christodoulides, C. C. Marouchos, and S. A. Kalogirou, “Hybrid battery-supercapacitor
mathematical modeling for PV application using Matlab/Simulink,” Proc. - 2018 53rd Int. Univ. Power Eng. Conf.
UPEC 2018, no. December, pp. 1-6, 2018.
[28] Y. Hua, M. Xu, M. Li, C. Ma, and C. Zhao, “Estimation of state of charge for two types of lithium-ion batteries by
nonlinear predictive filter for electric vehicles,” Energies, vol. 8, no. 5, pp. 3556-3577, 2015.
[29] X. Lai, W. Yi, Y. Zheng, and L. Zhou, “An all-region state-of-charge estimator based on global particle swarm
optimization and improved extended kalman filter for lithium-ion batteries,” Electron., vol. 7, no. 11, 2018.
[30] W. Waag, C. Fleischer, and D. U. Sauer, “Critical review of the methods for monitoring of lithium-ion batteries in
electric and hybrid vehicles,” J. Power Sources, vol. 258, pp. 321-339, 2014.
[31] M. A. Hannan, M. S. H. Lipu, A. Hussain, and A. Mohamed, “A review of lithium-ion battery state of charge
estimation and management system in electric vehicle applications: Challenges and recommendations,” Renew.
Sustain. Energy Rev., vol. 78, no. May, pp. 834-854, 2017.
[32] Q. Zhang, Y. L. Shang, Y. Li, B. Duan, and C. H. Zhang, “Variable-order fractional equivalent circuit model for
lithium-ion batteries,” Proc. 2016 IEEE 11th Conf. Ind. Electron. Appl. ICIEA 2016, pp. 2277-2282, 2016.
[33] R. M. S. Santos, C. L. G. D. S. Alves, E. C. T. Macedo, J. M. M. Villanueva, and L. V. Hartmann, “Estimation of
lithium-ion battery model parameters using experimental data,” INSCIT 2017 - 2nd Int. Symp. Instrum. Syst.
Circuits Transducers Chip Sands, Proc., 2017.
BIOGRAPHIES OF AUTHORS
Ali alsabari was born in yemen 1st january 1986. He received his bachelor degree in
mechatronics Engineeing from International Islamic University Malaysia. (IIUM), malaysia in
2013. He later received his master degree from Universiti Teknologi Malaysia (UTM), Skudai-
Johor, Malaysia in 2016. He is now under scholarship from malaysian government studing phd
in his sixth semester in control system engineering in Universiti Putra Malaysia (UPM) malaysia.
Indonesian J Elec Eng & Comp Sci ISSN: 2502-4752 
Modeling and validation of lithium-ion battery with initial state of charge… (Ali Mohsen Alsabari)
1331
Mohd. Khair Hassan was born in Malacca, Malaysia. He received the B.Eng. degree in
electrical and electronic engineering from the University of Portsmouth, U.K., in 1998, the
M.Eng. degree in electrical engineering from Universiti Teknologi Malaysia (UTM), Skudai,
Johor, Malaysia, in 2001, and the Ph.D. degree in automotive from Universiti Putra Malaysia
(UPM), Serdang, Selangor, Malaysia, in 2011. He is currently an Associate Professor with the
Department of Electrical and Electronic Engineering, UPM. His area of interests includes control
system, automotive control, electric vehicle, and AI applications. Currently, his focuses are on x-
by-wire technology and optimal strategy for energy consumption in electric vehicle. Dr. M.K.
Hassan is a Professional Engineer registered under Board of Engineers Malaysia, a Corporate
Member of the Institution of Engineers Malaysia, and a member of the Society of Automotive
Engineers.
Dr. Azura Che Soh is an Associate Professor at the Department of Electrical and Electronic
Engineering, Faculty of Engineering, Universiti Putra Malaysia Serdang (UPM), Selangor. She
graduated in BEng in Electronic/Computer in 1999 and MSc (Electrical & Electronic of
Engineering) in 2002 from Universiti Putra Malaysia. She obtained PhD (Electrical Engineering)
from Universiti Teknologi Malaysia in 2011. She was main researcher of Control System and
Signal Processing (CSSP) Research Center, Department of Electrical and Electronics
Engineering, UPM. She was a coordinator for Control and Automation of Laboratory and
Associate Researcher at MYAGEING institute. She is now supervising 3 PhD, 6 MSc directly
under her supervision including 10 PhD and 16 MSc co-supervision postgraduate students. She
published 64 journals and 69 proceedings. Her research interests are intelligent control system,
control system and system modelling.
Ribhan Zafira Binti Abdul Rahman she is Dr in Department. Of Electrical and Electronic
Engineering, Faculty of Engineering, Universiti Putra Malaysia 43400 UPM Serdang, Selangor.
Her phD in Electrical Engineering Universiti Teknologi Malaysia, Malaysia was in 2013.
Electrical M.E. in Electrical Eng. Universiti Teknologi Malaysia, Malaysia in 2001. Electrical
B.Eng. (Hons) in Electrical and Electronics Engineering Liverpool John Moores University, UK
in 1998. Electrical and Electronics Diploma In Electrical And Electronic Engineering Institut
Teknologi Mara, Malaysia in1995.

Modeling and validation of lithium-ion battery with initial state of charge estimation

  • 1.
    Indonesian Journal ofElectrical Engineering and Computer Science Vol. 21, No. 3, March 2021, pp. 1317~1331 ISSN: 2502-4752, DOI: 10.11591/ijeecs.v21.i3.pp1317-1331  1317 Journal homepage: http://ijeecs.iaescore.com Modeling and validation of lithium-ion battery with initial state of charge estimation Ali Mohsen Alsabari, M. K Hassan, Azura CS, Ribhan Zafira Department of Electrical and Electronic Engineering, Universiti Putra Malaysia, Selangor, Malaysia Article Info ABSTRACT Article history: Received Sep 13, 2020 Revised Dec 18, 2020 Accepted Jan 6, 2021 The modeling of lithium-ion battery is an important element to the management of batteries in industrial applications. Various models have been studied and investigated, ranging from simple to complex. The second-order equivalent circuit model was studied and investigated since the dynamic behavior of the battery is fully characterized. The simulation model was built in Matlab Simulink using the Kirchhoff Laws principle in mathematical equations, while the battery's internal parameters were identified by using the BTS4000 (battery tester) device. To estimate the full state of charge (SOC), the initial state of charge (SOC0) must be identified or measured. Hence, this paper seeks for the SOC estimation by using experimental terminal voltage data and SOC with Matlab lookup table. Then, the simulated terminal voltage, as well as the SOC of the battery are compared and validated against measured data. The maximum relative error of 0.015V and 2% for terminal voltage and SOC respectively shows that the proposed model is accurate and relevant based on the error analysis. Keywords: Battery modeling Battery tester BTS4000 SOC SOC0 This is an open access article under the CC BY-SA license. Corresponding Author: M.K Hassan Department of Electrical and Electronic Engineering Universiti Putra Malaysia, Serdang, Selangor, Malaysia 43300 Email: khair@upm.edu.my 1. INTRODUCTION Nowadays, energy storage devices are gaining attention among researchers and they are also being manufactured as alternative energy storage devices for conventional energy sources [1-5]. There are many types of existing energy storage devices, such as supercapacitors, flywheel, fuel cells, and others. Battery is the most widely used energy storage device, which currently used as an alternative energy storage device, such as rechargeable batteries [6]. It also can be used as an alternative fossil fuel solution for future green energy technologies [7-9]. As energy storage device, battery is utilized in multiple applications, including portable electronics, electric vehicles, military, and many others [10]. Among other types of battery such as lead-acid, sodium nickel chloride (-1iCl), vanadium redox flow battery (VRFB), nickel-cadmium (NiCd), zinc-bromine flow battery (ZBFB) and sodium-sulfur (NAS), lithium-ion battery is the most advantageous option that served for researchers and manufacturers [11, 12]. This is due to its high power density, high energy density, zero pollution to the environment, zero memory effect, long life cycle, low self-discharge, high voltage, and inexpensive [5, 13-18]. However, regardless of these advantages, this type of battery still requires a precise and reliable battery management system in order to operate safely with the desired output [19, 20]. On the other hand, it is necessary to have a battery model as it helps in specifying its characteristics as well as improving a battery management system [21-23]. According to the latest literature, mathematical model, electrical model, chemical model, electrochemical model, thermal model, and electro-thermal model are among battery models that have been studied and discussed. All of these models have the capability to
  • 2.
     ISSN: 2502-4752 IndonesianJ Elec Eng & Comp Sci, Vol. 21, No. 3, March 2021 : 1317 - 1331 1318 predict the performance of the battery depending on the simplicity, accuracy, and application of the model [21, 24, 25]. According to the latest works by [7, 26, 27] and, the most electrical battery model used is the second-order equivalent circuit model. The second-order equivalent circuit model has resistances, capacitances, and voltage sources, and these parameters capable to form a simple, efficient, easy mathematical model based on Kirchhoff laws, and help the researcher in investigating the process of charging and discharging lithium-ion battery. Based on the mathematical expressions of these parameters’ physical meaning, the state of charge (SOC) can be estimated [23]. For electric vehicle application, the SOC estimation is classified as important parameters and indicator that describe the remaining of battery capacity, by determining the charge and discharge strategy that protect the battery from overcharging or over- discharging [28, 29]. In the literature, there are many methods used to estimate the SOC such as Coulombs- counting (CC), open-circuit voltage (OCV), Kalman filter (KF), neural network (NN), genetic algorithm (GA), fuzzy logic and many other [30]. According to the review of previous researchers, each method has its own advantages and disadvantages [31]. In the literature of [23], the estimation of the initial state of charge in the simulation model was set to1 when the battery was fully charged after calibration, and this is because BTS4000 has no capability to show the exact remaining of the battery during the first charge. Based on the literature, there is a lack of studies that focus on the estimation of initial state of charge if the battery is having an unknown SOC while using BTS4000. Hence, this paper chooses CC as a method to estimate the initial SOC of battery. Then, the estimation of the initial state of charge in the simulation model is proposed by using the experimental terminal voltage data with SOC using lookup table in Matlab. The next sections of this paper will discuss the model structure, identification of battery parameters, simulation model, validation results with discussion and conclusion. 2. MATERIALS AND METHODS 2.1. Model structure The model chosen in this paper aims to examine the lithium-ion battery based on a second-order equivalent circuit as proposed by many literatures including [26]. It has two branches elements of resistance and capacitance structure that can represent the dynamic behavior of the battery as well as carry out the identification of the internal parameters precisely. The schematic diagram of the model shown in Figure 1 has an open circuit voltage (UOC) with one internal resistance R0 and two RC parallel networks. It describes the relationship between current and voltage during battery operation. Open circuit voltageUOC (OCV) signifies the internal voltage of the battery, and it is depending on the SOC. U1 and U2 are the voltage that drops across the RC networks. When R1 and C1 play their role as the resistance and capacitance of the first network, R2 and C2 are performed as the resistance and capacitance of the second network. The mathematical expression of the model can be described based on the Kirchhoff Law of the closed-loop circuit. Hence, the terminal voltage can be described as follows: Figure 1. Model structure [26] UT = OCV − U1 − U2 − ITR0 (1)
  • 3.
    Indonesian J ElecEng & Comp Sci ISSN: 2502-4752  Modeling and validation of lithium-ion battery with initial state of charge… (Ali Mohsen Alsabari) 1319 The transient voltage drops across the RC networks can be expressed as follows: ⅆ𝑣𝑖 ⅆ𝑡 = 𝐼𝑇 𝐶𝑖 − 𝑈𝑖 𝑅𝑖 𝐶𝑖 (2) Where 𝐼𝑇 is the current of the battery, 𝐶𝑖 and 𝑅𝑖 are the capacitances and resistances across two networks, while i = 1, 2 represents the number of RC networks. Their voltage can be expressed as below: 𝑈1 = ∫ 𝐼𝑇 𝑐1 − 𝑈1 𝑅1𝑐1 (3) 𝑈2 = ∫ 𝐼𝑇 𝑐2 − 𝑈2 𝑅2𝑐2 (4) 2.2. Battery testing bench The internal parameters of the battery are the resistances and capacitances during transient response and unknown due to their nonlinear functions of SOC of the battery. The experiment was set in order to identify these parameters according to discharge and charge profile of the battery. As shown in Figure 2, the testing bench included a NCRPF18650 battery, a BTS4000 with eight channels, an intermediate machine, a personal data collection computer, and a NETWARE software v7.5.6. The main functions of BTS4000 are to charge or discharge the battery, the current and voltage sensors, collect data from the circuits via DAQ, and transmit the control commands via the software to the connected battery terminals. The tester operates on the voltage range of 0 to 10V, a current range of 0 to 6A with a sampling frequency of 1 Hz for 0.5 C and 1C data collection, and a measurement error that less than 0.5 percent. The purposes of middle machine in network connections are to receive control commands from a personal computer, monitor the battery cycle, and finally upload the data from the experiment. The computer has the functions of controlling the cycle through Ethernet cables and storing the data in the software database. The lithium-ion battery is used in this experiment and its important parameters is summarized in Table 1. In Table 1, the battery specification that used in this bench aims to test the capacity, nominal voltage, temperature range, and the standard current of charge and discharge based on the data sheet of the battery used in this experiment. Figure 2. Battery testing bench Table 1. Battery specifications Rated capacity Minimum 2700 mAh Capacity 2900 mAh Nominal voltage 3.6V Charging CC-CV 1.375A,4.2V Temperature Charge: 0-45c Discharge: -20 to 60c Storage: -20 to 50c Energy density 207wh/kg
  • 4.
     ISSN: 2502-4752 IndonesianJ Elec Eng & Comp Sci, Vol. 21, No. 3, March 2021 : 1317 - 1331 1320 2.3. Identification of model parameters 2.3.1. Evaluating open circuit voltage (OCV) Open-circuit voltage (OCV) is the terminal voltage of the battery that happened in an open-circuit condition, and it is equal to the electromotive force (emf) that used to calculate the energy contained in the battery [23]. During the charging and discharging phase in an open-circuit setting, the terminal voltage declined from reaching a stable voltage value. There is a clear relationship between SOC and OCV due to the connection that happened between the energy stored and the remaining capacity [32]. In order to evaluate the relationship between SOC and OCV, fourteen (14) experimental procedures has been applied as in [23], which can be identified as below: a) Charge the battery to 100% SOC with a standard charging current of 0.5C (1.35A), and followed by 4 hours rest. b) Discharge the battery to 0% SOC with a standard discharging current of 0.5C (1.35A) until 2.5V, and followed by 4 hours rest. c) Charge the battery to 100% SOC with a standard charging current of 0.5C (1.35A), and followed by 4 hours rest. d) Discharge the battery with 0.5C current rate to 90% SOC, and followed by 4 hours rest. e) Discharge the battery with 0.5C current rate to 80% SOC, and followed by 4 hours rest. f) Discharge the battery with 0.5C current rate to 70% SOC, and followed by 4 hours rest. g) Discharge the battery with 0.5C current rate to 60% SOC, and followed by 4 hours rest. h) Discharge the battery with 0.5C current rate to 50% SOC, and followed by 4 hours rest. i) Discharge the battery with 0.5C current rate to 40% SOC, and followed by 4 hours rest. j) Discharge the battery with 0.5C current rate to 30% SOC, and followed by 4 hours rest. k) Discharge the battery with 0.5C current rate to 20% SOC, and followed by 4 hours rest. l) Discharge the battery with 0.5C current rate to 10% SOC, and followed by 4 hours rest. m) Discharge the battery with 0.5C current rate to 5% SOC, and followed by 4 hours rest. n) Discharge the battery with 0.5C current rate to 0% SOC, and followed by 4 hours rest. By applying the test procedures above, the open-circuit, voltage has been recorded in equilibrium, and the variation with SOC is graphed accordingly as per shown in Figure 3. Figure 3. OCV and SOC relationship In Figure 3, the linear relationship between OCV and SOC can be represented as a linear function with third-order polynomials function as follow: 𝑂𝐶𝑉 = 0.6954𝑆𝑂𝐶3 − 0.939𝑆𝑂𝐶2 + 1.144𝑆𝑂𝐶 + 3.2918 (5) According to Coulombs-counting method, SOC can be expressed as: 𝑆𝑂𝐶(𝑡) = 𝑆𝑂𝐶0(𝑡0) − 1 𝐶𝑛 ∫ 𝜂 𝑡 𝑡0 𝑖𝑙(𝜏)𝑑𝜏 , (6) Where 𝑆𝑂𝐶0 ,is the initial state of charge, 𝐶𝑛 is the rated capacity, η is the columbic efficiency and 𝑖𝑙(𝜏) represents the battery’s current. SOC0 can be represented as follow:
  • 5.
    Indonesian J ElecEng & Comp Sci ISSN: 2502-4752  Modeling and validation of lithium-ion battery with initial state of charge… (Ali Mohsen Alsabari) 1321 𝑠𝑜𝑐0(𝑡0) = 𝑠𝑜𝑐(𝑡) + 1 𝐶𝑛 ∫ 𝜂 𝑡 𝑡0 𝑖𝑙(𝜏)𝑑𝜏 (7) 2.3.2. Identification of battery parameters The functions of battery parameters (Ro, R1, C1, R2, and C2) are nonlinear and depend on the relationship between SOC and OCV. The values of these parameters can be estimated when the battery reaches equilibrium and the behavior of transient variation response to the terminal voltage. According to [33], the variation of the terminal voltage during the equilibrium can be represented by the following equation: 𝑉(𝑡) = 𝑣𝑓 + 𝑣1 (1 − 𝑒 (− 𝑥 𝜏1 ) ) + 𝑣2 (1 − 𝑒 (− 𝑥 𝜏2 ) ) (8) Where 𝑣𝑓, 𝑣1, 𝑣2, and 𝜏1, 𝜏2are set as constant values. From the experiment, terminal voltage data during equilibrium has been collected into an excel file in each state of discharge (0,0.05,0.1,0.15,0.2,0.3,0.4,0.5,0.6,0.7,0.8,0.9,0.95,1). By using these data with (8) and apply least square method in Matlab fitting curve application, the constant values of 𝑣𝑓, 𝑣1, 𝑣2, and 𝜏1, 𝜏2 can be estimated. The curves fitting are displayed in Figures 4 and 5 respectively. Figure 4. Rest curve for 0% SOC to 40% Figure 5. Rest curve voltage from 50% SOC to 100%
  • 6.
     ISSN: 2502-4752 IndonesianJ Elec Eng & Comp Sci, Vol. 21, No. 3, March 2021 : 1317 - 1331 1322 In Figures 4 and 5, the Matlab fitting curve toolbox application have been used with least square method in order to find the suitable function for terminal voltage during equilibrium. Then, this equation which generated from Matlab is compared with general terminal voltage in (8), so that the constant values can be obtained and used for internal parameters calculation of battery. For example, during the rest period after zero SOC, the fitted Matlab function is designed as follow: 𝐹(𝑥) = 3.029 + 0.132 (1 − 𝑒 (− 𝑥 54.62 ) ) + 0.03049 (1 − 𝑒 (− 𝑥 858.7 ) ) (9) The accuracy of Matlab fitting curve for experimental data was at 95% confidence and the RMSE was at 0.00137. Comparing in (8) with (9), 𝑣𝑓 𝑖𝑠 3.029, 𝑣1 𝑖𝑠 0.132, 𝑣2 𝑖𝑠 0.03049, 𝜏1 𝑖𝑠 54.62, 𝜏2 𝑖𝑠 858.7. Thus, according to [33] it can be concluded that the internal parameters of battery can be obtained and calculated by using the following equations: 𝑅0 = 𝑉𝑓 𝐼 (10) 𝑅1 = 𝑉1 𝐼 (11) 𝑅2 = 𝑉2 𝐼 (12) 𝐶1 = 𝜏1 𝑅1 (13) 𝐶2 = 𝜏2 𝑅2 (14) The current of 1.35A used in battery current profile so the values of 𝑅0, 𝑅1, 𝐶1, R2 and 𝐶2 can be calculated using (10-14). These procedures also applied to each state of discharge (0,0.05,0.1,0.15,0.2,0.3,0.4,0.5,0.6,0.7,0.8,0.9,0.95,1) so the polarization of resistance and capacitance can be calculated, listed and tabulated as equal to the detail that been shown in Table 2. In Table 2, the listed internal parameters can be used in simulation model for verification of model with experimental data. Table 2. Identified values of resistance and capacitance of lithium-ion battery model SOC 𝑣𝑓 𝑣1 𝑣2 𝜏1 𝜏2 R1(ohm) R2(ohm) C1(F) C2(F) 0 3.029 0.132 0.03049 54.62 858.7 0.097 0.0225 563.029 38164.4 0.05 3.268 0.01295 0.06005 652.3 43.97 0.00959 0.04448 68018.76 988.53 0.1 3.327 0.01139 0.03868 612 24.3 0.00843 0.02865 72597.86 848.6 0.2 3.444 0.0368 0.02047 80.22 648.6 0.027259 0.01516 2942.88 42783.6 0.3 3.524 0.02824 0.01743 81.11 524.4 0.020918 0.02098 3877.5 40651.1 0.4 3.582 0.007278 0.02975 913.6 69.42 0.00539 0.02207 169499 3150 0.5 3.652 0.007966 0.02293 624 40.99 0.00590 0.01695 105762 2425.44 0.6 3.735 0.03652 0.0293 666.7 22.6 0.02705 0.0217 24646.95 1041.47 0.7 3.833 0.00673 0.03777 686. 85.7 0.004985 0.0279 137612 3071.68 0.8 3.918 0.006637 0.024851 556.9 41.96 0.004913 0.02481 113276.2 1688.53 0.9 4.028 0.007925 0.02729 511.1 39.85 0.00587 0.02024 87069.84 1971.4 0.95 4.071 0.01123 0.02319 45.99 551 0.008318 0.01717 66241.88 2678.5 1 4.169 0.00861 0.01487 94.87 1018 0.006377 0.01104 14862.78 92210.1 2.4. Simulation model Since the parameters of required model have been obtained in Table 2, the simulation model for the second-order equivalent circuit can be built by using Matlab Simulink with the application of output of (1) to (14). The simulation of the battery for the second-order equivalent circuit model and sub-models of the model components are shown in Figures 6 and 7 respectively. These components consist of sub-modules of SOC calculation, SOC0 calculation, internal parameters lookup table, and terminal voltage calculation. In Figure 6, the current profile used in the simulation is the current pulse of 1.35A, specifically to discharge the battery by 5% and 10% of its final value (which is the same data used in experiment for terminal voltage validation purpose). Figure 7 shows the simulation model of SOC validation with the comparison of its measured data. The experimental data of capacity and current are obtained from experiment that presented in workspace. In Figure 8, the sub-modules of terminal voltage calculation were built based on (1) to (4). The
  • 7.
    Indonesian J ElecEng & Comp Sci ISSN: 2502-4752  Modeling and validation of lithium-ion battery with initial state of charge… (Ali Mohsen Alsabari) 1323 terminal voltage is output of the voltage difference that happened between the OCV and the voltage across the capacitance and resistance. In Figure 9, the calculation of SOC is built based on Coulombs-counting method that described in (6). The rate limiter is set between 0 and 1 in order to avoid charge and discharge of the battery, and show the accuracy of the simulation model. Figure 10 shows the initial state of charge (SOC0) calculation. It has enabled the function, which aimed to get the value of SOC0 during the second of zero simulation and avoid from updating its value during the full simulation. The terminal voltage data that obtained from workspace was compared with OCV lookup table that used to measure the final SOC. Integral function of current and SOC used with application of (7) had allowed the value of SOC0 as to be estimated. Figure 6. Simulation model of battery second-order equivalent circuit model Figure 7. The simulation model of SOC validation model
  • 8.
     ISSN: 2502-4752 IndonesianJ Elec Eng & Comp Sci, Vol. 21, No. 3, March 2021 : 1317 - 1331 1324 Figure 8. Terminal voltage calculation Figure 9. SOC calculation Figure 10. Initial state of charge estimation
  • 9.
    Indonesian J ElecEng & Comp Sci ISSN: 2502-4752  Modeling and validation of lithium-ion battery with initial state of charge… (Ali Mohsen Alsabari) 1325 3. RESULTS AND DISCUSSION 3.1. Model validation 3.1.1. Battery calibration In this experiment, the test procedures as above have been applied in charging and discharging the battery for capacity calibration. The current profile used is displayed precisely in Figure 11. Figure 11 shows the current profile that is used for battery calibration in order to collect the terminal voltage data of battery for SOC0 estimation. After the battery has fully charged and discharged by current amount of 1.35 A, the battery then discharged by 10% and 5%of its SOC and left for four hours rest in order to reach equilibrium status. Figure 12 shows the experimental data of battery terminal voltage based on the current profile that used in Figure 11. The cut off voltage has reached 2.5 V during zero state of charge, and it reached 2.7 V when being discharged by pulse. These voltage data will be used for initial SOC estimation in the next sections. Figure 11. Current profile for battery calibration Figure 12. Experimental data of terminal voltage 3.1.2. Current pulse discharge validation A. Current profile For modeling validation, the terminal voltage and SOC play their role as the main parameters and deeply discussed in this paper. To validate the model, a current profile is used in order to discharge the battery by 1.35 A with unknown SOC. The current profile is displayed in Figure 13.
  • 10.
     ISSN: 2502-4752 IndonesianJ Elec Eng & Comp Sci, Vol. 21, No. 3, March 2021 : 1317 - 1331 1326 Figure 13. Current discharge pulses B. Initial and final SOC results In this paper Coulombs-counting method is used for SOC estimation. The data of terminal voltage, SOC and lookup table in Matlab with the application of (7), the initial state of charge (SOC0) was estimated. The constant value of SOC0 estimated in simulation with the SOC is shown in Figure 14. Figure 14 shows that the initial and final SOC during the first charge show the value of the remaining capacity of the battery at almost 90%. The researchers believe that the SOC0 shown in red line will be constant during the full simulation model. The final SOC changed from 90% to almost 5% of its final value based on the current pulse used. For showing the accuracy of the proposed method of SOC0 estimation, this paper used another enable function in order to record the initial SOC for the whole simulation. The SOC is compared and plotted with initial SOC as shown in Figure 15. Figure 14. Initial and final SOC profile Figure 15. Final and initial SOC for the time > zero
  • 11.
    Indonesian J ElecEng & Comp Sci ISSN: 2502-4752  Modeling and validation of lithium-ion battery with initial state of charge… (Ali Mohsen Alsabari) 1327 In Figure 15, the final and initial SOC are plotted and compared in order to identify the detail of changes that occur at each level of SOC as well as aware with the previous value of SOC to show the accuracy of SOC0 estimation method. C. Battery terminal voltage results As a continuous process of model validation with the SOC0 estimated in previous section, the terminal voltage of simulation and experimental data are comparedand in Figure 16. The error between experimental and simulated model in Figure 17 shows the accuracy of the second-order equivalent circuit model for lithium-ion battery with average RMSE error of 0.1V. By comparing this results with the paper studied by [26], the initial state of charge was set in his study to 90% rather than estimated and the terminal voltage average RMSE error was 0.2733%. In this paper, the initial state of charge was estimated and used to validate the terminal voltage with better error rate, which validate the proposed methods studied of this paper. Figure 16. Battery terminal voltage simulation and experimental Figure 17. Model error 3.1.3. Static validation To verify the accuracy of the model, constant discharge current was performed. The battery was discharged at a constant current of 1C (2.7 A) to its cutoff voltage of 2.5 V. For the simulation model, the initial SOC was estimated based on (7), and the model was run afterwards. A. Terminal voltage validation During constant discharging current of the battery for one hour, the simulated model was compared with experimental data of battery terminal voltage. The terminal voltage results and its errors are shown in Figures 18 and 19 respectively.
  • 12.
     ISSN: 2502-4752 IndonesianJ Elec Eng & Comp Sci, Vol. 21, No. 3, March 2021 : 1317 - 1331 1328 Figure 18. Terminal voltage of simulation and experimental during constant discharging The comparison in Figure 18 illustrates that the curves are approximately similar. during 0 to 2000 second, terminal voltage is lower in case of experimental voltage (as compare to simulated voltage), while 2000 to 3500 second it is just reverse due to the increase of internal resistance of the battery by time. In Figure 19, the maximum relative error between simulated and measured voltage of the battery is 0.015 V, which simultaneously prove the accuracy of model. In the literature conducted by [23], the second-order equivalent circuit model validation using Coulombs-counting method was used for SOC estimation and the value of SOC0 was set to 0.3. In this paper, the SOC0 was estimated and by comparing the error rate of terminal voltage, reported by [23], the maximum relative error was 0.0452. In this paper, however, it was 0.015 and better in overall error rate in graphs reported. This clearly show that the estimation method of SOC0 was valid and more accurate for validation of battery terminal voltage. Figure 19. Output error in constant discharging process B. SOC validation The SOC of the battery is the key indicator parameter of the remaining capacity of the battery, specifically for battery development and its application. In this paper, the SOC was estimated by using Coulombs-counting method and validated with experimental data. The comparison between the estimated model and the experimental results is shown in Figure 20. In Figure 20, the red line shows the CC method in simulation, while the green line shows the measurement data from the experiment. It can be clearly seen that in Figure 20 during 0 to 3000 second, state of charge (%) is lower in case of CC method (as compare to (Reference) while 3000 to 3500 second it is just reversed due to the constant rated capacity used in simulation model compared to the experimental capacity data obtained from experiment as function of time. The average RMSE error is 2.409 %, which acknowledges that the model was precise with a simple method of SOC estimation as compared to the complicated methods reported in the literature such as the proposed observer which investigated by [26]with their average error of almost 5%.
  • 13.
    Indonesian J ElecEng & Comp Sci ISSN: 2502-4752  Modeling and validation of lithium-ion battery with initial state of charge… (Ali Mohsen Alsabari) 1329 Figure 20. SOC profile for CC method 4. CONCLUSION The lithium-ion battery second-order circuit model characterizes the electrical behavior of lithium- ion battery in terms of terminal voltage and SOC parameters. These parameters were investigated by discharging the battery through pulse and constant discharging methods. Firstly, this study managed to find an accurate method of model parameter identification for battery internal parameters. Then the estimation of initial SOC in the simulation model was proposed by using terminal voltage data and SOC with Matlab lookup table and CC method. After that, the simulation model of terminal voltage and SOC validated with measured battery voltage and SOC. Furthermore, the error analysis for terminal voltage and SOC are calculated with almost 0.015V and 2% respectively. Based on the validation between the measured and simulated terminal voltage and SOC, the error shows that the electrical model as second-order represents the dynamic behavior of the battery. In addition, the obtained results satisfies the precision of the model proposed, so it can be used for a further battery management system and application. ACKNOWLEDGEMENTS The authors would like to thank the Faculty of Engineering, Universiti Putra Malaysia (UPM) for providing the facilities and conducive learning environment in conducting the research. REFERENCES [1] J. Y. Yong, V. K. Ramachandaramurthy, K. M. Tan, and N. Mithulananthan, “A review on the state-of-the-art technologies of electric vehicle, its impacts and prospects,” Renew. Sustain. Energy Rev., vol. 49, pp. 365-385, 2015. [2] G. Ren, G. Ma, and N. Cong, “Review of electrical energy storage system for vehicular applications,” Renew. Sustain. Energy Rev., vol. 41, pp. 225-236, 2015. [3] E. Chemali, M. Peindl, P. Malysz, and A. Emadi, “Electrochemical and Electrostatic Energy Storage and Management Systems for Electric Drive Vehicles: State-of-the-Art Review and Future Trends,” IEEE J. Emerg. Sel. Top. Power Electron., vol. 4, no. 3, pp. 1-1, 2016. [4] M. Farrokhifar, A. Alahyari, and D. Pozo, “Power Management of Electric Vehicle Equipped with Battery and Supercapacitor Considering Irregular Terrain,” 2019 Int. Youth Conf. Radio Electron. Electr. Power Eng., pp. 1-5, 2019. [5] S. Madani, E. Schaltz, and S. Knudsen Kær, “An Electrical Equivalent Circuit Model of a Lithium Titanate Oxide Battery,” Batteries, vol. 5, no. 1, p. 31, 2019. [6] O. Quan, J. Chen, and K. You, “State of charge estimation of lithium-ion batteries with unknown model parameters,” Proc. Am. Control Conf., vol. 2016-July, pp. 4012-4017, 2016. [7] L. W. Yao, J. A. Aziz, P. Y. Kong, and N. R. N. Idris, “Modeling of lithium-ion battery using MATLAB/simulink,” IECON Proc. (Industrial Electron. Conf., no. November, pp. 1729-1734, 2013. [8] L. Olatomiwa, S. Mekhilef, M. S. Ismail, and M. Moghavvemi, “Energy management strategies in hybrid renewable energy systems: A review,” Renew. Sustain. Energy Rev., vol. 62, no. May, pp. 821-835, 2016. [9] L. Kumar and S. Jain, “Electric propulsion system for electric vehicular technology: A review,” Renew. Sustain. Energy Rev., vol. 29, pp. 924-940, 2014. [10] Y. Wang, C. Liu, R. Pan, and Z. Chen, “Modeling and state-of-charge prediction of lithium-ion battery and ultracapacitor hybrids with a co-estimator,” Energy, vol. 121, pp. 739-750, 2017. [11] A. N. Azmi, N. Bin Salim, and A. B. Khamis, “Analysis of an energy storage sizing for grid-connected photovoltaic system,” Indones. J. Electr. Eng. Comput. Sci. (IJEECS), vol. 16, no. 1, pp. 17-24, 2019.
  • 14.
     ISSN: 2502-4752 IndonesianJ Elec Eng & Comp Sci, Vol. 21, No. 3, March 2021 : 1317 - 1331 1330 [12] J. Jaguemont, L. Boulon, and Y. Dubé, “Characterization and Modeling of a Battery Pack at Low Temperatures,” vol. 65, no. 1, pp. 1-14, 2016. [13] Y. Tian, D. Li, J. Tian, and B. Xia, “A comparative study of state-of-charge estimation algorithms for lithium-ion batteries in wireless charging electric vehicles,” IEEE PELS Work. Emerg. Technol. Wirel. Power, WoW 2016, no. 2016, pp. 186-190, 2016. [14] Y. Tian, D. Li, J. Tian, and B. Xia, “State of charge estimation of lithium-ion batteries using an optimal adaptive gain nonlinear observer,” Electrochim. Acta, vol. 225, pp. 225-234, 2017. [15] L. Kouchachvili, W. Yaïci, and E. Entchev, “Hybrid battery/supercapacitor energy storage system for the electric vehicles,” J. Power Sources, vol. 374, no. October 2017, pp. 237-248, 2018. [16] M. A. Hannan, M. M. Hoque, A. Hussain, Y. Yusof, and P. J. Ker, “State-of-the-Art and Energy Management System of Lithium-Ion Batteries in Electric Vehicle Applications: Issues and Recommendations,” IEEE Access, vol. 6, pp. 19362-19378, 2018. [17] Z. Yang, D. Patil, and B. Fahimi, “Electrothermal modeling of lithium-ion batteries for electric vehicles,” IEEE Trans. Veh. Technol., vol. 68, no. 1, pp. 170-179, 2019. [18] Y. Wang, C. Zhang, and Z. Chen, “State-of-charge Estimation of Lithium-ion Batteries Based on Multiple Filters Method,” Energy Procedia, vol. 75, pp. 2635-2640, 2015. [19] A. Samba, “Battery Electrical Vehicles-Analysis of Thermal Modelling and Thermal Management,” 2016. [20] F. Claude, M. Becherif, and H. S. Ramadan, “Experimental validation for Li-ion battery modeling using Extended Kalman Filters,” Int. J. Hydrogen Energy, vol. 42, no. 40, pp. 25509-25517, 2017. [21] A. A. Hussein, “Experimental modeling and analysis of lithium-ion battery temperature dependence,” Conf. Proc. - IEEE Appl. Power Electron. Conf. Expo. - APEC, vol. 2015-May, no. May, pp. 1084-1088, 2015. [22] A. Fotouhi, D. J. Auger, K. Propp, S. Longo, and M. Wild, “A review on electric vehicle battery modelling: From Lithium-ion toward Lithium-Sulphur,” Renew. Sustain. Energy Rev., vol. 56, pp. 1008-1021, 2016. [23] L. Zhang, H. Peng, Z. Ning, Z. Mu, and C. Sun, “Comparative Research on RC Equivalent Circuit Models for Lithium-Ion Batteries of Electric Vehicles,” Appl. Sci., vol. 7, no. 10, p. 1002, 2017. [24] T. Zahid and W. Li, “A comparative study based on the least square parameter identification method for state of charge estimation of a LiFePO4 battery pack using three model-based algorithms for electric vehicles,” Energies, vol. 9, no. 9, 2016. [25] T. Mesbahi, N. Rizoug, P. Bartholomëus, R. Sadoun, F. Khenfri, and P. Le Moigne, “Dynamic model of li-ion batteries incorporating electrothermal and ageing aspects for electric vehicle applications,” IEEE Trans. Ind. Electron., vol. 65, no. 2, pp. 1298-1305, 2018. [26] Q. Zhu, N. Xiong, M. L. Yang, R. Sen Huang, and G. Di Hu, “State of charge estimation for lithium-ion battery based on nonlinear observer: An H ∞ method,” Energies, vol. 10, no. 5, pp. 1-19, 2017. [27] M. C. Argyrou, P. Christodoulides, C. C. Marouchos, and S. A. Kalogirou, “Hybrid battery-supercapacitor mathematical modeling for PV application using Matlab/Simulink,” Proc. - 2018 53rd Int. Univ. Power Eng. Conf. UPEC 2018, no. December, pp. 1-6, 2018. [28] Y. Hua, M. Xu, M. Li, C. Ma, and C. Zhao, “Estimation of state of charge for two types of lithium-ion batteries by nonlinear predictive filter for electric vehicles,” Energies, vol. 8, no. 5, pp. 3556-3577, 2015. [29] X. Lai, W. Yi, Y. Zheng, and L. Zhou, “An all-region state-of-charge estimator based on global particle swarm optimization and improved extended kalman filter for lithium-ion batteries,” Electron., vol. 7, no. 11, 2018. [30] W. Waag, C. Fleischer, and D. U. Sauer, “Critical review of the methods for monitoring of lithium-ion batteries in electric and hybrid vehicles,” J. Power Sources, vol. 258, pp. 321-339, 2014. [31] M. A. Hannan, M. S. H. Lipu, A. Hussain, and A. Mohamed, “A review of lithium-ion battery state of charge estimation and management system in electric vehicle applications: Challenges and recommendations,” Renew. Sustain. Energy Rev., vol. 78, no. May, pp. 834-854, 2017. [32] Q. Zhang, Y. L. Shang, Y. Li, B. Duan, and C. H. Zhang, “Variable-order fractional equivalent circuit model for lithium-ion batteries,” Proc. 2016 IEEE 11th Conf. Ind. Electron. Appl. ICIEA 2016, pp. 2277-2282, 2016. [33] R. M. S. Santos, C. L. G. D. S. Alves, E. C. T. Macedo, J. M. M. Villanueva, and L. V. Hartmann, “Estimation of lithium-ion battery model parameters using experimental data,” INSCIT 2017 - 2nd Int. Symp. Instrum. Syst. Circuits Transducers Chip Sands, Proc., 2017. BIOGRAPHIES OF AUTHORS Ali alsabari was born in yemen 1st january 1986. He received his bachelor degree in mechatronics Engineeing from International Islamic University Malaysia. (IIUM), malaysia in 2013. He later received his master degree from Universiti Teknologi Malaysia (UTM), Skudai- Johor, Malaysia in 2016. He is now under scholarship from malaysian government studing phd in his sixth semester in control system engineering in Universiti Putra Malaysia (UPM) malaysia.
  • 15.
    Indonesian J ElecEng & Comp Sci ISSN: 2502-4752  Modeling and validation of lithium-ion battery with initial state of charge… (Ali Mohsen Alsabari) 1331 Mohd. Khair Hassan was born in Malacca, Malaysia. He received the B.Eng. degree in electrical and electronic engineering from the University of Portsmouth, U.K., in 1998, the M.Eng. degree in electrical engineering from Universiti Teknologi Malaysia (UTM), Skudai, Johor, Malaysia, in 2001, and the Ph.D. degree in automotive from Universiti Putra Malaysia (UPM), Serdang, Selangor, Malaysia, in 2011. He is currently an Associate Professor with the Department of Electrical and Electronic Engineering, UPM. His area of interests includes control system, automotive control, electric vehicle, and AI applications. Currently, his focuses are on x- by-wire technology and optimal strategy for energy consumption in electric vehicle. Dr. M.K. Hassan is a Professional Engineer registered under Board of Engineers Malaysia, a Corporate Member of the Institution of Engineers Malaysia, and a member of the Society of Automotive Engineers. Dr. Azura Che Soh is an Associate Professor at the Department of Electrical and Electronic Engineering, Faculty of Engineering, Universiti Putra Malaysia Serdang (UPM), Selangor. She graduated in BEng in Electronic/Computer in 1999 and MSc (Electrical & Electronic of Engineering) in 2002 from Universiti Putra Malaysia. She obtained PhD (Electrical Engineering) from Universiti Teknologi Malaysia in 2011. She was main researcher of Control System and Signal Processing (CSSP) Research Center, Department of Electrical and Electronics Engineering, UPM. She was a coordinator for Control and Automation of Laboratory and Associate Researcher at MYAGEING institute. She is now supervising 3 PhD, 6 MSc directly under her supervision including 10 PhD and 16 MSc co-supervision postgraduate students. She published 64 journals and 69 proceedings. Her research interests are intelligent control system, control system and system modelling. Ribhan Zafira Binti Abdul Rahman she is Dr in Department. Of Electrical and Electronic Engineering, Faculty of Engineering, Universiti Putra Malaysia 43400 UPM Serdang, Selangor. Her phD in Electrical Engineering Universiti Teknologi Malaysia, Malaysia was in 2013. Electrical M.E. in Electrical Eng. Universiti Teknologi Malaysia, Malaysia in 2001. Electrical B.Eng. (Hons) in Electrical and Electronics Engineering Liverpool John Moores University, UK in 1998. Electrical and Electronics Diploma In Electrical And Electronic Engineering Institut Teknologi Mara, Malaysia in1995.