Scientific Journal Impact Factor (SJIF): 1.711
International Journal of Modern Trends in Engineering
and Research
www.ijmter.com
@IJMTER-2014, All rights Reserved 659
e-ISSN: 2349-9745
p-ISSN: 2393-8161
Step up DC-DC Impedance source network based PMDC Motor Drive
Kavin.K.S1
, Sivasamuthira Pandian.S2
, Thivya Prasad.D3
, Nagaraju.N4
1,2,3,4
Department of Electrical and Electronics Engineering, Er.Perumal Manimekalai College of Engineering,
Hosur, India, kavinksk@gmail.com1
,sivambame@gmail.com2
, thivya_prasad@yahoo.com3
,
nagaraj343@gmail.com4
Abstract— This paper is devoted to the Quasi Z source network based DC Drive. The cascaded
(two-stage) Quasi Z Source network could be derived by the adding of one diode, one inductor,
and two capacitors to the traditional quasi-Z-source inverter The proposed cascaded qZSI inherits all
the advantages of the traditional solution (voltage boost and buck functions in a single stage,
continuous input current, and improved reliability). Moreover, as compared to the conventional qZSI,
the proposed solution reduces the shoot-through duty cycle by over 30% at the same voltage boost
factor. Theoretical analysis of the two-stage qZSI in the shoot-through and non-shoot-through
operating modes is described. The proposed and traditional qZSI-networks are compared. A
prototype of a Quasi Z Source network based DC Drive was built to verify the theoretical
assumptions. The experimental results are presented and analyzed.
Keywords- DC–DC power conversion, fuel cells, pulse width-modulated power converters, rectifiers
I. INTRODUCTION
The voltage-fed quasi-Z-source inverter has been reported to be suitable for different
renewable power applications fuel cells, solar panels, wind power generators, etc, because of its
unique capability of voltage boost and buck functions in a single stage. If necessary, the qZSI can
boost the input voltage by introducing a special shoot-through switching state, which is the
simultaneous conduction (cross conduction) of both switches of the same inverter’s phase leg. This
switching state is forbidden for the traditional voltage-source inverters because it causes the short
circuit of the dc-link capacitors. In the qZSI, the shoot-hence through states are used to boost the
magnetic energy stored in the dc-side inductors L1 and L2 without short circuiting the dc capacitors
C1 and C2. This increase in magnetic energy, in turn, provides the boost of the voltage seen on the
inverter output during traditional operating states. If the input voltage is high enough, the shoot-
through states are eliminated, and the qZSI begins to operate as a traditional VSI. This paper
discusses a method of performance improvement for the voltage-fed qZSI with continuous input
current gained by the introduction of the cascaded quasi-Z-source network. The cascaded (two-stage)
qZSI-network is derived by the adding of one diode (D2), one inductor (L3), and two capacitors (C3
and C4) to the traditional qZSI, as shown in Fig. 1. The proposed cascaded qZSI-network enables
the duty cycle of the shoot-through state to be sufficiently decreased at the same voltage boost factor
and component stresses as those of the traditional qZSI.Due to the decreased shoot through duty
cycle, the values of the inductors and capacitors of the qZSI-network could also be decreased. On the
other hand, for the same component ratings and voltage and current stresses, the qZSI with the
proposed cascaded qZSI-network will ensure a higher voltage boost factor than with traditional
solutions.
International Journal of Modern Trends in Engineering and Research (IJMTER)
Volume 02, Issue 01, [January - 2015] e-ISSN: 2349-9745, p-ISSN: 2393-8161
@IJMTER-2014, All rights Reserved 660
Fig 1. First & Second stage QZS Inverter
II. NEW STEP-UP DC/DC CONVERTER WITH CASCADED QZS-NETWORK
The main focus of this paper is on the power conditioning units (PCUs) for residential power
systems. PCUs are used to interconnect distributed energy sources producing low dc voltage, like
FCs or solar panels (typically 40–80 V dc), to the residential loads (typically 230 V ac single-phase
or 3 × 400 V ac). Due to safety and dynamic performance requirements, the PCU should be realized
within the dc/dc/ac concept. This means that low voltage from the energy source first passes through
the front-end step-up dc/dc converter with galvanic isolation; afterward, the output dc voltage is
inverted in the three-phase inverter and filtered to comply with the imposed standards and
requirements (second dc/ac stage). Our novel approach to the front-end step-up dc/dc converters
provides a very high voltage gain. The topology proposed (Fig. 2) utilizes the voltage-fed qZSI with
a cascaded qZSI-network and continuous input current, a high-frequency step-up isolation
transformer, and a voltage-doublers rectifier. This paper analyzes the design of the two-stage qZSI,
whereas the design and operation of the transformer–rectifier stage of the converter remain the same
as those with traditional isolated full-bridge converters. To regulate the varying input voltage, the
front-end qZSI has two different operating modes: shoot-through and non-shoot through. In the non-
shoot-through mode, the qZSI performs only the voltage buck function. This operation mode is
typically used during light-load conditions, when the output voltage of an FC or a solar panel reaches
its maximum. The inverter is controlled in the same manner as with the traditional VSI, utilizing only
the active states when one and only one switch in each phase leg conducts. The MOSFETS in the
full-bridge configuration are controlled alternately in pairs (T1 and T4 or T2 and T3, Fig. 3) with
180◦-phase-shifted control signals. In this operating mode, the duty cycle of inverter switches could
never exceed 0.5. When the input voltage drops below some predefined value, the qZSI starts to
operate in the shoot-through mode. In order to boost the input voltage during this mode, a special
switching state—the shoot-through state is implemented in the pulse width modulation (PWM)
inverter control. During the shoot-through states, the primary winding of the isolation transformer is
shorted through all switches of both phase legs This shoot-through state (or vector) is forbidden in
the traditional VSIs because it would cause a short circuit of dc capacitors and destruction of power
switches. The cascaded qZSnetwork makes the shoot-through states possible, effectively protecting
the circuit from damage. Moreover, the shoot through states are used to boost the magnetic energy
stored in the dc-side inductors L1, L2, and L3 without short circuiting the dc capacitors C1, . . . , C4.
International Journal of Modern Trends in Engineering and Research (IJMTER)
Volume 02, Issue 01, [January - 2015] e-ISSN: 2349-9745, p-ISSN: 2393-8161
@IJMTER-2014, All rights Reserved 661
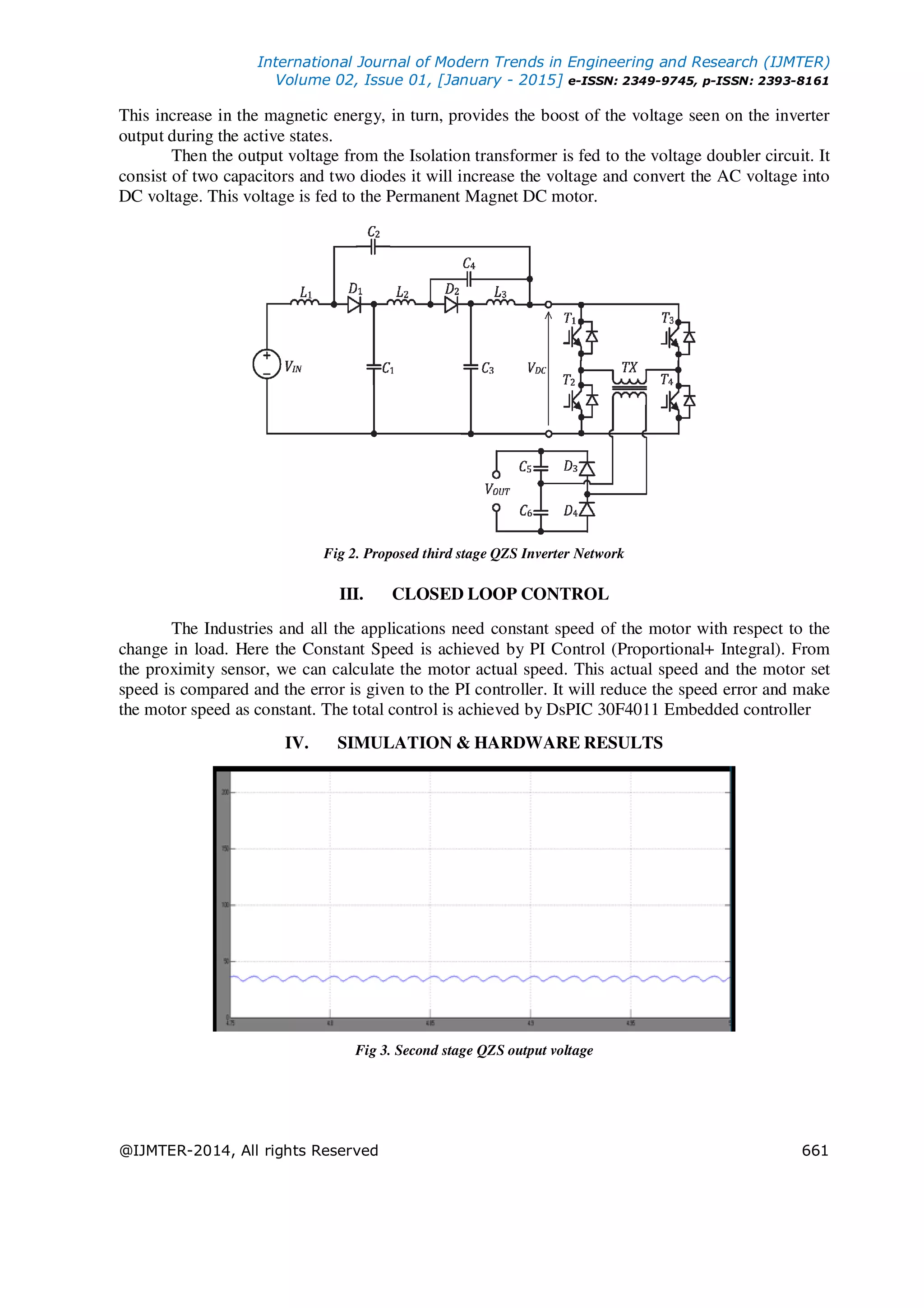
This increase in the magnetic energy, in turn, provides the boost of the voltage seen on the inverter
output during the active states.
Then the output voltage from the Isolation transformer is fed to the voltage doubler circuit. It
consist of two capacitors and two diodes it will increase the voltage and convert the AC voltage into
DC voltage. This voltage is fed to the Permanent Magnet DC motor.
Fig 2. Proposed third stage QZS Inverter Network
III. CLOSED LOOP CONTROL
The Industries and all the applications need constant speed of the motor with respect to the
change in load. Here the Constant Speed is achieved by PI Control (Proportional+ Integral). From
the proximity sensor, we can calculate the motor actual speed. This actual speed and the motor set
speed is compared and the error is given to the PI controller. It will reduce the speed error and make
the motor speed as constant. The total control is achieved by DsPIC 30F4011 Embedded controller
IV. SIMULATION & HARDWARE RESULTS
Fig 3. Second stage QZS output voltage
International Journal of Modern Trends in Engineering and Research (IJMTER)
Volume 02, Issue 01, [January - 2015] e-ISSN: 2349-9745, p-ISSN: 2393-8161
@IJMTER-2014, All rights Reserved 662
Fig 4. Proposed third stage QZS network output voltage
Fig. 5 Motor speed waveform using PI controller
Fig. 6 Motor speed using PI controller
International Journal of Modern Trends in Engineering and Research (IJMTER)
Volume 02, Issue 01, [January - 2015] e-ISSN: 2349-9745, p-ISSN: 2393-8161
@IJMTER-2014, All rights Reserved 663
Fig. 7 Quasi Z Source network based DC Drive Hardware Setup
V. CONCLUSION
This paper has presented a further optimization possibility of the voltage-fed qZSI developed
by the introduction of the cascaded qZS-network. To compose the cascaded qZS-network, one diode,
one inductor, and two capacitors were added to the traditional voltage-fed qZSI. The novel
configuration inherits all the advantages of traditional solutions (voltage boost and buck functions in
a single stage, continuous input current, and improved reliability). Moreover, the voltage-fed qZSI
with the cascaded qZS-network reduced the shoot-through duty cycle by over 30% at the same
voltage boost factor and component stresses as the conventional qZSI. The proposed cascaded qZSI
can be applied to almost all dc/ac, ac/dc, ac/ac, and dc/dc power conversion schemes. To further
decrease the shoot-through duty cycle at the same voltage boost factor, the number of stages of the
qZS-network could be increased.
REFERENCES
[1] J. Anderson and F. Z. Peng, “Four quasi-Z-source inverters,” in Proc. IEEE Power Electron. Spec. Conf., Jun. 15–19,
2008, pp. 2743–2749.
[2] Y. Li, J. Anderson, F. Z. Peng, and D. Liu, “Quasi-Z-source inverter for photovoltaic power generation systems,” in
Proc. IEEE APEC, Feb. 15–19, 2009, pp. 918–924.
[3] J.-H. Park, H.-G. Kim, E.-C. Nho, T.-W. Chun, and J. Choi, “Grid connected PV system using a quasi-Z-source
inverter,” in Proc. IEEE APEC, Feb. 15–19, 2009, pp. 925–929.
[4] D. Vinnikov and I. Roasto, “Quasi-Z-source-based isolated dc/dc converters for distributed power generation,” IEEE
Trans. Ind. Electron., vol. 58, no. 1, pp. 192–201, Jan. 2011.
[5] R. Strzelecki and M. Adamowicz, “Boost–buck inverters with cascaded qZ-type impedance networks,” Elect. Rev.,
vol. 86, no. 2, pp. 370–375, 2010.
1
K.S.Kavin received the B.E. Degree in Electrical and Electronics Engineering from C.S.I
Institute of Technology, Thovalai, Anna University, Chennai, India in 2009 and Post
graduation in Power Electronics & Drives in Shanmuganathan Engineering College,
Pudukkottai under Anna University, Chennai, India in 2014. Now he is working as a
Assistant Professor in Er. Perumal Manimekalai College of Engineering, Hosur.
International Journal of Modern Trends in Engineering and Research (IJMTER)
Volume 02, Issue 01, [January - 2015] e-ISSN: 2349-9745, p-ISSN: 2393-8161
@IJMTER-2014, All rights Reserved 664
2
S.Sivasamuthira Pandian received the B.E. Degree in Electrical and Electronics
Engineering from C.S.I Institute of Technology, Thovalai, Anna University, Chennai, India
in 2005 and Post graduation in Power Electronics & Industrial Drives in Satyabama
University, Chennai, India in 2013. Now he is working as a Assistant Professor in Er.
Perumal Manimekalai College of Engineering, Hosur.
3
D.Thivya Prasad received the B.E. Degree in Electronics and Instrumentation Engineering
from MOOKAMBIGAI College of Engineering, Pudukkottai, Anna University, Chennai,
India in 2008 and Post graduation in Power Electronics & Drives in Sastra University,
Thanjavur under India in 2010. Now he is working as a Assistant Professor in Er. Perumal
Manimekalai College of Engineering, Hosur.
4
N.Nagaraju received the B.Tech. Degree in Electrical and Electronics Engineering from
Kuppam Engineering College, Kuppam, JNTU University, Hyderabad, India in 2008 and
Post graduation in Power Systems in Adhiyamaan College of Engineering, Hosur under
Anna University, Chennai, India in 2012. Now he is working as a Assistant Professor in Er.
Perumal Manimekalai College of Engineering, Hosur.
Step up DC-DC Impedance source network based PMDC Motor Drive
Step up DC-DC Impedance source network based PMDC Motor Drive

Step up DC-DC Impedance source network based PMDC Motor Drive

  • 1.
    Scientific Journal ImpactFactor (SJIF): 1.711 International Journal of Modern Trends in Engineering and Research www.ijmter.com @IJMTER-2014, All rights Reserved 659 e-ISSN: 2349-9745 p-ISSN: 2393-8161 Step up DC-DC Impedance source network based PMDC Motor Drive Kavin.K.S1 , Sivasamuthira Pandian.S2 , Thivya Prasad.D3 , Nagaraju.N4 1,2,3,4 Department of Electrical and Electronics Engineering, Er.Perumal Manimekalai College of Engineering, Hosur, India, kavinksk@gmail.com1 ,sivambame@gmail.com2 , thivya_prasad@yahoo.com3 , nagaraj343@gmail.com4 Abstract— This paper is devoted to the Quasi Z source network based DC Drive. The cascaded (two-stage) Quasi Z Source network could be derived by the adding of one diode, one inductor, and two capacitors to the traditional quasi-Z-source inverter The proposed cascaded qZSI inherits all the advantages of the traditional solution (voltage boost and buck functions in a single stage, continuous input current, and improved reliability). Moreover, as compared to the conventional qZSI, the proposed solution reduces the shoot-through duty cycle by over 30% at the same voltage boost factor. Theoretical analysis of the two-stage qZSI in the shoot-through and non-shoot-through operating modes is described. The proposed and traditional qZSI-networks are compared. A prototype of a Quasi Z Source network based DC Drive was built to verify the theoretical assumptions. The experimental results are presented and analyzed. Keywords- DC–DC power conversion, fuel cells, pulse width-modulated power converters, rectifiers I. INTRODUCTION The voltage-fed quasi-Z-source inverter has been reported to be suitable for different renewable power applications fuel cells, solar panels, wind power generators, etc, because of its unique capability of voltage boost and buck functions in a single stage. If necessary, the qZSI can boost the input voltage by introducing a special shoot-through switching state, which is the simultaneous conduction (cross conduction) of both switches of the same inverter’s phase leg. This switching state is forbidden for the traditional voltage-source inverters because it causes the short circuit of the dc-link capacitors. In the qZSI, the shoot-hence through states are used to boost the magnetic energy stored in the dc-side inductors L1 and L2 without short circuiting the dc capacitors C1 and C2. This increase in magnetic energy, in turn, provides the boost of the voltage seen on the inverter output during traditional operating states. If the input voltage is high enough, the shoot- through states are eliminated, and the qZSI begins to operate as a traditional VSI. This paper discusses a method of performance improvement for the voltage-fed qZSI with continuous input current gained by the introduction of the cascaded quasi-Z-source network. The cascaded (two-stage) qZSI-network is derived by the adding of one diode (D2), one inductor (L3), and two capacitors (C3 and C4) to the traditional qZSI, as shown in Fig. 1. The proposed cascaded qZSI-network enables the duty cycle of the shoot-through state to be sufficiently decreased at the same voltage boost factor and component stresses as those of the traditional qZSI.Due to the decreased shoot through duty cycle, the values of the inductors and capacitors of the qZSI-network could also be decreased. On the other hand, for the same component ratings and voltage and current stresses, the qZSI with the proposed cascaded qZSI-network will ensure a higher voltage boost factor than with traditional solutions.
  • 2.
    International Journal ofModern Trends in Engineering and Research (IJMTER) Volume 02, Issue 01, [January - 2015] e-ISSN: 2349-9745, p-ISSN: 2393-8161 @IJMTER-2014, All rights Reserved 660 Fig 1. First & Second stage QZS Inverter II. NEW STEP-UP DC/DC CONVERTER WITH CASCADED QZS-NETWORK The main focus of this paper is on the power conditioning units (PCUs) for residential power systems. PCUs are used to interconnect distributed energy sources producing low dc voltage, like FCs or solar panels (typically 40–80 V dc), to the residential loads (typically 230 V ac single-phase or 3 × 400 V ac). Due to safety and dynamic performance requirements, the PCU should be realized within the dc/dc/ac concept. This means that low voltage from the energy source first passes through the front-end step-up dc/dc converter with galvanic isolation; afterward, the output dc voltage is inverted in the three-phase inverter and filtered to comply with the imposed standards and requirements (second dc/ac stage). Our novel approach to the front-end step-up dc/dc converters provides a very high voltage gain. The topology proposed (Fig. 2) utilizes the voltage-fed qZSI with a cascaded qZSI-network and continuous input current, a high-frequency step-up isolation transformer, and a voltage-doublers rectifier. This paper analyzes the design of the two-stage qZSI, whereas the design and operation of the transformer–rectifier stage of the converter remain the same as those with traditional isolated full-bridge converters. To regulate the varying input voltage, the front-end qZSI has two different operating modes: shoot-through and non-shoot through. In the non- shoot-through mode, the qZSI performs only the voltage buck function. This operation mode is typically used during light-load conditions, when the output voltage of an FC or a solar panel reaches its maximum. The inverter is controlled in the same manner as with the traditional VSI, utilizing only the active states when one and only one switch in each phase leg conducts. The MOSFETS in the full-bridge configuration are controlled alternately in pairs (T1 and T4 or T2 and T3, Fig. 3) with 180◦-phase-shifted control signals. In this operating mode, the duty cycle of inverter switches could never exceed 0.5. When the input voltage drops below some predefined value, the qZSI starts to operate in the shoot-through mode. In order to boost the input voltage during this mode, a special switching state—the shoot-through state is implemented in the pulse width modulation (PWM) inverter control. During the shoot-through states, the primary winding of the isolation transformer is shorted through all switches of both phase legs This shoot-through state (or vector) is forbidden in the traditional VSIs because it would cause a short circuit of dc capacitors and destruction of power switches. The cascaded qZSnetwork makes the shoot-through states possible, effectively protecting the circuit from damage. Moreover, the shoot through states are used to boost the magnetic energy stored in the dc-side inductors L1, L2, and L3 without short circuiting the dc capacitors C1, . . . , C4.
  • 3.
    International Journal ofModern Trends in Engineering and Research (IJMTER) Volume 02, Issue 01, [January - 2015] e-ISSN: 2349-9745, p-ISSN: 2393-8161 @IJMTER-2014, All rights Reserved 661 This increase in the magnetic energy, in turn, provides the boost of the voltage seen on the inverter output during the active states. Then the output voltage from the Isolation transformer is fed to the voltage doubler circuit. It consist of two capacitors and two diodes it will increase the voltage and convert the AC voltage into DC voltage. This voltage is fed to the Permanent Magnet DC motor. Fig 2. Proposed third stage QZS Inverter Network III. CLOSED LOOP CONTROL The Industries and all the applications need constant speed of the motor with respect to the change in load. Here the Constant Speed is achieved by PI Control (Proportional+ Integral). From the proximity sensor, we can calculate the motor actual speed. This actual speed and the motor set speed is compared and the error is given to the PI controller. It will reduce the speed error and make the motor speed as constant. The total control is achieved by DsPIC 30F4011 Embedded controller IV. SIMULATION & HARDWARE RESULTS Fig 3. Second stage QZS output voltage
  • 4.
    International Journal ofModern Trends in Engineering and Research (IJMTER) Volume 02, Issue 01, [January - 2015] e-ISSN: 2349-9745, p-ISSN: 2393-8161 @IJMTER-2014, All rights Reserved 662 Fig 4. Proposed third stage QZS network output voltage Fig. 5 Motor speed waveform using PI controller Fig. 6 Motor speed using PI controller
  • 5.
    International Journal ofModern Trends in Engineering and Research (IJMTER) Volume 02, Issue 01, [January - 2015] e-ISSN: 2349-9745, p-ISSN: 2393-8161 @IJMTER-2014, All rights Reserved 663 Fig. 7 Quasi Z Source network based DC Drive Hardware Setup V. CONCLUSION This paper has presented a further optimization possibility of the voltage-fed qZSI developed by the introduction of the cascaded qZS-network. To compose the cascaded qZS-network, one diode, one inductor, and two capacitors were added to the traditional voltage-fed qZSI. The novel configuration inherits all the advantages of traditional solutions (voltage boost and buck functions in a single stage, continuous input current, and improved reliability). Moreover, the voltage-fed qZSI with the cascaded qZS-network reduced the shoot-through duty cycle by over 30% at the same voltage boost factor and component stresses as the conventional qZSI. The proposed cascaded qZSI can be applied to almost all dc/ac, ac/dc, ac/ac, and dc/dc power conversion schemes. To further decrease the shoot-through duty cycle at the same voltage boost factor, the number of stages of the qZS-network could be increased. REFERENCES [1] J. Anderson and F. Z. Peng, “Four quasi-Z-source inverters,” in Proc. IEEE Power Electron. Spec. Conf., Jun. 15–19, 2008, pp. 2743–2749. [2] Y. Li, J. Anderson, F. Z. Peng, and D. Liu, “Quasi-Z-source inverter for photovoltaic power generation systems,” in Proc. IEEE APEC, Feb. 15–19, 2009, pp. 918–924. [3] J.-H. Park, H.-G. Kim, E.-C. Nho, T.-W. Chun, and J. Choi, “Grid connected PV system using a quasi-Z-source inverter,” in Proc. IEEE APEC, Feb. 15–19, 2009, pp. 925–929. [4] D. Vinnikov and I. Roasto, “Quasi-Z-source-based isolated dc/dc converters for distributed power generation,” IEEE Trans. Ind. Electron., vol. 58, no. 1, pp. 192–201, Jan. 2011. [5] R. Strzelecki and M. Adamowicz, “Boost–buck inverters with cascaded qZ-type impedance networks,” Elect. Rev., vol. 86, no. 2, pp. 370–375, 2010. 1 K.S.Kavin received the B.E. Degree in Electrical and Electronics Engineering from C.S.I Institute of Technology, Thovalai, Anna University, Chennai, India in 2009 and Post graduation in Power Electronics & Drives in Shanmuganathan Engineering College, Pudukkottai under Anna University, Chennai, India in 2014. Now he is working as a Assistant Professor in Er. Perumal Manimekalai College of Engineering, Hosur.
  • 6.
    International Journal ofModern Trends in Engineering and Research (IJMTER) Volume 02, Issue 01, [January - 2015] e-ISSN: 2349-9745, p-ISSN: 2393-8161 @IJMTER-2014, All rights Reserved 664 2 S.Sivasamuthira Pandian received the B.E. Degree in Electrical and Electronics Engineering from C.S.I Institute of Technology, Thovalai, Anna University, Chennai, India in 2005 and Post graduation in Power Electronics & Industrial Drives in Satyabama University, Chennai, India in 2013. Now he is working as a Assistant Professor in Er. Perumal Manimekalai College of Engineering, Hosur. 3 D.Thivya Prasad received the B.E. Degree in Electronics and Instrumentation Engineering from MOOKAMBIGAI College of Engineering, Pudukkottai, Anna University, Chennai, India in 2008 and Post graduation in Power Electronics & Drives in Sastra University, Thanjavur under India in 2010. Now he is working as a Assistant Professor in Er. Perumal Manimekalai College of Engineering, Hosur. 4 N.Nagaraju received the B.Tech. Degree in Electrical and Electronics Engineering from Kuppam Engineering College, Kuppam, JNTU University, Hyderabad, India in 2008 and Post graduation in Power Systems in Adhiyamaan College of Engineering, Hosur under Anna University, Chennai, India in 2012. Now he is working as a Assistant Professor in Er. Perumal Manimekalai College of Engineering, Hosur.