Industrial Engineering Letters www.iiste.org
ISSN 2224-6096 (Paper) ISSN 2225-0581 (online)
Vol.3, No.7, 2013
1
New Controllers Efficient Model-Based Design Method
Farhan A. Salem1,2
(Corresponding author)
1
Mechatronics Program. Dept. of Mechanical Engineering, Faculty of Engineering, Taif University, 888, Taif,
Saudi Arabia, 2
Alpha Center for Engineering Studies and Technology Researches (ACESATR), Amman, Jordan.
Email: salem_farh@yahoo.com
Abstract
This paper proposes a new simple and efficient model-based time domain P, PI ,PD , and PID controllers design
methods for achieving an important design compromise; acceptable stability, and medium fastness of response,
the proposed method is based on selecting controllers' gains based on plant's parameters, a simple expressions
are proposed for calculating and soft tuning controller's gain, the proposed controllers design methods were
tested for first, second and first order system with time delay, and using MATLAB/simulink software.
Keywords: Controller, controller design.
1. Introduction
The term control system design refers to the process of selecting feedback gains (poles and zeros) that meet
design specifications in a closed-loop control system. Most design methods are iterative, combining parameter
selection with analysis, simulation, and insight into the dynamics of the plant (Ahmad A. Mahfouz, et al 2013).
An important compromise for control system design is to result in acceptable stability, and medium fastness of
response, one definition of acceptable stability is when the undershoot that follows the first overshoot of the
response is small, or barely observable. Beside world wide known and applied controllers design method
including Ziegler–Nichols, Chiein-Hrones-Reswick (CHR), Wang–Juang–Chan, Cohen-Coon, many controllers
design methods have been proposed in different papers and texts including (Astrom K,J et al 1994)( Ashish
Tewari, 2002 )( Katsuhiko Ogata, 2010)( Norman S. Nise, 2011)( Gene F. Franklin, et al 2002)( Dale E. Seborg,
et al, 2004)( Dingyu Xue et al, 2007)( Chen C.L et al, 1989)( R. Matousek, 2012)( K. J. Astrom et al, 2001)(
Susmita Das et al, 2012) (L. Ntogramatzidis, 2010)( M.Saranya et al, 2012 ), each method has its advantages,
and limitations. (R. Matousek, 2012 ) present multi-criterion optimization of PID controller by means of soft
computing optimization method HC12. (K. J. Astrom et al, 2001) introduce an improved PID tuning approach
using traditional Ziegler-Nichols tuning method with the help of simulation aspects and new built in function. (L.
Ntogramatzidis et al, 2010) A unified approach has been presented that enable the parameters of PID, PI and PD
controllers (with corresponding approximations of the derivative action when needed) to be computed in finite
terms given appropriate specifications expressed in terms of steady-state performance, phase/gain margins and
gain crossover frequency. (M.Saranya et al, 2012) proposed an Internal Model Control (IMC) tuned PID
controller method for the DC motor for robust operation. (Fernando G. Martons, 2005 ) proposed a procedure
for tuning PID controllers with simulink and MATLAB. (Saeed Tavakoli, 2003) presented Using dimensional
analysis and numerical optimization techniques, an optimal method for tuning PID controllers for first order plus
time delay systems.
This paper proposes P, PI, PD, and PID controller design method based on selecting controller gainsbased on
plant's parameters that meet an important design compromise; acceptable stability, and medium fastness of
response. By relating controller's gains and plant parameters, particularly, time constant, damping ratio and
undamped natural frequency, expressions for selecting values of controllers' gains are to be derived for FOPTD,
first and second order systems, as well as, systems that can be approximated as first and second order systems, to
achieve more smooth response with minimum overshoot, minimum settling time, and minimum steady state
error, a soft tuning parameters with recommended ranges are to be introduced.
1.1 Controllers Modeling
The controller that will be considered are Proportional, proportional derivative, proportional integral and
proportional integral derivative controllers
Proportional Control: The control action of P-controller is proportional to the error, The relation between the
output control signal of controller, u(t) and the actuating error signal e(t) is given by Eq.(1), taking Laplace-
transform and manipulating Eq.(1), for transfer function gives:
( ) ( ) ( ) ( ) p牋 牋 Kpu t K e t U s E s= ⇒ = (1)
Gp(s) = U(s )/E(s) = Kp (2)
Proportional-Derivative, PD-controller: The output control signal of PD-Controller controller u(t),is equal to
the sum of two signals and given by Eq.(3), taking Laplace transform and solving for transfer function, gives
Industrial Engineering Letters www.iiste.org
ISSN 2224-6096 (Paper) ISSN 2225-0581 (online)
Vol.3, No.7, 2013
2
Eq.(4) :
( )
( ) ( ) ( ) ( ) ( )P D P D
de t
u t K e t K U s K E s K sE s
dt
= + ⇔ = + (3)
( ) ( ) ( )P
PD P D D D PD
D
K
G s K K s K s K s Z
K
= + = + = + (4)
Where: ZPD = KP/KD, is the PD-controller zero,
Proportional-Integral, PI-controller: The output control action signal u(t), of PI- controller is proportional to
the error and the integral of error, where the integral of the error, as well as, the error itself are used for control,
and given by Eq.(5), taking Laplace transform, and solving for transfer function gives Eq.(6):
1
( ) ( ) ( ) ( ) ( ) ( ) ( ) I
P I P I P
K
u t K e t K de t dt U s K E s K E s E s K
s s
 
= + ⇔ = + = + 
 
∫
(5)
( )
( )
( )
I
P
I P I P P PI
PI P
K
K s
K K s K K K s Z
G s K
s s s s
+
+ +
= + = = = (6)
Where: /PI I PZ K K= , is the PI-controller zero. Equation (6) can be rewritten, in terms of integral time
constant TI, to have the following given by (7), and implemented as shown in Figure 15(b) :
1 1
( ) (1 ) (1 ) ( ) ( ( ) ( ) )I I
PI P P P P
P I
K K
G s K K K u t K e t e t dt
s K s T s Ti
= + = + = + ⇔ = + ∫
( ) ( )P
e
u t K e
Ti
= + (7)
This means if constant error exists, the controller action will keep increasing, until the error is zero, where:
TI=KP/KI, is the time constants of the integral actions, or integral time .
Proportional-Integral- Derivative PID-controller: Combining all three controllers, results in the PID
controller, the output of PID controller is equal to the sum of three signals and given by Eq.(32), taking Laplace
transform, and solving for transfer function , gives Eq.(8)
( ) 1
( ) ( ) ( ) ( ) ( ) ( ) ( )P D I P D I
de t
u t K e t K K e t dt U s K E s K E s s K E s
dt s
= + + ⇔ = + +∫
( ) ( ) ( )I I
P D PID P D
K K
U s E s K K s G s K K s
s s
 
= + + ⇒ = + + 
 
(8)
This equation can be manipulated to result in the form given by Eq.(9)
2
2
( )
P I
D
D DI D P I
PID P D
K K
K s s
K KK K s K s K
G s K K s
s s s
 
+ + 
+ +  = + + = = (9)
Equation (9) is second order system, with two zeros and one pole at origin, and can be expressed to have the
form given by Eq.(10), which indicates that PID transfer function is the product of transfer functions PI and PD ,
Implementing these two controllers jointly and independently will take care of both controller design
requirements
( )( )
( )
( )
( ) ( )D PI PD PD
PID D PI PD PI
K s Z s Z s Z
G K s Z G s G s
s s
+ + +
= = + = (10)
The transfer function of PID controller, also ,can also be expressed to have the form given by Eq.(11):
( )( ) ( )2
( )D PI PD D PI PD D PI PD D
PID
K s Z s Z K s Z Z K s Z Z K
G
s s
+ + + + +
= = (11)
Rearranging Eq.(11), we have:
( )
( )
2
( ) ( )PI PD DD PI PD D PI PD D
PID PI PD D D
Z Z K sK s Z Z K Z Z K
G Z Z K K s
s s s s
+
= + + = + + +
Substituting the following values, ( )1 2 3,牋? ),牋牋PI PD D PI PD D DK Z Z K K Z Z K K K= + = = , gives:
2
1 3PID
K
G K K s
s
= + + (12)
Since PID transfer function is a second order system, it can be expressed in terms of damping ratio and
undamped natural frequency to have the form given by Eq.(13)::
Industrial Engineering Letters www.iiste.org
ISSN 2224-6096 (Paper) ISSN 2225-0581 (online)
Vol.3, No.7, 2013
3
2
2 2
2
( )
P I
D
D n nD D
PID
K K
K s s
K s sK K
G s
s s
ξω ω
 
+ +   + +   = = (13)
Where: 2 I
n
D
K
K
ω = and 2 P
n
D
K
K
ξω =
The transfer function of PID control given by Eq.(8) can, also, be expressed in terms of derivative time and
integral time to have the form given by Eq.(14):
2
11
1 I D I
PID P D P
I I
T T s T s
G K T s K
T s T s
  + +
= + + = 
 
(14)
Where: TI= KP/ KI : integral time, TD= KD/ KP : derivative time,
/I P IK K T= , D P DK K T=
Since in Eq. (14) the numerator has a higher degree than the denominator, the transfer function is not causal and
can not be realized, therefore this PID controller is modified through the addition of a lag to the derivative term,
to have the following form:
D
1
1 ,牋牋牋 /N - time constant of the added lag
1
D
PID P
DI
T s
G K
T sT s
N
 
 
= + + 
 + 
 
Where: N: determines the gain KHF of the PID controller in the high frequency range, the gain KHF must be
limited because measurement noise signal often contains high frequency components and its amplification
should be limited. Usually, the divisor N is chosen in the range 2 to 20. If no D-controller, then we have PI
controller, given by Eq. (15), it is clear that, PI and PD controllers are special cases of the PID controller.
11
1 I
PI P P
I I
T s
G K K
T s T s
   +
= + =   
   
(15)
The addition of the proportional and derivative components effectively predicts the error value at TD seconds (or
samples) in the future, assuming that the loop control remains unchanged. The integral component adjusts the
error value to compensate for the sum of all past errors, with the intention of completely eliminating them in TI
seconds (or samples). The resulting compensated single error value is scaled by the single gain KP.
1.2 Dominant features
Most complex systems have dominant features that typically can be approximated by either a first or second
order system response. Control system's response is largely dictated by those poles that are the closest to the
imaginary axis, i.e. the poles that have the smallest real part magnitudes, such poles are called the dominant
poles, many times, it is possible to identify a single pole, or a pair of poles, as the dominant poles. In such cases,
a fair idea of the control system's performance can be obtained from the damping ratio and undamped natural
frequency of the dominant poles (Farhan A. Salem, 2013). For complex system, the controller gains are to be
selected based on plant's parameters (time constant, the damping ratio and undamped natural frequency) of the
dominant poles.
2. Controllers design for first order systems
First order systems and systems that can be approximated as first order systems, are characterized, mainly,
by time constant T. Time constant is a characteristic time that is used as a measure of speed of response to a step
input and governs the approach to a steady-state value after a long time. The general form of first order system's
transfer function in terms of time constant T, is given by Eq.(16).
( )
1
G s 牋
1Ts
=
+
(16)
2.1 P-controller design for first order systems
To design P-controller, with minim settling time, the proportional gain KP, is set equals to time constant, but
since different step input values can be applied, and correspondingly different steady state value will results, then
by multiplying plant's time constant T, by desired output value ( reference input) the value of KP can be selected
to achieve suitable response. To soften the response in terms of reducing overshoot, settling time and steady state
error, a tuning parameters α can be introduced, based on all this expression given by Eq.(17) can be proposed for
designing P-controller for first order systems:
牋牋 PK RTα= (17)
Where: T : Plant's time constant. R : desired output value, α: a tuning parameter that takes the value from 1 to
100. To achieve overall system fast response, with minimum overshoot and oscillation, parameter α, is softly
increased.
Industrial Engineering Letters www.iiste.org
ISSN 2224-6096 (Paper) ISSN 2225-0581 (online)
Vol.3, No.7, 2013
4
For systems with small DC gain and/or small time constant, to minimize time of design and selection process of
proportional gain KP, the expression given by Eq.(18) can be applied directly, where each increase of parameter
α will increase proportional gain by 100 factor
To test and verify the proposed P-controller design expression for selecting proportional gain KP for achieving
desired output of 10 with minimum possible overshoot, steady state error and settling time, four different first
order systems with different time constants, with transfer functions given by Eq.(19) and unity feedback control
systems simulink model shown in Figure 1 are to be used. The result of designing P-controller and tuned values
of parameter α, for first three systems, are shown in Table 1, the response curves are shown in Figure 2, these
response curves show that, acceptable stability, and medium fastness of response with minimum steady state
error can be achieved by applying proposed expression, and by selecting and increasing the value of only one
parameter α.
To test expression given by Eq.(18), applying it to system 3, and comparing with original expression, (see figure
2(c)(d)), the comparison shows that applying Eq.(18) to systems with small DC gain and/or small time constant,
simplifies and accelerate design process while achieving optimal response.
牋牋 10PK RTα= (18)
1 2 3 4
10 1 0.005 0.1
( ) ,牋牋牋? ) ,牋牋牋牋( ) ?牋牋牋牋( ) ?
10 1 2 10 1 2 100
sys sys sys sysG s G s G s G s
s s s s
= = = =
+ + + +
(19)
Figure 2 Simulink model for testing proposed design method
Table 1: P-controller design for first order system
P-Controller α System 1 System 2 System 3
T=1 T=0.5 T=10
P牋牋K RTα=
R=Vin=10
α=1 10 5 100
α=5 50 25 500
α=10 100 50 1000
Figure 2(a) P-controller design for system 1
0.1
2s+100
sys (3)1
0.005
10s+1
sys (3)
1
s+2
sys (2)
10
10s+10
sys (1)
output
1
Unity feedback
Step input
Vin
PID(s)
P, PI, PD, PID controllers
1
(Td/N)s+1
Filter
du/dt
=
Kp
.3
1
.2
sy13.mat
.1
..7
0
..5
..4
..,
0
..'1
0
..'
0
..
du/dt
.'
Kp
.
,.,.
,.,
,.'
Td
,,
1
s
,'2
,'1
,'
Kd
,
1/Ti
'1
'.
1
s
''
Ki
'
0 0.5
0
2
4
6
8
10
12
Time (seconds)
Magnitude
Tuned: α = 10
0 0.5 1
0
5
10
Time (seconds)
Magnitude
Sys1 P-design, α = 1
0 0.5 1
0
5
10
Time (seconds)
Magnitude
Tuned: α = 5
Industrial Engineering Letters www.iiste.org
ISSN 2224-6096 (Paper) ISSN 2225-0581 (online)
Vol.3, No.7, 2013
5
Figure 2(b) P-controller design for system 2
Figure 2(c) P-controller design for system 3 applying Eq.( 17).
Figure 2(d) P-controller design for system 3 applying Eq.( 18)
2.2 PI-controller design for first order systems
Based on plant's time constants, expression given by Eq.(20) are proposed, to design PI controller for first order
systems, these expression relate selecting PI controller gains values based, only, on plant's time constant . To
reduce overshoot and speed up response, soft tuning parameters α, is introduced.
To verify and test the proposed PI-controller design procedure, the same four first order systems are given in
Eq.(19) and simulink model shown in Figure 1, are used, where manual switches are used to switch control
system to PI controller. The result of designing PI-controller for achieving desired output of 10 with zero steady
state error and minimum settling time, as well as, tuned values of tuning parameter α, are shown in Table 2, the
response curves are shown in Figure 3, these response curves show, that a fast response, minimum overshoot and
with zero steady state error are achieved. To speed up response, tuning parameter α can be increased softly, this
is shown in Figure 3(b).
牋P
P
I
P
I
I
K T
K T
K
T T
K T
T T
K
α
α
α
α
α
=
= = =
= = =
(20)
0 0.5
0
2
4
6
8
10
12
(Sec)
Magnitude
Tuned: α = 10
0 0.5 1
0
5
10
(Sec)
Magnitude
Sys2 P-design, α = 1
0 0.5 1
0
5
10
(Sec)
Magnitude
Tuned: α = 5
0 50
0
5
10
Time (seconds)
Magnitude
Sys3 P-design, α = 1
0 50
0
5
10
Time (seconds)
Magnitude
Tuned: α = 5
0 5 10
0
5
10
Time (seconds)
Magnitude
Tuned: α = 550
0 5 10 15
0
5
10
(Sec)
Magnitude
Sys3 P-design, α = 1
0 5 10
0
5
10
(Sec)
Magnitude
Tuned: α = 5
0 5
0
5
10
(Sec)
Magnitude
Tuned: α = 10
Industrial Engineering Letters www.iiste.org
ISSN 2224-6096 (Paper) ISSN 2225-0581 (online)
Vol.3, No.7, 2013
6
Table 2: PI-controller design for first order system
PI-Controller
Parameters System 1 System 2 System 3
T 1 0.5 10
α 1 1 1
KP 1 0.5 10
KI 1 1 10
TI 1 0.5 10
N 1 1 1
Figure 3(a) PI-controller design for system 1
Figure 3(b) PI-controller design for system 2
Figure 3(c) PI-controller design for system 3
2.3 PD-controller design for first order systems
Based on plants time constants, expressions given by Eq.(21) are proposed, to design PD controller for first
order systems. For first order systems with small time constant and/or small DC gain, expression given by
Eq.(22) are proposed, to reduce steady state error and speed up response, a soft tuning parameters α, is
introduced .To verify and test the proposed PD-controller design procedure, the same first order systems given in
Eq.(19) and simulink model shown in Figure 1 are used , manual switches are used to switch control system
components to PD controller. The result of designing PD-controller for achieving desired output of 10 with
minimum steady state error and minimum settling time, as well as, tuned values of tuning parameter alpha, are
shown in Table 3, the response curves are shown in Figure 4, the response curves show, that a fast response with
minimum steady state error are achieved. To speed up response and reduce steady state error tuning parameter α
are increased, this is shown in Figure 4. Since system 3, is with small both DC gain and time constant,
expressions given by Eq.(22) are applied, resulting in acceptable response compromise shown in Figure 4(b).
/ 1/
P
D
D D P
K RT
T
K
T K K R
α
α
α
=
=
= =
(21)
0 5 10
0
5
10
Time (seconds)
Magnitude
Sys1 PI-design, α = 1
0 1 2
0
5
10
Time (seconds)
Magnitude
Tuned: α = 5
0 0.5 1
0
5
10
Time (seconds)
Magnitude
Tuned: α = 10
0 5 10 15
0
5
10
Time (seconds)
Magnitude
Sys2 PI-design, α = 1
0 5
0
5
10
Time (seconds)
Magnitude
Tuned: α = 5
0 1 2
0
5
10
Time (seconds)
Magnitude
Tuned: α = 10
0 500 1000 1500
0
5
10
Time (seconds)
Magnitude
Sys3 PI-design, α = 1
0 100 200 300
0
5
10
Time (seconds)
Magnitude
Tuned: α = 5
0 10 20
0
5
10
Time (seconds)
Magnitude
Tuned: α = 100
Industrial Engineering Letters www.iiste.org
ISSN 2224-6096 (Paper) ISSN 2225-0581 (online)
Vol.3, No.7, 2013
7
2
2
/ 1/
P
D
D D P
K R T
T
K
T K K R
α
α
α
=
=
= =
(22)
Table 3: Applying PD-controller design for first order system
PD-Controller
Parameters System 1 System 2 System 3
T 1 0.5 10
α 1 1 5
KP 10 5 5000
KD 1 .5 2
TD 0.1 0.1 4. e-004
N 1 1 1
Figure 4(a) PD-controller design for system 1, increasing tuning parameter alpha reduces error and speeds
response
Figure 4(b) PD-controller design for system 2,
Figure 4(b) PD-controller design for system 3, applying expression given by Eq.(22)
2.4 PID-controller design for first order systems
Based on plants time constants, expressions given by Eq.(23) are proposed, to design PID controller for first
order systems. Two tuning parameters are introduced α and ε, that can be tuned to speed up response, reduce
overshoot and steady state error, based on methods applied for derivation (calculations, analysis and trial and
error methods), a limits for these two parameters are proposed, these parameters are tuned softly, where: Tuning
parameter α :is responsible for reducing overshoot , (α =0.1:3), reducing will increase damping and
correspondingly, reduce overshoot, meanwhile, Tuning parameter ε : is responsible for speeding up response, (ε
=0.1:2)
0 0.5
0
5
10
Time (seconds)
Magnitude
Tuned: α = 5
0 1 2
0
5
10
Time (seconds)
Magnitude
Sys1 PD-design, α = 1
0 0.1 0.2
0
5
10
Time (seconds)
Magnitude
Tuned: α = 10
0 0.5
0
5
10
Time (seconds)
Magnitude
Tuned: α = 5
0 1 2
0
5
10
Time (seconds)
Magnitude
Sys2 PD-design, α = 1
0 0.1 0.2
0
5
10
Time (seconds)
Magnitude
Tuned: α = 25
0 5 10
0
5
10
Time (seconds)
Magnitude
Tuned: α = 5
0 5
0
5
10
Time (seconds)
Magnitude
Sys3 PD-design, α = 1
0 1 2 3
0
5
10
Time (seconds)
Magnitude
Tuned: α = 10
Industrial Engineering Letters www.iiste.org
ISSN 2224-6096 (Paper) ISSN 2225-0581 (online)
Vol.3, No.7, 2013
8
I
牋
* ,牋牋 牋? 0.1 3
* ,牋牋 牋? 0.1 2
*
牋?
1
T
*
P
I
D
D
D
P
P
I
K T
K T where
K T where
K T
T
K T
K T
K T
α α
ε ε
ε
ε
α α
=
= = ÷
= = ÷
= = =
= = =
(23)
To verify and test the proposed PID-controller design procedure, the same four first order systems are given in
Eq.( 19) and simulink model shown in Figure 1 are used , manual switches are used to switch control system to
PID controller. The result of designing PID-controller for achieving desired output of 10 with minimum steady
state error and minimum settling time, as well as, tuned values of tuning parameter alpha and epsilon, for system
1 are shown in Table 4, the response curves are shown in Figure 5, the response curves show, that a fast response
with minimum both overshoot and steady state error at less time are achieved.
Table 4 PD-controller design for system 1, responses are shown in Figure 5(a)
PD-Controller
System 1 System 1 System 1
T 1 1 1
α 3 1 0.5
ε 2 1 1
KP 1 1 1
KI 3 1 0.5
KD 2 1 1
TD 2 1 1
TI 0.333 1 2
N 1 1 1
Figure 5(a) PID controller design for system 1, and the effect of tuning parameters ε and α
Figure 5(b) PID controller design for systems 2 and 3,
2.5 Summary : Controller design for First order systems
The proposed method and expressions for controllers terms selection and design for first order systems are
summarized in Table 5
0 5 10
0
5
10
15
Time (seconds)
Magnitude
Sys1 PID, α=1,ε=1
0 10 20
0
5
10
15
Time (seconds)
Magnitude
Sys1 PID, α=3,ε=2
0 5 10 15
0
5
10
15
Time (seconds)
Magnitude
Sys1 PID, α=0.5,ε=1
0 5 10 15
0
5
10
15
Time (seconds)
Magnitude
Sys2 PID, α=1.5,ε=3
Magnitude
0 50 100
0
5
10
15
Time (seconds)
Magnitude
Sys3 PID, α=0.7,ε=2
Industrial Engineering Letters www.iiste.org
ISSN 2224-6096 (Paper) ISSN 2225-0581 (online)
Vol.3, No.7, 2013
9
Table 5 P, PI ,PD, PID controllers terms for first order systems
Controller
type
KP KI KD TD TI N
P-
controller
牋牋RTα
0 0 0 0 0For sys.
small DC
gain and/or
small T
牋1? RTα
PD 牋牋RTα 0 牋? ?DK T α= /
1 /
D PK K
Rα
= 0 1 22÷
For sys.
small DC
gain and/or
small T
2
R Tα 牋? ?DK T α= 2
1/ R α 0 0
PI
牋牋Tα
牋?
PK T
T T
α
α
=
=
0 0 T 1 22÷
PID T 牋* ,牋牋
0.1 3
Tα
α = ÷
? ,
0.1 2
Tε
ε = ÷
*
0.1 2
D
D
P
K
T
K
T
T
ε
ε
ε
= =
=
= ÷
I
I
T
1
T 牋
*
0.1 3
P
I
K
K
T
Tα α
α
= =
= =
= ÷
1-22
3. Controllers design for second order systems
The general standard form of second order system, in terms of damping ratio ζ and undamped natural frequency
ωn is given by Eq.(24), knowing that that performance of second order systems depends on damping ratio ζ and
undamped natural frequency ωn , where damping ratio determines how much the system oscillates as the response
decays toward steady state and undamped natural frequency ωn, determines how fast the system oscillates
during any transient response (Farhan A. Salem, 2013), ωn has a direct effect on the rise time, delay time, and
settling time, therefore to speed up response and reduce ( remove) overshot, based on this an important design
compromise; acceptable stability, and medium fastness of response can be achieved by relating controller's gain
and plant's parameters
2
2 2
( ) 牋牋
2
n
n n
G s
s s
ω
ξω ω
=
+ +
(24)
3.1 P-controller design for second order systems
Based on plant's damping ratio ζ and undamped natural frequency ωn, expression given by Eq.(25) is proposed
To design P-controller for second order systems. For systems with small time constant or DC gain expression
given by Eq.(26) is proposed. Only one tuning parameter α is introduced, that can be tuned to speed up response,
reduce overshoot, oscillation and steady state error and,
,牋牋牋牋牋牋 牋牋牋 牋 牋0.1n
P
R
K where is tuned from
α ω
α
ξ
= (25)
2
?牋牋牋牋牋牋 牋牋牋 牋 牋5.n
P
R
K where is tuned from
α ω
α
ξ
= (26)
Where R: is desired output value, α: can be increased for small R and decreased for large R. increasing
parameter α will result in increasing overshoot, oscillation and reducing steady state error.
To test and verify the proposed P-controller design, four second order systems are given by Eq.(27) and simulink
model shown in figure 6. Applying P-controller design for achieving desired output of 10, for three first
Industrial Engineering Letters www.iiste.org
ISSN 2224-6096 (Paper) ISSN 2225-0581 (online)
Vol.3, No.7, 2013
10
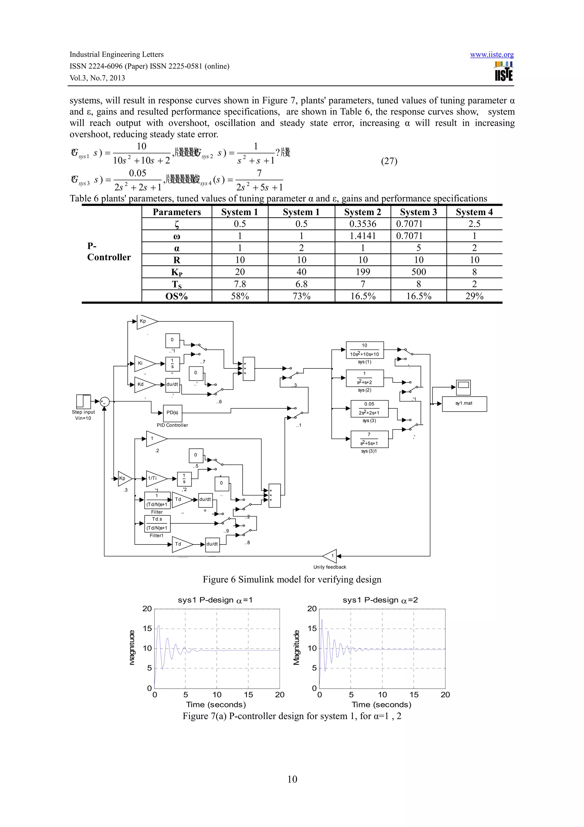
systems, will result in response curves shown in Figure 7, plants' parameters, tuned values of tuning parameter α
and ε, gains and resulted performance specifications, are shown in Table 6, the response curves show, system
will reach output with overshoot, oscillation and steady state error, increasing α will result in increasing
overshoot, reducing steady state error.
1 22 2
3 42 2
10 1
? ) ,牋牋牋牋? ) ?牋牋
10 10 2 1
0.05 7
? ) ,牋牋牋牋牋牋 ( )
2 2 1 2 5 1
sys sys
sys sys
G s G s
s s s s
G s G s
s s s s
= =
+ + + +
= =
+ + + +
(27)
Table 6 plants' parameters, tuned values of tuning parameter α and ε, gains and performance specifications
P-
Controller
Parameters System 1 System 1 System 2 System 3 System 4
ζ 0.5 0.5 0.3536 0.7071 2.5
ω 1 1 1.4141 0.7071 1
α 1 2 1 5 2
R 10 10 10 10 10
KP 20 40 199 500 8
TS 7.8 6.8 7 8 2
OS% 58% 73% 16.5% 16.5% 29%
Figure 6 Simulink model for verifying design
Figure 7(a) P-controller design for system 1, for α=1 , 2
7
s +5s+12
sys (3)1
0.05
2s +2s+12
sys (3)
1
s +s+22
sys (2)
10
10s +10s+102
sys (1)
output
1
Unity feedback
Step input
Vin=10
PD(s)
PID Controller
Td.s
(Td/N)s+1
Filter1
1
(Td/N)s+1
Filter
du/dt
=
Kp
.3
1
.2
..9
..8
..7
..6
0
..5
..4
..3
..2
..1
Td
.......
du/dt
.....
0
..'1
0
..'
0
..
du/dt
.'
Kp
.
Td
,,
1
s
,'2
,'1
,'
Kd
,
1/Ti
'1
'.
1
s
''
Ki
'
sy1.mat
0 5 10 15 20
0
5
10
15
20
Time (seconds)
Magnitude
sys1 P-design α=1
0 5 10 15 20
0
5
10
15
20
Time (seconds)
Magnitude
sys1 P-design α=2
Industrial Engineering Letters www.iiste.org
ISSN 2224-6096 (Paper) ISSN 2225-0581 (online)
Vol.3, No.7, 2013
11
Figure 7(a) P-controller design for system 2,3,4
3.2 PD-controller design for second order systems
Based on plant's damping and undamped natural frequency, expression given by Eq.(28) are proposed to design
PD-controller for second order systems. For systems with small time constant and/or small DC gain, expression
given by Eq.(29) are proposed, in both cases, only one tuning parameter α is introduced, that can be softly tuned
to speed up response, reduce overshoot and steady state error, where increasing parameter α will result in
decreasing overshoot, oscillation and reducing steady state error.
Applying PD controller design for system 1 for achieving desired output of 10, and by tuning parameter α to
have the values α =1,5,15, will result in response curves shown in Figure 8(a), the response curves show,
increasing α will result in reducing steady state error and overshoot, while meeting acceptable response.
Applying PD-controller design for achieving desired output of 10, for system 2 , will result in response curves
shown in Figure 8(b). Applying PD-controller design for achieving desired output of 10, for system 3 and
applying expression given by Eq.(29) will result in response curves shown in Figure 8(c). These response curves
show that a response with minimum overshoot and minimum error and with suitable settling time is achieved,
also by soft tuning of only one parameter α, the response can be softened .
2 2
2.9
2.9
2.9
P
n
D n
D
I n
P
n
R
K
K R
K R
T
RK
α
ξω
α ξω
α ξω
ξ ω
α
ξω
=
=
= = =
(28)
2
2
2 2
P
n
D n
D
I n
P
n
R
K
K R
K R
T
RK
α
ξω
α ξω
α ξω
ξ ω
α
ξω
=
=
= = =
(29)
Figure 8 PD(a) controller design for system 1, for α=1,5,15
0 5 10 15
0
5
10
15
Time (seconds)
Magnitude
sys2 P-design α=1
0 10 20
0
5
10
15
20
Time (seconds)
Magnitude
sys3 P-design α=5
0 5
0
5
10
15
Time (seconds)
Magnitude
sys4 P-design α=2
0 1 2 3
0
5
10
Time (seconds)
Magnitude
sys1 PD-design α=1
0 1 2 3
0
5
10
Time (seconds)
Magnitude
sys1 PD-design α=5
0 1 2 3
0
5
10
Time (seconds)
Magnitude
sys1 PD-design α=15
Industrial Engineering Letters www.iiste.org
ISSN 2224-6096 (Paper) ISSN 2225-0581 (online)
Vol.3, No.7, 2013
12
Figure 8(b) PD controller design for system 2, for α=1,5,15
Figure 8(c) PD controller design for system 3, for α=1,5,15
3.3 PI-controller design for second order systems
To design PI-controller for second order systems, expression given by Eq.(30) are proposed, to speed up
response, only one tuning parameter α is introduced.. Applying PI-design for second order systems given by
Eq.(27), will result in response curves shown in Figure 9, the response curves show that an acceptable response
with zero steady sate error and without overshoot are achieved.
( )
10
,牋牋? 牋? .8 1
10
n
I
n
P I
P n I
I I
I n
K
K K where
K K
T T
K
ξ ω
ξω
α α
αξω
α
ξ ω
+
=
= = ÷
= = ⇒ =
+
(30)
Figure 9 PI-controller design for three second order systems
3.4 PID-controller design for second order systems
The general standard form of second order system, can be expressed in terms of damping ratio ζ and undamped
natural frequency ωn as given by Eq.( 31). Since PID transfer function is a second order system, it can also be
expressed in terms of damping ratio and undamped natural frequency as given by Eq.(31), the PID gains ; KP, KI,
KD, can be found in terms of plant's damping ratio and undamped natural frequency, as given by Eqs.(32)(33).
Assigning proportional gain, the value of unity, KP=1, and equating Eqs.(31)(32), to find integral gain KI, wil
result in Eqs.(34) that is used to find numerical values of PID gains given by Eq.(35), based on plant damping
ratio and undamped natural frequency, to soften the response in terms of reducing overshoot, steady state error
and speed up response a tuning parameters ε and α with proposed rages are introduced.
2 22
2 2
2
( ) 牋牋 牋牋 ( )
2
D n nn
PID
n n
K s s
G s G s
ss s
ξω ωω
ξω ω
 + + = ⇔ =
+ +
(31)
0 1 2 3
0
5
10
Time (seconds)
Magnitude
sys2 PD-design α=1
0 1 2 3
0
5
10
Time (seconds)
Magnitude
sys2 PD-design α=5
0 1 2 3
0
5
10
Time (seconds)
Magnitude
sys2 PD-design α=15
0 5 10
0
5
10
Time (seconds)
Magnitude
sys3 PD-design α=1
0 1 2 3
0
5
10
Time (seconds)
Magnitude
sys3 PD-design α=5
0 1 2 3
0
5
10
Time (seconds)
Magnitude
sys3 PD-design α=15
0 10 20 30
0
5
10
Time (seconds)
Magnitude
sys1 PI-design α=1
0 10 20 30
0
5
10
Time (seconds)
Magnitude
sys2 PI-design α=1
0 20 40
0
5
10
Time (seconds)
Magnitude
sys3 PI-design α=1
Industrial Engineering Letters www.iiste.org
ISSN 2224-6096 (Paper) ISSN 2225-0581 (online)
Vol.3, No.7, 2013
13
2
2
I I
n D
D n
K K
K
K
ω
ω
= ⇒ = (32)
2
2
P P
n D
D n
K K
K
K
ξω
ξω
= ⇒ = (33)
2
2 2
1
2 2 2 2
1
2 2
1
P I I n n
I I
n n nn n
P
D D
n n
P
K K K
K K
K
K K
K
ω ω
ξω ξω ξω ξω ω
ξω ξω
= ⇒ = ⇒ = ⇒ =
= ⇒ =
=
(34)
1
1牋牋?牋牋牋牋 牋牋,牋牋 牋?
2 2
n
P D I
n
K K K
ω
ξω ξ
= = = (34)
Since PID transfer function, can be expressed in terms of derivative time and integral time to have the form
given by Eq.(35) Where: IT /P IK K= , the integral time and /D D PT K K= , the derivative time
2
11
1 I D I
PID P D P
I I
T T s T s
G K T s K
T s T s
  + +
= + + = 
 
(35)
/I P IK K T= , D P DK K T=
Based on this, the derived formulae for calculating PID controller gains in terms of derivate time TD and integral
time TI , to be as given by Eq.(36), the divisor N is chosen in the range 2 to 20.
I
2 2
T
/ 2 牋 ?
1/ 2 1
2
P P P
I n n n
D n
D D
P P n
K K K
K
K
T K
K K
ξ ξ
ω ξ ω ω
ξω
ξω
= = = =
= = = =
(36)
For soft tuning of proposed PID controller design, two tuning parameters are introduced α and ε , Where:
Increasing ε will increase overshoot, and vise versa, while increasing α will speed response, as a result, tuning
these parameters will result in reducing overshoot, reducing steady state error and speeding up response. The
proposed expressions for PID controller design are listed in Table 7.
Testing proposed PID controller design method for second order systems given by Eq.(27), will result in PID
terms, given in Table 8 , and response curves shown in Figure 10. These response curves show an acceptable
response without overshoot, steady state error and in acceptable settling time are achieved.
Further testing PID controller design procedure for second order systems given by Eq.(37), will result in PID
terms, tuned parameters values given in Table 9 , and response curves shown in Figure 11 .
2 2 2
1 1 1
1 ,牋牋牋牋 2 牋 ,牋牋牋牋牋 3 牋
1 6 5 10 10 40
sys sys sys
s s s s s s
= = =
+ + + + + +
(37)
Table 7 Proposed expressions for PID gains calculation
Plant PID parameters
KP KI KD TD TI N
ζ ωn 1
2
nω
ξ
1
2 nξω
1
2 nξω
2
n
ξ
ω
2 20÷
Tuning
limits
1
,牋? .1 10
2
nω
ε ε
ξ
= ÷
1
?牋? .58 1.5
2 n
α α
ξω
= ÷
2 n
α
ξω
2
n
ξ
εω
Table 8 Testing results of second order systems
System Plant parameter PID parameters
parameter ζ ωn ε α KP KI KD
Sys(1) 0.5 1 0.62 1.1 1 0.62 1.1
Sys(2) 0.3536 1.4142 0.68 1.5 1 1.3598 1.4998
Sys(3) 0.7071 0.7071 8 1 1 4 1
Industrial Engineering Letters www.iiste.org
ISSN 2224-6096 (Paper) ISSN 2225-0581 (online)
Vol.3, No.7, 2013
14
Figure 10applying PID control method for three second order systems
Table 9 Testing results of second order systems
System Plant parameter PID parameters
parameter ζ ωn KP KI KD
Sys(1) 0.5 1 1 1 1
Sys(1), tuned only KI value 1 0.6300 1
Sys(2) 1.3416 2.2361 1 0.8333 0.1667
Sys(2), tuned only KI value 1 1.6667 0.1667
Sys(3) 0.2500 2 1 4 1
Sys(2), tuned only KI value 1 8 1
(a) Applying calculated PID gains (a) after tuning only KI
Figure 11 System (1) responses applying proposed PID design,
(a) Applying calculated PID gains (a) after tuning only KI
Figure 11 System (2) response applying proposed PID design.
(a) Applying calculated PID gains (a) after tuning only KI
Figure 11 System (3) response applying proposed PID design
0 5 10
0
5
10
Time (seconds)
Magnitude
sys1 PID, α=1.1 ε= 0.62
0 5 10
0
5
10
Time (seconds)
Magnitude
sys2 PID, α=1.5 ε= 0.68
0 5 10 15
0
5
10
Time (seconds)
Magnitude
sys3 PID, α=1 ε= 8
0 5 10
0
5
10
15
Time (seconds)
Magnitude
Sys(1) tuned PID, Ki*0.63
0 5 10 15
0
5
10
15
Time (seconds)
Magnitude
Sys(1) PID resp.
0 10 20 30 40
0
5
10
Time (seconds)
Magnitude
Sys(2)PID response
0 5 10 15 20
0
5
10
Time (seconds)
Magnitude
Sys(1) tuned PID, Ki*2
0 20 40 60 80
0
5
10
15
Time (seconds)
Magnitude
Sys(2)PID response
0 10 20 30
0
5
10
15
Time (seconds)
Magnitude
Sys(1) tuned PID, Ki*4
Industrial Engineering Letters
ISSN 2224-6096 (Paper) ISSN 2225-0581 (online
Vol.3, No.7, 2013
3.5 Summary: Controller design for second order systems
The proposed method for second order systems and expressions for controllers terms
summarized in Table 10
Table 10 P, PI , PD, PID controllers terms for
Controller
type
KP
P-controller nRα ω
ξ
For systems
with small
DC gain
and/or small
T
2
nRα ω
ξ
PD
n
Rα
ξω
Systems with
small DC
gain and/or
small T
2
n
Rα
ξω
PI
0.8 2
IKα
α = ÷
PID 1
,
2
nω
ε ε
ξ
4. PID Controller for first order plus delay time
A large number of industrial plants can approximately be modeled by a first order plus time delay (FOPTD)
(Katsuhiko Ogata, 2010)(Saeed Tavakoli et al, 2003)
model with dead-time ,it transfer function is given by Eq.(38) and
s-shape curve with no overshoot is called
and time constant T, these two constants can be determined by drawing a tangent line at the infl
the s-shaped curve, and finding the intersection of the tangent line with time axis and steady state level
Figure 12), then the transfer function of these
transport lag and given by Eq.(38)[]:
( )
( ) 1
Ls
C s Ke
R s Ts
−
=
+
Figure 12 s-shaped curve with terminology (Farhan A. Salem, 2013)
Based on plant's delay time L, time constant T, and steady state level
0581 (online)
15
3.5 Summary: Controller design for second order systems
The proposed method for second order systems and expressions for controllers terms selection and design are
Table 10 P, PI , PD, PID controllers terms for second order systems
KI KD TD
0 0 0
0 2.9* nRα ξω 2 2
2.9 nξ ω
0 2
nRα ξω 2 2
nξ ω
10
n
n
ξ ω
ξω
+
0 0 I
I
T
T
,牋? .1 2
2
nω
ε ε
ξ
= ÷
1
?牋
2
? .58 1.5
n
α
ξω
α = ÷
2 n
α
ξω εω
4. PID Controller for first order plus delay time ( FOPDT) process
lants can approximately be modeled by a first order plus time delay (FOPTD)
(Katsuhiko Ogata, 2010)(Saeed Tavakoli et al, 2003). FOPDT models are a combination of a first
transfer function is given by Eq.(38) and it response curve is shown in Figure 12, this
is called reaction curve, it is characterized by two constants ; the delay time
, these two constants can be determined by drawing a tangent line at the infl
shaped curve, and finding the intersection of the tangent line with time axis and steady state level
Figure 12), then the transfer function of these-shaped curve can be approximated by first order system with
nd given by Eq.(38)[]:
shaped curve with terminology (Farhan A. Salem, 2013)
Based on plant's delay time L, time constant T, and steady state level K, ( see Eq. (12)). The formulae listed in
www.iiste.org
selection and design are
TI N
0 0
0 1-22
0 1-22
( )
10
P
I
I
n I
I
n
K
T
K
K
T
α
αξω
ξ ω
= = ⇒
=
+
1-22
2
n
ξ
εω
1-22
lants can approximately be modeled by a first order plus time delay (FOPTD)
. FOPDT models are a combination of a first-order process
esponse curve is shown in Figure 12, this
is characterized by two constants ; the delay time L,
, these two constants can be determined by drawing a tangent line at the inflection point of
shaped curve, and finding the intersection of the tangent line with time axis and steady state level K, (see
shaped curve can be approximated by first order system with
(38)
shaped curve with terminology (Farhan A. Salem, 2013)
, ( see Eq. (12)). The formulae listed in
Industrial Engineering Letters www.iiste.org
ISSN 2224-6096 (Paper) ISSN 2225-0581 (online)
Vol.3, No.7, 2013
16
Table 11, are proposed to calculate PID gains in terms L, T, K for ( FOPDT) process and tuning limits for KD and
KI. Based on Eqs.(35)(36), the derived formulae for calculating PID controller gains in terms of derivate time TD
and integral time TI , to be as given by in Table 11, the divisor N is chosen in the range 2 to 20.
Table 11 Proposed formulae for PID gains calculation for first ( FOPDT) system, and softening ranges
Plant PID parameters
KP KI KD TI TD N
T,K,L T *L T L
T
1/ L
2
L
T
2 20÷
Tuning
limits
T * * ,
0.1 3
L Tε
ε = ÷
0.1 3
L
T
α
α = ÷
1
*Lε 2
L
T
α
Applying proposed PID design method for first-order process with dead-time given by Eq.(39), will result in
the calculated PID gains values listed in Table 12, the response curve is shown in figure 13
0.3
( )
( ) 1
s
C s e
R s s
−
=
+
(39)
Table 12 design for FOPDT
System Plant's parameters PID parameters
FOPDT
Parameters α ε KP KI KD TD TI N
L=0.3,T=1,K=1 2 2 1 0.60 0.6 6.6666 0.6 2
(a) Applying calculated PID gains (a) after tuning KD and KI
Figure 13 FOPDT response applying proposed PID design,
5. Comparing and testing proposed design with existing design methods
Case (1): Considering a third order plant with transfer function given by Eq.(40), to verify proposed design, it
will be compared with Ziegler-Nicols design method
3
1
( )
( 1)
G s
s
=
+
(40)
Since this is third order system, it can be approximated as second order system with two repeated pole P=1,
Correspondingly ζ=1, ω =1, designing P, PI, PD, and PID controller applying Ziegler-Nicols design method and
proposed design will result in gains values listed in table 13, and the response curves are shown in Figure 14 ,
these response curves show that the proposed method is more simpler than Ziegler-Nicols, as well as a more
smooth response with minimum overshoot and acceptable settling time is achieved
Table 13 controllers' gains values applying both Ziegler-Nicols and proposed design methods
Parameters Pro. PD PI PID
Proposed
method
ζ ω KP KP KD KP KI KP KI KD
1 1 5 20 58 0.1 0.1 1 0.5 0.5
Ziegler-Nicols
method
Kcrit Pcrit KP KP TD KP TI KP TI TD
8 3.62 4.8 - - 3.6 3 4.8 1.8 0.45
0 10 20 30 40
0
5
10
15
Time (seconds)
Magnitude
sys (4) PID design
0 5 10 15 20
0
5
10
15
Time (seconds)
Magnitude
sys (2) PID with Kd*2 ,Ki*2
Industrial Engineering Letters www.iiste.org
ISSN 2224-6096 (Paper) ISSN 2225-0581 (online)
Vol.3, No.7, 2013
17
Figure 14(a) P-controller design applying Ziegler-Nicols and proposed design methods
Figure 14(b) PD-controller design applying proposed design methods
Figure 14(c) PI-controller design applying Ziegler-Nicols and proposed design methods
Figure 14(c) PID-controller design applying Ziegler-Nicols and proposed design methods
0 10 20 30 40 50
0
2
4
6
8
10
12
14
Magnitude
Comparison P-controler design
Ziegler-Nicols method
Proposed method
0 50 100
0
5
10
15
Time (seconds)
Magnitude
Comparison: PD-controler design
Proposed method
0 10 20 30 40 50 60 70
0
2
4
6
8
10
12
14
16
Magnitude
Comparison: PI-controler design
Proposed method
Ziegler nicols
0 5 10 15 20 25
0
2
4
6
8
10
12
14
16
Magnitude
Comparison: PID-controler design
Proposed method
Ziegler-Nicols method
Industrial Engineering Letters www.iiste.org
ISSN 2224-6096 (Paper) ISSN 2225-0581 (online)
Vol.3, No.7, 2013
18
Case (2): Testing proposed PID design method for fourth order plant transfer function given by Eq.(41),
applying three different PID controller design methods, particularly, Ziegler Nichols frequency response,
Ziegler-Nichols step response, and Chein-Hrones-Reswick design methods, will result in PID gains shown in
Table 14(Robert A. Paz, 2001), , as shown in this table different values of PID gain are obtained and
correspondingly different system's responses (see figure 15), when subjected to step input of 10. Comparing
shown response curves, show that the Chein-Hrones-Reswick design is, with less overshoot and oscillation (than
Ziegler-Nicols), all three method allmostly, result in the same settling time, Applying the proposed method,
based on plant's dominant poles approximation, result in smooth response curve without overshoot, and zero
steady state error, shown in figure 14.
4 3 2 s
10000
( )
s + 126s + 2725s + 12600 + 10000
G s = (41)
Table 14
Design Method KP KI KD
Ziegler Nichols Frequency Response 14.496 45.300 1.1597
Ziegler-Nichols Step Response 11.1524 34.3786 0.9045
Chein-Hrones-Reswick 5.5762 5.0794 0.4522
Proposed method
1 0.8632 0.1231
ζ=3.0677 ωn= 2.6481
Figure 15 System step responses obtained applying different design methodologies
Conclusion
A new simple and efficient model-based time domain P, PI ,PD , and PID controllers design method for
achieving an important design compromise; acceptable stability, and medium fastness of response is proposed,
the proposed method is based on selecting controllers' gains based on plant's parameters, the proposed controllers
design method was test for first, second and first order system with time delay, and using MATLAB/simulink
software.
References
Ahmad A. Mahfouz, Mohammed M. K., Farhan A. Salem, "Modeling, Simulation and Dynamics Analysis Issues
of Electric Motor, for Mechatronics Applications, Using Different Approaches and Verification by
MATLAB/Simulink", IJISA, vol.5, no.5, pp.39-57, 2013.
Astrom K,J, T. Hagllund, PID controllers Theory, Design and Tuning , 2nd edition, Instrument Society of
America,1994
Ashish Tewari, Modern Control Design with MATLAB and Simulink, John Wiley and sons, LTD, 2002 England
Katsuhiko Ogata, modern control engineering, third edition, Prentice hall, 1997
0 1 2 3 4 5 6 7
0
2
4
6
8
10
12
14
16
18
Response applying different PID design methodologies
Time (seconds) (sec)
Magnitude
Open loop response
Ziegler-Nicols step response method
Chein Hrones Reswick Method
Proposed method
Industrial Engineering Letters www.iiste.org
ISSN 2224-6096 (Paper) ISSN 2225-0581 (online)
Vol.3, No.7, 2013
19
Farid Golnaraghi Benjamin C.Kuo, Automatic Control Systems, John Wiley and sons INC .2010
Norman S. Nise, Control system engineering, Sixth Edition John Wiley & Sons, Inc,2011
Gene F. Franklin, J. David Powell, and Abbas Emami-Naeini, Feedback Control of Dynamic Systems, 4th Ed.,
Prentice Hall, 2002.
Dale E. Seborg, Thomas F. Edgar, Duncan A. Mellichamp ,Process dynamics and control, Second edition, Wiley
2004
Dingyu Xue, YangQuan Chen, and Derek P. Atherton "Linear Feedback Control". 2007 by the Society for
Industrial and Applied Mathematics, Society for Industrial and Applied Mathematics the Society for Industrial
and Applied Mathematics, 2007
Chen C.L, A Simple Method for Online Identification and Controller Tuning , AIChe J,35,2037 ,1989.
Lee J., Online PID Controller Tuning For A Single Closed Test, AIChe J,32(2), 1989.
R. Matousek, HC12: Efficient PID Controller Design, Engineering Letters, pp 41-48, 20:1, 2012
K. J. Astrom and T. Hagglund, The Future of PID Control, IFAC J. Control Engineering Practice, Vol. 9, 2001.
Susmita Das, Ayan Chakraborty,, Jayanta Kumar Ray, Soumyendu Bhattacharjee. Biswarup Neogi, Study on
Different Tuning Approach with Incorporation of Simulation Aspect for Z-N (Ziegler-Nichols) Rules,
International Journal of Scientific and Research Publications, Volume 2, Issue 8, August 2012
L. Ntogramatzidis, A. Ferrante, Exact tuning of PID controllers in control feedback design, IET Control Theory
and Applications, 2010.
M.Saranya , D.Pamela , A Real Time IMC Tuned PID Controller for DC Motor design is introduced and
implemented, International Journal of Recent Technology and Engineering (IJRTE), Volume-1, Issue-1, April
2012
Fernando G. Martons, Tuning PID controllers using the ITAE criterion, Int. J. Engng Ed. Vol 21, No 3 pp.000-
000-2005 .
Saeed Tavakoli, Mahdi Tavakoli, optimal tuning of PID controllers for first order plus time delay models using
dimensional analysis, The Fourth International Conference on Control and Automation (ICCA’03), 10-12 June
2003, Montreal, Canada
Farhan A. Salem, Controllers and control algorithms; selection and time domain design techniques applied in
mechatronics systems design; Review and Research (I) , submitted to international journal of engineering
science , 2013.
Farhan A. Salem, Precise Performance Measures for Mechatronics Systems, Verified and Supported by New
MATLAB Built-in Function', International Journal of Current Engineering and Technology, Vol.3, No.2 (June
2013).
Farhan A. Salem, PID Controller and algorithms; selection and design techniques applied in mechatronics
systems design (II) ,submitted to International Journal of Engineering Sciences, 2013.
Robert A. Paz , The Design of the PID Controller, Klipsch School of Electrical and Computer Engineering,
2001.
Pradeep Kumar Juneja , A. K. Ray, R. Mitra, Deadtime Modeling for First Order Plus Dead Time Process in a
Process Industry, International Journal of Computer Science & CommunicationVol. 1, No. 2, July-December
2010, pp. 167-169.
This academic article was published by The International Institute for Science,
Technology and Education (IISTE). The IISTE is a pioneer in the Open Access
Publishing service based in the U.S. and Europe. The aim of the institute is
Accelerating Global Knowledge Sharing.
More information about the publisher can be found in the IISTE’s homepage:
http://www.iiste.org
CALL FOR PAPERS
The IISTE is currently hosting more than 30 peer-reviewed academic journals and
collaborating with academic institutions around the world. There’s no deadline for
submission. Prospective authors of IISTE journals can find the submission
instruction on the following page: http://www.iiste.org/Journals/
The IISTE editorial team promises to the review and publish all the qualified
submissions in a fast manner. All the journals articles are available online to the
readers all over the world without financial, legal, or technical barriers other than
those inseparable from gaining access to the internet itself. Printed version of the
journals is also available upon request of readers and authors.
IISTE Knowledge Sharing Partners
EBSCO, Index Copernicus, Ulrich's Periodicals Directory, JournalTOCS, PKP Open
Archives Harvester, Bielefeld Academic Search Engine, Elektronische
Zeitschriftenbibliothek EZB, Open J-Gate, OCLC WorldCat, Universe Digtial
Library , NewJour, Google Scholar

New controllers efficient model based design method

  • 1.
    Industrial Engineering Letterswww.iiste.org ISSN 2224-6096 (Paper) ISSN 2225-0581 (online) Vol.3, No.7, 2013 1 New Controllers Efficient Model-Based Design Method Farhan A. Salem1,2 (Corresponding author) 1 Mechatronics Program. Dept. of Mechanical Engineering, Faculty of Engineering, Taif University, 888, Taif, Saudi Arabia, 2 Alpha Center for Engineering Studies and Technology Researches (ACESATR), Amman, Jordan. Email: salem_farh@yahoo.com Abstract This paper proposes a new simple and efficient model-based time domain P, PI ,PD , and PID controllers design methods for achieving an important design compromise; acceptable stability, and medium fastness of response, the proposed method is based on selecting controllers' gains based on plant's parameters, a simple expressions are proposed for calculating and soft tuning controller's gain, the proposed controllers design methods were tested for first, second and first order system with time delay, and using MATLAB/simulink software. Keywords: Controller, controller design. 1. Introduction The term control system design refers to the process of selecting feedback gains (poles and zeros) that meet design specifications in a closed-loop control system. Most design methods are iterative, combining parameter selection with analysis, simulation, and insight into the dynamics of the plant (Ahmad A. Mahfouz, et al 2013). An important compromise for control system design is to result in acceptable stability, and medium fastness of response, one definition of acceptable stability is when the undershoot that follows the first overshoot of the response is small, or barely observable. Beside world wide known and applied controllers design method including Ziegler–Nichols, Chiein-Hrones-Reswick (CHR), Wang–Juang–Chan, Cohen-Coon, many controllers design methods have been proposed in different papers and texts including (Astrom K,J et al 1994)( Ashish Tewari, 2002 )( Katsuhiko Ogata, 2010)( Norman S. Nise, 2011)( Gene F. Franklin, et al 2002)( Dale E. Seborg, et al, 2004)( Dingyu Xue et al, 2007)( Chen C.L et al, 1989)( R. Matousek, 2012)( K. J. Astrom et al, 2001)( Susmita Das et al, 2012) (L. Ntogramatzidis, 2010)( M.Saranya et al, 2012 ), each method has its advantages, and limitations. (R. Matousek, 2012 ) present multi-criterion optimization of PID controller by means of soft computing optimization method HC12. (K. J. Astrom et al, 2001) introduce an improved PID tuning approach using traditional Ziegler-Nichols tuning method with the help of simulation aspects and new built in function. (L. Ntogramatzidis et al, 2010) A unified approach has been presented that enable the parameters of PID, PI and PD controllers (with corresponding approximations of the derivative action when needed) to be computed in finite terms given appropriate specifications expressed in terms of steady-state performance, phase/gain margins and gain crossover frequency. (M.Saranya et al, 2012) proposed an Internal Model Control (IMC) tuned PID controller method for the DC motor for robust operation. (Fernando G. Martons, 2005 ) proposed a procedure for tuning PID controllers with simulink and MATLAB. (Saeed Tavakoli, 2003) presented Using dimensional analysis and numerical optimization techniques, an optimal method for tuning PID controllers for first order plus time delay systems. This paper proposes P, PI, PD, and PID controller design method based on selecting controller gainsbased on plant's parameters that meet an important design compromise; acceptable stability, and medium fastness of response. By relating controller's gains and plant parameters, particularly, time constant, damping ratio and undamped natural frequency, expressions for selecting values of controllers' gains are to be derived for FOPTD, first and second order systems, as well as, systems that can be approximated as first and second order systems, to achieve more smooth response with minimum overshoot, minimum settling time, and minimum steady state error, a soft tuning parameters with recommended ranges are to be introduced. 1.1 Controllers Modeling The controller that will be considered are Proportional, proportional derivative, proportional integral and proportional integral derivative controllers Proportional Control: The control action of P-controller is proportional to the error, The relation between the output control signal of controller, u(t) and the actuating error signal e(t) is given by Eq.(1), taking Laplace- transform and manipulating Eq.(1), for transfer function gives: ( ) ( ) ( ) ( ) p牋 牋 Kpu t K e t U s E s= ⇒ = (1) Gp(s) = U(s )/E(s) = Kp (2) Proportional-Derivative, PD-controller: The output control signal of PD-Controller controller u(t),is equal to the sum of two signals and given by Eq.(3), taking Laplace transform and solving for transfer function, gives
  • 2.
    Industrial Engineering Letterswww.iiste.org ISSN 2224-6096 (Paper) ISSN 2225-0581 (online) Vol.3, No.7, 2013 2 Eq.(4) : ( ) ( ) ( ) ( ) ( ) ( )P D P D de t u t K e t K U s K E s K sE s dt = + ⇔ = + (3) ( ) ( ) ( )P PD P D D D PD D K G s K K s K s K s Z K = + = + = + (4) Where: ZPD = KP/KD, is the PD-controller zero, Proportional-Integral, PI-controller: The output control action signal u(t), of PI- controller is proportional to the error and the integral of error, where the integral of the error, as well as, the error itself are used for control, and given by Eq.(5), taking Laplace transform, and solving for transfer function gives Eq.(6): 1 ( ) ( ) ( ) ( ) ( ) ( ) ( ) I P I P I P K u t K e t K de t dt U s K E s K E s E s K s s   = + ⇔ = + = +    ∫ (5) ( ) ( ) ( ) I P I P I P P PI PI P K K s K K s K K K s Z G s K s s s s + + + = + = = = (6) Where: /PI I PZ K K= , is the PI-controller zero. Equation (6) can be rewritten, in terms of integral time constant TI, to have the following given by (7), and implemented as shown in Figure 15(b) : 1 1 ( ) (1 ) (1 ) ( ) ( ( ) ( ) )I I PI P P P P P I K K G s K K K u t K e t e t dt s K s T s Ti = + = + = + ⇔ = + ∫ ( ) ( )P e u t K e Ti = + (7) This means if constant error exists, the controller action will keep increasing, until the error is zero, where: TI=KP/KI, is the time constants of the integral actions, or integral time . Proportional-Integral- Derivative PID-controller: Combining all three controllers, results in the PID controller, the output of PID controller is equal to the sum of three signals and given by Eq.(32), taking Laplace transform, and solving for transfer function , gives Eq.(8) ( ) 1 ( ) ( ) ( ) ( ) ( ) ( ) ( )P D I P D I de t u t K e t K K e t dt U s K E s K E s s K E s dt s = + + ⇔ = + +∫ ( ) ( ) ( )I I P D PID P D K K U s E s K K s G s K K s s s   = + + ⇒ = + +    (8) This equation can be manipulated to result in the form given by Eq.(9) 2 2 ( ) P I D D DI D P I PID P D K K K s s K KK K s K s K G s K K s s s s   + +  + +  = + + = = (9) Equation (9) is second order system, with two zeros and one pole at origin, and can be expressed to have the form given by Eq.(10), which indicates that PID transfer function is the product of transfer functions PI and PD , Implementing these two controllers jointly and independently will take care of both controller design requirements ( )( ) ( ) ( ) ( ) ( )D PI PD PD PID D PI PD PI K s Z s Z s Z G K s Z G s G s s s + + + = = + = (10) The transfer function of PID controller, also ,can also be expressed to have the form given by Eq.(11): ( )( ) ( )2 ( )D PI PD D PI PD D PI PD D PID K s Z s Z K s Z Z K s Z Z K G s s + + + + + = = (11) Rearranging Eq.(11), we have: ( ) ( ) 2 ( ) ( )PI PD DD PI PD D PI PD D PID PI PD D D Z Z K sK s Z Z K Z Z K G Z Z K K s s s s s + = + + = + + + Substituting the following values, ( )1 2 3,牋? ),牋牋PI PD D PI PD D DK Z Z K K Z Z K K K= + = = , gives: 2 1 3PID K G K K s s = + + (12) Since PID transfer function is a second order system, it can be expressed in terms of damping ratio and undamped natural frequency to have the form given by Eq.(13)::
  • 3.
    Industrial Engineering Letterswww.iiste.org ISSN 2224-6096 (Paper) ISSN 2225-0581 (online) Vol.3, No.7, 2013 3 2 2 2 2 ( ) P I D D n nD D PID K K K s s K s sK K G s s s ξω ω   + +   + +   = = (13) Where: 2 I n D K K ω = and 2 P n D K K ξω = The transfer function of PID control given by Eq.(8) can, also, be expressed in terms of derivative time and integral time to have the form given by Eq.(14): 2 11 1 I D I PID P D P I I T T s T s G K T s K T s T s   + + = + + =    (14) Where: TI= KP/ KI : integral time, TD= KD/ KP : derivative time, /I P IK K T= , D P DK K T= Since in Eq. (14) the numerator has a higher degree than the denominator, the transfer function is not causal and can not be realized, therefore this PID controller is modified through the addition of a lag to the derivative term, to have the following form: D 1 1 ,牋牋牋 /N - time constant of the added lag 1 D PID P DI T s G K T sT s N     = + +   +    Where: N: determines the gain KHF of the PID controller in the high frequency range, the gain KHF must be limited because measurement noise signal often contains high frequency components and its amplification should be limited. Usually, the divisor N is chosen in the range 2 to 20. If no D-controller, then we have PI controller, given by Eq. (15), it is clear that, PI and PD controllers are special cases of the PID controller. 11 1 I PI P P I I T s G K K T s T s    + = + =        (15) The addition of the proportional and derivative components effectively predicts the error value at TD seconds (or samples) in the future, assuming that the loop control remains unchanged. The integral component adjusts the error value to compensate for the sum of all past errors, with the intention of completely eliminating them in TI seconds (or samples). The resulting compensated single error value is scaled by the single gain KP. 1.2 Dominant features Most complex systems have dominant features that typically can be approximated by either a first or second order system response. Control system's response is largely dictated by those poles that are the closest to the imaginary axis, i.e. the poles that have the smallest real part magnitudes, such poles are called the dominant poles, many times, it is possible to identify a single pole, or a pair of poles, as the dominant poles. In such cases, a fair idea of the control system's performance can be obtained from the damping ratio and undamped natural frequency of the dominant poles (Farhan A. Salem, 2013). For complex system, the controller gains are to be selected based on plant's parameters (time constant, the damping ratio and undamped natural frequency) of the dominant poles. 2. Controllers design for first order systems First order systems and systems that can be approximated as first order systems, are characterized, mainly, by time constant T. Time constant is a characteristic time that is used as a measure of speed of response to a step input and governs the approach to a steady-state value after a long time. The general form of first order system's transfer function in terms of time constant T, is given by Eq.(16). ( ) 1 G s 牋 1Ts = + (16) 2.1 P-controller design for first order systems To design P-controller, with minim settling time, the proportional gain KP, is set equals to time constant, but since different step input values can be applied, and correspondingly different steady state value will results, then by multiplying plant's time constant T, by desired output value ( reference input) the value of KP can be selected to achieve suitable response. To soften the response in terms of reducing overshoot, settling time and steady state error, a tuning parameters α can be introduced, based on all this expression given by Eq.(17) can be proposed for designing P-controller for first order systems: 牋牋 PK RTα= (17) Where: T : Plant's time constant. R : desired output value, α: a tuning parameter that takes the value from 1 to 100. To achieve overall system fast response, with minimum overshoot and oscillation, parameter α, is softly increased.
  • 4.
    Industrial Engineering Letterswww.iiste.org ISSN 2224-6096 (Paper) ISSN 2225-0581 (online) Vol.3, No.7, 2013 4 For systems with small DC gain and/or small time constant, to minimize time of design and selection process of proportional gain KP, the expression given by Eq.(18) can be applied directly, where each increase of parameter α will increase proportional gain by 100 factor To test and verify the proposed P-controller design expression for selecting proportional gain KP for achieving desired output of 10 with minimum possible overshoot, steady state error and settling time, four different first order systems with different time constants, with transfer functions given by Eq.(19) and unity feedback control systems simulink model shown in Figure 1 are to be used. The result of designing P-controller and tuned values of parameter α, for first three systems, are shown in Table 1, the response curves are shown in Figure 2, these response curves show that, acceptable stability, and medium fastness of response with minimum steady state error can be achieved by applying proposed expression, and by selecting and increasing the value of only one parameter α. To test expression given by Eq.(18), applying it to system 3, and comparing with original expression, (see figure 2(c)(d)), the comparison shows that applying Eq.(18) to systems with small DC gain and/or small time constant, simplifies and accelerate design process while achieving optimal response. 牋牋 10PK RTα= (18) 1 2 3 4 10 1 0.005 0.1 ( ) ,牋牋牋? ) ,牋牋牋牋( ) ?牋牋牋牋( ) ? 10 1 2 10 1 2 100 sys sys sys sysG s G s G s G s s s s s = = = = + + + + (19) Figure 2 Simulink model for testing proposed design method Table 1: P-controller design for first order system P-Controller α System 1 System 2 System 3 T=1 T=0.5 T=10 P牋牋K RTα= R=Vin=10 α=1 10 5 100 α=5 50 25 500 α=10 100 50 1000 Figure 2(a) P-controller design for system 1 0.1 2s+100 sys (3)1 0.005 10s+1 sys (3) 1 s+2 sys (2) 10 10s+10 sys (1) output 1 Unity feedback Step input Vin PID(s) P, PI, PD, PID controllers 1 (Td/N)s+1 Filter du/dt = Kp .3 1 .2 sy13.mat .1 ..7 0 ..5 ..4 .., 0 ..'1 0 ..' 0 .. du/dt .' Kp . ,.,. ,., ,.' Td ,, 1 s ,'2 ,'1 ,' Kd , 1/Ti '1 '. 1 s '' Ki ' 0 0.5 0 2 4 6 8 10 12 Time (seconds) Magnitude Tuned: α = 10 0 0.5 1 0 5 10 Time (seconds) Magnitude Sys1 P-design, α = 1 0 0.5 1 0 5 10 Time (seconds) Magnitude Tuned: α = 5
  • 5.
    Industrial Engineering Letterswww.iiste.org ISSN 2224-6096 (Paper) ISSN 2225-0581 (online) Vol.3, No.7, 2013 5 Figure 2(b) P-controller design for system 2 Figure 2(c) P-controller design for system 3 applying Eq.( 17). Figure 2(d) P-controller design for system 3 applying Eq.( 18) 2.2 PI-controller design for first order systems Based on plant's time constants, expression given by Eq.(20) are proposed, to design PI controller for first order systems, these expression relate selecting PI controller gains values based, only, on plant's time constant . To reduce overshoot and speed up response, soft tuning parameters α, is introduced. To verify and test the proposed PI-controller design procedure, the same four first order systems are given in Eq.(19) and simulink model shown in Figure 1, are used, where manual switches are used to switch control system to PI controller. The result of designing PI-controller for achieving desired output of 10 with zero steady state error and minimum settling time, as well as, tuned values of tuning parameter α, are shown in Table 2, the response curves are shown in Figure 3, these response curves show, that a fast response, minimum overshoot and with zero steady state error are achieved. To speed up response, tuning parameter α can be increased softly, this is shown in Figure 3(b). 牋P P I P I I K T K T K T T K T T T K α α α α α = = = = = = = (20) 0 0.5 0 2 4 6 8 10 12 (Sec) Magnitude Tuned: α = 10 0 0.5 1 0 5 10 (Sec) Magnitude Sys2 P-design, α = 1 0 0.5 1 0 5 10 (Sec) Magnitude Tuned: α = 5 0 50 0 5 10 Time (seconds) Magnitude Sys3 P-design, α = 1 0 50 0 5 10 Time (seconds) Magnitude Tuned: α = 5 0 5 10 0 5 10 Time (seconds) Magnitude Tuned: α = 550 0 5 10 15 0 5 10 (Sec) Magnitude Sys3 P-design, α = 1 0 5 10 0 5 10 (Sec) Magnitude Tuned: α = 5 0 5 0 5 10 (Sec) Magnitude Tuned: α = 10
  • 6.
    Industrial Engineering Letterswww.iiste.org ISSN 2224-6096 (Paper) ISSN 2225-0581 (online) Vol.3, No.7, 2013 6 Table 2: PI-controller design for first order system PI-Controller Parameters System 1 System 2 System 3 T 1 0.5 10 α 1 1 1 KP 1 0.5 10 KI 1 1 10 TI 1 0.5 10 N 1 1 1 Figure 3(a) PI-controller design for system 1 Figure 3(b) PI-controller design for system 2 Figure 3(c) PI-controller design for system 3 2.3 PD-controller design for first order systems Based on plants time constants, expressions given by Eq.(21) are proposed, to design PD controller for first order systems. For first order systems with small time constant and/or small DC gain, expression given by Eq.(22) are proposed, to reduce steady state error and speed up response, a soft tuning parameters α, is introduced .To verify and test the proposed PD-controller design procedure, the same first order systems given in Eq.(19) and simulink model shown in Figure 1 are used , manual switches are used to switch control system components to PD controller. The result of designing PD-controller for achieving desired output of 10 with minimum steady state error and minimum settling time, as well as, tuned values of tuning parameter alpha, are shown in Table 3, the response curves are shown in Figure 4, the response curves show, that a fast response with minimum steady state error are achieved. To speed up response and reduce steady state error tuning parameter α are increased, this is shown in Figure 4. Since system 3, is with small both DC gain and time constant, expressions given by Eq.(22) are applied, resulting in acceptable response compromise shown in Figure 4(b). / 1/ P D D D P K RT T K T K K R α α α = = = = (21) 0 5 10 0 5 10 Time (seconds) Magnitude Sys1 PI-design, α = 1 0 1 2 0 5 10 Time (seconds) Magnitude Tuned: α = 5 0 0.5 1 0 5 10 Time (seconds) Magnitude Tuned: α = 10 0 5 10 15 0 5 10 Time (seconds) Magnitude Sys2 PI-design, α = 1 0 5 0 5 10 Time (seconds) Magnitude Tuned: α = 5 0 1 2 0 5 10 Time (seconds) Magnitude Tuned: α = 10 0 500 1000 1500 0 5 10 Time (seconds) Magnitude Sys3 PI-design, α = 1 0 100 200 300 0 5 10 Time (seconds) Magnitude Tuned: α = 5 0 10 20 0 5 10 Time (seconds) Magnitude Tuned: α = 100
  • 7.
    Industrial Engineering Letterswww.iiste.org ISSN 2224-6096 (Paper) ISSN 2225-0581 (online) Vol.3, No.7, 2013 7 2 2 / 1/ P D D D P K R T T K T K K R α α α = = = = (22) Table 3: Applying PD-controller design for first order system PD-Controller Parameters System 1 System 2 System 3 T 1 0.5 10 α 1 1 5 KP 10 5 5000 KD 1 .5 2 TD 0.1 0.1 4. e-004 N 1 1 1 Figure 4(a) PD-controller design for system 1, increasing tuning parameter alpha reduces error and speeds response Figure 4(b) PD-controller design for system 2, Figure 4(b) PD-controller design for system 3, applying expression given by Eq.(22) 2.4 PID-controller design for first order systems Based on plants time constants, expressions given by Eq.(23) are proposed, to design PID controller for first order systems. Two tuning parameters are introduced α and ε, that can be tuned to speed up response, reduce overshoot and steady state error, based on methods applied for derivation (calculations, analysis and trial and error methods), a limits for these two parameters are proposed, these parameters are tuned softly, where: Tuning parameter α :is responsible for reducing overshoot , (α =0.1:3), reducing will increase damping and correspondingly, reduce overshoot, meanwhile, Tuning parameter ε : is responsible for speeding up response, (ε =0.1:2) 0 0.5 0 5 10 Time (seconds) Magnitude Tuned: α = 5 0 1 2 0 5 10 Time (seconds) Magnitude Sys1 PD-design, α = 1 0 0.1 0.2 0 5 10 Time (seconds) Magnitude Tuned: α = 10 0 0.5 0 5 10 Time (seconds) Magnitude Tuned: α = 5 0 1 2 0 5 10 Time (seconds) Magnitude Sys2 PD-design, α = 1 0 0.1 0.2 0 5 10 Time (seconds) Magnitude Tuned: α = 25 0 5 10 0 5 10 Time (seconds) Magnitude Tuned: α = 5 0 5 0 5 10 Time (seconds) Magnitude Sys3 PD-design, α = 1 0 1 2 3 0 5 10 Time (seconds) Magnitude Tuned: α = 10
  • 8.
    Industrial Engineering Letterswww.iiste.org ISSN 2224-6096 (Paper) ISSN 2225-0581 (online) Vol.3, No.7, 2013 8 I 牋 * ,牋牋 牋? 0.1 3 * ,牋牋 牋? 0.1 2 * 牋? 1 T * P I D D D P P I K T K T where K T where K T T K T K T K T α α ε ε ε ε α α = = = ÷ = = ÷ = = = = = = (23) To verify and test the proposed PID-controller design procedure, the same four first order systems are given in Eq.( 19) and simulink model shown in Figure 1 are used , manual switches are used to switch control system to PID controller. The result of designing PID-controller for achieving desired output of 10 with minimum steady state error and minimum settling time, as well as, tuned values of tuning parameter alpha and epsilon, for system 1 are shown in Table 4, the response curves are shown in Figure 5, the response curves show, that a fast response with minimum both overshoot and steady state error at less time are achieved. Table 4 PD-controller design for system 1, responses are shown in Figure 5(a) PD-Controller System 1 System 1 System 1 T 1 1 1 α 3 1 0.5 ε 2 1 1 KP 1 1 1 KI 3 1 0.5 KD 2 1 1 TD 2 1 1 TI 0.333 1 2 N 1 1 1 Figure 5(a) PID controller design for system 1, and the effect of tuning parameters ε and α Figure 5(b) PID controller design for systems 2 and 3, 2.5 Summary : Controller design for First order systems The proposed method and expressions for controllers terms selection and design for first order systems are summarized in Table 5 0 5 10 0 5 10 15 Time (seconds) Magnitude Sys1 PID, α=1,ε=1 0 10 20 0 5 10 15 Time (seconds) Magnitude Sys1 PID, α=3,ε=2 0 5 10 15 0 5 10 15 Time (seconds) Magnitude Sys1 PID, α=0.5,ε=1 0 5 10 15 0 5 10 15 Time (seconds) Magnitude Sys2 PID, α=1.5,ε=3 Magnitude 0 50 100 0 5 10 15 Time (seconds) Magnitude Sys3 PID, α=0.7,ε=2
  • 9.
    Industrial Engineering Letterswww.iiste.org ISSN 2224-6096 (Paper) ISSN 2225-0581 (online) Vol.3, No.7, 2013 9 Table 5 P, PI ,PD, PID controllers terms for first order systems Controller type KP KI KD TD TI N P- controller 牋牋RTα 0 0 0 0 0For sys. small DC gain and/or small T 牋1? RTα PD 牋牋RTα 0 牋? ?DK T α= / 1 / D PK K Rα = 0 1 22÷ For sys. small DC gain and/or small T 2 R Tα 牋? ?DK T α= 2 1/ R α 0 0 PI 牋牋Tα 牋? PK T T T α α = = 0 0 T 1 22÷ PID T 牋* ,牋牋 0.1 3 Tα α = ÷ ? , 0.1 2 Tε ε = ÷ * 0.1 2 D D P K T K T T ε ε ε = = = = ÷ I I T 1 T 牋 * 0.1 3 P I K K T Tα α α = = = = = ÷ 1-22 3. Controllers design for second order systems The general standard form of second order system, in terms of damping ratio ζ and undamped natural frequency ωn is given by Eq.(24), knowing that that performance of second order systems depends on damping ratio ζ and undamped natural frequency ωn , where damping ratio determines how much the system oscillates as the response decays toward steady state and undamped natural frequency ωn, determines how fast the system oscillates during any transient response (Farhan A. Salem, 2013), ωn has a direct effect on the rise time, delay time, and settling time, therefore to speed up response and reduce ( remove) overshot, based on this an important design compromise; acceptable stability, and medium fastness of response can be achieved by relating controller's gain and plant's parameters 2 2 2 ( ) 牋牋 2 n n n G s s s ω ξω ω = + + (24) 3.1 P-controller design for second order systems Based on plant's damping ratio ζ and undamped natural frequency ωn, expression given by Eq.(25) is proposed To design P-controller for second order systems. For systems with small time constant or DC gain expression given by Eq.(26) is proposed. Only one tuning parameter α is introduced, that can be tuned to speed up response, reduce overshoot, oscillation and steady state error and, ,牋牋牋牋牋牋 牋牋牋 牋 牋0.1n P R K where is tuned from α ω α ξ = (25) 2 ?牋牋牋牋牋牋 牋牋牋 牋 牋5.n P R K where is tuned from α ω α ξ = (26) Where R: is desired output value, α: can be increased for small R and decreased for large R. increasing parameter α will result in increasing overshoot, oscillation and reducing steady state error. To test and verify the proposed P-controller design, four second order systems are given by Eq.(27) and simulink model shown in figure 6. Applying P-controller design for achieving desired output of 10, for three first
  • 10.
    Industrial Engineering Letterswww.iiste.org ISSN 2224-6096 (Paper) ISSN 2225-0581 (online) Vol.3, No.7, 2013 10 systems, will result in response curves shown in Figure 7, plants' parameters, tuned values of tuning parameter α and ε, gains and resulted performance specifications, are shown in Table 6, the response curves show, system will reach output with overshoot, oscillation and steady state error, increasing α will result in increasing overshoot, reducing steady state error. 1 22 2 3 42 2 10 1 ? ) ,牋牋牋牋? ) ?牋牋 10 10 2 1 0.05 7 ? ) ,牋牋牋牋牋牋 ( ) 2 2 1 2 5 1 sys sys sys sys G s G s s s s s G s G s s s s s = = + + + + = = + + + + (27) Table 6 plants' parameters, tuned values of tuning parameter α and ε, gains and performance specifications P- Controller Parameters System 1 System 1 System 2 System 3 System 4 ζ 0.5 0.5 0.3536 0.7071 2.5 ω 1 1 1.4141 0.7071 1 α 1 2 1 5 2 R 10 10 10 10 10 KP 20 40 199 500 8 TS 7.8 6.8 7 8 2 OS% 58% 73% 16.5% 16.5% 29% Figure 6 Simulink model for verifying design Figure 7(a) P-controller design for system 1, for α=1 , 2 7 s +5s+12 sys (3)1 0.05 2s +2s+12 sys (3) 1 s +s+22 sys (2) 10 10s +10s+102 sys (1) output 1 Unity feedback Step input Vin=10 PD(s) PID Controller Td.s (Td/N)s+1 Filter1 1 (Td/N)s+1 Filter du/dt = Kp .3 1 .2 ..9 ..8 ..7 ..6 0 ..5 ..4 ..3 ..2 ..1 Td ....... du/dt ..... 0 ..'1 0 ..' 0 .. du/dt .' Kp . Td ,, 1 s ,'2 ,'1 ,' Kd , 1/Ti '1 '. 1 s '' Ki ' sy1.mat 0 5 10 15 20 0 5 10 15 20 Time (seconds) Magnitude sys1 P-design α=1 0 5 10 15 20 0 5 10 15 20 Time (seconds) Magnitude sys1 P-design α=2
  • 11.
    Industrial Engineering Letterswww.iiste.org ISSN 2224-6096 (Paper) ISSN 2225-0581 (online) Vol.3, No.7, 2013 11 Figure 7(a) P-controller design for system 2,3,4 3.2 PD-controller design for second order systems Based on plant's damping and undamped natural frequency, expression given by Eq.(28) are proposed to design PD-controller for second order systems. For systems with small time constant and/or small DC gain, expression given by Eq.(29) are proposed, in both cases, only one tuning parameter α is introduced, that can be softly tuned to speed up response, reduce overshoot and steady state error, where increasing parameter α will result in decreasing overshoot, oscillation and reducing steady state error. Applying PD controller design for system 1 for achieving desired output of 10, and by tuning parameter α to have the values α =1,5,15, will result in response curves shown in Figure 8(a), the response curves show, increasing α will result in reducing steady state error and overshoot, while meeting acceptable response. Applying PD-controller design for achieving desired output of 10, for system 2 , will result in response curves shown in Figure 8(b). Applying PD-controller design for achieving desired output of 10, for system 3 and applying expression given by Eq.(29) will result in response curves shown in Figure 8(c). These response curves show that a response with minimum overshoot and minimum error and with suitable settling time is achieved, also by soft tuning of only one parameter α, the response can be softened . 2 2 2.9 2.9 2.9 P n D n D I n P n R K K R K R T RK α ξω α ξω α ξω ξ ω α ξω = = = = = (28) 2 2 2 2 P n D n D I n P n R K K R K R T RK α ξω α ξω α ξω ξ ω α ξω = = = = = (29) Figure 8 PD(a) controller design for system 1, for α=1,5,15 0 5 10 15 0 5 10 15 Time (seconds) Magnitude sys2 P-design α=1 0 10 20 0 5 10 15 20 Time (seconds) Magnitude sys3 P-design α=5 0 5 0 5 10 15 Time (seconds) Magnitude sys4 P-design α=2 0 1 2 3 0 5 10 Time (seconds) Magnitude sys1 PD-design α=1 0 1 2 3 0 5 10 Time (seconds) Magnitude sys1 PD-design α=5 0 1 2 3 0 5 10 Time (seconds) Magnitude sys1 PD-design α=15
  • 12.
    Industrial Engineering Letterswww.iiste.org ISSN 2224-6096 (Paper) ISSN 2225-0581 (online) Vol.3, No.7, 2013 12 Figure 8(b) PD controller design for system 2, for α=1,5,15 Figure 8(c) PD controller design for system 3, for α=1,5,15 3.3 PI-controller design for second order systems To design PI-controller for second order systems, expression given by Eq.(30) are proposed, to speed up response, only one tuning parameter α is introduced.. Applying PI-design for second order systems given by Eq.(27), will result in response curves shown in Figure 9, the response curves show that an acceptable response with zero steady sate error and without overshoot are achieved. ( ) 10 ,牋牋? 牋? .8 1 10 n I n P I P n I I I I n K K K where K K T T K ξ ω ξω α α αξω α ξ ω + = = = ÷ = = ⇒ = + (30) Figure 9 PI-controller design for three second order systems 3.4 PID-controller design for second order systems The general standard form of second order system, can be expressed in terms of damping ratio ζ and undamped natural frequency ωn as given by Eq.( 31). Since PID transfer function is a second order system, it can also be expressed in terms of damping ratio and undamped natural frequency as given by Eq.(31), the PID gains ; KP, KI, KD, can be found in terms of plant's damping ratio and undamped natural frequency, as given by Eqs.(32)(33). Assigning proportional gain, the value of unity, KP=1, and equating Eqs.(31)(32), to find integral gain KI, wil result in Eqs.(34) that is used to find numerical values of PID gains given by Eq.(35), based on plant damping ratio and undamped natural frequency, to soften the response in terms of reducing overshoot, steady state error and speed up response a tuning parameters ε and α with proposed rages are introduced. 2 22 2 2 2 ( ) 牋牋 牋牋 ( ) 2 D n nn PID n n K s s G s G s ss s ξω ωω ξω ω  + + = ⇔ = + + (31) 0 1 2 3 0 5 10 Time (seconds) Magnitude sys2 PD-design α=1 0 1 2 3 0 5 10 Time (seconds) Magnitude sys2 PD-design α=5 0 1 2 3 0 5 10 Time (seconds) Magnitude sys2 PD-design α=15 0 5 10 0 5 10 Time (seconds) Magnitude sys3 PD-design α=1 0 1 2 3 0 5 10 Time (seconds) Magnitude sys3 PD-design α=5 0 1 2 3 0 5 10 Time (seconds) Magnitude sys3 PD-design α=15 0 10 20 30 0 5 10 Time (seconds) Magnitude sys1 PI-design α=1 0 10 20 30 0 5 10 Time (seconds) Magnitude sys2 PI-design α=1 0 20 40 0 5 10 Time (seconds) Magnitude sys3 PI-design α=1
  • 13.
    Industrial Engineering Letterswww.iiste.org ISSN 2224-6096 (Paper) ISSN 2225-0581 (online) Vol.3, No.7, 2013 13 2 2 I I n D D n K K K K ω ω = ⇒ = (32) 2 2 P P n D D n K K K K ξω ξω = ⇒ = (33) 2 2 2 1 2 2 2 2 1 2 2 1 P I I n n I I n n nn n P D D n n P K K K K K K K K K ω ω ξω ξω ξω ξω ω ξω ξω = ⇒ = ⇒ = ⇒ = = ⇒ = = (34) 1 1牋牋?牋牋牋牋 牋牋,牋牋 牋? 2 2 n P D I n K K K ω ξω ξ = = = (34) Since PID transfer function, can be expressed in terms of derivative time and integral time to have the form given by Eq.(35) Where: IT /P IK K= , the integral time and /D D PT K K= , the derivative time 2 11 1 I D I PID P D P I I T T s T s G K T s K T s T s   + + = + + =    (35) /I P IK K T= , D P DK K T= Based on this, the derived formulae for calculating PID controller gains in terms of derivate time TD and integral time TI , to be as given by Eq.(36), the divisor N is chosen in the range 2 to 20. I 2 2 T / 2 牋 ? 1/ 2 1 2 P P P I n n n D n D D P P n K K K K K T K K K ξ ξ ω ξ ω ω ξω ξω = = = = = = = = (36) For soft tuning of proposed PID controller design, two tuning parameters are introduced α and ε , Where: Increasing ε will increase overshoot, and vise versa, while increasing α will speed response, as a result, tuning these parameters will result in reducing overshoot, reducing steady state error and speeding up response. The proposed expressions for PID controller design are listed in Table 7. Testing proposed PID controller design method for second order systems given by Eq.(27), will result in PID terms, given in Table 8 , and response curves shown in Figure 10. These response curves show an acceptable response without overshoot, steady state error and in acceptable settling time are achieved. Further testing PID controller design procedure for second order systems given by Eq.(37), will result in PID terms, tuned parameters values given in Table 9 , and response curves shown in Figure 11 . 2 2 2 1 1 1 1 ,牋牋牋牋 2 牋 ,牋牋牋牋牋 3 牋 1 6 5 10 10 40 sys sys sys s s s s s s = = = + + + + + + (37) Table 7 Proposed expressions for PID gains calculation Plant PID parameters KP KI KD TD TI N ζ ωn 1 2 nω ξ 1 2 nξω 1 2 nξω 2 n ξ ω 2 20÷ Tuning limits 1 ,牋? .1 10 2 nω ε ε ξ = ÷ 1 ?牋? .58 1.5 2 n α α ξω = ÷ 2 n α ξω 2 n ξ εω Table 8 Testing results of second order systems System Plant parameter PID parameters parameter ζ ωn ε α KP KI KD Sys(1) 0.5 1 0.62 1.1 1 0.62 1.1 Sys(2) 0.3536 1.4142 0.68 1.5 1 1.3598 1.4998 Sys(3) 0.7071 0.7071 8 1 1 4 1
  • 14.
    Industrial Engineering Letterswww.iiste.org ISSN 2224-6096 (Paper) ISSN 2225-0581 (online) Vol.3, No.7, 2013 14 Figure 10applying PID control method for three second order systems Table 9 Testing results of second order systems System Plant parameter PID parameters parameter ζ ωn KP KI KD Sys(1) 0.5 1 1 1 1 Sys(1), tuned only KI value 1 0.6300 1 Sys(2) 1.3416 2.2361 1 0.8333 0.1667 Sys(2), tuned only KI value 1 1.6667 0.1667 Sys(3) 0.2500 2 1 4 1 Sys(2), tuned only KI value 1 8 1 (a) Applying calculated PID gains (a) after tuning only KI Figure 11 System (1) responses applying proposed PID design, (a) Applying calculated PID gains (a) after tuning only KI Figure 11 System (2) response applying proposed PID design. (a) Applying calculated PID gains (a) after tuning only KI Figure 11 System (3) response applying proposed PID design 0 5 10 0 5 10 Time (seconds) Magnitude sys1 PID, α=1.1 ε= 0.62 0 5 10 0 5 10 Time (seconds) Magnitude sys2 PID, α=1.5 ε= 0.68 0 5 10 15 0 5 10 Time (seconds) Magnitude sys3 PID, α=1 ε= 8 0 5 10 0 5 10 15 Time (seconds) Magnitude Sys(1) tuned PID, Ki*0.63 0 5 10 15 0 5 10 15 Time (seconds) Magnitude Sys(1) PID resp. 0 10 20 30 40 0 5 10 Time (seconds) Magnitude Sys(2)PID response 0 5 10 15 20 0 5 10 Time (seconds) Magnitude Sys(1) tuned PID, Ki*2 0 20 40 60 80 0 5 10 15 Time (seconds) Magnitude Sys(2)PID response 0 10 20 30 0 5 10 15 Time (seconds) Magnitude Sys(1) tuned PID, Ki*4
  • 15.
    Industrial Engineering Letters ISSN2224-6096 (Paper) ISSN 2225-0581 (online Vol.3, No.7, 2013 3.5 Summary: Controller design for second order systems The proposed method for second order systems and expressions for controllers terms summarized in Table 10 Table 10 P, PI , PD, PID controllers terms for Controller type KP P-controller nRα ω ξ For systems with small DC gain and/or small T 2 nRα ω ξ PD n Rα ξω Systems with small DC gain and/or small T 2 n Rα ξω PI 0.8 2 IKα α = ÷ PID 1 , 2 nω ε ε ξ 4. PID Controller for first order plus delay time A large number of industrial plants can approximately be modeled by a first order plus time delay (FOPTD) (Katsuhiko Ogata, 2010)(Saeed Tavakoli et al, 2003) model with dead-time ,it transfer function is given by Eq.(38) and s-shape curve with no overshoot is called and time constant T, these two constants can be determined by drawing a tangent line at the infl the s-shaped curve, and finding the intersection of the tangent line with time axis and steady state level Figure 12), then the transfer function of these transport lag and given by Eq.(38)[]: ( ) ( ) 1 Ls C s Ke R s Ts − = + Figure 12 s-shaped curve with terminology (Farhan A. Salem, 2013) Based on plant's delay time L, time constant T, and steady state level 0581 (online) 15 3.5 Summary: Controller design for second order systems The proposed method for second order systems and expressions for controllers terms selection and design are Table 10 P, PI , PD, PID controllers terms for second order systems KI KD TD 0 0 0 0 2.9* nRα ξω 2 2 2.9 nξ ω 0 2 nRα ξω 2 2 nξ ω 10 n n ξ ω ξω + 0 0 I I T T ,牋? .1 2 2 nω ε ε ξ = ÷ 1 ?牋 2 ? .58 1.5 n α ξω α = ÷ 2 n α ξω εω 4. PID Controller for first order plus delay time ( FOPDT) process lants can approximately be modeled by a first order plus time delay (FOPTD) (Katsuhiko Ogata, 2010)(Saeed Tavakoli et al, 2003). FOPDT models are a combination of a first transfer function is given by Eq.(38) and it response curve is shown in Figure 12, this is called reaction curve, it is characterized by two constants ; the delay time , these two constants can be determined by drawing a tangent line at the infl shaped curve, and finding the intersection of the tangent line with time axis and steady state level Figure 12), then the transfer function of these-shaped curve can be approximated by first order system with nd given by Eq.(38)[]: shaped curve with terminology (Farhan A. Salem, 2013) Based on plant's delay time L, time constant T, and steady state level K, ( see Eq. (12)). The formulae listed in www.iiste.org selection and design are TI N 0 0 0 1-22 0 1-22 ( ) 10 P I I n I I n K T K K T α αξω ξ ω = = ⇒ = + 1-22 2 n ξ εω 1-22 lants can approximately be modeled by a first order plus time delay (FOPTD) . FOPDT models are a combination of a first-order process esponse curve is shown in Figure 12, this is characterized by two constants ; the delay time L, , these two constants can be determined by drawing a tangent line at the inflection point of shaped curve, and finding the intersection of the tangent line with time axis and steady state level K, (see shaped curve can be approximated by first order system with (38) shaped curve with terminology (Farhan A. Salem, 2013) , ( see Eq. (12)). The formulae listed in
  • 16.
    Industrial Engineering Letterswww.iiste.org ISSN 2224-6096 (Paper) ISSN 2225-0581 (online) Vol.3, No.7, 2013 16 Table 11, are proposed to calculate PID gains in terms L, T, K for ( FOPDT) process and tuning limits for KD and KI. Based on Eqs.(35)(36), the derived formulae for calculating PID controller gains in terms of derivate time TD and integral time TI , to be as given by in Table 11, the divisor N is chosen in the range 2 to 20. Table 11 Proposed formulae for PID gains calculation for first ( FOPDT) system, and softening ranges Plant PID parameters KP KI KD TI TD N T,K,L T *L T L T 1/ L 2 L T 2 20÷ Tuning limits T * * , 0.1 3 L Tε ε = ÷ 0.1 3 L T α α = ÷ 1 *Lε 2 L T α Applying proposed PID design method for first-order process with dead-time given by Eq.(39), will result in the calculated PID gains values listed in Table 12, the response curve is shown in figure 13 0.3 ( ) ( ) 1 s C s e R s s − = + (39) Table 12 design for FOPDT System Plant's parameters PID parameters FOPDT Parameters α ε KP KI KD TD TI N L=0.3,T=1,K=1 2 2 1 0.60 0.6 6.6666 0.6 2 (a) Applying calculated PID gains (a) after tuning KD and KI Figure 13 FOPDT response applying proposed PID design, 5. Comparing and testing proposed design with existing design methods Case (1): Considering a third order plant with transfer function given by Eq.(40), to verify proposed design, it will be compared with Ziegler-Nicols design method 3 1 ( ) ( 1) G s s = + (40) Since this is third order system, it can be approximated as second order system with two repeated pole P=1, Correspondingly ζ=1, ω =1, designing P, PI, PD, and PID controller applying Ziegler-Nicols design method and proposed design will result in gains values listed in table 13, and the response curves are shown in Figure 14 , these response curves show that the proposed method is more simpler than Ziegler-Nicols, as well as a more smooth response with minimum overshoot and acceptable settling time is achieved Table 13 controllers' gains values applying both Ziegler-Nicols and proposed design methods Parameters Pro. PD PI PID Proposed method ζ ω KP KP KD KP KI KP KI KD 1 1 5 20 58 0.1 0.1 1 0.5 0.5 Ziegler-Nicols method Kcrit Pcrit KP KP TD KP TI KP TI TD 8 3.62 4.8 - - 3.6 3 4.8 1.8 0.45 0 10 20 30 40 0 5 10 15 Time (seconds) Magnitude sys (4) PID design 0 5 10 15 20 0 5 10 15 Time (seconds) Magnitude sys (2) PID with Kd*2 ,Ki*2
  • 17.
    Industrial Engineering Letterswww.iiste.org ISSN 2224-6096 (Paper) ISSN 2225-0581 (online) Vol.3, No.7, 2013 17 Figure 14(a) P-controller design applying Ziegler-Nicols and proposed design methods Figure 14(b) PD-controller design applying proposed design methods Figure 14(c) PI-controller design applying Ziegler-Nicols and proposed design methods Figure 14(c) PID-controller design applying Ziegler-Nicols and proposed design methods 0 10 20 30 40 50 0 2 4 6 8 10 12 14 Magnitude Comparison P-controler design Ziegler-Nicols method Proposed method 0 50 100 0 5 10 15 Time (seconds) Magnitude Comparison: PD-controler design Proposed method 0 10 20 30 40 50 60 70 0 2 4 6 8 10 12 14 16 Magnitude Comparison: PI-controler design Proposed method Ziegler nicols 0 5 10 15 20 25 0 2 4 6 8 10 12 14 16 Magnitude Comparison: PID-controler design Proposed method Ziegler-Nicols method
  • 18.
    Industrial Engineering Letterswww.iiste.org ISSN 2224-6096 (Paper) ISSN 2225-0581 (online) Vol.3, No.7, 2013 18 Case (2): Testing proposed PID design method for fourth order plant transfer function given by Eq.(41), applying three different PID controller design methods, particularly, Ziegler Nichols frequency response, Ziegler-Nichols step response, and Chein-Hrones-Reswick design methods, will result in PID gains shown in Table 14(Robert A. Paz, 2001), , as shown in this table different values of PID gain are obtained and correspondingly different system's responses (see figure 15), when subjected to step input of 10. Comparing shown response curves, show that the Chein-Hrones-Reswick design is, with less overshoot and oscillation (than Ziegler-Nicols), all three method allmostly, result in the same settling time, Applying the proposed method, based on plant's dominant poles approximation, result in smooth response curve without overshoot, and zero steady state error, shown in figure 14. 4 3 2 s 10000 ( ) s + 126s + 2725s + 12600 + 10000 G s = (41) Table 14 Design Method KP KI KD Ziegler Nichols Frequency Response 14.496 45.300 1.1597 Ziegler-Nichols Step Response 11.1524 34.3786 0.9045 Chein-Hrones-Reswick 5.5762 5.0794 0.4522 Proposed method 1 0.8632 0.1231 ζ=3.0677 ωn= 2.6481 Figure 15 System step responses obtained applying different design methodologies Conclusion A new simple and efficient model-based time domain P, PI ,PD , and PID controllers design method for achieving an important design compromise; acceptable stability, and medium fastness of response is proposed, the proposed method is based on selecting controllers' gains based on plant's parameters, the proposed controllers design method was test for first, second and first order system with time delay, and using MATLAB/simulink software. References Ahmad A. Mahfouz, Mohammed M. K., Farhan A. Salem, "Modeling, Simulation and Dynamics Analysis Issues of Electric Motor, for Mechatronics Applications, Using Different Approaches and Verification by MATLAB/Simulink", IJISA, vol.5, no.5, pp.39-57, 2013. Astrom K,J, T. Hagllund, PID controllers Theory, Design and Tuning , 2nd edition, Instrument Society of America,1994 Ashish Tewari, Modern Control Design with MATLAB and Simulink, John Wiley and sons, LTD, 2002 England Katsuhiko Ogata, modern control engineering, third edition, Prentice hall, 1997 0 1 2 3 4 5 6 7 0 2 4 6 8 10 12 14 16 18 Response applying different PID design methodologies Time (seconds) (sec) Magnitude Open loop response Ziegler-Nicols step response method Chein Hrones Reswick Method Proposed method
  • 19.
    Industrial Engineering Letterswww.iiste.org ISSN 2224-6096 (Paper) ISSN 2225-0581 (online) Vol.3, No.7, 2013 19 Farid Golnaraghi Benjamin C.Kuo, Automatic Control Systems, John Wiley and sons INC .2010 Norman S. Nise, Control system engineering, Sixth Edition John Wiley & Sons, Inc,2011 Gene F. Franklin, J. David Powell, and Abbas Emami-Naeini, Feedback Control of Dynamic Systems, 4th Ed., Prentice Hall, 2002. Dale E. Seborg, Thomas F. Edgar, Duncan A. Mellichamp ,Process dynamics and control, Second edition, Wiley 2004 Dingyu Xue, YangQuan Chen, and Derek P. Atherton "Linear Feedback Control". 2007 by the Society for Industrial and Applied Mathematics, Society for Industrial and Applied Mathematics the Society for Industrial and Applied Mathematics, 2007 Chen C.L, A Simple Method for Online Identification and Controller Tuning , AIChe J,35,2037 ,1989. Lee J., Online PID Controller Tuning For A Single Closed Test, AIChe J,32(2), 1989. R. Matousek, HC12: Efficient PID Controller Design, Engineering Letters, pp 41-48, 20:1, 2012 K. J. Astrom and T. Hagglund, The Future of PID Control, IFAC J. Control Engineering Practice, Vol. 9, 2001. Susmita Das, Ayan Chakraborty,, Jayanta Kumar Ray, Soumyendu Bhattacharjee. Biswarup Neogi, Study on Different Tuning Approach with Incorporation of Simulation Aspect for Z-N (Ziegler-Nichols) Rules, International Journal of Scientific and Research Publications, Volume 2, Issue 8, August 2012 L. Ntogramatzidis, A. Ferrante, Exact tuning of PID controllers in control feedback design, IET Control Theory and Applications, 2010. M.Saranya , D.Pamela , A Real Time IMC Tuned PID Controller for DC Motor design is introduced and implemented, International Journal of Recent Technology and Engineering (IJRTE), Volume-1, Issue-1, April 2012 Fernando G. Martons, Tuning PID controllers using the ITAE criterion, Int. J. Engng Ed. Vol 21, No 3 pp.000- 000-2005 . Saeed Tavakoli, Mahdi Tavakoli, optimal tuning of PID controllers for first order plus time delay models using dimensional analysis, The Fourth International Conference on Control and Automation (ICCA’03), 10-12 June 2003, Montreal, Canada Farhan A. Salem, Controllers and control algorithms; selection and time domain design techniques applied in mechatronics systems design; Review and Research (I) , submitted to international journal of engineering science , 2013. Farhan A. Salem, Precise Performance Measures for Mechatronics Systems, Verified and Supported by New MATLAB Built-in Function', International Journal of Current Engineering and Technology, Vol.3, No.2 (June 2013). Farhan A. Salem, PID Controller and algorithms; selection and design techniques applied in mechatronics systems design (II) ,submitted to International Journal of Engineering Sciences, 2013. Robert A. Paz , The Design of the PID Controller, Klipsch School of Electrical and Computer Engineering, 2001. Pradeep Kumar Juneja , A. K. Ray, R. Mitra, Deadtime Modeling for First Order Plus Dead Time Process in a Process Industry, International Journal of Computer Science & CommunicationVol. 1, No. 2, July-December 2010, pp. 167-169.
  • 20.
    This academic articlewas published by The International Institute for Science, Technology and Education (IISTE). The IISTE is a pioneer in the Open Access Publishing service based in the U.S. and Europe. The aim of the institute is Accelerating Global Knowledge Sharing. More information about the publisher can be found in the IISTE’s homepage: http://www.iiste.org CALL FOR PAPERS The IISTE is currently hosting more than 30 peer-reviewed academic journals and collaborating with academic institutions around the world. There’s no deadline for submission. Prospective authors of IISTE journals can find the submission instruction on the following page: http://www.iiste.org/Journals/ The IISTE editorial team promises to the review and publish all the qualified submissions in a fast manner. All the journals articles are available online to the readers all over the world without financial, legal, or technical barriers other than those inseparable from gaining access to the internet itself. Printed version of the journals is also available upon request of readers and authors. IISTE Knowledge Sharing Partners EBSCO, Index Copernicus, Ulrich's Periodicals Directory, JournalTOCS, PKP Open Archives Harvester, Bielefeld Academic Search Engine, Elektronische Zeitschriftenbibliothek EZB, Open J-Gate, OCLC WorldCat, Universe Digtial Library , NewJour, Google Scholar