SECTIONAL
SECTIONAL
ORTHOGRAPHIC
PROJECTIONS
PROJECTIONS
Why sectional Orthographic projections are used?
I. To understand inner details of complex object:
When the object is complex from inside there
When the object is complex from inside, there
will be many hidden lines in the projections and it
will be difficult to understand the orthographic
will be difficult to understand the orthographic
projections. Therefore, to understand the
details of the complex object sectional
details of the complex object, sectional
orthographic Projections are used.
II To understand the materials of object :
II. To understand the materials of object :
If object is made of two or more materials, then it
can be understood clearly by sectional
can be understood clearly by sectional
orthographic projections.
‰ Orthographic projections of complex
‰ Orthographic projections of complex
objects are drawn after imagining it as an
object cut by an imaginary cutting plane/planes
parallel to principal planes passing through the
details of the object
details of the object.
‰ An imaginary plane by which the object is cut
is known as cutting plane or section plane.
‰ P ti f th bj t b t tti l
‰ Portion of the object between cutting plane
and observer is imagined to be removed and
g
then the object is viewed by the observer and
projection is drawn.
‰ P j ti f t bj t i k
‰ Projection of cut object is known as
sectional view or sectional projection.
p j
‰ Generally hidden lines are not drawn in
sectional view.
‰ In sectional views, the Shape of the section,
visible edges and contours of object behind
visible edges and contours of object behind
the section plane are drawn.
‰When one view is drawn sectional, other views
are drawn as if the object is not cut and the
object exists as a whole
object exists as a whole.
‰ It means other views are not affected by
taking section in one view, but Cutting plane
line is shown in non sectioned view to locate the
line is shown in non sectioned view to locate the
section plane and arrows are drawn to show the
direction of sight.
Cutting plane line
‰ Cutting plane line is also known as line of
section or trace of the cutting plane.
‰ The portion of the object cut by cutting plane and
touching the cutting plane is shown by
drawing hatching or section lines in them.
‰ Hatching or section lines are drawn thinner than
‰ Hatching or section lines are drawn thinner than
object lines.
‰ Normally hatching or section lines are drawn
at 45˚.
‰ Hatching lines are evenly spaced at about
‰ Hatching lines are evenly spaced at about
2 to 3 mm apart.
H t hi
observer
Cutting plane or
section plane
Parallel to H.P
Hatching
Parallel to H.P.
Sectional T V
Sectional T.V.
X
‰ Portion between observer and plane (Upper half portion)
i i i d t b d
F.V.
is imagined to be removed.
‰ Sectioned portion will be as shown in fig.
Back
‰ True shape of sectioned portion will be
seen in T.V
Various cutting planes or section planes
‰ Cutting plane Parallel to Principal vertical
plane.
‰ C tti l P ll l t P i i l h i t l
‰ Cutting plane Parallel to Principal horizontal
plane.
plane.
‰ Cutting plane Parallel to profile plane.
Cutting plane Parallel to Principal vertical plane
Cutting plane Parallel to Principal vertical plane
Wh bj t i t b l ll l t
When an object is cut by a plane parallel to
Principal vertical plane then:
p p
‰The real or true shape of the section is observed
in F.V.
‰Section plane ill be seen as a c tting plane line
‰Section plane will be seen as a cutting plane line
in T.V.
Cutting plane line
T.V.
Sectional F.V.
Object
observer
back
Sectioned object
Vertical cutting
plane
Sectional F.V.
Observer
T.V.
observer
Sectioned object
observer
Back
C tti l P ll l t P i i l h i t l l
Cutting plane Parallel to Principal horizontal plane
When an object is cut by a plane parallel to Principal
j y p p p
horizontal plane then:
‰The real or true shape of the section is observed
i T V
in T.V.
‰Section plane will be seen as a cutting plane line
p g p
in F.V.
observer
Cutting plane
line
Horizontal cutting
plane
F.V.
F.V.
Sectional T.V.
Sectioned object
C tti l P ll l t fil l
Cutting plane Parallel to profile plane
When an object is cut by a plane parallel to profile
j y p p p
plane then:
‰The real or true shape of the section is observed
i id i
in side view.
‰Section plane will be seen as a cutting plane line
p g p
in T.V.
A
A
Sectioned object
X
Cutting plane line
Sectional R.H.S.V F.V.
A
T.V.
X
A
Sectioned
object
Sectioning rule for machine elements like :
Sectioning rule for machine elements like :
Ribs rivets webs shafts pins nuts bolts
Ribs, rivets, webs, shafts, pins, nuts, bolts,
washers, keys and cotter.
Whenever, the cutting plane is passing through
above machine elements and if cutting plane
contains the axis of above machine elements,
then they are not sectioned.
then they are not sectioned.
However, when the cutting plane is cutting,
Elements perpendicular to the axis of the
Above Machine elements, section is taken
and in the projection hatching lines are drawn.
If tti l d t i l d i th
If cutting plane does not include axis then
These elements are hatched
These elements are hatched.
Sectioning of Rivets
CORRECT WRONG
30 DEEP
F.V.
X
T.V.
T.V.
30 DEEP
Sectional F.V.
X
T.V.
F.V.
A
C
R=MO
T
C
C C
M
O
R
C
M
P
A
F.V.
X
A
Sectional T.V.
O
R=MO
C C
M
O
R
Rib M
Rib
F.V.
Sectional L.H.S.V.
A
C
C
X
A
RULES OF HATCHING:
1) A f t l t i l t b ti
1) Area of a metal or a material, cut by a section
plane is shown by hatching lines in projection.
plane is shown by hatching lines in projection.
It is executed by thin lines normally at an angle of
45˚ to the axis or to the main outlines of the
ti l
sectional area.
(2) If the axis of the boundary of section is at 45˚then
(2) If the axis of the boundary of section is at 45 then
the vertical or horizontal hatching lines are drawn.
Axis at 45˚
Axis at 45˚
(3) Separate area of a section of a single
(3) Separate area of a section of a single
component are hatched in the same
manner
manner. CLICK FOR EXAMPLE
(4) Hatching lines on a second part,
adjacent to the first are at an angle of 45˚
adjacent to the first are at an angle of 45
but in the opposite direction. Hatching
li thi d t dj t t fi t t
lines on a third part adjacent to first two
are drawn at an angle of 30˚ or 60˚.
Sometimes spacing or pitch of the
hatching lines is varied to separate it from
g p
the adjacent parts.
Hatching more than two adjacent components
g j p
C
hatched
45˚
at 60˚
B
45
A hatched
(2) D
45˚
at 30˚
on D
(2) D
45 on D
(5) If hatching is required on a large section
(5) If hatching is required on a large section
area, it is avoided. It is limited to a zone
following the contour of the sectioned area
required to be hatched.
Large area
(6) If hatching is required on a very thin section
(6) If hatching is required on a very thin section
area, it is avoided. Complete section is shown
entirely black. Thin space is left between
adjacent section of the same type.
(7) As far as possible avoid dimensioning inside
( ) p g
hatched area, but, if not possible, hatching
lines may be interrupted for the dimensioning.
(8) Hatched area can never have dashed or
dotted boundary.
dotted boundary.
Figure shows isometric view of a
g
machine component. Draw its
(1)Front view, Top view & L.H.S
15
(1)Front view, Top view & L.H.S
View, using 3rd angle method
of projections.
50
(2) Sectional Front view, Top
view & L.H.S.V., using 3rd
5
, g
angle method of projections.
15
10
60
40
30
5
25
30
1
2
5
50 50
Top View
50
15
Front View
L.H.S.View
B
It will be nearer to V.P.
R i d li f h
It will be nearer to V.P.
in 1st angle method &
against the vertical
A
Retained split of the
machine parts
plane in 3rd angle
method.
10
30
60
40
30
15
25
30
5
A
50 50
Top View
A
A
Sectional Front View -AB
L.H.S. View
B
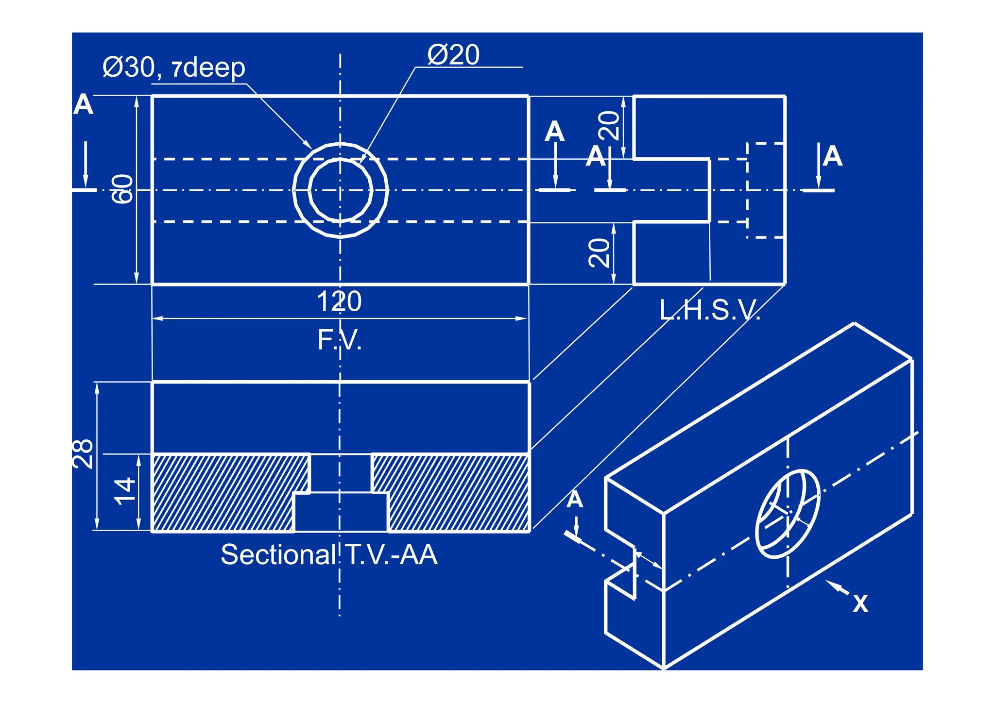
Figure shows the pictorial
view of a machine component.
D i f ll i i
A
A
Draw its following views as
per First angle method of
projections
60
60
projections
(1) Front view from X direction.
(2) Sectional top view-AA
0
0
A
A
(2) Sectional top view-AA
(3) L.H.S. View
20
20
0
0
20
20
X
X
X
X
Sketch shows the assumed cut model (retained part of
the machine component / split against the observer) due
to horizontal section plane passing through AB.
0
0
20
20
X
X
X
X
Ø30, 7deep Ø20
Ø20
0
0
A
A
60
60
20
20
A
A
A
A
A
A A
A
6
6
20
20
120
120
F.V.
F.V.
L.H.S.V.
L.H.S.V.
28
28
14
14
A
A
Sectional T.V.
Sectional T.V.-
-AA
AA
X
X
φ
φ30
30
B
Figure shows the pictorial view
of a machine components.
Draw its following views,
using 3rd angle method of
projections
projections.
(1) Front view from arrow X
60
60
(2) Top View
(3) Sectional R H S V - AB
(3) Sectional R.H.S.V - AB
20
20
2
2
X
X
A
Retained split, will be
nearer to VP in 1st
B
nearer to V.P. in 1st
angle method &
against the vertical
g
plane in 3rd angle
method.
No hatching in
this area as not
contained in the
contained in the
section plane
R i d li f h
A
Retained split of the
machine parts
A
A
B
B
B
60
60
90
90
A
20
20 20
20
9
9
40
40
T V
X
X
A
4
4
A
A
T.V.
80
80
S C
20
20
A
A
F.V.
Full SEC.
R.H.S.V
PROBLEM
Sketch, shows isometric view of a machine part.
Draw its
Draw its
(1) Full Sectional F.V. (sectional F.V.)
(2) T.V.
(3) R.H.S.V.
U thi d l th d f th hi
Use third angle method of orthographic
projection. Dimension the view as per the
p j p
align system.
R30
A
Given
Given
Isometric
Isometric R30
Isometric
Isometric
view
view
R20
B
L=100, D=100 & H= 100
L=100, D=100 & H= 100
A
R20
B
B
A
A
30
A
A
TOP VIEW
TOP VIEW
60
B
12
60
45
100
12
R.H.S. VIEW
R.H.S. VIEW
100
B
B
SEC. FRONT VIEW
SEC. FRONT VIEW
PROBLEM - 1
The following figure shows the
isometric view of a machine component
isometric view of a machine component
Draw its
1)F ll ti l F t i
1)Full sectional Front view (sectional F.V.)
2)Top view
3)L.H.S view
Use First angle method of projections and
di i i i li d t l
dimensioning using aligned system only
R 25
R 25
Φ 25 ,10 deep
R 25
10
Ø25
10
55
25
60°
10
10
20 60
SECTIONAL FRONT VIEW -AB
L.H.S. VIEW -AB
Φ 25
10
70
Φ 25
45
45
10
12.5
TOP VIEW
R 25
10
Ø25
10
55
25
60
10
10
1
FRONT VIEW L.H.S. VIEW
20 60
70
Φ 25
45
45
10
12.5
TOP VIEW
Aim
Aim:
:-
-Sketch
Sketch-
-1
1,
, shows
shows Isometric
Isometric View
View of
of a
a
machine
machine part
part.
. Draw
Draw its
its following
following
orthographic
orthographic views
views using
using third
third angle
angle
SOLUTION`
SOLUTION`
g p
g p g
g g
g
method
method of
of projections,
projections, giving
giving dimensions
dimensions.
.
(1) Sectional F.V.
(1) Sectional F.V.-
-AA
AA
(2) T V
(2) T V
(2) T.V.
(2) T.V.
(3) L.H.S.V
(3) L.H.S.V
A
A TOP VIEW
TOP VIEW
R35
R35
A
A
A
A
30
30
A
A
8
8
A
A
TOP VIEW
TOP VIEW
Ö20
Ö20
Φ20
Φ20
Φ36
Φ36
Ö
Ö
Ö36
Ö36
0
0
2 HOLES,Ö 14
2 HOLES,Ö 14
65
65
4`
4`
100
100
A
A
14
14
A
A
A
A
LEFT HAND SIDE VIEW
LEFT HAND SIDE VIEW SECTIONAL FRONT VIEW AA
SECTIONAL FRONT VIEW AA
X
X
SCALE:
SCALE:-
- 1:1
1:1
SYMBOL OF PROJECTION METHOD, NOT SHOWN
SYMBOL OF PROJECTION METHOD, NOT SHOWN
Sketch
Sketch-
-1
1
SOLUTION`
SOLUTION`
Aim:
Aim:-
-Sketch
Sketch-
-1, shows Isometric View of a
1, shows Isometric View of a
machine part. Draw its following
machine part. Draw its following
th hi i i thi d l
th hi i i thi d l
orthographic views using third angle
orthographic views using third angle
method of projections, giving dimensions.
method of projections, giving dimensions.
(1) Sectional F.V.
(1) Sectional F.V.-
-AA
AA
(2) T.V.
(2) T.V.
SCALE:
SCALE:-
- 1:1
1:1
A
A
A
A
R35
R35
( )
( )
(3) L.H.S.V
(3) L.H.S.V
30
30
A
A
TOP VIEW
TOP VIEW
SCALE:
SCALE: 1:1
1:1
8
8
Φ20
Φ20
R35
R35
A
A
14
14
8
8
Φ20
Φ20
Φ36
Φ36
Φ36
Φ36
100
100
2 HOLES,Ö 14
2 HOLES,Ö 14
A
A
LEFT HAND SIDE VIEW
LEFT HAND SIDE VIEW SECTIONAL FRONT VIEW AA
SECTIONAL FRONT VIEW AA
SYMBOL OF PROJECTION METHOD, NOT SHOWN
SYMBOL OF PROJECTION METHOD, NOT SHOWN
X
X
A
A
Types of sectional view
(1) Full sectional View
( )
(2) Half sectional View .
(1) Full section:
‰The sectional view obtained after removing one
‰The sectional view obtained after removing one
half portion of the object through its centre line
p j g
by an imaginary cutting plane is known as full
sectional view.
‰If it happens to be elevation (front view),
‰If it happens to be elevation (front view),
it is known as Full sectional elevation or
Full sectional front view. Normally the word
‘f ll’ i itt d
‘full’ is omitted.
‰If it happens to be plan (top view), it is known
‰If it happens to be plan (top view), it is known
as full Sectional plan or full sectional top view.
Similarly there can be full sectional side view.
N ll th d ‘f ll’ i itt d
Normally the word ‘full’ is omitted.
Important points:
‰ hidden lines should not be drawn in sectional
view
view
‰ Visible lines behind the cutting plane should be
‰ Visible lines behind the cutting plane should be
shown.
‰ The portions which are actually cut by cutting
l h ld b h t h d
plane should be hatched.
‰ The position of the cutting plane should be
shown by using cutting plane line.
SPECIAL
SECTIONS
SECTIONS
HALF SECTION
HALF SECTION
HALF SECTIONAL F.V.-AB HALF SECTIONAL
LEFT S V BC
LEFT S.V.-BC
B
B
A
C
TOP VIEW
(2) Half sectional view:
(2) Half sectional view:
‰When the object is symmetrical about its centre
j y
line, from outside as well as from inside, half
sectional view is preferred.
‰ The main usefulness of the half section is in
assembly drawing where it is often required to
assembly drawing where it is often required to
show both internal and external construction of
the object on the same view.
i) Half sectional front view :
‰The sectional view obtained after removing
th f t t ti f th bj t b t
the front quarter portion of the object by two
imaginary cutting planes at right angles to
g y g p g g
each other is known as half sectional
elevation or half sectional front view.
‰The half sectional front view may be left or
right depending upon the left or right front
right depending upon the left or right front
quarter portion of the object is removed.
ii) Half sectional top view:
‰sectional top view. The sectional view
bt i d ft i th t t ti
obtained after removing the top quarter portion
of the object by two imaginary cutting planes at
of the object by two imaginary cutting planes at
right angles to each other is known as half
sectional plan or half
‰Th h lf ti l t i b l ft i ht
‰The half sectional top view may be left or right
depending upon the left or right top quarter
depending upon the left or right top quarter
portion of the object is removed.
‰Similarly there can be half sectional side view.
OFFSET
OFFSET
S C O
SECTION
OFFSET SECTION: The path of the cutting plane
is bent to pass through features not located in a
is bent to pass through features not located in a
straight line, i.e. it is offset to pass through both
principle features of the object Example is shown
principle features of the object. Example is shown
below.
Section lines are
to be staggered R
to be staggered
as shown at R
R
B
B
SPECIAL SECTIONS
SPECIAL SECTIONS
REMOVED &
REVOLVED SECTIONS
REVOLVED
SECTION
SECTION
REMOVED SECTION
REVOLVED REVOLVED
REVOLVED
SECTION
REVOLVED
SECTION
REMOVEDSECTION
REVOLVED SECTION
REMOVED SECTION
REMOVED SECTIONS
Partial (broken local
Partial (broken, local
or Zonal) Section
or Zonal) Section.
Partial (broken, local or Zonal) Section.
This is used to show only a desired features of the
bj t N tti l li d
object . No cutting plane lines are necessary, and
it shown by wavy line
Tap- bolt fastener
Partial (broken,
local or Zonal)
pulley
local or Zonal)
Section.
shaft
Shaft and pulley partly broken
out to show internal fastening
g
SPECIAL SECTION
Cross hatching of adjacent parts
Part 1
Part 2
Part 3
SPECIAL SECTION
Hatching more than two adjacent components
at (2)
Part C
P B
(hatched
45
Part B
(
at 60 )
45
Part A hatched
Part D
45
at 30
on D
Part D
45 o
A B
F.V.
SEC.T.V.
Two vertical plates ,fastened by a horizontal
rivet is shown in its F.V. & T.V., cut by horizontal
section plane. Note: the rivet is shown in section in
T.V.
Aim
Aim:
:-
-Sketch
Sketch-
-1
1,
, shows
shows Isometric
Isometric View
View of
of a
a
machine
machine part
part.
. Draw
Draw its
its following
following
orthographic
orthographic views
views using
using third
third angle
angle
SOLUTION`
SOLUTION`
g p
g p g
g g
g
method
method of
of projections,
projections, giving
giving dimensions
dimensions.
.
(1) Sectional F.V.
(1) Sectional F.V.-
-AA
AA
(2) T V
(2) T V
(2) T.V.
(2) T.V.
(3) L.H.S.V
(3) L.H.S.V
A
A TOP VIEW
TOP VIEW
R35
R35
A
A
A
A
30
30
A
A
8
8
A
A
TOP VIEW
TOP VIEW
Ö20
Ö20
Φ20
Φ20
Φ36
Φ36
Ö
Ö
Ö36
Ö36
0
0
2 HOLES,Ö 14
2 HOLES,Ö 14
65
65
4`
4`
100
100
A
A
14
14
A
A
A
A
LEFT HAND SIDE VIEW
LEFT HAND SIDE VIEW SECTIONAL FRONT VIEW AA
SECTIONAL FRONT VIEW AA
X
X
SCALE:
SCALE:-
- 1:1
1:1
SYMBOL OF PROJECTION METHOD, NOT SHOWN
SYMBOL OF PROJECTION METHOD, NOT SHOWN
Sketch
Sketch-
-1
1
SOLUTION`
SOLUTION`
Aim:
Aim:-
-Sketch
Sketch-
-1, shows Isometric View of a
1, shows Isometric View of a
machine part. Draw its following
machine part. Draw its following
th hi i i thi d l
th hi i i thi d l
orthographic views using third angle
orthographic views using third angle
method of projections, giving dimensions.
method of projections, giving dimensions.
(1) Sectional F.V.
(1) Sectional F.V.-
-AA
AA
(2) T.V.
(2) T.V.
SCALE:
SCALE:-
- 1:1
1:1
A
A
A
A
R35
R35
( )
( )
(3) L.H.S.V
(3) L.H.S.V
30
30
A
A
TOP VIEW
TOP VIEW
SCALE:
SCALE: 1:1
1:1
8
8
Φ20
Φ20
R35
R35
A
A
14
14
8
8
Φ20
Φ20
Φ36
Φ36
Φ36
Φ36
100
100
2 HOLES,Ö 14
2 HOLES,Ö 14
A
A
LEFT HAND SIDE VIEW
LEFT HAND SIDE VIEW SECTIONAL FRONT VIEW AA
SECTIONAL FRONT VIEW AA
SYMBOL OF PROJECTION METHOD, NOT SHOWN
SYMBOL OF PROJECTION METHOD, NOT SHOWN
X
X
A
A
A
A
A
A
A
A
X
X
B
X
X
A
B
B
A
Aim
Aim:
:-
-Sketch
Sketch-
-1
1,
, shows
shows Isometric
Isometric View
View of
of a
a
machine
machine part
part.
. Draw
Draw its
its following
following
orthographic
orthographic views
views using
using third
third angle
angle
SOLUTION`
SOLUTION`
g p
g p g
g g
g
method
method of
of projections,
projections, giving
giving dimensions
dimensions.
.
(1) Sectional F.V.
(1) Sectional F.V.-
-AA
AA
(2) T V
(2) T V
(2) T.V.
(2) T.V.
(3) L.H.S.V
(3) L.H.S.V
A
A TOP VIEW
TOP VIEW
R35
R35
A
A
A
A
30
30
A
A
8
8
A
A
TOP VIEW
TOP VIEW
Ö20
Ö20
Φ20
Φ20
Φ36
Φ36
Ö
Ö
Ö36
Ö36
0
0
2 HOLES,Ö 14
2 HOLES,Ö 14
65
65
4`
4`
100
100
A
A
14
14
A
A
A
A
LEFT HAND SIDE VIEW
LEFT HAND SIDE VIEW SECTIONAL FRONT VIEW AA
SECTIONAL FRONT VIEW AA
X
X
SCALE:
SCALE:-
- 1:1
1:1
SYMBOL OF PROJECTION METHOD, NOT SHOWN
SYMBOL OF PROJECTION METHOD, NOT SHOWN
Sketch
Sketch-
-1
1

Exploring Sectional Orthographic Projections: A Comprehensive Study of 2D Representations in 3D Space

  • 1.
  • 2.
    Why sectional Orthographicprojections are used? I. To understand inner details of complex object: When the object is complex from inside there When the object is complex from inside, there will be many hidden lines in the projections and it will be difficult to understand the orthographic will be difficult to understand the orthographic projections. Therefore, to understand the details of the complex object sectional details of the complex object, sectional orthographic Projections are used. II To understand the materials of object : II. To understand the materials of object : If object is made of two or more materials, then it can be understood clearly by sectional can be understood clearly by sectional orthographic projections.
  • 3.
    ‰ Orthographic projectionsof complex ‰ Orthographic projections of complex objects are drawn after imagining it as an object cut by an imaginary cutting plane/planes parallel to principal planes passing through the details of the object details of the object. ‰ An imaginary plane by which the object is cut is known as cutting plane or section plane.
  • 4.
    ‰ P tif th bj t b t tti l ‰ Portion of the object between cutting plane and observer is imagined to be removed and g then the object is viewed by the observer and projection is drawn. ‰ P j ti f t bj t i k ‰ Projection of cut object is known as sectional view or sectional projection. p j
  • 5.
    ‰ Generally hiddenlines are not drawn in sectional view. ‰ In sectional views, the Shape of the section, visible edges and contours of object behind visible edges and contours of object behind the section plane are drawn. ‰When one view is drawn sectional, other views are drawn as if the object is not cut and the object exists as a whole object exists as a whole.
  • 6.
    ‰ It meansother views are not affected by taking section in one view, but Cutting plane line is shown in non sectioned view to locate the line is shown in non sectioned view to locate the section plane and arrows are drawn to show the direction of sight. Cutting plane line ‰ Cutting plane line is also known as line of section or trace of the cutting plane.
  • 7.
    ‰ The portionof the object cut by cutting plane and touching the cutting plane is shown by drawing hatching or section lines in them. ‰ Hatching or section lines are drawn thinner than ‰ Hatching or section lines are drawn thinner than object lines. ‰ Normally hatching or section lines are drawn at 45˚. ‰ Hatching lines are evenly spaced at about ‰ Hatching lines are evenly spaced at about 2 to 3 mm apart.
  • 8.
    H t hi observer Cuttingplane or section plane Parallel to H.P Hatching Parallel to H.P. Sectional T V Sectional T.V. X ‰ Portion between observer and plane (Upper half portion) i i i d t b d F.V. is imagined to be removed. ‰ Sectioned portion will be as shown in fig. Back ‰ True shape of sectioned portion will be seen in T.V
  • 9.
    Various cutting planesor section planes ‰ Cutting plane Parallel to Principal vertical plane. ‰ C tti l P ll l t P i i l h i t l ‰ Cutting plane Parallel to Principal horizontal plane. plane. ‰ Cutting plane Parallel to profile plane.
  • 10.
    Cutting plane Parallelto Principal vertical plane Cutting plane Parallel to Principal vertical plane Wh bj t i t b l ll l t When an object is cut by a plane parallel to Principal vertical plane then: p p ‰The real or true shape of the section is observed in F.V. ‰Section plane ill be seen as a c tting plane line ‰Section plane will be seen as a cutting plane line in T.V.
  • 11.
    Cutting plane line T.V. SectionalF.V. Object observer back Sectioned object
  • 12.
  • 13.
    C tti lP ll l t P i i l h i t l l Cutting plane Parallel to Principal horizontal plane When an object is cut by a plane parallel to Principal j y p p p horizontal plane then: ‰The real or true shape of the section is observed i T V in T.V. ‰Section plane will be seen as a cutting plane line p g p in F.V.
  • 14.
  • 15.
    C tti lP ll l t fil l Cutting plane Parallel to profile plane When an object is cut by a plane parallel to profile j y p p p plane then: ‰The real or true shape of the section is observed i id i in side view. ‰Section plane will be seen as a cutting plane line p g p in T.V.
  • 16.
  • 17.
    Cutting plane line SectionalR.H.S.V F.V. A T.V. X A Sectioned object
  • 18.
    Sectioning rule formachine elements like : Sectioning rule for machine elements like : Ribs rivets webs shafts pins nuts bolts Ribs, rivets, webs, shafts, pins, nuts, bolts, washers, keys and cotter. Whenever, the cutting plane is passing through above machine elements and if cutting plane contains the axis of above machine elements, then they are not sectioned. then they are not sectioned.
  • 19.
    However, when thecutting plane is cutting, Elements perpendicular to the axis of the Above Machine elements, section is taken and in the projection hatching lines are drawn. If tti l d t i l d i th If cutting plane does not include axis then These elements are hatched These elements are hatched.
  • 20.
  • 21.
  • 22.
  • 23.
  • 24.
  • 25.
    RULES OF HATCHING: 1)A f t l t i l t b ti 1) Area of a metal or a material, cut by a section plane is shown by hatching lines in projection. plane is shown by hatching lines in projection. It is executed by thin lines normally at an angle of 45˚ to the axis or to the main outlines of the ti l sectional area.
  • 26.
    (2) If theaxis of the boundary of section is at 45˚then (2) If the axis of the boundary of section is at 45 then the vertical or horizontal hatching lines are drawn. Axis at 45˚ Axis at 45˚
  • 27.
    (3) Separate areaof a section of a single (3) Separate area of a section of a single component are hatched in the same manner manner. CLICK FOR EXAMPLE (4) Hatching lines on a second part, adjacent to the first are at an angle of 45˚ adjacent to the first are at an angle of 45 but in the opposite direction. Hatching li thi d t dj t t fi t t lines on a third part adjacent to first two are drawn at an angle of 30˚ or 60˚. Sometimes spacing or pitch of the hatching lines is varied to separate it from g p the adjacent parts.
  • 28.
    Hatching more thantwo adjacent components g j p C hatched 45˚ at 60˚ B 45 A hatched (2) D 45˚ at 30˚ on D (2) D 45 on D
  • 29.
    (5) If hatchingis required on a large section (5) If hatching is required on a large section area, it is avoided. It is limited to a zone following the contour of the sectioned area required to be hatched. Large area
  • 30.
    (6) If hatchingis required on a very thin section (6) If hatching is required on a very thin section area, it is avoided. Complete section is shown entirely black. Thin space is left between adjacent section of the same type.
  • 31.
    (7) As faras possible avoid dimensioning inside ( ) p g hatched area, but, if not possible, hatching lines may be interrupted for the dimensioning. (8) Hatched area can never have dashed or dotted boundary. dotted boundary.
  • 32.
    Figure shows isometricview of a g machine component. Draw its (1)Front view, Top view & L.H.S 15 (1)Front view, Top view & L.H.S View, using 3rd angle method of projections. 50 (2) Sectional Front view, Top view & L.H.S.V., using 3rd 5 , g angle method of projections. 15
  • 33.
  • 34.
    B It will benearer to V.P. R i d li f h It will be nearer to V.P. in 1st angle method & against the vertical A Retained split of the machine parts plane in 3rd angle method.
  • 35.
  • 36.
    Figure shows thepictorial view of a machine component. D i f ll i i A A Draw its following views as per First angle method of projections 60 60 projections (1) Front view from X direction. (2) Sectional top view-AA 0 0 A A (2) Sectional top view-AA (3) L.H.S. View 20 20 0 0 20 20 X X X X
  • 37.
    Sketch shows theassumed cut model (retained part of the machine component / split against the observer) due to horizontal section plane passing through AB. 0 0 20 20 X X X X
  • 38.
    Ø30, 7deep Ø20 Ø20 0 0 A A 60 60 20 20 A A A A A AA A 6 6 20 20 120 120 F.V. F.V. L.H.S.V. L.H.S.V. 28 28 14 14 A A Sectional T.V. Sectional T.V.- -AA AA X X
  • 39.
    φ φ30 30 B Figure shows thepictorial view of a machine components. Draw its following views, using 3rd angle method of projections projections. (1) Front view from arrow X 60 60 (2) Top View (3) Sectional R H S V - AB (3) Sectional R.H.S.V - AB 20 20 2 2 X X A
  • 40.
    Retained split, willbe nearer to VP in 1st B nearer to V.P. in 1st angle method & against the vertical g plane in 3rd angle method. No hatching in this area as not contained in the contained in the section plane R i d li f h A Retained split of the machine parts
  • 41.
  • 42.
    PROBLEM Sketch, shows isometricview of a machine part. Draw its Draw its (1) Full Sectional F.V. (sectional F.V.) (2) T.V. (3) R.H.S.V. U thi d l th d f th hi Use third angle method of orthographic projection. Dimension the view as per the p j p align system.
  • 43.
  • 44.
    A R20 B B A A 30 A A TOP VIEW TOP VIEW 60 B 12 60 45 100 12 R.H.S.VIEW R.H.S. VIEW 100 B B SEC. FRONT VIEW SEC. FRONT VIEW
  • 45.
    PROBLEM - 1 Thefollowing figure shows the isometric view of a machine component isometric view of a machine component Draw its 1)F ll ti l F t i 1)Full sectional Front view (sectional F.V.) 2)Top view 3)L.H.S view Use First angle method of projections and di i i i li d t l dimensioning using aligned system only
  • 46.
    R 25 R 25 Φ25 ,10 deep
  • 47.
    R 25 10 Ø25 10 55 25 60° 10 10 20 60 SECTIONALFRONT VIEW -AB L.H.S. VIEW -AB Φ 25 10 70 Φ 25 45 45 10 12.5 TOP VIEW
  • 48.
    R 25 10 Ø25 10 55 25 60 10 10 1 FRONT VIEWL.H.S. VIEW 20 60 70 Φ 25 45 45 10 12.5 TOP VIEW
  • 49.
    Aim Aim: :- -Sketch Sketch- -1 1, , shows shows Isometric IsometricView View of of a a machine machine part part. . Draw Draw its its following following orthographic orthographic views views using using third third angle angle SOLUTION` SOLUTION` g p g p g g g g method method of of projections, projections, giving giving dimensions dimensions. . (1) Sectional F.V. (1) Sectional F.V.- -AA AA (2) T V (2) T V (2) T.V. (2) T.V. (3) L.H.S.V (3) L.H.S.V A A TOP VIEW TOP VIEW R35 R35 A A A A 30 30 A A 8 8 A A TOP VIEW TOP VIEW Ö20 Ö20 Φ20 Φ20 Φ36 Φ36 Ö Ö Ö36 Ö36 0 0 2 HOLES,Ö 14 2 HOLES,Ö 14 65 65 4` 4` 100 100 A A 14 14 A A A A LEFT HAND SIDE VIEW LEFT HAND SIDE VIEW SECTIONAL FRONT VIEW AA SECTIONAL FRONT VIEW AA X X SCALE: SCALE:- - 1:1 1:1 SYMBOL OF PROJECTION METHOD, NOT SHOWN SYMBOL OF PROJECTION METHOD, NOT SHOWN Sketch Sketch- -1 1
  • 50.
    SOLUTION` SOLUTION` Aim: Aim:- -Sketch Sketch- -1, shows IsometricView of a 1, shows Isometric View of a machine part. Draw its following machine part. Draw its following th hi i i thi d l th hi i i thi d l orthographic views using third angle orthographic views using third angle method of projections, giving dimensions. method of projections, giving dimensions. (1) Sectional F.V. (1) Sectional F.V.- -AA AA (2) T.V. (2) T.V. SCALE: SCALE:- - 1:1 1:1 A A A A R35 R35 ( ) ( ) (3) L.H.S.V (3) L.H.S.V 30 30 A A TOP VIEW TOP VIEW SCALE: SCALE: 1:1 1:1 8 8 Φ20 Φ20 R35 R35 A A 14 14 8 8 Φ20 Φ20 Φ36 Φ36 Φ36 Φ36 100 100 2 HOLES,Ö 14 2 HOLES,Ö 14 A A LEFT HAND SIDE VIEW LEFT HAND SIDE VIEW SECTIONAL FRONT VIEW AA SECTIONAL FRONT VIEW AA SYMBOL OF PROJECTION METHOD, NOT SHOWN SYMBOL OF PROJECTION METHOD, NOT SHOWN X X A A
  • 51.
    Types of sectionalview (1) Full sectional View ( ) (2) Half sectional View . (1) Full section: ‰The sectional view obtained after removing one ‰The sectional view obtained after removing one half portion of the object through its centre line p j g by an imaginary cutting plane is known as full sectional view.
  • 52.
    ‰If it happensto be elevation (front view), ‰If it happens to be elevation (front view), it is known as Full sectional elevation or Full sectional front view. Normally the word ‘f ll’ i itt d ‘full’ is omitted. ‰If it happens to be plan (top view), it is known ‰If it happens to be plan (top view), it is known as full Sectional plan or full sectional top view. Similarly there can be full sectional side view. N ll th d ‘f ll’ i itt d Normally the word ‘full’ is omitted.
  • 53.
    Important points: ‰ hiddenlines should not be drawn in sectional view view ‰ Visible lines behind the cutting plane should be ‰ Visible lines behind the cutting plane should be shown. ‰ The portions which are actually cut by cutting l h ld b h t h d plane should be hatched. ‰ The position of the cutting plane should be shown by using cutting plane line.
  • 55.
  • 56.
    HALF SECTIONAL F.V.-ABHALF SECTIONAL LEFT S V BC LEFT S.V.-BC B B A C TOP VIEW
  • 57.
    (2) Half sectionalview: (2) Half sectional view: ‰When the object is symmetrical about its centre j y line, from outside as well as from inside, half sectional view is preferred. ‰ The main usefulness of the half section is in assembly drawing where it is often required to assembly drawing where it is often required to show both internal and external construction of the object on the same view.
  • 58.
    i) Half sectionalfront view : ‰The sectional view obtained after removing th f t t ti f th bj t b t the front quarter portion of the object by two imaginary cutting planes at right angles to g y g p g g each other is known as half sectional elevation or half sectional front view. ‰The half sectional front view may be left or right depending upon the left or right front right depending upon the left or right front quarter portion of the object is removed.
  • 59.
    ii) Half sectionaltop view: ‰sectional top view. The sectional view bt i d ft i th t t ti obtained after removing the top quarter portion of the object by two imaginary cutting planes at of the object by two imaginary cutting planes at right angles to each other is known as half sectional plan or half ‰Th h lf ti l t i b l ft i ht ‰The half sectional top view may be left or right depending upon the left or right top quarter depending upon the left or right top quarter portion of the object is removed. ‰Similarly there can be half sectional side view.
  • 60.
  • 61.
    OFFSET SECTION: Thepath of the cutting plane is bent to pass through features not located in a is bent to pass through features not located in a straight line, i.e. it is offset to pass through both principle features of the object Example is shown principle features of the object. Example is shown below. Section lines are to be staggered R to be staggered as shown at R R B B
  • 62.
  • 63.
  • 64.
  • 65.
  • 66.
  • 67.
  • 68.
    Partial (broken local Partial(broken, local or Zonal) Section or Zonal) Section.
  • 69.
    Partial (broken, localor Zonal) Section. This is used to show only a desired features of the bj t N tti l li d object . No cutting plane lines are necessary, and it shown by wavy line
  • 70.
    Tap- bolt fastener Partial(broken, local or Zonal) pulley local or Zonal) Section. shaft Shaft and pulley partly broken out to show internal fastening g
  • 71.
    SPECIAL SECTION Cross hatchingof adjacent parts Part 1 Part 2 Part 3
  • 72.
    SPECIAL SECTION Hatching morethan two adjacent components at (2) Part C P B (hatched 45 Part B ( at 60 ) 45 Part A hatched Part D 45 at 30 on D Part D 45 o
  • 73.
    A B F.V. SEC.T.V. Two verticalplates ,fastened by a horizontal rivet is shown in its F.V. & T.V., cut by horizontal section plane. Note: the rivet is shown in section in T.V.
  • 74.
    Aim Aim: :- -Sketch Sketch- -1 1, , shows shows Isometric IsometricView View of of a a machine machine part part. . Draw Draw its its following following orthographic orthographic views views using using third third angle angle SOLUTION` SOLUTION` g p g p g g g g method method of of projections, projections, giving giving dimensions dimensions. . (1) Sectional F.V. (1) Sectional F.V.- -AA AA (2) T V (2) T V (2) T.V. (2) T.V. (3) L.H.S.V (3) L.H.S.V A A TOP VIEW TOP VIEW R35 R35 A A A A 30 30 A A 8 8 A A TOP VIEW TOP VIEW Ö20 Ö20 Φ20 Φ20 Φ36 Φ36 Ö Ö Ö36 Ö36 0 0 2 HOLES,Ö 14 2 HOLES,Ö 14 65 65 4` 4` 100 100 A A 14 14 A A A A LEFT HAND SIDE VIEW LEFT HAND SIDE VIEW SECTIONAL FRONT VIEW AA SECTIONAL FRONT VIEW AA X X SCALE: SCALE:- - 1:1 1:1 SYMBOL OF PROJECTION METHOD, NOT SHOWN SYMBOL OF PROJECTION METHOD, NOT SHOWN Sketch Sketch- -1 1
  • 75.
    SOLUTION` SOLUTION` Aim: Aim:- -Sketch Sketch- -1, shows IsometricView of a 1, shows Isometric View of a machine part. Draw its following machine part. Draw its following th hi i i thi d l th hi i i thi d l orthographic views using third angle orthographic views using third angle method of projections, giving dimensions. method of projections, giving dimensions. (1) Sectional F.V. (1) Sectional F.V.- -AA AA (2) T.V. (2) T.V. SCALE: SCALE:- - 1:1 1:1 A A A A R35 R35 ( ) ( ) (3) L.H.S.V (3) L.H.S.V 30 30 A A TOP VIEW TOP VIEW SCALE: SCALE: 1:1 1:1 8 8 Φ20 Φ20 R35 R35 A A 14 14 8 8 Φ20 Φ20 Φ36 Φ36 Φ36 Φ36 100 100 2 HOLES,Ö 14 2 HOLES,Ö 14 A A LEFT HAND SIDE VIEW LEFT HAND SIDE VIEW SECTIONAL FRONT VIEW AA SECTIONAL FRONT VIEW AA SYMBOL OF PROJECTION METHOD, NOT SHOWN SYMBOL OF PROJECTION METHOD, NOT SHOWN X X A A
  • 77.
  • 78.
  • 79.
  • 80.
    Aim Aim: :- -Sketch Sketch- -1 1, , shows shows Isometric IsometricView View of of a a machine machine part part. . Draw Draw its its following following orthographic orthographic views views using using third third angle angle SOLUTION` SOLUTION` g p g p g g g g method method of of projections, projections, giving giving dimensions dimensions. . (1) Sectional F.V. (1) Sectional F.V.- -AA AA (2) T V (2) T V (2) T.V. (2) T.V. (3) L.H.S.V (3) L.H.S.V A A TOP VIEW TOP VIEW R35 R35 A A A A 30 30 A A 8 8 A A TOP VIEW TOP VIEW Ö20 Ö20 Φ20 Φ20 Φ36 Φ36 Ö Ö Ö36 Ö36 0 0 2 HOLES,Ö 14 2 HOLES,Ö 14 65 65 4` 4` 100 100 A A 14 14 A A A A LEFT HAND SIDE VIEW LEFT HAND SIDE VIEW SECTIONAL FRONT VIEW AA SECTIONAL FRONT VIEW AA X X SCALE: SCALE:- - 1:1 1:1 SYMBOL OF PROJECTION METHOD, NOT SHOWN SYMBOL OF PROJECTION METHOD, NOT SHOWN Sketch Sketch- -1 1