472
© 2010 Pearson Education, Inc., Upper Saddle River, NJ. All rights reserved.This material is protected under all copyright laws as they currently
exist. No portion of this material may be reproduced, in any form or by any means, without permission in writing from the publisher.
The moment of inertia of the cross-section about the neutral axis is
From Fig. a,
Applying the shear formula,
Ans.
The shear stress component at A is represented by the volume element shown in
Fig. b.
= 2.559(106
) Pa = 2.56 MPa
tA =
VQA
It
=
20(103
)[0.64(10-3
)]
0.2501(10-3
)(0.02)
QA = y¿A¿ = 0.16 (0.02)(0.2) = 0.64(10-3
) m3
I =
1
12
(0.2)(0.343
) -
1
12
(0.18)(0.33
) = 0.2501(10-3
) m4
•7–1. If the wide-flange beam is subjected to a shear of
determine the shear stress on the web at A.
Indicate the shear-stress components on a volume element
located at this point.
V = 20 kN,
A
B
V
20 mm
20 mm
20 mm
300 mm
200 mm
200 mm
07 Solutions 46060 5/26/10 2:04 PM Page 472
473
© 2010 Pearson Education, Inc., Upper Saddle River, NJ. All rights reserved.This material is protected under all copyright laws as they currently
exist. No portion of this material may be reproduced, in any form or by any means, without permission in writing from the publisher.
The moment of inertia of the cross-section about the neutral axis is
From Fig. a.
The maximum shear stress occurs at the points along neutral axis since Q is
maximum and thicknest t is the smallest.
Ans.= 3.459(106
) Pa = 3.46 MPa
tmax =
VQmax
It
=
20(103
) [0.865(10-3
)]
0.2501(10-3
) (0.02)
Qmax = ©y¿A¿ = 0.16 (0.02)(0.2) + 0.075 (0.15)(0.02) = 0.865(10-3
) m3
I =
1
12
(0.2)(0.343
) -
1
12
(0.18)(0.33
) = 0.2501(10-3
) m4
7–2. If the wide-flange beam is subjected to a shear of
determine the maximum shear stress in the beam.V = 20 kN,
A
B
V
20 mm
20 mm
20 mm
300 mm
200 mm
200 mm
07 Solutions 46060 5/26/10 2:04 PM Page 473
The moment of inertia of the cross-section about the neutral axis is
For , Fig. a, Q as a function of y is
For , .Thus.
The sheer force resisted by the web is,
Ans.= 18.95 (103
) N = 19.0 kN
Vw = 2
L
0.15 m
0
tdA = 2
L
0.15 m
0
C3.459(10
6
) - 39.99(10
6
) y
2
D (0.02 dy)
= E3.459(106
) - 39.99(106
) y2
F Pa.
t =
VQ
It
=
20(103
) C0.865(10-3
) - 0.01y2
D
0.2501(10-3
) (0.02)
t = 0.02 m0 … y 6 0.15 m
= 0.865(10-3
) - 0.01y2
Q = ©y¿A¿ = 0.16 (0.02)(0.2) +
1
2
(y + 0.15)(0.15 - y)(0.02)
0 … y 6 0.15 m
I =
1
12
(0.2)(0.343
) -
1
12
(0.18)(0.33
) = 0.2501(10-3
) m4
7–3. If the wide-flange beam is subjected to a shear of
determine the shear force resisted by the web
of the beam.
V = 20 kN,
474
© 2010 Pearson Education, Inc., Upper Saddle River, NJ. All rights reserved.This material is protected under all copyright laws as they currently
exist. No portion of this material may be reproduced, in any form or by any means, without permission in writing from the publisher.
A
B
V
20 mm
20 mm
20 mm
300 mm
200 mm
200 mm
07 Solutions 46060 5/26/10 2:04 PM Page 474
475
© 2010 Pearson Education, Inc., Upper Saddle River, NJ. All rights reserved.This material is protected under all copyright laws as they currently
exist. No portion of this material may be reproduced, in any form or by any means, without permission in writing from the publisher.
Section Properties:
Shear Stress: Applying the shear formula
Ans.
Ans.
Ans.(tAB)W =
VQAB
I tW
=
12(64.8)
390.60(4)
= 0.498 ksi
(tAB)f =
VQAB
Itf
=
12(64.8)
390.60(12)
= 0.166 ksi
tmax =
VQmax
It
=
12(64.98)
390.60(4)
= 0.499 ksi
t =
VQ
It
QAB = yœ
2 A¿ = 1.8(3)(12) = 64.8 in3
Qmax = yœ
1 A¿ = 2.85(5.7)(4) = 64.98 in3
= 390.60 in4
INA =
1
12
(12)A33
B + 12(3)(3.30 - 1.5)2
+
1
12
(4)A63
B + 4(6)(6 - 3.30)2
y =
©yA
©A
=
1.5(12)(3) + 6(4)(6)
12(3) + 4(6)
= 3.30 in.
*7–4. If the T-beam is subjected to a vertical shear of
determine the maximum shear stress in the
beam. Also, compute the shear-stress jump at the flange-
web junction AB. Sketch the variation of the shear-stress
intensity over the entire cross section.
V = 12 kip,
BB
V ϭ 12 kip
6 in.
3 in.
4 in.
4 in.
4 in.
A
07 Solutions 46060 5/26/10 2:04 PM Page 475
Section Properties:
Shear Stress: Applying the shear formula
Resultant Shear Force: For the flange
Ans.= 3.82 kip
=
L
3.3 in
0.3 in
A0.16728 - 0.01536y2
B(12dy)
Vf =
LA
tdA
= 0.16728 - 0.01536y2
t =
VQ
It
=
12(65.34 - 6y2
)
390.60(12)
Q = y¿A¿ = (1.65 + 0.5y)(3.3 - y)(12) = 65.34 - 6y2
= 390.60 in4
INA =
1
12
(12)A33
B + 12(3)(3.30 - 1.5)2
+
1
12
(4)A63
B + 6(4)(6 - 3.30)2
y =
©yA
©A
=
1.5(12)(3) + 6(4)(6)
12(3) + 4(6)
= 3.30 in.
•7–5. If the T-beam is subjected to a vertical shear of
determine the vertical shear force resisted by
the flange.
V = 12 kip,
476
© 2010 Pearson Education, Inc., Upper Saddle River, NJ. All rights reserved.This material is protected under all copyright laws as they currently
exist. No portion of this material may be reproduced, in any form or by any means, without permission in writing from the publisher.
BB
V ϭ 12 kip
6 in.
3 in.
4 in.
4 in.
4 in.
A
07 Solutions 46060 5/26/10 2:04 PM Page 476
477
© 2010 Pearson Education, Inc., Upper Saddle River, NJ. All rights reserved.This material is protected under all copyright laws as they currently
exist. No portion of this material may be reproduced, in any form or by any means, without permission in writing from the publisher.
Ans.
Ans.tB =
VQB
I t
=
15(103
)(0.59883)(10-3
)
0.218182(10-3
)0.025)
= 1.65 MPa
tA =
VQA
I t
=
15(103
)(0.7219)(10-3
)
0.218182(10-3
)(0.025)
= 1.99 MPa
QB = yAœ
B = (0.1747 - 0.015)(0.125)(0.03) = 0.59883 (10-3
) m3
QA = yAœ
A = (0.310 - 0.015 - 0.1747)(0.2)(0.03) = 0.7219 (10-3
) m3
+
1
12
(0.2)(0.033
) + 0.2(0.03)(0.295 - 0.1747)2
= 0.218182(10-3
) m4
+
1
12
(0.025)(0.253
) + 0.25(0.025)(0.1747 - 0.155)2
I =
1
12
(0.125)(0.033
) + 0.125(0.03)(0.1747 - 0.015)2
y =
(0.015)(0.125)(0.03) + (0.155)(0.025)(0.25) + (0.295)(0.2)(0.03)
0.125(0.03) + (0.025)(0.25) + (0.2)(0.03)
= 0.1747 m
7–6. If the beam is subjected to a shear of
determine the web’s shear stress at A and B. Indicate the
shear-stress components on a volume element located
at these points. Show that the neutral axis is located at
from the bottom and INA = 0.2182110-3
2 m4
.y = 0.1747 m
V = 15 kN,
A
B
V
30 mm
25 mm
30 mm
250 mm
200 mm
125 mm
A
B
V
30 mm
25 mm
30 mm
250 mm
200 mm
200 mm
Section Properties:
Ans.tmax =
VQ
I t
=
30(10)3
(1.0353)(10)-3
268.652(10)-6
(0.025)
= 4.62 MPa
Qmax = © y¿A = 0.0625(0.125)(0.025) + 0.140(0.2)(0.030) = 1.0353(10)-3
m3
I =
1
12
(0.2)(0.310)3
-
1
12
(0.175)(0.250)3
= 268.652(10)-6
m4
7–7. If the wide-flange beam is subjected to a shear of
determine the maximum shear stress in the beam.V = 30 kN,
07 Solutions 46060 5/26/10 2:04 PM Page 477
478
© 2010 Pearson Education, Inc., Upper Saddle River, NJ. All rights reserved.This material is protected under all copyright laws as they currently
exist. No portion of this material may be reproduced, in any form or by any means, without permission in writing from the publisher.
Ans.Vw = 30 - 2(1.457) = 27.1 kN
Vf = 1.457 kN
= 11.1669(10)6
[ 0.024025y -
1
2
y3
]
0.155
0.125
Vf =
L
tf dA = 55.8343(10)6
L
0.155
0.125
(0.024025 - y2
)(0.2 dy)
tf =
30(10)3
(0.1)(0.024025 - y2
)
268.652(10)-6
(0.2)
Q = a
0.155 + y
2
b(0.155 - y)(0.2) = 0.1(0.024025 - y2
)
I =
1
12
(0.2)(0.310)3
-
1
12
(0.175)(0.250)3
= 268.652(10)-6
m4
*7–8. If the wide-flange beam is subjected to a shear of
determine the shear force resisted by the web
of the beam.
V = 30 kN,
A
B
V
30 mm
25 mm
30 mm
250 mm
200 mm
200 mm
Ans.V = 32132 lb = 32.1 kip
8(103
) = -
V(3.3611)
6.75(2)(1)
tmax = tallow =
VQmax
I t
Qmax = ©y¿A¿ = 2 (0.91665)(1.8333)(1) = 3.3611 in3
+ 2 a
1
12
b(1)(23
) + 2(1)(2)(2 - 1.1667)2
= 6.75 in4
I =
1
12
(5)(13
) + 5 (1)(1.1667 - 0.5)2
y =
(0.5)(1)(5) + 2 [(2)(1)(2)]
1 (5) + 2(1)(2)
= 1.1667 in.
•7–9. Determine the largest shear force V that the member
can sustain if the allowable shear stress is tallow = 8 ksi.
V
3 in. 1 in.
1 in.
1 in.
3 in.
07 Solutions 46060 5/26/10 2:04 PM Page 478
479
© 2010 Pearson Education, Inc., Upper Saddle River, NJ. All rights reserved.This material is protected under all copyright laws as they currently
exist. No portion of this material may be reproduced, in any form or by any means, without permission in writing from the publisher.
Ans.tmax =
VQmax
I t
=
18(3.3611)
6.75(2)(1)
= 4.48 ksi
Qmax = ©y¿A¿ = 2(0.91665)(1.8333)(1) = 3.3611 in3
+ 2 a
1
12
b(1)(23
) + 2(1)(2)(2 - 1.1667) = 6.75 in4
I =
1
12
(5)(13
) + 5(1)(1.1667 - 0.5)2
y =
(0.5)(1)(5) + 2 [(2)(1)(2)]
1 (5) + 2(1)(2)
= 1.1667 in.
7–10. If the applied shear force determine the
maximum shear stress in the member.
V = 18 kip,
V
3 in. 1 in.
1 in.
1 in.
3 in.
Ans.V = 100 kN
7(106
) =
V[(0.075)(0.1)(0.05) + 2(0.05)(0.1)(0.05)]
125(10-6
)(0.1)
tallow =
VQmax
It
I =
1
12
(0.2)(0.2)3
-
1
12
(0.1)(0.1)3
= 125(10-6
) m4
7–11. The wood beam has an allowable shear stress of
Determine the maximum shear force V that
can be applied to the cross section.
tallow = 7 MPa.
50 mm
50 mm
200 mm
100 mm
50 mm
V
50 mm
07 Solutions 46060 5/26/10 2:04 PM Page 479
480
© 2010 Pearson Education, Inc., Upper Saddle River, NJ. All rights reserved.This material is protected under all copyright laws as they currently
exist. No portion of this material may be reproduced, in any form or by any means, without permission in writing from the publisher.
Section Properties The moment of inertia of the cross-section about the neutral axis is
Q as the function of y, Fig. a,
Qmax occurs when .Thus,
The maximum shear stress occurs of points along the neutral axis since Q is
maximum and the thickness is constant.
Ans.
Thus, the shear stress distribution as a function of y is
= E5.56 (36 - y2
)F psi
t =
VQ
It
=
12.8(103
)C4(36 - y2
)D
1152 (8)
V = 12800 16 = 12.8 kip
tallow =
VQmax
It
; 200 =
V(144)
1152(8)
t = 8 in.
Qmax = 4(36 - 02
) = 144 in3
y = 0
Q =
1
2
(y + 6)(6 - y)(8) = 4(36 - y2
)
I =
1
12
(8)(123
) = 1152 in4
*7–12. The beam has a rectangular cross section and is
made of wood having an allowable shear stress of
200 psi. Determine the maximum shear force V that can be
developed in the cross section of the beam. Also, plot the
shear-stress variation over the cross section.
tallow =
V
12 in.
8 in.
07 Solutions 46060 5/26/10 2:04 PM Page 480
481
© 2010 Pearson Education, Inc., Upper Saddle River, NJ. All rights reserved.This material is protected under all copyright laws as they currently
exist. No portion of this material may be reproduced, in any form or by any means, without permission in writing from the publisher.
Section Properties:
Maximum Shear Stress: Maximum shear stress occurs at the point where the
neutral axis passes through the section.
Applying the shear formula
Ans.= 4 22 MPa
=
20(103
)(87.84)(10-6
)
5.20704(10-6
)(0.08)
tmax =
VQmax
It
= 87.84A10-6
B m3
= 0.015(0.08)(0.03) + 0.036(0.012)(0.12)
Qmax = ©y¿A¿
= 5.20704 A10-6
B m4
INA =
1
12
(0.12)A0.0843
B -
1
12
(0.04)A0.063
B
7–13. Determine the maximum shear stress in the strut if
it is subjected to a shear force of V = 20 kN.
V
60 mm
12 mm
20 mm
20 mm
80 mm
12 mm
Section Properties:
Allowable shear stress: Maximum shear stress occurs at the point where the neutral
axis passes through the section.
Applying the shear formula
Ans.V = 189 692 N = 190 kN
40A 106
B =
V(87.84)(10-6
)
5.20704(10-6
)(0.08)
tmax = tallow =
VQmax
It
= 87.84A 10-6
B m3
= 0.015(0.08)(0.03) + 0.036(0.012)(0.12)
Qmax = ©y¿A¿
= 5.20704A 10-6
B m4
INA =
1
12
(0.12)A0.0843
B -
1
12
(0.04)A0.063
B
7–14. Determine the maximum shear force V that the
strut can support if the allowable shear stress for the
material is tallow = 40 MPa.
V
60 mm
12 mm
20 mm
20 mm
80 mm
12 mm
07 Solutions 46060 5/26/10 2:04 PM Page 481
482
© 2010 Pearson Education, Inc., Upper Saddle River, NJ. All rights reserved.This material is protected under all copyright laws as they currently
exist. No portion of this material may be reproduced, in any form or by any means, without permission in writing from the publisher.
The maximum shear stress occur when
Ans.The faector =
tmax
tavg
=
4V
3 pc2
V
pc2
=
4
3
tavg =
V
A
=
V
p c2
tmax =
4V
3 pc2
y = 0
t =
VQ
I t
=
V[2
3 (c2
- y2
)
3
2]
(p
4 c4
)(22c2
- y2
)
=
4V
3pc4
[c2
- y2
)
Q =
L
x
y
2y2c2
- y2
dy = -
2
3
(c2
- y2
)
3
2 |
x
y =
2
3
(c2
- y2
)
2
3
dQ = ydA = 2y2c2
- y2
dy
dA = 2xdy = 22c2
- y2
dy
t = 2x = 22c2
- y2
x = 2c2
- y2
; I =
p
4
c4
7–15. Plot the shear-stress distribution over the cross
section of a rod that has a radius c. By what factor is the
maximum shear stress greater than the average shear stress
acting over the cross section?
c
V
y
07 Solutions 46060 5/26/10 2:04 PM Page 482
483
© 2010 Pearson Education, Inc., Upper Saddle River, NJ. All rights reserved.This material is protected under all copyright laws as they currently
exist. No portion of this material may be reproduced, in any form or by any means, without permission in writing from the publisher.
Ans.
No, because the shear stress is not perpendicular to the boundary. See Sec. 7-3.
tmax =
3V
ah
tmax =
24V
a2
h
a
a
4
b a1 -
2
a
a
a
4
b b
y =
2h
a
a
a
4
b =
h
2
At x =
a
4
dt
dx
=
24V
a2
h2
a1 -
4
a
xb = 0
t =
24V(x - 2
a x2
)
a2
h
t =
VQ
It
=
V(4h2
>3a)(x2
)(1 - 2x
a )
((1>36)(a)(h3
))(2x)
t = 2x
Q = a
4h2
3a
b(x2
)a1 -
2x
a
b
Q =
LA¿
y dA = 2c a
1
2
b(x)(y)a
2
3
h -
2
3
yb d
y
x
=
h
a>2
; y =
2h
a
x
I =
1
36
(a)(h)3
*7–16. A member has a cross section in the form of an
equilateral triangle. If it is subjected to a shear force V,
determine the maximum average shear stress in the member
using the shear formula. Should the shear formula actually be
used to predict this value? Explain. V
a
h
07 Solutions 46060 5/26/10 2:04 PM Page 483
484
© 2010 Pearson Education, Inc., Upper Saddle River, NJ. All rights reserved.This material is protected under all copyright laws as they currently
exist. No portion of this material may be reproduced, in any form or by any means, without permission in writing from the publisher.
The moment of inertia of the cross-section about the neutral axis is
From Fig. a,
The maximum shear stress occurs at the points along the neutral axis since Q is
maximum and thickness is the smallest.
Ans.= 37.36(106
) Pa = 37.4 MPa
tmax =
VQmax
It
=
600(103
)[1.09125(10-3
)]
0.175275(10-3
) (0.1)
t = 0.1 m
= 1.09125(10-3
) m3
Qmax = ©y¿A¿ = 0.09(0.03)(0.3) + 0.0375(0.075)(0.1)
I =
1
12
(0.3)(0.213
) -
1
12
(0.2)(0.153
) = 0.175275(10-3
) m4
•7–17. Determine the maximum shear stress in the strut if
it is subjected to a shear force of V = 600 kN.
V
150 mm
30 mm
100 mm
100 mm
100 mm
30 mm
07 Solutions 46060 5/26/10 2:04 PM Page 484
485
© 2010 Pearson Education, Inc., Upper Saddle River, NJ. All rights reserved.This material is protected under all copyright laws as they currently
exist. No portion of this material may be reproduced, in any form or by any means, without permission in writing from the publisher.
The moment of inertia of the cross-section about the neutral axis is
From Fig. a
The maximum shear stress occeurs at the points along the neutral axis since Q is
maximum and thickness is the smallest.
Ans.V = 722.78(103
)N = 723 kN
tallow =
VQmax
It
; 45(106
) =
V C1.09125(10-3
)D
0.175275(10-3
)(0.1)
t = 0.1 m
= 1.09125 (10-3
) m3
Qmax = ©y¿A¿ = 0.09(0.03)(0.3) + 0.0375 (0.075)(0.1)
I =
1
12
(0.3)(0.213
) -
1
12
(0.2)(0.153
) = 0.175275 (10-3
) m4
7–18. Determine the maximum shear force V that the strut
can support if the allowable shear stress for the material is
tallow = 45 MPa.
V
150 mm
30 mm
100 mm
100 mm
100 mm
30 mm
07 Solutions 46060 5/26/10 2:04 PM Page 485
486
© 2010 Pearson Education, Inc., Upper Saddle River, NJ. All rights reserved.This material is protected under all copyright laws as they currently
exist. No portion of this material may be reproduced, in any form or by any means, without permission in writing from the publisher.
The moment of inertia of the cross-section about the neutral axis is
For , Fig. a, Q as a function of y is
For , Fig. b, Q as a function of y is0 … y 6 0.075 m
Q = y¿A¿ =
1
2
(0.105 + y) (0.105 - y)(0.3) = 1.65375(10-3
) - 0.15y2
0.075 m 6 y … 0.105 m
I =
1
12
(0.3)(0.213
) -
1
12
(0.2)(0.153
) = 0.175275(10-3
) m4
7–19. Plot the intensity of the shear stress distributed over
the cross section of the strut if it is subjected to a shear force
of V = 600 kN.
V
150 mm
30 mm
100 mm
100 mm
100 mm
30 mm
Q = ©y¿A¿ = 0.09 (0.03)(0.3) +
1
2
(0.075 + y)(0.075 - y)(0.1) = 1.09125(10-3
) - 0.05 y2
For , .Thus,
At and ,
For , .Thus,
At and ,
The plot shear stress distribution over the cross-section is shown in Fig. c.
t|y=0 = 37.4 MPa ty=0.075 m = 27.7 MPa
y = 0.075 my = 0
t =
VQ
It
=
600(103
) [1.09125(10-3
) - 0.05y2
]
0.175275(10-3
) (0.1)
= (37.3556 - 1711.60 y2
) MPa
t = 0.1 m0 … y 6 0.075 m
t|y=0.015 m = 9.24 MPa ty=0.105 m = 0
y = 0.105 my = 0.075 m
t =
VQ
It
=
600(103
) C1.65375(10-3
) - 0.15y2
D
0.175275(10-3
) (0.3)
= (18.8703 - 1711.60y2
) MPa
t = 0.3 m0.075 m 6 y … 0.105 m
07 Solutions 46060 5/26/10 2:04 PM Page 486
487
© 2010 Pearson Education, Inc., Upper Saddle River, NJ. All rights reserved.This material is protected under all copyright laws as they currently
exist. No portion of this material may be reproduced, in any form or by any means, without permission in writing from the publisher.
The moment of inertia of the ciralor cross-section about the neutral axis (x axis) is
Q for the differential area shown shaded in Fig. a is
However, from the equation of the circle, ,Then
Thus, Q for the area above y is
Here, .Thus
By inspecting this equation, at .Thus
Ans.tmax¿ =
20
2p
=
10
p
= 3.18 ksi
y = 0t = tmax
t =
5
2p
(4 - y2
) ksi
t =
VQ
It
=
30C2
3 (4 - y2
)
3
2
D
4p C2(4 - y2
)
1
2
D
t = 2x = 2(4 - y2
)
1
2
=
2
3
(4 - y2
)
3
2
= -
2
3
(4 - y2
)
3
2
Η
2 in
y
Q =
L
2 in
y
2y (4 - y2
)
1
2 dy
dQ = 2y(4 - y2
)
1
2 dy
x = (4 - y2
)
1
2
dQ = ydA = y(2xdy) = 2xy dy
I =
p
4
r4
=
p
4
(24
) = 4 p in4
*7–20. The steel rod is subjected to a shear of 30 kip.
Determine the maximum shear stress in the rod.
30 kip
2 in.
1 in.
A
07 Solutions 46060 5/26/10 2:04 PM Page 487
The moment of inertia of the circular cross-section about the neutral axis (x axis) is
Q for the differential area shown in Fig. a is
However, from the equation of the circle, ,Then
Thus, Q for the area above y is
Here .Thus,
For point A, .Thus
Ans.
The state of shear stress at point A can be represented by the volume element
shown in Fig. b.
tA =
5
2p
(4 - 12
) = 2.39 ksi
y = 1 in
t =
5
2p
(4 - y2
) ksi
t =
VQ
It
=
30 C2
3 (4 - y2
)
3
2
D
4p C2(4 - y2
)
1
2
D
t = 2x = 2(4 - y2
)
1
2
= -
2
3
(4 - y2
)
3
2
`
2 in.
y
=
2
3
(4 - y2
)
3
2
Q =
L
2 in.
y
2y (4 - y2
)
1
2 dy
dQ = 2y (4 - y2
)
1
2 dy
x = (4 - y2
)
1
2
dQ = ydA = y (2xdy) = 2xy dy
I =
p
4
r4
=
p
4
(24
) = 4p in4
•7–21. The steel rod is subjected to a shear of 30 kip.
Determine the shear stress at point A. Show the result on a
volume element at this point.
488
© 2010 Pearson Education, Inc., Upper Saddle River, NJ. All rights reserved.This material is protected under all copyright laws as they currently
exist. No portion of this material may be reproduced, in any form or by any means, without permission in writing from the publisher.
30 kip
2 in.
1 in.
A
07 Solutions 46060 5/26/10 2:04 PM Page 488
489
© 2010 Pearson Education, Inc., Upper Saddle River, NJ. All rights reserved.This material is protected under all copyright laws as they currently
exist. No portion of this material may be reproduced, in any form or by any means, without permission in writing from the publisher.
y =
(0.01)(0.05)(0.02) + (0.055)(0.07)(0.02)
(0.05)(0.02) + (0.07)(0.02)
= 0.03625 m
7–22. Determine the shear stress at point B on the web of
the cantilevered strut at section a–a.
a
a
2 kN 4 kN
250 mm 250 mm 300 mm
20 mm
50 mm
70 mm
20 mm
B
Ans.= 4.41 MPa
tB =
VQB
I t
=
6(103
)(26.25)(10-6
)
1.78622(10-6
)(0.02)
QB = (0.02)(0.05)(0.02625) = 26.25(10-6
) m3
yœ
B = 0.03625 - 0.01 = 0.02625 m
+
1
12
(0.02)(0.073
) + (0.02)(0.07)(0.055 - 0.03625)2
= 1.78625(10-6
) m4
I =
1
12
(0.05)(0.023
) + (0.05)(0.02)(0.03625 - 0.01)2
Ans.= 4.85 MPa
tmax =
VQmax
It
=
6(103
)(28.8906)(10-6
)
1.78625(10-6
)(0.02)
Qmax = y¿A¿ = (0.026875)(0.05375)(0.02) = 28.8906(10-6
) m3
+
1
12
(0.02)(0.073
) + (0.02)(0.07)(0.055 - 0.03625)2
= 1.78625(10-6
) m4
I =
1
12
(0.05)(0.023
) + (0.05)(0.02)(0.03625 - 0.01)2
y =
(0.01)(0.05)(0.02) + (0.055)(0.07)(0.02)
(0.05)(0.02) + (0.07)(0.02)
= 0.03625 m
7–23. Determine the maximum shear stress acting at
section a–a of the cantilevered strut.
a
a
2 kN 4 kN
250 mm 250 mm 300 mm
20 mm
50 mm
70 mm
20 mm
B
07 Solutions 46060 5/26/10 2:04 PM Page 489
490
© 2010 Pearson Education, Inc., Upper Saddle River, NJ. All rights reserved.This material is protected under all copyright laws as they currently
exist. No portion of this material may be reproduced, in any form or by any means, without permission in writing from the publisher.
*7–24. Determine the maximum shear stress in the T-beam
at the critical section where the internal shear force is
maximum.
3 m 1.5 m1.5 m
10 kN/m
A
150 mm
150 mm 30 mm
30 mm
B
C
The FBD of the beam is shown in Fig. a,
The shear diagram is shown in Fig. b.As indicated,
The neutral axis passes through centroid c of the cross-section, Fig. c.
From Fig. d,
The maximum shear stress occurs at points on the neutral axis since Q is maximum
and thickness is the smallest.
Ans.= 7.33 MPa
= 7.333(106
) Pa
tmax =
VmaxQmax
It
=
27.5(103
)C0.216(10-3
)D
27.0(10-6
)(0.03)
t = 0.03 m
= 0.216 (10-3
) m3
Qmax = y¿A¿ = 0.06(0.12)(0.03)
= 27.0(10-6
) m4
+
1
12
(0.15)(0.033
) + 0.15(0.03)(0.165 - 0.12)2
I =
1
12
(0.03)(0.153
) + 0.03(0.15)(0.12 - 0.075)2
= 0.12 m
y =
©
'
y A
©A
=
0.075(0.15)(0.03) + 0.165(0.03)(0.15)
0.15(0.03) + 0.03(0.15)
Vmax = 27.5 kN
07 Solutions 46060 5/26/10 2:04 PM Page 490
491
© 2010 Pearson Education, Inc., Upper Saddle River, NJ. All rights reserved.This material is protected under all copyright laws as they currently
exist. No portion of this material may be reproduced, in any form or by any means, without permission in writing from the publisher.
using the method of sections,
The neutral axis passes through centroid C of the cross-section,
490
The maximum shear stress occurs at points on the neutral axis since Q is maximum
and thickness t = 0.03 m is the smallest.
Ans.= 3.667(106
) Pa = 3.67 MPa
tmax =
VC Qmax
It
=
13.75(103
) C0.216(10-3
)D
27.0(10-6
) (0.03)
= 0.216 (10-3
) m3
Qmax = y¿A¿ = 0.06 (0.12)(0.03)
= 27.0 (10-6
) m4
+
1
12
(0.15)(0.033
) + 0.15(0.03)(0.165 - 0.12)2
I =
1
12
(0.03)(0.15) + 0.03(0.15)(0.12 - 0.075)2
= 0.12 m
y =
©yA
©A
=
0.075 (0.15)(0.03) + 0.165(0.03)(0.15)
0.15(0.03) + 0.03(0.15)
VC = -13.75 kN
+ c©Fy = 0; VC + 17.5 -
1
2
(5)(1.5) = 0
•7–25. Determine the maximum shear stress in the
T-beam at point C. Show the result on a volume element
at this point.
3 m 1.5 m1.5 m
10 kN/m
A
150 mm
150 mm 30 mm
30 mm
B
C
07 Solutions 46060 5/26/10 2:04 PM Page 491
492
© 2010 Pearson Education, Inc., Upper Saddle River, NJ. All rights reserved.This material is protected under all copyright laws as they currently
exist. No portion of this material may be reproduced, in any form or by any means, without permission in writing from the publisher.
Support Reactions: As shown on FBD.
Internal Shear Force: As shown on shear diagram, .
Section Properties:
Maximum Shear Stress: Maximum shear stress occurs at the point where the
neutral axis passes through the section.
Applying the shear formula
Ans.=
878.57(12.375)
77.625(0.5)
= 280 psi
tmax =
VQmax
It
= 3.375(4)(0.75) + 1.5(3)(0.5) = 12.375 in3
Qmax = ©y¿A¿
INA =
1
12
(4) A7.53
B -
1
12
(3.5) A63
B = 77.625 in4
Vmax = 878.57 lb
7–26. Determine the maximum shear stress acting in the
fiberglass beam at the section where the internal shear
force is maximum.
A
150 lb/ft
D
0.75 in.
0.75 in.4 in.
6 in.
2 ft
6 ft6 ft
0.5 in.
200 lb/ft
4 in.
07 Solutions 46060 5/26/10 2:04 PM Page 492
493
© 2010 Pearson Education, Inc., Upper Saddle River, NJ. All rights reserved.This material is protected under all copyright laws as they currently
exist. No portion of this material may be reproduced, in any form or by any means, without permission in writing from the publisher.
The FBD is shown in Fig. a.
Using the method of sections, Fig. b,
The moment of inertia of the beam’s cross section about the neutral axis is
QC and QD can be computed by refering to Fig. c.
Shear Stress. since points C and D are on the web, .
Ans.
Ans.tD =
VQD
It
=
9.00 (27)
276 (0.75)
= 1.17 ksi
tC =
VQC
It
=
9.00 (33)
276 (0.75)
= 1.43 ksi
t = 0.75 in
QD = yœ
3A¿ = 4.5 (1)(6) = 27 in3
= 33 in3
QC = ©y¿A¿ = 4.5 (1)(6) + 2 (4)(0.75)
I =
1
12
(6)(103
) -
1
12
(5.25)(83
) = 276 in4
V = 9.00 kip.
+ c©Fy = 0; 18 -
1
2
(3)(6) - V = 0
7–27. Determine the shear stress at points C and D
located on the web of the beam.
A
3 kip/ft
D
D
C
C
B
1 in.
1 in.6 in.
4 in.
4 in.
6 ft 6 ft6 ft
0.75 in.
6 in.
07 Solutions 46060 5/26/10 2:04 PM Page 493
494
© 2010 Pearson Education, Inc., Upper Saddle River, NJ. All rights reserved.This material is protected under all copyright laws as they currently
exist. No portion of this material may be reproduced, in any form or by any means, without permission in writing from the publisher.
The FBD is shown in Fig. a.
The shear diagram is shown in Fig. b, .
The moment of inertia of the beam’s cross-section about the neutral axis is
From Fig. c
The maximum shear stress occurs at points on the neutral axis since Q is the
maximum and thickness is the smallest
Ans.tmax =
Vmax Qmax
It
=
18.0 (33)
276 (0.75)
= 2.87 ksi
t = 0.75 in
= 33 in3
Qmax = ©y¿A¿ = 4.5 (1)(6) + 2(4)(0.75)
= 276 in4
I =
1
12
(6)(103
) -
1
12
(5.25)(83
)
Vmax = 18.0 kip
*7–28. Determine the maximum shear stress acting in the
beam at the critical section where the internal shear force
is maximum.
A
3 kip/ft
D
D
C
C
B
1 in.
1 in.6 in.
4 in.
4 in.
6 ft 6 ft6 ft
0.75 in.
6 in.
07 Solutions 46060 5/26/10 2:04 PM Page 494
495
© 2010 Pearson Education, Inc., Upper Saddle River, NJ. All rights reserved.This material is protected under all copyright laws as they currently
exist. No portion of this material may be reproduced, in any form or by any means, without permission in writing from the publisher.
Force Equilibrium: The shaded area indicares the plastic zone. Isolate an element in
the plastic zone and write the equation of equilibrium.
This proves that the longitudinal shear stress. , is equal to zero. Hence the
corresponding transverse stress, , is also equal to zero in the plastic zone.
Therefore, the shear force is carried by the malerial only in the elastic zone.
Section Properties:
Maximum Shear Stress: Applying the shear formula
However, hence
‚ (Q.E.D.)tmax =
3P
2A¿
A¿ = 2by¿
tmax =
VQmax
It
=
VAy¿3
b
2 B
A2
3 by¿3
B(b)
=
3P
4by¿
Qmax = y¿ A¿ =
y¿
2
(y¿)(b) =
y¿2
b
2
INA =
1
12
(b)(2y¿)3
=
2
3
b y¿3
V = P
tmax
tlong
tlong = 0
;©Fx = 0; tlong A2 + sgA1 - sg A1 = 0
7–30. The beam has a rectangular cross section and is
subjected to a load P that is just large enough to develop a
fully plastic moment at the fixed support. If the
material is elastic-plastic, then at a distance the
moment creates a region of plastic yielding with
an associated elastic core having a height This situation
has been described by Eq. 6–30 and the moment M is
distributed over the cross section as shown in Fig. 6–48e.
Prove that the maximum shear stress developed in the beam
is given by where the cross-
sectional area of the elastic core.
A¿ = 2y¿b,tmax = 3
21P>A¿2,
2y¿.
M = Px
x 6 L
Mp = PL
h
b L
P
x
Plastic region
2y¿
Elastic region
07 Solutions 46060 5/26/10 2:04 PM Page 495
496
© 2010 Pearson Education, Inc., Upper Saddle River, NJ. All rights reserved.This material is protected under all copyright laws as they currently
exist. No portion of this material may be reproduced, in any form or by any means, without permission in writing from the publisher.
Force Equilibrium: If a fully plastic moment acts on the cross section, then an
element of the material taken from the top or bottom of the cross section is
subjected to the loading shown. For equilibrium
Thus no shear stress is developed on the longitudinal or transverse plane of the
element. (Q. E. D.)
tlong = 0
; ©Fx = 0; sg A1 + tlong A2 - sg A1 = 0
7–31. The beam in Fig. 6–48f is subjected to a fully plastic
moment Prove that the longitudinal and transverse
shear stresses in the beam are zero.Hint: Consider an element
of the beam as shown in Fig. 7–4c.
Mp.
Section Properties:
Shear Flow: There are two rows of nails. Hence, the allowable shear flow
.
Ans.V = 444 lb
166.67 =
V(12.0)
32.0
q =
VQ
I
q =
2(500)
6
= 166.67 lb>in
Q = y¿A¿ = 1(6)(2) = 12.0 in4
I =
1
12
(6)A43
B = 32.0 in4
*7–32. The beam is constructed from two boards fastened
together at the top and bottom with two rows of nails
spaced every 6 in. If each nail can support a 500-lb shear
force, determine the maximum shear force V that can be
applied to the beam.
V
2 in.
6 in.
6 in.
6 in.
2 in.
h
b L
P
x
Plastic region
2y¿
Elastic region
07 Solutions 46060 5/26/10 2:04 PM Page 496
497
© 2010 Pearson Education, Inc., Upper Saddle River, NJ. All rights reserved.This material is protected under all copyright laws as they currently
exist. No portion of this material may be reproduced, in any form or by any means, without permission in writing from the publisher.
Section Properties:
Shear Flow:
There are two rows of nails. Hence, the shear force resisted by each nail is
Ans.F = a
q
2
bs = a
225 lb>in.
2
b(6 in.) = 675 lb
q =
VQ
I
=
600(12.0)
32.0
= 225 lb>in.
Q = y¿A¿ = 1(6)(2) = 12.0 in4
I =
1
12
(6)A43
B = 32.0 in4
•7–33. The beam is constructed from two boards
fastened together at the top and bottom with two rows of
nails spaced every 6 in. If an internal shear force of
is applied to the boards, determine the shear
force resisted by each nail.
V = 600 lb
V
2 in.
6 in.
6 in.
6 in.
2 in.
7–34. The beam is constructed from two boards fastened
together with three rows of nails spaced If
each nail can support a 450-lb shear force, determine the
maximum shear force V that can be applied to the beam.The
allowable shear stress for the wood is tallow = 300 psi.
s = 2 in. apart.
V
1.5 in.
s
s
6 in.
1.5 in.The moment of inertia of the cross-section about the neutral axis is
Refering to Fig. a,
The maximum shear stress occurs at the points on the neutral axis where Q is
maximum and .
Shear Flow: Since there are three rows of nails,
Ans.V = 1350 lb = 1.35 kip
qallow =
VQA
I
; 675 =
V(6.75)
13.5
qallow = 3a
F
s
b = 3a
450
2
b = 675 lb>in.
V = 3600 lb = 3.60 kips
tallow =
VQmax
It
; 300 =
V(6.75)
13.5(6)
t = 6 in
QA = Qmax = y¿A¿ = 0.75(1.5)(6) = 6.75 in3
I =
1
12
(6)(33
) = 13.5 in4
07 Solutions 46060 5/26/10 2:04 PM Page 497
498
© 2010 Pearson Education, Inc., Upper Saddle River, NJ. All rights reserved.This material is protected under all copyright laws as they currently
exist. No portion of this material may be reproduced, in any form or by any means, without permission in writing from the publisher.
The moment of inertia of the cross-section about the neutral axis is
Refering to Fig. a,
The maximum shear stress occurs at the points on the neutral axis where Q is
maximum and .
Ans.
Since there are three rows of nails,
Ans.s = 2.167 in = 2
1
8
in
qallow =
VQA
I
;
1950
s
=
1800(6.75)
13.5
qallow = 3a
F
s
b = 3¢
650
s
≤ = a
1950
s
b
lb
in.
V = 1800 lb = 1.80 kip
tallow =
VQmax
It
; 150 =
V(6.75)
13.5(6)
t = 6 in
QA = Qmax = y¿A¿ = 0.75(1.5)(6) = 6.75 in3
I =
1
12
(6)(33
) = 13.5 in4
7–35. The beam is constructed from two boards fastened
together with three rows of nails. If the allowable shear
stress for the wood is determine the
maximum shear force V that can be applied to the beam.
Also, find the maximum spacing s of the nails if each nail
can resist 650 lb in shear.
tallow = 150 psi,
V
1.5 in.
s
s
6 in.
1.5 in.
07 Solutions 46060 5/26/10 2:04 PM Page 498
499
© 2010 Pearson Education, Inc., Upper Saddle River, NJ. All rights reserved.This material is protected under all copyright laws as they currently
exist. No portion of this material may be reproduced, in any form or by any means, without permission in writing from the publisher.
Section Properties:
Shear Flow: Since there are two shear planes on the bolt, the allowable shear flow is
.
Ans.s = 5.53 in.
30
s
=
50(10.125)
93.25
q =
VQ
I
q =
2(15)
s
=
30
s
Q = ©y¿A¿ = 2.5(3)(0.5) + 4.25(3)(0.5) = 10.125 in3
= 93.25 in4
-
1
12
(0.5)A23
B +
1
12
(1)A63
B
INA =
1
12
(3)A93
B -
1
12
(2.5)A83
B
*7–36. The beam is fabricated from two equivalent
structural tees and two plates. Each plate has a height of
6 in. and a thickness of 0.5 in. If a shear of is
applied to the cross section, determine the maximum spacing
of the bolts. Each bolt can resist a shear force of 15 kip.
V = 50 kip
3 in.
3 in.
A
V
0.5 in.
1 in.
0.5 in.
6 in.
ss
NN
Section Properties:
Shear Flow: Since there are two shear planes on the bolt, the allowable shear flow is
.
Ans.y = 34.5 kip
3.75 =
V(10.125)
93.25
q =
VQ
I
q =
2(15)
8
= 3.75 kip>in
Q = ©y¿A¿ = 2.5(3)(0.5) + 4.25(3)(0.5) = 10.125 in3
= 93.25 in4
-
1
12
(0.5)A23
B +
1
12
(1)A63
B
INA =
1
12
(3)A93
B -
1
12
(2.5)A83
B
•7–37. The beam is fabricated from two equivalent
structural tees and two plates. Each plate has a height of
6 in. and a thickness of 0.5 in. If the bolts are spaced at
determine the maximum shear force V that can
be applied to the cross section. Each bolt can resist a
shear force of 15 kip.
s = 8 in.,
3 in.
3 in.
A
V
0.5 in.
1 in.
0.5 in.
6 in.
ss
NN
07 Solutions 46060 5/26/10 2:04 PM Page 499
500
© 2010 Pearson Education, Inc., Upper Saddle River, NJ. All rights reserved.This material is protected under all copyright laws as they currently
exist. No portion of this material may be reproduced, in any form or by any means, without permission in writing from the publisher.
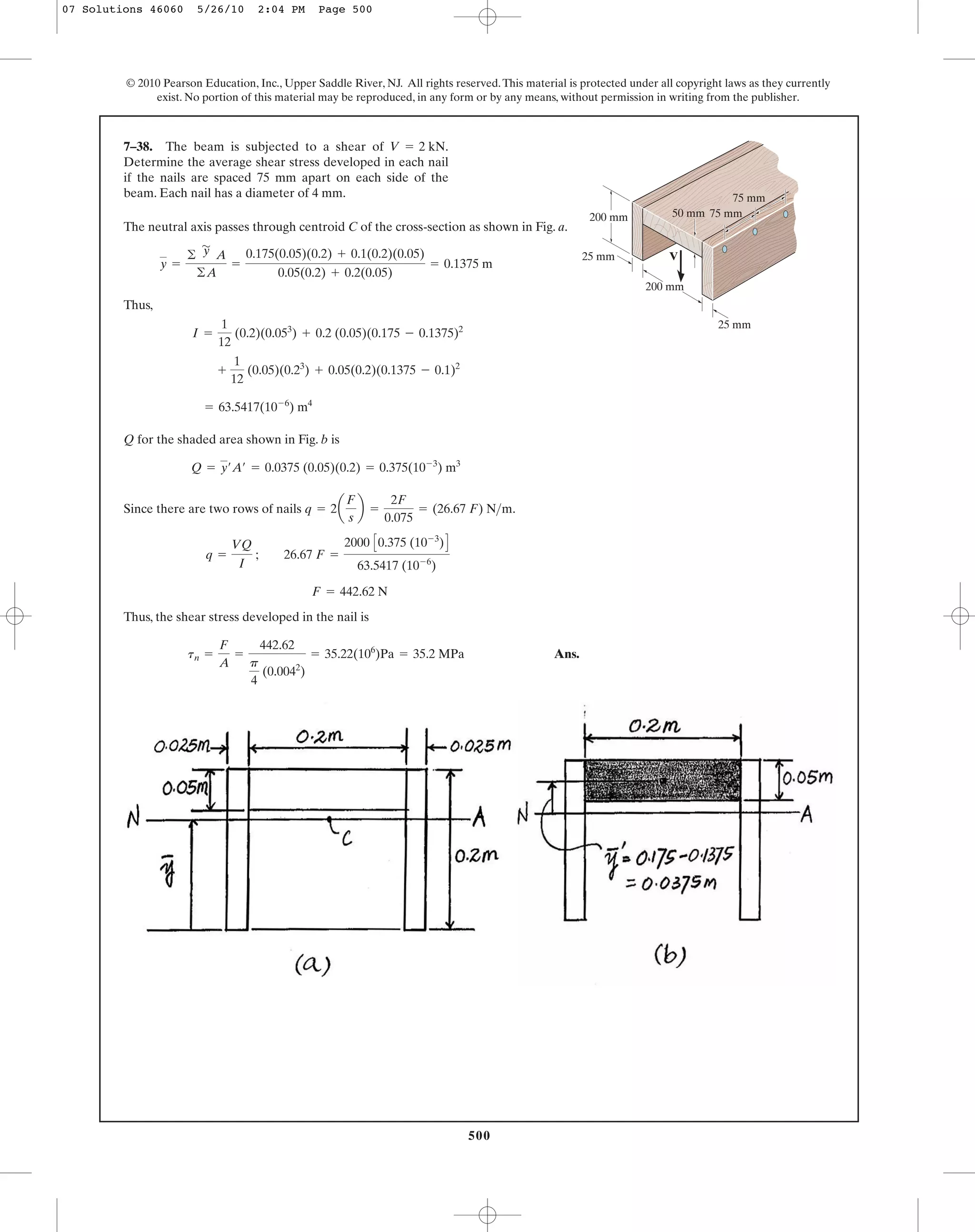
The neutral axis passes through centroid C of the cross-section as shown in Fig. a.
Thus,
Q for the shaded area shown in Fig. b is
Since there are two rows of nails .
Thus, the shear stress developed in the nail is
Ans.tn =
F
A
=
442.62
p
4
(0.0042
)
= 35.22(106
)Pa = 35.2 MPa
F = 442.62 N
q =
VQ
I
; 26.67 F =
2000 C0.375 (10-3
)D
63.5417 (10-6
)
q = 2a
F
s
b =
2F
0.075
= (26.67 F) N>m
Q = y¿A¿ = 0.0375 (0.05)(0.2) = 0.375(10-3
) m3
= 63.5417(10-6
) m4
+
1
12
(0.05)(0.23
) + 0.05(0.2)(0.1375 - 0.1)2
I =
1
12
(0.2)(0.053
) + 0.2 (0.05)(0.175 - 0.1375)2
y =
©
'
y A
©A
=
0.175(0.05)(0.2) + 0.1(0.2)(0.05)
0.05(0.2) + 0.2(0.05)
= 0.1375 m
7–38. The beam is subjected to a shear of
Determine the average shear stress developed in each nail
if the nails are spaced 75 mm apart on each side of the
beam. Each nail has a diameter of 4 mm.
V = 2 kN.
75 mm
75 mm
50 mm
25 mm
200 mm
200 mm
25 mm V
07 Solutions 46060 5/26/10 2:04 PM Page 500
501
© 2010 Pearson Education, Inc., Upper Saddle River, NJ. All rights reserved.This material is protected under all copyright laws as they currently
exist. No portion of this material may be reproduced, in any form or by any means, without permission in writing from the publisher.
Ans.F = q(s) = 49.997 (0.25) = 12.5 kN
q =
VQ
I
=
35 (0.386)(10-3
)
0.270236 (10-3
)
= 49.997 kN>m
Q = y¿A¿ = 0.06176(0.025)(0.25) = 0.386(10-3
) m3
= 0.270236 (10-3
) m4
+
1
12
(0.025)(0.35)3
+ (0.025)(0.35)(0.275 - 0.18676)2
I = (2)a
1
12
b(0.025)(0.253
) + 2 (0.025)(0.25)(0.18676 - 0.125)2
y =
2 (0.125)(0.25)(0.025) + 0.275 (0.35)(0.025)
2 (0.25)(0.025) + 0.35 (0.025)
= 0.18676 m
7–39. A beam is constructed from three boards bolted
together as shown. Determine the shear force developed
in each bolt if the bolts are spaced apart and the
applied shear is V = 35 kN.
s = 250 mm
s = 250 mm
250 mm100 mm
25 mm
25 mm
25 mm
350 mm
V
Support Reactions: As shown on FBD.
Internal Shear Force: As shown on shear diagram, .
Section Properties:
Shear Flow: Since there are two shear planes on the bolt, the allowable shear flow is
.
Ans.s = 13.8 in.
1200
s
=
1500(168)
2902
q =
VQ
I
q =
2(600)
s
=
1200
s
Q = y¿A¿ = 7(4)(6) = 168 in3
INA =
1
12
(7)A183
B -
1
12
(6)A103
B = 2902 in4
Vmax = 1500 lb
*7–40. The double-web girder is constructed from two
plywood sheets that are secured to wood members at its top
and bottom. If each fastener can support 600 lb in single
shear, determine the required spacing s of the fasteners
needed to support the loading Assume A is
pinned and B is a roller.
P = 3000 lb.
P
B
s
A
2 in.
2 in.
10 in.
6 in.
0.5 in. 0.5 in.
2 in.
2 in.
4 ft 4 ft
07 Solutions 46060 5/26/10 2:04 PM Page 501
502
© 2010 Pearson Education, Inc., Upper Saddle River, NJ. All rights reserved.This material is protected under all copyright laws as they currently
exist. No portion of this material may be reproduced, in any form or by any means, without permission in writing from the publisher.
Support Reactions: As shown on FBD.
Internal Shear Force and Moment: As shown on shear and moment diagram,
and .
Section Properties:
Shear Flow: Assume bolt failure. Since there are two shear planes on the bolt, the
allowable shear flow is .
kip (Controls !) Ans.
Shear Stress: Assume failure due to shear stress.
Bending Stress: Assume failure due to bending stress.
P = 107 ksi
8(103
) =
2.00P(12)(9)
2902
smax = sallow =
Mc
I
P = 22270 lb = 83.5 kip
3000 =
0.500P(208.5)
2902(1)
tmax = tallow =
VQmax
It
P = 6910 lb = 6.91
200 =
0.500P(168)
2902
q =
VQ
I
q =
2(600)
6
= 200 lb>in
Qmax = ©y¿A¿ = 7(4)(6) + 4.5(9)(1) = 208.5 in3
Q = yœ
2A¿ = 7(4)(6) = 168 in3
INA =
1
12
(7)A183
B -
1
12
(6)A103
B = 2902 in4
Mmax = 2.00PVmax = 0.500P
•7–41. The double-web girder is constructed from two
plywood sheets that are secured to wood members at its top
and bottom. The allowable bending stress for the wood is
and the allowable shear stress is
If the fasteners are spaced and each fastener can
support 600 lb in single shear, determine the maximum load
P that can be applied to the beam.
s = 6 in.
tallow = 3 ksi.sallow = 8 ksi
P
B
s
A
2 in.
2 in.
10 in.
6 in.
0.5 in. 0.5 in.
2 in.
2 in.
4 ft 4 ft
07 Solutions 46060 5/26/10 2:04 PM Page 502
503
© 2010 Pearson Education, Inc., Upper Saddle River, NJ. All rights reserved.This material is protected under all copyright laws as they currently
exist. No portion of this material may be reproduced, in any form or by any means, without permission in writing from the publisher.
The neutral axis passes through the centroid c of the cross-section as shown in Fig. a.
Refering to Fig. a, Qmax and QA are
The maximum shear stress occurs at the points on the neutral axis where Q is
maximum and .
Ans.
Here, .Then
Ans.s = 1.134 in = 1
1
8
in
qallow =
VQA
I
;
950
s
=
8815.51(84)
884
qallow =
F
s
=
950
s
lb>in
V = 8815.51 lb = 8.82 kip
tallow =
VQmax
It
; 450 =
V (90.25)
884 (2)
t = 2 in
QA = y2
œ
A2
œ
= 3.5 (2)(12) = 84 in3
Qmax = y1
œ
A1
œ
= 4.75(9.5)(2) = 90.25 in3
= 884 in4
+
1
12
(12)(23
) + 12(2)(13 - 9.5)2
I =
1
12
(2)(123
) + 2(12)(9.5 - 6)2
y =
©
'
y A
©A
=
13(2)(12) + 6(12)(2)
2(12) + 12(2)
= 9.5 in.
7–42. The T-beam is nailed together as shown. If the nails
can each support a shear force of 950 lb, determine the
maximum shear force V that the beam can support and the
corresponding maximum nail spacing s to the nearest in.
The allowable shear stress for the wood is .tallow = 450 psi
1
8
12 in.
12 in.2 in.
2 in.
V
s
s
07 Solutions 46060 5/26/10 2:04 PM Page 503
504
© 2010 Pearson Education, Inc., Upper Saddle River, NJ. All rights reserved.This material is protected under all copyright laws as they currently
exist. No portion of this material may be reproduced, in any form or by any means, without permission in writing from the publisher.
7–43. Determine the average shear stress developed in the
nails within region AB of the beam.The nails are located on
each side of the beam and are spaced 100 mm apart. Each
nail has a diameter of 4 mm.Take P = 2 kN.
The FBD is shown in Fig. a.
As indicated in Fig. b, the internal shear force on the cross-section within region AB
is constant that is .
The neutral axis passes through centroid C of the cross section as shown in Fig. c.
Q for the shaded area shown in Fig. d is
Since there are two rows of nail, .
Thus, the average shear stress developed in each nail is
Ans.AtnailBavg =
F
Anail
=
1500
p
4
(0.0042
)
= 119.37(106
)Pa = 119 MPa
F = 1500 N
q =
VAB Q
I
; 20F =
5(103
)C0.32(10-3
)D
53.333(10-6
)
q = 2 a
F
s
b = 2 a
F
0.1
b = 20F N>m
Q = y¿A¿ = 0.04(0.04)(0.2) = 0.32(10-3
) m3
= 53.333(10-6
) m4
+
1
12
(0.2)(0.043
) + 0.2(0.04)(0.18 - 0.14)2
I =
1
12
(0.04)(0.23
) + 0.04(0.2)(0.14 - 0.1)2
= 0.14 m
y =
©
'
y A
©A
=
0.18(0.04)(0.2) + 0.1(0.2)(0.04)
0.04(0.2) + 0.2(0.04)
VAB = 5 kN
P
1.5 m 1.5 m
B CA
40 mm
20 mm
20 mm
100 mm
200 mm
200 mm
2 kN/m
07 Solutions 46060 5/26/10 2:04 PM Page 504
505
© 2010 Pearson Education, Inc., Upper Saddle River, NJ. All rights reserved.This material is protected under all copyright laws as they currently
exist. No portion of this material may be reproduced, in any form or by any means, without permission in writing from the publisher.
The FBD is shown in Fig. a.
As indicated the shear diagram, Fig. b, the maximum shear occurs in region AB of
Constant value, .
The neutral axis passes through Centroid C of the cross-section as shown in Fig. c.
Refering to Fig. d,
The maximum shear stress occurs at the points on Neutral axis where Q is maximum
and .
Since there are two rows of nails .
Ans.P = 3.67 kN (Controls!)
qallow =
Vmax QA
I
; 40 000 =
(P + 3)(103
)C0.32(10-3
)D
53.333(10-6
)
qallow = 2 a
F
s
b = 2 c
2(103
)
0.1
d = 40 000 N>m
P = 13.33 kN
tallow =
Vmax Qmax
It
; 3(106
) =
(P + 3)(103
)C0.392(10-3
)D
53.333(10-6
)(0.04)
t = 0.04 m
QA = y2
œ
A2
œ
= 0.04(0.04)(0.2) = 0.32(10-3
) m3
Qmax = y1
œ
A1
œ
= 0.07(0.14)(0.04) = 0.392(10-3
) m3
= 53.333(10-6
) m4
+
1
12
(0.2)(0.043
) + 0.2(0.04)(0.18 - 0.142
)
I =
1
12
(0.04)(0.23
) + 0.04(0.2)(0.14 - 0.1)2
= 0.14 m
y =
©
'
y A
©A
=
0.18(0.04)(0.2) + 0.1(0.2)(0.04)
0.04(0.2) + 0.2(0.04)
Vmax = (P + 3) kN
*7–44. The nails are on both sides of the beam and each
can resist a shear of 2 kN. In addition to the distributed
loading, determine the maximum load P that can be applied
to the end of the beam. The nails are spaced 100 mm apart
and the allowable shear stress for the wood is .tallow = 3 MPa
P
1.5 m 1.5 m
B CA
40 mm
20 mm
20 mm
100 mm
200 mm
200 mm
2 kN/m
07 Solutions 46060 5/26/10 2:04 PM Page 505
506
© 2010 Pearson Education, Inc., Upper Saddle River, NJ. All rights reserved.This material is protected under all copyright laws as they currently
exist. No portion of this material may be reproduced, in any form or by any means, without permission in writing from the publisher.
7–44. Continued
07 Solutions 46060 5/26/10 2:04 PM Page 506
507
© 2010 Pearson Education, Inc., Upper Saddle River, NJ. All rights reserved.This material is protected under all copyright laws as they currently
exist. No portion of this material may be reproduced, in any form or by any means, without permission in writing from the publisher.
Support Reactions: As shown on FBD.
Internal Shear Force: As shown on shear diagram, .
Section Properties:
Shear Flow: There are two rows of nails. Hence the allowable shear flow is
.
Ans.P = 6.60 kN
60.0A103
B =
(P + 3)(103
)0.450(10-3
)
72.0(10-6
)
q =
VQ
I
q =
3(2)
0.1
= 60.0 kN>m
Q = y¿A¿ = 0.06(0.25)(0.03) = 0.450A10-3
B m3
= 72.0A10-6
B m4
INA =
1
12
(0.31)A0.153
B -
1
12
(0.25)A0.093
B
VAB = (P + 3) kN
•7–45. The beam is constructed from four boards which
are nailed together. If the nails are on both sides of the beam
and each can resist a shear of 3 kN, determine the maximum
load P that can be applied to the end of the beam.
P
2 m 2 m
3 kN
B CA
30 mm
30 mm
30 mm
100 mm
250 mm30 mm
150 mm
07 Solutions 46060 5/26/10 2:04 PM Page 507
508
© 2010 Pearson Education, Inc., Upper Saddle River, NJ. All rights reserved.This material is protected under all copyright laws as they currently
exist. No portion of this material may be reproduced, in any form or by any means, without permission in writing from the publisher.
Section Properties:
Shear Flow: The allowable shear flow at points C and D is and
, respectively.
Ans.
Ans.s¿ = 1.21 in.
100
s¿
=
700(39.6774)
337.43
qD =
VQD
I
s = 8.66 in.
100
s
=
700(5.5645)
337.43
qC =
VQC
I
qB =
100
s¿
qC =
100
s
QD = y2¿A¿ = (3.3548 - 0.5)(10)(1) + 2 C(3.3548 - 1.5)(3)(1)D = 39.6774 in3
QC = y1¿A¿ = 1.8548(3)(1) = 5.5645 in3
= 337.43 in4
+
1
12
(2)A33
B + 2(3)(3.3548 - 1.5)2
INA =
1
12
(10)A13
B + 10(1)(3.3548 - 0.5)2
= 3.3548 in
y =
©yA
©A
=
0.5(10)(1) + 1.5(2)(3) + 6(1.5)(10)
10(1) + 2(3) + 1.5(10)
7–47. The beam is made from four boards nailed together
as shown. If the nails can each support a shear force of
100 lb., determine their required spacing sЈ and s if the beam
is subjected to a shear of .V = 700 lb
1.5 in.
10 in.
2 in.
B
V
1 in.
10 in.
1 in.
A
1 in.
C
s
s
D
s¿
s¿
07 Solutions 46060 5/26/10 2:04 PM Page 508
509
© 2010 Pearson Education, Inc., Upper Saddle River, NJ. All rights reserved.This material is protected under all copyright laws as they currently
exist. No portion of this material may be reproduced, in any form or by any means, without permission in writing from the publisher.
Ans.
V = 485 lb
qA s = 0.0516V(2) = 50
qA =
1
2
a
VQA
I
b =
V(20.4)
2(197.7)
= 0.0516 V
QA = y2
œ
A¿ = 3.4(6)(1) = 20.4 in3
V = 317 lb (controls)
qB s = 0.0789V(2) = 50
qB =
1
2
a
VQB
I
b =
V(31.2)
2(197.7)
= 0.0789 V
QB = y1
œ
A¿ = 2.6(12)(1) = 31.2 in3
+
1
12
(6)(13
) + 6(1)(6.5 - 3.1)2
= 197.7 in4
+ 2a
1
12
b(1)(63
) + 2(1)(6)(4 - 3.1)2
I =
1
12
(12)(13
) + 12(1)(3.1 - 0.5)2
y =
©yA
©A
=
0.5 (12)(1) + 2 (4)(6)(1) + (6.5)(6)(1)
12(1) + 2(6)(1) + (6)(1)
= 3.1 in.
*7–48. The box beam is constructed from four boards that
are fastened together using nails spaced along the beam
every 2 in. If each nail can resist a shear of 50 lb, determine
the greatest shear V that can be applied to the beam without
causing failure of the nails.
6 in.
1 in.
1 in.
1 in.
5 in.
V
12 in.
2 in.
07 Solutions 46060 5/26/10 2:04 PM Page 509
510510
© 2010 Pearson Education, Inc., Upper Saddle River, NJ. All rights reserved.This material is protected under all copyright laws as they currently
exist. No portion of this material may be reproduced, in any form or by any means, without permission in writing from the publisher.
The moment of inertia of the cross-section about the neutral axis is
Refering to Fig. a Fig. b,
Due to symmety, the shear flow at points A and , Fig. a, and at points B and ,
Fig. b, are the same.Thus
Ans.
Ans.= 462.46(103
) N>m = 462 kN>m
qB =
1
2
a
VQB
I
b =
1
2
c
300(103
) C0.751(10-3
)D
0.24359(10-3
)
s
= 228.15(103
) N>m = 228 kN>m
qA =
1
2
a
VQA
I
b =
1
2
c
300(103
) C0.3705(10-3
)D
0.24359(10-3
)
s
B¿A¿
QB = 2yœ
zA2
œ
+ y3
œ
A3
œ
= 2[0.1(0.2)(0.01)] + 0.195(0.01)(0.18) = 0.751(10-3
) m3
QA = y1
œ
A1
œ
= 0.195 (0.01)(0.19) = 0.3705 (10-3
) m3
I =
1
12
(0.2)(0.43
) -
1
12
(0.18)(0.383
) = 0.24359(10-3
) m4
7–50. A shear force of is applied to the box
girder. Determine the shear flow at points A and B.
V = 300 kN
100 mm
90 mm90 mm
200 mm
200 mm
180 mm
190 mm
10 mm
10 mm
V
A D
C
B
07 Solutions 46060 5/26/10 2:04 PM Page 510
© 2010 Pearson Education, Inc., Upper Saddle River, NJ. All rights reserved.This material is protected under all copyright laws as they currently
exist. No portion of this material may be reproduced, in any form or by any means, without permission in writing from the publisher.
The moment of inertia of the cross-section about the neutral axis is
Refering to Fig. a, due to symmetry .Thus
Then refering to Fig. b,
Thus,
Ans.
Ans.= 601.33(103
) N>m = 601 kN>m
qD =
VQD
I
=
450(103
) C0.3255(10-3
)D
0.24359(10-3
)
qC =
VQC
I
= 0
= 0.3255(10-3
) m3
QD = y1
œ
A1
œ
+ y2
œ
A2
œ
= 0.195 (0.01)(0.09) + 0.15(0.1)(0.01)
QC = 0
AC
œ
= 0
I =
1
12
(0.2)(0.43
) -
1
12
(0.18)(0.383
) = 0.24359(10-3
) m4
7–51. A shear force of is applied to the box
girder. Determine the shear flow at points C and D.
V = 450 kN
100 mm
90 mm90 mm
200 mm
200 mm
180 mm
190 mm
10 mm
10 mm
V
A D
C
B
07 Solutions 46060 5/26/10 2:04 PM Page 511
512
© 2010 Pearson Education, Inc., Upper Saddle River, NJ. All rights reserved.This material is protected under all copyright laws as they currently
exist. No portion of this material may be reproduced, in any form or by any means, without permission in writing from the publisher.
Section Properties:
Shear Flow:
Ans.
Ans.= 9437 N>m = 9.44 kN>m
=
1
2
c
18(103
)(0.13125)(10-3
)
125.17(10-6
)
d
qB =
1
2
c
VQB
I
d
= 13033 N>m = 13.0 kN>m
=
1
2
c
18(103
)(0.18125)(10-3
)
125.17(10-6
)
d
qA =
1
2
c
VQA
I
d
QB = y1
œ
A¿ = 0.105(0.125)(0.01) = 0.13125A10-3
B m3
QA = y2
œ
A¿ = 0.145(0.125)(0.01) = 0.18125A10-3
B m3
= 125.17A10-6
B m4
+ 2c
1
12
(0.125)A0.013
B + 0.125(0.01)A0.1052
B d
INA =
1
12
(0.145)A0.33
B -
1
12
(0.125)A0.283
B
*7–52. A shear force of is applied to the
symmetric box girder. Determine the shear flow at A and B.
V = 18 kN
C
A
150 mm
10 mm
10 mm
100 mm
100 mm
10 mm
10 mm
125 mm
150 mm
10 mm
30 mm
B
V10 mm
07 Solutions 46060 5/26/10 2:04 PM Page 512
513
© 2010 Pearson Education, Inc., Upper Saddle River, NJ. All rights reserved.This material is protected under all copyright laws as they currently
exist. No portion of this material may be reproduced, in any form or by any means, without permission in writing from the publisher.
Section Properties:
Shear Flow:
Ans.= 38648 N>m = 38.6 kN>m
=
1
2
c
18(103
)(0.5375)(10-3
)
125.17(10-4
)
d
qC =
1
2
c
VQC
I
d
= 0.5375A10-3
B m3
= 0.145(0.125)(0.01) + 0.105(0.125)(0.01) + 0.075(0.15)(0.02)
QC = ©y¿A¿
= 125.17A10-6
B m4
+2c
1
12
(0.125)A0.013
B + 0.125(0.01)A0.1052
B d
INA =
1
12
(0.145)A0.33
B -
1
12
(0.125)A0.283
B
•7–53. A shear force of is applied to the box
girder. Determine the shear flow at C.
V = 18 kN
C
A
150 mm
10 mm
10 mm
100 mm
100 mm
10 mm
10 mm
125 mm
150 mm
10 mm
30 mm
B
V10 mm
07 Solutions 46060 5/26/10 2:04 PM Page 513
514
© 2010 Pearson Education, Inc., Upper Saddle River, NJ. All rights reserved.This material is protected under all copyright laws as they currently
exist. No portion of this material may be reproduced, in any form or by any means, without permission in writing from the publisher.
Ans.
Ans.qB =
VQB
I
=
150(8.1818)(10-6
)
0.98197(10-6
)
= 1.25 kN>m
qA =
VQA
I
=
150(9.0909)(10-6
)
0.98197(10-6
)
= 1.39 kN>m
QB = yB¿A¿ = 0.027272(0.03)(0.01) = 8.1818(10-6
) m3
QA = yA¿A¿ = 0.022727(0.04)(0.01) = 9.0909(10-6
) m3
yA¿ = 0.027727 - 0.005 = 0.022727 m
yB¿ = 0.055 - 0.027727 = 0.027272 m
+
1
12
(0.04)(0.01)3
+ 0.04(0.01)(0.055 - 0.027727)2
= 0.98197(10-6
) m4
+ 2c
1
12
(0.01)(0.06)3
+ 0.01(0.06)(0.03 - 0.027727)2
d
I = 2c
1
12
(0.03)(0.01)3
+ 0.03(0.01)(0.027727 - 0.005)2
d
y =
2[0.005(0.03)(0.01)] + 2[0.03(0.06)(0.01)] + 0.055(0.04)(0.01)
2(0.03)(0.01) + 2(0.06)(0.01) + 0.04(0.01)
= 0.027727 m
7–54. The aluminum strut is 10 mm thick and has the cross
section shown. If it is subjected to a shear of, ,
determine the shear flow at points A and B.
V = 150 N
30 mm
40 mm
30 mm
V
A
B40 mm
10 mm
10 mm
10 mm10 mm
= 0.98197(10-6
) m4
+
1
12
(0.04)(0.01)3
+ 0.04(0.01)(0.055 - 0.027727)2
+ 2c
1
12
(0.01)(0.06)3
+ 0.01(0.06)(0.03 - 0.027727)2
d
I = 2c
1
12
(0.03)(0.01)3
+ 0.03(0.01)(0.027727 - 0.005)2
d
= 0.027727 m
y =
2[0.005(0.03)(0.01)] + 2[0.03(0.06)(0.01)] + 0.055(0.04)(0.01)
2(0.03)(0.01) + 2(0.06)(0.01) + 0.04(0.01)
7–55. The aluminum strut is 10 mm thick and has the cross
section shown. If it is subjected to a shear of ,
determine the maximum shear flow in the strut.
V = 150 N
30 mm
40 mm
30 mm
V
A
B40 mm
10 mm
10 mm
10 mm10 mm
Qmax = (0.055 - 0.027727)(0.04)(0.01) + 2[(0.06 - 0.027727)(0.01)]a
0.06 - 0.0277
2
b
Ans.qmax =
1
2
a
VQmax
I
b =
1
2
a
150(21.3(10-6
))
0.98197(10-6
)
b = 1.63 kN>m
= 21.3(10-6
) m3
07 Solutions 46060 5/26/10 2:04 PM Page 514
515
© 2010 Pearson Education, Inc., Upper Saddle River, NJ. All rights reserved.This material is protected under all copyright laws as they currently
exist. No portion of this material may be reproduced, in any form or by any means, without permission in writing from the publisher.
y =
©yA
©A
=
0.25(11)(0.5) + 2[4.5(8)(0.5)] + 6.25(10)(0.5)
11(0.5) + 2(8)(0.5) + 10(0.5)
= 3.70946 in.
*7–56. The beam is subjected to a shear force of
. Determine the shear flow at points A and B.V = 5 kip
A
V
0.5 in.
0.5 in.
5 in.
5 in.
0.5 in.
2 in. 0.5 in.
8 in.
B
A
C
D
I =
1
12
(11)(0.53
) + 11(0.5)(3.70946 - 0.25)2
+ 2c
1
12
(0.5)(83
) + 0.5(8)(4.5 - 3.70946)2
d
Ans.
Ans.qB =
1
2
a
VQB
I
b =
1
2
a
5(103
)(12.7027)
145.98
b = 218 lb>in.
qA =
1
2
a
VQA
I
b =
1
2
a
5(103
)(19.02703)
145.98
b = 326 lb>in.
QB = yB
œ
A¿ = 2.54054(10)(0.5) = 12.7027 in3
QA = yA
œ
A¿ = 3.45946(11)(0.5) = 19.02703 in3
yB
œ
= 6.25 - 3.70946 = 2.54054 in.
yA
œ
= 3.70946 - 0.25 = 3.45946 in.
= 145.98 in4
+
1
12
(10)(0.53
) + 10(0.5)(6.25 - 3.70946)2
Ans.= 414 lb>in.
qmax =
1
2
a
VQmax
I
b =
1
2
a
5(103
)(24.177)
145.98
b
= 24.177 in3
Qmax = 3.4594 (11)(0.5) + 2[(1.6047)(0.5)(3.7094 - 0.5)]
= 145.98 in4
+
1
12
(10)(0.53
) + 10(0.5)(2.54052
)
I =
1
12
(11)(0.53
) + 11(0.5)(3.45952
) + 2c
1
12
(0.5)(83
) + 0.5(8)(0.79052
)d
y =
©yA
©A
=
0.25(11)(0.5) + 2[4.5(8)(0.5)] + 6.25(10)(0.5)
11(0.5) + 2(8)(0.5) + 10(0.5)
= 3.70946 in.
•7–57. The beam is constructed from four plates and is
subjected to a shear force of . Determine the
maximum shear flow in the cross section.
V = 5 kip
A
V
0.5 in.
0.5 in.
5 in.
5 in.
0.5 in.
2 in. 0.5 in.
8 in.
B
A
C
D
07 Solutions 46060 5/26/10 2:04 PM Page 515
516
© 2010 Pearson Education, Inc., Upper Saddle River, NJ. All rights reserved.This material is protected under all copyright laws as they currently
exist. No portion of this material may be reproduced, in any form or by any means, without permission in writing from the publisher.
Ans.qA =
75(103
)(0.3450)(10-3
)
0.12025(10-3
)
= 215 kN>m
q =
VQ
I
QA = yA
œ
A¿ = 0.0575(0.2)(0.03) = 0.3450(10-3
) m3
+ 2c
1
12
(0.03)(0.23
) + 0.03(0.2)(0.13 - 0.0725)2
d = 0.12025(10-3
) m4
I =
1
12
(0.4)(0.033
) + 0.4(0.03)(0.0725 - 0.015)2
y =
©yA
©A
=
0.015(0.4)(0.03) + 2[0.13(0.2)(0.03)]
0.4(0.03) + 2(0.2)(0.03)
= 0.0725 m
7–58. The channel is subjected to a shear of .
Determine the shear flow developed at point A.
V = 75 kN
200 mm
30 mm
30 mm
V ϭ 75 kN
30 mm
400 mm
A
Ans.qmax =
75(103
)(0.37209)(10-3
)
0.12025(10-3
)
= 232 kN>m
Qmax = y¿A¿ = 0.07875(0.1575)(0.03) = 0.37209(10-3
) m3
= 0.12025(10-3
) m4
+ 2c
1
12
(0.03)(0.23
) + 0.03(0.2)(0.13 - 0.0725)2
d
I =
1
12
(0.4)(0.033
) + 0.4(0.03)(0.0725 - 0.015)2
= 0.0725 m
y =
©yA
©A
=
0.015(0.4)(0.03) + 2[0.13(0.2)(0.03)]
0.4(0.03) + 2(0.2)(0.03)
7–59. The channel is subjected to a shear of .
Determine the maximum shear flow in the channel.
V = 75 kN
200 mm
30 mm
30 mm
V ϭ 75 kN
30 mm
400 mm
A
07 Solutions 46060 5/26/10 2:04 PM Page 516
517
© 2010 Pearson Education, Inc., Upper Saddle River, NJ. All rights reserved.This material is protected under all copyright laws as they currently
exist. No portion of this material may be reproduced, in any form or by any means, without permission in writing from the publisher.
Section Properties:
Shear Flow:
Ans.
At Ans.y = 0, q = qmax = 424 lb>in.
= {424 - 136y2
} lb>in.
=
2(103
)(0.55243 - 0.17678y2
)
2.604167
q =
VQ
I
= 0.55243 - 0.17678y2
Q = y¿A¿ = [0.25(3.53553) + 0.5y]a2.5 -
y
sin 45°
b(0.25)
INA = 2c
1
12
(0.35355)A3.535533
B d = 2.604167 in4
h = 5 cos 45° = 3.53553 in.
b =
0.25
sin 45°
= 0.35355 in.
*7–60. The angle is subjected to a shear of .
Sketch the distribution of shear flow along the leg AB.
Indicate numerical values at all peaks.
V = 2 kip
45Њ 45Њ
V
A
B
5 in.
5 in.
0.25 in.
07 Solutions 46060 5/26/10 2:04 PM Page 517
518
© 2010 Pearson Education, Inc., Upper Saddle River, NJ. All rights reserved.This material is protected under all copyright laws as they currently
exist. No portion of this material may be reproduced, in any form or by any means, without permission in writing from the publisher.
y =
©yA
©A
=
(0.25)(11)(0.5) + 2(3.25)(5.5)(0.5) + 6.25(7)(0.5)
0.5(11) + 2(0.5)(5.5) + 7(0.5)
= 2.8362 in.
•7–61. The assembly is subjected to a vertical shear of
. Determine the shear flow at points A and B and
the maximum shear flow in the cross section.
V = 7 kip
6 in.
0.5 in.
2 in.
2 in.
6 in.
0.5 in.
V
A
B
0.5 in.
0.5 in.
0.5 in.
I =
1
12
(11)(0.53
) + 11(0.5)(2.8362 - 0.25)2
+ 2a
1
12
b(0.5)(5.53
) + 2(0.5)(5.5)(3.25 - 2.8362)2
Ans.
Ans.
Ans.qmax =
1
2
a
7(103
)(16.9531)
92.569
b = 641 lb>in.
qB =
1
2
a
7(103
)(11.9483)
92.569
b = 452 lb>in.
qA =
7(103
)(2.5862)
92.569
= 196 lb>in.
q =
VQ
I
Qmax = ©y¿A¿ = (3.4138)(7)(0.5) + 2(1.5819)(3.1638)(0.5) = 16.9531 in3
QB = y2¿A2¿ = (3.4138)(7)(0.5) = 11.9483 in3
QA = y1¿A1¿ = (2.5862)(2)(0.5) = 2.5862 in3
+
1
12
(7)(0.53
) + (0.5)(7)(6.25 - 2.8362)2
= 92.569 in4
07 Solutions 46060 5/26/10 2:04 PM Page 518
519
© 2010 Pearson Education, Inc., Upper Saddle River, NJ. All rights reserved.This material is protected under all copyright laws as they currently
exist. No portion of this material may be reproduced, in any form or by any means, without permission in writing from the publisher.
Here
Therefore
Here
Ans.
occurs at ; therefore
; therefore
QEDtmax =
2V
A
A = 2pRt
tmax =
V
pR t
y = 0tmax
t =
V
pR2
t
2R2
- y2
cos u =
2R2
- y2
R
t =
VQ
I t
=
V(2R2
t cos u)
pR3
t(2t)
=
V cosu
pR t
=
R3
t
2
[u -
sin 2u
2
] Η
2p
0
=
R3
t
2
[2p - 0] = pR3
t
I =
L
2p
0
R3
t sin2
u du = R3
t
L
2p
0
(1 - cos 2u)
2
du
dI = y2
dA = y2
R t du = R3
t sin2
u du
= R2
t [-cos (p - u) - (-cosu)] = 2R2
t cosu
Q =
L
p-u
u
R2
t sin u du = R2
t(-cosu) |
p-u
u
dQ = R2
t sin u du
y = R sin u
dQ = y dA = yR t du
dA = R t du
7–62. Determine the shear-stress variation over the cross
section of the thin-walled tube as a function of elevation y and
show that , where Hint: Choose a
differential area element . Using
formulate Q for a circular section from to and show
that where cos u = 2R2
- y2
>R.Q = 2R2
t cos u,
(p - u)u
dQ = ydA,dA = Rt du
A = 2prt.tmax = 2V>A
t
y
du
ds
R
u
07 Solutions 46060 5/26/10 2:04 PM Page 519
520
© 2010 Pearson Education, Inc., Upper Saddle River, NJ. All rights reserved.This material is protected under all copyright laws as they currently
exist. No portion of this material may be reproduced, in any form or by any means, without permission in writing from the publisher.
Section Properties:
Shear Flow Resultant:
Shear Center: Summing moment about point A.
Ans.
Note that if , (I shape).e = 0b2 = b1
e =
3(b2
2
- b1
2
)
h + 6(b1 + b2)
Pe =
3Pb2
2
hCh + 6(b1 + b2)D
(h) -
3Pb1
2
hCh + 6(b1 + b2)D
(h)
Pe = AFfB2 h - AFfB1 h
=
3Pb2
2
hCh + 6(b1 + b2)D
(Ff)2 =
L
b2
0
q2 dx2 =
6P
hCh + 6(b1 + b2)D L
b2
0
x2 dx2
=
3Pb1
2
hCh + 6(b1 + b2)D
(Ff)1 =
L
b1
0
q1 dx1 =
6P
hCh + 6(b1 + b2)D L
b1
0
x1 dx1
q2 =
VQ2
I
=
PAht
2 x2B
t h2
12 Ch + 6(b1 + b2)D
=
6P
hCh + 6(b1 + b2)D
x2
q1 =
VQ1
I
=
PAht
2 x1B
t h2
12 Ch + 6(b1 + b2)D
=
6P
hCh + 6(b1 + b2)D
x1
Q2 = y¿A¿ =
h
2
(x2)t =
h t
2
x2
Q1 = y¿A¿ =
h
2
(x1)t =
h t
2
x1
I =
1
12
t h3
+ 2c(b1 + b2)ta
h
2
b
2
d =
t h2
12
Ch + 6(b1 + b2)D
7–63. Determine the location e of the shear center,
point O, for the thin-walled member having the cross
section shown where . The member segments have
the same thickness t.
b2 7 b1
Oh
b2 b1
t
e
07 Solutions 46060 5/26/10 2:04 PM Page 520
521
© 2010 Pearson Education, Inc., Upper Saddle River, NJ. All rights reserved.This material is protected under all copyright laws as they currently
exist. No portion of this material may be reproduced, in any form or by any means, without permission in writing from the publisher.
Section Properties:
Shear Flow Resultant:
Shear Center: Summing moments about point A,
Ans.e =
3b2
2(d + 3b)
Pe = c
3b2
sin 45°
2d(d + 3b)
Pd(2d sin 45°)
Pe = Ff(2d sin 45°)
Ff =
L
b
0
qfdx =
3P sin 45°
d(d + 3b) L
b
0
xdx =
3b
2
sin 45°
2d(d + 3b)
P
qf =
VQ
I
=
P(td sin 45°)x
td2
3 (d + 3b)
=
3P sin 45°
d(d + 3b)
x
Q = y¿A¿ = d sin 45° (xt) = (td sin 45°)x
=
td2
3
(d + 3b)
I =
1
12
a
t
sin 45°
b(2d sin 45°)3
+ 2Cbt(d sin 45°)2
D
*7–64. Determine the location e of the shear center,
point O, for the thin-walled member having the cross
section shown. The member segments have the same
thickness t.
45Њ
45Њ
d
O
b
e
07 Solutions 46060 5/26/10 2:04 PM Page 521
522
© 2010 Pearson Education, Inc., Upper Saddle River, NJ. All rights reserved.This material is protected under all copyright laws as they currently
exist. No portion of this material may be reproduced, in any form or by any means, without permission in writing from the publisher.
Section Properties:
Shear Flow Resultant:
Shear Center: Summing moments about point A.
Ans.e =
7
10
a
Pe = 2a
P
20
ba + a
3
10
Pb2a
Pe = 2(Fw)1 (a) + Ff(2a)
Ff =
L
a
0
q2 dx =
3P
20a2
L
a
0
(a + 2x)dx =
3
10
P
(Fw)1 =
L
a
0
q1 dy =
3P
20a3
L
a
0
y2
dy =
P
20
q2 =
VQ2
I
=
PCat
2 (a + 2x)D
10
3 a3
t
=
3P
20a2
(a + 2x)
q1 =
VQ1
I
=
PA1
2 y2
B
10
3 a3
t
=
3P
20a3
y2
Q2 = ©y¿A¿ =
a
2
(at) + a(xt) =
at
2
(a + 2x)
Q1 = y1
œ
A¿ =
y
2
(yt) =
t
2
y2
I =
1
12
(2t)(2a)3
+ 2CatAa2
B D =
10
3
a3
t
•7–65. Determine the location e of the shear center,
point O, for the thin-walled member having a slit along its
side. Each element has a constant thickness t.
t
a
e
a
a
O
07 Solutions 46060 5/26/10 2:04 PM Page 522
523
© 2010 Pearson Education, Inc., Upper Saddle River, NJ. All rights reserved.This material is protected under all copyright laws as they currently
exist. No portion of this material may be reproduced, in any form or by any means, without permission in writing from the publisher.
Summing moments about A.
Ans.e =
223
3
a
F2 =
V
a
(a) +
2
3
a
V
2a
b(a) =
4V
3
q2 = q1 +
V(a>2)(t)(a>4)
1
4 t a3
= q1 +
V
2a
q1 =
V(a)(t)(a>4)
1
4 t a3
=
V
a
I =
1
12
(t)(a)3
+
1
12
a
t
sin 30°
b(a)3
=
1
4
t a3
Pe = F2 a
13
2
ab
7–66. Determine the location e of the shear center,
point O, for the thin-walled member having the cross
section shown. a
a
a
60Њ
60Њ
O
e
07 Solutions 46060 5/26/10 2:04 PM Page 523
524
© 2010 Pearson Education, Inc., Upper Saddle River, NJ. All rights reserved.This material is protected under all copyright laws as they currently
exist. No portion of this material may be reproduced, in any form or by any means, without permission in writing from the publisher.
Shear Flow Resultant: The shear force flows through as Indicated by F1, F2, and F3
on FBD (b). Hence, The horizontal force equilibrium is not satisfied . In
order to satisfy this equilibrium requirement. F1 and F2 must be equal to zero.
Shear Center: Summing moments about point A.
Ans.
Also,
The shear flows through the section as indicated by F1, F2, F3.
However,
To satisfy this equation, the section must tip so that the resultant of
Also, due to the geometry, for calculating F1 and F3, we require .
Hence, Ans.e = 0
F1 = F3
= P
:
+ F3
:
+ F2
:
F1
:
+
:©Fx Z 0
Pe = F2(0) e = 0
(©Fx Z 0)
7–67. Determine the location e of the shear center,
point O, for the thin-walled member having the cross
section shown. The member segments have the same
thickness t.
b
b
O
t
e
h
2
h
2
07 Solutions 46060 5/26/10 2:04 PM Page 524
525
© 2010 Pearson Education, Inc., Upper Saddle River, NJ. All rights reserved.This material is protected under all copyright laws as they currently
exist. No portion of this material may be reproduced, in any form or by any means, without permission in writing from the publisher.
Thus,
Summing moments about A:
Ans.e = 1.26 r
e =
r (1.9634 + 2)
3.15413
Pe =
Pr
3.15413 L
p>2
-p>2
(0.625 + cos u)du
Pe =
L
p>2
-p>2
(q r du)r
q =
VQ
I
=
P(0.625 + cos u)t r2
3.15413 t r3
Q = 0.625 t r2
+ t r2
cos u
Q = a
r
2
bt a
r
4
+ rb +
L
p>2
u
r sin u(t r du)
I = 1.583333t r3
+ t r3
a
p
2
b = 3.15413t r3
Isemi-circle = t r3
a
p
2
b
Isemi-circle =
L
p>2
-p>2
(r sin u)
2
t r du = t r3
L
p>2
-p>2
sin2
u du
= 1.583333t r3
+ Isemi-circle
I = (2)c
1
12
(t)(r>2)3
+ (r>2)(t)ar +
r
4
b
2
d + Isemi-circle
*7–68. Determine the location e of the shear center,
point O, for the beam having the cross section shown. The
thickness is t.
e
O
r
1
—
2
r
1
—
2
r
07 Solutions 46060 5/26/10 2:04 PM Page 525
526
© 2010 Pearson Education, Inc., Upper Saddle River, NJ. All rights reserved.This material is protected under all copyright laws as they currently
exist. No portion of this material may be reproduced, in any form or by any means, without permission in writing from the publisher.
Summing moments about A.
(1)
From Eq, (1).
Ans.e =
t
12I
(6h1 h2
b + 3h2
b2
- 8h1
3
b) =
b(6h1 h2
+ 3h2
b - 8h1
3
)
2h3
+ 6bh2
- (h - 2h1)3
I =
t
12
(2h3
+ 6bh2
- (h - 2h1)3
)
Pe =
Pt
2I
[h1 h2
b - h1
2
hb +
h2
b2
2
+ hh1
2
b -
4
3
h1
3
b]
F =
L
q2 dx =
Pt
2I L
b
0
[h1 (h - h1) + hx]dx =
Pt
2I
ah1 hb - h1
2
b +
hb2
2
b
q2 =
VQ2
I
=
Pt
2I
(h1 (h - h1) + hx)
Q2 = ©y¿A¿ =
1
2
(h - h1)h1 t +
h
2
(x)(t) =
1
2
t[h1 (h - h1) + hx]
V =
L
q1 dy =
Pt
2I L
h1
0
(hy - 2h1 y + y2
)dy =
Pt
2I
c
hh1
2
2
-
2
3
h1
3
d
q1 =
VQ
I
=
Pt(hy - 2h1 y + y2
)
2I
Q1 = y¿A¿ =
1
2
(h - 2h1 + y)yt =
t(hy - 2h1 y + y2
)
2
=
th3
6
+
bth2
2
-
t(h - 2h1)3
12
I =
1
12
(t)(h3
) + 2b(t)a
h
2
b
2
+
1
12
(t)[h3
- (h - 2h1)3
]
Pe = F(h) + 2V(b)
•7–69. Determine the location e of the shear center,
point O, for the thin-walled member having the cross
section shown. The member segments have the same
thickness t.
h
b
e
O
h1
h1
07 Solutions 46060 5/26/10 2:04 PM Page 526
527
© 2010 Pearson Education, Inc., Upper Saddle River, NJ. All rights reserved.This material is protected under all copyright laws as they currently
exist. No portion of this material may be reproduced, in any form or by any means, without permission in writing from the publisher.
Summing moments about A.
(1)
dQ = y dA = r sinu(t r du) = r2
t sin u du
=
r3
t
2
2 (2a - 2 sina cosa) =
r3
t
2
(2a - sin 2a)
=
r3
t
2
c ap + a -
sin 2(p + a)
2
b - ap - a -
sin 2(p - a)
2
b d
=
r3
t
2
(u -
sin 2u
2
) Η
p+a
p-a
I = r3
t
L
sin2
u du = r3
t
L
p+a
p-a
1 - cos 2u
2
du
dI = y2
dA = r2
sin2
u(t r du) = r3
t sin2
udu
y = r sin u
dA = t ds = t r du
P e = r
L
dF
7–70. Determine the location e of the shear center, point O,
for the thin-walled member having the cross section shown.
e
r O
a
a
t
Q = r2
t
L
u
p-a
sinu du = r2
t (-cosu)|
u
p-a
= r2
t(-cosu - cosa) = -r2
t(cosu + cosa)
L
dF =
L
q ds =
L
q r du
q =
VQ
I
=
P(-r2
t)(cosu + cosa)
r3
t
2 (2a - sin 2a)
=
-2P(cosu + cosa)
r(2a - sin 2a)
L
dF =
2P r
r(2a - sin 2a) L
p+p
p-a
(cosu + cosa) du =
-2P
2a - sin 2a
(2a cosa - 2 sina)
From Eq. (1);
Ans.e =
4r (sina - a cosa)
2a - sin 2a
P e = r c
4P
2a - sin 2a
(sina - a cosa)d
=
4P
2a - sin 2a
(sina - a cosa)
07 Solutions 46060 5/26/10 2:04 PM Page 527
528
© 2010 Pearson Education, Inc., Upper Saddle River, NJ. All rights reserved.This material is protected under all copyright laws as they currently
exist. No portion of this material may be reproduced, in any form or by any means, without permission in writing from the publisher.
Section Properties:
(Q.E.D)
Shear Stress: Applying the shear formula ,
At
At
At
Resultant Shear Force: For segment AB.
Ans.= 9957 lb = 9.96 kip
=
L
0.8947 in
2.8947 in
A3173.76 - 40.12y2
2
B dy
=
L
0.8947 in
2.8947 in
A1586.88 - 20.06y2
2
B (2dy)
VAB =
L
tAB dA
y2 = 2.8947 in. tAB = 1419 psi
= {1586.88 - 20.06y2
2
} psi
tAB =
VQ2
It
=
35(103
)(79.12 - y2
2
)
872.49(2)
y1 = -2.8947 in. tCB = 355 psi
y1 = 0, tCB = 523 psi
= {522.77 - 20.06y1
2
} psi
tCB =
VQ1
It
=
35(103
)(104.25 - 4y1
2
)
872.49(8)
t =
VQ
It
= 79.12 - y2
2
Q2 = y2
œ
A¿ = (4.44735 + 0.5y2)(8.8947 - y2)(2)
= 104.25 - 4y1
2
Q1 = y1
œ
A¿ = (2.55265 + 0.5y1)(5.1053 - y1)(8)
= 872.49 in4
+
1
12
(2)A63
B + 2(6)(11 - 5.1053)2
INA =
1
12
(8)A83
B + 8(8)(5.1053 - 4)2
y =
©yA
©A
=
4(8)(8) + 11(6)(2)
8(8) + 6(2)
= 5.1053 in.
7–71. Sketch the intensity of the shear-stress distribution
acting over the beam’s cross-sectional area, and determine
the resultant shear force acting on the segment AB. The
shear acting at the section is . Show that
INA = 872.49 in4
.
V = 35 kip
2 in.
3 in.
3 in.
6 in.
8 in.
A
B
C
V
07 Solutions 46060 5/26/10 2:04 PM Page 528
529
© 2010 Pearson Education, Inc., Upper Saddle River, NJ. All rights reserved.This material is protected under all copyright laws as they currently
exist. No portion of this material may be reproduced, in any form or by any means, without permission in writing from the publisher.
Section Properties:
Shear Flow:
Hence, the shear force resisted by each nail is
Ans.
Ans.FD = qDs = (460.41 lb>in.)(3 in.) = 1.38 kip
FC = qCs = (65.773 lb>in.)(3 in.) = 197 lb
qD =
VQD
I
=
4.5(103
)(42.0)
410.5
= 460.41 lb>in.
qC =
VQC
I
=
4.5(103
)(6.00)
410.5
= 65.773 lb>in.
QD = yœ
2A¿ = 3.50(12)(1) = 42.0 in2
QC = yœ
1A¿ = 1.5(4)(1) = 6.00 in2
= 410.5 in4
+
1
12
(1)A123
B + 1(12)(7 - 3.50)2
+
1
12
(2)A43
B + 2(4)(3.50 - 2)2
INA =
1
12
(10)A13
B + (10)(1)(3.50 - 0.5)2
y =
© yA
©A
=
0.5(10)(1) + 2(4)(2) + 7(12)(1)
10(1) + 4(2) + 12(1)
= 3.50 in.
*7–72. The beam is fabricated from four boards nailed
together as shown. Determine the shear force each nail
along the sides C and the top D must resist if the nails are
uniformly spaced at The beam is subjected to a
shear of V = 4.5 kip.
s = 3 in.
1 in.
12 in.
3 in.
B
V
1 in.
10 in.
A
1 in.
1 in.
07 Solutions 46060 5/26/10 2:04 PM Page 529
530
© 2010 Pearson Education, Inc., Upper Saddle River, NJ. All rights reserved.This material is protected under all copyright laws as they currently
exist. No portion of this material may be reproduced, in any form or by any means, without permission in writing from the publisher.
Section Properties:
Ans.
Shear Flow:
Ans.
Ans.
Ans.qC =
VQC
I
=
2(103
)(0.16424)(10-3
)
86.93913(10-6
)
= 3.78 kN>m
qB =
VQB
I
=
2(103
)(52.57705)(10-6
)
86.93913(10-6
)
= 1.21 kN>m
qA =
VQA
I
= 0
= 0.16424A10-3
B m3
= 0.03048(0.115)(0.015) + 0.08048(0.0925)(0.015)
QC = ©y¿A¿
QB =
'
y œ
1A¿ = 0.03048(0.115)(0.015) = 52.57705A10-6
B m3
QA = 0
= 86.93913A10-6
B m4
+
1
12
(0.015)A0.33
B + 0.015(0.3)(0.165 - 0.08798)2
+
1
12
(0.03)A0.1153
B + 0.03(0.115)(0.08798 - 0.0575)2
INA =
1
12
(0.2)A0.0153
B + 0.2(0.015)(0.08798 - 0.0075)2
= 0.08798 m
=
0.0075(0.2)(0.015) + 0.0575(0.115)(0.03) + 0.165(0.3)(0.015)
0.2(0.015) + 0.115(0.03) + 0.3(0.015)
y =
© yA
©A
•7–73. The member is subjected to a shear force of
. Determine the shear flow at points A, B, and C.
The thickness of each thin-walled segment is 15 mm.
V = 2 kN
300 mm
A
B
C
100 mm
200 mm
V ϭ 2 kN
07 Solutions 46060 5/26/10 2:04 PM Page 530
531
© 2010 Pearson Education, Inc., Upper Saddle River, NJ. All rights reserved.This material is protected under all copyright laws as they currently
exist. No portion of this material may be reproduced, in any form or by any means, without permission in writing from the publisher.
Section Properties:
Shear Flow: There are two glue joints in this case, hence the allowable shear flow is
.
Ans.V = 4100 lb = 4.10 kip
150 =
V(3.50)
95.667
q =
VQ
I
2(75) = 150 lb>in
Q = y¿A¿ = 1.75(4)(0.5) = 3.50 in3
= 95.667 in4
INA =
1
12
(1)A103
B + 2c
1
12
(4)A0.53
B + 4(0.5)A1.752
B d
7–74. The beam is constructed from four boards glued
together at their seams. If the glue can withstand
what is the maximum vertical shear V that the
beam can support?
75 lb>in.,
3 in.
4 in.
3 in.
3 in.
0.5 in.
0.5 in.
0.5 in.0.5 in.
V
Section Properties:
Shear Flow: There are two glue joints in this case, hence the allowable shear flow is
.
Ans.V = 749 lb
150 =
V(11.25)
56.167
q =
VQ
I
2(75) = 150 lb>in
Q = y¿A¿ = 2.25(10)(0.5) = 11.25 in3
INA =
1
12
(10)A53
B -
1
12
(9)A43
B = 56.167 in4
7–75. Solve Prob. 7–74 if the beam is rotated 90° from the
position shown.
3 in.
4 in.
3 in.
3 in.
0.5 in.
0.5 in.
0.5 in.0.5 in.
V
07 Solutions 46060 5/26/10 2:04 PM Page 531

Chapter 07 in som

  • 1.
    472 © 2010 PearsonEducation, Inc., Upper Saddle River, NJ. All rights reserved.This material is protected under all copyright laws as they currently exist. No portion of this material may be reproduced, in any form or by any means, without permission in writing from the publisher. The moment of inertia of the cross-section about the neutral axis is From Fig. a, Applying the shear formula, Ans. The shear stress component at A is represented by the volume element shown in Fig. b. = 2.559(106 ) Pa = 2.56 MPa tA = VQA It = 20(103 )[0.64(10-3 )] 0.2501(10-3 )(0.02) QA = y¿A¿ = 0.16 (0.02)(0.2) = 0.64(10-3 ) m3 I = 1 12 (0.2)(0.343 ) - 1 12 (0.18)(0.33 ) = 0.2501(10-3 ) m4 •7–1. If the wide-flange beam is subjected to a shear of determine the shear stress on the web at A. Indicate the shear-stress components on a volume element located at this point. V = 20 kN, A B V 20 mm 20 mm 20 mm 300 mm 200 mm 200 mm 07 Solutions 46060 5/26/10 2:04 PM Page 472
  • 2.
    473 © 2010 PearsonEducation, Inc., Upper Saddle River, NJ. All rights reserved.This material is protected under all copyright laws as they currently exist. No portion of this material may be reproduced, in any form or by any means, without permission in writing from the publisher. The moment of inertia of the cross-section about the neutral axis is From Fig. a. The maximum shear stress occurs at the points along neutral axis since Q is maximum and thicknest t is the smallest. Ans.= 3.459(106 ) Pa = 3.46 MPa tmax = VQmax It = 20(103 ) [0.865(10-3 )] 0.2501(10-3 ) (0.02) Qmax = ©y¿A¿ = 0.16 (0.02)(0.2) + 0.075 (0.15)(0.02) = 0.865(10-3 ) m3 I = 1 12 (0.2)(0.343 ) - 1 12 (0.18)(0.33 ) = 0.2501(10-3 ) m4 7–2. If the wide-flange beam is subjected to a shear of determine the maximum shear stress in the beam.V = 20 kN, A B V 20 mm 20 mm 20 mm 300 mm 200 mm 200 mm 07 Solutions 46060 5/26/10 2:04 PM Page 473
  • 3.
    The moment ofinertia of the cross-section about the neutral axis is For , Fig. a, Q as a function of y is For , .Thus. The sheer force resisted by the web is, Ans.= 18.95 (103 ) N = 19.0 kN Vw = 2 L 0.15 m 0 tdA = 2 L 0.15 m 0 C3.459(10 6 ) - 39.99(10 6 ) y 2 D (0.02 dy) = E3.459(106 ) - 39.99(106 ) y2 F Pa. t = VQ It = 20(103 ) C0.865(10-3 ) - 0.01y2 D 0.2501(10-3 ) (0.02) t = 0.02 m0 … y 6 0.15 m = 0.865(10-3 ) - 0.01y2 Q = ©y¿A¿ = 0.16 (0.02)(0.2) + 1 2 (y + 0.15)(0.15 - y)(0.02) 0 … y 6 0.15 m I = 1 12 (0.2)(0.343 ) - 1 12 (0.18)(0.33 ) = 0.2501(10-3 ) m4 7–3. If the wide-flange beam is subjected to a shear of determine the shear force resisted by the web of the beam. V = 20 kN, 474 © 2010 Pearson Education, Inc., Upper Saddle River, NJ. All rights reserved.This material is protected under all copyright laws as they currently exist. No portion of this material may be reproduced, in any form or by any means, without permission in writing from the publisher. A B V 20 mm 20 mm 20 mm 300 mm 200 mm 200 mm 07 Solutions 46060 5/26/10 2:04 PM Page 474
  • 4.
    475 © 2010 PearsonEducation, Inc., Upper Saddle River, NJ. All rights reserved.This material is protected under all copyright laws as they currently exist. No portion of this material may be reproduced, in any form or by any means, without permission in writing from the publisher. Section Properties: Shear Stress: Applying the shear formula Ans. Ans. Ans.(tAB)W = VQAB I tW = 12(64.8) 390.60(4) = 0.498 ksi (tAB)f = VQAB Itf = 12(64.8) 390.60(12) = 0.166 ksi tmax = VQmax It = 12(64.98) 390.60(4) = 0.499 ksi t = VQ It QAB = yœ 2 A¿ = 1.8(3)(12) = 64.8 in3 Qmax = yœ 1 A¿ = 2.85(5.7)(4) = 64.98 in3 = 390.60 in4 INA = 1 12 (12)A33 B + 12(3)(3.30 - 1.5)2 + 1 12 (4)A63 B + 4(6)(6 - 3.30)2 y = ©yA ©A = 1.5(12)(3) + 6(4)(6) 12(3) + 4(6) = 3.30 in. *7–4. If the T-beam is subjected to a vertical shear of determine the maximum shear stress in the beam. Also, compute the shear-stress jump at the flange- web junction AB. Sketch the variation of the shear-stress intensity over the entire cross section. V = 12 kip, BB V ϭ 12 kip 6 in. 3 in. 4 in. 4 in. 4 in. A 07 Solutions 46060 5/26/10 2:04 PM Page 475
  • 5.
    Section Properties: Shear Stress:Applying the shear formula Resultant Shear Force: For the flange Ans.= 3.82 kip = L 3.3 in 0.3 in A0.16728 - 0.01536y2 B(12dy) Vf = LA tdA = 0.16728 - 0.01536y2 t = VQ It = 12(65.34 - 6y2 ) 390.60(12) Q = y¿A¿ = (1.65 + 0.5y)(3.3 - y)(12) = 65.34 - 6y2 = 390.60 in4 INA = 1 12 (12)A33 B + 12(3)(3.30 - 1.5)2 + 1 12 (4)A63 B + 6(4)(6 - 3.30)2 y = ©yA ©A = 1.5(12)(3) + 6(4)(6) 12(3) + 4(6) = 3.30 in. •7–5. If the T-beam is subjected to a vertical shear of determine the vertical shear force resisted by the flange. V = 12 kip, 476 © 2010 Pearson Education, Inc., Upper Saddle River, NJ. All rights reserved.This material is protected under all copyright laws as they currently exist. No portion of this material may be reproduced, in any form or by any means, without permission in writing from the publisher. BB V ϭ 12 kip 6 in. 3 in. 4 in. 4 in. 4 in. A 07 Solutions 46060 5/26/10 2:04 PM Page 476
  • 6.
    477 © 2010 PearsonEducation, Inc., Upper Saddle River, NJ. All rights reserved.This material is protected under all copyright laws as they currently exist. No portion of this material may be reproduced, in any form or by any means, without permission in writing from the publisher. Ans. Ans.tB = VQB I t = 15(103 )(0.59883)(10-3 ) 0.218182(10-3 )0.025) = 1.65 MPa tA = VQA I t = 15(103 )(0.7219)(10-3 ) 0.218182(10-3 )(0.025) = 1.99 MPa QB = yAœ B = (0.1747 - 0.015)(0.125)(0.03) = 0.59883 (10-3 ) m3 QA = yAœ A = (0.310 - 0.015 - 0.1747)(0.2)(0.03) = 0.7219 (10-3 ) m3 + 1 12 (0.2)(0.033 ) + 0.2(0.03)(0.295 - 0.1747)2 = 0.218182(10-3 ) m4 + 1 12 (0.025)(0.253 ) + 0.25(0.025)(0.1747 - 0.155)2 I = 1 12 (0.125)(0.033 ) + 0.125(0.03)(0.1747 - 0.015)2 y = (0.015)(0.125)(0.03) + (0.155)(0.025)(0.25) + (0.295)(0.2)(0.03) 0.125(0.03) + (0.025)(0.25) + (0.2)(0.03) = 0.1747 m 7–6. If the beam is subjected to a shear of determine the web’s shear stress at A and B. Indicate the shear-stress components on a volume element located at these points. Show that the neutral axis is located at from the bottom and INA = 0.2182110-3 2 m4 .y = 0.1747 m V = 15 kN, A B V 30 mm 25 mm 30 mm 250 mm 200 mm 125 mm A B V 30 mm 25 mm 30 mm 250 mm 200 mm 200 mm Section Properties: Ans.tmax = VQ I t = 30(10)3 (1.0353)(10)-3 268.652(10)-6 (0.025) = 4.62 MPa Qmax = © y¿A = 0.0625(0.125)(0.025) + 0.140(0.2)(0.030) = 1.0353(10)-3 m3 I = 1 12 (0.2)(0.310)3 - 1 12 (0.175)(0.250)3 = 268.652(10)-6 m4 7–7. If the wide-flange beam is subjected to a shear of determine the maximum shear stress in the beam.V = 30 kN, 07 Solutions 46060 5/26/10 2:04 PM Page 477
  • 7.
    478 © 2010 PearsonEducation, Inc., Upper Saddle River, NJ. All rights reserved.This material is protected under all copyright laws as they currently exist. No portion of this material may be reproduced, in any form or by any means, without permission in writing from the publisher. Ans.Vw = 30 - 2(1.457) = 27.1 kN Vf = 1.457 kN = 11.1669(10)6 [ 0.024025y - 1 2 y3 ] 0.155 0.125 Vf = L tf dA = 55.8343(10)6 L 0.155 0.125 (0.024025 - y2 )(0.2 dy) tf = 30(10)3 (0.1)(0.024025 - y2 ) 268.652(10)-6 (0.2) Q = a 0.155 + y 2 b(0.155 - y)(0.2) = 0.1(0.024025 - y2 ) I = 1 12 (0.2)(0.310)3 - 1 12 (0.175)(0.250)3 = 268.652(10)-6 m4 *7–8. If the wide-flange beam is subjected to a shear of determine the shear force resisted by the web of the beam. V = 30 kN, A B V 30 mm 25 mm 30 mm 250 mm 200 mm 200 mm Ans.V = 32132 lb = 32.1 kip 8(103 ) = - V(3.3611) 6.75(2)(1) tmax = tallow = VQmax I t Qmax = ©y¿A¿ = 2 (0.91665)(1.8333)(1) = 3.3611 in3 + 2 a 1 12 b(1)(23 ) + 2(1)(2)(2 - 1.1667)2 = 6.75 in4 I = 1 12 (5)(13 ) + 5 (1)(1.1667 - 0.5)2 y = (0.5)(1)(5) + 2 [(2)(1)(2)] 1 (5) + 2(1)(2) = 1.1667 in. •7–9. Determine the largest shear force V that the member can sustain if the allowable shear stress is tallow = 8 ksi. V 3 in. 1 in. 1 in. 1 in. 3 in. 07 Solutions 46060 5/26/10 2:04 PM Page 478
  • 8.
    479 © 2010 PearsonEducation, Inc., Upper Saddle River, NJ. All rights reserved.This material is protected under all copyright laws as they currently exist. No portion of this material may be reproduced, in any form or by any means, without permission in writing from the publisher. Ans.tmax = VQmax I t = 18(3.3611) 6.75(2)(1) = 4.48 ksi Qmax = ©y¿A¿ = 2(0.91665)(1.8333)(1) = 3.3611 in3 + 2 a 1 12 b(1)(23 ) + 2(1)(2)(2 - 1.1667) = 6.75 in4 I = 1 12 (5)(13 ) + 5(1)(1.1667 - 0.5)2 y = (0.5)(1)(5) + 2 [(2)(1)(2)] 1 (5) + 2(1)(2) = 1.1667 in. 7–10. If the applied shear force determine the maximum shear stress in the member. V = 18 kip, V 3 in. 1 in. 1 in. 1 in. 3 in. Ans.V = 100 kN 7(106 ) = V[(0.075)(0.1)(0.05) + 2(0.05)(0.1)(0.05)] 125(10-6 )(0.1) tallow = VQmax It I = 1 12 (0.2)(0.2)3 - 1 12 (0.1)(0.1)3 = 125(10-6 ) m4 7–11. The wood beam has an allowable shear stress of Determine the maximum shear force V that can be applied to the cross section. tallow = 7 MPa. 50 mm 50 mm 200 mm 100 mm 50 mm V 50 mm 07 Solutions 46060 5/26/10 2:04 PM Page 479
  • 9.
    480 © 2010 PearsonEducation, Inc., Upper Saddle River, NJ. All rights reserved.This material is protected under all copyright laws as they currently exist. No portion of this material may be reproduced, in any form or by any means, without permission in writing from the publisher. Section Properties The moment of inertia of the cross-section about the neutral axis is Q as the function of y, Fig. a, Qmax occurs when .Thus, The maximum shear stress occurs of points along the neutral axis since Q is maximum and the thickness is constant. Ans. Thus, the shear stress distribution as a function of y is = E5.56 (36 - y2 )F psi t = VQ It = 12.8(103 )C4(36 - y2 )D 1152 (8) V = 12800 16 = 12.8 kip tallow = VQmax It ; 200 = V(144) 1152(8) t = 8 in. Qmax = 4(36 - 02 ) = 144 in3 y = 0 Q = 1 2 (y + 6)(6 - y)(8) = 4(36 - y2 ) I = 1 12 (8)(123 ) = 1152 in4 *7–12. The beam has a rectangular cross section and is made of wood having an allowable shear stress of 200 psi. Determine the maximum shear force V that can be developed in the cross section of the beam. Also, plot the shear-stress variation over the cross section. tallow = V 12 in. 8 in. 07 Solutions 46060 5/26/10 2:04 PM Page 480
  • 10.
    481 © 2010 PearsonEducation, Inc., Upper Saddle River, NJ. All rights reserved.This material is protected under all copyright laws as they currently exist. No portion of this material may be reproduced, in any form or by any means, without permission in writing from the publisher. Section Properties: Maximum Shear Stress: Maximum shear stress occurs at the point where the neutral axis passes through the section. Applying the shear formula Ans.= 4 22 MPa = 20(103 )(87.84)(10-6 ) 5.20704(10-6 )(0.08) tmax = VQmax It = 87.84A10-6 B m3 = 0.015(0.08)(0.03) + 0.036(0.012)(0.12) Qmax = ©y¿A¿ = 5.20704 A10-6 B m4 INA = 1 12 (0.12)A0.0843 B - 1 12 (0.04)A0.063 B 7–13. Determine the maximum shear stress in the strut if it is subjected to a shear force of V = 20 kN. V 60 mm 12 mm 20 mm 20 mm 80 mm 12 mm Section Properties: Allowable shear stress: Maximum shear stress occurs at the point where the neutral axis passes through the section. Applying the shear formula Ans.V = 189 692 N = 190 kN 40A 106 B = V(87.84)(10-6 ) 5.20704(10-6 )(0.08) tmax = tallow = VQmax It = 87.84A 10-6 B m3 = 0.015(0.08)(0.03) + 0.036(0.012)(0.12) Qmax = ©y¿A¿ = 5.20704A 10-6 B m4 INA = 1 12 (0.12)A0.0843 B - 1 12 (0.04)A0.063 B 7–14. Determine the maximum shear force V that the strut can support if the allowable shear stress for the material is tallow = 40 MPa. V 60 mm 12 mm 20 mm 20 mm 80 mm 12 mm 07 Solutions 46060 5/26/10 2:04 PM Page 481
  • 11.
    482 © 2010 PearsonEducation, Inc., Upper Saddle River, NJ. All rights reserved.This material is protected under all copyright laws as they currently exist. No portion of this material may be reproduced, in any form or by any means, without permission in writing from the publisher. The maximum shear stress occur when Ans.The faector = tmax tavg = 4V 3 pc2 V pc2 = 4 3 tavg = V A = V p c2 tmax = 4V 3 pc2 y = 0 t = VQ I t = V[2 3 (c2 - y2 ) 3 2] (p 4 c4 )(22c2 - y2 ) = 4V 3pc4 [c2 - y2 ) Q = L x y 2y2c2 - y2 dy = - 2 3 (c2 - y2 ) 3 2 | x y = 2 3 (c2 - y2 ) 2 3 dQ = ydA = 2y2c2 - y2 dy dA = 2xdy = 22c2 - y2 dy t = 2x = 22c2 - y2 x = 2c2 - y2 ; I = p 4 c4 7–15. Plot the shear-stress distribution over the cross section of a rod that has a radius c. By what factor is the maximum shear stress greater than the average shear stress acting over the cross section? c V y 07 Solutions 46060 5/26/10 2:04 PM Page 482
  • 12.
    483 © 2010 PearsonEducation, Inc., Upper Saddle River, NJ. All rights reserved.This material is protected under all copyright laws as they currently exist. No portion of this material may be reproduced, in any form or by any means, without permission in writing from the publisher. Ans. No, because the shear stress is not perpendicular to the boundary. See Sec. 7-3. tmax = 3V ah tmax = 24V a2 h a a 4 b a1 - 2 a a a 4 b b y = 2h a a a 4 b = h 2 At x = a 4 dt dx = 24V a2 h2 a1 - 4 a xb = 0 t = 24V(x - 2 a x2 ) a2 h t = VQ It = V(4h2 >3a)(x2 )(1 - 2x a ) ((1>36)(a)(h3 ))(2x) t = 2x Q = a 4h2 3a b(x2 )a1 - 2x a b Q = LA¿ y dA = 2c a 1 2 b(x)(y)a 2 3 h - 2 3 yb d y x = h a>2 ; y = 2h a x I = 1 36 (a)(h)3 *7–16. A member has a cross section in the form of an equilateral triangle. If it is subjected to a shear force V, determine the maximum average shear stress in the member using the shear formula. Should the shear formula actually be used to predict this value? Explain. V a h 07 Solutions 46060 5/26/10 2:04 PM Page 483
  • 13.
    484 © 2010 PearsonEducation, Inc., Upper Saddle River, NJ. All rights reserved.This material is protected under all copyright laws as they currently exist. No portion of this material may be reproduced, in any form or by any means, without permission in writing from the publisher. The moment of inertia of the cross-section about the neutral axis is From Fig. a, The maximum shear stress occurs at the points along the neutral axis since Q is maximum and thickness is the smallest. Ans.= 37.36(106 ) Pa = 37.4 MPa tmax = VQmax It = 600(103 )[1.09125(10-3 )] 0.175275(10-3 ) (0.1) t = 0.1 m = 1.09125(10-3 ) m3 Qmax = ©y¿A¿ = 0.09(0.03)(0.3) + 0.0375(0.075)(0.1) I = 1 12 (0.3)(0.213 ) - 1 12 (0.2)(0.153 ) = 0.175275(10-3 ) m4 •7–17. Determine the maximum shear stress in the strut if it is subjected to a shear force of V = 600 kN. V 150 mm 30 mm 100 mm 100 mm 100 mm 30 mm 07 Solutions 46060 5/26/10 2:04 PM Page 484
  • 14.
    485 © 2010 PearsonEducation, Inc., Upper Saddle River, NJ. All rights reserved.This material is protected under all copyright laws as they currently exist. No portion of this material may be reproduced, in any form or by any means, without permission in writing from the publisher. The moment of inertia of the cross-section about the neutral axis is From Fig. a The maximum shear stress occeurs at the points along the neutral axis since Q is maximum and thickness is the smallest. Ans.V = 722.78(103 )N = 723 kN tallow = VQmax It ; 45(106 ) = V C1.09125(10-3 )D 0.175275(10-3 )(0.1) t = 0.1 m = 1.09125 (10-3 ) m3 Qmax = ©y¿A¿ = 0.09(0.03)(0.3) + 0.0375 (0.075)(0.1) I = 1 12 (0.3)(0.213 ) - 1 12 (0.2)(0.153 ) = 0.175275 (10-3 ) m4 7–18. Determine the maximum shear force V that the strut can support if the allowable shear stress for the material is tallow = 45 MPa. V 150 mm 30 mm 100 mm 100 mm 100 mm 30 mm 07 Solutions 46060 5/26/10 2:04 PM Page 485
  • 15.
    486 © 2010 PearsonEducation, Inc., Upper Saddle River, NJ. All rights reserved.This material is protected under all copyright laws as they currently exist. No portion of this material may be reproduced, in any form or by any means, without permission in writing from the publisher. The moment of inertia of the cross-section about the neutral axis is For , Fig. a, Q as a function of y is For , Fig. b, Q as a function of y is0 … y 6 0.075 m Q = y¿A¿ = 1 2 (0.105 + y) (0.105 - y)(0.3) = 1.65375(10-3 ) - 0.15y2 0.075 m 6 y … 0.105 m I = 1 12 (0.3)(0.213 ) - 1 12 (0.2)(0.153 ) = 0.175275(10-3 ) m4 7–19. Plot the intensity of the shear stress distributed over the cross section of the strut if it is subjected to a shear force of V = 600 kN. V 150 mm 30 mm 100 mm 100 mm 100 mm 30 mm Q = ©y¿A¿ = 0.09 (0.03)(0.3) + 1 2 (0.075 + y)(0.075 - y)(0.1) = 1.09125(10-3 ) - 0.05 y2 For , .Thus, At and , For , .Thus, At and , The plot shear stress distribution over the cross-section is shown in Fig. c. t|y=0 = 37.4 MPa ty=0.075 m = 27.7 MPa y = 0.075 my = 0 t = VQ It = 600(103 ) [1.09125(10-3 ) - 0.05y2 ] 0.175275(10-3 ) (0.1) = (37.3556 - 1711.60 y2 ) MPa t = 0.1 m0 … y 6 0.075 m t|y=0.015 m = 9.24 MPa ty=0.105 m = 0 y = 0.105 my = 0.075 m t = VQ It = 600(103 ) C1.65375(10-3 ) - 0.15y2 D 0.175275(10-3 ) (0.3) = (18.8703 - 1711.60y2 ) MPa t = 0.3 m0.075 m 6 y … 0.105 m 07 Solutions 46060 5/26/10 2:04 PM Page 486
  • 16.
    487 © 2010 PearsonEducation, Inc., Upper Saddle River, NJ. All rights reserved.This material is protected under all copyright laws as they currently exist. No portion of this material may be reproduced, in any form or by any means, without permission in writing from the publisher. The moment of inertia of the ciralor cross-section about the neutral axis (x axis) is Q for the differential area shown shaded in Fig. a is However, from the equation of the circle, ,Then Thus, Q for the area above y is Here, .Thus By inspecting this equation, at .Thus Ans.tmax¿ = 20 2p = 10 p = 3.18 ksi y = 0t = tmax t = 5 2p (4 - y2 ) ksi t = VQ It = 30C2 3 (4 - y2 ) 3 2 D 4p C2(4 - y2 ) 1 2 D t = 2x = 2(4 - y2 ) 1 2 = 2 3 (4 - y2 ) 3 2 = - 2 3 (4 - y2 ) 3 2 Η 2 in y Q = L 2 in y 2y (4 - y2 ) 1 2 dy dQ = 2y(4 - y2 ) 1 2 dy x = (4 - y2 ) 1 2 dQ = ydA = y(2xdy) = 2xy dy I = p 4 r4 = p 4 (24 ) = 4 p in4 *7–20. The steel rod is subjected to a shear of 30 kip. Determine the maximum shear stress in the rod. 30 kip 2 in. 1 in. A 07 Solutions 46060 5/26/10 2:04 PM Page 487
  • 17.
    The moment ofinertia of the circular cross-section about the neutral axis (x axis) is Q for the differential area shown in Fig. a is However, from the equation of the circle, ,Then Thus, Q for the area above y is Here .Thus, For point A, .Thus Ans. The state of shear stress at point A can be represented by the volume element shown in Fig. b. tA = 5 2p (4 - 12 ) = 2.39 ksi y = 1 in t = 5 2p (4 - y2 ) ksi t = VQ It = 30 C2 3 (4 - y2 ) 3 2 D 4p C2(4 - y2 ) 1 2 D t = 2x = 2(4 - y2 ) 1 2 = - 2 3 (4 - y2 ) 3 2 ` 2 in. y = 2 3 (4 - y2 ) 3 2 Q = L 2 in. y 2y (4 - y2 ) 1 2 dy dQ = 2y (4 - y2 ) 1 2 dy x = (4 - y2 ) 1 2 dQ = ydA = y (2xdy) = 2xy dy I = p 4 r4 = p 4 (24 ) = 4p in4 •7–21. The steel rod is subjected to a shear of 30 kip. Determine the shear stress at point A. Show the result on a volume element at this point. 488 © 2010 Pearson Education, Inc., Upper Saddle River, NJ. All rights reserved.This material is protected under all copyright laws as they currently exist. No portion of this material may be reproduced, in any form or by any means, without permission in writing from the publisher. 30 kip 2 in. 1 in. A 07 Solutions 46060 5/26/10 2:04 PM Page 488
  • 18.
    489 © 2010 PearsonEducation, Inc., Upper Saddle River, NJ. All rights reserved.This material is protected under all copyright laws as they currently exist. No portion of this material may be reproduced, in any form or by any means, without permission in writing from the publisher. y = (0.01)(0.05)(0.02) + (0.055)(0.07)(0.02) (0.05)(0.02) + (0.07)(0.02) = 0.03625 m 7–22. Determine the shear stress at point B on the web of the cantilevered strut at section a–a. a a 2 kN 4 kN 250 mm 250 mm 300 mm 20 mm 50 mm 70 mm 20 mm B Ans.= 4.41 MPa tB = VQB I t = 6(103 )(26.25)(10-6 ) 1.78622(10-6 )(0.02) QB = (0.02)(0.05)(0.02625) = 26.25(10-6 ) m3 yœ B = 0.03625 - 0.01 = 0.02625 m + 1 12 (0.02)(0.073 ) + (0.02)(0.07)(0.055 - 0.03625)2 = 1.78625(10-6 ) m4 I = 1 12 (0.05)(0.023 ) + (0.05)(0.02)(0.03625 - 0.01)2 Ans.= 4.85 MPa tmax = VQmax It = 6(103 )(28.8906)(10-6 ) 1.78625(10-6 )(0.02) Qmax = y¿A¿ = (0.026875)(0.05375)(0.02) = 28.8906(10-6 ) m3 + 1 12 (0.02)(0.073 ) + (0.02)(0.07)(0.055 - 0.03625)2 = 1.78625(10-6 ) m4 I = 1 12 (0.05)(0.023 ) + (0.05)(0.02)(0.03625 - 0.01)2 y = (0.01)(0.05)(0.02) + (0.055)(0.07)(0.02) (0.05)(0.02) + (0.07)(0.02) = 0.03625 m 7–23. Determine the maximum shear stress acting at section a–a of the cantilevered strut. a a 2 kN 4 kN 250 mm 250 mm 300 mm 20 mm 50 mm 70 mm 20 mm B 07 Solutions 46060 5/26/10 2:04 PM Page 489
  • 19.
    490 © 2010 PearsonEducation, Inc., Upper Saddle River, NJ. All rights reserved.This material is protected under all copyright laws as they currently exist. No portion of this material may be reproduced, in any form or by any means, without permission in writing from the publisher. *7–24. Determine the maximum shear stress in the T-beam at the critical section where the internal shear force is maximum. 3 m 1.5 m1.5 m 10 kN/m A 150 mm 150 mm 30 mm 30 mm B C The FBD of the beam is shown in Fig. a, The shear diagram is shown in Fig. b.As indicated, The neutral axis passes through centroid c of the cross-section, Fig. c. From Fig. d, The maximum shear stress occurs at points on the neutral axis since Q is maximum and thickness is the smallest. Ans.= 7.33 MPa = 7.333(106 ) Pa tmax = VmaxQmax It = 27.5(103 )C0.216(10-3 )D 27.0(10-6 )(0.03) t = 0.03 m = 0.216 (10-3 ) m3 Qmax = y¿A¿ = 0.06(0.12)(0.03) = 27.0(10-6 ) m4 + 1 12 (0.15)(0.033 ) + 0.15(0.03)(0.165 - 0.12)2 I = 1 12 (0.03)(0.153 ) + 0.03(0.15)(0.12 - 0.075)2 = 0.12 m y = © ' y A ©A = 0.075(0.15)(0.03) + 0.165(0.03)(0.15) 0.15(0.03) + 0.03(0.15) Vmax = 27.5 kN 07 Solutions 46060 5/26/10 2:04 PM Page 490
  • 20.
    491 © 2010 PearsonEducation, Inc., Upper Saddle River, NJ. All rights reserved.This material is protected under all copyright laws as they currently exist. No portion of this material may be reproduced, in any form or by any means, without permission in writing from the publisher. using the method of sections, The neutral axis passes through centroid C of the cross-section, 490 The maximum shear stress occurs at points on the neutral axis since Q is maximum and thickness t = 0.03 m is the smallest. Ans.= 3.667(106 ) Pa = 3.67 MPa tmax = VC Qmax It = 13.75(103 ) C0.216(10-3 )D 27.0(10-6 ) (0.03) = 0.216 (10-3 ) m3 Qmax = y¿A¿ = 0.06 (0.12)(0.03) = 27.0 (10-6 ) m4 + 1 12 (0.15)(0.033 ) + 0.15(0.03)(0.165 - 0.12)2 I = 1 12 (0.03)(0.15) + 0.03(0.15)(0.12 - 0.075)2 = 0.12 m y = ©yA ©A = 0.075 (0.15)(0.03) + 0.165(0.03)(0.15) 0.15(0.03) + 0.03(0.15) VC = -13.75 kN + c©Fy = 0; VC + 17.5 - 1 2 (5)(1.5) = 0 •7–25. Determine the maximum shear stress in the T-beam at point C. Show the result on a volume element at this point. 3 m 1.5 m1.5 m 10 kN/m A 150 mm 150 mm 30 mm 30 mm B C 07 Solutions 46060 5/26/10 2:04 PM Page 491
  • 21.
    492 © 2010 PearsonEducation, Inc., Upper Saddle River, NJ. All rights reserved.This material is protected under all copyright laws as they currently exist. No portion of this material may be reproduced, in any form or by any means, without permission in writing from the publisher. Support Reactions: As shown on FBD. Internal Shear Force: As shown on shear diagram, . Section Properties: Maximum Shear Stress: Maximum shear stress occurs at the point where the neutral axis passes through the section. Applying the shear formula Ans.= 878.57(12.375) 77.625(0.5) = 280 psi tmax = VQmax It = 3.375(4)(0.75) + 1.5(3)(0.5) = 12.375 in3 Qmax = ©y¿A¿ INA = 1 12 (4) A7.53 B - 1 12 (3.5) A63 B = 77.625 in4 Vmax = 878.57 lb 7–26. Determine the maximum shear stress acting in the fiberglass beam at the section where the internal shear force is maximum. A 150 lb/ft D 0.75 in. 0.75 in.4 in. 6 in. 2 ft 6 ft6 ft 0.5 in. 200 lb/ft 4 in. 07 Solutions 46060 5/26/10 2:04 PM Page 492
  • 22.
    493 © 2010 PearsonEducation, Inc., Upper Saddle River, NJ. All rights reserved.This material is protected under all copyright laws as they currently exist. No portion of this material may be reproduced, in any form or by any means, without permission in writing from the publisher. The FBD is shown in Fig. a. Using the method of sections, Fig. b, The moment of inertia of the beam’s cross section about the neutral axis is QC and QD can be computed by refering to Fig. c. Shear Stress. since points C and D are on the web, . Ans. Ans.tD = VQD It = 9.00 (27) 276 (0.75) = 1.17 ksi tC = VQC It = 9.00 (33) 276 (0.75) = 1.43 ksi t = 0.75 in QD = yœ 3A¿ = 4.5 (1)(6) = 27 in3 = 33 in3 QC = ©y¿A¿ = 4.5 (1)(6) + 2 (4)(0.75) I = 1 12 (6)(103 ) - 1 12 (5.25)(83 ) = 276 in4 V = 9.00 kip. + c©Fy = 0; 18 - 1 2 (3)(6) - V = 0 7–27. Determine the shear stress at points C and D located on the web of the beam. A 3 kip/ft D D C C B 1 in. 1 in.6 in. 4 in. 4 in. 6 ft 6 ft6 ft 0.75 in. 6 in. 07 Solutions 46060 5/26/10 2:04 PM Page 493
  • 23.
    494 © 2010 PearsonEducation, Inc., Upper Saddle River, NJ. All rights reserved.This material is protected under all copyright laws as they currently exist. No portion of this material may be reproduced, in any form or by any means, without permission in writing from the publisher. The FBD is shown in Fig. a. The shear diagram is shown in Fig. b, . The moment of inertia of the beam’s cross-section about the neutral axis is From Fig. c The maximum shear stress occurs at points on the neutral axis since Q is the maximum and thickness is the smallest Ans.tmax = Vmax Qmax It = 18.0 (33) 276 (0.75) = 2.87 ksi t = 0.75 in = 33 in3 Qmax = ©y¿A¿ = 4.5 (1)(6) + 2(4)(0.75) = 276 in4 I = 1 12 (6)(103 ) - 1 12 (5.25)(83 ) Vmax = 18.0 kip *7–28. Determine the maximum shear stress acting in the beam at the critical section where the internal shear force is maximum. A 3 kip/ft D D C C B 1 in. 1 in.6 in. 4 in. 4 in. 6 ft 6 ft6 ft 0.75 in. 6 in. 07 Solutions 46060 5/26/10 2:04 PM Page 494
  • 24.
    495 © 2010 PearsonEducation, Inc., Upper Saddle River, NJ. All rights reserved.This material is protected under all copyright laws as they currently exist. No portion of this material may be reproduced, in any form or by any means, without permission in writing from the publisher. Force Equilibrium: The shaded area indicares the plastic zone. Isolate an element in the plastic zone and write the equation of equilibrium. This proves that the longitudinal shear stress. , is equal to zero. Hence the corresponding transverse stress, , is also equal to zero in the plastic zone. Therefore, the shear force is carried by the malerial only in the elastic zone. Section Properties: Maximum Shear Stress: Applying the shear formula However, hence ‚ (Q.E.D.)tmax = 3P 2A¿ A¿ = 2by¿ tmax = VQmax It = VAy¿3 b 2 B A2 3 by¿3 B(b) = 3P 4by¿ Qmax = y¿ A¿ = y¿ 2 (y¿)(b) = y¿2 b 2 INA = 1 12 (b)(2y¿)3 = 2 3 b y¿3 V = P tmax tlong tlong = 0 ;©Fx = 0; tlong A2 + sgA1 - sg A1 = 0 7–30. The beam has a rectangular cross section and is subjected to a load P that is just large enough to develop a fully plastic moment at the fixed support. If the material is elastic-plastic, then at a distance the moment creates a region of plastic yielding with an associated elastic core having a height This situation has been described by Eq. 6–30 and the moment M is distributed over the cross section as shown in Fig. 6–48e. Prove that the maximum shear stress developed in the beam is given by where the cross- sectional area of the elastic core. A¿ = 2y¿b,tmax = 3 21P>A¿2, 2y¿. M = Px x 6 L Mp = PL h b L P x Plastic region 2y¿ Elastic region 07 Solutions 46060 5/26/10 2:04 PM Page 495
  • 25.
    496 © 2010 PearsonEducation, Inc., Upper Saddle River, NJ. All rights reserved.This material is protected under all copyright laws as they currently exist. No portion of this material may be reproduced, in any form or by any means, without permission in writing from the publisher. Force Equilibrium: If a fully plastic moment acts on the cross section, then an element of the material taken from the top or bottom of the cross section is subjected to the loading shown. For equilibrium Thus no shear stress is developed on the longitudinal or transverse plane of the element. (Q. E. D.) tlong = 0 ; ©Fx = 0; sg A1 + tlong A2 - sg A1 = 0 7–31. The beam in Fig. 6–48f is subjected to a fully plastic moment Prove that the longitudinal and transverse shear stresses in the beam are zero.Hint: Consider an element of the beam as shown in Fig. 7–4c. Mp. Section Properties: Shear Flow: There are two rows of nails. Hence, the allowable shear flow . Ans.V = 444 lb 166.67 = V(12.0) 32.0 q = VQ I q = 2(500) 6 = 166.67 lb>in Q = y¿A¿ = 1(6)(2) = 12.0 in4 I = 1 12 (6)A43 B = 32.0 in4 *7–32. The beam is constructed from two boards fastened together at the top and bottom with two rows of nails spaced every 6 in. If each nail can support a 500-lb shear force, determine the maximum shear force V that can be applied to the beam. V 2 in. 6 in. 6 in. 6 in. 2 in. h b L P x Plastic region 2y¿ Elastic region 07 Solutions 46060 5/26/10 2:04 PM Page 496
  • 26.
    497 © 2010 PearsonEducation, Inc., Upper Saddle River, NJ. All rights reserved.This material is protected under all copyright laws as they currently exist. No portion of this material may be reproduced, in any form or by any means, without permission in writing from the publisher. Section Properties: Shear Flow: There are two rows of nails. Hence, the shear force resisted by each nail is Ans.F = a q 2 bs = a 225 lb>in. 2 b(6 in.) = 675 lb q = VQ I = 600(12.0) 32.0 = 225 lb>in. Q = y¿A¿ = 1(6)(2) = 12.0 in4 I = 1 12 (6)A43 B = 32.0 in4 •7–33. The beam is constructed from two boards fastened together at the top and bottom with two rows of nails spaced every 6 in. If an internal shear force of is applied to the boards, determine the shear force resisted by each nail. V = 600 lb V 2 in. 6 in. 6 in. 6 in. 2 in. 7–34. The beam is constructed from two boards fastened together with three rows of nails spaced If each nail can support a 450-lb shear force, determine the maximum shear force V that can be applied to the beam.The allowable shear stress for the wood is tallow = 300 psi. s = 2 in. apart. V 1.5 in. s s 6 in. 1.5 in.The moment of inertia of the cross-section about the neutral axis is Refering to Fig. a, The maximum shear stress occurs at the points on the neutral axis where Q is maximum and . Shear Flow: Since there are three rows of nails, Ans.V = 1350 lb = 1.35 kip qallow = VQA I ; 675 = V(6.75) 13.5 qallow = 3a F s b = 3a 450 2 b = 675 lb>in. V = 3600 lb = 3.60 kips tallow = VQmax It ; 300 = V(6.75) 13.5(6) t = 6 in QA = Qmax = y¿A¿ = 0.75(1.5)(6) = 6.75 in3 I = 1 12 (6)(33 ) = 13.5 in4 07 Solutions 46060 5/26/10 2:04 PM Page 497
  • 27.
    498 © 2010 PearsonEducation, Inc., Upper Saddle River, NJ. All rights reserved.This material is protected under all copyright laws as they currently exist. No portion of this material may be reproduced, in any form or by any means, without permission in writing from the publisher. The moment of inertia of the cross-section about the neutral axis is Refering to Fig. a, The maximum shear stress occurs at the points on the neutral axis where Q is maximum and . Ans. Since there are three rows of nails, Ans.s = 2.167 in = 2 1 8 in qallow = VQA I ; 1950 s = 1800(6.75) 13.5 qallow = 3a F s b = 3¢ 650 s ≤ = a 1950 s b lb in. V = 1800 lb = 1.80 kip tallow = VQmax It ; 150 = V(6.75) 13.5(6) t = 6 in QA = Qmax = y¿A¿ = 0.75(1.5)(6) = 6.75 in3 I = 1 12 (6)(33 ) = 13.5 in4 7–35. The beam is constructed from two boards fastened together with three rows of nails. If the allowable shear stress for the wood is determine the maximum shear force V that can be applied to the beam. Also, find the maximum spacing s of the nails if each nail can resist 650 lb in shear. tallow = 150 psi, V 1.5 in. s s 6 in. 1.5 in. 07 Solutions 46060 5/26/10 2:04 PM Page 498
  • 28.
    499 © 2010 PearsonEducation, Inc., Upper Saddle River, NJ. All rights reserved.This material is protected under all copyright laws as they currently exist. No portion of this material may be reproduced, in any form or by any means, without permission in writing from the publisher. Section Properties: Shear Flow: Since there are two shear planes on the bolt, the allowable shear flow is . Ans.s = 5.53 in. 30 s = 50(10.125) 93.25 q = VQ I q = 2(15) s = 30 s Q = ©y¿A¿ = 2.5(3)(0.5) + 4.25(3)(0.5) = 10.125 in3 = 93.25 in4 - 1 12 (0.5)A23 B + 1 12 (1)A63 B INA = 1 12 (3)A93 B - 1 12 (2.5)A83 B *7–36. The beam is fabricated from two equivalent structural tees and two plates. Each plate has a height of 6 in. and a thickness of 0.5 in. If a shear of is applied to the cross section, determine the maximum spacing of the bolts. Each bolt can resist a shear force of 15 kip. V = 50 kip 3 in. 3 in. A V 0.5 in. 1 in. 0.5 in. 6 in. ss NN Section Properties: Shear Flow: Since there are two shear planes on the bolt, the allowable shear flow is . Ans.y = 34.5 kip 3.75 = V(10.125) 93.25 q = VQ I q = 2(15) 8 = 3.75 kip>in Q = ©y¿A¿ = 2.5(3)(0.5) + 4.25(3)(0.5) = 10.125 in3 = 93.25 in4 - 1 12 (0.5)A23 B + 1 12 (1)A63 B INA = 1 12 (3)A93 B - 1 12 (2.5)A83 B •7–37. The beam is fabricated from two equivalent structural tees and two plates. Each plate has a height of 6 in. and a thickness of 0.5 in. If the bolts are spaced at determine the maximum shear force V that can be applied to the cross section. Each bolt can resist a shear force of 15 kip. s = 8 in., 3 in. 3 in. A V 0.5 in. 1 in. 0.5 in. 6 in. ss NN 07 Solutions 46060 5/26/10 2:04 PM Page 499
  • 29.
    500 © 2010 PearsonEducation, Inc., Upper Saddle River, NJ. All rights reserved.This material is protected under all copyright laws as they currently exist. No portion of this material may be reproduced, in any form or by any means, without permission in writing from the publisher. The neutral axis passes through centroid C of the cross-section as shown in Fig. a. Thus, Q for the shaded area shown in Fig. b is Since there are two rows of nails . Thus, the shear stress developed in the nail is Ans.tn = F A = 442.62 p 4 (0.0042 ) = 35.22(106 )Pa = 35.2 MPa F = 442.62 N q = VQ I ; 26.67 F = 2000 C0.375 (10-3 )D 63.5417 (10-6 ) q = 2a F s b = 2F 0.075 = (26.67 F) N>m Q = y¿A¿ = 0.0375 (0.05)(0.2) = 0.375(10-3 ) m3 = 63.5417(10-6 ) m4 + 1 12 (0.05)(0.23 ) + 0.05(0.2)(0.1375 - 0.1)2 I = 1 12 (0.2)(0.053 ) + 0.2 (0.05)(0.175 - 0.1375)2 y = © ' y A ©A = 0.175(0.05)(0.2) + 0.1(0.2)(0.05) 0.05(0.2) + 0.2(0.05) = 0.1375 m 7–38. The beam is subjected to a shear of Determine the average shear stress developed in each nail if the nails are spaced 75 mm apart on each side of the beam. Each nail has a diameter of 4 mm. V = 2 kN. 75 mm 75 mm 50 mm 25 mm 200 mm 200 mm 25 mm V 07 Solutions 46060 5/26/10 2:04 PM Page 500
  • 30.
    501 © 2010 PearsonEducation, Inc., Upper Saddle River, NJ. All rights reserved.This material is protected under all copyright laws as they currently exist. No portion of this material may be reproduced, in any form or by any means, without permission in writing from the publisher. Ans.F = q(s) = 49.997 (0.25) = 12.5 kN q = VQ I = 35 (0.386)(10-3 ) 0.270236 (10-3 ) = 49.997 kN>m Q = y¿A¿ = 0.06176(0.025)(0.25) = 0.386(10-3 ) m3 = 0.270236 (10-3 ) m4 + 1 12 (0.025)(0.35)3 + (0.025)(0.35)(0.275 - 0.18676)2 I = (2)a 1 12 b(0.025)(0.253 ) + 2 (0.025)(0.25)(0.18676 - 0.125)2 y = 2 (0.125)(0.25)(0.025) + 0.275 (0.35)(0.025) 2 (0.25)(0.025) + 0.35 (0.025) = 0.18676 m 7–39. A beam is constructed from three boards bolted together as shown. Determine the shear force developed in each bolt if the bolts are spaced apart and the applied shear is V = 35 kN. s = 250 mm s = 250 mm 250 mm100 mm 25 mm 25 mm 25 mm 350 mm V Support Reactions: As shown on FBD. Internal Shear Force: As shown on shear diagram, . Section Properties: Shear Flow: Since there are two shear planes on the bolt, the allowable shear flow is . Ans.s = 13.8 in. 1200 s = 1500(168) 2902 q = VQ I q = 2(600) s = 1200 s Q = y¿A¿ = 7(4)(6) = 168 in3 INA = 1 12 (7)A183 B - 1 12 (6)A103 B = 2902 in4 Vmax = 1500 lb *7–40. The double-web girder is constructed from two plywood sheets that are secured to wood members at its top and bottom. If each fastener can support 600 lb in single shear, determine the required spacing s of the fasteners needed to support the loading Assume A is pinned and B is a roller. P = 3000 lb. P B s A 2 in. 2 in. 10 in. 6 in. 0.5 in. 0.5 in. 2 in. 2 in. 4 ft 4 ft 07 Solutions 46060 5/26/10 2:04 PM Page 501
  • 31.
    502 © 2010 PearsonEducation, Inc., Upper Saddle River, NJ. All rights reserved.This material is protected under all copyright laws as they currently exist. No portion of this material may be reproduced, in any form or by any means, without permission in writing from the publisher. Support Reactions: As shown on FBD. Internal Shear Force and Moment: As shown on shear and moment diagram, and . Section Properties: Shear Flow: Assume bolt failure. Since there are two shear planes on the bolt, the allowable shear flow is . kip (Controls !) Ans. Shear Stress: Assume failure due to shear stress. Bending Stress: Assume failure due to bending stress. P = 107 ksi 8(103 ) = 2.00P(12)(9) 2902 smax = sallow = Mc I P = 22270 lb = 83.5 kip 3000 = 0.500P(208.5) 2902(1) tmax = tallow = VQmax It P = 6910 lb = 6.91 200 = 0.500P(168) 2902 q = VQ I q = 2(600) 6 = 200 lb>in Qmax = ©y¿A¿ = 7(4)(6) + 4.5(9)(1) = 208.5 in3 Q = yœ 2A¿ = 7(4)(6) = 168 in3 INA = 1 12 (7)A183 B - 1 12 (6)A103 B = 2902 in4 Mmax = 2.00PVmax = 0.500P •7–41. The double-web girder is constructed from two plywood sheets that are secured to wood members at its top and bottom. The allowable bending stress for the wood is and the allowable shear stress is If the fasteners are spaced and each fastener can support 600 lb in single shear, determine the maximum load P that can be applied to the beam. s = 6 in. tallow = 3 ksi.sallow = 8 ksi P B s A 2 in. 2 in. 10 in. 6 in. 0.5 in. 0.5 in. 2 in. 2 in. 4 ft 4 ft 07 Solutions 46060 5/26/10 2:04 PM Page 502
  • 32.
    503 © 2010 PearsonEducation, Inc., Upper Saddle River, NJ. All rights reserved.This material is protected under all copyright laws as they currently exist. No portion of this material may be reproduced, in any form or by any means, without permission in writing from the publisher. The neutral axis passes through the centroid c of the cross-section as shown in Fig. a. Refering to Fig. a, Qmax and QA are The maximum shear stress occurs at the points on the neutral axis where Q is maximum and . Ans. Here, .Then Ans.s = 1.134 in = 1 1 8 in qallow = VQA I ; 950 s = 8815.51(84) 884 qallow = F s = 950 s lb>in V = 8815.51 lb = 8.82 kip tallow = VQmax It ; 450 = V (90.25) 884 (2) t = 2 in QA = y2 œ A2 œ = 3.5 (2)(12) = 84 in3 Qmax = y1 œ A1 œ = 4.75(9.5)(2) = 90.25 in3 = 884 in4 + 1 12 (12)(23 ) + 12(2)(13 - 9.5)2 I = 1 12 (2)(123 ) + 2(12)(9.5 - 6)2 y = © ' y A ©A = 13(2)(12) + 6(12)(2) 2(12) + 12(2) = 9.5 in. 7–42. The T-beam is nailed together as shown. If the nails can each support a shear force of 950 lb, determine the maximum shear force V that the beam can support and the corresponding maximum nail spacing s to the nearest in. The allowable shear stress for the wood is .tallow = 450 psi 1 8 12 in. 12 in.2 in. 2 in. V s s 07 Solutions 46060 5/26/10 2:04 PM Page 503
  • 33.
    504 © 2010 PearsonEducation, Inc., Upper Saddle River, NJ. All rights reserved.This material is protected under all copyright laws as they currently exist. No portion of this material may be reproduced, in any form or by any means, without permission in writing from the publisher. 7–43. Determine the average shear stress developed in the nails within region AB of the beam.The nails are located on each side of the beam and are spaced 100 mm apart. Each nail has a diameter of 4 mm.Take P = 2 kN. The FBD is shown in Fig. a. As indicated in Fig. b, the internal shear force on the cross-section within region AB is constant that is . The neutral axis passes through centroid C of the cross section as shown in Fig. c. Q for the shaded area shown in Fig. d is Since there are two rows of nail, . Thus, the average shear stress developed in each nail is Ans.AtnailBavg = F Anail = 1500 p 4 (0.0042 ) = 119.37(106 )Pa = 119 MPa F = 1500 N q = VAB Q I ; 20F = 5(103 )C0.32(10-3 )D 53.333(10-6 ) q = 2 a F s b = 2 a F 0.1 b = 20F N>m Q = y¿A¿ = 0.04(0.04)(0.2) = 0.32(10-3 ) m3 = 53.333(10-6 ) m4 + 1 12 (0.2)(0.043 ) + 0.2(0.04)(0.18 - 0.14)2 I = 1 12 (0.04)(0.23 ) + 0.04(0.2)(0.14 - 0.1)2 = 0.14 m y = © ' y A ©A = 0.18(0.04)(0.2) + 0.1(0.2)(0.04) 0.04(0.2) + 0.2(0.04) VAB = 5 kN P 1.5 m 1.5 m B CA 40 mm 20 mm 20 mm 100 mm 200 mm 200 mm 2 kN/m 07 Solutions 46060 5/26/10 2:04 PM Page 504
  • 34.
    505 © 2010 PearsonEducation, Inc., Upper Saddle River, NJ. All rights reserved.This material is protected under all copyright laws as they currently exist. No portion of this material may be reproduced, in any form or by any means, without permission in writing from the publisher. The FBD is shown in Fig. a. As indicated the shear diagram, Fig. b, the maximum shear occurs in region AB of Constant value, . The neutral axis passes through Centroid C of the cross-section as shown in Fig. c. Refering to Fig. d, The maximum shear stress occurs at the points on Neutral axis where Q is maximum and . Since there are two rows of nails . Ans.P = 3.67 kN (Controls!) qallow = Vmax QA I ; 40 000 = (P + 3)(103 )C0.32(10-3 )D 53.333(10-6 ) qallow = 2 a F s b = 2 c 2(103 ) 0.1 d = 40 000 N>m P = 13.33 kN tallow = Vmax Qmax It ; 3(106 ) = (P + 3)(103 )C0.392(10-3 )D 53.333(10-6 )(0.04) t = 0.04 m QA = y2 œ A2 œ = 0.04(0.04)(0.2) = 0.32(10-3 ) m3 Qmax = y1 œ A1 œ = 0.07(0.14)(0.04) = 0.392(10-3 ) m3 = 53.333(10-6 ) m4 + 1 12 (0.2)(0.043 ) + 0.2(0.04)(0.18 - 0.142 ) I = 1 12 (0.04)(0.23 ) + 0.04(0.2)(0.14 - 0.1)2 = 0.14 m y = © ' y A ©A = 0.18(0.04)(0.2) + 0.1(0.2)(0.04) 0.04(0.2) + 0.2(0.04) Vmax = (P + 3) kN *7–44. The nails are on both sides of the beam and each can resist a shear of 2 kN. In addition to the distributed loading, determine the maximum load P that can be applied to the end of the beam. The nails are spaced 100 mm apart and the allowable shear stress for the wood is .tallow = 3 MPa P 1.5 m 1.5 m B CA 40 mm 20 mm 20 mm 100 mm 200 mm 200 mm 2 kN/m 07 Solutions 46060 5/26/10 2:04 PM Page 505
  • 35.
    506 © 2010 PearsonEducation, Inc., Upper Saddle River, NJ. All rights reserved.This material is protected under all copyright laws as they currently exist. No portion of this material may be reproduced, in any form or by any means, without permission in writing from the publisher. 7–44. Continued 07 Solutions 46060 5/26/10 2:04 PM Page 506
  • 36.
    507 © 2010 PearsonEducation, Inc., Upper Saddle River, NJ. All rights reserved.This material is protected under all copyright laws as they currently exist. No portion of this material may be reproduced, in any form or by any means, without permission in writing from the publisher. Support Reactions: As shown on FBD. Internal Shear Force: As shown on shear diagram, . Section Properties: Shear Flow: There are two rows of nails. Hence the allowable shear flow is . Ans.P = 6.60 kN 60.0A103 B = (P + 3)(103 )0.450(10-3 ) 72.0(10-6 ) q = VQ I q = 3(2) 0.1 = 60.0 kN>m Q = y¿A¿ = 0.06(0.25)(0.03) = 0.450A10-3 B m3 = 72.0A10-6 B m4 INA = 1 12 (0.31)A0.153 B - 1 12 (0.25)A0.093 B VAB = (P + 3) kN •7–45. The beam is constructed from four boards which are nailed together. If the nails are on both sides of the beam and each can resist a shear of 3 kN, determine the maximum load P that can be applied to the end of the beam. P 2 m 2 m 3 kN B CA 30 mm 30 mm 30 mm 100 mm 250 mm30 mm 150 mm 07 Solutions 46060 5/26/10 2:04 PM Page 507
  • 37.
    508 © 2010 PearsonEducation, Inc., Upper Saddle River, NJ. All rights reserved.This material is protected under all copyright laws as they currently exist. No portion of this material may be reproduced, in any form or by any means, without permission in writing from the publisher. Section Properties: Shear Flow: The allowable shear flow at points C and D is and , respectively. Ans. Ans.s¿ = 1.21 in. 100 s¿ = 700(39.6774) 337.43 qD = VQD I s = 8.66 in. 100 s = 700(5.5645) 337.43 qC = VQC I qB = 100 s¿ qC = 100 s QD = y2¿A¿ = (3.3548 - 0.5)(10)(1) + 2 C(3.3548 - 1.5)(3)(1)D = 39.6774 in3 QC = y1¿A¿ = 1.8548(3)(1) = 5.5645 in3 = 337.43 in4 + 1 12 (2)A33 B + 2(3)(3.3548 - 1.5)2 INA = 1 12 (10)A13 B + 10(1)(3.3548 - 0.5)2 = 3.3548 in y = ©yA ©A = 0.5(10)(1) + 1.5(2)(3) + 6(1.5)(10) 10(1) + 2(3) + 1.5(10) 7–47. The beam is made from four boards nailed together as shown. If the nails can each support a shear force of 100 lb., determine their required spacing sЈ and s if the beam is subjected to a shear of .V = 700 lb 1.5 in. 10 in. 2 in. B V 1 in. 10 in. 1 in. A 1 in. C s s D s¿ s¿ 07 Solutions 46060 5/26/10 2:04 PM Page 508
  • 38.
    509 © 2010 PearsonEducation, Inc., Upper Saddle River, NJ. All rights reserved.This material is protected under all copyright laws as they currently exist. No portion of this material may be reproduced, in any form or by any means, without permission in writing from the publisher. Ans. V = 485 lb qA s = 0.0516V(2) = 50 qA = 1 2 a VQA I b = V(20.4) 2(197.7) = 0.0516 V QA = y2 œ A¿ = 3.4(6)(1) = 20.4 in3 V = 317 lb (controls) qB s = 0.0789V(2) = 50 qB = 1 2 a VQB I b = V(31.2) 2(197.7) = 0.0789 V QB = y1 œ A¿ = 2.6(12)(1) = 31.2 in3 + 1 12 (6)(13 ) + 6(1)(6.5 - 3.1)2 = 197.7 in4 + 2a 1 12 b(1)(63 ) + 2(1)(6)(4 - 3.1)2 I = 1 12 (12)(13 ) + 12(1)(3.1 - 0.5)2 y = ©yA ©A = 0.5 (12)(1) + 2 (4)(6)(1) + (6.5)(6)(1) 12(1) + 2(6)(1) + (6)(1) = 3.1 in. *7–48. The box beam is constructed from four boards that are fastened together using nails spaced along the beam every 2 in. If each nail can resist a shear of 50 lb, determine the greatest shear V that can be applied to the beam without causing failure of the nails. 6 in. 1 in. 1 in. 1 in. 5 in. V 12 in. 2 in. 07 Solutions 46060 5/26/10 2:04 PM Page 509
  • 39.
    510510 © 2010 PearsonEducation, Inc., Upper Saddle River, NJ. All rights reserved.This material is protected under all copyright laws as they currently exist. No portion of this material may be reproduced, in any form or by any means, without permission in writing from the publisher. The moment of inertia of the cross-section about the neutral axis is Refering to Fig. a Fig. b, Due to symmety, the shear flow at points A and , Fig. a, and at points B and , Fig. b, are the same.Thus Ans. Ans.= 462.46(103 ) N>m = 462 kN>m qB = 1 2 a VQB I b = 1 2 c 300(103 ) C0.751(10-3 )D 0.24359(10-3 ) s = 228.15(103 ) N>m = 228 kN>m qA = 1 2 a VQA I b = 1 2 c 300(103 ) C0.3705(10-3 )D 0.24359(10-3 ) s B¿A¿ QB = 2yœ zA2 œ + y3 œ A3 œ = 2[0.1(0.2)(0.01)] + 0.195(0.01)(0.18) = 0.751(10-3 ) m3 QA = y1 œ A1 œ = 0.195 (0.01)(0.19) = 0.3705 (10-3 ) m3 I = 1 12 (0.2)(0.43 ) - 1 12 (0.18)(0.383 ) = 0.24359(10-3 ) m4 7–50. A shear force of is applied to the box girder. Determine the shear flow at points A and B. V = 300 kN 100 mm 90 mm90 mm 200 mm 200 mm 180 mm 190 mm 10 mm 10 mm V A D C B 07 Solutions 46060 5/26/10 2:04 PM Page 510
  • 40.
    © 2010 PearsonEducation, Inc., Upper Saddle River, NJ. All rights reserved.This material is protected under all copyright laws as they currently exist. No portion of this material may be reproduced, in any form or by any means, without permission in writing from the publisher. The moment of inertia of the cross-section about the neutral axis is Refering to Fig. a, due to symmetry .Thus Then refering to Fig. b, Thus, Ans. Ans.= 601.33(103 ) N>m = 601 kN>m qD = VQD I = 450(103 ) C0.3255(10-3 )D 0.24359(10-3 ) qC = VQC I = 0 = 0.3255(10-3 ) m3 QD = y1 œ A1 œ + y2 œ A2 œ = 0.195 (0.01)(0.09) + 0.15(0.1)(0.01) QC = 0 AC œ = 0 I = 1 12 (0.2)(0.43 ) - 1 12 (0.18)(0.383 ) = 0.24359(10-3 ) m4 7–51. A shear force of is applied to the box girder. Determine the shear flow at points C and D. V = 450 kN 100 mm 90 mm90 mm 200 mm 200 mm 180 mm 190 mm 10 mm 10 mm V A D C B 07 Solutions 46060 5/26/10 2:04 PM Page 511
  • 41.
    512 © 2010 PearsonEducation, Inc., Upper Saddle River, NJ. All rights reserved.This material is protected under all copyright laws as they currently exist. No portion of this material may be reproduced, in any form or by any means, without permission in writing from the publisher. Section Properties: Shear Flow: Ans. Ans.= 9437 N>m = 9.44 kN>m = 1 2 c 18(103 )(0.13125)(10-3 ) 125.17(10-6 ) d qB = 1 2 c VQB I d = 13033 N>m = 13.0 kN>m = 1 2 c 18(103 )(0.18125)(10-3 ) 125.17(10-6 ) d qA = 1 2 c VQA I d QB = y1 œ A¿ = 0.105(0.125)(0.01) = 0.13125A10-3 B m3 QA = y2 œ A¿ = 0.145(0.125)(0.01) = 0.18125A10-3 B m3 = 125.17A10-6 B m4 + 2c 1 12 (0.125)A0.013 B + 0.125(0.01)A0.1052 B d INA = 1 12 (0.145)A0.33 B - 1 12 (0.125)A0.283 B *7–52. A shear force of is applied to the symmetric box girder. Determine the shear flow at A and B. V = 18 kN C A 150 mm 10 mm 10 mm 100 mm 100 mm 10 mm 10 mm 125 mm 150 mm 10 mm 30 mm B V10 mm 07 Solutions 46060 5/26/10 2:04 PM Page 512
  • 42.
    513 © 2010 PearsonEducation, Inc., Upper Saddle River, NJ. All rights reserved.This material is protected under all copyright laws as they currently exist. No portion of this material may be reproduced, in any form or by any means, without permission in writing from the publisher. Section Properties: Shear Flow: Ans.= 38648 N>m = 38.6 kN>m = 1 2 c 18(103 )(0.5375)(10-3 ) 125.17(10-4 ) d qC = 1 2 c VQC I d = 0.5375A10-3 B m3 = 0.145(0.125)(0.01) + 0.105(0.125)(0.01) + 0.075(0.15)(0.02) QC = ©y¿A¿ = 125.17A10-6 B m4 +2c 1 12 (0.125)A0.013 B + 0.125(0.01)A0.1052 B d INA = 1 12 (0.145)A0.33 B - 1 12 (0.125)A0.283 B •7–53. A shear force of is applied to the box girder. Determine the shear flow at C. V = 18 kN C A 150 mm 10 mm 10 mm 100 mm 100 mm 10 mm 10 mm 125 mm 150 mm 10 mm 30 mm B V10 mm 07 Solutions 46060 5/26/10 2:04 PM Page 513
  • 43.
    514 © 2010 PearsonEducation, Inc., Upper Saddle River, NJ. All rights reserved.This material is protected under all copyright laws as they currently exist. No portion of this material may be reproduced, in any form or by any means, without permission in writing from the publisher. Ans. Ans.qB = VQB I = 150(8.1818)(10-6 ) 0.98197(10-6 ) = 1.25 kN>m qA = VQA I = 150(9.0909)(10-6 ) 0.98197(10-6 ) = 1.39 kN>m QB = yB¿A¿ = 0.027272(0.03)(0.01) = 8.1818(10-6 ) m3 QA = yA¿A¿ = 0.022727(0.04)(0.01) = 9.0909(10-6 ) m3 yA¿ = 0.027727 - 0.005 = 0.022727 m yB¿ = 0.055 - 0.027727 = 0.027272 m + 1 12 (0.04)(0.01)3 + 0.04(0.01)(0.055 - 0.027727)2 = 0.98197(10-6 ) m4 + 2c 1 12 (0.01)(0.06)3 + 0.01(0.06)(0.03 - 0.027727)2 d I = 2c 1 12 (0.03)(0.01)3 + 0.03(0.01)(0.027727 - 0.005)2 d y = 2[0.005(0.03)(0.01)] + 2[0.03(0.06)(0.01)] + 0.055(0.04)(0.01) 2(0.03)(0.01) + 2(0.06)(0.01) + 0.04(0.01) = 0.027727 m 7–54. The aluminum strut is 10 mm thick and has the cross section shown. If it is subjected to a shear of, , determine the shear flow at points A and B. V = 150 N 30 mm 40 mm 30 mm V A B40 mm 10 mm 10 mm 10 mm10 mm = 0.98197(10-6 ) m4 + 1 12 (0.04)(0.01)3 + 0.04(0.01)(0.055 - 0.027727)2 + 2c 1 12 (0.01)(0.06)3 + 0.01(0.06)(0.03 - 0.027727)2 d I = 2c 1 12 (0.03)(0.01)3 + 0.03(0.01)(0.027727 - 0.005)2 d = 0.027727 m y = 2[0.005(0.03)(0.01)] + 2[0.03(0.06)(0.01)] + 0.055(0.04)(0.01) 2(0.03)(0.01) + 2(0.06)(0.01) + 0.04(0.01) 7–55. The aluminum strut is 10 mm thick and has the cross section shown. If it is subjected to a shear of , determine the maximum shear flow in the strut. V = 150 N 30 mm 40 mm 30 mm V A B40 mm 10 mm 10 mm 10 mm10 mm Qmax = (0.055 - 0.027727)(0.04)(0.01) + 2[(0.06 - 0.027727)(0.01)]a 0.06 - 0.0277 2 b Ans.qmax = 1 2 a VQmax I b = 1 2 a 150(21.3(10-6 )) 0.98197(10-6 ) b = 1.63 kN>m = 21.3(10-6 ) m3 07 Solutions 46060 5/26/10 2:04 PM Page 514
  • 44.
    515 © 2010 PearsonEducation, Inc., Upper Saddle River, NJ. All rights reserved.This material is protected under all copyright laws as they currently exist. No portion of this material may be reproduced, in any form or by any means, without permission in writing from the publisher. y = ©yA ©A = 0.25(11)(0.5) + 2[4.5(8)(0.5)] + 6.25(10)(0.5) 11(0.5) + 2(8)(0.5) + 10(0.5) = 3.70946 in. *7–56. The beam is subjected to a shear force of . Determine the shear flow at points A and B.V = 5 kip A V 0.5 in. 0.5 in. 5 in. 5 in. 0.5 in. 2 in. 0.5 in. 8 in. B A C D I = 1 12 (11)(0.53 ) + 11(0.5)(3.70946 - 0.25)2 + 2c 1 12 (0.5)(83 ) + 0.5(8)(4.5 - 3.70946)2 d Ans. Ans.qB = 1 2 a VQB I b = 1 2 a 5(103 )(12.7027) 145.98 b = 218 lb>in. qA = 1 2 a VQA I b = 1 2 a 5(103 )(19.02703) 145.98 b = 326 lb>in. QB = yB œ A¿ = 2.54054(10)(0.5) = 12.7027 in3 QA = yA œ A¿ = 3.45946(11)(0.5) = 19.02703 in3 yB œ = 6.25 - 3.70946 = 2.54054 in. yA œ = 3.70946 - 0.25 = 3.45946 in. = 145.98 in4 + 1 12 (10)(0.53 ) + 10(0.5)(6.25 - 3.70946)2 Ans.= 414 lb>in. qmax = 1 2 a VQmax I b = 1 2 a 5(103 )(24.177) 145.98 b = 24.177 in3 Qmax = 3.4594 (11)(0.5) + 2[(1.6047)(0.5)(3.7094 - 0.5)] = 145.98 in4 + 1 12 (10)(0.53 ) + 10(0.5)(2.54052 ) I = 1 12 (11)(0.53 ) + 11(0.5)(3.45952 ) + 2c 1 12 (0.5)(83 ) + 0.5(8)(0.79052 )d y = ©yA ©A = 0.25(11)(0.5) + 2[4.5(8)(0.5)] + 6.25(10)(0.5) 11(0.5) + 2(8)(0.5) + 10(0.5) = 3.70946 in. •7–57. The beam is constructed from four plates and is subjected to a shear force of . Determine the maximum shear flow in the cross section. V = 5 kip A V 0.5 in. 0.5 in. 5 in. 5 in. 0.5 in. 2 in. 0.5 in. 8 in. B A C D 07 Solutions 46060 5/26/10 2:04 PM Page 515
  • 45.
    516 © 2010 PearsonEducation, Inc., Upper Saddle River, NJ. All rights reserved.This material is protected under all copyright laws as they currently exist. No portion of this material may be reproduced, in any form or by any means, without permission in writing from the publisher. Ans.qA = 75(103 )(0.3450)(10-3 ) 0.12025(10-3 ) = 215 kN>m q = VQ I QA = yA œ A¿ = 0.0575(0.2)(0.03) = 0.3450(10-3 ) m3 + 2c 1 12 (0.03)(0.23 ) + 0.03(0.2)(0.13 - 0.0725)2 d = 0.12025(10-3 ) m4 I = 1 12 (0.4)(0.033 ) + 0.4(0.03)(0.0725 - 0.015)2 y = ©yA ©A = 0.015(0.4)(0.03) + 2[0.13(0.2)(0.03)] 0.4(0.03) + 2(0.2)(0.03) = 0.0725 m 7–58. The channel is subjected to a shear of . Determine the shear flow developed at point A. V = 75 kN 200 mm 30 mm 30 mm V ϭ 75 kN 30 mm 400 mm A Ans.qmax = 75(103 )(0.37209)(10-3 ) 0.12025(10-3 ) = 232 kN>m Qmax = y¿A¿ = 0.07875(0.1575)(0.03) = 0.37209(10-3 ) m3 = 0.12025(10-3 ) m4 + 2c 1 12 (0.03)(0.23 ) + 0.03(0.2)(0.13 - 0.0725)2 d I = 1 12 (0.4)(0.033 ) + 0.4(0.03)(0.0725 - 0.015)2 = 0.0725 m y = ©yA ©A = 0.015(0.4)(0.03) + 2[0.13(0.2)(0.03)] 0.4(0.03) + 2(0.2)(0.03) 7–59. The channel is subjected to a shear of . Determine the maximum shear flow in the channel. V = 75 kN 200 mm 30 mm 30 mm V ϭ 75 kN 30 mm 400 mm A 07 Solutions 46060 5/26/10 2:04 PM Page 516
  • 46.
    517 © 2010 PearsonEducation, Inc., Upper Saddle River, NJ. All rights reserved.This material is protected under all copyright laws as they currently exist. No portion of this material may be reproduced, in any form or by any means, without permission in writing from the publisher. Section Properties: Shear Flow: Ans. At Ans.y = 0, q = qmax = 424 lb>in. = {424 - 136y2 } lb>in. = 2(103 )(0.55243 - 0.17678y2 ) 2.604167 q = VQ I = 0.55243 - 0.17678y2 Q = y¿A¿ = [0.25(3.53553) + 0.5y]a2.5 - y sin 45° b(0.25) INA = 2c 1 12 (0.35355)A3.535533 B d = 2.604167 in4 h = 5 cos 45° = 3.53553 in. b = 0.25 sin 45° = 0.35355 in. *7–60. The angle is subjected to a shear of . Sketch the distribution of shear flow along the leg AB. Indicate numerical values at all peaks. V = 2 kip 45Њ 45Њ V A B 5 in. 5 in. 0.25 in. 07 Solutions 46060 5/26/10 2:04 PM Page 517
  • 47.
    518 © 2010 PearsonEducation, Inc., Upper Saddle River, NJ. All rights reserved.This material is protected under all copyright laws as they currently exist. No portion of this material may be reproduced, in any form or by any means, without permission in writing from the publisher. y = ©yA ©A = (0.25)(11)(0.5) + 2(3.25)(5.5)(0.5) + 6.25(7)(0.5) 0.5(11) + 2(0.5)(5.5) + 7(0.5) = 2.8362 in. •7–61. The assembly is subjected to a vertical shear of . Determine the shear flow at points A and B and the maximum shear flow in the cross section. V = 7 kip 6 in. 0.5 in. 2 in. 2 in. 6 in. 0.5 in. V A B 0.5 in. 0.5 in. 0.5 in. I = 1 12 (11)(0.53 ) + 11(0.5)(2.8362 - 0.25)2 + 2a 1 12 b(0.5)(5.53 ) + 2(0.5)(5.5)(3.25 - 2.8362)2 Ans. Ans. Ans.qmax = 1 2 a 7(103 )(16.9531) 92.569 b = 641 lb>in. qB = 1 2 a 7(103 )(11.9483) 92.569 b = 452 lb>in. qA = 7(103 )(2.5862) 92.569 = 196 lb>in. q = VQ I Qmax = ©y¿A¿ = (3.4138)(7)(0.5) + 2(1.5819)(3.1638)(0.5) = 16.9531 in3 QB = y2¿A2¿ = (3.4138)(7)(0.5) = 11.9483 in3 QA = y1¿A1¿ = (2.5862)(2)(0.5) = 2.5862 in3 + 1 12 (7)(0.53 ) + (0.5)(7)(6.25 - 2.8362)2 = 92.569 in4 07 Solutions 46060 5/26/10 2:04 PM Page 518
  • 48.
    519 © 2010 PearsonEducation, Inc., Upper Saddle River, NJ. All rights reserved.This material is protected under all copyright laws as they currently exist. No portion of this material may be reproduced, in any form or by any means, without permission in writing from the publisher. Here Therefore Here Ans. occurs at ; therefore ; therefore QEDtmax = 2V A A = 2pRt tmax = V pR t y = 0tmax t = V pR2 t 2R2 - y2 cos u = 2R2 - y2 R t = VQ I t = V(2R2 t cos u) pR3 t(2t) = V cosu pR t = R3 t 2 [u - sin 2u 2 ] Η 2p 0 = R3 t 2 [2p - 0] = pR3 t I = L 2p 0 R3 t sin2 u du = R3 t L 2p 0 (1 - cos 2u) 2 du dI = y2 dA = y2 R t du = R3 t sin2 u du = R2 t [-cos (p - u) - (-cosu)] = 2R2 t cosu Q = L p-u u R2 t sin u du = R2 t(-cosu) | p-u u dQ = R2 t sin u du y = R sin u dQ = y dA = yR t du dA = R t du 7–62. Determine the shear-stress variation over the cross section of the thin-walled tube as a function of elevation y and show that , where Hint: Choose a differential area element . Using formulate Q for a circular section from to and show that where cos u = 2R2 - y2 >R.Q = 2R2 t cos u, (p - u)u dQ = ydA,dA = Rt du A = 2prt.tmax = 2V>A t y du ds R u 07 Solutions 46060 5/26/10 2:04 PM Page 519
  • 49.
    520 © 2010 PearsonEducation, Inc., Upper Saddle River, NJ. All rights reserved.This material is protected under all copyright laws as they currently exist. No portion of this material may be reproduced, in any form or by any means, without permission in writing from the publisher. Section Properties: Shear Flow Resultant: Shear Center: Summing moment about point A. Ans. Note that if , (I shape).e = 0b2 = b1 e = 3(b2 2 - b1 2 ) h + 6(b1 + b2) Pe = 3Pb2 2 hCh + 6(b1 + b2)D (h) - 3Pb1 2 hCh + 6(b1 + b2)D (h) Pe = AFfB2 h - AFfB1 h = 3Pb2 2 hCh + 6(b1 + b2)D (Ff)2 = L b2 0 q2 dx2 = 6P hCh + 6(b1 + b2)D L b2 0 x2 dx2 = 3Pb1 2 hCh + 6(b1 + b2)D (Ff)1 = L b1 0 q1 dx1 = 6P hCh + 6(b1 + b2)D L b1 0 x1 dx1 q2 = VQ2 I = PAht 2 x2B t h2 12 Ch + 6(b1 + b2)D = 6P hCh + 6(b1 + b2)D x2 q1 = VQ1 I = PAht 2 x1B t h2 12 Ch + 6(b1 + b2)D = 6P hCh + 6(b1 + b2)D x1 Q2 = y¿A¿ = h 2 (x2)t = h t 2 x2 Q1 = y¿A¿ = h 2 (x1)t = h t 2 x1 I = 1 12 t h3 + 2c(b1 + b2)ta h 2 b 2 d = t h2 12 Ch + 6(b1 + b2)D 7–63. Determine the location e of the shear center, point O, for the thin-walled member having the cross section shown where . The member segments have the same thickness t. b2 7 b1 Oh b2 b1 t e 07 Solutions 46060 5/26/10 2:04 PM Page 520
  • 50.
    521 © 2010 PearsonEducation, Inc., Upper Saddle River, NJ. All rights reserved.This material is protected under all copyright laws as they currently exist. No portion of this material may be reproduced, in any form or by any means, without permission in writing from the publisher. Section Properties: Shear Flow Resultant: Shear Center: Summing moments about point A, Ans.e = 3b2 2(d + 3b) Pe = c 3b2 sin 45° 2d(d + 3b) Pd(2d sin 45°) Pe = Ff(2d sin 45°) Ff = L b 0 qfdx = 3P sin 45° d(d + 3b) L b 0 xdx = 3b 2 sin 45° 2d(d + 3b) P qf = VQ I = P(td sin 45°)x td2 3 (d + 3b) = 3P sin 45° d(d + 3b) x Q = y¿A¿ = d sin 45° (xt) = (td sin 45°)x = td2 3 (d + 3b) I = 1 12 a t sin 45° b(2d sin 45°)3 + 2Cbt(d sin 45°)2 D *7–64. Determine the location e of the shear center, point O, for the thin-walled member having the cross section shown. The member segments have the same thickness t. 45Њ 45Њ d O b e 07 Solutions 46060 5/26/10 2:04 PM Page 521
  • 51.
    522 © 2010 PearsonEducation, Inc., Upper Saddle River, NJ. All rights reserved.This material is protected under all copyright laws as they currently exist. No portion of this material may be reproduced, in any form or by any means, without permission in writing from the publisher. Section Properties: Shear Flow Resultant: Shear Center: Summing moments about point A. Ans.e = 7 10 a Pe = 2a P 20 ba + a 3 10 Pb2a Pe = 2(Fw)1 (a) + Ff(2a) Ff = L a 0 q2 dx = 3P 20a2 L a 0 (a + 2x)dx = 3 10 P (Fw)1 = L a 0 q1 dy = 3P 20a3 L a 0 y2 dy = P 20 q2 = VQ2 I = PCat 2 (a + 2x)D 10 3 a3 t = 3P 20a2 (a + 2x) q1 = VQ1 I = PA1 2 y2 B 10 3 a3 t = 3P 20a3 y2 Q2 = ©y¿A¿ = a 2 (at) + a(xt) = at 2 (a + 2x) Q1 = y1 œ A¿ = y 2 (yt) = t 2 y2 I = 1 12 (2t)(2a)3 + 2CatAa2 B D = 10 3 a3 t •7–65. Determine the location e of the shear center, point O, for the thin-walled member having a slit along its side. Each element has a constant thickness t. t a e a a O 07 Solutions 46060 5/26/10 2:04 PM Page 522
  • 52.
    523 © 2010 PearsonEducation, Inc., Upper Saddle River, NJ. All rights reserved.This material is protected under all copyright laws as they currently exist. No portion of this material may be reproduced, in any form or by any means, without permission in writing from the publisher. Summing moments about A. Ans.e = 223 3 a F2 = V a (a) + 2 3 a V 2a b(a) = 4V 3 q2 = q1 + V(a>2)(t)(a>4) 1 4 t a3 = q1 + V 2a q1 = V(a)(t)(a>4) 1 4 t a3 = V a I = 1 12 (t)(a)3 + 1 12 a t sin 30° b(a)3 = 1 4 t a3 Pe = F2 a 13 2 ab 7–66. Determine the location e of the shear center, point O, for the thin-walled member having the cross section shown. a a a 60Њ 60Њ O e 07 Solutions 46060 5/26/10 2:04 PM Page 523
  • 53.
    524 © 2010 PearsonEducation, Inc., Upper Saddle River, NJ. All rights reserved.This material is protected under all copyright laws as they currently exist. No portion of this material may be reproduced, in any form or by any means, without permission in writing from the publisher. Shear Flow Resultant: The shear force flows through as Indicated by F1, F2, and F3 on FBD (b). Hence, The horizontal force equilibrium is not satisfied . In order to satisfy this equilibrium requirement. F1 and F2 must be equal to zero. Shear Center: Summing moments about point A. Ans. Also, The shear flows through the section as indicated by F1, F2, F3. However, To satisfy this equation, the section must tip so that the resultant of Also, due to the geometry, for calculating F1 and F3, we require . Hence, Ans.e = 0 F1 = F3 = P : + F3 : + F2 : F1 : + :©Fx Z 0 Pe = F2(0) e = 0 (©Fx Z 0) 7–67. Determine the location e of the shear center, point O, for the thin-walled member having the cross section shown. The member segments have the same thickness t. b b O t e h 2 h 2 07 Solutions 46060 5/26/10 2:04 PM Page 524
  • 54.
    525 © 2010 PearsonEducation, Inc., Upper Saddle River, NJ. All rights reserved.This material is protected under all copyright laws as they currently exist. No portion of this material may be reproduced, in any form or by any means, without permission in writing from the publisher. Thus, Summing moments about A: Ans.e = 1.26 r e = r (1.9634 + 2) 3.15413 Pe = Pr 3.15413 L p>2 -p>2 (0.625 + cos u)du Pe = L p>2 -p>2 (q r du)r q = VQ I = P(0.625 + cos u)t r2 3.15413 t r3 Q = 0.625 t r2 + t r2 cos u Q = a r 2 bt a r 4 + rb + L p>2 u r sin u(t r du) I = 1.583333t r3 + t r3 a p 2 b = 3.15413t r3 Isemi-circle = t r3 a p 2 b Isemi-circle = L p>2 -p>2 (r sin u) 2 t r du = t r3 L p>2 -p>2 sin2 u du = 1.583333t r3 + Isemi-circle I = (2)c 1 12 (t)(r>2)3 + (r>2)(t)ar + r 4 b 2 d + Isemi-circle *7–68. Determine the location e of the shear center, point O, for the beam having the cross section shown. The thickness is t. e O r 1 — 2 r 1 — 2 r 07 Solutions 46060 5/26/10 2:04 PM Page 525
  • 55.
    526 © 2010 PearsonEducation, Inc., Upper Saddle River, NJ. All rights reserved.This material is protected under all copyright laws as they currently exist. No portion of this material may be reproduced, in any form or by any means, without permission in writing from the publisher. Summing moments about A. (1) From Eq, (1). Ans.e = t 12I (6h1 h2 b + 3h2 b2 - 8h1 3 b) = b(6h1 h2 + 3h2 b - 8h1 3 ) 2h3 + 6bh2 - (h - 2h1)3 I = t 12 (2h3 + 6bh2 - (h - 2h1)3 ) Pe = Pt 2I [h1 h2 b - h1 2 hb + h2 b2 2 + hh1 2 b - 4 3 h1 3 b] F = L q2 dx = Pt 2I L b 0 [h1 (h - h1) + hx]dx = Pt 2I ah1 hb - h1 2 b + hb2 2 b q2 = VQ2 I = Pt 2I (h1 (h - h1) + hx) Q2 = ©y¿A¿ = 1 2 (h - h1)h1 t + h 2 (x)(t) = 1 2 t[h1 (h - h1) + hx] V = L q1 dy = Pt 2I L h1 0 (hy - 2h1 y + y2 )dy = Pt 2I c hh1 2 2 - 2 3 h1 3 d q1 = VQ I = Pt(hy - 2h1 y + y2 ) 2I Q1 = y¿A¿ = 1 2 (h - 2h1 + y)yt = t(hy - 2h1 y + y2 ) 2 = th3 6 + bth2 2 - t(h - 2h1)3 12 I = 1 12 (t)(h3 ) + 2b(t)a h 2 b 2 + 1 12 (t)[h3 - (h - 2h1)3 ] Pe = F(h) + 2V(b) •7–69. Determine the location e of the shear center, point O, for the thin-walled member having the cross section shown. The member segments have the same thickness t. h b e O h1 h1 07 Solutions 46060 5/26/10 2:04 PM Page 526
  • 56.
    527 © 2010 PearsonEducation, Inc., Upper Saddle River, NJ. All rights reserved.This material is protected under all copyright laws as they currently exist. No portion of this material may be reproduced, in any form or by any means, without permission in writing from the publisher. Summing moments about A. (1) dQ = y dA = r sinu(t r du) = r2 t sin u du = r3 t 2 2 (2a - 2 sina cosa) = r3 t 2 (2a - sin 2a) = r3 t 2 c ap + a - sin 2(p + a) 2 b - ap - a - sin 2(p - a) 2 b d = r3 t 2 (u - sin 2u 2 ) Η p+a p-a I = r3 t L sin2 u du = r3 t L p+a p-a 1 - cos 2u 2 du dI = y2 dA = r2 sin2 u(t r du) = r3 t sin2 udu y = r sin u dA = t ds = t r du P e = r L dF 7–70. Determine the location e of the shear center, point O, for the thin-walled member having the cross section shown. e r O a a t Q = r2 t L u p-a sinu du = r2 t (-cosu)| u p-a = r2 t(-cosu - cosa) = -r2 t(cosu + cosa) L dF = L q ds = L q r du q = VQ I = P(-r2 t)(cosu + cosa) r3 t 2 (2a - sin 2a) = -2P(cosu + cosa) r(2a - sin 2a) L dF = 2P r r(2a - sin 2a) L p+p p-a (cosu + cosa) du = -2P 2a - sin 2a (2a cosa - 2 sina) From Eq. (1); Ans.e = 4r (sina - a cosa) 2a - sin 2a P e = r c 4P 2a - sin 2a (sina - a cosa)d = 4P 2a - sin 2a (sina - a cosa) 07 Solutions 46060 5/26/10 2:04 PM Page 527
  • 57.
    528 © 2010 PearsonEducation, Inc., Upper Saddle River, NJ. All rights reserved.This material is protected under all copyright laws as they currently exist. No portion of this material may be reproduced, in any form or by any means, without permission in writing from the publisher. Section Properties: (Q.E.D) Shear Stress: Applying the shear formula , At At At Resultant Shear Force: For segment AB. Ans.= 9957 lb = 9.96 kip = L 0.8947 in 2.8947 in A3173.76 - 40.12y2 2 B dy = L 0.8947 in 2.8947 in A1586.88 - 20.06y2 2 B (2dy) VAB = L tAB dA y2 = 2.8947 in. tAB = 1419 psi = {1586.88 - 20.06y2 2 } psi tAB = VQ2 It = 35(103 )(79.12 - y2 2 ) 872.49(2) y1 = -2.8947 in. tCB = 355 psi y1 = 0, tCB = 523 psi = {522.77 - 20.06y1 2 } psi tCB = VQ1 It = 35(103 )(104.25 - 4y1 2 ) 872.49(8) t = VQ It = 79.12 - y2 2 Q2 = y2 œ A¿ = (4.44735 + 0.5y2)(8.8947 - y2)(2) = 104.25 - 4y1 2 Q1 = y1 œ A¿ = (2.55265 + 0.5y1)(5.1053 - y1)(8) = 872.49 in4 + 1 12 (2)A63 B + 2(6)(11 - 5.1053)2 INA = 1 12 (8)A83 B + 8(8)(5.1053 - 4)2 y = ©yA ©A = 4(8)(8) + 11(6)(2) 8(8) + 6(2) = 5.1053 in. 7–71. Sketch the intensity of the shear-stress distribution acting over the beam’s cross-sectional area, and determine the resultant shear force acting on the segment AB. The shear acting at the section is . Show that INA = 872.49 in4 . V = 35 kip 2 in. 3 in. 3 in. 6 in. 8 in. A B C V 07 Solutions 46060 5/26/10 2:04 PM Page 528
  • 58.
    529 © 2010 PearsonEducation, Inc., Upper Saddle River, NJ. All rights reserved.This material is protected under all copyright laws as they currently exist. No portion of this material may be reproduced, in any form or by any means, without permission in writing from the publisher. Section Properties: Shear Flow: Hence, the shear force resisted by each nail is Ans. Ans.FD = qDs = (460.41 lb>in.)(3 in.) = 1.38 kip FC = qCs = (65.773 lb>in.)(3 in.) = 197 lb qD = VQD I = 4.5(103 )(42.0) 410.5 = 460.41 lb>in. qC = VQC I = 4.5(103 )(6.00) 410.5 = 65.773 lb>in. QD = yœ 2A¿ = 3.50(12)(1) = 42.0 in2 QC = yœ 1A¿ = 1.5(4)(1) = 6.00 in2 = 410.5 in4 + 1 12 (1)A123 B + 1(12)(7 - 3.50)2 + 1 12 (2)A43 B + 2(4)(3.50 - 2)2 INA = 1 12 (10)A13 B + (10)(1)(3.50 - 0.5)2 y = © yA ©A = 0.5(10)(1) + 2(4)(2) + 7(12)(1) 10(1) + 4(2) + 12(1) = 3.50 in. *7–72. The beam is fabricated from four boards nailed together as shown. Determine the shear force each nail along the sides C and the top D must resist if the nails are uniformly spaced at The beam is subjected to a shear of V = 4.5 kip. s = 3 in. 1 in. 12 in. 3 in. B V 1 in. 10 in. A 1 in. 1 in. 07 Solutions 46060 5/26/10 2:04 PM Page 529
  • 59.
    530 © 2010 PearsonEducation, Inc., Upper Saddle River, NJ. All rights reserved.This material is protected under all copyright laws as they currently exist. No portion of this material may be reproduced, in any form or by any means, without permission in writing from the publisher. Section Properties: Ans. Shear Flow: Ans. Ans. Ans.qC = VQC I = 2(103 )(0.16424)(10-3 ) 86.93913(10-6 ) = 3.78 kN>m qB = VQB I = 2(103 )(52.57705)(10-6 ) 86.93913(10-6 ) = 1.21 kN>m qA = VQA I = 0 = 0.16424A10-3 B m3 = 0.03048(0.115)(0.015) + 0.08048(0.0925)(0.015) QC = ©y¿A¿ QB = ' y œ 1A¿ = 0.03048(0.115)(0.015) = 52.57705A10-6 B m3 QA = 0 = 86.93913A10-6 B m4 + 1 12 (0.015)A0.33 B + 0.015(0.3)(0.165 - 0.08798)2 + 1 12 (0.03)A0.1153 B + 0.03(0.115)(0.08798 - 0.0575)2 INA = 1 12 (0.2)A0.0153 B + 0.2(0.015)(0.08798 - 0.0075)2 = 0.08798 m = 0.0075(0.2)(0.015) + 0.0575(0.115)(0.03) + 0.165(0.3)(0.015) 0.2(0.015) + 0.115(0.03) + 0.3(0.015) y = © yA ©A •7–73. The member is subjected to a shear force of . Determine the shear flow at points A, B, and C. The thickness of each thin-walled segment is 15 mm. V = 2 kN 300 mm A B C 100 mm 200 mm V ϭ 2 kN 07 Solutions 46060 5/26/10 2:04 PM Page 530
  • 60.
    531 © 2010 PearsonEducation, Inc., Upper Saddle River, NJ. All rights reserved.This material is protected under all copyright laws as they currently exist. No portion of this material may be reproduced, in any form or by any means, without permission in writing from the publisher. Section Properties: Shear Flow: There are two glue joints in this case, hence the allowable shear flow is . Ans.V = 4100 lb = 4.10 kip 150 = V(3.50) 95.667 q = VQ I 2(75) = 150 lb>in Q = y¿A¿ = 1.75(4)(0.5) = 3.50 in3 = 95.667 in4 INA = 1 12 (1)A103 B + 2c 1 12 (4)A0.53 B + 4(0.5)A1.752 B d 7–74. The beam is constructed from four boards glued together at their seams. If the glue can withstand what is the maximum vertical shear V that the beam can support? 75 lb>in., 3 in. 4 in. 3 in. 3 in. 0.5 in. 0.5 in. 0.5 in.0.5 in. V Section Properties: Shear Flow: There are two glue joints in this case, hence the allowable shear flow is . Ans.V = 749 lb 150 = V(11.25) 56.167 q = VQ I 2(75) = 150 lb>in Q = y¿A¿ = 2.25(10)(0.5) = 11.25 in3 INA = 1 12 (10)A53 B - 1 12 (9)A43 B = 56.167 in4 7–75. Solve Prob. 7–74 if the beam is rotated 90° from the position shown. 3 in. 4 in. 3 in. 3 in. 0.5 in. 0.5 in. 0.5 in.0.5 in. V 07 Solutions 46060 5/26/10 2:04 PM Page 531