www.schneider-electric.com
Altivar 32
Variable speed drives
for synchronous and asynchronous motors
Programming Manual
03/2010
S1A28692
2 S1A28692 03/2010
The information provided in this documentation contains general descriptions and/or technical characteristics
of the performance of the products contained herein. This documentation is not intended as a substitute for
and is not to be used for determining suitability or reliability of these products for specific user applications. It
is the duty of any such user or integrator to perform the appropriate and complete risk analysis, evaluation and
testing of the products with respect to the relevant specific application or use thereof. Neither Schneider
Electric nor any of its affiliates or subsidiaries shall be responsible or liable for misuse of the information
contained herein. If you have any suggestions for improvements or amendments or have found errors in this
publication, please notify us.
No part of this document may be reproduced in any form or by any means, electronic or mechanical, including
photocopying, without express written permission of Schneider Electric.
All pertinent state, regional, and local safety regulations must be observed when installing and using this
product. For reasons of safety and to help ensure compliance with documented system data, only the
manufacturer should perform repairs to components.
When devices are used for applications with technical safety requirements, the relevant instructions must be
followed.
Failure to use Schneider Electric software or approved software with our hardware products may result in
injury, harm, or improper operating results.
Failure to observe this information can result in injury or equipment damage.
© 2010 Schneider Electric. All rights reserved.
S1A28692 03/2010 3
Table of Contents
Safety Information . . . . . . . . . . . . . . . . . . . . . . . . . . . . . . . . . . . . . . . . . . . . . . . . . . . . 7
About the Book. . . . . . . . . . . . . . . . . . . . . . . . . . . . . . . . . . . . . . . . . . . . . . . . . . . . . . . 8
General Overview . . . . . . . . . . . . . . . . . . . . . . . . . . . . . . . . . . . . . . . . . . . . . . . . . . . . . . . . . . 11
Chapter 1 Setup . . . . . . . . . . . . . . . . . . . . . . . . . . . . . . . . . . . . . . . . . . . . . . . . . . . . . . . . . . . . . . . 13
Steps for setting-up the drive . . . . . . . . . . . . . . . . . . . . . . . . . . . . . . . . . . . . . . . . . . . . 14
Preliminary recommendations . . . . . . . . . . . . . . . . . . . . . . . . . . . . . . . . . . . . . . . . . . . 15
Chapter 2 Overview . . . . . . . . . . . . . . . . . . . . . . . . . . . . . . . . . . . . . . . . . . . . . . . . . . . . . . . . . . . . 17
Factory configuration . . . . . . . . . . . . . . . . . . . . . . . . . . . . . . . . . . . . . . . . . . . . . . . . . . 18
Application functions. . . . . . . . . . . . . . . . . . . . . . . . . . . . . . . . . . . . . . . . . . . . . . . . . . . 19
Basic functions . . . . . . . . . . . . . . . . . . . . . . . . . . . . . . . . . . . . . . . . . . . . . . . . . . . . . . . 23
Graphic display terminal option . . . . . . . . . . . . . . . . . . . . . . . . . . . . . . . . . . . . . . . . . . 24
Powering up the drive for the first time . . . . . . . . . . . . . . . . . . . . . . . . . . . . . . . . . . . . . 27
Remote display terminal option . . . . . . . . . . . . . . . . . . . . . . . . . . . . . . . . . . . . . . . . . . 30
Structure of the parameter tables . . . . . . . . . . . . . . . . . . . . . . . . . . . . . . . . . . . . . . . . . 31
Finding a parameter in this document . . . . . . . . . . . . . . . . . . . . . . . . . . . . . . . . . . . . . 32
Description of the HMI . . . . . . . . . . . . . . . . . . . . . . . . . . . . . . . . . . . . . . . . . . . . . . . . . 33
Structure of the menus . . . . . . . . . . . . . . . . . . . . . . . . . . . . . . . . . . . . . . . . . . . . . . . . . 34
Programming . . . . . . . . . . . . . . . . . . . . . . . . . . . . . . . . . . . . . . . . . . . . . . . . . . . . . . . . . . . . . . 35
Chapter 3 Reference Mode (rEF) . . . . . . . . . . . . . . . . . . . . . . . . . . . . . . . . . . . . . . . . . . . . . . . . . 37
Introduction. . . . . . . . . . . . . . . . . . . . . . . . . . . . . . . . . . . . . . . . . . . . . . . . . . . . . . . . . . 38
Organization tree . . . . . . . . . . . . . . . . . . . . . . . . . . . . . . . . . . . . . . . . . . . . . . . . . . . . . 39
Menu . . . . . . . . . . . . . . . . . . . . . . . . . . . . . . . . . . . . . . . . . . . . . . . . . . . . . . . . . . . . . . 40
Chapter 4 Monitoring Mode (MOn) . . . . . . . . . . . . . . . . . . . . . . . . . . . . . . . . . . . . . . . . . . . . . . . . 41
Introduction. . . . . . . . . . . . . . . . . . . . . . . . . . . . . . . . . . . . . . . . . . . . . . . . . . . . . . . . . . 42
Organization tree . . . . . . . . . . . . . . . . . . . . . . . . . . . . . . . . . . . . . . . . . . . . . . . . . . . . . 43
Menu . . . . . . . . . . . . . . . . . . . . . . . . . . . . . . . . . . . . . . . . . . . . . . . . . . . . . . . . . . . . . . 44
[MONIT. MOTOR] ................................................................................................... 44
[I/O MAP] ............................................................................................................... 45
[MONIT. SAFETY] ................................................................................................... 48
[MONIT. FUN. BLOCKS] ......................................................................................... 49
[COMMUNICATION MAP] ....................................................................................... 50
[MONIT. PI] ............................................................................................................ 56
[MONIT. POWER TIME] .......................................................................................... 56
[ALARMS] .............................................................................................................. 57
[OTHER STATE] ..................................................................................................... 58
[DIAGNOSTICS] ..................................................................................................... 58
[PASSWORD] ......................................................................................................... 63
Chapter 5 Configuration Mode (ConF) . . . . . . . . . . . . . . . . . . . . . . . . . . . . . . . . . . . . . . . . . . . . . 65
Introduction. . . . . . . . . . . . . . . . . . . . . . . . . . . . . . . . . . . . . . . . . . . . . . . . . . . . . . . . . . 66
Organization tree . . . . . . . . . . . . . . . . . . . . . . . . . . . . . . . . . . . . . . . . . . . . . . . . . . . . . 67
My Menu . . . . . . . . . . . . . . . . . . . . . . . . . . . . . . . . . . . . . . . . . . . . . . . . . . . . . . . . . . . 68
Table of Contents
Table of Contents
4 S1A28692 03/2010
Factory Settings . . . . . . . . . . . . . . . . . . . . . . . . . . . . . . . . . . . . . . . . . . . . . . . . . . . . . . 69
Macro Configuration . . . . . . . . . . . . . . . . . . . . . . . . . . . . . . . . . . . . . . . . . . . . . . . . . . 70
Full . . . . . . . . . . . . . . . . . . . . . . . . . . . . . . . . . . . . . . . . . . . . . . . . . . . . . . . . . . . . . . . . 73
[SIMPLY START] .................................................................................................... 73
[SETTINGS] ........................................................................................................... 77
[MOTOR CONTROL] ............................................................................................... 92
[INPUTS / OUTPUTS CFG] ................................................................................... 112
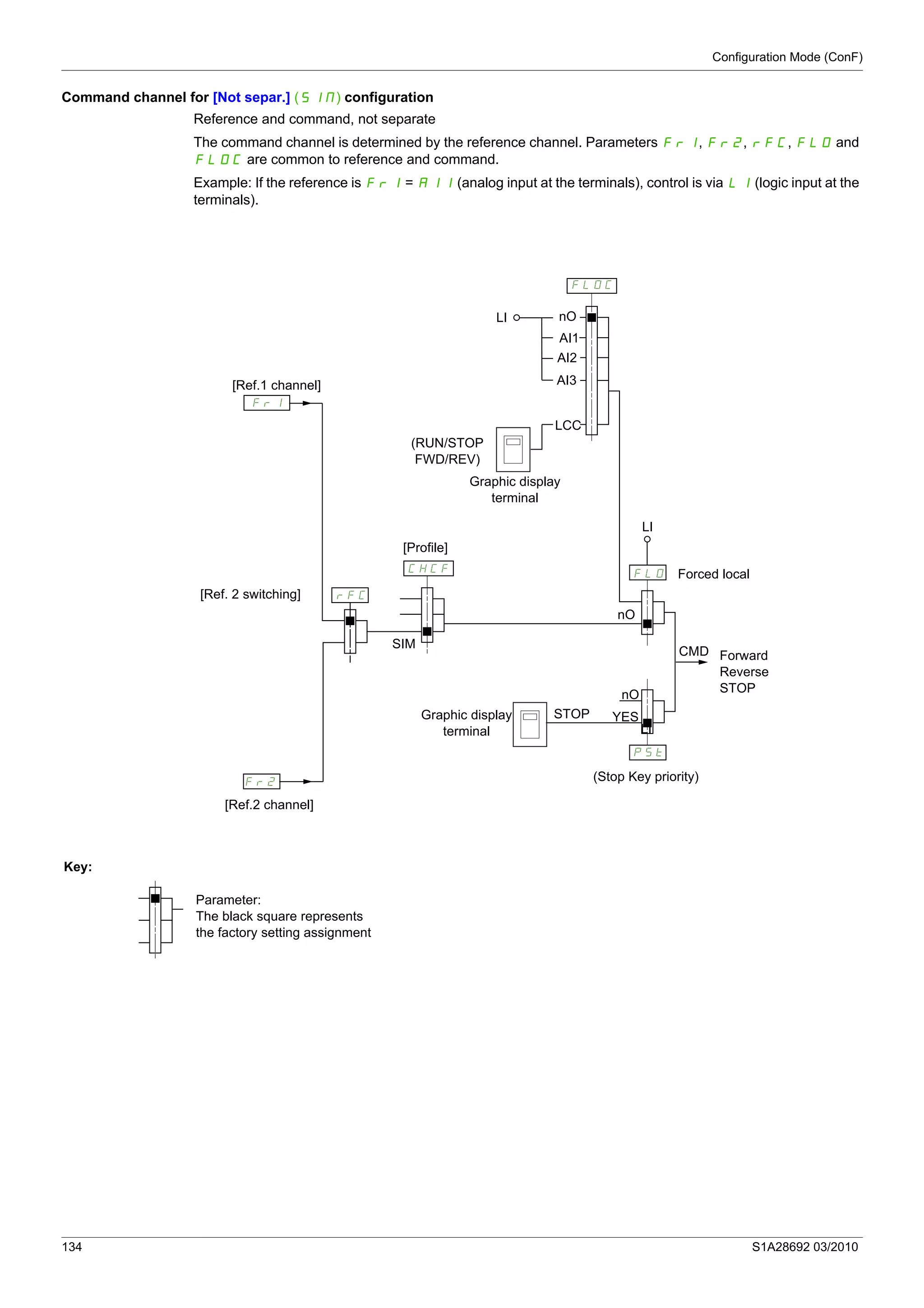
[COMMAND] ........................................................................................................ 139
[FUNCTION BLOCKS] ........................................................................................... 143
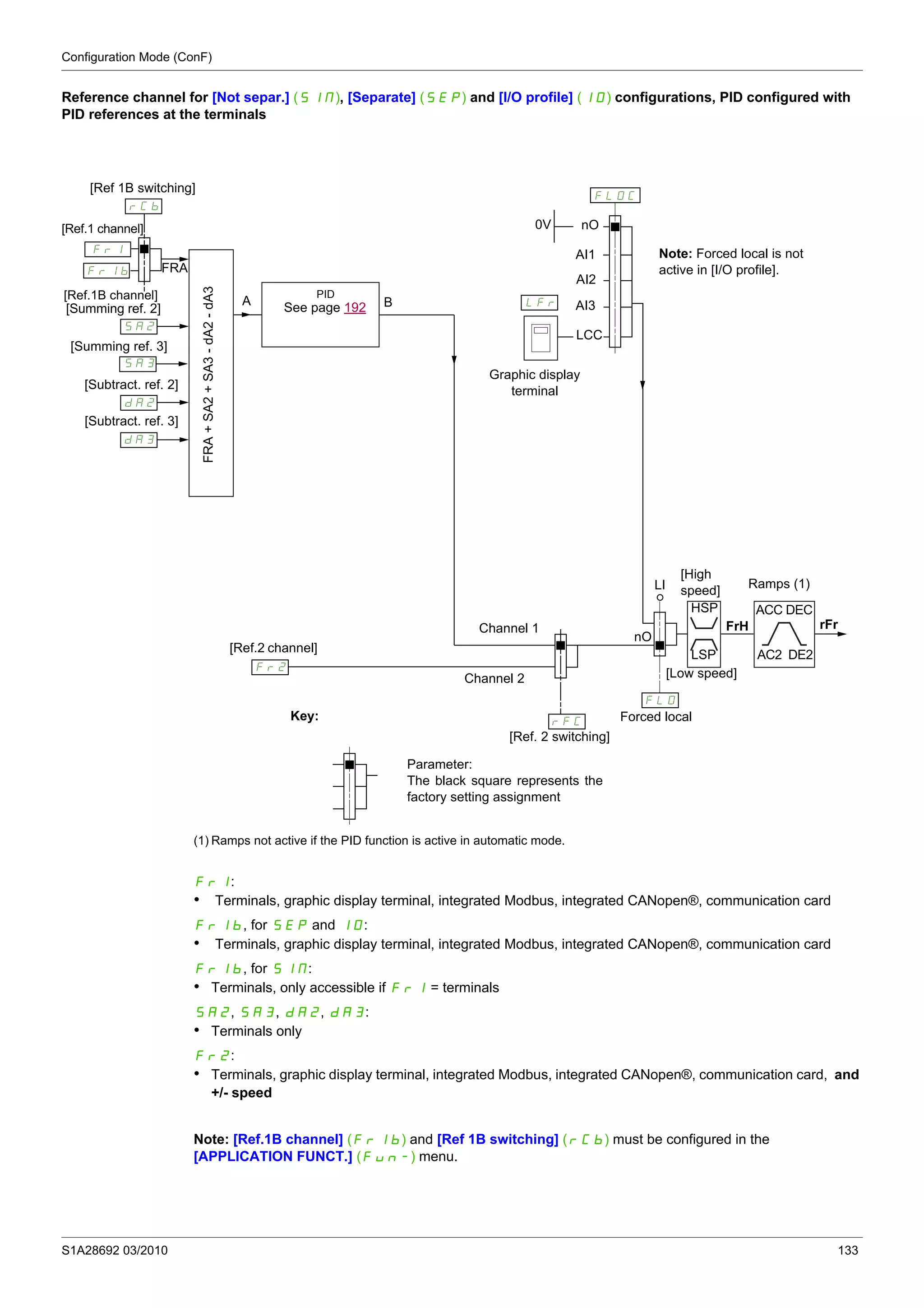
[APPLICATION FUNCT.] (FUn-) ............................................................................. 147
REFERENCE SWITCHING .............................................................................. 152
REFERENCE OPERATIONS............................................................................ 153
RAMP.......................................................................................................... 155
STOP CONFIGURATION................................................................................. 158
AUTO DC INJECTION..................................................................................... 161
JOG ............................................................................................................ 163
PRESET SPEEDS.......................................................................................... 165
+/- SPEED.................................................................................................... 169
+/- SPEED AROUND A REFERENCE ................................................................ 171
REFERENCE MEMORIZING ............................................................................ 173
FLUXING BY LOGIC INPUT ............................................................................. 174
BRAKE LOGIC CONTROL............................................................................... 176
EXTERNAL WEIGHT MEASUREMENT .............................................................. 184
HIGH SPEED HOISTING................................................................................. 186
PID REGULATOR .......................................................................................... 192
PID PRESET REFERENCES............................................................................ 200
TORQUE LIMITATION .................................................................................... 201
2ND CURRENT LIMITATION............................................................................ 204
LINE CONTACTOR COMMAND........................................................................ 205
OUTPUT CONTACTOR COMMAND .................................................................. 207
POSITIONING BY SENSORS........................................................................... 209
PARAMETER SET SWITCHING........................................................................ 214
MULTIMOTORS / MULTICONFIGURATIONS ...................................................... 217
AUTO TUNING BY LOGIC INPUT ..................................................................... 221
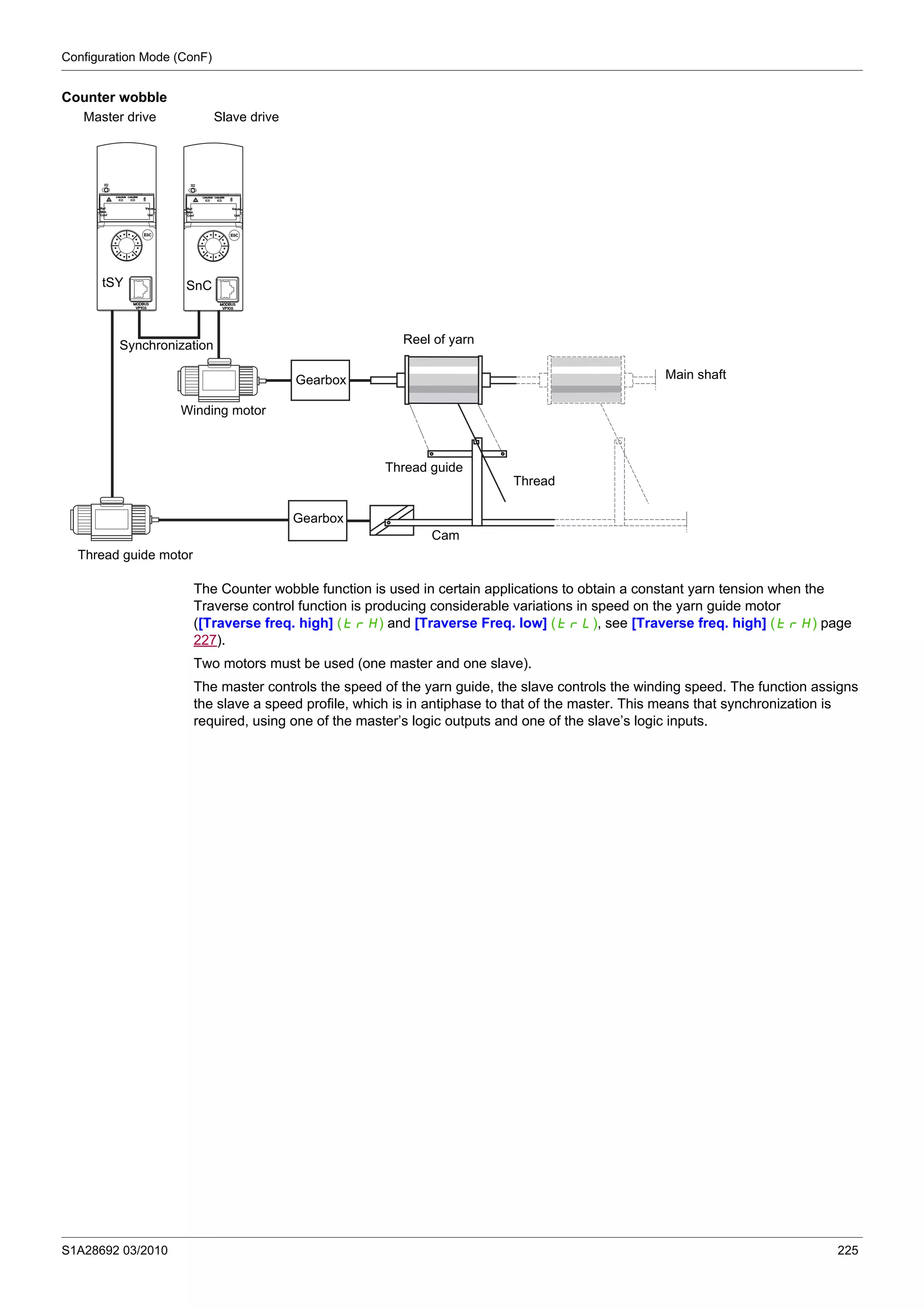
TRAVERSE CONTROL ................................................................................... 222
[COMMUNICATION] ............................................................................................. 256
Access Level . . . . . . . . . . . . . . . . . . . . . . . . . . . . . . . . . . . . . . . . . . . . . . . . . . . . . . . 260
Chapter 6 Interface (ItF). . . . . . . . . . . . . . . . . . . . . . . . . . . . . . . . . . . . . . . . . . . . . . . . . . . . . . . . 261
Access Level (LAC) . . . . . . . . . . . . . . . . . . . . . . . . . . . . . . . . . . . . . . . . . . . . . . . . . . 262
Language (LnG) . . . . . . . . . . . . . . . . . . . . . . . . . . . . . . . . . . . . . . . . . . . . . . . . . . . . . 264
Monitoring Configuration (MCF) . . . . . . . . . . . . . . . . . . . . . . . . . . . . . . . . . . . . . . . . . 265
Display configuration (dCF) . . . . . . . . . . . . . . . . . . . . . . . . . . . . . . . . . . . . . . . . . . . . 269
Chapter 7 Open / Save as (trA) . . . . . . . . . . . . . . . . . . . . . . . . . . . . . . . . . . . . . . . . . . . . . . . . . . 277
Chapter 8 Password (COd) . . . . . . . . . . . . . . . . . . . . . . . . . . . . . . . . . . . . . . . . . . . . . . . . . . . . . 281
Chapter 9 Multipoint Screen . . . . . . . . . . . . . . . . . . . . . . . . . . . . . . . . . . . . . . . . . . . . . . . . . . . . 283
Maintenance and Diagnostics . . . . . . . . . . . . . . . . . . . . . . . . . . . . . . . . . . . . . . . . . . . . . . 285
Chapter 10 Maintenance . . . . . . . . . . . . . . . . . . . . . . . . . . . . . . . . . . . . . . . . . . . . . . . . . . . . . . . . 287
Chapter 11 Diagnostics and Troubleshooting. . . . . . . . . . . . . . . . . . . . . . . . . . . . . . . . . . . . . . . 289
Error code. . . . . . . . . . . . . . . . . . . . . . . . . . . . . . . . . . . . . . . . . . . . . . . . . . . . . . . . . . 290
Clearing the detected fault . . . . . . . . . . . . . . . . . . . . . . . . . . . . . . . . . . . . . . . . . . . . . 290
Fault detection codes which require a power reset after the detected fault is cleared 291
Fault detection codes that can be cleared with the automatic restart function after the
cause has disappeared . . . . . . . . . . . . . . . . . . . . . . . . . . . . . . . . . . . . . . . . . . . . . . . . 293
Fault detection codes that are cleared as soon as their cause disappears . . . . . . . . 295
Table of Contents
S1A28692 03/2010 5
Option card changed or removed . . . . . . . . . . . . . . . . . . . . . . . . . . . . . . . . . . . . . . . . 295
Control block changed . . . . . . . . . . . . . . . . . . . . . . . . . . . . . . . . . . . . . . . . . . . . . . . . 295
Fault detection codes displayed on the remote display terminal . . . . . . . . . . . . . . . . 296
Annex . . . . . . . . . . . . . . . . . . . . . . . . . . . . . . . . . . . . . . . . . . . . . . . . . . . . . . . . . . . . . . . . . . . . 297
Chapter 12 Index of Functions . . . . . . . . . . . . . . . . . . . . . . . . . . . . . . . . . . . . . . . . . . . . . . . . . . . 299
Chapter 13 Index of Parameter Codes . . . . . . . . . . . . . . . . . . . . . . . . . . . . . . . . . . . . . . . . . . . . . 301
Table of Contents
6 S1A28692 03/2010
S1A28692 03/2010 7
§
Safety Information
Safety Information
Important Information
NOTICE
Read these instructions carefully, and look at the equipment to become familiar with the device before trying
to install, operate, or maintain it. The following special messages may appear throughout this documentation
or on the equipment to warn of potential hazards or to call attention to information that clarifies or simplifies a
procedure.
PLEASE NOTE
The word "drive" as used in this manual refers to the controller portion of the adjustable speed drive as defined
by NEC.
Electrical equipment should be installed, operated, serviced, and maintained only by qualified personnel. No
responsibility is assumed by Schneider Electric for any consequences arising out of the use of this product.
© 2010 Schneider Electric. All Rights Reserved.
The addition of this symbol to a Danger or Warning safety label indicates that an electrical hazard
exists, which will result in personal injury if the instructions are not followed.
This is the safety alert symbol. It is used to alert you to potential personal injury hazards. Obey all
safety messages that follow this symbol to avoid possible injury or death.
DANGER
DANGER indicates an imminently hazardous situation, which, if not avoided, will result in death or serious
injury.
WARNING
WARNING indicates a potentially hazardous situation, which, if not avoided, can result in death, serious
injury, or equipment damage.
CAUTION
CAUTION indicates a potentially hazardous situation, which, if not avoided, can result in injury or equipment
damage.
CAUTION
CAUTION, used without the safety alert symbol, indicates a potentially hazardous situation which, if not
avoided, can result in equipment damage.
8 S1A28692 04/2010
About the Book
About the Book
At a Glance
Document scope
The purpose of this document is to:
• help you to set-up the drive,
• show you how to program the drive,
• show you the different menus, modes and parameters,
• help you in maintenance and diagnostics.
Validity note
This documentation is valid for the Altivar 32 drive.
Related documents
You can download the latest versions of these technical publications and other technical information from our
website at www.schneider-electric.com.
Title of Documentation Reference Number
ATV32 Quick Start S1A41715
ATV32 Installation manual S1A28686
ATV32 Modbus manual S1A28698
ATV32 CANopen manual S1A28699
ATV32 Communication Parameters S1A44568
ATV32 Atex manual S1A45605
ATV32 Safety manual S1A45606
ATV32 other option manuals: see www.schneider-electric.com
About the Book
S1A28692 03/2010 9
Product related information
(1) For additional information, refer to NEMA ICS 1.1 (latest edition), “Safety Guidelines for the Application, Installation, and
Maintenance of Solid State Control” and to NEMA ICS 7.1 (latest edition), “Safety Standards for Construction and Guide
for Selection, Installation and Operation of Adjustable-Speed Drive Systems.”
DANGER
HAZARD OF ELECTRIC SHOCK, EXPLOSION OR ARC FLASH
• Read and understand this manual before installing or operating the Altivar 32 drive. Installation,
adjustment, repair, and maintenance must be performed by qualified personnel.
• The user is responsible for compliance with all international and national electrical code requirements with
respect to grounding of all equipment.
• Many parts of this drive, including the printed circuit boards, operate at the line voltage. DO NOT TOUCH.
Use only electrically insulated tools.
• DO NOT touch unshielded components or terminal strip screw connections with voltage present.
• DO NOT short across terminals PA/+ and PC/– or across the DC bus capacitors.
• Before servicing the drive:
- Disconnect all power, including external control power that may be present.
- Place a “DO NOT TURN ON” label on all power disconnects.
- Lock all power disconnects in the open position.
- WAIT 15 MINUTES to allow the DC bus capacitors to discharge.
- Measure the voltage of the DC bus between the PA/+ and PC/– terminals to ensure that the voltage is
less than 42 Vdc.
- If the DC bus capacitors do not discharge completely, contact your local Schneider Electric
representative. Do not repair or operate the drive.
• Install and close all covers before applying power or starting and stopping the drive.
Failure to follow these instructions will result in death or serious injury.
DANGER
UNINTENDED EQUIPMENT OPERATION
• Read and understand this manual before installing or operating the Altivar 32 drive.
• Any changes made to the parameter settings must be performed by qualified personnel.
Failure to follow these instructions will result in death or serious injury.
WARNING
DAMAGE DRIVE EQUIPMENT
Do not operate or install any drive or drive accessory that appears damaged.
Failure to follow these instructions can result in death, serious injury, or equipment damage.
WARNING
LOSS OF CONTROL
• The designer of any control scheme must
- consider the potential failure modes of control paths and, for certain critical control functions,
- provide a means to achieve a safe state during and after a path failure.
Examples of critical control functions are emergency stop and overtravel stop.
• Separate or redundant control paths must be provided for critical control functions.
• System control paths may include communication links. Consideration must be given to the implications
of unanticipated transmission delays or failures of the link.(1)
Failure to follow these instructions can result in death, serious injury, or equipment damage.
About the Book
10 S1A28692 03/2010
User comments
The word "drive" as used in this manual refers to the controller portion of the adjustable speed drive as defined by NEC.
CAUTION
INCOMPATIBLE LINE VOLTAGE
Before turning on and configuring the drive, ensure that the line voltage is compatible with the supply voltage
range shown on the drive nameplate. The drive may be damaged if the line voltage is not compatible.
Failure to follow these instructions can result in injury or equipment damage.
CAUTION
RISK OF DERATED PERFORMANCE DUE TO CAPACITOR AGING
The product capacitor performances after a long time storage above 2 years can be degraded.
In that case, before using the product, apply the following procedure:
• Use a variable AC supply connected between L1 and L2 (even for ATV32pppN4 references).
• Increase AC supply voltage to have:
- 25% of rated voltage during 30 min
- 50% of rated voltage during 30 min
- 75% of rated voltage during 30 min
- 100% of rated voltage during 30 min
Failure to follow these instructions can result in equipment damage.
S1A28692 03/2010 11
I
General Overview
What's in this Part?
This part contains the following chapters:
Chapter Chapter Name Page
1 Setup 13
2 Overview 17
12 S1A28692 03/2010
S1A28692 03/2010 13
Setup
1
Setup
What's in this Chapter?
This chapter contains the following topics:
Topic Page
Steps for setting-up the drive 14
Preliminary recommendations 15
Setup
14 S1A28692 03/2010
Steps for setting-up the drive
2. Apply input power to the drive, but do not give a run
command.
3. Configure:
• The nominal frequency of the motor
[Standard mot. freq] (bFr) page 74 if this is not 50 Hz.
• The motor parameters in the [MOTOR CONTROL] (drC-)
menu, page 92, only if the factory configuration of the drive is not
suitable.
• The application functions in the
[INPUTS / OUTPUTS CFG] (I_O-) menu, page 112, the
[COMMAND] (CtL-) menu, page 139, and the
[APPLICATION FUNCT.] (FUn-) menu, page 152, only if the
factory configuration of the drive is not suitable.
5. Start the drive.
1. Please refer to the installation manual.
PROGRAMMING
INSTALLATION
4. In the [SETTINGS] (SEt-) menu, adjust
the following parameters:
• [Acceleration] (ACC), page 75 and
[Deceleration] (dEC), page 75.
• [Low speed] (LSP), page 75 and
[High speed] (HSP), page 77.
• [Mot. therm. current] (ItH), page 75.
Tips:
• Before beginning programming, complete the customer
setting tables, page 301.
• Use the [Restore config.] (FCS) parameter, page 69, to
return to the factory settings at any time.
• To locate the description of a function quickly, use the index
of functions page 299.
• Before configuring a function, read carefully the "Function
compatibility" section page 150.
Note: The following operations must be performed for
optimum drive performance in terms of accuracy and
response time:
• Enter the values indicated on the motor rating plate in the
[MOTOR CONTROL] (drC-) menu, page 92.
• Perform auto-tuning with the motor cold and connected
using the [Auto-tuning] (tUn) parameter, page 75.
Setup
S1A28692 03/2010 15
Preliminary recommendations
Before powering up the drive
Start-up
Note: When factory settings apply and during power-up/manual reset or after a stop command, the motor can
only be powered once the "forward", "reverse" and "DC injection stop" commands have been reset. If they
have not been reset, the drive will display [Freewheel stop] (nSt) but will not start. If the automatic restart
function has been configured ([Automatic restart] (Atr) parameter in the
[FAULT MANAGEMENT] (FLt-) menu, page 232), these commands are taken into account without a
reset (to zero) being necessary.
Line contactor
Using a motor with a lower rating or dispensing with a motor altogether
With the factory settings, motor output phase loss detection is active ([Output Phase Loss] (OPL) =
[Yes] (YES), page 238). To avoid having to use a motor with the same rating as the drive when testing the
drive or during a maintenance phase, deactivate the motor output phase loss detection
([Output Phase Loss] (OPL) = [No] (nO)). This can prove particularly useful if very large drives are being
tested with a small motor.
Set [Motor control type] (Ctt), page 92, to [Standard] (Std) in [Motor control menu] (drC-).
DANGER
UNINTENDED EQUIPMENT OPERATION
Read and understand this manual before installing or operating the ATV32 drive.
Any changes made to the parameter settings must be performed by qualified personnel.
Check that all logic inputs are inactive to avoid any unintended operation.
Failure to follow these instructions will result in death or serious injury.
CAUTION
RISK OF DAMAGE TO DRIVE
Frequent use of the contactor will cause premature aging to the charge circuit of the filter capacitors.
Do not power-up the drive less than every 60 seconds.
Failure to follow these instructions can result in equipment damage.
CAUTION
RISK OF DAMAGE TO THE MOTOR
Motor thermal protection will not be provided by the drive if the motor 's nominal current is 20% lower than
that of the drive.
In this case, find an alternative source of thermal protection.
Failure to follow these instructions can result in equipment damage.
DANGER
HAZARD OF ELECTRIC SHOCK, EXPLOSION OR ARC FLASH
If [Output Phase Loss] (OPL) is set to [No] (nO), Loss of cable is not detected.
Check that this action will not endanger personnel or equipment in any way.
Failure to follow these instructions will result in death or serious injury.
Setup
16 S1A28692 03/2010
S1A28692 03/2010 17
Overview
2
Overview
What's in this Chapter?
This chapter contains the following topics:
Topic Page
Factory configuration 18
Application functions 19
Basic functions 23
Graphic display terminal option 24
Graphic display terminal option 24
Powering up the drive for the first time 27
Remote display terminal option 30
Structure of the parameter tables 31
Finding a parameter in this document 32
Description of the HMI 33
Structure of the menus 34
Overview
18 S1A28692 03/2010
Factory configuration
Factory settings
The Altivar 32 is factory-set for common operating conditions:
• Display: drive ready [Ready] (rdY) when motor is ready to run and motor frequency when motor is
running.
• The LI3 to LI6 logic inputs, AI2 and AI3 analog inputs, LO1 logic output, AO1 analog output, and R2 relay
are unassigned.
• Stop mode when fault detected: freewheel.
Note: If you want to keep the drive presettings to a minimum, select the macro configuration
[Macro configuration] (CFG) = [Start/stop] (StS) followed by
[Restore config.] (FCS) = [Config. CFG] (InI). For more information, see page 70.
Check whether the values above are compatible with the application.
Code Description Factory settings values Page
bFr [Standard mot. freq] [50Hz IEC] 74
tCC [2/3 wire control] [2 wire] (2C): 2-wire control 73
Ctt [Motor control type] [Standard] (Std): U/F 2 points (Volts/Hz) without internal speed loop 92
ACC [Acceleration] 3.0 seconds 75
dEC [Deceleration] 3.0 seconds 75
LSP [Low speed] 0 Hz 75
HSP [High speed] 50 Hz 75
ItH [Mot. therm. current] Nominal motor current (value depending on drive rating) 75
SdC1 [Auto DC inj. level 1] 0.7 x nominal drive current, for 0.5 seconds 81
SFr [Switching freq.] 4 kHz 82
Frd [Forward] [LI1] (LI1): Logic input LI1 113
rrS [Reverse assign.] [LI2] (LI2): Logic input LI2 113
Fr1 [Ref.1 channel] [AI1] (AI1): Analog input AI1 139
r1 [R1 Assignment] [No drive flt] (FLt): The contact opens when a fault is detected or
when the drive has been switched off
123
brA [Dec ramp adapt.] [Yes] (YES): Function active (automatic adaptation of deceleration
ramp)
157
Atr [Automatic restart] [No] (nO): Function inactive 234
Stt [Type of stop] [Ramp stop] (rMP): On ramp 158
CFG [Macro configuration] [Start/Stop] (StS) 70
Overview
S1A28692 03/2010 19
Application functions
The tables on the following pages show the combinations of functions and applications, in order to guide your
selection.
The applications in these tables relate to the following machines, in particular:
• Hoisting: cranes, overhead cranes, gantries (vertical hoisting, translation, slewing), lifting platforms
• Handling: palletizers/depalletizers, conveyors, roller tables
• Packing: carton packers, labeling machines
• Textiles: weaving looms, carding frames, washing machines, spinners, drawing frames
• Wood: automatic lathes, saws, milling
• Process
Each machine has its own special features, and the combinations listed here are neither mandatory nor
exhaustive.
Some functions are designed specifically for a particular application. In this case, the application is identified
by a tab in the margin on the relevant programming pages.
Motor control functions
Functions Page Applications
Hoisting
Handling
Packing
Textiles
Wood
Process
V/f ratio 92
b b
Sensorless flux vector control 92
b b b b b b
2-point vector control 92 b b
Open-loop synchronous motor 92
b
Output frequency up to 599 Hz 92
b b
Motor overvoltage limiting 107 b b
DC bus connection (see Installation manual) -
b b
Motor fluxing using a logic input 174
b b b
Switching frequency of up to 16 kHz 82 b b
Auto-tuning 75
b b b b b b
Overview
20 S1A28692 03/2010
Functions on speed references
Functions Page Applications
Hoisting
Handling
Packing
Textiles
Wood
Process
Differential bipolar reference 116
b b b
Reference delinearization (magnifying glass effect) 119
b b
Frequency control input 139 b b
Reference switching 152
b
Reference summing 153
b
Reference subtraction 153 b
Reference multiplication 153
b
Adjustable profile ramp 155
b b
Jog operation 163 b b b
Preset speeds 165
b b b
+ speed / - speed using single action pushbuttons
(1 step)
169
b
+ speed / - speed using double action pushbuttons
(2 steps)
169
b
+/- speed around a reference 172
b b
Save reference 173 b
Overview
S1A28692 03/2010 21
Application-Specific functions
Functions Page Applications
Hoisting
Handling
Packing
Textiles
Wood
Process
Fast stop 158
b
Brake control 176
b b
Load measurement 184 b
High-speed hoisting 186
b
Rope slack 189
b
PID regulator 192 b
Motor/generator torque limit 201
b b b
Load sharing 109
b b
Line contactor control 205 b b b
Output contactor control 208
b
Positioning by limit switches or sensors 209
b b b
Stop at distance calculated after deceleration limit switch 211 b b
Parameter switching 214
b b b b b b
Motor or configuration switching 217
b b b
Traverse control 222 b
Stop configuration 158
b b b
Function blocks (see dedicated document)
b b b b b b
Overview
22 S1A28692 03/2010
Safety functions/Fault management
Functions Page Applications
Hoisting
Handling
Packing
Textiles
Wood
Process
Safe Torque Off (STO) (Safety function, see dedicated
document)
-
b b b b b b
Deferred stop on thermal alarm 240
b b
Alarm handling 130
b b b b b b
Fault management 232 b b b b b b
IGBT tests 242
b b b b b b
Catch a spinning load 235
b b
Motor protection with PTC probes 232 b b b b b b
Undervoltage management 241
b b
4-20 mA loss 242
b b b b b
Uncontrolled output cut (output phase loss) 238 b
Automatic restart 234
b
Use of the "Pulse input" input to measure the speed of
rotation of the motor
246
b b
Load variation detection 248
b
Underload detection 251 b
Overload detection 253
b
Safety Integrated functions (see dedicated document)
b b b b b
Overview
S1A28692 03/2010 23
Basic functions
Drive ventilation
The fan starts automatically when the drive thermal state reaches 70% of the maximum thermal state and if
the [Fan Mode] (FFM) is set to [Standard] (Std).
Overview
24 S1A28692 03/2010
Graphic display terminal option
Description of the graphic display terminal
With the graphic display terminal, which works with FLASH V1.1IE26 or higher, it is possible to display more
detailed information than can be shown on the integrated display terminal.
Note: Keys 3, 4, 5 and 6 can be used to control the drive directly, if control via the graphic display terminal is
activated.
To activate the keys on the remote display terminal, you first have to configure
[Ref.1 channel] (Fr1) = [HMI] (LCC). For more information, see page 139.
1 Graphic display
2 Function keys
F1, F2, F3, F4,
see page 142
3 STOP/RESET
key
4 RUN key
5 Jog dial:
• Press (ENT):
- To save the current value
- To enter the selected menu or parameter
• Turn +/-:
- To increment or decrement a value
- To go to the next or previous line
- To increase or decrease the reference if control via the graphic
display terminal is activated
7 ESC key: Aborts a value, a
parameter or a menu to return to
the previous selection
6 Key for reversing the direction
of rotation of the motor
Overview
S1A28692 03/2010 25
Example configuration windows:
Single selection
Multiple selection
Example configuration window for one value:
The << and >> arrows (keys F2 and F3) are used to select the digit to be modified, and the jog dial is rotated
to increase or decrease this number.
Example visualization of function blocks state:
When powering up the graphic display terminal for the first time, the user has to select
the required language.
When only one selection is possible, the selection made is indicated by .
Example: Only one language can be chosen.
When multiple selection is possible, the selections made are indicated by .
Example: A number of parameters can be chosen to form the [USER MENU].
LANGUAGE
English
Français
Deutsch
Italiano
Español
Chinese
Русский
Türkçe
PARAMETER SELECTION
SETTINGS
Ramp increment
Acceleration-- - - - - - - -
Deceleration- - - - - - - - -
Acceleration 2- - - - - - - - -
Deceleration 2
Edit
RDY Term +0.0 Hz 0.0 A
Acceleration
9 .51s
Min = 0.00 Max = 99.99
<< >> Quick
ENT
RDY Term +0.0 Hz 0.0 A
Acceleration
9. 5 1s
Min = 0.00 Max = 99.99
<< >> Quick
OFF light: A valid function blocks program is in the ATV32 in stop mode.
ON light: A valid function blocks program is in the ATV32 in run mode. The
drive is considered as being in running state and configuration parameters
cannot be modified.
RDY Term +0.0 Hz 0.0 A
Acceleration
9 .51s
Min = 0.00 Max = 99.99
<< >> Quick
Overview
26 S1A28692 03/2010
Powering up the drive with Graphic display terminal for the first time
When powering up the graphic display terminal for the first time, the user has to select the required language.
Display after the graphic display terminal has been powered up for the first time.
Select the language and press ENT.
ENT
The drive's rating details will now appear.
3 seconds
ENT
LANGUAGE
English
Français
Deutsch
Italiano
Español
Chinese
Русский
Türkçe
ATV32HU15M2
1.5kW/2HP 220V Single
Config. n°0
RDY Term 0.0 Hz 0.0 A
ACCESS LEVEL
Basic
Standard
Advanced
Expert
RDY Term 0.0 Hz 0.0 A
1 DRIVE MENU
1.1 SPEED REFERENCE
1.2 MONITORING
1.3 CONFIGURATION
Code << >> Quick
Overview
S1A28692 03/2010 27
Powering up the drive for the first time
With the integrated display terminal, when powering up the drive for the first time, the user immediately
accesses to [Standard mot. freq] (bFr) (see page 74 ) in the menu (COnF > FULL > SIM).
Display after the drive has been powered up for the first time.
3 seconds
The [ACCESS LEVEL] screen follows automatically.
ENT
Automatically switches to the [1 DRIVE MENU] menu after 3 seconds.
Select the menu and press ENT.
ESC
The MAIN MENU appears on the graphic display terminal if you press the ESC key.
ATV32HU15M2
1.5kW/2HP 220V Single
Config. n°0
RDY Term 0.0 Hz 0.0 A
ACCESS LEVEL
Basic
Standard
Advanced
Expert
RDY Term 0.0 Hz 0.0 A
1 DRIVE MENU
1.1 SPEED REFERENCE
1.2 MONITORING
1.3 CONFIGURATION
Code << >> Quick
MAIN MENU
1 DRIVE MENU
2 IDENTIFICATION
3 INTERFACE
4 OPEN / SAVE AS
5 PASSWORD
Overview
28 S1A28692 03/2010
Subsequent power-ups
With the integrated display terminal, at subsequent power-ups of the drive for the first time, the user
immediately accesses to the drive state (Same liste than [Drive state] (HS1) page 59). Example : Ready
(rdY).
Display after powering up.
3 seconds
Automatically switches to the [1 DRIVE MENU] menu after 3 seconds.
Select the menu and press ENT.
10 seconds
Automatically switches to the monitoring screen after 10 seconds.
ATV32HU15M2
1.5kW/2HP 220V Single
Config. n°0
RDY Term 0.0 Hz 0.0 A
1 DRIVE MENU
1.1 SPEED REFERENCE
1.2 MONITORING
1.3 CONFIGURATION
Code << >> Quick
RDY Term +0.0 Hz 0.0 A
Frequency ref.
+1.3 Hz
Min =-599.0 Max = +599.0
Quick
Overview
S1A28692 03/2010 29
Identification menu
The [IDENTIFICATION] (OId-) menu can only be accessed on the graphic display terminal.
This is a read-only menu that cannot be configured. It enables the following information to be displayed:
• Drive reference, power rating and voltage
• Drive software version
• Drive serial number
• Safety function status and checksum
• Function blocks program and catalogue version
• Type of options present, with their software version
• Graphic display terminal type and version
ENT
RUN Term +50.0 Hz 0.0 A
MAIN MENU
1 DRIVE MENU
2 IDENTIFICATION
3 INTERFACE
4 OPEN / SAVE AS
5 PASSWORD
RUN Term +50.0 Hz 0.0 A
2 IDENTIFICATION
ATV32HU22M2
2.2 kW / 3 HP
220 V Single
Appl. software V1.1 IE 01
MC software V1.1 IE 01
<< >> Quick
FFFFFFFFF
Product V1.1 IE 01
SAFETY FUNCTIONS
Drive Safety status Standard
Safe param. CRC 8529
FUNCTION BLOCKS
Prg. format version 1
Catalogue version 1
OPTION 1
No option
GRAPHIC TERMINAL
GRAPHIC S
V1.2IE07
00000000000000000
Overview
30 S1A28692 03/2010
Remote display terminal option
Description of the remote display terminal
This remote display terminal is a local control unit which can be mounted on the door of the wall-mounted or
floor-standing enclosure. It has a cable with connectors, which is connected to the drive serial link (see the
documentation supplied with the remote display terminal). With this remote display terminal, up and down
arrows are used for navigation rather than a jog dial.
(1) If the drive is locked by a code ([PIN code 1] (COd) page 282), pressing the MODE key enables you to
switch from the [1.2 MONITORING] (MOn-) menu to the [1.1 SPEED REFERENCE] (rEF-) menu and
vice versa.
To activate the keys on the remote display terminal, you first have to configure [Ref.1 channel] (Fr1) =
[HMI] (LCC). For more information, see page 139.
1 Four digits display
2 MODE key (1):
Used to switch
[1.1 SPEED REFERENCE] (rEF-),
[1.2 MONITORING] (MOn-) and
[1.3 CONFIGURATION] (COnF-)
menus.
3 ESC key
Used to quit a menu/parameter or
remove the currently displayed value in
order to revert to the previous value
retained in the memory
4 RUN key
Executes the function
assuming it has been
configured
5 Navigation keys
6 ENT key
Used to save the current value or
access the selected menu/parameter
8 Key for reversing the direction of
rotation of the motor
7 STOP key
Used to stop the motor and perform a
reset
Overview
S1A28692 03/2010 31
Structure of the parameter tables
The parameter tables contained in the descriptions of the various menus are organized as follows.
Example:
Note: The text in square brackets [ ] indicates what you will see on the graphic display terminal.
A menu followed by the mention "(continued)" appears sometimes to locate you in the structure.
Example:
In this case, the mention "(continued)" indicates that the [APPLICATION FUNCT.] submenu is above the
[PID REGULATOR] submenu in the structure.
A parameter can contain some pictograms. Each pictogram has its legend at the end of the table.
Main mictograms:
Code Name / Description Adjustment range Factory setting
PId- [PID REGULATOR]
Note: This function cannot be used with certain other functions. Follow the instructions on page 147.
PIF [PID feedback ass.] [No] (nO)
nO
A11
A12
A13
PI
AIU2
OA01
...
OA10
[No] (nO): Not assigned
[Al1] (A11): Analog input A1
[Al2] (A12): Analog input A2
[Al3] (A13): Analog input A3
[RP] (PI): Pulse input
[AI virtual 2] (AIU2): Virtual analog input 2
[OA01] (OA01): Function blocks: Analog Output 01
...
[OA10] (OA10): Function blocks: Analog Output 10
1. Way to access the parameters described in this page 5. Name of submenu on graphic display terminal
2. Submenu code on 4-digit 7-segment display 6. Name of parameter on graphic display terminal
3. Parameter code on 4-digit 7-segment display 7. Value of parameter on graphic display terminal
4. Parameter value on 4-digit 7-segment display
FUn- [APPLICATION FUNCT.] (continued)
PId- [PID REGULATOR]
Note: This function cannot be used with certain other functions. Follow the instructions on page 147.
DRI- > CONF > FULL > FUN-Parameters described in this page can be accessed by:
1
3
2
4
5
6
7
g
These parameters only appear if the corresponding function has been selected in another menu. When the parameters can
also be accessed and adjusted from within the configuration menu for the corresponding function, their description is detailed
in these menus, on the pages indicated, to aid programming.
Parameter that can be modified during operation or when stopped.
To change the assignment of this parameter, press the ENT key for 2 s.2 s
Overview
32 S1A28692 03/2010
Finding a parameter in this document
The following assistance with finding explanations on a parameter is provided:
• With the integrated display terminal and the remote display terminal: Direct use of the parameter code
index, page 301, to find the page giving details of the displayed parameter.
• With the graphic display terminal: Select the required parameter and press F1 : [Code]. The
parameter code is displayed instead of its name while the key is held down.
Example: ACC
• Then use the parameter code index, page 301, to find the page giving details of the displayed parameter.
RDY Term +0.0 Hz 0.0 A
SETTINGS
Ramp increment : 0.1
Acceleration : 9.51 s
Deceleration : 9.67 s
Low speed : 0.0 Hz
High speed : 50.0 Hz
Code << >> Quick
Code
RDY Term +0.0 Hz 0.0 A
SETTINGS
Ramp increment : 0.1
ACC : 9.51 s
Deceleration : 9.67 s
Low speed : 0.0 Hz
High speed : 50.0 Hz
Code << >> Quick
Overview
S1A28692 03/2010 33
Description of the HMI
Normal display, with no fault code displayed and no startup:
Displays the parameter selected in the [1.2 MONITORING] (MOn-) menu (default:
[Frequency ref.] (FrH)).
• InIt: Initialization sequence (only on remote display terminal)
• tUN: AutoTuning
• dCb: Injection braking
• rdY: Drive ready
• nSt: Freewheel stop control
• CLI: Current limit
• FSt: Fast stop
• FLU: Fluxing function is activated
• nLP: Control is powered on but the DC bus is not loaded
• CtL: Controlled stop
• Obr: Adapted deceleration
• SOC: Stand by output cut
• USA: Undervoltage alarm
• SS1: Safety SS1 level
• SLS: Safety SLS level
• StO: Safety STO level
In the event of a detected fault, the display will flash to notify the user accordingly. If a graphic display terminal
is connected, the name of the detected fault will be displayed.
A REF mode selected (rEF-) E Dot used to display parameter value (1/10 unit)
B MON mode selected (MOn-) F Current display is parameter value
C CONF mode selected (COnF) G Current display is parameter unit
D Dot used to display parameter value (1/100 unit)
Functions of the Display and the
Keys
1 The ESC key is used for menu
navigation (backward) and parameters
adjustment (cancel)
2 The Jog dial is used for menu
navigation (up or down) and parameters
adjustment (increase/decrease value or
element choice). It can be used as
Virtual analogic input 1 for drive
frequency reference.
3 The ENT key (push on the Jog dial) is
used for menu navigation (forward) and
parameters adjustment (validate)
88 88
A
B
C
D
F
G
E
1
3
2
Overview
34 S1A28692 03/2010
Structure of the menus
On the 7-segment display, a dash after menu and submenu codes is used to differentiate them from
parameter codes.
Example: [APPLICATION FUNCT.] (FUn-) menu, [Acceleration] (ACC) parameter
Selection of multiple assignments for one parameter
Example: List of group 1 alarms in [INPUTS / OUTPUTS CFG] (I_O-) menu
A number of alarms can be selected by "checking" them as follows.
The digit on the right indicates:
The same principle is used for all multiple selections.
Powering up Parameter selection
This parameter is only visible when
the drive is powered up for the first
time.
The setting can be amended
subsequently in the menu
[MOTOR CONTROL] (drC-) for
[Standard mot. freq] (bFr)
[1.1 SPEED REFERENCE] (rEF-)
[1.2 MONITORING] (MOn-)
[1.3 CONFIGURATION] (COnF)
= ENT
rEF-
MOn-
COnF
bFr
ESC = ESC
= ENT
ESC
ENT
ESC
ESC
ENT
ENT
ESC
Inr
ESC = ESC
01SEt-
ACC
FFM
001
001
selected not selected
S1A28692 03/2010 35
II
Programming
What's in this Part?
This part contains the following chapters:
Chapter Chapter Name Page
3 Reference Mode (rEF) 37
4 Monitoring Mode (MOn) 41
5 Configuration Mode (ConF) 65
6 Interface (ItF) 261
7 Open / Save as (trA) 277
8 Password (COd) 281
9 Multipoint Screen 283
36 S1A28692 03/2010
S1A28692 03/2010 37
Reference Mode (rEF)
3
Reference Mode (rEF)
What's in this Chapter?
This chapter contains the following topics:
Topic Page
Introduction 38
Organization tree 39
Menu 40
Reference Mode (rEF)
38 S1A28692 03/2010
Introduction
Use the reference mode to monitor and, if the reference channel is the analog input 1 ([Ref.1 channel] (Fr1)
page 139 set to [AI virtual 1] (AIU1)), adjust the actual reference value by modifying the analog input
voltage value.
If local control is enabled ([Ref.1 channel] (Fr1) page 139 set to [HMI] (LCC)), the jog dial on the remote
display terminal or the Up/Down Navigation keys on the remote display terminal acts as a potentiometer to
change the reference value up and down within the limits preset by other parameters ([Low speed] (LSP)
or [High speed] (HSP)).
There is no need to press the ENT key to confirm the change of the reference.
Reference Mode (rEF)
S1A28692 03/2010 39
Organization tree
(1) Depending on the active reference channel
Possible values:
(AIU1)
(LFr)
(MFr)
(rPI)
(FrH)
(rPC)
(2) 2 s or ESC
Displayed parameter value and unit of the diagram are
given as examples.
Value – Unit
ESC
ESC
ENT
ENT
(1)
(2)
= ENTrEF
51.3 HErt
ESC = ESC
Reference Mode (rEF)
40 S1A28692 04/2010
Parameters described in this page can be accessed by:
Menu
(1) It is not necessary to press the ENT key to confirm the modification of the reference.
Code Name / Description Adjustment range Factory setting
drI- [1 DRIVE MENU]
rEF- [1.1 SPEED REFERENCE]
Displayed parameters depend on drive settings.
AIU1
g
(1)
[Image input AIV1] 0 to 100% of HSP-LSP 0%
First virtual AI value.
This parameter allows to modify the frequency reference with the embedded jog dial.
LFr
g
(1)
[HMI Frequency ref.] -599 to +599 Hz 0 Hz
HMI frequency reference (signed value).
This parameter allows to modify the frequency reference with the remote HMI.
MFr [Multiplying coeff.] 0 to 100% 100%
g Multiply frequency variable.
Multiplying coefficient, can be accessed if [Multiplier ref.-] (MA2,MA3) page 154 has been assigned to the graphic terminal.
rPI [Internal PID ref.] 0 to 32,767 150
g
(1)
PID: Internal reference PI.
This parameter allows to modify the PID internal reference with the jog dial.
Internal PID reference is visible if [PID feedback] (PIF) is not set to [No] (nO).
FrH [Frequency ref.] -599 to +599 Hz -
g
Frequency reference before ramp (signed value).
Actual frequency reference applied to the motor regardless of which reference channel has been selected. This parameter is in
read-only mode.
Frequency reference is visible if the command channel is not HMI or virtual AI.
rPC [PID reference] 0 to 65,535 -
g PID: Setpoint value.
PID reference is visible if [PID feedback] (PIF) is not set to [No] (nO).
g
These parameters only appear if the corresponding function has been selected in another menu. When the parameters can
also be accessed and adjusted from within the configuration menu for the corresponding function, their description is detailed
in these menus, on the pages indicated, to aid programming.
Parameter that can be modified during operation or when stopped.
DRI- > REF-
S1A28692 03/2010 41
Monitoring Mode (MOn)
4
Monitoring Mode (MOn)
What's in this Chapter?
This chapter contains the following topics:
Topic Page
Introduction 42
Organization tree 43
Menu 44
Monitoring Mode (MOn)
42 S1A28692 03/2010
Introduction
The parameters can be accessed when the drive is running or stopped.
Some functions have numerous parameters. In order to clarify programming and avoid having to scroll through
endless parameters, these functions have been grouped in submenus. Like menus, submenus are identified
by a dash after their code.
When the drive is running, the value displayed is one of the monitoring parameters. By default, the value
displayed is the input frequency reference ([Frequency ref.] (FrH) parameter page 44).
While the value of the new monitoring parameter required is being displayed, press a second time on the jog
dial key to display the units or press and hold down the jog dial (ENT) again (for 2 seconds) to confirm the
change of monitoring parameter and store it. From then on, it is the value of this parameter that will be
displayed during operation (even after powering down).
Unless the new choice is confirmed by pressing and holding down ENT again, the display will revert to the
previous parameter after powering down.
Note: After the drive has been turned off or following a loss of line supply, the parameter displayed is the drive
status (example: [Ready] (rdY)). The selected parameter is displayed following a run command.
Monitoring Mode (MOn)
S1A28692 03/2010 43
Organization tree
Displayed parameters of the diagram are
given as examples.
(1) Visible only with graphic display
terminal
= ENT
ENT
ESC
Values
units
FrH
ENT
ESC
SPd
UOP
OPr
Otr
LCr
(1)
(1)
(1)
rdY
MOn
LFr
MFr
rFr
ESC = ESC
FqS
tHr
tHd
MMO-
IOM-
SAF-
MFB-
CMM-
MPI-
PEt-
CnFS
CFPS
ALGr
ALr-
SSt-
dGt-
COd-
ULn
Monitoring Mode (MOn)
44 S1A28692 03/2010
Parameters described in this page can be accessed by:
Menu
Code Name / Description Unit
MOn- [1.2 MONITORING]
AIU1 [Image input AIV1] %
First virtual AI value.
This parameter is read-only. It enables you to display the speed reference applied to the motor.
FrH [Frequency ref.] Hz
Frequency reference before ramp (signed value).
This parameter is read-only. It enables you to display the speed reference applied to the motor, regardless of which reference
channel has been selected.
LFr [HMI Frequency ref.] Hz
HMI frequency reference (signed value).
This parameter only appears if the function has been enabled. It is used to change the speed reference from the remote control.
ENT does not have to be pressed to enable a change of reference.
MFr [Multiplying coeff.] %
g Multiply frequency variable.
Multiplying coefficient, can be accessed if [Multiplier ref. -] (MA2,MA3) page 154 has been assigned.
rFr [Output frequency] Hz
Estimated motor frequency (signed value).
FqS [Pulse in. work. freq.] Hz
g Measured frequency of the "Pulse input" input (see page 246).
ULn [Mains voltage] V
Main voltage (from DC bus).
Line voltage based on DC bus measurement, motor running or stopped.
tHr [Motor thermal state] %
Motor thermal state.
100% = Nominal thermal state, 118% = "OLF" threshold (motor overload).
tHd [Drv.thermal state] %
Drive thermal state.
100% = Nominal thermal state, 118% = "OHF" threshold (drive overload).
MMO- [MONIT. MOTOR]
Spd [Motor speed] rpm
Motor speed in rpm.
UOP [Motor voltage] V
Motor voltage.
Opr [Motor power] %
Output power monitoring (100% = nominal motor power).
Otr [Motor torque] %
Output torque value (100% = nominal motor torque).
LCr [Motor current] A
Estimated motor current.
DRI- > MON-
Monitoring Mode (MOn)
S1A28692 03/2010 45
Parameters described in this page can be accessed by:
MOn- [1.2 MONITORING] (continued)
IOM- [I/O MAP]
LIA- [LOGIC INPUT CONF.]
Logic input functions.
LIA [LI1 assignment]
Read-only parameters, cannot be configured.
It displays all the functions that are assigned to the logic input in order to check for multiple assignments.
If no functions have been assigned, [No] (nO) is displayed. Use the jog dial to scroll through the functions.
The use of graphic display terminal allows to see the delay [LI1 On Delay] (L1d). Possible values are the same than in
configuration menu page 114.
L2A
to
L6A
LA1A
LA2A
[L-- assignment]
All the logic inputs available on the drive are processed as in the example for LI1 above.
LIS1 [State of logic inputs LI1 to LI6]
Can be used to visualize the state of logic inputs LI1 to LI6 (display segment assignment: high = 1, low = 0).
Example above: LI1 and LI6 are at 1; LI2 to LI5 are at 0.
LIS2 [State of Safe Torque Off]
Can be used to visualize the state of LA1, LA2 and STO (Safe Torque Off) (display segment assignment: high = 1, low = 0).
Example above: LA1 and LA2 are at 0; STO (Safe Torque Off) is at 1.
Code Name / Description Unit
State 1
State 0
LI1 LI2 LI3 LI4 LI5 LI6
State 1
State 0
LA1 LA2 STO
DRI- > MON- > IOM- > LIA-
Monitoring Mode (MOn)
46 S1A28692 03/2010
Parameters described in this page can be accessed by:
AIA- [ANALOG INPUTS IMAGE]
Analog input functions.
AI1C [AI1] V
AI1 customer image: Value of analog input 1.
AI1A [AI1 assignment]
nO
Fr1
Fr2
SA2
PIF
tAA
dA2
PIM
FPI
SA3
Fr1b
dA3
FLOC
MA2
MA3
PES
IA01
...
IA10
AI1 functions assignment. If no functions have been assigned, [No] (nO) is displayed.
Following parameters are visible on the graphic display terminal by pressing the ENT key on the parameter.
[No] (nO): Not assigned
[Ref.1 channel] (Fr1): Reference source 1
[Ref.2 channel] (Fr2): Reference source 2
[Summing ref. 2] (SA2): Summing reference 2
[PID feedback] (PIF): PI feedback (PI control)
[Torque limitation] (tAA): Torque limitation: Activation by an analog value
[Subtract. ref. 2] (dA2): Subtracting reference 2
[Manual PID ref.] (PIM): Manual speed reference of the PI(D) regulator (auto-man)
[PID speed ref.] (FPI): Speed reference of the PI(D) regulator (predictive reference)
[Summing ref. 3] (SA3): Summing reference 3
[Ref.1B channel] (Fr1b): Reference source 1B
[Subtract. ref. 3] (dA3): Subtracting reference 3
[Forced local] (FLOC): Forced local reference source
[Ref. 2 multiplier] (MA2): Multiplying reference 2
[Ref. 3 multiplier] (MA3): Multiplying reference 3
[Weight input] (PES): External weight measurement function
[IA01] (IA01): Functions blocks: Analog Input 01
...
[IA10] (IA10): Functions blocks: Analog Input 10
UIL1 [AI1 min value] V
Voltage scaling parameter of 0%.
UIH1 [AI1 max value] V
Voltage scaling parameter of 100%.
AI1F [AI1 filter] s
Interference filtering cut-off time of the low-filter.
AlA- [ANALOG INPUTS IMAGE] (continued)
Analog input functions.
AI2C [AI2] V
AI2 customer image: Value of analog input 2.
AI2A [AI2 assignment]
AI2 functions assignment. If no functions have been assigned, [No] (nO) is displayed.
Following parameters are visible on the graphic display terminal by pressing the ENT key on the parameter.
Identical to [AI1 assignment] (AI1A) page 46.
UIL2 [AI2 min value] V
Voltage scaling parameter of 0%.
UIH2 [AI2 max value] V
Voltage scaling parameter of 100%.
AI2F [AI2 filter] s
Interference filtering cutoff time of the low-filter.
Code Name / Description Unit
DRI- > MON- > IOM- > AIA-
Monitoring Mode (MOn)
S1A28692 03/2010 47
Parameters described in this page can be accessed by:
AIA- [ANALOG INPUTS IMAGE] (continued)
Analog input functions.
AI3C [AI3] V
AI3 customer image: Value of analog input 3.
AI3A [AI3 assignment]
AI3 functions assignment. If no functions have been assigned, [No] (nO) is displayed.
Following parameters are visible on the graphic display terminal by pressing the ENT key on the parameter.
Identical to [AI1 assignment] (AI1A) page 46.
CrL3 [AI3 min value] mA
Current scaling parameter of 0%.
CrH3 [AI3 max value] mA
Current scaling parameter of 100%.
AI3F [AI3 filter] s
Interference filtering cutoff time of the low-filter.
IOM- [I/O MAP] (continued)
AOA- [ANALOG OUTPUTS IMAGE]
Analog output functions.
Following parameters are visible on the graphic display terminal by pressing the ENT key on the parameter.
AO1C [AO1C]
AO1 customer image: Value of analog output 1.
AO1 [AO1 assignment]
AO1 functions assignment. If no functions have been assigned, [No] (nO) is displayed.
Identical to [AO1 assignment] (AOI) page 129.
UOL1 [AO1 min Output] V
g Voltage scaling parameter of 0%. Can be accessed if [AO1 Type] (AO1t) is set to [Voltage] (10U).
UOH1 [AO1 max Output] V
g Voltage scaling parameter of 100%. Can be accessed if [AO1 Type] (AO1t) is set to [Voltage] (10U).
AOL1 [AO1 min output] mA
g Current scaling parameter of 0%. Can be accessed if [AO1 Type] (AO1t) is set to [Current] (0A).
AOH1 [AO1 max output] mA
g Current scaling parameter of 100%. Can be accessed if [AO1 Type] (AO1t) is set to [Current] (0A).
ASL1 [Scaling AO1 max] %
Minimum scaling value for AO1.
ASH1 [Scaling AO1 min] %
Maximum scaling value for AO1.
AO1F [AO1 filter] s
Cutoff time of the low-filter.
Code Name / Description Unit
DRI- > MON- > IOM- > AIA- > AI3C
Monitoring Mode (MOn)
48 S1A28692 03/2010
Parameters described in this page can be accessed by:
IOM- [I/O MAP] (continued)
FSI- [FREQ. SIGNAL IMAGE]
Frequency signal image.
This menu is visible only on graphic display terminal.
PFrC [RP input] Hz
Filtered customer pulse input frequency reference.
Following parameters are visible on the graphic display terminal by pressing the ENT key on the parameter.
PIA [RP assignment]
Pulse input assignment. If no functions have been assigned, [No] (nO) is displayed.
Identical to [AI1 assignment] (AI1A) page 46.
PIL [RP min value] kHz
RP minimum value. Pulse input scaling parameter of 0%.
PFr [RP max value] kHz
RP maximum value Pulse input scaling parameter of 100%.
PFI [RP filter] ms
Interference filtering pulse input cutoff time of the low-filter.
MOn- [1.2 MONITORING] (continued)
SAF- [MONIT. SAFETY]
For more details on Integrated Safety Functions, please refer to dedicated Safety manual.
StOS
IdLE
StO
FLt
[STO status]
Status of the Safe Torque Off safety function.
[Idle] (IdLE): STO not in progress
[Safe stop] (StO): STO in progress
[Fault] (FLt): STO fault detected
SLSS
nO
IdLE
SS1
SLS
StO
FLt
[SLS status]
Status of the Safe Limit speed safety function.
[Not config.] (nO): SLS not configured
[Idle] (IdLE): SLS not in progress
[Safe ramp] (SS1): SLS ramp in progress
[Speed limited] (SLS): SLS speed limitation in progress
[Safe stop] (StO): SLS safe torque off request in progress
[Fault] (FLt): SLS fault detected
SS1S
nO
IdLE
SS1
StO
FLt
[SS1 status]
Status of the Safe Stop 1 safety function.
[Not config.] (nO): SS1 not configured
[Idle] (IdLE): SS1 not in progress
[Safe ramp] (SS1): SS1 ramp in progress
[Safe stop] (StO): SS1 safe torque off request in progress
[Fault] (FLt): SS1 fault detected
Code Name / Description Unit
DRI- > MON- > IOM- > FSI-
Monitoring Mode (MOn)
S1A28692 03/2010 49
Parameters described in this page can be accessed by:
SFFE [Safety fault reg.]
Safety function detected fault error register.
Bit 0 = 1: Logical Input debounce time out
Bit 1: Reserved
Bit 2 = 1: Motor speed sign changed during SS1 stop
Bit 3 = 1: Motor speed reached SS1 trip area
Bit 4: Reserved
Bit 5: Reserved
Bit 6 = 1: Motor speed sign changed during SLS Safe Limitation
Bit 7 = 1: Motor speed reached SLS trip area
Bit 8: Reserved
Bit 9: Reserved
Bit 10: Reserved
Bit 11: Reserved
Bit 12: Reserved
Bit 13 = 1: Motor speed measurement is not possible
Bit 14 = 1: Motor ground short circuit detected
Bit 15 = 1: Motor phase to phase short circuit detected
MOn- [1.2 MONITORING] (continued)
MFb- [MONIT. FUN. BLOCKS]
For more details on Function Blocks, please refer to dedicated Function Blocks manual.
FbSt
IdLE
CHEC
StOP
InIt
rUn
Err
[FB status]
Function Block Status.
[Idle] (IdLE): Idle state
[Check prog.] (CHEC): Check program state
[Stop] (StOP): STOP state
[Init] (InIt): Initialization state
[Run] (rUn): RUN state
[Err] (Err): Error state
FbFt
nO
Int
bIn
InP
PAr
CAL
tOAU
tOPP
AdL
In
[FB fault]
Status of the function blocks execution.
[No] (nO): No fault detected
[Internal] (Int): Internal fault detected
[Binary file] (bIn): Binary fault detected
[Intern para.] (InP): Internal parameter fault detected
[Para. RW] (PAr): Parameter access fault detected
[Calculation] (CAL): Calculation fault detected
[TO AUX] (tOAU): TimeOut AUX task
[TO synch] (tOPP): TimeOut in PRE/POST task
[Bad ADLC] (AdL): ADLC with bad parameter
[Input assign.] (In): Input not configured
FbI- [FB IDENTIFICATION]
bUEr [Program version]
g Program user version. Can be accessed if [FB status] (FbSt) is not set to [Idle] (IdLE).
bnS
g
[Program size]
Program file size. Can be accessed if [FB status] (FbSt) is not set to [Idle] (IdLE).
bnU [Prg. format version]
Binary format version of the drive. Can be accessed if [FB status] (FbSt) is not set to [Idle] (IdLE).
CtU [Catalogue version]
Catalog version of the drive.
Code Name / Description Unit
DRI- > MON- > SAF-
Monitoring Mode (MOn)
50 S1A28692 03/2010
Parameters described in this page can be accessed by:
MOn- [1.2 MONITORING] (continued)
CMM- [COMMUNICATION MAP]
This menu is visible only on graphic display terminal, except for [COM. SCANNER INPUT MAP].(ISA-) and
[COM SCAN MAP].(OSA-) menus.
CMdC
tErM
HMI
Mdb
CAn
tUd
nEt
P S
[Command channel]
Active command channel.
[Terminals] (tErM): Terminals
[HMI] (HMI): Graphic display terminal or remote display terminal
[Modbus] (Mdb): Integrated Modbus
[CANopen] (CAn): Integrated CANopen®
[+/- speed] (tUd): +/- speed command
[Com. card] (nEt): Communication card (if inserted)
[PC tool] (P S): PC software
CMd [Cmd value]
DRIVECOM command register value.
[Profile] (CHCF) is not set to [I/O profile] (IO), see page 139.
Possible values in CiA402 profile, separate or not separate mode.
Bit 0: "Switch on"/Contactor command
Bit 1: "Disable voltage"/Authorization to supply AC power
Bit 2: "Quick stop"/Emergency stop
Bit 3: "Enable operation"/Run command
Bit 4 to Bit 6: Reserved (set to 0)
Bit 7: "Fault reset"/Fault acknowledgment active on 0 to 1 rising edge
Bit 8: Halt Stop according to the [Type of stop] (Stt) parameter without leaving the Operation enabled state
Bit 9: Reserved (set to 0)
Bit 10: Reserved (set to 0)
Bit 11 to Bit 15: Can be assigned to a command
Possible values in the I/O profile.
On state command [2 wire] (2C).
Bit 0: Forward (on state) command
= 0: No forward command
= 1: Forward command
The assignment of bit 0 cannot be modified. It corresponds to the assignment of the terminals. It can be switched. Bit 0 (Cd00)
is only active if the channel of this control word is active.
Bit 1 to Bit 15: Can be assigned to commands.
On edge command [3 wire] (3C).
Bit 0: Stop (run authorization).
= 0: Stop
= 1: Run is authorized on a forward or reverse command
Bit 1: Forward (on 0 to 1 rising edge) command
The assignment of bits 0 and 1 cannot be modified. It corresponds to the assignment of the terminals. It can be switched. Bits 0
(Cd00) and 1 (Cd01) are only active if the channel of this control word is active.
Bit 2 to Bit 15: Can be assigned to commands
rFCC
tErM
LOC
HMI
Mdb
CAn
tUd
nEt
P S
[Active ref. channel]
HMI reference channel.
[Terminals] (tErM): Terminals
[Local] (LOC): Jog dial
[HMI] (HMI): Graphic display terminal or remote display terminal
[Modbus] (Mdb): Integrated Modbus
[CANopen] (CAn): Integrated CANopen®
[tUd] (tUd): +/- speed command
[Com. card] (nEt): Communication card (if inserted)
[PC tool] (P S): PC software
FrH [Frequency ref.] Hz
Frequency reference before ramp.
Code Name / Description Unit
DRI- > MON- > CMM-
Monitoring Mode (MOn)
S1A28692 03/2010 51
Parameters described in this page can be accessed by:
EtA [ETA state word]
DRIVECOM status word.
Possible values in CiA402 profile, separate or not separate mode.
Bit 0: "Ready to switch on", awaiting power section line supply
Bit 1: "Switched on", ready
Bit 2: "Operation enabled", running
Bit 3: "Fault"
= 0: No fault
= 1: Fault
Bit 4: "Voltage enabled", power section line supply present
= 0: Power section line supply absent
= 1: Power section line supply present
When the drive is powered by the power section only, this bit is always at 1.
Bit 5: Quick stop/Emergency stop
Bit 6: "Switched on disabled", power section line supply locked
Bit 7: Alarm
= 0: No alarm
= 1: Alarm
Bit 8: Reserved (= 0)
Bit 9: Remote: command or reference via the network
= 0: Command or reference via the graphic display terminal or the remote display terminal
= 1: Command or reference via the network
Bit 10: Target reference reached
= 0: The reference is not reached
= 1: The reference has been reached
When the drive is in speed mode, this is the speed reference.
Bit 11: "Internal limit active", reference outside limits
= 0: The reference is within the limits
= 1: The reference is not within the limits
When the drive is in speed mode, the limits are defined by the [Low speed] (LSP) and [High speed] (HSP) parameters.
Bit 12 and Bit 13: Reserved (= 0)
Bit 14: "Stop key", STOP via stop key
= 0: STOP key not pressed
= 1: Stop triggered by the STOP key on the graphic display terminal or the remote display terminal
Bit 15: "Direction", direction of rotation
= 0: Forward rotation at output
= 1: Reverse rotation at output
The combination of bits 0, 1, 2, 4, 5 and 6 defines the state in the DSP 402 state chart (see the Communication manuals).
Possible values in the I/O profile.
Note: The value is identical in the CiA402 profile and the I/O profile. In the I/O profile, the description of the values is simplified
and does not refer to the CiA402 (Drivecom) state chart.
Bit 0: Reserved (= 0 or 1)
Bit 1: Ready
= 0: Not ready
= 1: Ready
Bit 2: Running
= 0: The drive will not start if a reference other than zero is applied.
= 1: Running, if a reference other than zero is applied, the drive can start.
Bit 3: Fault
= 0: No fault
= 1: Fault
Bit 4: Power section line supply present
= 0: Power section line supply absent
= 1: Power section line supply present
Bit 5: Reserved (= 1)
Bit 6: Reserved (= 0 or 1)
Bit 7: Alarm
= 0: No alarm
= 1: Alarm
Bit 8: Reserved (= 0)
Bit 9: Command via a network
= 0: Command via the terminals or the graphic display terminal
= 1: Command via a network
Code Name / Description Unit
DRI- > MON- > CMM-
Monitoring Mode (MOn)
52 S1A28692 03/2010
Parameters described in this page can be accessed by:
Bit 10: Reference reached
= 0: The reference is not reached
= 1: The reference has been reached
Bit 11: Reference outside limits
= 0: The reference is within the limits
= 1: The reference is not within the limits
When the drive is in speed mode, the limits are defined by LSP and HSP parameters.
Bit 12 and Bit 13: Reserved (= 0)
Bit 14: Stop via STOP key
= 0: STOP key not pressed
= 1: Stop triggered by the STOP key on the graphic display terminal or the remote display terminal
Bit 15: Direction of rotation
= 0: Forward rotation at output
= 1: Reverse rotation at output
Mnd- [MODBUS NETWORK DIAG]
Modbus network diagnostic.
Mdb1 [COM LED]
View of the Modbus Communication.
M1Ct [Mb NET frames nb.]
Modbus network frame counter: Number of processed frames.
M1EC [Mb NET CRC errors]
Modbus network CRC error counter: Number of CRC errors.
CMM- [COMMUNICATION MAP] (continued)
dbt- [DIAG BLUETOOTH]
Bluetooth network diagnostic.
Mdb2 [COM LED]
View of the Bluetooth Communication Led on integrated display.
Led Off: The Bluetooth channel is deactivated.
Led fixed On: The bluetooth channel is activated with active connection.
Led blinking: The bluetooth channel is activated without active connection.
M3Ct [Frame Nb]
Bluetooth frame counter: Number of processed frames.
M3EC [CRC error Nb]
Bluetooth CRC error counter: Number of CRC errors.
CMM- [COMMUNICATION MAP] (continued)
ISA- [COM. SCANNER INPUT MAP]
Used for CANopen® and Modbus Network.
nM1 [Com Scan In1 val.]
Value of the 1st input word.
nM2 [Com Scan In2 val.]
Value of the 2nd input word.
nM3 [Com Scan In3 val.]
Value of the 3rd input word.
nM4 [Com Scan In4 val.]
Value of the 4th input word.
nM5 [Com Scan In5 val.]
Value of the 5th input word.
nM6 [Com Scan In6 val.]
Value of the 6th input word.
nM7 [Com Scan In7 val.]
Value of the 7th input word.
nM8 [Com Scan In8 val.]
Value of the 8th input word.
Code Name / Description Unit
DRI- > MON- > CMM-
Monitoring Mode (MOn)
S1A28692 03/2010 53
Parameters described in this page can be accessed by:
CMM- [COMMUNICATION MAP] (continued)
OSA- [COM SCAN OUTPUT MAP]
nC1 [Com Scan Out1 val.]
Value of the 1st output word.
nC2 [Com Scan Out2 val.]
Value of the 2nd output word.
nC3 [Com Scan Out3 val.]
Value of the 3rd output word.
nC4 [Com Scan Out4 val.]
Value of the 4th output word.
nC5 [Com Scan Out5 val.]
Value of the 5th output word.
nC6 [Com Scan Out6 val.]
Value of the 6th output word.
nC7 [Com Scan Out7 val.]
Value of the 7th output word.
nC8 [Com Scan Out8 val.]
Value of the 8th output word.
CMM- [COMMUNICATION MAP] (continued)
C I- [CMD. WORD IMAGE]
Command word image: Only accessible via graphic display terminal.
CMd1 [Modbus cmd.]
Modbus command word image.
CMd2 [CANopen cmd.]
CANopen® command word image.
CMd3 [COM. card cmd.]
Communication card command word image.
CMM- [COMMUNICATION MAP] (continued)
r I- [FREQ. REF. WORD MAP]
Frequency reference image: Only accessible via graphic display terminal.
LFr1 [Modbus ref.] Hz
Modbus frequency reference image.
LFr2 [CANopen ref.] Hz
CANopen® frequency reference image.
LFr3 [Com. card ref.] Hz
Communication card frequency reference image.
CMM- [COMMUNICATION MAP] (continued)
CnM- [CANopen MAP]
CANopen® image: Only accessible via graphic display terminal.
COn [RUN LED]
View of the CANopen® RUN Led Status.
CAnE [ERR LED]
View of the CANopen® Error Led Status.
PO1- [PDO1 IMAGE]
View of the RPDO1 and TPDO1.
rp11 [Received PDO1-1]
g First frame of the received PDO1.
Code Name / Description Unit
DRI- > MON- > CMM- > OSA-
Monitoring Mode (MOn)
54 S1A28692 03/2010
Parameters described in this page can be accessed by:
rp12 [Received PDO1-2]
g Second frame of the received PDO1.
rp13 [Received PDO1-3]
g Third frame of the received PDO1.
rp14 [Received PDO1-4]
g Fourth frame of the received PDO1.
tp11 [Transmit PDO1-1]
g First frame of the transmit PDO1.
tp12 [Transmit PDO1-2]
g Second frame of the transmit PDO1.
tp13 [Transmit PDO1-3]
g Third frame of the transmit PDO1.
tp14 [Transmit PDO1-4]
g Fourth frame of the transmit PDO1.
CnM- [CANopen MAP] (continued)
CANopen® image: Only accessible via graphic display terminal.
PO2- [PDO2 IMAGE]
View of the RPDO2 and TPDO2: Same structure as [PDO1 IMAGE] (PO1-).
rp21 [Received PDO2-1]
g First frame of the received PDO2.
rp22 [Received PDO2-2]
g Second frame of the received PDO2.
rp22 [Received PDO2-3]
g Third frame of the received PDO2.
rp23 [Received PDO2-4]
g Fourth frame of the received PDO2.
tp21 [Transmit PDO2-1]
g First frame of the transmit PDO2.
tp22 [Transmit PDO2-2]
g Second frame of the transmit PDO2.
tp23 [Transmit PDO2-3]
g Third frame of the transmit PDO2.
tp24 [Transmit PDO2-4]
g Fourth frame of the transmit PDO2.
Code Name / Description Unit
DRI- > MON- > CMM- > CNM- > P01-
Monitoring Mode (MOn)
S1A28692 03/2010 55
Parameters described in this page can be accessed by:
CnM- [CANopen MAP] (continued)
CANopen® image: Only accessible via graphic display terminal.
PO3- [PDO3 IMAGE]
View of the RPDO3 and TPDO3: Same structure as [PDO1 IMAGE] (PO1-).
rp31 [Received PDO3-1]
g First frame of the received PDO3.
rp32 [Received PDO3-2]
g Second frame of the received PDO3.
rp32 [Received PDO3-3]
g Third frame of the received PDO3.
rp33 [Received PDO3-4]
g Fourth frame of the received PDO3.
tp31 [Transmit PDO3-1]
g First frame of the transmit PDO3.
tp32 [Transmit PDO3-2]
g Second frame of the transmit PDO3.
tp33 [Transmit PDO3-3]
g Third frame of the transmit PDO3.
tp34 [Transmit PDO3-4]
g Fourth frame of the transmit PDO3.
CnM- [CANopen MAP] (continued)
CANopen® image: Only accessible via graphic display terminal.
nMtS [Canopen NMT state]
bOOt
StOP
OPE
POPE
Drive NMT State of the CANopen® slave.
[Boot] (bOOt): Bootup
[Stopped] (StOP): Stopped
[Operation] (OPE): Operational
[Pre-op] (POPE): Pre-Operational
nbtp [Number of TX PDO]
Number of transmit PDO.
nbrp [Number of RX PDO]
Number of receive PDO.
ErCO [Error code]
CANopen® error register (from 1 to 5).
rEC1 [RX Error Counter]
Controller Rx error counter (not memorized at power off).
tEC1 [TX error counter]
Controller Tx error counter (not memorized at power off).
Code Name / Description Unit
DRI- > MON- > CMM- > CNM- > P03-
Monitoring Mode (MOn)
56 S1A28692 03/2010
Parameters described in this page can be accessed by:
MOn- [1.2 MONITORING] (continued)
MpI-
g
[MONIT. PI]
PID management. Visible if [PID feedback ass.] (PIF) is not set to [No] (nO).
rPI
g
[Internal PID ref.]
Internal PID reference: As a process value.
rpE [PID error]
g PID error value.
rpF [PID feedback]
g PID feedback value.
rpC [PID reference]
g PID setpoint value via graphic display terminal.
rpO [PID Output] Hz
PID output value with limitation.
MOn- [1.2 MONITORING] (continued)
pEt- [MONIT. POWER TIME]
ApH [Consumption] Wh, kWh, MWh
Energy consumption in Wh, kWh or MWh (accumulated consumption).
rtH [Run time] s, min, h
Run elapsed time display (resetable) in seconds, minutes or hours (length of time the motor has been switched on).
ptH [Power on time] s, min, h
Power elapsed time display in seconds, minutes or hours (length of time the drive has been switched on).
rpr [Operating t. reset]
Reset of run elapsed time.
nO
APH
rtH
PtH
[No] (nO): Reset operation not in progress
[Reset kWh] (APH): Clear [Reset kWh] (APH)
[rst. runtime] (rtH): Clear [rst. runtime] (rtH)
[rst. P On t.] (PtH): Clear [rst. P On t.] (PtH)
MOn- [1.2 MONITORING] (continued)
CnFS
nO
CnF0
CnF1
CnF2
[Config. active]
View of the active configuration.
[In progress] (nO): Transitory state (configuration changing)
[Config. n°0] (CnF0): Configuration 0 active
[Config. n°1] (CnF1): Configuration 1 active
[Config. n°2] (CnF2): Configuration 2 active
CFpS [Utilised param. set]
g Configuration parameter status (can be accessed if parameter switching has been enabled, see page 214).
nO
CFP1
CFP2
CFP3
[None] (nO): Not assigned
[Set N°1] (CFP1): Parameter set 1 active
[Set N°2] (CFP2): Parameter set 2 active
[Set N°3] (CFP3): Parameter set 3 active
Code Name / Description Unit
DRI- > MON- > MPI-
Monitoring Mode (MOn)
S1A28692 03/2010 57
Parameters described in this page can be accessed by:
ALGr
---
1--
-2-
12-
--3
1-3
-23
123
[Alarm groups]
Current impacted alarm group numbers.
Group of alarms could be user defined in [INPUTS / OUTPUTS CFG] (I_O-) page 112.
[---] (---): No alarm group impacted
[1--] (1--): Alarm group 1
[-2-] (-2-): Alarm group 2
[12-] (12-): Alarm group 1 and 2
[--3] (--3): Alarm group 3
[1-3] (1-3): Alarm group 1 and 3
[-23] (-23): Alarm group 2 and 3
[123] (123): Alarm group 1, 2 and 3
ALr- [ALARMS]
List of current alarms.
If an alarm is present, a appears on the graphic display terminal.
nOAL
PtCL
EtF
USA
CtA
FtA
F2A
SrA
tSA
tS2
tS3
UPA
FLA
tHA
AG1
AG2
AG3
PEE
PFA
AP3
SSA
tAd
tJA
bOA
ULA
OLA
rSdA
ttHA
ttLA
dLdA
FqLA
[No alarm] (nOAL)
[PTCL alarm] (PtCL)
[External fault] (EtF)
[UnderV. al.] (USA)
[I attained] (CtA)
[Freq. Th. attain.] (FtA)
[Freq. Th. 2 attain.] (F2A)
[Freq.ref.att] (SrA)
[Th.mot. att.] (tSA)
[Th.mot2 att.] (tS2)
[Th.mot3 att.] (tS3)
[Underv. prev.] (UPA)
[HSP attain.] (FLA)
[Al. °C drv] (tHA)
[Alarm group 1] (AG1)
[Alarm group 2] (AG2)
[Alarm group 3] (AG3)
[PID error al] (PEE)
[PID fdbk al.] (PFA)
[AI3 Al. 4-20mA] (AP3)
[Lim T/I att.] (SSA)
[Th.drv.att.] (tAd)
[IGBT alarm] (tJA)
[Brake R. al.] (bOA)
[Underload. Proc. Al.] (ULA)
[Overload. Proc. Al.] (OLA)
[Rope slack alarm] (rSdA)
[High torque alarm] (ttHA)
[Low torque alarm] (ttLA)
[Dynamic load alarm] (dLdA)
[Freq. meter Alarm] (FqLA)
Code Name / Description Unit
DRI- > MON-
Monitoring Mode (MOn)
58 S1A28692 03/2010
Parameters described in this page can be accessed by:
SSt- [OTHER STATE]
List of secondary states.
This menu is visible only on graphic display terminal.
FL
PtCL
FSt
CtA
FtA
F2A
SrA
tSA
EtF
AUtO
FtL
tUn
USA
CnF1
CnF2
FLA
AnA
CFP1
CFP2
CFP3
brS
dbL
ttHA
ttLA
MFrd
MrrS
FqLA
[In motor fluxing] (FL )
[PTC Alarm] (PtCL)
[Fast stop in prog.] (FSt)
[Current Th. attained] (CtA)
[Freq. Th. attained] (FtA)
[Freq. Th. 2 attained] (F2A)
[Frequency ref. att.] (SrA)
[Motor th. state att.] (tSA)
[External fault alarm] (EtF)
[Auto restart] (AUtO)
[Remote] (FtL)
[Auto-tuning] (tUn)
[Undervoltage] (USA)
[Config. 1 act.] (CnF1)
[Config. 2 act.] (CnF2)
[HSP attained] (FLA)
[Dévirage charge] (AnA)
[Set 1 active] (CFP1)
[Set 2 active] (CFP2)
[Set 3 active] (CFP3)
[In braking] (brS)
[DC bus loading] (dbL)
[High torque alarm] (ttHA)
[Low torque alarm] (ttLA)
[Forward] (MFrd)
[Reverse] (MrrS)
[Freq. metre Alarm] (FqLA)
dGt- [DIAGNOSTICS]
This menu is visible only on graphic display terminal.
pFH- [FAULT HISTORY]
Shows the 8 last detected faults.
dP1 [Past fault 1]
nOF
ASF
bLF
brF
CFF
CFI2
CnF
COF
CrF
CSF
dCF
dLF
EEF1
EEF2
EPF1
EPF2
FbE
FbES
FCF1
FCF2
HCF
HdF
ILF
InF1
InF2
InF3
InF4
InF6
Fault record 1 (1 is last).
[No fault] (nOF): No detected fault memorized
[Angle error] (ASF): Angle setting detected fault
[Brake control] (bLF): Brake's motor 3-phases loss
[Brake feedback] (brF): Brake contactor detected error
[Incorrect config.] (CFF): Invalid configuration at power on
[Bad conf] (CFI2): Configuration transfer detected error
[Com. network] (CnF): NET option communication interruption
[CAN com.] (COF): CANopen® communication interruption
[Capa.charg] (CrF): Load relay detected fault
[Ch.sw. fault] (CSF): Channel switching detected error
[Diff. I fault] (dCF): Differential current detected fault
[Load fault] (dLF): Dynamic load detected error
[Control EEprom] (EEF1): Control EEprom detected error
[Power Eeprom] (EEF2): Power EEprom detected error
[External fault LI/Bit] (EPF1): External detected fault from LI or local link
[External fault com.] (EPF2): External interruption from communication board
[FB fault] (FbE): Function block detected error
[FB stop fly.] (FbES): Function block stop detected error
[Out. contact. stuck] (FCF1): Output contactor: closed contactor
[Out. contact. open.] (FCF2): Output contactor: opened contactor
[Cards pairing] (HCF): Hardware configuration detected error
[IGBT desaturation] (HdF): Hardware detected error
[Option int link] (ILF): Option internal link interruption
[Rating error] (InF1): Unknown drive rating
[PWR Calib.] (InF2): Unknown or incompatible power board
[Int.serial link] (InF3): Internal serial link communication interruption
[Int.Mfg area] (InF4): Invalid industrialization zone
[Internal-option] (InF6): Unknown or incompatible option board
Code Name / Description Unit
DRI- > MON- > SST-
Monitoring Mode (MOn)
S1A28692 03/2010 59
Parameters described in this page can be accessed by:
InF9
InFA
InFb
InFE
LCF
LFF3
ObF
OCF
OHF
OLC
OLF
OPF1
OPF2
OSF
OtFL
PHF
PtFL
SAFF
SCF1
SCF3
SCF4
SCF5
SLF1
SLF2
SLF3
SOF
SPF
SrF
SSF
tJF
tnF
ULF
USF
[Internal- I measure] (InF9): Current measurement circuit detected error
[Internal-mains circuit] (InFA): Input phase loss circuit detected error
[Internal- th. sensor] (InFb): Thermal sensor detected error (OC or SC)
[Internal-CPU] (InFE): CPU detected fault (ram, flash, task ...)
[Input contactor] (LCF): Line contactor detected error
[AI3 4-20mA loss] (LFF3): AI3 4-20 mA loss
[Overbraking] (ObF): Overbraking
[Overcurrent] (OCF): Overcurrent
[Drive overheat] (OHF): Drive overheating
[Proc.Overload Flt] (OLC): Torque overload
[Motor overload] (OLF): Motor overload
[1 output phase loss] (OPF1): Motor 1-phase loss
[3out ph loss] (OPF2): Motor 3-phases loss
[Mains overvoltage] (OSF): Oversupply detected fault
[PTC fault] (OtFL): Motor overheating detected error from PTCL: standard product
[Input phase loss] (PHF): Main input 1-phase loss
[LI6=PTC probe] (PtFL): PTCL detected error (OC or SC)
[Safety fault] (SAFF): Safety function trip
[Motor short circuit] (SCF1): Motor short circuit (hard detection)
[Ground short circuit] (SCF3): Direct ground short-circuit trip (hard detection)
[IGBT short circuit] (SCF4): IGBT short-circuit (hard detection)
[Motor short circuit] (SCF5): Load short-circuit during Igon load sequence (hard detection)
[Modbus com.] (SLF1): Modbus local serial communication interruption
[PC com.] (SLF2): PC Software communication interruption
[HMI com.] (SLF3): Remote terminal communication interruption
[Overspeed] (SOF): Overspeed
[Speed fdback loss] (SPF): Speed feedback loss
[Torque time-out] (SrF): Torque regulation time-out
[Torque/current lim] (SSF): Torque current limitation detected fault
[IGBT overheat] (tJF): IGBT overheating
[Auto-tuning] (tnF): Tune detected fault
[Pr.Underload Flt] (ULF): Torque underload
[Undervoltage] (USF): Undervoltage
HS1 [Drive state]
tUn
dCb
rdY
nSt
rUn
ACC
dEC
CLI
FSt
FLU
nLP
CtL
Obr
SOC
USA
tC
St
FA
YES
EP
FLt
SS1
SLS
StO
HMI Status of the detected fault record 1.
[Auto-tuning] (tUn): Auto-tuning
[In DC inject.] (dCb): Injection braking
[Ready] (rdY): Drive ready
[Freewheel] (nSt): Freewheel stop control
[Drv running] (rUn): Motor in steady state or run command present and zero reference
[In accel.] (ACC): Acceleration
[In decel.] (dEC): Deceleration
[Current lim.] (CLI): Current limit
[Fast stop] (FSt): Fast stop
[Mot. fluxing] (FLU): Fluxing function is activated
[no mains V.] (nLP): Control is powered on but the DC bus is not loaded
[control.stop] (CtL): Controlled stop
[Dec. adapt.] (Obr): Adapted deceleration
[Output cut] (SOC): Stand by output cut
[UnderV. al.] (USA): Undervoltage alarm
[In mfg. test] (tC): TC indus mode activated
[in autotest] (St): Self test in progress
[autotest err] (FA): Self test detected error
[Autotest OK] (YES): Self test OK
[eeprom test] (EP): Self test Eeprom detected error
[In fault] (FLt): Product has detected a fault
[SS1 active] (SS1): Safety SS1 level
[SLS active] (SLS): Safety SLS level
[STO active] (StO): Safety STO level
Ep1 [ETA state word]
DRIVECOM status register of detected fault record 1 (same as [ETA state word] (EtA) page 51).
IP1 [ETI state word]
Extended status register of detected fault record 1 (see the communication parameters file).
Code Name / Description Unit
DRI- > MON- > DGT- > PFH-
Monitoring Mode (MOn)
60 S1A28692 03/2010
Parameters described in this page can be accessed by:
CMP1 [Cmd word]
Command register of detected fault record 1 (same as [Cmd word] (CMd) page 50).
LCP1 [Motor current] A
Estimated motor current of detected fault record 1 (same as [Motor current] (LCr) page 44).
rFp1 [Output frequency] Hz
Estimated motor frequency of detected fault record 1 (same as [Output frequency] (rFr) page 44).
rtp1 [Elapsed time] h
Elapsed run time of detected fault record 1 (same as [Elapsed time] (rtH) page 56).
ULp1 [Mains voltage] V
Main voltage of detected fault record 1 (same as [Mains voltage] (ULn) page 44).
tHP1 [Motor thermal state] %
Motor thermal state of detected fault record 1 (same as [Motor thermal state] (tHr) page 44).
dCC1 [Command Channel]
Command channel of detected fault record 1 (same as [Command channel] (CMdC) page 50).
drC1 [Channel ref. active]
Reference channel of detected fault record 1 (same as [Channel ref. active] (rFCC) page 50).
pFH- [FAULT HISTORY] (continued)
Shows the 8 last detected faults.
dP2 [Past fault 2]
Identical to [Past fault 1] (dP1) page 58.
dP3 [Past fault 3]
Identical to [Past fault 1] (dP1) page 58.
dP4 [Past fault 4]
Identical to [Past fault 1] (dP1) page 58.
dP5 [Past fault 5]
Identical to [Past fault 1] (dP1) page 58.
dP6 [Past fault 6]
Identical to [Past fault 1] (dP1) page 58.
dP7 [Past fault 7]
Identical to [Past fault 1] (dP1) page 58.
dP8 [Past fault 8]
Identical to [Past fault 1] (dP1) page 58.
Code Name / Description Unit
DRI- > MON- > DGT- > PFH-
Monitoring Mode (MOn)
S1A28692 03/2010 61
Parameters described in this page can be accessed by:
dGt- [DIAGNOSTICS] (continued)
PFL- [CURRENT FAULT LIST]
nOF
ASF
bLF
brF
CFF
CFI2
CnF
COF
CrF
CSF
dCF
dLF
EEF1
EEF2
EPF1
EPF2
FbE
FbES
FCF1
FCF2
HCF
HdF
ILF
InF1
InF2
InF3
InF4
InF6
InF9
InFA
InFb
InFE
LCF
LFF3
ObF
OCF
OHF
OLC
OLF
OPF1
OPF2
OSF
OtFL
PHF
PtFL
SAFF
SCF1
SCF3
SCF4
SCF5
SLF1
SLF2
SLF3
SOF
SPF
SrF
SSF
tJF
tnF
ULF
USF
[No fault] (nOF): No detected fault memorized
[Angle error] (ASF): Angle setting detected fault
[Brake control] (bLF): Brake's motor 3-phases loss
[Brake feedback] (brF): Brake contactor detected error
[Incorrect config.] (CFF): Invalid configuration at power on
[Bad conf] (CFI2): Configuration transfer detected error
[Com. network] (CnF): NET option communication interruption
[CAN com.] (COF): CANopen® communication interruption
[Capa.charg] (CrF): Load relay detected fault
[Ch.sw. fault] (CSF): Channel switching detected error
[Diff. I fault] (dCF): Differential current detected fault
[Load fault] (dLF): Dynamic load detected error
[Control EEprom] (EEF1): Control EEprom detected error
[Power Eeprom] (EEF2): Power EEprom detected error
[External fault LI/Bit] (EPF1): External detected fault from LI or local link
[External fault com.] (EPF2): External interruption from communication board
[FB fault] (FbE): Function block detected error
[FB stop fly.] (FbES): Function block stop detected error
[Out. contact. stuck] (FCF1): Output contactor: closed contactor
[Out. contact. open.] (FCF2): Output contactor: opened contactor
[Cards pairing] (HCF): Hardware configuration detected error
[IGBT desaturation] (HdF): Hardware detected error
[Option int link] (ILF): Option internal link interruption
[Rating error] (InF1): Unknown drive rating
[PWR Calib.] (InF2): Unknown or incompatible power board
[Int.serial link] (InF3): Internal serial link communication interruption
[Int.Mfg area] (InF4): Invalid industrialization zone
[Internal-option] (InF6): Unknown or incompatible option board
[Internal- I measure] (InF9): Current measurement circuit detected error
[Internal-mains circuit] (InFA): Input phase loss circuit detected error
[Internal- th. sensor] (InFb): Thermal sensor detected error (OC or SC)
[Internal-CPU] (InFE): CPU detected fault (ram, flash, task ...)
[Input contactor] (LCF): Line contactor detected error
[AI3 4-20mA loss] (LFF3): AI3 4-20 mA loss
[Overbraking] (ObF): Overbraking
[Overcurrent] (OCF): Overcurrent
[Drive overheat] (OHF): Drive overheating
[Proc.Overload Flt] (OLC): Torque overload
[Motor overload] (OLF): Motor overload
[1 output phase loss] (OPF1): Motor 1-phase loss
[3out ph loss] (OPF2): Motor 3-phases loss
[Mains overvoltage] (OSF): Oversupply detected fault
[PTC fault] (OtFL): Motor overheating detected error from PTCL: standard product
[Input phase loss] (PHF): Main input 1-phase loss
[LI6=PTC probe] (PtFL): PTCL detected error (OC or SC)
[Safety fault] (SAFF): Safety function trip
[Motor short circuit] (SCF1): Motor short circuit (hard detection)
[Ground short circuit] (SCF3): Direct ground short-circuit trip (hard detection)
[IGBT short circuit] (SCF4): IGBT short-circuit (hard detection)
[Motor short circuit] (SCF5): Load short-circuit during Igon load sequence (hard detection)
[Modbus com.] (SLF1): Modbus local serial communication interruption
[PC com.] (SLF2): PC Software communication interruption
[HMI com.] (SLF3): Remote terminal communication interruption
[Overspeed] (SOF): Overspeed
[Speed fdback loss] (SPF): Speed feedback loss
[Torque time-out] (SrF): Torque regulation time-out
[Torque/current lim] (SSF): Torque current limitation detected fault
[IGBT overheat] (tJF): IGBT overheating
[Auto-tuning] (tnF): Tune detected fault
[Pr.Underload Flt] (ULF): Torque underload
[Undervoltage] (USF): Undervoltage
Code Name / Description Unit
DRI- > MON- > DGT- > PFL-
Monitoring Mode (MOn)
62 S1A28692 03/2010
Parameters described in this page can be accessed by:
AFI- [MORE FAULT INFO]
Additional detected fault information.
CnF [Network fault]
Communication option card fault code.
This parameter is read-only. The fault code remains saved in the parameter, even if the cause disappears. The parameter is reset
after the drive is disconnected and then reconnected. The values of this parameter depend on the network card. Consult the
manual for the corresponding card.
ILF1 [Internal link fault 1]
Communication interruption between option card 1 and drive.
This parameter is read-only. The fault code remains saved in the parameter, even if the cause disappears. The parameter is reset
after the drive is disconnected and then reconnected.
dGt- [DIAGNOSTICS] (continued)
tAC [IGBT alarm counter]
Transistor alarm time counter (length of time the "IGBT temperature" alarm has been active).
SEr- [SERVICE MESSAGE]
See page 271.
tAC2 [Min. freq time]
Transistor alarm time counter at minimum switching frequency (length of time the "IGBT temperature" alarm has been active after
the drive has automatically reduced the switching frequency to the minimum value).
rFLt
nO
YES
[Reset past faults]
Reset all resetable previous detected faults.
[No] (nO): Reset not active
[YES] (YES): Reset in progress
Code Name / Description Unit
DRI- > MON- > AFI-
Monitoring Mode (MOn)
S1A28692 03/2010 63
Parameters described in this page can be accessed by:
MOn- [1.2 MONITORING] (continued)
COd- [PASSWORD]
HMI Password.
If you have lost your code, please contact Schneider Electric.
CSt [State]
LC
ULC
Status of the drive (lock/unlock). Information parameter, cannot be modified.
[Locked] (LC): The drive is locked by a password
[Unlocked] (ULC): The drive is not locked by a password
COd
OFF
On
[PIN code 1]
Confidential code.
Enables the drive configuration to be protected using an access code.
When access is locked by means of a code, only the parameters in the [1.2 MONITORING] (MOn-) and
[1.1 SPEED REFERENCE] (rEF-) menus can be accessed. The MODE key can be used to switch between menus.
Note: Before entering a code, do not forget to make a careful note of it.
[OFF] (OFF): No access locking codes.
- To lock access, enter a code (2 to 9,999). The display can be incremented using the jog dial. Then press ENT. [ON] (On)
appears on the screen to indicate that access has been locked.
[ON] (On): A code is locking access (2 to 9,999).
- To unlock access, enter the code (incrementing the display using the jog dial) and press ENT. The code remains on the
display and access is unlocked until the next time the drive is turned off. Access will be locked again the next time the drive
is turned on.
- If an incorrect code is entered, the display changes to [ON] (On), and access remains locked.
Access is unlocked (the code remains on the screen).
- To reactivate locking with the same code when access has been unlocked, return to [ON] (On) using the jog dial and then
press ENT. [ON] (On) remains on the screen to indicate that access has been locked.
- To lock access with a new code when access has been unlocked, enter the new code (increment the display using the jog
dial) and then press ENT. [ON] (On) appears on the screen to indicate that access has been locked.
- To clear locking when access has been unlocked, return to [OFF] (OFF) using the jog dial and then press ENT.
[OFF] (OFF) remains on the display. Access is unlocked and will remain so until the next restart.
COd2 [PIN code 2]
g Confidential code 2. Visible if [3.1 ACCESS LEVEL] (LAC) is set to [Expert] (Epr).
OFF
On
8888
The value [OFF] (OFF) indicates that no password has been set [Unlocked] (ULC).
The value [ON] (On) indicates that the drive configuration is protected and an access code must be entered in order to unlock it.
Once the correct code has been entered, it remains on the display and the drive is unlocked until the next time the power supply
is disconnected.
PIN code 2 is an unlock code known only to Schneider Electric Product Support.
ULr [Upload rights]
ULr0
ULr1
[Permitted] (ULr0): Means that SoMove or the graphic display terminal can save the whole configuration (password,
protections, configuration). When the configuration is edited, only the non protected parameters will be accessible.
[Not allowed] (ULr1): Means that SoMove or the graphic display terminal cannot save the configuration
dLr
dLr0
dLr1
dLr2
dLr3
[Download rights]
[Locked drv] (dLr0): Locked drive: means that the configuration can be downloaded only in a locked drive which configuration
has the same password. If the passwords are different, download is not permitted.
[Unlock. drv] (dLr1): Unlocked drive: means that the configuration can be downloaded only in a drive without active password
[Not allowed] (dLr2): Not allowed: the configuration cannot be downloaded
[Lock/unlock] (dLr3): Lock. + Not: download is permitted following case 0 or case 1
g
These parameters only appear if the corresponding function has been selected in another menu. When the parameters can
also be accessed and adjusted from within the configuration menu for the corresponding function, their description is detailed
in these menus, on the pages indicated, to aid programming.
Parameter that can be modified during operation or when stopped.
Code Name / Description Unit
DRI- > MON- > COD-
Monitoring Mode (MOn)
64 S1A28692 03/2010
S1A28692 03/2010 65
Configuration Mode (ConF)
5
Configuration Mode (ConF)
What's in this Chapter?
This chapter contains the following topics:
Topic Page
Introduction 66
Organization tree 67
My Menu 68
Factory Settings 69
Macro Configuration 70
Full 73
Configuration Mode (ConF)
66 S1A28692 03/2010
Introduction
Configuration mode includes 4 parts:
1. "My Menu" menu includes up to 25 parameters available for user customization using the graphic display
terminal or SoMove software.
2. Store/recall parameter set: These 2 functions are used to store and recall customer settings.
3. [Macro configuration] (CFG) parameter which allows to load predefined values for applications (see page
70).
4. FULL: This menu provides access to all other parameters. It includes 10 sub-menus:
- [SIMPLY START] (SIM-) page 73
- [SETTINGS] (SEt-) page 77
- [MOTOR CONTROL] (drC-) page 92
- [INPUTS / OUTPUTS CFG] (I_O-) page 112
- [COMMAND] (CtL-) page 139
- [FUNCTION BLOCK] (FbM-) page 143
- [APPLICATION FUNCT.] (FUn-) page 152
- [FAULT MANAGEMENT] (FLt-) page 232
- [COMMUNICATION] (COM-) page 256
- [ACCESS LEVEL] (LAC) page 262
Configuration Mode (ConF)
S1A28692 03/2010 67
Organization tree
Displayed parameter values are given as examples only.
= ENT
ENT
ESC
MYMn
SIM-
SEt-
I_O-
COnF
FCS-
CFG
FULL
drC-
CtL-
FUn-
COM-
FLt-
LAC
ESC = ESC
ENT
ESC
FbM-
Configuration Mode (ConF)
68 S1A28692 03/2010
Parameters described in this page can be accessed by:
My Menu
Code Name / Description
COnF [1.3 CONFIGURATION]
MYMn [MY MENU]
This menu contains the parameters selected in the [3.4 DISPLAY CONFIG.] (dCF-) menu on page 269.
DRI- > CONF > MYMN-
Configuration Mode (ConF)
S1A28692 03/2010 69
Parameters described in this page can be accessed by:
Factory Settings
Code Name / Description Factory setting
COnF [1.3 CONFIGURATION]
FCS- [FACTORY SETTINGS]
FCSI [Config. Source] [Macro-Conf] (InI)
g
Choice of source configuration.
If the configuration switching function is configured, it will not be possible to access [Config 1] (CFG1) and
[Config 2] (CFG2).
Note: To load the drive's presettings previously memorized ([Config 1] (Str1) or [Config 2] (Str2)), select the source
configuration [Config. Source] (FCSI) = [Config 1] (CFG1) or [Config 2] (CFG2) followed by a factory setting
[Goto FACTORY SETTINGS] (GFS) = [YES] (YES).
InI
CFG1
CFG2
[Macro-Conf] (InI): Factory configuration, return to selected macro configuration
[Config 1] (CFG1): Configuration 1
[Config 2] (CFG2): Configuration 2
FrY- [PARAMETER GROUP LIST]
Selection of menus to be loaded.
See the multiple selection procedure on page 33 for the integrated display terminal and page 24 for the graphic display terminal.
Note: In factory configuration and after a return to "factory settings", [PARAMETER GROUP LIST] will be empty.
ALL
drM
MOt
COM
dIS
[All] (ALL): All parameters (the function blocks program will also be erased)
[Drive configuration] (drM): The [1 DRIVE MENU] (drI-) menu without [COMMUNICATION] (COM-). In the
[2.4 DISPLAY CONFIG.] menu, [Return std name] (GSP) page 271 returns to [No] (nO).
[Motor param] (MOt): Motor parameters, see page 279.
The following selections can only be accessed if [Config. Source] (FCSI) is set to [Macro-Conf.] (InI).
[Comm. menu] (COM): The [COMMUNICATION] (COM-) menu without either [Scan. In1 address] (nMA1) to
[Scan. In8 address] (nMA8) or [Scan.Out1 address] (nCA1) to [Scan.Out8 address] (nCA8).
[Display config.] (dIS): The [3.3 MONITORING CONFIG.] (MCF-) menu
GFS [Goto FACTORY SETTINGS]
g DANGER
UNINTENDED EQUIPMENT OPERATION
Check that the modification of the current configuration is compatible with the wiring diagram used.
Failure to follow these instructions will result in death or serious injury.
nO
YES
It is only possible to revert to the factory settings if at least one group of parameters has previously been selected.
[No] (nO): No
[Yes] (YES): The parameter changes back to [No] (nO) automatically as soon as the operation is complete
SCSI [Save config] [No] (nO)
g
The active configuration to be saved does not appear for selection. For example, if it is [Config 0] (Str0), only
[Config 1] (Str1) and [Config 2] (Str2) appear. The parameter changes back to [No] (nO) as soon as the operation is
complete.
nO
Str0
Str1
Str2
[No] (nO): No
[Config 0] (Str0): Press and hold down the ENT key for 2 s
[Config 1] (Str1): Press and hold down the ENT key for 2 s
[Config 2] (Str2): Press and hold down the ENT key for 2 s
g
These parameters only appear if the corresponding function has been selected in another menu. When the parameters can
also be accessed and adjusted from within the configuration menu for the corresponding function, their description is detailed
in these menus, on the pages indicated, to aid programming.
To change the assignment of this parameter, press the ENT key for 2 s.
2 s
2 s
DRI- > CONF > FCS-
Configuration Mode (ConF)
70 S1A28692 03/2010
Parameters described in this page can be accessed by:
Macro Configuration
Example of total return to factory settings
• [Config. Source] (FCSI) is set to [Macro-Conf] (InI)
• [PARAMETER GROUP LIST] (FrY-) is set to [All] (ALL)
• [Goto FACTORY SETTINGS] (GFS) is set to [Yes] (YES)
Code Name / Description Factory setting
COnF [1.3 CONFIGURATION] (continued)
CFG [Macro configuration] [Start/Stop] (StS)
g DANGER
UNINTENDED EQUIPMENT OPERATION
Check that the selected macro configuration is compatible with the wiring diagram used.
Failure to follow these instructions will result in death or serious injury.
StS
HdG
HSt
GEn
PId
nEt
[Start/Stop] (StS): Start/stop
[M. handling] (HdG): Handling
[Hoisting] (HSt): Hoisting
[Gen. Use] (GEn): General use
[PID regul.] (PId): PID regulation
[Network C.] (nEt): Communication bus
g
These parameters only appear if the corresponding function has been selected in another menu. When the parameters can
also be accessed and adjusted from within the configuration menu for the corresponding function, their description is detailed
in these menus, on the pages indicated, to aid programming.
To change the assignment of this parameter, press the ENT key for 2 s.
2 s
2 s
DRI- > CONF
Configuration Mode (ConF)
S1A28692 03/2010 71
Assignment of the inputs/outputs
(1) To start with, integrated Modbus [Modbus Address] (Add) must first be configured, page 257.
Note: These assignments are reinitialized every time the macro configuration changes.
Input/
output
[Start/Stop] [M. handling] [Gen. Use] [Hoisting] [PID regul.] [Network C.]
[AI1] [Ref.1 channel] [Ref.1 channel] [Ref.1 channel] [Ref.1 channel] [Ref.1 channel] (PID
reference)
[Ref.2 channel]
([Ref.1 channel]
= integrated
Modbus) (1)
[AI2] [No] [Summing ref. 2] [Summing ref. 2] [No] [PID feedback] [No]
[AI3] [No] [No] [No] [No] [No] [No]
[AO1] [No] [No] [No] [No] [No] [No]
[R1] [No drive flt] [No drive flt] [No drive flt] [No drive flt] [No drive flt] [No drive flt]
[R2] [No] [No] [No] [Brk control] [No] [No]
[LI1] (2-wire) [Forward] [Forward] [Forward] [Forward] [Forward] [Forward]
[LI2] (2-wire) [Reverse] [Reverse] [Reverse] [Reverse] [Reverse] [Reverse]
[LI3] (2-wire) [No] [2 preset speeds] [Jog] [Fault reset] [PID integral reset] [Ref. 2
switching]
[LI4] (2-wire) [No] [4 preset speeds] [Fault reset] [External fault] [2 preset PID
ref.]
[Fault reset]
[LI5] (2-wire) [No] [8 preset speeds] [Torque limitation] [No] [4 preset PID
ref.]
[No]
[LI6] (2-wire) [No] [Fault reset] [No] [No] [No] [No]
[LI1] (3-wire) [Drive running] [Drive running] [Drive running] [Drive running] [Drive running] [Drive running]
[LI2] (3-wire) [Forward] [Forward] [Forward] [Forward] [Forward] [Forward]
[LI3] (3-wire) [Reverse] [Reverse] [Reverse] [Reverse] [Reverse] [Reverse]
[LI4] (3-wire) [No] [2 preset speeds] [Jog] [Fault reset] [PID integral
reset]
[Ref. 2
switching]
[LI5] (3-wire) [No] [4 preset speeds] [Fault reset] [External fault] [2 preset PID
ref.]
[Fault reset]
[LI6] (3-wire) [No] [8 preset speeds] [Torque limitation] [No] [4 preset PID
ref.]
[No]
[LO1] [No] [No] [No] [No] [No] [No]
Graphic display terminal keys
F1 key [No] [No] [No] [No] [No] Control via
graphic display
terminal
F2, F3, F4
keys
[No] [No] [No] [No] [No] [No]
In 3-wire control, the assignment of inputs LI1 to LI6 shifts.
Configuration Mode (ConF)
72 S1A28692 03/2010
Other configurations and settings
In addition to the assignment of inputs/outputs, other parameters are assigned only in the Hoisting macro
configuration.
Hoisting:
• [Movement type] (bSt) is set to [Hoisting] (UEr) page 179
• [Brake contact] (bCI) is set to [No] (nO) page 179
• [Brake impulse] (bIP) is set to [Yes] (YES) page 179
• [Brake release I FW] (Ibr) is set to [Rated mot. current] (nCr) page 179
• [Brake Release time] (brt) is set to 0.5 s page 179
• [Brake release freq] (bIr) is set to [Auto] (AUtO) page 180
• [Brake engage freq] (bEn) is set to [Auto] (AUtO) page 180
• [Brake engage time] (bEt) is set to 0.5 s page 180
• [Engage at reversal] (bEd) is set to [No] (nO) page 180
• [Jump at reversal] (JdC) is set to [Auto] (AUtO) page 181
• [Time to restart] (ttr) is set to 0 s page 181
• [Current ramp time] (brr) is set to 0 s page 183
• [Low speed] (LSP) is set to Rated motor slip calculated by the drive, page 75
• [Output Phase Loss] (OPL) is set to [Yes] (YES) page 238
No further modifications can be made to this parameter.
• [Catch on the fly] (FLr) is set to [No] (nO) page 235
No further modifications can be made to this parameter.
Return to factory settings:
Returning to factory settings with [Config. Source] (FCSI) is set to [Macro-Conf] (InI) page 69 will
return the drive to the selected macro configuration. The [Macro configuration] (CFG) parameter does not
change, although [Customized macro] (CCFG) disappears.
Note: The factory settings that appear in the parameter tables correspond to
[Macro configuration] (CFG) = [Start/Stop] (StS). This is the macro configuration set at the factory.
Example diagrams for use with the macro configurations
[Hoisting] (HSt) diagram
(1) Whithout integrated safety function, a contact on the Preventa module must be inserted in the brake control circuit to
engage it when the "Safe Torque Off" safety function is activated (see connection diagrams in the Installation manual).
U WV
L1 L3
ATV
KM10
R2A
R2C
L2
M
3
3
2
(1)
AI1
LI1 LI2+24
Electromagnetic brake
Forward
(Ascend)
Reverse
(Descend)
Configuration Mode (ConF)
S1A28692 03/2010 73
Parameters described in this page can be accessed by:
Full
Code Name / Description Adjustment range Factory setting
COnF [1.3 CONFIGURATION]
FULL [FULL]
SIM- [SIMPLY START]
tCC [2/3 wire control] [2 wire] (2C)
DANGER
UNINTENDED EQUIPMENT OPERATION
When this parameter is changed, [Reserve assign.] (rrS) and [2 wire type] (tCt) parameters, and all
the assignments involving the logic inputs will revert to their default values.
Check that this change is compatible with the wiring diagram used.
Failure to follow these instructions will result in death or serious injury.
2C
3C
See [2/3 wire control] (tCC) page 112.
[2 wire] (2C)
2-wire control (level commands): This is the input state (0 or 1) or edge (0 to 1 or 1 to 0), which controls running or stopping.
Example of "source" wiring:
LI1: forward
LIx: reverse
[3 wire] (3C)
3-wire control (pulse commands): A "forward" or "reverse" pulse is sufficient to command starting, a "stop" pulse is sufficient
to command stopping.
Example of "source" wiring:
LI1: stop
LI2: forward
LIx: reverse
CFG [Macro configuration] [Start/Stop] (StS)
g DANGER
UNINTENDED EQUIPMENT OPERATION
Check that the selected macro configuration is compatible with the wiring diagram used.
Failure to follow these instructions will result in death or serious injury.
StS
HdG
HSt
GEn
PId
nEt
See [Macro configuration] (CFG) page 70.
[Start/Stop] (StS): Start/stop
[M. handling] (HdG): Handling
[Hoisting] (HSt): Hoisting
[Gen. Use] (GEn): General use
[PID regul.] (PId): PID regulation
[Network C.] (nEt): Communication bus
2 s
+24 LI1 LIx
ATVppp
+24 LI1 LI2 LIx
ATVppp
2 s
DRI- > CONF > FULL > SIM-
Configuration Mode (ConF)
74 S1A28692 03/2010
Parameters described in this page can be accessed by:
CCFG [Customized macro]
g Read-only parameter, only visible if at least one macro configuration parameter has been modified.
nO
YES
[No] (nO): No
[Yes] (YES): Yes
bFr [Standard mot. freq] [50Hz IEC] (50)
50
60
This parameter modifies the presets of the following parameters: [Rated motor volt.] (UnS) below, [High speed] (HSP) page
75, [Freq. threshold] (Ftd) page 89, [Rated motor freq.] (FrS) and [Max frequency] (tFr) .
[50Hz IEC] (50): Drive 50 Hz
[60Hz NEMA] (60): Drive 60 Hz
IPL [Input phase loss] Yes or No, according to drive
rating
g
This parameter is only accessible in this menu on 3-phases drives.
If one phase disappears, the drive switches to fault mode [Input phase loss] (PFH), but if 2 or 3 phases disappear, the drive
continues to operate until it trips on an undervoltage detected fault (the drive trips in [Input phase loss] (PHF) if there is an
input phase loss and if this leads to performance decrease).
See [Input phase loss] (IPL) page 238.
nO
YES
[Ignore] (nO): Detected fault ignored, to be used when the drive is supplied via a single-phase supply or by the DC bus
[Freewheel] (YES): With freewheel stop
nPr [Rated motor power] According to drive rating
g
Rated motor power given on the nameplate, in kW if [Standard mot. freq] (bFr) is set to [50Hz IEC] (50), in HP if
[Standard mot. freq] (bFr) is set to [60Hz NEMA] (60).
See [Rated motor power] (nPr) page 94.
UnS [Rated motor volt.] 100 to 480 V According to drive rating
g
Rated motor voltage given on the nameplate.
ATV32pppM2: 100 to 240 V – ATV32pppN4: 200 to 480 V.
See [Rated motor volt.] (UnS) page 94.
nCr [Rated mot. current] 0.25 to 1.5 In (1) According to drive rating and
[Standard mot. freq] (bFr)
g Rated motor current given on the nameplate.
See [Rated mot. current] (nCr) page 94.
FrS [Rated motor freq.] 10 to 599 Hz 50 Hz
g
Rated motor frequency given on the nameplate.
The factory setting is 50 Hz, or preset to 60 Hz if [Standard mot. freq] (bFr) is set to 60 Hz.
This parameter is not visible if [Motor control type] (Ctt) page 92 is set to [Sync. mot.] (SYn).
See [Rated motor freq.] (FrS) page 94.
nSP [Rated motor speed] 0 to 65,535 rpm According to drive rating
g
Rated motor speed given on the nameplate.
This parameter is not visible if [Motor control type] (Ctt) page 92 is set to [Sync. mot.] (SYn).
See [Rated motor speed] (nSP) page 94.
0 to 9,999 rpm then 10.00 to 60.00 krpm on the integrated display terminal.
If, rather than the rated speed, the nameplate indicates the synchronous speed and the slip in Hz or as a %, calculate the rated
speed as follows:
Nominal speed = Synchronous speed x
or
Nominal speed = Synchronous speed x (50 Hz motors)
or
Nominal speed = Synchronous speed x (60 Hz motors)
Code Name / Description Adjustment range Factory setting
100 - slip as a %
100
50 - slip in Hz
50
60 - slip in Hz
60
DRI- > CONF > FULL > SIM-
Configuration Mode (ConF)
S1A28692 03/2010 75
Parameters described in this page can be accessed by:
(1) In corresponds to the rated drive current indicated in the Installation manual and on the drive nameplate.
(2) Range 0.01 to 99.99 s or 0.1 to 999.9 s or 1 to 6,000 s according to [Ramp increment] (Inr) page 155.
tFr [Max frequency] 10 to 599 Hz 60 Hz
The factory setting is 60 Hz, or preset to 72 Hz if [Standard mot. freq] (bFr) is set to 60 Hz.
The maximum value is limited by the following conditions:
It must not exceed 10 times the value of [Rated motor freq.] (FrS).
See [Max frequency] (tFr) page 92.
tUn [Auto tuning] [No action] (nO)
For asynchronous motors, see page 95.
For synchronous motors, see page 100.
tUS [Auto tuning state] [Not done] (tAb)
tAb
PEnd
PrOG
FAIL
dOnE
This parameter is not saved at drive power off. It shows the Autotuning status since last power on.
See [Auto tuning state] (tUS) page 95.
[Not done] (tAb): Autotune is not done
[Pending] (PEnd): Autotune has been requested but not yet performed
[In Progress] (PrOG): Autotune is in progress
[Failed] (FAIL): Autotune has detected a fault
[Done] (dOnE): The stator resistance measured by the auto-tuning function is used to control the motor
StUn [Tune selection] [Default] (tAb)
tAb
MEAS
CUS
See [Tune selection] (StUn) page 95.
[Default] (tAb): The default stator resistance value is used to control the motor
[Measure] (MEAS): The stator resistance measured by the auto-tuning function is used to control the motor
[Custom] (CUS): The stator resistance set manually is used to control the motor
ItH [Mot. therm. current] 0.2 to 1.5 In (1) According to drive rating
Motor thermal protection current, to be set to the rated current indicated on the nameplate.
See [Mot. therm. current] (ItH) page 78.
ACC [Acceleration] 0.00 to 6,000 s (2) 3.0 s
Time to accelerate from 0 to the [Rated motor freq.] (FrS) (page 74). To have repeatability in ramps, the value of this
parameter must be set according to the possibility of the application.
See [Acceleration] (ACC) page 77.
dEC [Deceleration] 0.00 to 6,000 s (2) 3.0 s
Time to decelerate from the [Rated motor freq.] (FrS) (page 74) to 0. To have repeatability in ramps, the value of this
parameter must be set according to the possibility of the application.
See [Deceleration] (dEC) page 77.
LSP [Low speed] 0 to 599 Hz 0
Motor frequency at minimum reference, can be set between 0 and [High speed] (HSP).
See [Low speed] (LSP) page 77.
HSP [High speed] 0 to 599 Hz 50 Hz
Motor frequency at maximum reference, can be set between [Low speed] (LSP) and [Max frequency] (tFr). The factory
setting changes to 60 Hz if [Standard mot. freq] (bFr) is set to [60Hz NEMA] (60).
See [High speed] (HSP) page 77.
Code Name / Description Adjustment range Factory setting
g
These parameters only appear if the corresponding function has been selected in another menu. When the parameters can
also be accessed and adjusted from within the configuration menu for the corresponding function, their description is detailed
in these menus, on the pages indicated, to aid programming.
Parameter that can be modified during operation or when stopped.
To change the assignment of this parameter, press the ENT key for 2 s.2 s
DRI- > CONF > FULL > SIM-
Configuration Mode (ConF)
76 S1A28692 03/2010
Settings
With integrated display terminal
The adjustment parameters can be modified with the drive running or stopped.
DANGER
UNINTENDED EQUIPMENT OPERATION
Check that changes made to the settings during operation do not present any danger.
We recommend stopping the drive before making any changes.
Failure to follow these instructions will result in death or serious injury.
SIM-
drC-
LAC-
SEt-
= ENT ESC = ESC
ESC
ESC
ESC
ENT
ESC
ENT
FULL
SETTINGS
From COnF menu
Configuration Mode (ConF)
S1A28692 03/2010 77
Parameters described in this page can be accessed by:
Code Name / Description Adjustment range Factory setting
FULL [FULL] (continued)
SEt- [SETTINGS]
Inr [Ramp increment] 0.1
This parameter is valid for [Acceleration] (ACC), [Deceleration] (dEC), [Acceleration 2] (AC2) and
[Deceleration 2] (dE2). See [Ramp increment] (Inr) page 155.
0.01
0.1
1
[0,01]: Ramp up to 99.99 seconds
[0,1]: Ramp up to 999.9 seconds
[1]: Ramp up to 6,000 seconds
ACC [Acceleration] 0.00 to 6,000 s (1) 3.0 s
Time to accelerate from 0 to the [Rated motor freq.] (FrS) page 74. To have repeatability in ramps, the value of this parameter
must be set according to the possibility of the application. See [Acceleration] (ACC) page 155.
dEC [Deceleration] 0.00 to 6,000 s (1) 3.0 s
Time to decelerate from the [Rated motor freq.] (FrS) page 74 to 0. To have repeatability in ramps, the value of this parameter
must be set according to the possibility of the application. See [Deceleration] (dEC) page 155.
AC2 [Acceleration 2] 0.00 to 6,000 s (1) 5 s
g Time to accelerate from 0 to the [Rated motor freq.] (FrS) page 74. To have repeatability in ramps, the value of this parameter
must be set according to the possibility of the application. See [Acceleration 2] (AC2) page 156.
dE2 [Deceleration 2] 0.00 to 6,000 s (1) 5 s
g Time to decelerate from the [Rated motor freq.] (FrS) page 74 to 0. To have repeatability in ramps, the value of this parameter
must be set according to the possibility of the application. See [Deceleration 2] (dE2) page 156.
tA1 [Begin Acc round] 0 to 100% 10%
g Rounding of start of acceleration ramp as a % of the [Acceleration] (ACC) or [Acceleration 2] (AC2) ramp time. Visible if
[Ramp type] (rPt) is set to [Customized] (CUS). See [Begin Acc round] (tA1) page 155.
tA2 [End Acc round] 0 to 100% 10%
g Rounding of end of acceleration ramp as a % of the [Acceleration] (ACC) or [Acceleration 2] (AC2) ramp time.
Can be set between 0 and 100% - [Begin Acc round] (tA1).
Visible if [Ramp type] (rPt) is set to [Customized] (CUS). See [End Acc round] (tA2) page 156.
tA3 [Begin Dec round] 0 to 100% 10%
g Rounding of start of deceleration ramp as a % of the [Deceleration] (dEC) or [Deceleration 2] (dE2) ramp time. Visible if
[Ramp type] (rPt) is set to [Customized] (CUS). See [Begin Dec round] (tA3) page 156.
tA4 [End Dec round] 0 to 100% 10%
g Rounding of end of deceleration ramp as a % of the [Deceleration] (dEC) or [Deceleration 2] (dE2) ramp time.
Can be set between 0 and 100% - [Begin Dec round] (tA3).
Visible if [Ramp type] (rPt) is set to [Customized] (CUS). See [End Dec round] (tA4) page 156.
LSP [Low speed] 0 to 599 Hz 0 Hz
Motor frequency at minimum reference, can be set between 0 and [High speed] (HSP) page 75. See [Low speed] (LSP)
page 75.
HSP [High speed] 0 to 599 Hz 50 Hz
Motor frequency at maximum reference, can be set between [Low speed] (LSP) and [Max frequency] (tFr). The factory
setting changes to 60 Hz if [Standard mot. freq] (bFr) is set to [60Hz NEMA] (60). See [High speed] (HSP) page 75.
DRI- > CONF > FULL > SET-
Configuration Mode (ConF)
78 S1A28692 03/2010
Parameters described in this page can be accessed by:
(1) Range 0.01 to 99.99 s or 0.1 to 999.9 s or 1 to 6,000 s according to [Ramp increment] (Inr) page 155.
(2) In corresponds to the rated drive current indicated in the Installation manual or on the drive nameplate.
HSP2 [High speed 2] 0 to 599 Hz 50 Hz
g Visible if [2 High speed] (SH2) is not set to [No] (nO). See [High speed 2] (HSP2) page 229.
HSP3 [High speed 3] 0 to 599 Hz 50 Hz
g Visible if [4 High speed] (SH4) is not set to [No] (nO). See [High speed 3] (HSP3) page 229.
HSP4 [High speed 4] 0 to 599 Hz 50 Hz
g Visible if [4 High speed] (SH4) is not set to [No] (nO). See [High speed 4] (HSP4) page 229.
ItH [Mot. therm. current] 0.2 to 1.5 In (2) According to drive rating
Motor thermal protection current, to be set to the rated current indicated on the nameplate.
See [Mot. therm. current] (ItH)page 75.
UFr [IR compensation] 0 to 200% 100%
IR compensation. See [IR comprensation] (UFr) page 105.
SLP [Slip compensation] 0 to 300% 100%
g Slip compensation. See [Slip compensation] (SLP) page 105.
SFC [K speed loop filter] 0 to 100 65
g Speed filter coefficient. See [K speed loop filter] (SFC) page 105.
SIt [Speed time integral] 1 to 65,535 ms 63 ms
g Speed loop integral time constant. See [Speed time integral] (SIt) page 105.
SPG [Speed prop. gain] 0 to 1,000% 40%
g Speed loop proportional gain. See [Speed prop. gain] (SPG) page 105.
SPGU [UF inertia comp.] 0 to 1,000% 40%
g Inertia factor. See [UF inertia comp.] (SPGU) page 105.
Code Name / Description Adjustment range Factory setting
g
These parameters only appear if the corresponding function has been selected in another menu. When the parameters can
also be accessed and adjusted from within the configuration menu for the corresponding function, their description is detailed
in these menus, on the pages indicated, to aid programming.
Parameter that can be modified during operation or when stopped.
DRI- > CONF > FULL > SET-
Configuration Mode (ConF)
S1A28692 03/2010 79
Parameter settings for [K speed loop filter] (SFC), [Speed prop. gain] (SPG) and [Speed time integral] (SIt)
The following parameters can be accessed if [Motor control type] (Ctt) page 92 is set to [SVC V] (UUC),
[Sync. mot.] (SYn) or [Energy Sav.] (nLd).
General Case: Setting for [K speed loop filter] (SFC) = 0
The regulator is an "IP" type with filtering of the speed reference, for applications requiring flexibility and
stability (hoisting or high inertia, for example).
• [Speed prop. gain] (SPG) affects excessive speed.
• [Speed time integral] (SIt) affects the passband and response time.
WARNING
LOSS OF CONTROL
Bad parameter settings of the speed loop with High Inertia application may cause a Ramp non consistent
with application.
Failure to follow these instructions will result in death, serious injury, or equipment damage.
Initial response Reduction in SIT Reduction in SIT
Initial response Increase in SPG Increase in SPG
0 50045040035030025020015010050
0
1
0.8
0.6
0.4
0.2
Reference division
Time in ms
0 50045040035030025020015010050
0
1
0.8
0.6
0.4
0.2
Reference division
Time in ms
0 50045040035030025020015010050
0
1
0.8
0.6
0.4
0.2
Reference division
Time in ms
0 50045040035030025020015010050
0
1
0.8
0.6
0.4
0.2
Reference division
Time in ms
0 50045040035030025020015010050
0
1
0.8
0.6
0.4
0.2
Reference division
Time in ms
0 50045040035030025020015010050
0
1
0.8
0.6
0.4
0.2
Reference division
Time in ms
Configuration Mode (ConF)
80 S1A28692 03/2010
Special case: Parameter [K speed loop filter] (SFC) is not 0
This parameter must be reserved for specific applications that require a short response time (trajectory
positioning or servo control).
• When set to 100 as described above, the regulator is a “PI” type, without filtering of the speed reference.
• Settings between 0 and 100 will obtain an intermediate function between the settings below and those on
the previous page.
Example: Setting for [K speed loop filter] (SFC) = 100
• [Speed prop. gain] (SPG) affects the passband and response time.
• [Speed time integral] (SIt) affects excessive speed.
Initial response Reduction in SIT Reduction in SIT
Initial response Increase in SPG Increase in SPG
0 50045040035030025020015010050
0
1
0.8
0.6
0.4
0.2
Reference division
Time in ms
0 50045040035030025020015010050
0
1
0.8
0.6
0.4
0.2
Reference division
Time in ms
0 50045040035030025020015010050
0
1
0.8
0.6
0.4
0.2
Reference division
Time in ms
0 50045040035030025020015010050
0
1
0.8
0.6
0.4
0.2
Reference division
Time in ms
0 50045040035030025020015010050
0
1
0.8
0.6
0.4
0.2
Reference division
Time in ms
0 50045040035030025020015010050
0
1
0.8
0.6
0.4
0.2
Reference division
Time in ms
Configuration Mode (ConF)
S1A28692 03/2010 81
Parameters described in this page can be accessed by:
Code Name / Description Adjustment range Factory setting
dCF [Ramp divider] 0 to 10 4
g Deceleration ramp time reduction. See [Ramp divider] (dCF) page 158.
IdC [DC inject. level 1] 0.1 to 1.41 In (1) 0.64 In (1)
g Level of DC injection braking current activated via logic input or selected as stop mode. See [DC inject. level 1] (IdC) page
159.
tdI [DC injection time 1] 0.1 to 30 s 0.5 s
g Maximum current injection time [DC inject. level 1] (IdC). After this time, the injection current becomes
[DC inject. level 2] (IdC2). See [DC injection time 1] (td1) page 159.
IdC2 [DC inject. level 2] 0.1 In to 1.41 In (1) 0.5 In (1)
g Injection current activated by logic input or selected as stop mode, once period of time [DC injection time 1] (tdI) has elapsed.
See [DC inject. level 2] (IdC2) page 160.
tdC [DC injection time 2] 0.1 to 30 s 0.5 s
g Maximum injection time [DC inject. level 2] (IdC2) for injection selected as stop mode only.
See [DC injection time 2] (tdC) page 160.
SdC1 [Auto DC inj. level 1] 0 to 1.2 In (1) 0.7 In (1)
g
CAUTION
RISK OF DAMAGE TO THE MOTOR
Check that the motor will withstand this current without overheating.
Failure to follow these instructions can result in equipment damage.
Level of standstill DC injection current [Auto DC injection] (AdC) is not [No] (nO).
See page 161.
tdC1 [Auto DC inj. time 1] 0.1 to 30 s 0.5 s
g
CAUTION
RISK OF DAMAGE TO THE MOTOR
• Long periods of DC injection braking can cause overheating and damage the motor.
• Protect the motor by avoiding long periods of DC injection braking.
Failure to follow these instructions can result in equipment damage.
Standstill injection time. This parameter can be accessed if [Auto DC injection] (AdC) is not set to [No] (nO).
If [Motor control type] (Ctt) page 92 is set to [Sync. mot.](SYn), this time corresponds to the zero speed maintenance time.
See page 161.
DRI- > CONF > FULL > SET-
Configuration Mode (ConF)
82 S1A28692 03/2010
Parameters described in this page can be accessed by:
SdC2 [Auto DC inj. level 2] 0 to 1.2 In (1) 0.5 In (1)
g
CAUTION
RISK OF DAMAGE TO THE MOTOR
Check that the motor will withstand this current without overheating.
Failure to follow these instructions can result in equipment damage.
2nd level of standstill DC injection current.
This parameter can be accessed if [Auto DC injection] (AdC) is not [No] (nO).
See page 162.
tdC2 [Auto DC inj. time 2] 0 to 30 s 0 s
g
CAUTION
RISK OF DAMAGE TO THE MOTOR
• Long periods of DC injection braking can cause overheating and damage the motor.
• Protect the motor by avoiding long periods of DC injection braking.
Failure to follow these instructions can result in equipment damage.
2nd standstill injection time.
This parameter can be accessed if [Auto DC injection] (AdC) is set to [Yes] (YES).
See page 162.
SFr [Switching freq.] 2 to 16 kHz 4.0 kHz
CAUTION
RISK OF DAMAGE TO THE DRIVE
On ATV32ppppM2 ratings, if the RFI filters are disconnected (operation on an IT system), the drive’s switching
frequency must not exceed 4 kHz.
Failure to follow these instructions can result in equipment damage.
Switching frequency setting. See page 106.
Adjustment range: The maximum value is limited to 4 kHz if [Motor surge limit] (SUL) parameter, page 107 is configured.
Note: In the event of excessive temperature rise, the drive will automatically reduce the switching frequency and reset it once
the temperature returns to normal.
CLI [Current Limitation] 0 to 1.5 In (1) 1.5 In (1)
g
CAUTION
RISK OF DAMAGE TO THE MOTOR AND THE DRIVE
• Check that the motor will withstand this current, particularly in the case of permanent magnet synchronous
motors, which are susceptible to demagnetization.
• Check that the profile mission complies with the derating curve given in the installation manual.
Failure to follow these instructions can result in equipment damage.
Used to limit the motor current. See page 204.
Note: If the setting is less than 0.25 In, the drive may lock in [Output Phase Loss] (OPL) fault mode if this has been enabled
(see page 238). If it is less than the no-load motor current, the motor cannot run.
Code Name / Description Adjustment range Factory setting
DRI- > CONF > FULL > SET-
Configuration Mode (ConF)
S1A28692 03/2010 83
Parameters described in this page can be accessed by:
CL2 [I Limit. 2 value] 0 to 1.5 In (1) 1.5 In (1)
g
CAUTION
RISK OF DAMAGE TO THE MOTOR AND THE DRIVE
• Check that the motor will withstand this current, particularly in the case of permanent magnet synchronous
motors, which are susceptible to demagnetization.
• Check that the profile mission complies with the derating curve given in the installation manual.
Failure to follow these instructions can result in equipment damage.
See page 204.
Note: If the setting is less than 0.25 In, the drive may lock in [Output Phase Loss] (OPL) fault mode if this has been enabled
(see page 238). If it is less than the no-load motor current, the motor cannot run.
FLU [Motor fluxing] [No] (FnO)
g
DANGER
HAZARD OF ELECTRIC SHOCK, EXPLOSION OR ARC FLASH
When [Motor fluxing] (FLU) is set to [Continuous] (FCt), the drive automatically builds up flux.
Check this action will not endanger personnel or equipment in any way.
Failure to follow these instructions will result in death or serious injury.
CAUTION
RISK OF DAMAGE TO THE MOTOR
Check that the motor will withstand this current without overheating.
Failure to follow these instructions can result in equipment damage.
FnC
FCt
FnO
The parameter is visible if [Motor control type] (Ctt) page 92 is not set to [Sync. mot.] (SYn).
In order to obtain rapid high torque on startup, magnetic flux needs to already have been established in the motor.
In [Continuous] (FCt) mode, the drive automatically builds up flux when it is powered up.
In [Not cont.] (FnC) mode, fluxing occurs when the motor starts up.
The flux current is greater than [Rated mot. current] (nCr) when the flux is established and is then adjusted to the motor
magnetizing current. See page 174.
[Not cont.] (FnC): Non-continuous mode
[Continuous] (FCt): Continuous mode. This option is not possible if [Auto DC injection] (AdC) page 161 is [Yes] (YES)
or if [Type of stop] (Stt) page 158 is [Freewheel] (nSt).
[No] (FnO): Function inactive. This option is not possible if [Brake assignment] (bLC) page 179 is not [No] (nO).
tLS [Low speed time out] 0 to 999.9 s 0 s
Maximum operating time at [Low speed] (LSP) (see page 75).
Following operation at LSP for a defined period, a motor stop is requested automatically. The motor will restart if the reference
is greater than LSP and if a run command is still present. See page 199.
Note: A value of 0 indicates an unlimited period of time.
Note: If [Low speed time out] (tLS) is not 0, [Type of stop] (Stt) page 158 is forced to [Ramp stop] (rMP) (only if a
ramp stop can be configured).
JGF [Jog frequency] 0 to 10 Hz 10 Hz
g Reference in jog operation. See page 163.
JGt [Jog delay] 0 to 2.0 s 0.5 s
g Anti-repeat delay between 2 consecutive jog operations. See page 164.
Code Name / Description Adjustment range Factory setting
2 s
DRI- > CONF > FULL > SET-
Configuration Mode (ConF)
84 S1A28692 03/2010
Parameters described in this page can be accessed by:
SP2 [Preset speed 2] 0 to 599 Hz 10 Hz
g Preset speed 2. See [Preset speed 2] (SP2) page 166.
SP3 [Preset speed 3] 0 to 599 Hz 15 Hz
g Preset speed 3. See [Preset speed 3] (SP3) page 166.
SP4 [Preset speed 4] 0 to 599 Hz 20 Hz
g Preset speed 4. See [Preset speed 4] (SP4) page 166.
SP5 [Preset speed 5] 0 to 599 Hz 25 Hz
g Preset speed 5. See [Preset speed 5] (SP5) page 166.
SP6 [Preset speed 6] 0 to 599 Hz 30 Hz
g Preset speed 6. See [Preset speed 6] (SP6) page 166.
SP7 [Preset speed 7] 0 to 599 Hz 35 Hz
g Preset speed 7. See [Preset speed 7] (SP7) page 166.
SP8 [Preset speed 8] 0 to 599 Hz 40 Hz
g Preset speed 8. See [Preset speed 8] (SP8) page 167.
SP9 [Preset speed 9] 0 to 599 Hz 45 Hz
g Preset speed 9. See [Preset speed 9] (SP9) page 167.
SP10 [Preset speed 10] 0 to 599 Hz 50 Hz
g Preset speed 10. See [Preset speed 10] (SP10) page 167.
SP11 [Preset speed 11] 0 to 599 Hz 55 Hz
g Preset speed 11. See [Preset speed 11] (SP11) page 167.
SP12 [Preset speed 12] 0 to 599 Hz 60 Hz
g Preset speed 12. See [Preset speed 12] (SP12) page 167.
Code Name / Description Adjustment range Factory setting
DRI- > CONF > FULL > SET-
Configuration Mode (ConF)
S1A28692 03/2010 85
Parameters described in this page can be accessed by:
SP13 [Preset speed 13] 0 to 599 Hz 70 Hz
g Preset speed 13. See [Preset speed 13] (SP13) page 167.
SP14 [Preset speed 14] 0 to 599 Hz 80 Hz
g Preset speed 14. See [Preset speed 14] (SP14) page 167.
SP15 [Preset speed 15] 0 to 599 Hz 90 Hz
g Preset speed 15. See [Preset speed 15] (SP15) page 167.
SP16 [Preset speed 16] 0 to 599 Hz 100 Hz
g Preset speed 16. See [Preset speed 16] (SP16) page 167.
MFr [Multiplying coeff.] 0 to 100% 100%
g Multiplying coefficient, can be accessed if [Multiplier ref.] (MA2, MA3) page 154 has been assigned to the graphic display
terminal. See page 40.
SrP [+/-Speed limitation] 0 to 50% 10%
g Limitation of +/- speed variation. See page 172.
Code Name / Description Adjustment range Factory setting
DRI- > CONF > FULL > SET-
Configuration Mode (ConF)
86 S1A28692 03/2010
Parameters described in this page can be accessed by:
rPG [PID prop. gain] 0.01 to 100 1
g Proportional gain. See page 197.
rIG [PID integral gain] 0.01 to 100 1
g Integral gain. See page 197.
rdG [PID derivative gain] 0.00 to 100 0
g Derivative gain. See page 197.
PrP [PID ramp] 0 to 99.9 s 0 s
g PID acceleration/deceleration ramp, defined to go from [Min PID reference] (PIP1) to [Max PID reference] (PIP2) and
vice versa. See page 197.
POL [Min PID output] -599 to 599 Hz 0 Hz
g Minimum value of regulator output in Hz. See page 197.
POH [Max PID output] 0 to 599 Hz 60 Hz
g Maximum value of regulator output in Hz. See page 197.
PAL [Min fbk alarm] See page 197 (2) 100
g Minimum monitoring threshold for regulator feedback. See page 197.
PAH [Max fbk alarm] See page 198 (2) 1,000
g Maximum monitoring threshold for regulator feedback. See page 198.
PEr [PID error Alarm] 0 to 65,535 (2) 100
g Regulator error monitoring threshold. See page 198.
PSr [Speed input %] 1 to 100% 100%
g Multiplying coefficient for predictive speed input. See page 198.
rP2 [Preset ref. PID 2] See page 200 (2) 300
g Preset PID reference. See page 200.
Code Name / Description Adjustment range Factory setting
DRI- > CONF > FULL > SET-
Configuration Mode (ConF)
S1A28692 03/2010 87
Parameters described in this page can be accessed by:
rP3 [Preset ref. PID 3] See page 200 (2) 600
g Preset PID reference. See page 200.
rP4 [Preset ref. PID 4] See page 200 (2) 900
g Preset PID reference. See page 200.
Code Name / Description Adjustment range Factory setting
DRI- > CONF > FULL > SET-
Configuration Mode (ConF)
88 S1A28692 03/2010
Parameters described in this page can be accessed by:
Ibr [Brake release I FW] 0 to 1.36 In (1) 0.0 A
g Brake release current threshold for lifting or forward movement. See page 179.
Ird [Brake release I Rev] 0 to 1.36 In (1) 0.0 A
g Brake release current threshold for lowering or reverse movement. See page 179.
brt [Brake Release time] 0 to 5.00 s 0 s
g Brake release time delay. See page 179.
bIr [Brake release freq] [Auto] (AUtO)
0 to 10 Hz
[Auto] (AUtO)
g See page 180.
AUtO [Auto] (AUtO): Nominal value
bEn [Brake engage freq] [Auto] (AUtO)
0 to 10 Hz
[Auto] (AUtO)
g Brake engage frequency threshold. See page 180.
tbE [Brake engage delay] 0 to 5.00 s 0 s
g
WARNING
LOSS OF CONTROL
Modify the Brake engage delay for horizontal movement only otherwise the control of the load can be lost.
Failure to follow these instructions can result in death, serious injury, or equipment damage.
Time delay before request to engage brake. See page 180.
bEt [Brake engage time] 0 to 5.00 s 0 s
g Brake engage time (brake response time). See page 180.
JdC [Jump at reversal] [Auto] (AUtO)
0 to 10 Hz
[Auto] (AUtO)
g See page 181.
AUtO [Auto] (AUtO): Nominal value
ttr [Time to restart] 0.00 to 15.00 s 0.00 s
g Time between the end of a brake engage sequence and the start of a brake release sequence. See page 181.
Code Name / Description Adjustment range Factory setting
DRI- > CONF > FULL > SET-
Configuration Mode (ConF)
S1A28692 03/2010 89
Parameters described in this page can be accessed by:
tLIM [Motoring torque lim] 0 to 300% 100%
g Torque limitation in motor mode, as a % or in 0.1% increments of the rated torque in accordance with the
[Torque increment] (IntP) parameter, page 202.
See page 202.
tLIG [Gen. torque lim] 0 to 300% 100%
g Torque limitation in generator mode, as a % or in 0.1% increments of the rated torque in accordance with the
[Torque increment] (IntP) parameter, page 202.
See page 202.
trH [Traverse freq. high] 0 to 10 Hz 4 Hz
g Traverse high. See page 227.
trL [Traverse freq. low] 0 to 10 Hz 4 Hz
g Traverse low. See page 227.
qSH [Quick step High] 0 to [Traverse freq. high] (trH) 0 Hz
g Quick step high. See page 227.
qSL [Quick step Low] 0 to [Traverse freq. low] (trL 0 Hz
g Quick step low. See page 227.
Ctd [Current threshold] 0 to 1.5 In (1) In (1)
Current threshold for [I attained] (CtA) function assigned to a relay or a logic output (see page 123). See page 234.
ttH [High torque thd.] -300% to +300% 100%
High torque threshold for [High tq. att.] (ttHA) function assigned to a relay or a logic output (see page 123), as a % of the
rated motor torque. See page 234.
ttL [Low torque thd.] -300% to +300% 50%
Low torque threshold for [Low tq. att.] (ttLA) function assigned to a relay or a logic output (see page 123), as a % of the rated
motor torque. See page 234.
FqL [Pulse warning thd.] 0 Hz to 20,000 kHz 0 Hz
g Speed threshold measured by the [FREQUENCY METER] (FqF-) function, page 247, assigned to a relay or a logic output
(see page 123). See page 235.
Ftd [Freq. threshold] 0.0 to 599 Hz HSP
Motor frequency threshold for [Freq.Th.att.] (FtA) function assigned to a relay or a logic output (see page 123), or used by the
[PARAM. SET SWITCHING] (MLP-) function, page 215. See page 234.
F2d [Freq. threshold 2] 0.0 to 599 Hz HSP
Motor frequency threshold for [Freq. Th. 2 attain.] (F2A) function assigned to a relay or a logic output (see page 123), or used
by the [PARAM. SET SWITCHING] (MLP-) function, page 215. See page 234.
FFt [Freewheel stop Thd] 0.2 to 599 Hz 0.2 Hz
g Speed threshold below which the motor will switch to freewheel stop.
This parameter supports switching from a ramp stop or a fast stop to a freewheel stop below a low speed threshold.
It can be accessed if [Type of stop] (Stt) is set to [Fast stop] (FSt) or [Ramp stop] (rMP) and if [Brake assignment]
(bLC) or [Auto DC injection] (AdC) are configured. See page 158.
Code Name / Description Adjustment range Factory setting
DRI- > CONF > FULL > SET-
Configuration Mode (ConF)
90 S1A28692 03/2010
Parameters described in this page can be accessed by:
ttd [Motor therm. level] 0 to 118% 100%
Trip threshold for motor thermal alarm (logic output or relay). See page 237.
JPF [Skip Frequency] 0 to 599 Hz 0 Hz
Skip frequency. This parameter helps to prevent prolonged operation within an adjustable range around the regulated frequency.
This function can be used to help to prevent a speed, which would cause resonance, being reached. Setting the function to 0
renders it inactive. See page 168.
JF2 [Skip Frequency 2] 0 to 599 Hz 0 Hz
2nd skip frequency. This parameter helps to prevent prolonged operation within an adjustable range around the regulated
frequency. This function can be used to help to prevent a speed, which would cause resonance, being reached. Setting the
function to 0 renders it inactive. See page 168.
JF3 [3rd Skip Frequency] 0 to 599 Hz 0 Hz
3rd skip frequency. This parameter helps to prevent prolonged operation within an adjustable range around the regulated
frequency. This function can be used to help to prevent a speed, which would cause resonance, being reached. Setting the
function to 0 renders it inactive. See page 168.
JFH [Skip.Freq.Hysteresis] 0.1 to 10 Hz 1 Hz
g Parameter visible if at least one skip frequency [Skip Frequency] (JPF), [Skip Frequency 2] (JF2) or
[3rd Skip Frequency] (JF3) is different from 0.
Skip frequency range: between (JPF – JFH) and (JPF + JFH) for example.
This adjustment is common to the 3 frequencies (JPF, JF2, JF3). See page 168.
LUn [Unld.Thr.Nom.Speed] 20 to 100% of
[Rated mot. current] (nCr)
60%
g Underload threshold at rated motor frequency ([Rated motor freq.] (FrS) page 74), as a % of the rated motor torque.
Visible only if [Unld T. Del. Detect] (ULt) page 251 is not set to 0.
See page 251.
LUL [Unld.Thr.0.Speed] 0 to [Unld.Thr.Nom.Speed] (LUn) 0%
g Underload threshold at zero frequency, as a % of the rated motor torque.
Visible only if [Unld T. Del. Detect] (ULt) page 251 is not set to 0.
See page 251.
rMUd [Unld. Freq.Thr. Det.] 0 to 599 Hz 0 Hz
g Underload detection minimum frequency threshold. See page 251.
Srb [Hysteresis Freq.Att.] 0.3 to 599 Hz 0.3 Hz
g Maximum deviation between the frequency reference and the motor frequency, which defines steady state operation.
See page 251.
FtU [Underload T.B.Rest.] 0 to 6 min 0 min
g Minimum time permitted between an underload being detected and any automatic restart.
In order for an automatic restart to be possible, the value of [Max. restart time] (tAr) page 234 must exceed that of this
parameter by at least one minute. See page 252.
LOC [Ovld Detection Thr.] 70% to 150% of
[Rated mot. current] (nCr)
110%
g Overload detection threshold, as a % of the rated motor current [Rated mot. current] (nCr). This value must be less than the
limit current in order for the function to work. See page 253.
Visible only if [Ovld Time Detect.] (tOL) is not set to 0.
This parameter is used to detect an "application overload". This is not a motor or drive thermal overload.
FtO [Overload T.B.Rest.] 0 to 6 min 0 min
g Minimum time permitted between an overload being detected and any automatic restart.
In order for an automatic restart to be possible, the value of [Max. restart time] (tAr) page 234 must exceed that of this
parameter by at least one minute. See page 253.
Code Name / Description Adjustment range Factory setting
DRI- > CONF > FULL > SET-
Configuration Mode (ConF)
S1A28692 03/2010 91
Parameters described in this page can be accessed by:
(1) In corresponds to the rated drive current indicated in the Installation manual or on the drive nameplate.
(2) If a graphic display terminal is not in use, values greater than 9,999 will be displayed on the 4-digit display with a period
mark after the thousand digit, example: 15.65 for 15,650.
LbC [Load correction] 0 to 599 Hz 0 Hz
g Rated correction in Hz. See [Load correction] (LbC) page 109.
FFM [Fan Mode] [Standard] (Std)
CAUTION
RISK OF EQUIPMENT DAMAGE
If [Fan Mode] (FFM) is set to [Never] (Stp), the fan of the drive will not be active.
Life time of Electronic component will be reduced.
Check that the ambient temperature will be limited to 40°C.
Failure to follow these instructions can result in equipment damage.
Std
rUn
StP
[Standard] (Std): The fan starts and stops automatically according to the drive thermal state
[Always] (rUn): The fan is started
[Never] (Stp): The fan is stopped
Code Name / Description Adjustment range Factory setting
g
These parameters only appear if the corresponding function has been selected in another menu. When the parameters can
also be accessed and adjusted from within the configuration menu for the corresponding function, their description is detailed
in these menus, on the pages indicated, to aid programming.
Parameter that can be modified during operation or when stopped.
To change the assignment of this parameter, press the ENT key for 2 s.2 s
DRI- > CONF > FULL > SET-
Configuration Mode (ConF)
92 S1A28692 03/2010
Parameters described in this page can be accessed by:
Motor control
The parameters in the [MOTOR CONTROL] (drC-) menu can only be modified when the drive is stopped
and no run command is present, with the following exceptions:
• [Auto tuning] (tUn) page 100, which may cause the motor to start up.
• Parameters containing the sign in the code column, which can be modified with the drive running or
stopped.
Code Name / Description Adjustment range Factory setting
FULL [FULL] (continued)
drC- [MOTOR CONTROL]
bFr [Standard mot. freq] [50 Hz IEC] (50)
50
60
This parameter modifies the presets of the following parameters: [High speed] (HSP) page 75, [Freq. threshold] (Ftd) page
89, [Rated motor volt.] (UnS), [Rated motor freq.] (FrS) and [Max frequency] (tFr).
[50 Hz IEC] (50): IEC
[60 Hz NEMA] (60): NEMA
tFr [Max frequency] 10 to 599 Hz 60 Hz
The factory setting is 60 Hz, or preset to 72 Hz if [Standard mot. freq] (bFr) is set to 60 Hz.
The maximum value is limited by the following conditions:
It must not exceed 10 times the value of [Rated motor freq.] (FrS).
Ctt [Motor control type] [Standard] (Std)
UUC
Std
Note: Select law before entering parameter values.
[SVC V] (UUC): Sensorless vector control with internal speed loop based on voltage feedback calculation. For applications
needing high performance during starting or operation.
[Standard] (Std): U/F 2 points (Volts/Hz) without internal speed loop. For simple applications that do not require high
performance. Simple motor control law keeping a constant Voltage Frequency ratio, with a possible adjustment of the curve
bottom. This law is generally used for motors connected in parallel. Some specific applications with motors in parallel and high
performance levels may require [SVC V] (UUC).
Note: U0 is the result of an internal calculation based on motor parameters and multiplied by UFr (%). U0 can be adjusted by
modifying UFr value.
Voltage
Frequency
FrS
UnS
U0
DRI- > CONF > FULL > DRC-
Configuration Mode (ConF)
S1A28692 03/2010 93
Parameters described in this page can be accessed by:
UF5
SYn
UFq
nLd
[V/F 5pts] (UF5): 5-segment V/F profile: As [Standard] (Std) profile but also supports the avoidance of resonance
(saturation).
Note: U0 is the result of an internal calculation based on motor parameters and multiplied by UFr (%). U0 can be adjusted by
modifying UFr value.
[Sync. mot.] (SYn): For synchronous permanent magnet motors with sinusoidal electromotive force (EMF) only. This selection
makes the asynchronous motor parameters inaccessible, and the synchronous motor parameters accessible.
[V/F Quad.] (UFq): Variable torque. For pump and fan applications.
[Energy Sav.] (nLd): Energy saving. For applications that do not require high dynamics.
Code Name / Description Adjustment range Factory setting
Voltage
Frequency
FrS
UnS
U5
U4
U3
U1
U2
U0
F1 F2 F3 F4 F5
FrS > F5 > F4 > F3 > F2 > F1
The profile is defined by the
values of parameters UnS, FrS,
U1 to U5 and F1 to F5.
DRI- > CONF > FULL > DRC-
Configuration Mode (ConF)
94 S1A28692 03/2010
Parameters described in this page can be accessed by:
Asynchronous motor parameters
Code Name / Description Adjustment range Factory setting
ASY- [ASYNC. MOTOR]
Only visible if [Motor control type] (Ctt) page 92 is not set to [Sync. mot.] (SYn).
nPr [Rated motor power] According to drive rating According to drive rating
g
This parameter cannot be accessed if [Motor control type] (Ctt) page 92 is set to [Sync. mot.] (SYn).
Rated motor power given on the nameplate, in kW if [Standard mot. freq] (bFr) is set to [50Hz IEC] (50), in HP if
[Standard mot. freq] (bFr) is set to [60Hz NEMA] (60).
COS [Motor 1 Cosinus Phi] 0.5 to 1 According to drive rating
g Nominal motor cos phi.
This parameter can be accessed if [Motor param choice] (MPC) is set to [Mot Cos] (COS).
UnS [Rated motor volt.] 100 to 480 V According to drive rating and
[Standard mot. freq] (bFr)
g This parameter cannot be accessed if [Motor control type] (Ctt) page 92 is set to [Sync. mot.] (SYn).
Rated motor voltage given on the nameplate.
nCr [Rated mot. current] 0.25 to 1.5 In (1) According to drive rating and
[Standard mot. freq] (bFr)
g This parameter cannot be accessed if [Motor control type] (Ctt) page 92 is set to [Sync. mot.] (SYn).
Rated motor current given on the nameplate.
FrS [Rated motor freq.] 10 to 800 Hz 50 Hz
g
This parameter cannot be accessed if [Motor control type] (Ctt) page 92 is set to [Sync. mot.] (SYn).
Rated motor frequency given on the nameplate.
The factory setting is 50 Hz, or preset to 60 Hz if [Standard mot. freq] (bFr) is set to 60 Hz.
nSP [Rated motor speed] 0 to 65,535 rpm According to drive rating
g
This parameter cannot be accessed if [Motor control type] (Ctt) page 92 is set to [Sync. mot.] (SYn).
0 to 9,999 rpm then 10.00 to 65.53 krpm on the integrated display terminal.
If, rather than the rated speed, the nameplate indicates the synchronous speed and the slip in Hz or as a %, calculate the rated
speed as follows:
Nominal speed = Synchronous speed x
or
Nominal speed = Synchronous speed x (50 Hz motors)
or
Nominal speed = Synchronous speed x (60 Hz motors).
100 - slip as a %
100
50 - slip in Hz
50
60 - slip in Hz
60
DRI- > CONF > FULL > DRC- > ASY-
Configuration Mode (ConF)
S1A28692 03/2010 95
Parameters described in this page can be accessed by:
tUn [Auto tuning] [No] (nO)
DANGER
HAZARD OF ELECTRIC SHOCK OR ARC FLASH
• During auto-tuning, the motor operates at rated current.
• Do not service the motor during auto-tuning.
Failure to follow these instructions will result in death or serious injury.
WARNING
LOSS OF CONTROL
• It is essential that the following parameters [Rated motor volt.] (UnS), [Rated motor freq.] (FrS),
[Rated mot. current] (nCr), [Rated motor speed] (nSP), and [Rated motor power] (nPr) or
[Motor 1 Cosinus Phi] (COS) are correctly configured before starting auto-tuning.
• When one or more of these parameters have been changed after auto-tuning has been performed,
[Auto tuning] (tUn) will return [No action] (nO) and the procedure will have to be repeated.
Failure to follow these instructions can result in death, serious injury, or equipment damage.
nO
YES
CLr
- Auto-tuning is only performed if no stop command has been activated. If a "freewheel stop" or "fast stop" function has been
assigned to a logic input, this input must be set to 1 (active at 0).
- Auto-tuning takes priority over any run or prefluxing commands, which will be taken into account after the auto-tuning
sequence.
- If auto-tuning detects a fault, the drive displays [No action] (nO) and, depending on the configuration of
[Autotune fault mgt] (tnL) page 249, may switch to [Auto-tuning] (tnF) fault mode.
- Auto-tuning may last for 1 to 2 seconds. Do not interrupt the process. Wait for the display to change to [No action] (nO).
Note: Motor thermal state has a big influence on tune result. Make the tune with the motor stopped and cold.
To redo a tune of the motor, wait that it is completely stopped and cold. Set first [Auto tuning] (tUn) to [Erase tune] (CLr),
then redo the motor tuning.
The use of the motor tuning without doing a [Erase tune] (CLr) first is used to get the thermal state estimation of the motor.
In any case, the motor has to be stopped before performing a tune operation.
Cable length has an influence on the Tune result. If the cabling is modified, it is necessary to redo the tune operation.
[No action] (nO): Auto-tuning not in progress
[Do tune] (YES): Auto-tuning is performed immediatly if possible, then the parameter automatically changes
to [No action] (nO). If the drive state does not allow the tune operation immediately, the parameter changes to [No] (nO) and
the operation must be done again.
[Erase tune] (CLr): The motor parameters measured by the auto-tuning function are reseted. The default motor parameters
values are used to control the motor. [Auto tuning status] (tUS) is set to [Not done] (tAb).
tUS [Auto tuning state] [Not done] (tAb)
tAb
PEnd
PrOG
FAIL
dOnE
(for information only, cannot be modified)
This parameter is not saved at drive power off. It shows the Autotuning status since last power on.
[Not done] (tAb): Autotune is not done
[Pending] (PEnd): Autotune has been requested but not yet performed
[In Progress] (PrOG): Autotune is in progress
[Failed] (FAIL): Autotune has detected a fault
[Done] (dOnE): The motor parameters measured by the auto-tuning function are used to control the motor
StUn [Tune selection] [Default] (tAb)
tAb
MEAS
CUS
(for information only, cannot be modified)
[Default] (tAb): The default values are used to control the motor
[Measure] (MEAS): The values measured by the auto-tuning function are used to control the motor
[Custom] (CUS): The values set manually are used to control the motor
Note: Tune of the motor will increase significantly the performances.
Code Name / Description Adjustment range Factory setting
2 s
DRI- > CONF > FULL > DRC- > ASY-
Configuration Mode (ConF)
96 S1A28692 03/2010
Parameters described in this page can be accessed by:
tUnU [Auto tuning usage] [Therm Mot] (tM)
nO
tM
Ct
This parameter shows the way used to modify the motor parameters according to its estimated thermal state.
[No] (nO): No thermal state estimation
[Therm Mot] (tM): Statoric thermal state estimation based on nominal current and current consumed by the motor
[Cold tun] (Ct): Statoric thermal state estimation based on statoric resistance measured at the first cold tune and tune done
at each power up
AUt [Automatic autotune] [No] (nO)
DANGER
HAZARD OF ELECTRIC SHOCK, EXPLOSION OR ARC FLASH
When [Automatic autotune] (AUt) is changed from [No] (nO), Autotune will be performed every time the
power will be switched on.
Check this action will not endanger personnel or equipment in any way.
Failure to follow these instructions will result in death or serious injury.
The motor must be stopped when switching on the drive.
[Automatic autotune] (AUt) is forced to [Yes] (YES) if [Auto tuning usage] (tUnU) is set to [Cold tun] (Ct). The value
of motor statoric resistance measured during the tune is used to estimate the thermal state of the motor at power up.
nO
YES
[No] (nO): Function deactivated
[Yes] (YES): A tune is automatically done at each power up
FLU [Motor fluxing] [No] (FnO)
g
(1)
DANGER
HAZARD OF ELECTRIC SHOCK, EXPLOSION OR ARC FLASH
When [Motor fluxing] (FLU) is set to [Continuous] (FCt), the drive automatically builds up flux.
Check this action will not endanger personnel or equipment in any way.
Failure to follow these instructions will result in death or serious injury.
CAUTION
RISK OF DAMAGE TO THE MOTOR
Check that the motor will withstand this current without overheating.
Failure to follow these instructions can result in equipment damage.
FnC
FCt
FnO
If [Motor control type] (Ctt) page 92 is set to [Sync. mot.] (SYn), the factory setting is replaced by [Not cont.] (FnC).
In order to obtain rapid high torque on startup, magnetic flux needs to already have been established in the motor.
In [Continuous] (FCt) mode, the drive automatically builds up flux when it is powered up.
In [Not cont.] (FnC) mode, fluxing occurs when the motor starts up.
The flux current is greater than [Rated mot. current] (nCr) (configured rated motor current) when the flux is established and
is then adjusted to the motor magnetizing current.
[Not cont.] (FnC): Non-continuous mode
[Continuous] (FCt): Continuous mode. This option is not possible if [Auto DC injection] (AdC) page 161 is [Yes] (YES)
or if [Type of stop] (Stt) page 158 is [Freewheel] (nSt).
[No] (FnO): Function inactive. This option is not possible if [Brake assignment] (bLC) page 179 is not [No] (nO).
If [Motor control type] (Ctt) page 92 is set to [Sync. mot.] (SYn), the [Motor fluxing] (FLU) parameter causes the
alignment of the rotor and not the fluxing.
If [Brake assignment] (bLC) page 179 is not [No] (nO), the [Motor fluxing] (FLU) parameter has no effect.
Code Name / Description Adjustment range Factory setting
2 s
2 s
DRI- > CONF > FULL > DRC- > ASY-
Configuration Mode (ConF)
S1A28692 03/2010 97
Parameters described in this page can be accessed by:
(1) In corresponds to the rated drive current indicated in the Installation manual and on the drive nameplate.
MPC [Motor param choice] [Mot Power] (nPr)
g
nPr
COS
[Mot Power] (nPr)
[Mot Cos] (COS)
Code Name / Description Adjustment range Factory setting
g
These parameters only appear if the corresponding function has been selected in another menu. When the parameters can
also be accessed and adjusted from within the configuration menu for the corresponding function, their description is detailed
in these menus, on the pages indicated, to aid programming.
Parameter that can be modified during operation or when stopped.
To change the assignment of this parameter, press the ENT key for 2 s.2 s
DRI- > CONF > FULL > DRC- > ASY-
Configuration Mode (ConF)
98 S1A28692 03/2010
Parameters described in this page can be accessed by:
Asynchronous motor parameters: Expert mode
(1) On the integrated display unit: 0 to 9,999 then 10.00 to 65.53 (10,000 to 65,535).
Code Name / Description Adjustment range Factory setting
ASY- [ASYNC. MOTOR]
rSA [Cust stator resist.] 0 to 65,535 mOhm 0 mOhm
g
(1)
Cold state stator resistance (per winding), modifiable value.
The factory setting is replaced by the result of the auto-tuning operation, if it has been performed.
LFA [Lfw] 0 to 655.35 mH 0 mH
g Cold state leakage inductance, modifiable value.
The factory setting is replaced by the result of the auto-tuning operation, if it has been performed.
IdA [Idw] 0 to 6,553.5 A 0 A
g Customer adjusted magnetizing current.
trA [Cust. rotor t const.] 0 to 65,535 ms 0 ms
g Customer adjusted rotor time constant.
g
These parameters only appear if the corresponding function has been selected in another menu. When the parameters can
also be accessed and adjusted from within the configuration menu for the corresponding function, their description is detailed
in these menus, on the pages indicated, to aid programming.
DRI- > CONF > FULL > DRC- > ASY-
Configuration Mode (ConF)
S1A28692 03/2010 99
Parameters described in this page can be accessed by:
Synchronous motor parameters
These parameters can be accessed if [Motor control type] (Ctt) page 92 is set to [Sync. mot.] (SYn). In
this case, the asynchronous motor parameters cannot be accessed.
Advices:
The drive must be chosen to have enough current according to the need of behavior, but not too much, to have
enough accuracy in the current measurement, especially with the high frequency signal injection (see
[HF inj. activation] (HFI) page 102).
Once the drive is chosen:
- Enter the motor nameplate.
- Perform the tune.
- Adjust [Syn. EMF constant] (PHS) to have optimal behavior (few current in the motor in case of no-
load).
Note: Performances may be higher on high saliency motors by activating high frequency injection function
(see [HF inj. activation] (HFI) page 102).
Code Name / Description Adjustment range Factory setting
drC- [MOTOR CONTROL] (continued)
SYN- [SYNCHRONOUS MOTOR]
nCrS [Nominal I sync.] 0.25 to 1.5 In (1) According to drive rating
g Rated synchronous motor current given on the nameplate.
PPnS [Pole pairs] 1 to 50 According to drive rating
g Number of pairs of poles on the synchronous motor.
nSPS [Nom motor spdsync] 0 to 48,000 rpm According to drive rating
g
(2)
Rated motor speed given on the nameplate.
tqS [Motor torque] 0.1 to 6,553.5 Nm According to drive rating
g Rated motor torque given on the nameplate.
DRI- > CONF > FULL > DRC- > SYN-
Configuration Mode (ConF)
100 S1A28692 03/2010
Parameters described in this page can be accessed by:
tUn [Auto tuning] [No] (nO)
DANGER
HAZARD OF ELECTRIC SHOCK OR ARC FLASH
• During auto-tuning, the motor operates at rated current.
• Do not service the motor during auto-tuning.
Failure to follow these instructions will result in death or serious injury.
WARNING
LOSS OF CONTROL
• It is essential that the following parameters [Nominal I sync.] (nCrS), [Nom motor spdsync] (nSPS),
[Pole pairs] (PPnS), [Syn. EMF constant] (PHS), [Autotune L d-axis] (LdS) and [Autotune L q-axis]
(LqS) are correctly configured before starting auto-tuning.
• When one or more of these parameters have been changed after auto-tuning has been performed,
[Auto tuning] (tUn) will return [No action] (nO) and the procedure will have to be repeated.
Failure to follow these instructions can result in death, serious injury, or equipment damage.
nO
YES
CLr
- Auto-tuning is only performed if no stop command has been activated. If a "freewheel stop" or "fast stop" function has been
assigned to a logic input, this input must be set to 1 (active at 0).
- Auto-tuning takes priority over any run or prefluxing commands, which will be taken into account after the auto-tuning
sequence.
- If auto-tuning detects a fault, the drive displays [No action] (nO) and, depending on the configuration of
[Autotune fault mgt] (tnL) page 249, may switch to [Auto-tuning] (tnF) fault mode.
- Auto-tuning may last for 1 to 2 seconds. Do not interrupt the process. Wait for the display to change to [No action] (nO).
Note: Motor thermal state has a big influence on tune result. Make the tune with the motor stopped and cold.
To redo a tune of the motor, wait that it is completely stopped and cold. Set first [Auto tuning] (tUn) to [Erase tune] (CLr),
then redo the motor tuning.
The use of the motor tuning without doing a [Erase tune] (CLr) first is used to get the thermal state estimation of the motor.
In any case, the motor has to be stopped before performing a tune operation.
Cable length has an influence on the Tune result. If the cabling is modified, it is necessary to redo the tune operation.
[No action] (nO): Auto-tuning not in progress
[Do tune] (YES): Auto-tuning is performed immediatly if possible, then the parameter automatically changes
to [No action] (nO). If the drive state does not allow the tune operation immediately, the parameter changes to [No] (nO) and
the operation must be done again.
[Erase tune] (CLr): The motor parameters measured by the auto-tuning function are reseted. The default motor parameters
values are used to control the motor. [Auto tuning status] (tUS) is set to [Not done] (tAb).
tUS [Auto tuning state] [Not done] (tAb)
tAb
PEnd
PrOG
FAIL
dOnE
(for information only, cannot be modified)
This parameter is not saved at drive power off. It shows the Autotuning status since last power on.
[Not done] (tAb): Autotune is not done
[Pending] (PEnd): Autotune has been requested but not yet performed
[In Progress] (PrOG): Autotune is in progress
[Failed] (FAIL): Autotune has detected a fault
[Done] (dOnE): The motor parameters measured by the auto-tuning function are used to control the motor
StUn [Tune selection] [Default] (tAb)
tAb
MEAS
CUS
(for information only, cannot be modified)
Note: Tune of the motor will increase significantly the performances.
[Default] (tAb): The default values are used to control the motor
[Measure] (MEAS): The values measured by the auto-tuning function are used to control the motor
[Custom] (CUS): The values set manually are used to control the motor
Code Name / Description Adjustment range Factory setting
2 s
DRI- > CONF > FULL > DRC- > SYN-
Configuration Mode (ConF)
S1A28692 03/2010 101
Parameters described in this page can be accessed by:
tUnU [Auto tuning usage] [Therm Mot] (tM)
nO
tM
Ct
This parameter shows the way used to modify the motor parameters according to its estimated thermal state.
[No] (nO): No thermal state estimation
[Therm Mot] (tM): Statoric thermal state estimation based on nominal current and current consumed by the motor
[Cold tun] (Ct): Statoric thermal state estimation based on statoric resistance measured at the first cold tune and tune done
at each power up
AUt [Automatic autotune] [No] (nO)
DANGER
HAZARD OF ELECTRIC SHOCK, EXPLOSION OR ARC FLASH
When [Automatic autotune] (AUt) is changed from [No] (nO), Autotune will be performed every time the
power will be switched on.
Check this action will not endanger personnel or equipment in any way.
Failure to follow these instructions will result in death or serious injury.
The motor must be stopped when switching on the drive.
[Automatic autotune] (AUt) is forced to [Yes] (YES) if [Auto tuning usage] (tUnU) is set to [Cold tun] (Ct). The value
of motor statoric resistance measured during the tune is used to estimate the thermal state of the motor at power up.
nO
YES
[No] (nO): Function deactivated
[Yes] (YES): A tune is automatically done at each power up
SMOt [Saliency mot. state]
g
(for information only, cannot be modified)
Information on synchronous motor saliency.
This parameter can be accessed if [Tune selection] (StUN) is set to [Measure] (MEAS).
Note: In case of motor with low saliency, the standard control law is advised.
nO
LLS
MLS
HLS
[No] (nO): Tune not done
[Low salient] (LLS): Low saliency level (Recommended configuration: [Angle setting type] (ASt) = [PSI align] (PSI) or
[PSIO align] (PSIO) and [HF inj. activation] (HFI) = [No] (nO)).
[Med salient] (MLS): Medium saliency level ([Angle setting type] (ASt) = [SPM align] (SPMA) is possible.
[HF inj. activation] (HFI) = [Yes] (YES) could work).
[High salient] (HLS): High saliency level ([Angle setting type] (ASt) = [IPM align] (IPMA) is possible.
[HF inj. activation] (HFI) = [Yes] (YES) is possible).
ASt [Angle setting type] [PSIO align.] (PSIO)
g
Mode for measuring the phase-shift angle. Visible only if [Motor control type] (Ctt) is set to [Sync. mot.] (SYn).
[PSI align] (PSI) and [PSIO align] (PSIO) are working for all type of synchronous motors. [SPM align] (SPMA) and
[IPM align] (IPMA) increase performances depending on the type of synchronous motor.
IPMA
SPMA
PSI
PSIO
nO
[IPM align] (IPMA): Alignment for IPM motor. Alignment mode for Interior-buried Permanent Magnet motor (usually, this kind
of motor has a high saliency level). It uses high frequency injection, which is less noisy than standard alignment mode.
[SPM align] (SPMA): Alignment for SPM motor. Mode for Surface-mounted Permanent Magnet motor (usually, this kind of
motor has a medium or low saliency level). It uses high frequency injection, which is less noisy than standard alignment mode.
[PSI align] (PSI): Pulse signal injection. Standard alignment mode by pulse signal injection.
[PSIO align] (PSIO): Pulse signal injection - Optimized. Standard optimized alignment mode by pulse signal injection. The
phase shift angle measurement time is reduced after the first run order or tune operation, even if the drive has been turned off.
[No align] (nO): No alignment
Code Name / Description Adjustment range Factory setting
2 s
DRI- > CONF > FULL > DRC- > SYN-
Configuration Mode (ConF)
102 S1A28692 03/2010
Parameters described in this page can be accessed by:
(1) In corresponds to the rated drive current indicated in the Installation manual and on the drive nameplate.
(2) On the integrated display unit: 0 to 9,999 then 10.00 to 65.53 (10,000 to 65,536).
HFI [HF inj. activation] [No] (nO)
g
Activation of high frequency signal injection in RUN. This function allows to estimate the motor speed in a view to have torque
at low speed without speed feedback.
Note: The more the saliency is high, the more the [HF inj. activation] (HFI) function will be efficient.
In order to ensure the performances, it could be necessary to adjust the speed loop parameters ([K speed loop filter] (SFC),
[Speed time integral] (SIt) and [Speed prop. gain] (SPG), see page 105) and the speed estimation phase locked loop
(Expert parameters [HF pll bandwith] (SPb) and [HF pll dump. factor] (SPF), see page 103).
High frequency injection is not efficient with low saliency motors (see [Saliency mot. state] (SMOt) page 101).
It is advised to have 4 kHz of pwm frequency ([Switching freq.] (SFr)).
In case of instability with no load, it is advised to decrease [Speed prop. gain] (SPG) and [HF pll bandwith] (SPb). Then,
adjust the speed loop parameters to have the dynamic behavior and the PLL gains to have a good speed estimation at low
speed.
In case of instability with load, it could help to increase the [Angle error Comp.] (PEC) parameter (mainly for SPM motor).
nO
YES
[No] (nO): Function deactivated
[Yes] (YES): High frequency injection is used for speed estimation
Code Name / Description Adjustment range Factory setting
g
These parameters only appear if the corresponding function has been selected in another menu. When the parameters can
also be accessed and adjusted from within the configuration menu for the corresponding function, their description is detailed
in these menus, on the pages indicated, to aid programming.
Parameter that can be modified during operation or when stopped.
To change the assignment of this parameter, press the ENT key for 2 s.2 s
DRI- > CONF > FULL > DRC- > SYN-
Configuration Mode (ConF)
S1A28692 03/2010 103
Parameters described in this page can be accessed by:
Synchronous motor: Expert mode
Code Name / Description Adjustment range Factory setting
SYN- [SYNCHRONOUS MOTOR]
rSAS [Cust. stator R syn] 0 to 65,535 mOhm 0 mOhm
g
(1)
Cold state stator resistance (per winding). The factory setting is replaced by the result of the auto-tuning operation, if it has been
performed.
The value can be entered by the user, if he knows it.
LdS [Autotune L d-axis] 0 to 655.35 mH 0 mH
g
Axis "d" stator inductance in mH (per phase).
On motors with smooth poles [Autotune L d-axis] (LdS) = [Autotune L q-axis] (LqS) = Stator inductance L.
The factory setting is replaced by the result of the auto-tuning operation, if it has been performed.
LqS [Autotune L q-axis] 0 to 655.35 mH 0 mH
g
Axis "q" stator inductance in mH (per phase).
On motors with smooth poles [Autotune L d-axis] (LdS) = [Autotune L q-axis] (LqS) = Stator inductance L.
The factory setting is replaced by the result of the auto-tuning operation, if it has been performed.
PHS [Syn. EMF constant] 0 to 6,553.5 mV/rpm 0 mV/rpm
g
(1)
Synchronous motor EMF constant, in mV per rpm (peak voltage per phase).
PHS adjustment allows to reduce the current in operation without load.
FrSS [Nominal freq sync.] 10 to 800 Hz nSPS * PPnS / 60
g Nominal motor frequency for synchronous motor in Hz unit. Automatically updated according to
[Nom motor spdsync] (nSPS) and [Pole pairs] (PPnS) data.
SPb [HF pll bandwith] 0 to 100 Hz 25 Hz
g Bandwidth of the stator frequency Pll.
SPF [HF pll dump. factor] 0 to 200% 100%
g Dumping factor of the stator frequency Pll.
PEC [Angle error Comp.] 0 to 500% 0%
g Error compensation of the angle position in high frequency mode.
It increases performances at low speed in generator and motor mode, particularly for SPM motors.
AUtO [Auto] (AUtO): The drive takes a value equal to the rated slip of the motor, calculated using the drive parameters.
FrI [HF injection freq.] 250 to 1,000 Hz 500 Hz
g Frequency of the high frequency injection signal. It has an influence on the noise during angle shift measurement and speed
estimation accuracy.
HIr [HF current level] 0 to 200% 50%
g Ratio for the current level of the high frequency injection signal. It has an influence on the noise during angle shift measurement
and speed estimation accuracy.
MCr [PSI align curr. max] [Auto] (AUtO) to 300% [Auto] (AUtO)
g
Current level in % of [Nominal I sync.] (nCrS) for [PSI align] (PSI) and [PSIO align] (PSIO) angle shift measurement
modes. This parameter has an impact on the inductor measurement. [PSI align curr. max] (MCr) is used for tune operation.
This current must be equal or higher than the maximum current level of the application, otherwise instability may occur.
If [PSI align curr. max] (MCr) is set to [Auto] (AUtO), [PSI align curr. max] (MCr) = 150% of [Nominal I sync.] (nCrS)
during the tune operation and 100% of [Nominal I sync.] (nCrS) during angle shift measurement in case of standard
alignment ([PSI align] (PSI) or [PSIO align] (PSIO)).
ILr [Injection level align] 0 to 200% 25%
g Current level in % of [Nominal I sync.] (nCrS) for high frequency phase-shift angle measurement IPMA type.
DRI- > CONF > FULL > DRC- > SYN-
Configuration Mode (ConF)
104 S1A28692 03/2010
Parameters described in this page can be accessed by:
(1) On the integrated display unit: 0 to 9,999 then 10.00 to 65.53 (10,000 to 65,536).
SIr [Boost level align.] 0 to 200% 100%
g Current level in % of [Nominal I sync.] (nCrS) for high frequency phase-shift angle measurement SPMA type.
Code Name / Description Adjustment range Factory setting
g
These parameters only appear if the corresponding function has been selected in another menu. When the parameters can
also be accessed and adjusted from within the configuration menu for the corresponding function, their description is detailed
in these menus, on the pages indicated, to aid programming.
Parameter that can be modified during operation or when stopped.
DRI- > CONF > FULL > DRC- > SYN-
Configuration Mode (ConF)
S1A28692 03/2010 105
Parameters described in this page can be accessed by:
Code Name / Description Adjustment range Factory setting
drC- [MOTOR CONTROL] (continued)
SPG [Speed prop. gain] 0 to 1,000% 40%
g Speed loop proportional gain.
Visible if [Motor control type] (Ctt) is not set to [Standard] (Std), [V/F 5pts] (UFS) or [V/F Quad.] (UFq).
SPGU [UF inertia comp.] 0 to 1,000% 40%
g Inertia factor for following motor control laws.
Visible if [Motor control type] (Ctt) is set to [Standard] (Std), [V/F 5pts] (UFS) or [V/F Quad.] (UFq).
SIt [Speed time integral] 1 to 65,535 ms 63 ms
g Speed loop integral time constant.
Visible if [Motor control type] (Ctt) is not set to [Standard] (Std), [V/F 5pts] (UFS) or [V/F Quad.] (UFq).
SFC [K speed loop filter] 0 to 100 65
g Speed filter coefficient (0(IP) to 100(PI)).
FFH [Spd est. filter time] 0 to 100 ms 6.4 ms
g Accessible in Expert mode only.
Frequency to filter the estimated speed.
CrtF [Cur. ref. filter time] 0 to 100 ms 3.2 ms
g Accessible in Expert mode only.
Filter time of the current reference filter [of control law (if [No] (nO): stator natural frequency)].
UFr [IR compensation] 0 to 200% 100%
Used to optimize torque at very low speed, or to adapt to special cases (for example: for motors connected in parallel, decrease
[IR compensation] (UFr)). If there is insufficient torque at low speed, increase [IR compensation] (UFr). A too high value
can avoid the motor to start (locking) or change the current limiting mode.
SLP [Slip compensation] 0 to 300% 100%
g
This parameter cannot be accessed if [Motor control type] (Ctt) is set to [Sync. mot.] (SYn).
This parameter is written at 0% when [Motor control type] (Ctt) is set to [V/F Quad.] (UFq).
Adjusts the slip compensation around the value set by the rated motor speed.
The speeds given on motor nameplates are not necessarily exact.
If slip setting is lower than actual slip: The motor is not rotating at the correct speed in steady state, but at a speed lower than
the reference.
If slip setting is higher than actual slip: The motor is overcompensated and the speed is unstable.
U1 [U1] 0 to 800 V according to rating 0 V
g V/F profile setting.
This parameter can be accessed if [Motor control type] (Ctt) is set to [V/F 5pts] (UF5).
F1 [F1] 0 to 599 Hz 0 Hz
g V/F profile setting.
This parameter can be accessed if [Motor control type] (Ctt) is set to [V/F 5pts] (UF5).
U2 [U2] 0 to 800 V according to rating 0 V
g V/F profile setting.
This parameter can be accessed if [Motor control type] (Ctt) is set to [V/F 5pts] (UF5).
F2 [F2] 0 to 599 Hz 0 Hz
g V/F profile setting.
This parameter can be accessed if [Motor control type] (Ctt) is set to [V/F 5pts] (UF5).
DRI- > CONF > FULL > DRC-
Configuration Mode (ConF)
106 S1A28692 03/2010
Parameters described in this page can be accessed by:
U3 [U3] 0 to 800 V according to rating 0 V
g V/F profile setting.
This parameter can be accessed if [Motor control type] (Ctt) is set to [V/F 5pts] (UF5).
F3 [F3] 0 to 599 Hz 0 Hz
g V/F profile setting.
This parameter can be accessed if [Motor control type] (Ctt) is set to [V/F 5pts] (UF5).
U4 [U4] 0 to 800 V according to rating 0 V
g V/F profile setting.
This parameter can be accessed if [Motor control type] (Ctt) is set to [V/F 5pts] (UF5).
F4 [F4] 0 to 599 Hz 0 Hz
g V/F profile setting.
This parameter can be accessed if [Motor control type] (Ctt) is set to [V/F 5pts] (UF5).
U5 [U5] 0 to 800 V according to rating 0 V
g V/F profile setting.
This parameter can be accessed if [Motor control type] (Ctt) is set to [V/F 5pts] (UF5).
F5 [F5] 0 to 599 Hz 0 Hz
g V/F profile setting.
This parameter can be accessed if [Motor control type] (Ctt) is set to [V/F 5pts] (UF5).
CLI [Current Limitation] 0 to 1.5 In (1) 1.5 In (1)
g
CAUTION
RISK OF DAMAGE TO THE MOTOR AND THE DRIVE
• Check that the motor will withstand this current, particularly in the case of permanent magnet synchronous
motors, which are susceptible to demagnetization.
• Check that the profile mission complies with the derating curve given in the installation manual.
Failure to follow these instructions can result in equipment damage.
First current limitation.
Note: If the setting is less than 0.25 In, the drive may lock in [Output Phase Loss] (OPL) fault mode if this has been enabled
(see page 238). If it is less than the no-load motor current, the motor cannot run.
SFt [Switch. freq type] [SFR type 1] (HF1)
HF1
HF2
The motor switching frequency will be modified (reduced) when the internal temperature of the drive will be too high.
[SFR type 1] (HF1): Heating optimization
Allows the system to adapt the switching frequency according to the motor frequency.
[SFR type 2] (HF2): Motor noise optimization (for high switching frequency)
Allows the system to keep a constant chosen switching frequency [Switching freq.] (SFr) whatever the motor frequency
[Output frequency] (rFr).
In the event of overheating, the drive automatically decreases the switching frequency.
It is restored to its original value when the temperature returns to normal.
SFr [Switching freq.] 2 to 16 kHz 4 kHz
CAUTION
RISK OF DAMAGE TO THE DRIVE
On ATV32ppppM2 ratings, if the RFI filters are disconnected (operation on an IT system), the drive’s switching
frequency must not exceed 4 kHz.
Failure to follow these instructions can result in equipment damage.
Switching frequency setting.
Adjustment range: The maximum value is limited to 4 kHz if [Motor surge limit] (SUL) parameter page 107 is configured.
Note: In the event of excessive temperature rise, the drive will automatically reduce the switching frequency and reset it once
the temperature returns to normal.
In case of high speed motor, it is advised to increase the pwm frequency [Switching freq.] (SFr) at 8, 12 or 16 kHz.
Code Name / Description Adjustment range Factory setting
DRI- > CONF > FULL > DRC-
Configuration Mode (ConF)
S1A28692 03/2010 107
Parameters described in this page can be accessed by:
nrd [Noise reduction] [No] (nO)
nO
YES
Random frequency modulation helps to prevent any resonance, which may occur at a fixed frequency.
[No] (nO): Fixed frequency
[Yes] (YES): Frequency with random modulation
bOA [Boost activation] [Dynamic] (dYnA)
nO
dYnA
StAt
[Inactive] (nO): No boost
[Dynamic] (dYnA): Dynamic boost
[Static] (StAt): Static boost
bOO [Boost] -100 to 100% 0%
g
This parameter can be accessed if [Boost activation] (bOA) is not set to [No] (nO).
Adjustment of the motor magnetizing current at low speed, as a % of the rated magnetizing current. This parameter is used to
increase or reduce the time taken to establish the torque. It allows gradual adjustment up to the frequency set by
[Action Boost] (FAb). Negative values apply particularly to tapered rotor motors.
FAb [Action Boost] 0 to 599 Hz 0 Hz
g This parameter can be accessed if [Boost activation] (bOA) is not set to [No] (nO).
Frequency above which the magnetizing current is no longer affected by [Boost] (bOO).
SUL [Motor surge limit.] [No] (nO)
nO
YES
This function limits motor overvoltages and is useful in the following applications:
- NEMA motors
- Japanese motors
- Spindle motors
- Rewound motors
This parameter can remain set to [No] (nO) for 230/400 V motors used at 230 V, or if the length of cable between the drive and
the motor does not exceed:
- 4 m with unshielded cables
- 10 m with shielded cables
Note: When [Motor surge limit.] (SUL) is set to [Yes](YES), the maximum switching frequency [Switching freq.] (SFr)
is modified, see page 107.
[No] (nO): Function inactive
[Yes] (YES): Function active
SOP [Volt surge limit. opt] 10 μs
g
Optimization parameter for transient overvoltages at the motor terminals. This parameter can be accessed if [Motor surge limit.]
(SUL) is set to [Yes] (YES).
6
8
10
Set to 6, 8 or 10 μs, according to the following table.
Note: This parameter is useful for ATV32pppN4 drives.
Code Name / Description Adjustment range Factory setting
0
Rated magnetizing current
Positive [Boost] (bOO)
Negative [Boost] (bOO)
[Action Boost] (FAb)
Magnetizing current
Frequency
g
These parameters only appear if the corresponding function has been selected in another menu. When the parameters can
also be accessed and adjusted from within the configuration menu for the corresponding function, their description is detailed
in these menus, on the pages indicated, to aid programming.
Parameter that can be modified during operation or when stopped.
DRI- > CONF > FULL > DRC-
Configuration Mode (ConF)
108 S1A28692 03/2010
The value of the [Volt surge limit. opt] (SOP) parameter corresponds to the attenuation time of the cable
used. It is defined to help to prevent the superimposition of voltage wave reflections resulting from long cable
lengths. It limits overvoltages to twice the DC bus rated voltage.
The tables on the following page give examples of correspondence between the
[Volt surge limit. opt] (SOP) parameter and the length of the cable between the drive and the motor. For
longer cable lengths, an output of the filter or a dV/dt protection filter must be used.
For motors in parallel, the sum of all the cable lengths must be taken into consideration. Compare the length
given in the table row corresponding to the power for one motor with that corresponding to the total power, and
select the shorter length.
Example: Two 7.5 kW (10 HP) motors
Take the lengths on the 15 kW (20 HP) table row, which are shorter than those on the 7.5 kW (10 HP) row,
and divide by the number of motors to obtain the length per motor (with unshielded "GORSE" cable and
SOP = 6, the result is 40/2 = 20 m maximum for each 7.5 kW (10 HP) motor).
In special cases (for example, different types of cable, different motor powers in parallel, different cable lengths
in parallel, etc.), we recommend using an oscilloscope to check the overvoltage values obtained at the motor
terminals.
To retain the overall drive performance, do not increase the SOP value unnecessarily.
Tables giving the correspondence between the SOP parameter and the cable length, for 400 V line supply
For 230/400 V motors used at 230 V, the [Motor surge limit.] (SUL) parameter can remain set to
[No] (nO).
Altivar 32 Motor Cable cross-
section (min)
Maximum cable length in meters
Reference Power Unshielded "GORSE" cable
Type H07 RN-F 4Gxx
Shielded "GORSE" cable
Type GVCSTV-LS/LH
Shielded "BELDEN" cable
Type 2950x
kW HP in mm² AWG SOP = 10 SOP = 8 SOP = 6 SOP = 10 SOP = 8 SOP = 6 SOP = 10 SOP = 8 SOP = 6
ATV32HO37N4 0.37 0.50 1.5 14 100 m 70 m 45 m 105 m 85 m 65 m 50 m 40 m 30 m
ATV32HO55N4 0.55 0.75 1.5 14 100 m 70 m 45 m 105 m 85 m 65 m 50 m 40 m 30 m
ATV32HO75N4 0.75 1 1.5 14 100 m 70 m 45 m 105 m 85 m 65 m 50 m 40 m 30 m
ATV32HU11N4 1.1 1.5 1.5 14 100 m 70 m 45 m 105 m 85 m 65 m 50 m 40 m 30 m
ATV32HU15N4 1.5 2 1.5 14 100 m 70 m 45 m 105 m 85 m 65 m 50 m 40 m 30 m
ATV32HU22N4 2.2 3 1.5 14 110 m 65 m 45 m 105 m 85 m 65 m 50 m 40 m 30 m
ATV32HU30N4 3 - 1.5 14 110 m 65 m 45 m 105 m 85 m 65 m 50 m 40 m 30 m
ATV32HU40N4 4 5 2.5 12 110 m 65 m 45 m 105 m 85 m 65 m 50 m 40 m 30 m
ATV32HU55N4 5.5 7.5 4 10 120 m 65 m 45 m 105 m 85 m 65m 50 m 40 m 30 m
ATV32HU75N4 7.5 10 6 8 120 m 65 m 45 m 105 m 85 m 65 m 50 m 40 m 30 m
ATV32HD11N4 11 15 10 8 115 m 60 m 45 m 100 m 75 m 55 m 50 m 40 m 30 m
ATV32HD15N4 15 20 16 6 105 m 60 m 40 m 100 m 70 m 50 m 50 m 40 m 30 m
Configuration Mode (ConF)
S1A28692 03/2010 109
Parameters described in this page can be accessed by:
Code Name / Description Adjustment range Factory setting
Ubr [Braking level] 335 to 820 V According to drive rating
voltage
Braking transistor command level.
LbA [Load sharing] [No] (nO)
g When 2 motors are connected mechanically and therefore at the same speed, and each is controlled by a drive, this function
can be used to improve torque distribution between the two motors. To do this, it varies the speed based on the torque.
This parameter can only be accessed if [Motor control type] (Ctt) page 92 is set to [SVC V] (UUC).
nO
YES
[No] (nO): Function inactive
[Yes] (YES): Function active
LbC [Load correction] 0 to 599 Hz 0 Hz
g
Rated correction in Hz.
This parameter can be accessed if [Load sharing] (LbA) is set to [Yes] (YES).
g
These parameters only appear if the corresponding function has been selected in another menu. When the parameters can
also be accessed and adjusted from within the configuration menu for the corresponding function, their description is detailed
in these menus, on the pages indicated, to aid programming.
Parameter that can be modified during operation or when stopped.
LbC
LbCTorque
Nominal torque
Nominal torque
Frequency0
DRI- > CONF > FULL > DRC-
Configuration Mode (ConF)
110 S1A28692 03/2010
Load sharing, parameters that can be accessed at expert level
Principle:
The load sharing factor K is determined by the torque and speed, with two factors K1 and K2 (K = K1 x K2).
+
-
Reference
Speed
Ramp
Speed loop
Balancing
K
Filter
Torque reference
LBC
LBC1
LBC2
LBC3
LBF
K1
Speed
LBC1 LBC2
1
K2
Torque
LBC3
LBC3 Rated
torque x (1 + LBC3)
LBC
LBC
Configuration Mode (ConF)
S1A28692 03/2010 111
Parameters described in this page can be accessed by:
Code Name / Description Adjustment range Factory setting
LbC1 [Correction min spd] 0 to 598.9 Hz 0 Hz
g This parameter can be accessed if [Load sharing] (LbA) is set to [Yes] (YES).
Minimum speed for load correction in Hz. Below this threshold, no corrections are made. Used to cancel correction at very low
speed if this would hamper rotation of the motor.
LbC2 [Correction max spd] [Correction min spd]
(LbC1) + 0.1 at 599 Hz
0.1 Hz
g This parameter can be accessed if [Load sharing] (LbA) is set to [Yes] (YES).
Speed threshold in Hz above which maximum load correction is applied.
LbC3 [Torque offset] 0 to 300% 0%
g This parameter can be accessed if [Load sharing] (LbA) is set to [Yes] (YES).
Minimum torque for load correction as a % of the rated torque. Below this threshold, no corrections are made. Used to avoid
torque instabilities when the torque direction is not constant.
LbF [Sharing filter] 0 to 20 s 100 ms
g This parameter can be accessed if [Load sharing] (LbA) is set to [Yes] (YES).
Time constant (filter) for correction in ms. Used in the event of flexible mechanical coupling in order to avoid instabilities.
g
These parameters only appear if the corresponding function has been selected in another menu. When the parameters can
also be accessed and adjusted from within the configuration menu for the corresponding function, their description is detailed
in these menus, on the pages indicated, to aid programming.
Parameter that can be modified during operation or when stopped.
DRI- > CONF > FULL > DRC-
Configuration Mode (ConF)
112 S1A28692 03/2010
Parameters described in this page can be accessed by:
Inputs / outputs CFG
The parameters in the [INPUTS / OUTPUTS CFG] (I_O-) menu can only be modified when the drive is
stopped and no run command is present.
Code Name / Description Adjustment range Factory setting
FULL [FULL] (continued)
I_O- [INPUTS / OUTPUTS CFG]
tCC [2/3 wire control] [2 wire] (2C)
DANGER
UNINTENDED EQUIPMENT OPERATION
When this parameter is changed, [Reserve assign.] (rrS) and [2 wire type] (tCt) parameters, and all
the assignments involving the logic inputs will revert to their default values. Check that this change is
compatible with the wiring diagram used.
Failure to follow these instructions will result in death or serious injury.
2C
3C
[2 wire] (2C)
2-wire control (level commands): This is the input state (0 or 1) or edge (0 to 1 or 1 to 0) which controls running or stopping.
Example of "source" wiring:
LI1: forward
LIx: reverse
[3 wire] (3C)
3-wire control (pulse commands): A "forward" or "reverse" pulse is sufficient to command starting, a "stop" pulse is sufficient
to command stopping.
Example of "source" wiring:
LI1: stop
LI2: forward
LIx: reverse
tCt [2 wire type] [Transition] (trn)
g DANGER
UNINTENDED EQUIPMENT OPERATION
Check that the modification of the 2 wire type controls is compatible with the wiring diagram used.
Failure to follow these instructions will result in death or serious injury.
LEL
trn
PFO
[Level] (LEL): State 0 or 1 is taken into account for run (1) or stop (0)
[Transition] (trn): A change of state (transition or edge) is necessary to initiate operation, in order to avoid accidental restarts
after a break in the power supply
[Fwd priority] (PFO): State 0 or 1 is taken into account for run or stop, but the "forward" input takes priority over the "reverse"
input
2 s
+24 LI1 LIx
ATVppp
+24 LI1 LI2 LIx
ATVppp
2 s
DRI- > CONF > FULL > I_O-
Configuration Mode (ConF)
S1A28692 03/2010 113
Parameters described in this page can be accessed by:
rUn [Drive Running] [No] (nO)
g
Assignment of the stop command.
Visible only if [2/3 wire control] (tCC) is set to [3 wire] (3C).
LI1
Cd00
OL01
...
OL10
[LI1] (LI1): Logical input LI1 if not in [I/O profile] (IO)
[Cd00] (Cd00): In [I/O profile] (IO), can be switched with possible logic inputs
[OL01] (OL01): Function blocks: Logical Output 01
...
[OL10] (OL10): Function blocks: Logical Output 10
Frd [Forward] [LI1] (LI1)
LI1
Cd00
OL01
...
OL10
Assignment of the forward direction command.
[LI1] (LI1): Logical input LI1 if not in [I/O profile] (IO)
[Cd00] (Cd00): In [I/O profile] (IO), can be switched with possible logic inputs
[OL01] (OL01): Function blocks: Logical Output 01
...
[OL10] (OL10): Function blocks: Logical Output 10
rrS [Reverse assign.] [LI2] (LI2)
nO
LI1
...
Assignment of the reverse direction command.
[No] (nO): Not assigned
[LI1] (LI1): Logical input LI1
[...] (...): See the assignment conditions on page 138
Code Name / Description Adjustment range Factory setting
DRI- > CONF > FULL > I_O-
Configuration Mode (ConF)
114 S1A28692 03/2010
Parameters described in this page can be accessed by:
L1- [LI1 CONFIGURATION]
L1A [LI1 assignment]
nO
rUn
Frd
rrS
rPS
JOG
USP
dSP
PS2
PS4
PS8
rFC
nSt
dCI
FSt
FLO
rSF
tUL
SPM
FLI
PAU
PIS
Pr2
Pr4
tLA
EtF
rCA
CnF1
CnF2
CHA1
CHA2
tLC
CCS
InH
PS16
LC2
LAF
LAr
rCb
trC
bCI
SAF
SAr
dAF
dAr
CLS
LES
rtr
SnC
rPA
SH2
SH4
LO1
r1
r2
dO1
btUC
OIr
FJOG
FPS1
FPS2
Read-only parameter, cannot be configured.
It displays all the functions that are assigned to input LI1 in order to check for multiple assignments.
[No] (nO): Not assigned
[Run] (rUn): Run Enable
[Forward] (Frd): Forward operation
[Reverse] (rrS): Reverse operation
[Ramp switching] (rPS): Ramp switching
[Jog] (JOG): Jog operation
[+Speed] (USP): + speed
[- speed] (dSP): - speed
[2 preset speeds] (PS2): 2 Preset speeds
[4 preset speeds] (PS4): 4 Preset speeds
[8 preset speeds] (PS8): 8 Preset speeds
[Ref. 2 switching] (rFC): Reference switching
[Freewheel stop] (nSt): Freewheel stop
[DC injection] (dCI): Injection DC stop
[Fast stop] (FSt): Fast stop
[Forced local] (FLO): Forced local mode
[Fault reset] (rSF): Fault reset
[Auto-tuning] (tUL): Auto-tuning
[Ref. memo.] (SPM): Save reference
[Pre Fluxing] (FLI): Motor fluxing
[Auto / manual] (PAU): PI(D) auto-manu
[PID integral reset] (PIS): Integral shunting PI(D)
[2 preset PID ref.] (Pr2): 2 Preset PI(D) references
[4 preset PID ref.] (Pr4): 4 Preset PI(D) references
[Torque limitation] (tLA): Permanent torque limitation
[External fault] (EtF): External fault
[Output contact. fdbk] (rCA): Downstream contactor feedback
[2 config. switching] (CnF1): Configuration switching 1
[3 config. switching] (CnF2): Configuration switching 2
[2 parameter sets] (CHA1): Parameter switching 1
[3 parameter sets] (CHA2): Parameter switching 2
[Activ. Analog torque limitation] (tLC): Torque limitation: Activation (analog input) by a logic input
[Cmd switching] (CCS): Command channel switching
[Fault inhibition] (InH): Fault inhibition
[16 preset speeds] (PS16): 16 preset speeds
[Current limit 2] (LC2): Current limitation switching
[Stop FW limit sw.] (LAF): Limit attained forward
[Stop RV limit sw.] (LAr): Limit attained reverse
[Ref 1B switching] (rCb): Reference channel switching (1 to 1B)
[Traverse control] (trC): Traverse control
[Brake contact] (bCI): Brake logic input contact
[Stop FW limit sw.] (SAF): Stop switch forward
[Stop RV limit sw.] (SAr): Stop switch reverse
[Slowdown forward] (dAF): Slowdown attained forward
[Slowdown reverse] (dAr): Slowdown attained reverse
[Disable limit sw.] (CLS): Limits switches clearing
[Drive lock (Line contact. ctrl)] (LES): Emergency stop
[Init. traverse ctrl.] (rtr): Reload traverse control
[Counter wobble] (SnC): Counter wobble synchronization
[Prod. reset] (rPA): Reset Product
[2 HSP] (SH2): High Speed 2
[4 HSP] (SH4): High Speed 4
[LO1] (LO1): Logical output LO1
[R1] (r1): Relay R1
[R2] (r2): Relay R2
[DO1] (dO1): Analog/logical output DO1
[Bth visibilit.] (btUC): Bluetooth visibility
[Regen. connection] (OIr): Operation with reversible unit
[Jog] (FJOG): Function key jog assignment
[Preset spd2] (FPS1): Function key preset speed 1 assignment
[Preset spd3] (FPS2): Function key preset speed 2 assignment
Code Name / Description Adjustment range Factory setting
DRI- > CONF > FULL > I_O- > L1-
Configuration Mode (ConF)
S1A28692 03/2010 115
Parameters described in this page can be accessed by:
FPr1
FPr2
FUSP
FdSP
Ft
USI
dSI
IL01
...
IL10
FbrM
[PID ref. 2] (FPr1): Function key preset PI 1 assignment
[PID ref. 3] (FPr2): Function key preset PI 2 assignment
[+Speed] (FUSP): Function key faster assignment
[-Speed] (FdSP): Function key slower assignment
[T/K] (Ft ): Function key bumpless assignment
[+speed around ref.] (USI): + Speed around ref
[-speed around ref.] (dSI): - Speed around ref
[IL01] (IL01): Function blocks: Logical Input 1
...
[IL10] (IL10): Function blocks: Logical Input 10
[FB start] (FbrM): Function blocks: Run mode
L1d [LI1 On Delay] 0 to 200 ms 0 ms
This parameter is used to take account of the change of the logic input to state 1 with a delay that can be adjusted between 0
and 200 milliseconds, in order to filter out possible interference. The change to state 0 is taken into account without delay.
I_O- [INPUTS / OUTPUTS CFG] (continued)
L2-
to
L6-
[LIx CONFIGURATION]
All the logic inputs available on the drive are processed as in the example for LI1 above, up to LI6.
L5- [LA5 CONFIGURATION]
Specific parameters for LI5 used as a pulse input.
PIA [RP assignment]
Read-only parameter, cannot be configured.
It displays all the functions associated with the Pulse input in order to check, for example, for compatibility problems.
Identical to [AI1 assignment] (A11A) page 120.
PIL [RP min value] 0 to 20.00 kHz 0 kHz
Pulse input scaling parameter of 0% in Hz * 10 unit.
PFr [RP max value] 0 to 20.00 kHz 20.00 kHz
Pulse input scaling parameter of 100% in Hz * 10 unit.
PFI [RP filter] 0 to 1,000 ms 0 ms
I/O ext Pulse input cutoff time of the low-filter.
LA1-
LA2-
[LAx CONFIGURATION]
The 2 analog inputs AI1 and AI2 on the drive could be used as LI inputs and are processed as in the example for LI1 above.
g
These parameters only appear if the corresponding function has been selected in another menu. When the parameters can
also be accessed and adjusted from within the configuration menu for the corresponding function, their description is detailed
in these menus, on the pages indicated, to aid programming.
To change the assignment of this parameter, press the ENT key for 2 s.
Code Name / Description Adjustment range Factory setting
2 s
DRI- > CONF > FULL > I_O- > L1-
Configuration Mode (ConF)
116 S1A28692 03/2010
Configuration of analog inputs and Pulse input
The minimum and maximum input values (in volts, mA, etc.) are converted to % in order to adapt the
references to the application.
Minimum and maximum input values:
The minimum value corresponds to a reference of 0% and the maximum value to a reference of 100%. The
minimum value may be greater than the maximum value:
For +/- bidirectional inputs, the min. and max. are relative to the absolute value, for example +/- 2 to 8 V.
Reference
100%
0%
[Min value]
(CrLx or
ULx or PIL)
[Max value]
(CrHx or
UHx or PFr)
20 mA or
10 V or
20.00 kHz
Current or voltage
or pulse input
Reference
100%
0%
[Min value]
(CrLx or
ULx or PIL)
[Max value]
(CrHx or
UHx or PFr)
Current or voltage
or pulse input
20 mA or
10 V or
20.00 kHz
Configuration Mode (ConF)
S1A28692 03/2010 117
Range (output values): For analog inputs only:
This parameter is used to configure the reference range to [0% V100%] or [-100% V +100%] in order to obtain
a bidirectional output from a unidirectional input.
Reference
100%
0%
[Min value] [Max value]
Range 0 V 100%
Current or
voltage
input
20 mA or
10 V
Reference
100%
0%
[Min value]
[Max value]
Current or
voltage
input
- 100%
Range - 100% V + 100%
20 mA
or 10 V
Configuration Mode (ConF)
118 S1A28692 03/2010
Parameters described in this page can be accessed by:
Code Name / Description Adjustment range Factory setting
I_O- [INPUTS / OUTPUTS CFG] (continued)
LA1- [LAI CONFIGURATION]
bSP [Reference template] [Standard] (bSd)
bSd
bLS
bnS
bnS0
[Standard] (bSd)
[Pedestal] (bLS)
[Deadband] (bnS)
[Deadband 0] (bnS0)
Parameter that can be modified during operation or when stopped.
Frequency
Reference
LSP
-100%
+100%
HSP
LSP
HSP
0% At zero reference the frequency = LSP
Frequency
Reference
LSP
-100%
+100%
HSP
LSP
HSP
At reference = 0 to LSP the frequency = LSP
Frequency
Reference
LSP-100%
+100%
HSP
LSP
HSP
0
At reference = 0 to LSP the frequency = 0
Frequency
Reference
LSP
-100%
+100%
HSP
LSP
HSP
0%
This operation is the same as [Standard] (bSd), except that in
the following cases at zero reference, the frequency = 0:
The signal is less than [Min value], which is greater than 0 (example
1 V on a 2 - 10 V input)
The signal is greater than [Min value], which is greater than
[Max value] (example: 11 V on a 10 - 0 V input).
If the input range is configured as "bidirectional", operation remains
identical to [Standard] (bSd).
This parameter defines how the speed reference is taken into
account, for analog inputs and Pulse input only. In the case of the
PID regulator, this is the PID output reference.
The limits are set by the [Low speed] (LSP) and
[High speed] (HSP) parameters, page 75.
DRI- > CONF > FULL > I_O- > LAI-
Configuration Mode (ConF)
S1A28692 03/2010 119
Delinearization: For analog inputs only:
The input can be delinearized by configuring an intermediate point on the input/output curve of this input:
For range 0 V 100%
Note: For [Interm. point X], 0% corresponds to [Min value] and 100% to [Max value].
For range -100% V 100%
Reference
100%
0%
[Min value]
(0%)
[Interm. point X] [Max value]
(100%)
Current or
voltage
input
[Interm. point Y]
20 mA or
10 V
Reference
100%
0%
[Min value]
(-100%)
[Interm. point
X]
[Max value]
(100%)
Current or
voltage input
[Interm. point Y]
- [Interm. point Y]
- 100%
- [Interm. point X]
0% 20 mA or
10 V
Configuration Mode (ConF)
120 S1A28692 03/2010
Parameters described in this page can be accessed by:
Code Name / Description Adjustment range Factory setting
AI1- [AI1 CONFIGURATION]
AI1A [AI1 assignment]
nO
AO1
Fr1
Fr2
SA2
PIF
tAA
dA2
PIM
FPI
SA3
Fr1b
dA3
FLOC
MA2
MA3
PES
IA01
...
IA10
Read-only parameter, cannot be configured.
It displays all the functions associated with input AI1 in order to check, for example, for compatibility problems.
[No] (nO): Not assigned
[AO1 assignment] (AO1): Analog output AO1
[Ref.1 channel] (Fr1): Reference source 1
[Ref.2 channel] (Fr2): Reference source 2
[Summing ref. 2] (SA2): Summing reference 2
[PID feedback] (PIF): PI feedback (PI control)
[Torque limitation] (tAA): Torque limitation: Activation by an analog value
[Subtract. ref. 2] (dA2): Subtracting reference 2
[Manual PID ref.] (PIM): Manual speed reference of the PI(D) regulator (auto-man)
[PID speed ref.] (FPI): Speed reference of the PI(D) regulator (predictive reference)
[Summing ref. 3] (SA3): Summing reference 3
[Ref.1B channel] (Fr1b): Reference source 1B
[Subtract. ref. 3] (dA3): Subtracting reference 3
[Forced local] (FLOC): Forced local reference source
[Ref.2 multiplier] (MA2): Multiplying reference 2
[Ref. 3 multiplier] (MA3): Multiplying reference 3
[Weight input] (PES): Hoisting: External weight measurement function
[IA01] (IA01): Function blocks: Analog Input 01
...
[IA10] (IA10): Function blocks: Analog Input 10
AI1t [AI1 Type] [Voltage] (10U)
10U [Voltage] (10U): Positive voltage input (negative values are interpreted as zero: the input is unidirectional)
UIL1 [AI1 min value] 0 to 10.0 V 0 V
AI1 voltage scaling parameter of 0%.
UIH1 [AI1 max value] 0 to 10.0 V 10.0 V
AI1 voltage scaling parameter of 100%.
AI1F [AI1 filter] 0 to 10.00 s 0 s
Interference filtering.
AI1L [AI1 range] [0 - 100%] (POS)
POS
nEG
[0 - 100%] (POS): Positive logical
[+/- 100%] (POS): Positive and negative logical
AI1E [AI1 Interm. point X] 0 to 100% 0%
Input delinearization point coordinate. Percentage of the physical input signal.
0% corresponds to [AI1 min value] (UIL1).
100% corresponds to [AI1 max value] (UIH1).
AI1S [AI1 Interm. point Y] 0 to 100% 0%
Output delinearization point coordinate (frequency reference).
Percentage of the internal frequency reference corresponding to the [AI1 Interm. point X] (A11E) percentage of physical
input signal.
I_O- [INPUTS / OUTPUTS CFG] (continued)
AI2- [AI2 CONFIGURATION]
AI2A [AI2 assignment]
Identical to [AI1 assignment] (A11A) page 120.
AI2t [AI2 Type] [Voltage +/-] (n10U)
10U [Voltage] (10U): 0 - 10 V
UIL2 [AI2 min value] 0 to 10.0 V 0 V
AI2 voltage scaling parameter of 0%.
DRI- > CONF > FULL > I_O- > AI1-
Configuration Mode (ConF)
S1A28692 03/2010 121
Parameters described in this page can be accessed by:
UIH2 [AI2 max. value] 0 to 10.0 V 10.0 V
AI2 voltage scaling parameter of 100%.
AI2F [AI2 filter] 0 to 10.00 s 0 s
Interference filtering.
AI2E [AI2 Interm. point X] 0 to 100% 0%
Input delinearization point coordinate. Percentage of the physical input signal.
0% corresponds to [Min value] if the range is 0 V 100%.
0% corresponds to if the range is -100% V +100%.
100% corresponds to [Max value].
AI2S [AI2 Interm. point Y] 0 to 100% 0%
Output delinearization point coordinate (frequency reference).
Percentage of the internal frequency reference corresponding to the [AI2 Interm. point X] (A12E) percentage of physical
input signal.
I_O- [INPUTS / OUTPUTS CFG] (continued)
AI3- [AI3 CONFIGURATION]
AI3A [AI3 assignment]
Identical to [AI1 assignment] (A11A) page 120.
AI3t [AI3 Type] [Voltage +/-] (n10U)
0A [Current] (0A): 0 - 20 mA
CrL3 [AI3 min. value] 0 to 20.0 mA 0 mA
AI3 current scaling parameter of 0%.
CrH3 [AI3 max. value] 0 to 20.0 mA 20.0 mA
AI3 current scaling parameter of 100%.
AI3F [AI3 filter] 0 to 10.00 s 0 s
Interference filtering.
AI3L [AI3 range] [0 - 100%] (POS)
POS
nEG
[0 - 100%] (POS): Unidirectional input
[+/- 100%] (nEG): Bidirectional input
Example: On a 4 - 20 mA input.
4 mA corresponds to reference -100%.
12 mA corresponds to reference 0%.
20 mA corresponds to reference +100%.
Since AI3 is, in physical terms, a bidirectional input, the [+/- 100%] (nEG) configuration must only be used if the signal applied
is unidirectional. A bidirectional signal is not compatible with a bidirectional configuration.
AI3E [AI3 Interm. point X] 0 to 100% 0%
Input delinearization point coordinate. Percentage of the physical input signal.
0% corresponds to [Min value] (CrL3) if the range is 0 V 100%.
0% corresponds to if the range is -100% V +100%.
100% corresponds to [AI3 max. value] (CrH3).
AI3S [AI3 Interm. point Y] 0 to 100% 0%
Output delinearization point coordinate (frequency reference).
Percentage of the internal frequency reference corresponding to the [AI3 Interm. point X] (A13E) percentage of physical
input signal.
I_O- [INPUTS / OUTPUTS CFG] (continued)
AU1- [VIRTUAL AI1]
AU1A [AIV1 assignment]
Virtual analog input 1 via the jog dial available on the front side of the product.
Identical to [AI1 assignment] (A11A) page 120.
Code Name / Description Adjustment range Factory setting
[Max value] + [Min value]
2
[Al3 max. value] (CrH3) - [Al3 min. value]
(CrL3)
DRI- > CONF > FULL > I_O- > AI2-
Configuration Mode (ConF)
122 S1A28692 03/2010
Parameters described in this page can be accessed by:
I_O- [INPUTS / OUTPUTS CFG] (continued)
AU2- [VIRTUAL AI2]
AU2A [AIV2 assignment]
Possible assignments for [AI virtual 2] (AIU2): Virtual analog input 2 via communication channel, to be configured with [AI2
net. channel] (AIC2).
Identical to [AIV1 assignment] (AU1A) page 121.
AIC2 [AI2 net. Channel] [No] (nO)
g
[VIRTUAL AI2] (AU2A) source channel.
This parameter can also be accessed in the [PID REGULATOR] (PId-) submenu page 196.
Scale: The value 8192 transmitted by this input is equivalent to 10 V on a 10 V input.
nO
Mdb
CAn
nEt
[No] (nO): Not assigned
[Modbus] (Mdb): Integrated Modbus
[CANopen] (CAn): Integrated CANopen®
[Com. card] (nEt): Communication card (if inserted)
g
These parameters only appear if the corresponding function has been selected in another menu. When the parameters can
also be accessed and adjusted from within the configuration menu for the corresponding function, their description is detailed
in these menus, on the pages indicated, to aid programming.
Code Name / Description Adjustment range Factory setting
DRI- > CONF > FULL > I_O- > AU2-
Configuration Mode (ConF)
S1A28692 03/2010 123
Parameters described in this page can be accessed by:
Code Name / Description Adjustment range Factory setting
I_O- [INPUTS / OUTPUTS CFG] (continued)
r1- [R1 CONFIGURATION]
r1 [R1 Assignment] [No drive flt] (FLt)
nO
FLt
rUn
FtA
FLA
CtA
SrA
tSA
PEE
PFA
F2A
tAd
ULA
OLA
rSdA
ttHA
ttLA
MFrd
MrrS
tS2
tS3
AtS
CnF0
CnF1
CnF2
CFP1
CFP2
CFP3
dbL
brS
PrM
FqLA
MCP
LSA
dLdA
AG1
AG2
AG3
PLA
EFA
USA
UPA
tHA
SSA
tJA
bOA
AP3
rdY
[No] (nO): Not assigned
[No drive flt] (FLt): Drive fault detection status (relay normally energized, and de-energized if there is a trip)
[Drv running] (rUn): Drive running
[Freq. Th. attain.] (FtA): Frequency threshold attained ([Freq. threshold] (Ftd) page 89)
[HSP attain.] (FLA): High speed attained
[I attained] (CtA): Current threshold attained ([Current threshold] (Ctd) page 89)
[Freq.ref.att] (SrA): Frequency reference attained
[Th.mot. att.] (tSA): Motor 1 thermal state attained
[PID error al] (PEE): PID error alarm
[PID fdbk al] (PFA): PID feedback alarm
[Freq. Th 2 attain.] (F2A): Frequency threshold 2 attained ([Freq. threshold 2] (F2d) page 89)
[Th. drv. att.] (tAd): Drive thermal state attained
[Pro.Undload] (ULA): Underload alarm
[Ovld.P.Alrm] (OLA): Overload alarm
[Rope slack ] (rSdA): Rope slack (see [Rope slack config.] (rSd) parameter page 190)
[High tq. att.] (ttHA): Motor torque overshooting high threshold [High torque thd.] (ttH) page 89
[Low tq. att.] (ttLA): Motor torque undershooting low threshold [Low torque thd.] (ttL) page 89
[Forward] (MFrd): Motor in forward rotation
[Reverse] (MrrS): Motor in reverse rotation
[Th.mot2 att] (tS2): Motor 2 thermal threshold (TTD2) reached
[Th.mot3 att] (tS3): Motor 3 thermal threshold (TTD3) reached
[Neg Torque] (AtS): Negative torque (braking)
[Cnfg.0 act.] (CnF0): Configuration 0 active
[Cnfg.1 act.] (CnF1): Configuration 1 active
[Cnfg.2 act.] (CnF2): Configuration 2 active
[Set 1 active] (CFP1): Parameter set 1 active
[Set 2 active] (CFP2): Parameter set 2 active
[Set 3 active] (CFP3): Parameter set 3 active
[DC charged] (dbL): DC bus charging
[In braking] (brS): Drive braking
[P. removed] (PrM): Drive locked by "Safe Torque Off" input
[Fr.met. alar.] (FqLA): Measured speed threshold attained [Pulse warning thd.] (FqL) page 89
[I present] (MCP): Motor current present
[Limit sw. att] (LSA): Limit switch attained
[Load alarm] (dLdA): Load variation detection (see page 248)
[Alarm Grp 1] (AGI): Alarm group 1
[Alarm Grp 2] (AG2): Alarm group 2
[Alarm Grp 3] (AG3): Alarm group 3
[LI6=PTC al.] (PLA): LI6 = PTCL alarm
[Ext. fault al] (EFA): External fault alarm
[Under V. al.] (USA): Undervoltage alarm
[Uvolt warn] (UPA): Undervoltage threshold
[Al. °C drv] (tHA): Drive overheating
[Lim T/I att.] (SSA): Torque limit alarm
[IGBT al.] (tJA): Thermal junction alarm
[Brake R. al.] (bOA): Torque regulation time-out alarm
[AI3 Al. 4-20] (AP3): Al3 4-20 mA loss alarm
[Brake R. al.] (rdY): Torque regulation time-out alarm
r1- [R1 CONFIGURATION] (continued)
r1d
(1)
[R1 Delay time] 0 to 60,000 ms 0 ms
The change in state only takes effect once the configured time has elapsed, when the information becomes true.
The delay cannot be set for the [No drive flt] (FLt) assignment, and remains at 0.
r1S [R1 Active at] [1] (POS)
POS
nEG
Configuration of the operating logic:
[1] (POS): State 1 when the information is true
[0] (nEG): State 0 when the information is true
Configuration [1] (POS) cannot be modified for the [No drive flt] (FLt) assignment.
DRI- > CONF > FULL > I_O- > R1-
Configuration Mode (ConF)
124 S1A28692 03/2010
Parameters described in this page can be accessed by:
r1H [R1 Holding time] 0 to 9,999 ms 0 ms
The change in state only takes effect once the configured time has elapsed, when the information becomes false.
The holding time cannot be set for the [No drive flt] (FLt) assignment, and remains at 0.
I_O- [INPUTS / OUTPUTS CFG] (continued)
r2- [R2 CONFIGURATION]
r2 [R2 Assignment] [No] (nO)
bLC
LLC
OCC
EbO
tSY
dCO
OL01
...
OL10
Identical to [R1 Assignment] (r1) page 123 with the addition of:
[Brk control] (bLC): Brake contactor control
[Input cont.] (LLC): Line contactor control
[Output cont] (OCC): Output contactor control
[End reel] (EbO): End of reel (traverse control function)
[Sync. wobble] (tSY): "Counter wobble" synchronization
[DC charging] (dCO): DC bus precharging contactor control
[OL01] (OL01): Function blocks: Logical Output 01
...
[OL10] (OL10): Function blocks: Logical Output 10
r2d
(1)
[R2 Delay time] 0 to 60,000 ms 0 ms
The delay cannot be set for the [No drive flt] (FLt), [Brk control] (bLC), [Output cont.] (OCC) and [Input cont.] (LLC)
assignments, and remains at 0.
The change in state only takes effect once the configured time has elapsed, when the information becomes true.
r2S [R2 Active at] [1 ] (POS)
POS
nEG
Configuration of the operating logic:
[1] (POS): State 1 when the information is true
[0] (nEG): State 0 when the information is true
The configuration [1 ] (POS) cannot be modified for the [No drive flt] (FLt), [Brk control] (bLC), [DC charging] (dCO),
and [Input cont.] (LLC) assignments.
r2H [R2 Holding time] 0 to 9,999 ms 0 ms
The holding time cannot be set for the [No drive flt] (FLt), [Brk control] (bLC) and [Input cont] (LLC) assignments, and
remains at 0.
The change in state only takes effect once the configured time has elapsed, when the information becomes false.
I_O- [INPUTS / OUTPUTS CFG] (continued)
LO1- [LO1 CONFIGURATION]
LO1 [LO1 assignment] [No] (nO)
bLC
LLC
OCC
EbO
tSY
dCO
OL01
...
OL10
Identical to [R1 Assignment] (r1) page 123 with the addition of (shown for information only as these selections can only be
configured in the [APPLICATION FUNCT.] (FUn-)) menu:
[Brk control] (bLC): Brake contactor control
[Input cont.] (LLC): Line contactor control
[Output cont] (OCC): Output contactor control
[End reel] (EbO): End of reel(traverse control function)
[Sync. wobble] (tSY): "Counter wobble" synchronization
[DC charging] (dCO): DC bus precharging contactor control
[OL01] (OL01): Function blocks: Logical Output 01
...
[OL10] (OL10): Function blocks: Logical Output 10
LO1d [LO1 delay time] 0 to 60,000 ms (1) 0 ms
The delay cannot be set for the [No drive flt] (FLt), [Brk control] (bLC), [Output cont.] (OCC) and [Input cont.] (LLC)
assignments, and remains at 0.
The change in state only takes effect once the configured time has elapsed, when the information becomes true.
LO1S [LO1 active at] [1 ] (POS)
POS
nEG
Configuration of the operating logic:
[1] (POS): State 1 when the information is true
[0] (nEG): State 0 when the information is true
The configuration [1 ] (POS) cannot be modified for the [No drive flt] (FLt), [Brk control] (bLC) and [Input cont.] (LLC)
assignments.
Code Name / Description Adjustment range Factory setting
DRI- > CONF > FULL > I_O- > R1-
Configuration Mode (ConF)
S1A28692 03/2010 125
Parameters described in this page can be accessed by:
(1) 0 to 9,999 ms then 10.00 to 60.00 s on the integrated display terminal.
LO1H [LO1 holding time] 0 to 9,999 ms 0
The holding time cannot be set for the [No drive flt] (FLt), [Brk control] (bLC) and [Input cont] (LLC) assignments, and
remains at 0.
The change in state only takes effect once the configured time has elapsed, when the information becomes false.
Code Name / Description Adjustment range Factory setting
DRI- > CONF > FULL > I_O- > LO1-
Configuration Mode (ConF)
126 S1A28692 03/2010
Parameters described in this page can be accessed by:
Use of analog output AO1 as a logic output
Analog output AO1 can be used as a logic output, by assigning DO1. In this case, when set to 0, this output
corresponds to the AO1 min. value (0 V, or 0 mA for example), and when set to 1 to the AO1 max. value (10
V, or 20 mA for example).
The electrical characteristics of this analog output remain unchanged. As these characteristics are different
from logic output characteristics, check that it is still compatible with the intended application.
(1) 0 to 9,999 ms then 10.00 to 60.00 s on the integrated display terminal.
Code Name / Description Adjustment range Factory setting
I_O- [INPUTS / OUTPUTS CFG] (continued)
dO1- [DO1 CONFIGURATION]
dO1 [DO1 assignment] [No] (nO)
bLC
LLC
OCC
EbO
tSY
dCO
OL01
...
OL10
Identical to [R1 Assignment] (r1) page 123 with the addition of (shown for information only as these selections can only be
configured in the [APPLICATION FUNCT.] (FUn-)) menu:
[Brk control] (bLC): Brake contactor control
[Input cont.] (LLC): Line contactor control
[Output cont] (OCC): Output contactor control
[End reel] (EbO): End of reel(traverse control function)
[Sync. wobble] (tSY): "Counter wobble" synchronization
[DC charging] (dCO): DC bus precharging contactor control
[OL01] (OL01): Function blocks: Logical Output 01
...
[OL10] (OL10): Function blocks: Logical Output 10
dO1d [DO1 delay time] 0 to 60,000 ms (1) 0 ms
The delay cannot be set for the [No drive flt] (FLt), [Brk control] (bLC), [Output cont.] (OCC) and [Input cont.] (LLC)
assignments, and remains at 0.
The change in state only takes effect once the configured time has elapsed, when the information becomes true.
dO1S [DO1 active at] [1 ] (POS)
POS
nEG
Configuration of the operating logic:
[1] (POS): State 1 when the information is true
[0] (nEG): State 0 when the information is true
The configuration [1 ] (POS) cannot be modified for the [No drive flt] (FLt), [Brk control] (bLC) and [Input cont.] (LLC)
assignments.
dO1H [DO1 holding time] 0 to 9,999 ms 0 ms
The holding time cannot be set for the [No drive flt] (FLt), [Brk control] (bLC) and [Input cont] (LLC) assignments, and
remains at 0.
The change in state only takes effect once the configured time has elapsed, when the information becomes false.
DRI- > CONF > FULL > I_O- > DO1-
Configuration Mode (ConF)
S1A28692 03/2010 127
Configuration of analog output
Minimum and maximum values (output values):
The minimum output value, in volts, corresponds to the lower limit of the assigned parameter and the
maximum value corresponds to its upper limit. The minimum value may be greater than the maximum value.
Parameter assigned
Upper limit
[Min Output]
(AOLx or
UOLx)
[Max Output]
(AOHx or
UOHx)
20 mA
or
10 V
Current or
voltage
output
Lower
limit
Parameter assigned
[Min Output]
(AOLx or
UOLx)
[Max Output]
(AOHx or
UOHx)
20 mA
or
10 V
Current or
voltage
output
Upper limit
Lower
limit
Configuration Mode (ConF)
128 S1A28692 03/2010
Scaling of the assigned parameter
The scale of the assigned parameter can be adapted in accordance with requirements by modifying the values
of the lower and upper limits by means of two parameters for each analog output.
These parameters are given in %. 100% corresponds to the total variation range of the configured parameter,
so: 100% = upper limit - lower limit For example, [Sign. torque] (Stq) which varies between -3 and +3 times
the rated torque, 100% corresponds to 6 times the rated torque.
• The [Scaling AOx min] (ASLx) parameter modifies the lower limit: new value = lower limit + (range x
ASLx). The value 0% (factory setting) does not modify the lower limit.
• The [Scaling AOx max] (ASHx) parameter modifies the upper limit: new value = lower limit + (range x
ASLx). The value 100% (factory setting) does not modify the upper limit.
• [Scaling AOx min] (ASLx) must always be lower than [Scaling AOx max] (ASHx).
Application example 2
The value of the motor current at the AO1 output is to be transferred with 0 - 20 mA, range 2 In motor, In motor
being the equivalent of a 0.8 In drive.
The [I motor] (OCr) parameter varies between 0 and 2 times the rated drive current, or a range of 2.5 times
the rated drive current.
[Scaling AO1 min] (ASL1) must not modify the lower limit, which therefore remains at its factory setting of
0%.
[Scaling AO1 max] (ASH1) must modify the upper limit by 0.5x the rated motor torque, or 100 - 100/5 = 80%
(new value = lower limit + (range x ASH1).
Upper limit of the assigned parameter
Lower limit of the assigned parameter
New scale
100 %
ASLx
ASHx
Configuration Mode (ConF)
S1A28692 03/2010 129
Parameters described in this page can be accessed by:
Code Name / Description Adjustment range Factory setting
I_O- [INPUTS / OUTPUTS CFG] (continued)
AO1- [AO1 CONFIGURATION]
AO1 [AO1 assignment] [No] (nO)
nO
OCr
OFr
OFS
OrP
trq
Stq
OrS
OPS
OPF
OPE
OPI
OPr
UOP
tHr
tHr2
tHr3
tHd
tqL
d01
tqMS
OA01
...
OA10
[No] (nO): Not assigned
[I motor] (OCr): Current in the motor, between 0 and 2 In (In = rated drive current indicated in the Installation manual and on
the drive nameplate)
[Motor freq.] (OFr): Output frequency, from 0 to [Max frequency] (tFr)
[Sig. o/p frq.] (OFS): Signed output frequency, between - [Max frequency] (tFr) and + [Max frequency] (tFr)
[Ramp out.] (OrP): From 0 to [Max frequency] (tFr)
[Motor torq.] (trq): Motor torque, between 0 and 3 times the rated motor torque
[Sign. torque] (Stq): Signed motor torque, between -3 and +3 times the rated motor torque. The + sign corresponds to the
motor mode and the - sign to the generator mode (braking).
[sign ramp] (OrS): Signed ramp output, between - [Max frequency] (tFr) and + [Max frequency] (tFr).
[PID ref.] (OPS): PID regulator reference between [Min PID reference] (PIP1) and [Max PID reference] (PIP2).
[PID feedbk] (OPF): PID regulator feedback between [Min PID feedback] (PIF1) and [Max PID feedback] (PIF2)
[PID error] (OPE): PID regulator error between- 5 % and + 5 % of ([Max PID feedback] (PIF2) - [Min PID feedback]
(PIF1))
[PID output] (OPI): PID regulator output between [Low speed] (LSP) and [High speed] (HSP)
[Mot. power] (OPr): Motor power, between 0 and 2.5 times [Rated motor power] (nPr)
[Motor volt.] (UOP): Voltage applied to the motor, between 0 and [Rated motor volt.] (UnS)
[Mot thermal] (tHr): Motor thermal state, between 0 and 200% of the rated thermal state
[Mot therm2] (tHr2): Motor thermal state 2, between 0 and 200 % of the rated thermal state
[Mot therm3] (tHr3): Motor thermal state 3, between 0 and 200% of the rated thermal state
[Drv thermal] (tHd): Drive thermal state, between 0 and 200% of the rated thermal state
[Torque lim.] (tqL): Torque limit, between 0 and 3 times the rated motor torque
[dO1] (dO1): Assignment to a logic output. This assignment can only appear if [DO1 assignment] (dO1) has been assigned.
This is the only possible choice in this case, and is only displayed for informational purposes.
[Torque 4Q] (tqMS): Signed motor torque, between -3 and +3 times the rated motor torque. The + sign and the - sign
correspond to the physical direction of the torque, regardless of mode (motor or generator).
[OA01] (OA01): Function blocks: Analog Output 01
...
[OA10] (OA10): Function blocks: Analog Output 10
AO1t [AO1 Type] [Current] (0A)
10U
0A
[Voltage] (10U): Voltage output
[Current] (0A): Current output
AOL1 [AO1 min Output] 0 to 20.0 mA 0 mA
g This parameter can be accessed if [AO1 Type] (AO1t) is set to [Current] (0A).
AOH1 [AO1 max Output] 0 to 20.0 mA 20.0 mA
g This parameter can be accessed if [AO1 Type] (AO1t) is set to [Current] (0A).
UOL1 [AO1 min Output] 0 to 10.0 V 0 V
g This parameter can be accessed if [AO1 Type] (AO1t) is set to [Voltage] (10U).
UOH1 [AO1 max Output] 0 to 10.0 V 10.0 V
g This parameter can be accessed if [AO1 Type] (AO1t) is set to [Voltage] (10U).
ASL1 [Scaling AO1 min] 0 to 100.0% 0%
Scaling of the lower limit of the assigned parameter, as a % of the maximum possible variation.
ASH1 [Scaling AO1 max] 0 to 100.0% 100.0%
Scaling of the upper limit of the assigned parameter, as a % of the maximum possible variation.
AO1F [AO1 Filter] 0 to 10.00 s 0 s
Interference filtering. This parameter is forced to 0 if [AO1 assignment] (AO1) is set to [dO1] (dO1).
g
These parameters only appear if the corresponding function has been selected in another menu. When the parameters can
also be accessed and adjusted from within the configuration menu for the corresponding function, their description is detailed
in these menus, on the pages indicated, to aid programming.
DRI- > CONF > FULL > I_O- > AO1-
Configuration Mode (ConF)
130 S1A28692 03/2010
Parameters described in this page can be accessed by:
The following submenus group the alarms into 1 to 3 groups, each of which can be assigned to a relay or a
logic output for remote signaling. These groups can also be displayed on the graphic display terminal (see
[3.3 MONITORING CONFIG.] (MCF-) menu page 266) and viewed via the [1.2 MONITORING] (MOn-)
menu page 41.
When one or a number of alarms selected in a group occurs, this alarm group is activated.
Code Name / Description
I_O- [INPUTS / OUTPUTS CFG] (continued)
A1C- [ALARM GRP1 DEFINITION]
PLA
EFA
USA
CtA
FtA
F2A
SrA
tSA
tS2
tS3
UPA
FLA
tHA
PEE
PFA
AP3
SSA
tAd
tJA
ULA
OLA
rSdA
ttHA
ttLA
FqLA
dLdA
Selection to be made from the following list:
[LI6=PTC al.] (PLA): LI6 = PTCL alarm
[Ext. fault al.] (EFA): External fault alarm
[Under V. al.] (USA): Undervoltage alarm
[I attained] (CtA): Current threshold attained ([Current threshold] (Ctd) page 89)
[Freq.Th.att.] (FtA): Frequency threshold attained ([Freq. threshold] (Ftd) page 89)
[Freq. Th. 2 attain.] (F2A): Frequency threshold 2 attained ([Freq. Th. 2 attain] (F2d) page 89)
[Freq.ref.att] (SrA): Frequency reference attained
[Th.mot. att.] (tSA): Motor 1 thermal state attained
[Th.mot2 att] (tS2): Motor 2 thermal state attained
[Th.mot3 att] (tS3): Motor 3 thermal state attained
[Uvolt warn] (UPA): Undervoltage threshold
[HSP attain.] (FLA): High speed attained
[Al. °C drv] (tHA): Drive overheating
[[PID error al] (PEE): PID error alarm
[PID fdbk al.] (PFA): PID feedback alarm
[AI3 Al. 4-20] (AP3): Alarm indicating absence of 4-20 mA signal on input AI3
[Lim T/I att.] (SSA): Torque limit alarm
[Th. drv. att.] (tAd): Drive thermal state attained
[IGBT alarm] (tJA): IGBT alarm
[Underload. Proc. Al.] (ULA): Underload alarm
[Overload. Proc. Al.] (OLA): Overload alarm
[Rope slack alarm] (rSdA): Rope slack (see [Rope slack config.] (rSd) parameter page 190)
[High torque alarm] (ttHA): Motor torque overshooting high threshold [High torque thd.] (ttH) page 89.
[Low torque alarm] (ttLA): Motor torque undershooting low threshold[Low torque thd.] (ttL) page 89.
[Freq. meter Alarm] (FqLA): Measured speed threshold attained: [Pulse warning thd.] (FqL) page 89.
[Dynamic load alarm] (dLdA): Load variation detection (see [DYNAMIC LOAD DETECT.] (dLd-) page 248).
See the multiple selection procedure on page 33 for the integrated display terminal, and page 24 for the graphic display terminal.
A2C- [ALARM GRP2 DEFINITION]
Identical to [ALARM GRP1 DEFINITION] (A1C-) page 130.
A3C- [ALARM GRP3 DEFINITION]
Identical to [ALARM GRP1 DEFINITION] (A1C-) page 130.
DRI- > CONF > FULL > I_O- > A1C-
Configuration Mode (ConF)
S1A28692 03/2010 131
Command
The parameters in the [COMMAND] (CtL-) menu can only be modified when the drive is stopped and no
run command is present.
Command and reference channels
Run commands (forward, reverse, stop, etc.) and references can be sent using the following channels:
Note: [LA1] (LA1) and [LA2] (LA2) can be used as 2 logic inputs in source mode only.
• + 24 V power supply (max. 30 V)
• State 0 if < 7.5 V, state 1 if > 8.5 V.
Note: The stop keys on the graphic display terminal or remote display can be programmed as non-priority
keys. A stop key can only have priority if the [Stop Key priority] (PSt) parameter in the
[COMMAND] (CtL-) menu, page 139 is set to [Yes] (YES).
The behavior of the Altivar 32 can be adapted according to requirements:
• [Not separ.] (SIM): Command and reference are sent via the same channel.
• [Separate] (SEP): Command and reference may be sent via different channels.
In these configurations, control via the communication bus is performed in accordance with the DRIVECOM
standard with only 5 freely-assignable bits (see Communication Parameters Manual). The application
functions cannot be accessed via the communication interface.
• [I/O profile] (IO): The command and the reference can come from different channels. This configuration
both simplifies and extends use via the communication interface. Commands may be sent via the logic
inputs on the terminals or via the communication bus. When commands are sent via a bus, they are
available on a word, which acts as virtual terminals containing only logic inputs. Application functions can
be assigned to the bits in this word. More than one function can be assigned to the same bit.
Note: Stop commands from the graphic display terminal or remote display terminal remain active even if the
terminals are not the active command channel.
Command Reference
Terminals: logic inputs LI or analog inputs used as logic inputs LA
Function blocks
Remote display terminal
Graphic display terminal
Integrated Modbus
Integrated CANopen®
Communication card
Terminals: analog inputs AI, pulse input
Function blocks
Remote display terminal
Graphic display terminal
Integrated Modbus
Integrated CANopen®
Communication card
+/- speed via the terminals
+/- speed via the graphic display terminal
DANGER
UNINTENDED EQUIPMENT OPERATION
When analog inputs [Al1] (A11) or [Al2] (A12) are used as logic inputs ([LAI1] (LAI1) or
[LAI2] (LAI2)) in a configuration, they remain active in their behaviors in analog input mode (example :
[Ref.1 channel] (Fr1) is still set to [Al1] (A11)).
• Remove the configuration of [Al1] (A11) or [Al2] (A12) in analog input mode
or
• Check this behavior will not endanger personnel or equipment in any way
Failure to follow these instructions will result in death or serious injury.
Configuration Mode (ConF)
132 S1A28692 03/2010
Reference channel for [Not separ.] (SIM), [Separate] (SEP) and [I/O profile] (IO) configurations, PID not configured
Fr1, SA2, SA3, dA2, dA3, MA2, MA3:
• Terminals, graphic display terminal, integrated Modbus, integrated CANopen®, communication card
Fr1b, for SEP and IO:
• Terminals, graphic display terminal, integrated Modbus, integrated CANopen®, communication card
Fr1b, for SIM:
• Terminals, only accessible if Fr1 = terminals
Fr2:
• Terminals, graphic display terminal, integrated Modbus, integrated CANopen®, communication card, and
+/- speed
Note: [Ref.1B channel] (Fr1b) and [Ref 1B switching] (rCb) must be configured in the
[APPLICATION FUNCT.] (Fun-) menu.
H/>
72H
279/
:52
H2/
2H%
279
;-%
;-&
@-%
@-&
8-%
8-&
2H$
2H$>
+/- speed around a
reference
Preset
speeds
Jog
operation
PID not assigned
Graphic display
terminal
Forced local
Ramps
Parameter:
The black square represents
the factory setting assignment
Key:
Channel1
Channel
[Ref 1B switching]
[Ref.1 channel]
[Ref.1B channel]
[Summing ref. 2]
[Summing ref. 3]
[Subtract. ref. 2]
[Subtract. ref. 3]
[Multiplier ref. 2]
[Low speed]
[Multiplier ref. 3]
[PID REGULATOR]
AI1
[Ref.2 channel]
[Ref. 2 switching]
(FRA+SA2+SA3-dA2-dA3)xMA2xMA3
(SP1)
SP2
SP16
LI
LCC
FRA
nO
[High
speed]
nO
nO
nO
nO
FrH rFr
AI2
AI3
HSP
LSP
ACC DEC
AC2 DE2
LI
nO0V
Note: Forced local is not
active in [I/O profile].
Configuration Mode (ConF)
S1A28692 03/2010 133
Reference channel for [Not separ.] (SIM), [Separate] (SEP) and [I/O profile] (IO) configurations, PID configured with
PID references at the terminals
(1) Ramps not active if the PID function is active in automatic mode.
Fr1:
• Terminals, graphic display terminal, integrated Modbus, integrated CANopen®, communication card
Fr1b, for SEP and IO:
• Terminals, graphic display terminal, integrated Modbus, integrated CANopen®, communication card
Fr1b, for SIM:
• Terminals, only accessible if Fr1 = terminals
SA2, SA3, dA2, dA3:
• Terminals only
Fr2:
• Terminals, graphic display terminal, integrated Modbus, integrated CANopen®, communication card, and
+/- speed
Note: [Ref.1B channel] (Fr1b) and [Ref 1B switching] (rCb) must be configured in the
[APPLICATION FUNCT.] (Fun-) menu.
H/>
72H
279/
H2/
2H%
279
;-%
;-&
@-%
@-&
2H$
2H$>
Graphic display
terminal
Ramps (1)
Parameter:
The black square represents the
factory setting assignment
Key:
Channel 1
Channel 2
PID
See page 192
A
Forced local
[Ref 1B switching]
[Ref.1 channel]
[Ref.1B channel]
[Summing ref. 2]
[Summing ref. 3]
[Subtract. ref. 2]
[Subtract. ref. 3]
[Low speed]
AI1
[Ref.2 channel]
[Ref. 2 switching]
FRA+SA2+SA3-dA2-dA3
B
LCC
FRA
[High
speed]
nO
FrH rFr
AI2
AI3
HSP
LSP
ACC DEC
AC2 DE2
LI
nO0V
Note: Forced local is not
active in [I/O profile].
Configuration Mode (ConF)
134 S1A28692 03/2010
Command channel for [Not separ.] (SIM) configuration
Reference and command, not separate
The command channel is determined by the reference channel. Parameters Fr1, Fr2, rFC, FLO and
FLOC are common to reference and command.
Example: If the reference is Fr1 = AI1 (analog input at the terminals), control is via LI (logic input at the
terminals).
279/
/4/2
H2/
2H%
279
:;I
2H$
(Stop Key priority)
Forced local
Parameter:
The black square represents
the factory setting assignment
Forward
Reverse
STOP
Graphic display
terminal
Key:
Graphic display
terminal
LI
AI1
(RUN/STOP
FWD/REV)
LCC
nO
AI2
AI3
LI
[Ref.1 channel]
[Ref.2 channel]
[Ref. 2 switching]
[Profile]
YES
SIM
STOP
CMD
LI
nO
nO
Configuration Mode (ConF)
S1A28692 03/2010 135
Command channel for [Separate] (SEP) configuration
Separate reference and command
Parameters FLO and FLOC are common to reference and command.
Example: If the reference is in forced local mode via AI1 (analog input at the terminals), command in forced
local mode is via LI (logic input at the terminals).
The command channels Cd1 and Cd2 are independent of the reference channels Fr1, Fr1b and
Fr2.
Cd1, Cd2:
• Terminals, graphic display terminal, integrated Modbus, integrated CANopen®, communication card
279/
/4/2
//;
/@%
279
:;I
/@$
(Stop Key priority)
Forced local
Parameter:
The black square represents the factory
setting assignment, except for [Profile].
Forward
Reverse
STOP
Graphic display
terminal
Key:
Graphic display
terminal
LI
AI1
(RUN/STOP
FWD/REV)
LCC
nO
AI2
AI3
[Cmd channel 1]
[Cmd channel 2]
[Cmd switching]
[Profile]
YES
SEP
STOP
CMD
LI
nO
nO
Configuration Mode (ConF)
136 S1A28692 03/2010
Command channel for [I/O profile] (IO) configuration
Separate reference and command, as in [Separate] (SEP) configuration
The command channels Cd1 and Cd2 are independent of the reference channels Fr1, Fr1b and
Fr2.
Cd1, Cd2:
• Terminals, graphic display terminal, integrated Modbus, integrated CANopen®, communication card
A command or an action can be assigned:
• To a fixed channel by selecting an LI input or a Cxxx bit:
- By selecting, for example, LI3, this action will be triggered by LI3 regardless of which command
channel is switched.
- By selecting, for example, C214, this action will be triggered by integrated CANopen® with bit 14
regardless of which command channel is switched.
• To a switchable channel by selecting a CDxx bit:
- By selecting, for example, Cd11, this action will be triggered by:
LI12 if the terminals channel is active
C111 if the integrated Modbus channel is active
C211 if the integrated CANopen® channel is active
C311 if the communication card channel is active
If the active channel is the graphic display terminal, the functions and commands assigned to CDxx switchable
internal bits are inactive.
Note: Cd06 to Cd13 can only be used for switching between 2 networks. They do not have equivalent
logic inputs.
/4/2
//;
/@%
279
:;I
/@$
(Stop Key priority)
Forced local
Parameter:
The black square represents the factory
setting assignment, except for [Profile].
Forward
Reverse
STOP
Key:
Graphic display
terminal
nO
[Cmd channel 1]
[Cmd channel 2]
[Cmd switching]
[Profile]
YES
SEP
STOP
CMD
LI
nO
Configuration Mode (ConF)
S1A28692 03/2010 137
(1) If [2/3 wire control] (tCC) page 73 is set to [3 wire] (3C), LI2, C101, C201 and C301 cannot be accessed.
Terminals Integrated Modbus Integrated CANopen® Communication card Internal bit, can be
switched
CD00
LI2 (1) C101 (1) C201 (1) C301 (1) CD01
LI3 C102 C202 C302 CD02
LI4 C103 C203 C303 CD03
LI5 C104 C204 C304 CD04
LI6 C105 C205 C305 CD05
- C106 C206 C306 CD06
- C107 C207 C307 CD07
- C108 C208 C308 CD08
- C109 C209 C309 CD09
- C110 C210 C310 CD10
- C111 C211 C311 CD11
- C112 C212 C312 CD12
LAI1 C113 C213 C313 CD13
LAI2 C114 C214 C314 CD14
- C115 C215 C315 CD15
OL01 to OL10
Configuration Mode (ConF)
138 S1A28692 03/2010
Assignment conditions for logic inputs and control bits
The following elements are available for every command or function that can be assigned to a logic input or a
control bit:
Note: In [I/O profile] (IO) configuration, LI1 cannot be accessed and if [2/3 wire control] (tCC) page
73 is set to [3 wire] (3C), LI2, C101, C201 and C301 cannot be accessed either.
[LI1] (LI1) to [LI6] (LI6) Drive with or without option
[LAI1] (LAI1) to [LAI2] (LAI2) Logical inputs
[C101] (C101) to [C110] (C110) With integrated Modbus in [I/O profile] (IO) configuration
[C111] (C111) to [C115] (C115) With integrated Modbus regardless of configuration
[C201] (C201) to [C210] (C210) With integrated CANopen® in [I/O profile] (IO) configuration
[C211] (C211) to [C215] (C215) With integrated CANopen® regardless of configuration
[C301] (C301) to [C310] (C310) With a communication card in [I/O profile] (IO) configuration
[C311] (C311) to [C315] (C315) With a communication card regardless of configuration
[CD00] (Cd00) to [CD10] (Cd10) In [I/O profile] (IO) configuration
[CD11] (Cd11) to [CD15] (Cd15) Regardless of configuration
[OL01] (OL01) to [OL10] (OL10) Regardless of configuration
WARNING
LOSS OF CONTROL
Inactive communication channels are not monitored (no trip in the event of a communication bus
interruption).
Check that the commands and functions assigned to bits C101 to C315 will not pose a risk in the event of
the interruption of the associated communication bus.
Failure to follow these instructions can result in death, serious injury, or equipment damage.
Configuration Mode (ConF)
S1A28692 03/2010 139
Parameters described in this page can be accessed by:
Code Name / Description Adjustment range Factory setting
FULL [FULL] (continued)
CtL- [COMMAND]
Fr1 [Ref.1 channel] [Al1] (A11)
A11
A12
A13
LCC
Mdb
CAn
nEt
PI
AIU1
0A01
...
OA10
[Al1] (A11): Analog input A1
[Al2] (A12): Analog input A2
[Al3] (A13): Analog input A3
[HMI] (LCC): Graphic display terminal or remote display terminal source
[Modbus] (Mdb): Integrated Modbus
[CANopen] (CAn): Integrated CANopen®
[Com. card] (nEt): Communication card (if inserted)
[RP] (PI): Pulse input
[AI virtual 1] (AIU1): Virtual analog input 1 with the jog dial (only available if [Profile] (CHCF) is not set to
[Not separ.] (SIM))
[OA01] (OA01): Function blocks: Analog Output 01
...
[OA10] (OA10): Function blocks: Analog Output 10
rIn [RV Inhibition] [No] (nO)
nO
YES
Inhibition of movement in reverse direction, does not apply to direction requests sent by logic inputs.
Reverse direction requests sent by logic inputs are taken into account.
Reverse direction requests sent by the graphic display terminal are not taken into account.
Reverse direction requests sent by the line are not taken into account.
Any reverse speed reference originating from the PID, summing input, etc., is interpreted as a zero reference (0 Hz).
[No] (nO)
[Yes] (YES)
PSt [Stop Key priority] [Yes] (YES)
WARNING
LOSS OF CONTROL
You are going to disable the stop key located on the remote displays.
Do not select [No] (nO) unless exterior stopping methods exist.
Failure to follow these instructions can result in death, serious injury, or equipment damage.
nO
YES
This will be a freewheel stop. If the active command channel is the graphic display terminal, the stop will be performed according
to the [Type of stop] (Stt) page 158 irrespective of the configuration of [Stop Key priority] (PSt).
[No] (nO)
[Yes] (YES): Gives priority to the STOP key on the graphic display terminal when the graphic display terminal is not enabled as
the command channel.
CHCF [Profile] [Not separ.] (SIM)
DANGER
UNINTENDED EQUIPMENT OPERATION
When [I/O profile] (IO) is deselected, the drive automatically returns to the factory setting.
Check that the modification of the current configuration is compatible with the wiring diagram used.
Failure to follow these instructions will result in death or serious injury.
SIM
SEP
IO
[Not separ.] (SIM): Reference and command, not separate
[Separate] (SEP): Separate reference and command. This assignment cannot be accessed in [I/O profile] (IO).
[I/O profile] (IO): I/O profile
2 s
2 s
DRI- > CONF > FULL > CTL-
Configuration Mode (ConF)
140 S1A28692 03/2010
Parameters described in this page can be accessed by:
CCS [Cmd switching] [ch1 active] (Cd1)
g
This parameter can be accessed if [Profile] (CHCF) is set to [Separate] (SEP) or [I/O profile] (IO).
If the assigned input or bit is at 0, channel [Cmd channel 1] (Cd1) is active.
If the assigned input or bit is at 1, channel [Cmd channel 2] (Cd2) is active.
Cd1
Cd2
LI1
...
[ch1 active] (Cd1): [Cmd channel 1] (Cd1) active (no switching)
[ch2 active] (Cd2): [Cmd channel 2] (Cd2) active (no switching)
[LI1] (LI1): Logical input LI1
[...] (...): See the assignment conditions on page 138 (not Cd00 to Cd15)
Cd1 [Cmd channel 1] [Terminals] (tEr)
g This parameter can be accessed if [Profile] (CHCF) is set to [Separate] (SEP) or [I/O profile] (IO).
tEr
LCC
Mdb
CAn
nEt
[Terminals] (tEr): Terminals
[HMI] (LCC): Graphic display terminal or remote display terminal
[Modbus] (Mdb): Integrated Modbus
[CANopen] (CAn): Integrated CANopen®
[Com. card] (nEt): Communication card (if inserted)
Cd2 [Cmd channel 2] [Modbus] (Mdb)
g This parameter can be accessed if [Profile] (CHCF) is set to [Separate] (SEP) or [I/O profile] (IO).
tEr
LCC
Mdb
CAn
nEt
[Terminals] (tEr): Terminals
[HMI] (LCC): Graphic display terminal or remote display terminal
[Modbus] (Mdb): Integrated Modbus
[CANopen] (CAn): Integrated CANopen®
[Com. card] (nEt): Communication card (if inserted)
rFC [Ref. 2 switching] [Ref.1 channel] (Fr1)
Fr1
Fr2
LI1
...
This parameter can be accessed if [Profile] (CHCF) is set to [Separate] (SEP) or [I/O profile] (IO).
If the assigned input or bit is at 0, channel [Cmd channel 1] (Cd1) is active.
If the assigned input or bit is at 1, channel [Cmd channel 2] (Cd2) is active.
[Ref. 1 channel] (Fr1): [Cmd channel 1] (Cd1) active (no switching)
[Ref. 2 channel] (Fr2): [Cmd channel 2] (Cd2) active (no switching)
[LI1] (LI1): Logical input LI1
[...] (...): See the assignment conditions on page 138 (not Cd00 to Cd15)
Fr2 [Ref.2 channel] [No] (nO)
nO
A11
A12
A13
Updt
LCC
Mdb
CAn
nEt
PI
AIU1
0A01
...
OA10
[No] (nO): Not assigned. If [Profile] (CHCF) is set to [Not separ.] (SIM), the command is at the terminals with a zero
reference. If [Profile] (CHCF) is set to [Separate] (SEP) or [I/O profile] (IO), the reference is zero.
[Al1] (A11): Analog input A1
[Al2] (A12): Analog input A2
[Al3] (A13): Analog input A3
[+/-Speed] (UPdt): +/- speed command
[HMI] (LCC): Graphic display terminal or remote display terminal
[Modbus] (Mdb): Integrated Modbus
[CANopen] (CAn): Integrated CANopen®
[Com. card] (nEt): Communication card (if inserted)
[RP] (PI): Pulse input
[AI virtual 1] (AIU1): Virtual analog input 1 with the jog dial
[OA01] (OA01): Function blocks: Analog Output 01
...
[OA10] (OA10): Function blocks: Analog Output 10
Code Name / Description Adjustment range Factory setting
DRI- > CONF > FULL > CTL-
Configuration Mode (ConF)
S1A28692 03/2010 141
Parameters described in this page can be accessed by:
COP [Copy channel 1 <> 2] [No] (nO)
DANGER
UNINTENDED EQUIPMENT OPERATION
Copying the command and/or reference can change the direction of rotation.
Check that this is safe.
Failure to follow these instructions will result in death or serious injury.
nO
SP
Cd
ALL
Can be used to copy the current reference and/or the command by means of switching, in order to avoid speed surges, for
example.
If [Profile] (CHCF) page 139 is set to [Not separ.] (SIM) or [Separate] (SEP), copying will only be possible from channel 1
to channel 2.
If [Profile] (CHCF) is set to [I/O profile] (IO), copying will be possible in both directions.
A reference or a command cannot be copied to a channel on the terminals.
The reference copied is [Frequency ref.] (FrH) (before ramp) unless the destination channel reference is set via +/- speed. In
this case, the reference copied is [Output frequency] (rFr) (after ramp).
[No] (nO): No copy
[Reference] (SP): Copy reference
[Command] (Cd): Copy command
[Cmd + ref.] (ALL): Copy command and reference
g
These parameters only appear if the corresponding function has been selected in another menu. When the parameters can
also be accessed and adjusted from within the configuration menu for the corresponding function, their description is detailed
in these menus, on the pages indicated, to aid programming.
To change the assignment of this parameter, press the ENT key for 2 s.
Code Name / Description Adjustment range Factory setting
2 s
2 s
DRI- > CONF > FULL > CTL-
Configuration Mode (ConF)
142 S1A28692 03/2010
Parameters described in this page can be accessed by:
As the graphic display terminal may be selected as the command and/or reference channel, its action modes
can be configured.
The parameters on this page can only be accessed on the graphic display terminal, and not on the integrated
display terminal.
Comments:
• The display terminal command/reference is only active if the command and/or reference channels from the
terminal are active with the exception of [T/K] (Ft) (command via the display terminal), which takes
priority over these channels. Press [T/K] (Ft) (command via the display terminal) again to revert control
to the selected channel.
• Command and reference via the display terminal are impossible if the latter is connected to more than one
drive.
• The JOG, preset speed and +/- speed functions can only be accessed if [Profile] (CHCF) is set to
[Not separ.] (SIM).
• The preset PID reference functions can only be accessed if [Profile] (CHCF) is set to
[Not separ.] (SIM) or [Separate] (SEP).
• The [T/K] (Ft) (command via the display terminal) can be accessed regardless of the [Profile] (CHCF).
Code Name / Description Adjustment range Factory setting
Fn1 [F1 key assignment] [No] (nO)
nO
FJOG
FPS1
FPS2
FPr1
FPr2
FuSP
FdSP
Ft
[No] (nO): Not assigned
[Jog] (FJOG): JOG operation
[Preset spd2] (FPS1): Press the key to run the drive at the 2nd preset speed [Preset speed 2] (SP2) page 84. Press STOP
to stop the drive.
[Preset spd3] (FPS2): Press the key to run the drive at the 3rd preset speed [Preset speed 3] (SP3) page 84. Press STOP
to stop the drive.
[PID ref. 2] (FPr1): Sets a PID reference equal to the 2nd preset PID reference [Preset ref. PID 2] (rP2) page 86, without
sending a run command. Only operates if [Ref.1 channel] (Fr1) is set to [HMI] (LCC). Does not operate with the [T/K] (Ft)
function.
[PID ref. 3] (FPr2): Sets a PID reference equal to the 3rd preset PID reference [Preset ref. PID 3] (rP3) page 87, without
sending a run command. Only operates if [Ref.1 channel] (Fr1) is set to [HMI] (LCC). Does not operate with the [T/K] (Ft)
function.
[+speed] (FUSP): Faster, only operates if [Ref.2 channel] (Fr2) is set to [HMI] (LCC). Press the key to run the drive and
increase the speed. Press STOP to stop the drive.
[- speed] (FdSP): Slower, only operates if [Ref.2 channel] (Fr2) is set to [HMI] (LCC) and if a different key has been
assigned to [+ speed]. Press the key to run the drive and decrease the speed. Press STOP to stop the drive.
[T/K] (Ft): Command via the display terminal: Takes priority over [Cmd switching] (CCS) and over
[Ref. 2 switching] (rFC).
Fn2 [F2 key assignment] [No] (nO)
Identical to [F1 key assignment] (Fn1) page 142.
Fn3 [F3 key assignment] [No] (nO)
Identical to [F1 key assignment] (Fn1) page 142.
Fn4 [F4 key assignment] [No] (nO)
Identical to [F1 key assignment] (Fn1) page 142.
bMp [HMI cmd.] [Stop] (StOP)
g
When the [T/K] (Ft) function is assigned to a key and that function is active, this parameter defines the behavior at the moment
when control returns to the graphic display terminal or remote display terminal.
StOp
bUMF
[Stop] (StOP): Stops the drive (although the controlled direction of operation and reference of the previous channel are copied
(to be taken into account on the next RUN command)).
[Bumpless] (bUMF): Does not stop the drive (the controlled direction of operation and the reference of the previous channel
are copied)
g
These parameters only appear if the corresponding function has been selected in another menu. When the parameters can
also be accessed and adjusted from within the configuration menu for the corresponding function, their description is detailed
in these menus, on the pages indicated, to aid programming.
DRI- > CONF > FULL > CTL-
Configuration Mode (ConF)
S1A28692 03/2010 143
Parameters described in this page can be accessed by:
Function Block Management
Code Name / Description Adjustment range Factory setting
FULL [FULL] (continued)
FbM- [FUNCTION BLOCKS]
MFb- [MONIT. FUN. BLOCKS]
Note: This section shows only what is possible to do with local or remote display on the drive. For advanced configuration using
PC software, please refer to the dedicated Function blocks manual.
FbSt [FB Status]
IdLE
CHEC
StOP
InIt
rUn
Err
[Idle] (IdLE): No binary file in the target, the FB is waiting for a download
[Check] (CHEC): Check the program downloaded
[Stop] (StOP): The Function blocks application is stopped
[Init] (InIt): Check coherency between ATVLogic program and Function blocks parameters
[Run] (rUn): The Function blocks application is running
[Error] (Err): An internal error has been detected. The Function blocks application is in fault state mode.
FbFt [FB Fault]
nO
Int
bIn
InP
PAr
CAL
tOAU
tOPP
AdL
In
[No] (nO): No detected fault
[Internal] (Int): Internal detected error
[Binary file] (bIn): Binary file corrupted
[Intern Para.] (InP): Internal parameter detected error
[Para. RW] (PAr): Parameter access detected error
[Calculation] (CAL): Calculation detected error
[TO AUX] (tOAU): TimeOut AUX task
[TO synch] (tOPP): TimeOut in PRE/POST task
[Bad ADLC] (AdL): ADLC with bad parameter
[Input assig.] (In): Input not configured
FbI- [FB IDENTIFICATION]
bUEr [Cust. program version] 0 to 255 -
g Program user version.
bnS [Program size] 0 to 65,535 -
g Program file size.
bnU [Prg. format version] 0 to 255 -
Binary format version of the drive.
CtU [Catalog version] 0 to 65,535 -
Catalog version of the drive.
FbM- [FUNCTION BLOCKS] (continued)
FbCd [FB Command]
Allows to start and stop the function blocks manually.
StOP
Strt
[FB Command] (FbCd) is forced to [Stop] (StOP) if there is no valid function blocks application in the drive memory.
[FB Command] (FbCd) is set to [Start] (Strt) when the function blocks application switch to Run according to
[FB start mode] (FbrM) configuration.
Note: As soon as the function blocks are started, the drive is considered as in running state and the modification of configuration
parameters is no longer possible.
[Stop] (StOP): Function blocks application Stop command
[Start] (Strt): Function blocks application Start command
DRI- > CONF > FULL > FBM- > MFB-
Configuration Mode (ConF)
144 S1A28692 03/2010
Parameters described in this page can be accessed by:
FbrM [FB start mode] [No] (nO)
DANGER
UNINTENDED EQUIPMENT OPERATION
Start mode value will allow the start of the program by the selected channel.
Check that this configuration will not endanger personnel or equipment in any way.
Failure to follow these instructions will result in death or serious injury.
nO
YES
LI1
...
Allows to choose the different ways of starting the Function blocks application.
Note: Modifications of this parameter are not taken into account if the Function blocks application is running.
[No] (nO): Function blocks application is controlled by [FB command] (FbCd) parameter
[Yes] (YES): Function blocks application switches to Run automatically at drive power on
[LI1] (LI1): Function blocks application switches to Run on a rising edge of the logic input. It switch to Stop on falling edge of
the logic input.
[...] (...): See the assignment conditions on page 138 (not [OL10] (OL01) to [OL10] (OL10)).
FbSM [FB Stop mode] [Freewheel] (YES)
WARNING
LOSS OF CONTROL
If [FB stop mode] (FbSM) is set to [No] (nO) the motor will not stop when the program will be stopped.
Do not select these values unless exterior stopping methods exist.
Failure to follow these instructions can result in death, serious injury, or equipment damage.
nO
YES
rMP
FSt
dCI
Allows to setup the way of working of the drive when function blocks are stopped.
[Ignore] (nO): The drive ignores the detected fault
[Freewheel] (YES): Motor stops in freewheel
[Ramp stop] (rMP): Ramp stop
[Fast stop] (FSt): Fast stop
[DC injection] (dCI): DC injection
FbdF [FB on drive fault] [Stop] (StOP)
StOP
IGn
Behavior of function blocks when the drive trips.
[Stop] (StOP): Function blocks stops when the drive trips, outputs are realeased
[Ignore] (IGn): Function blocks continue to work when the drive trips (except CFF and INFE)
FbA- [INPUTS ASSIGNMENTS]
IL01 [Logic input 1 assignment] [No] (nO)
nO
FLt
FtA
F2A
Fr1
Fr2
Cd1
Cd2
Fr1b
YES
LI1
...
Possible assignment for the Function block logic input.
[No] (nO): Not assigned
[No drive flt] (FLt): Drive fault detection status (relay normally energized, and de-energized if there is a trip)
[Freq. Th. attain.] (FtA): Frequency threshold attained ([Freq. threshold] (Ftd) page 89)
[Freq. Th 2 attain.] (F2A): Frequency threshold 2 attained ([Freq. threshold 2] (F2d) page 89)
[Ref.1 channel] (Fr1) Reference source 1
[Ref.2 channel] (Fr2) Reference source 2
[ch1 active] (Cd1): Command channel = channel 1 (for CSS)
[ch2 active] (Cd2): Command channel = channel 2 (for CSS)
[Ref.1B channel] (Frlb): Reference channel = channel 1b (for RFC)
[Yes] (YES): Yes
[LI1] (LI1): Logical input LI1
[...] (...): See the assignment conditions on page 138
IL-- [Logic input x assignment] [No] (nO)
All the Function Blocks logic inputs available on the drive are processed as in the example for
[Logic input 1 assignment] (IL01) above, up to [Logic input 10 assignment] (IL10).
Code Name / Description Adjustment range Factory setting
2 s
DRI- > CONF > FULL > FBM-
Configuration Mode (ConF)
S1A28692 03/2010 145
Parameters described in this page can be accessed by:
IA01 [Analog input 1 assignment] [No] (nO)
nO
A11
A12
A13
OCr
OFr
OrP
trq
Stq
OrS
OPS
OPF
OPE
OPI
OPr
tHr
tHd
tqMS
UPdt
UPdH
LCC
Mdb
CAn
nEt
OFS
tHr2
tHr3
tqL
UOP
PI
AIU1
dO1
AIU2
OA01
...
OA10
Possible assignment for the Function block analog input.
[No] (nO): Not assigned
[Al1] (A11): Analog input A1
[Al2] (A12): Analog input A2
[Al3] (A13): Analog input A3
[I motor] (OCr): Motor current
[Motor freq.] (OFr): Motor speed
[Ramp. out] (OrP): Ramp output
[Motor torq.] (trq): Motor torque
[Sign torque] (Stq): Signed motor torque
[Sign ramp] (OrS): Signed ramp output
[PID ref.] (OPS): PI(D) reference
[PID feedbk] (OPF): PI(D) feedback
[PID error] (OPE): PI(D) error
[PID output] (OPI): PI(D) integral
[Mot. power] (OPr): Motor power
[Mot. thermal] (tHr): Motor thermal state
[Drv thermal] (tHd): Drive thermal state
[Torque 4Q] (tqMS): Signed motor torque
[+/-Speed] (UPdt): Up/Down function is assigned by Lix
[+/-spd HMI] (UPdH): Up/Down function is assigned by graphic display terminal or remote display terminal
[HMI] (LCC): Graphic display terminal or remote display terminal source
[Modbus] (Mdb): Integrated Modbus
[CANopen] (CAn): Integrated CANopen®
[Com. card] (nEt): Communication option board source
[Sig. o/p frq.] (OFS): Signed output frequency
[Mot therm2] (tHr2): Motor 2 thermal state
[Mot therm3] (tHr3): Motor 3 thermal state
[Torque lim.] (tqL): Torque limitation
[Motor volt.] (UOP): Motor voltage
[RP] (PI): Pulse input
[AI virtual 1] (AIU1): Virtual analog input 1 with the jog dial
[DO1] (dO1): Analog/logical output DO1
[AI virtual 2] (AIU2): Virtual analog input 2 by the communication bus
[OA01] (OA01): Function blocks: Analog Output 01
...
[OA10] (OA10): Function blocks: Analog Output 10
IA-- [Analog input x assignment] [No] (nO)
All the Function blocks analog inputs available on the drive are processed as in the example for [IA01] (IA01) above, up to
[IA10] (IA10).
FbM- [FUNCTION BLOCKS] (continued)
FAd- [ADL CONTAINERS]
ADL containers contain Modbus logical adress of internal parameters of the drive. If the chosen adress is valid, the display shows
the parameter name instead of the adress.
LA01 ADL Container 01 3,015 to 64,299 0
LA02 ADL Container 02 3,015 to 64,299 0
LA03 ADL Container 03 3,015 to 64,299 0
LA04 ADL Container 04 3,015 to 64,299 0
LA05 ADL Container 05 3,015 to 64,299 0
LA06 ADL Container 06 3,015 to 64,299 0
LA07 ADL Container 07 3,015 to 64,299 0
LA08 ADL Container 08 3,015 to 64,299 0
Code Name / Description Adjustment range Factory setting
DRI- > CONF > FULL > FBM- > FBA-
Configuration Mode (ConF)
146 S1A28692 03/2010
Parameters described in this page can be accessed by:
(1) If a graphic display terminal is not in use, values greater than 9,999 will be displayed on the 4-digit display with a period
mark after the thousand digit, for example, 15.65 for 15,650.
FbM- [FUNCTION BLOCKS] (continued)
FbP- [FB PARAMETERS]
Internal parameters available for the user program.
M001 [ ] 0 to 65,535 0
(1) M001 Parameter saved in EEprom.
M002 [ ] 0 to 65,535 0
(1) M002 Parameter saved in EEprom
M003 [ ] 0 to 65,535 0
(1) M003 Parameter saved in EEprom
M004 [ ] 0 to 65,535 0
(1) M004 Parameter saved in EEprom
M005 [ ] 0 to 65,535 0
(1) M005 Parameter written in RAM
M006 [ ] 0 to 65,535 0
(1) M006 Parameter written in RAM
M007 [ ] 0 to 65,535 0
(1) M007 Parameter written in RAM
M008 [ ] 0 to 65,535 0
(1) M008 Parameter written in RAM
Code Name / Description Adjustment range Factory setting
g
These parameters only appear if the corresponding function has been selected in another menu. When the parameters can
also be accessed and adjusted from within the configuration menu for the corresponding function, their description is detailed
in these menus, on the pages indicated, to aid programming.
Parameter that can be modified during operation or when stopped.
To change the assignment of this parameter, press the ENT key for 2 s.2 s
DRI- > CONF > FULL > FBM- > FBP-
Configuration Mode (ConF)
S1A28692 03/2010 147
[APPLICATION FUNCT.] (FUn-)
Summary of functions:
The parameters in the [APPLICATION FUNCT.] (Fun-) menu can only be modified when the drive is
stopped and there is no run command, except for parameters with a symbol in the code column, which
can be modified with the drive running or stopped.
Code Name Page
(rEF-) [REFERENCE SWITCH.] 152
(OAI-) [REF. OPERATIONS] 153
(rPt-) [RAMP] 155
(Stt-) [STOP CONFIGURATION] 158
(AdC-) [AUTO DC INJECTION] 161
(JOG-) [JOG] 163
(PSS-) [PRESET SPEEDS] 166
(UPd) [+/- SPEED] 170
(SrE-) [+/-SPEED AROUND REF.] 172
(SPM-) [MEMO REFERENCE] 173
(FLI-) [FLUXING BY LI] 174
(bLC-) [BRAKE LOGIC CONTROL] 179
(ELM-) [EXTERNAL WEIGHT MEAS.] 185
(HSH-) [HIGH SPEED HOISTING] 190
(PId-) [PID REGULATOR] 196
(Pr1-) [PID PRESET REFERENCES] 200
(tOL-) [TORQUE LIMITATION] 202
(CLI-) [2nd CURRENT LIMIT.] 204
(LLC-) [LINE CONTACTOR COMMAND] 206
(OCC-) [OUTPUT CONTACTOR CMD] 208
(LPO-) [POSITIONING BY SENSORS] 212
(MLP-) [PARAM. SET SWITCHING] 215
(MMC-) [MULTIMOTORS/CONFIG.] 220
(tnL-) [AUTO TUNING BY LI] 221
(trO-) [TRAVERSE CONTROL] 222
(CHS-) [HSP SWITCHING] 229
Configuration Mode (ConF)
148 S1A28692 03/2010
Note: Compatibility of functions
The choice of application functions may be limited by the number of I/O and by the fact that some functions
are incompatible with others. Functions that are not listed in the table below are fully compatible.
If there is an incompatibility between functions, the first function configured will help to prevent the others being
configured.
Each of the functions on the following pages can be assigned to one of the inputs or outputs.
DANGER
UNINTENDED EQUIPMENT OPERATION
A single input can activate several functions at the same time (reverse and 2nd ramp for example).
Ensure that these functions can be used at the same time.
Failure to follow these instructions will result in death or serious injury.
Configuration Mode (ConF)
S1A28692 03/2010 149
It is only possible to assign one input to several functions at [Advanced] (AdU) and [Expert] (EPr) levels.
Before assigning a command, reference or function to an input or output, the user must check that this input
or output has not already been assigned and that another input or output has not been assigned to an
incompatible function.
The drive factory setting or macro configurations automatically configure functions, which may help to
prevent other functions being assigned.
In some case, it is necessary to unconfigure one or more functions in order to be able to enable
another. Check the compatibility table below.
Stop functions have priority over run commands.
Speed references via logic command have priority over analog references.
Note: This compatibility table does not affect commands that can be assigned to the keys of the graphic
display terminal (see page 24).
Configuration Mode (ConF)
150 S1A28692 03/2010
Compatibility table
(1) Priority is given to the first of these two stop modes to be activated.
(2) Only the multiplier reference is incompatible with the PID regulator.
Referenceoperations
(page153)
+/-speed(3)
(page170)
Presetspeeds
(page165)
PIDregulator
(page196)
Traversecontrol
(page227)
JOGoperation
(page163)
Referenceswitching
(page152)
Skipfrequency
(page168)
Brakelogiccontrol
(page179)
AutoDCinjection
(page161)
Catchonthefly
(page235)
Outputcontactorcommand
(page208)
DCinjectionstop
(page158)
Faststop
(page158)
Freewheelstop
(page158)
+/-speedaroundareference
(page172)
Highspeedhoisting
(page190)
Loadsharing
(page109)
Positioningbysensors
(page212)
Reference operations
(page 153)
A p
(2)
A A A
+/- speed (3)
(page 170)
p p A A
Preset speeds
(page 165)
X A A A
PID regulator
(page 196)
p
(2)
p p A A p p p p p
Traverse control
(page 227)
p p p A A p p
JOG operation
(page 163)
X p X p p A p X p p
Reference switching
(page 152)
X X X X X A A
Skip frequency
(page 168)
X X X X X X X X
Brake logic control
(page 179)
p p p p p
Auto DC injection
(page 161)
A A A
Catch on the fly
(page 235)
p
Output contactor
command
(page 208)
p
DC injection stop
(page 158)
p X p
(1)
A
Fast stop
(page 158)
p
(1)
A
Freewheel stop
(page 158)
X X X
+/- speed around a
reference (page 172)
p p p X X
High speed hoisting (page
190)
p p p
Load sharing
(page 109)
p
Positioning by sensors
(page 212)
p
Incompatible functions Compatible functions Not applicable
The function indicated by the arrow has priority over the other.
Priority functions (functions which cannot be active at the same time):
Configuration Mode (ConF)
S1A28692 03/2010 151
Incompatible Functions
The following function will be inaccessible or deactivated after an Automatic restart.
This is only possible for control type if [2/3 wire control] (tCC) is set to [2 wire] (2C) and if [2 wire type]
(tCt) is set to [Level] (LEL) or [Fwd priority] (PFO). See [2/3 wire control] (tCC) page 73.
The [1.2 MONITORING] (MOn-) menu page 41 can be used to display the functions assigned to each input
in order to check their compatibility.
When a function is assigned, a appears on the graphic display terminal, as illustrated in the example below:
If you attempt to assign a function that is incompatible with another function that has already been assigned,
an alarm message will appear:
• With the graphic display terminal:
• With the integrated display terminal and the remote display terminal:
COMP flashes until ENT or ESC is pressed.
When you assign a logic input, an analog input, a reference channel or a bit to a function, pressing the HELP
key will display the functions that may already have been activated by this input, bit or channel.
When a logic input, an analog input, a reference channel or a bit that has already been assigned is assigned
to another function, the following screens appear:
• With the graphic display terminal:
If the access level permits this new assignment, pressing ENT confirms the assignment.
If the access level does not permit this new assignment, pressing ENT results in the following display:
• With the integrated display terminal:
The code for the first function, which is already assigned, is displayed flashing.
If the access level permits this new assignment, pressing ENT confirms the assignment.
If the access level does not permit this new assignment, pressing ENT has no effect, and the message
continues to flash. It is only possible to exit by pressing ESC.
RDY Term 0.0Hz 0A
APPLICATION FUNCT.
REFERENCE SWITCH.
REF. OPERATIONS
RAMP
STOP CONFIGURATION
AUTO DC INJECTION
Code << >> Quick
RDY Term +0.0 Hz 0.0 A
INCOMPATIBILITY
The function can't be assigned
because an incompatible
function is already selected. See
programming book.
ENT or ESC to continue
RUN Term 0.0 Hz 0.0 A
WARNING - ASSIGNED TO
Forward
ENT-Valid. ESC-Abort
RUN Term 0.0 Hz 0.0 A
ASSIGNMENT FORBIDDEN
Un-assign the present
functions, or select
"Advanced" access level
Configuration Mode (ConF)
152 S1A28692 03/2010
Parameters described in this page can be accessed by:
REFERENCE SWITCHING
Code Name / Description Adjustment range Factory setting
FUn- [APPLICATION FUNCT.]
rEF- [REFERENCE SWITCH.]
rCb [Ref 1B switching] [ch1 active] (Fr1)
Fr1
Fr1b
LI1
...
See the diagrams on pages 132 and 133.
If the assigned input or bit is at 0, [Ref.1 channel] (Fr1) is active (see [Ref.1 channel] (Fr1) page 139).
If the assigned input or bit is at 1, [Ref.1B channel] (Fr1b) is active.
[Ref 1B switching] (rCb) is forced to [ch1 active] (Fr1) if [Profile] (CHCF) is set to [Not separ.] (SIM) with
[Ref.1 channel] (Fr1) assigned via the terminals (analog inputs, pulse input). See [Ref.1 channel] (Fr1) page 139.
[ch1 active] (Frl): No switching, [Ref.1 channel] (Fr1) active
[ch1B active] (Fr1b): No switching, [Ref.1B channel] (Fr1b) active
[LI1] (LI1): Logical input LI1
[...] (...): See the assignment conditions on page 138 (not [Cd00] (CdOO) to [Cd15] (Cd15)).
Fr1b [Ref.1B channel] [No] (nO)
nO
A11
A12
A13
LCC
Mdb
CAn
nEt
PI
AIU1
OA01
...
OA10
[No] (nO): Not assigned
[Al1] (A11): Analog input A1
[Al2] (A12): Analog input A2
[Al3] (A13): Analog input A3
[HMI] (LCC): Graphic display terminal or remote display terminal source
[Modbus] (Mdb): Integrated Modbus
[CANopen] (CAn): Integrated CANopen®
[Com. card] (nEt): Communication option board source
[RP] (PI): Pulse input
[AI virtual 1] (AIU1): Virtual analog input 1 with the jog dial (only available if [Profile] (CHCF) is not set to
[Not separ.] (SIM))
[OA01] (OA01): Function blocks: Analog Output 01
...
[OA10] (OA10): Function blocks: Analog Output 10
DRI- > CONF > FULL > REF-
Configuration Mode (ConF)
S1A28692 03/2010 153
Parameters described in this page can be accessed by:
REFERENCE OPERATIONS
Summing input / Subtracting input / Multiplier
A = (Fr1 or Fr1b + SA2 + SA3 - dA2 - dA3) x MA2 x MA3
• If SA2, SA3, dA2, dA3 are not assigned, they are set to 0.
• If MA2, MA3 are not assigned, they are set to 1.
• A is limited by the minimum LSP and maximum HSP parameters.
• For multiplication, the signal on MA2 or MA3 is interpreted as a %. 100% corresponds to the maximum
value of the corresponding input. If MA2 or MA3 is sent via the communication bus or graphic display
terminal, an MFr multiplication variable, page 266 must be sent via the bus or graphic display terminal.
• Reversal of the direction of operation in the event of a negative result can be inhibited (see
[RV Inhibition] (SIn) page 139).
Fr1 or Fr1b
SA2
SA3
dA2
dA3
MA2
MA3
A
Code Name / Description Adjustment range Factory setting
FUn- [APPLICATION FUNCT.] (continued)
OAI- [REF. OPERATIONS]
Reference = (Fr1 or Fr1b + SA2 + SA3 - dA2 - dA3) x MA2 x MA3. See the diagrams on pages 132 and 133.
Note: This function cannot be used with certain other functions. Follow the instructions on page 148.
SA2 [Summing ref. 2] [No] (nO)
nO
A11
A12
A13
LCC
Mdb
CAn
nEt
PI
AIU1
AIU2
OA01
...
OA10
Selection of a reference to be added to [Ref.1 channel] (Fr1) or [Ref.1B channel] (Fr1b).
[No] (nO): Not assigned
[Al1] (A11): Analog input A1
[Al2] (A12): Analog input A2
[Al3] (A13): Analog input A3
[HMI] (LCC): Graphic display terminal or remote display terminal source
[Modbus] (Mdb): Integrated Modbus
[CANopen] (CAn): Integrated CANopen®
[Com. card] (nEt): Communication option board source
[RP] (PI): Motor voltage
[AI virtual 1] (AIU1): Virtual analog input 1 with the jog dial
[AI virtual 2] (AIU2): Virtual analog input 2 by the communication bus
[OA01] (OA01): Function blocks: Analog Output 01
...
[OA10] (OA10): Function blocks: Analog Output 10
SA3 [Summing ref. 3] [No] (nO)
Selection of a reference to be added to [Ref.1 channel] (Fr1) or [Ref.1B channel] (Fr1b).
Identical to [Summing ref. 2] (SA2) page 153.
dA2 [Subtract. ref. 2] [No] (nO)
Selection of a reference to be subtracted from [Ref.1 channel] (Fr1) or [Ref.1B channel] (Fr1b).
Identical to [Summing ref. 2] (SA2) page 153.
DRI- > CONF > FULL > FUN- > OAI-
Configuration Mode (ConF)
154 S1A28692 03/2010
Parameters described in this page can be accessed by:
dA3 [Subtract. ref. 3] [No] (nO)
Selection of a reference to be subtracted from [Ref.1 channel] (Fr1) or [Ref.1B channel] (Fr1b).
Identical to [Summing ref. 2] (SA2) page 153.
MA2 [Multiplier ref. 2] [No] (nO)
Selection of a multiplier reference [Ref.1 channel] (Fr1) or [Ref.1B channel] (Fr1b).
Identical to [Summing ref. 2] (SA2) page 153.
MA3 [Multiplier ref. 3] [No] (nO)
Selection of a multiplier reference [Ref.1 channel] (Fr1) or [Ref.1B channel] (Fr1b).
Identical to [Summing ref. 2] (SA2) page 153.
Code Name / Description Adjustment range Factory setting
DRI- > CONF > FULL > FUN- > OAI-
Configuration Mode (ConF)
S1A28692 03/2010 155
Parameters described in this page can be accessed by:
RAMP
Code Name / Description Adjustment range Factory setting
FUn- [APPLICATION FUNCT.] (continued)
rPt- [RAMP]
rPt [Ramp type] [Linear] (LIn)
LIn
S
U
CUS
[Linear] (LIn)
[S ramp] (S)
[U ramp] (U)
[Customized] (CUS)
S ramps
The rounding coefficient is fixed,
t1 = 0.6 set ramp time (linear)
t2 = 0.4 set ramp time (round)
t3 = 1.4 set ramp time
The rounding coefficient is fixed,
t1 = 0.5 set ramp time (linear)
t2 = 1.0 set ramp time (round)
t3 = 1.5 set ramp time
tA1: adjustable from 0 to 100%
tA2: adjustable from 0 to (100% - tA1)
tA3: adjustable from 0 to 100%
tA4: adjustable from 0 to (100% - tA3)
t12 = ACC * (tA1(%) / 100 + tA2(%) / 100 + 1)
t34 = DEC * (tA3(%) / 100 + tA4(%) / 100 + 1)
Inr [Ramp increment] [0,1 ] (0.1)
(1)
0.01
0.1
1
This parameter is valid for [Acceleration] (ACC), [Deceleration] (dEC), [Acceleration 2] (AC2) and
[Deceleration 2] (dE2).
[0,01]: Ramp up to 99.99 seconds
[0,1]: Ramp up to 999.9 seconds
[1]: Ramp up to 6,000 seconds
ACC
(1)
[Acceleration] 0.00 to 6,000 s (2) 3.0 s
Time to accelerate from 0 to the [Rated motor freq.] (FrS) (page 74). To have repeatability in ramps, the value of this
parameter must be set according to the possibility of the application.
dEC
(1)
[Deceleration] 0.00 to 6,000 s (2) 3.0 s
Time to decelerate from the [Rated motor freq.] (FrS) (page 74) to 0. To have repeatability in ramps, the value of this
parameter must be set according to the possibility of the application.
tA1 [Begin Acc round] 0 to 100% 10%
g
(1)
Rounding of start of acceleration ramp as a % of the [Acceleration] (ACC) or [Acceleration 2] (AC2) ramp time.
Can be set between 0 and 100%.
This parameter can be accessed if the [Ramp type] (rPt) is [Customized] (CUS).
FrS
t
0
t2 t2t1
t3
f (Hz)
t2 t2t1
t3
FrS
t
0
f (Hz)
FrS
t
0
t2
t3
f (Hz)
FrS
t
0
f (Hz)
t1 t2
t3
t1
FrS
t
0
tA1 tA2 tA3 tA4
t12
f (Hz)
FrS
t
0
t34
f (Hz)
U ramps
Customized ramps
DRI- > CONF > FULL > FUN- > RPT-
Configuration Mode (ConF)
156 S1A28692 03/2010
Parameters described in this page can be accessed by:
tA2 [End Acc round] 0 to 100% 10%
g
(1)
Rounding of end of acceleration ramp as a % of the [Acceleration] (ACC) or [Acceleration 2] (AC2) ramp time.
Can be set between 0 and (100% - [Begin Acc round] (tA1)).
This parameter can be accessed if the [Ramp type] (rPt) is [Customized] (CUS).
tA3 [Begin Dec round] 0 to 100% 10%
g
(1)
Rounding of start of deceleration ramp as a % of the [Deceleration] (dEC) or [Deceleration 2] (dE2) ramp time.
Can be set between 0 and 100%.
This parameter can be accessed if the [Ramp type] (rPt) is [Customized] (CUS).
tA4 [End Dec round] 0 to 100% 10%
g
(1)
Rounding of end of deceleration ramp as a % of the [Deceleration] (dEC) or [Deceleration 2] (dE2) ramp time.
Can be set between 0 and (100% - [Begin Dec round] (tA3)).
This parameter can be accessed if the [Ramp type] (rPt) is [Customized] (CUS).
Frt [Ramp 2 threshold] 0 to 599 Hz according to rating 0 Hz
Ramp switching threshold
The 2nd ramp is switched if the value of [Ramp 2 threshold] (Frt) is not 0 (0 deactivates the function) and the output
frequency is greater than [Ramp 2 threshold] (Frt).
Threshold ramp switching can be combined with [Ramp switch ass.] (rPS) switching as follows:
rPS [Ramp switch ass.] [No] (nO)
Identical to [Ref.1B channel] (Fr1b) page 152.
AC2 [Acceleration 2] 0.00 to 6,000 s (2) 5.0 s
g
(1)
Time to accelerate from 0 to the [Rated motor freq.] (FrS). To have repeatability in ramps, the value of this parameter must
be set according to the possibility of the application.
This parameter can be accessed if [Ramp 2 threshold] (Frt) is greater than 0 or if [Ramp switch ass.] (rPS) is assigned.
dE2 [Deceleration 2] 0.00 to 6,000 s (2) 5.0 s
g
(1)
Time to decelerate from [Rated motor freq.] (FrS) to 0. To have repeatability in ramps, the value of this parameter must be
set according to the possibility of the application.
This parameter can be accessed if [Ramp 2 threshold] (Frt) is greater than 0 or if [Ramp switch ass.] (rPS) is assigned.
Code Name / Description Adjustment range Factory setting
LI or bit Frequency Ramp
0 < Frt ACC, dEC
0 > Frt AC2, dE2
1 < Frt AC2, dE2
1 > Frt AC2, dE2
DRI- > CONF > FULL > FUN- > RPT-
Configuration Mode (ConF)
S1A28692 03/2010 157
Parameters described in this page can be accessed by:
(1) The parameter can also be accessed in the [SETTINGS] (SEt-) menu.
(2) Range 0.01 to 99.99 s or 0.1 to 999.9 s or 1 to 6,000 s according to [Ramp increment] (Inr) page 155.
brA [Dec ramp adapt.] [Yes] (YES)
CAUTION
RISK OF DAMAGE TO THE MOTOR
Choose only [Dec ramp adapt.] (brA) = [Yes] (YES) or [No] (nO) if the motor is a permanent magnet
synchronous motor, otherwise it will be demagnetized.
Failure to follow these instructions can result in equipment damage.
nO
YES
dYnA
Activating this function automatically adapts the deceleration ramp, if this has been set at a too low value according to the inertia
of the load, which can cause an overvoltage detected fault.
[Dec ramp adapt.] (brA) is forced to [No] (nO) if the brake logic control [Brake assignment] (bLC) is assigned (page 179).
The function is incompatible with applications requiring:
- Positioning on a ramp.
- The use of a braking resistor (the resistor would not operate correctly).
[No] (nO): Function inactive
[Yes] (YES): Function active, for applications that do not require strong deceleration
The following selections appear depending on the rating of the drive and [Motor control type] (Ctt) page 92. They enable
stronger deceleration to be obtained than with [Yes] (YES). Use comparative testing to determine your selection.
[High torq. A] (dYnA): Addition of a constant current flow component.
When [Dec ramp adapt.] (brA) is configured on [High torq. x] (dYnx), the dynamic performances for braking are improved
by the addition of a current flow component. The aim is to increase the iron loss and magnetic energy stored in the motor.
Code Name / Description Adjustment range Factory setting
g
These parameters only appear if the corresponding function has been selected in another menu. When the parameters can
also be accessed and adjusted from within the configuration menu for the corresponding function, their description is detailed
in these menus, on the pages indicated, to aid programming.
Parameter that can be modified during operation or when stopped.
DRI- > CONF > FULL > FUN- > RPT-
Configuration Mode (ConF)
158 S1A28692 03/2010
Parameters described in this page can be accessed by:
STOP CONFIGURATION
Code Name / Description Adjustment range Factory setting
FUn- [APPLICATION FUNCT.] (continued)
Stt- [STOP CONFIGURATION]
Note: Some types of stops cannot be used with all other functions. Follow the instructions on page 148.
Stt [Type of stop] [Ramp stop] (rMP)
rMP
FSt
nSt
dCI
Stop mode on disappearance of the run command or appearance of a stop command.
Note: If the "brake logic" function on page 179 has been enabled, or if [Low speed time out] (tLS) page 83 or 199 is not 0,
only ramp type stops may be configured.
[Ramp stop] (rMP): Stop on ramp
[Fast stop] (FSt): Fast stop
[Freewheel] (nSt): Freewheel stop
[DC injection] (dCI): DC injection stop. Available only if [Motor control type] (Ctt) page 92 is not set to
[Sync. mot.] (SYn).
FFt [Freewheel stop Thd.] 0.2 to 599 Hz 0.2 Hz
g
(1)
Speed threshold below which the motor will switch to freewheel stop.
This parameter supports switching from a ramp stop or a fast stop to a freewheel stop below a low speed threshold.
This parameter can be accessed if [Type of stop] (Stt) is set to [Fast stop] (FSt) or [Ramp stop] (rMP) and if
[Brake assignment] (bLC) or [Auto DC injection] (AdC) are configured.
nSt [Freewheel stop ass.] [No] (nO)
nO
LI1
...
The stop is activated when the input or the bit changes to 0. If the input returns to state 1 and the run command is still active, the
motor will only restart if [2/3 wire control] (tCC) page 73 is set to [2 wire] (2C) and if [2 wire type] (tCt) is set to
[Level] (LEL) or [Fwd priority] (PFO). If not, a new run command must be sent.
[No] (nO): Not assigned
[LI1] (LI1): Logical input LI1
[...] (...): See the assignment conditions on page 138
FSt [Fast stop assign.] [No] (nO)
nO
LI1
...
The stop is activated when the input changes to 0 or the bit changes to 1 (bit in [I/O profile] (IO) at 0).
If the input returns to state 1 and the run command is still active, the motor will only restart if [2/3 wire
control] (tCC) page 73 is set to [2 wire] (2C) and if [2 wire type] (tCt) is set to [Level] (LEL) or [Fwd priority] (PFO).
If not, a new run command must be sent.
Note: This function cannot be used with certain other functions. Follow the instructions on page 148.
[No] (nO): Not assigned
[LI1] (LI1): Logical input LI1
[...] (...): See the assignment conditions on page 138
dCF [Ramp divider] 0 to 10 4
g
(1)
This parameter can be accessed if [Type of stop] (Stt) is set to [Fast stop] (FSt) and if [Fast stop assign.] (FSt) is not
[No] (nO) and if [Stop type] (PAS) is set to [Fast stop] (FSt).
The ramp that is enabled ([Deceleration] (dEC) or [Deceleration 2] (dE2)) is then divided by this coefficient when stop
requests are sent.
Value 0 corresponds to a minimum ramp time.
DRI- > CONF > FULL > FUN- > STT-
Configuration Mode (ConF)
S1A28692 03/2010 159
Parameters described in this page can be accessed by:
dCI [DC injection assign.] [No] (nO)
WARNING
NO HOLDING TORQUE
• DC injection braking does not provide any holding torque at zero speed.
• DC injection braking does not work when there is a loss of power or when the drive detects a fault.
• Where necessary, use a separate brake to maintain torque levels.
Failure to follow these instructions can result in death, serious injury, or equipment damage.
nO
LI1
...
DC injection braking is initiated when the assigned input or bit changes to state 1.
If the input returns to state 0 and the run command is still active, the motor will only restart if [2/3 wire control] (tCC) page 73
is set to [2 wire] (2C) and if [2 wire type] (tCt) is set to [Level] (LEL) or [Fwd priority] (PFO). If not, a new run command
must be sent.
Note: This function cannot be used with certain other functions. Follow the instructions on page 148.
[No] (nO): Not assigned
[LI1] (LI1): Logical input LI1
[...] (...): See the assignment conditions on page 138
IdC [DC inject. level 1] 0.1 to 1.41 In (2) 0.64 In (2)
g
(1) (3)
WARNING
NO HOLDING TORQUE
• DC injection braking does not provide any holding torque at zero speed.
• DC injection braking does not work when there is a loss of power or when the drive detects a fault.
• Where necessary, use a separate brake to maintain torque levels.
Failure to follow these instructions can result in death, serious injury, or equipment damage.
CAUTION
RISK OF DAMAGE TO THE MOTOR
Check that the motor will withstand this current without overheating.
Failure to follow these instructions can result in equipment damage.
Level of DC injection braking current activated via logic input or selected as stop mode.
This parameter can be accessed if [Type of stop] (Stt) is set to [DC injection] (dCI) or if [DC injection assign.] (dCI)
is not [No] (nO).
tdI [DC injection time 1] 0.1 to 30 s 0.5 s
g
(1) (3)
CAUTION
RISK OF DAMAGE TO THE MOTOR
• Long periods of DC injection braking can cause overheating and damage the motor.
• Protect the motor by avoiding long periods of DC injection braking.
Failure to follow these instructions can result in equipment damage.
Maximum current injection time [DC inject. level 1] (IdC). After this time, the injection current becomes
[DC inject. level 2] (IdC2).
This parameter can be accessed if [Type of stop] (Stt) is set to [DC injection] (dCI) or if [DC injection assign.] (dCI)
is not set to [No] (nO).
Code Name / Description Adjustment range Factory setting
DRI- > CONF > FULL > FUN- > STT-
Configuration Mode (ConF)
160 S1A28692 03/2010
Parameters described in this page can be accessed by:
(1) The parameter can also be accessed in the [SETTINGS] (SEt-) menu.
(2) In corresponds to the rated drive current indicated in the Installation manual and on the drive nameplate.
(3) These settings are independent of the [AUTO DC INJECTION] (AdC-) function.
IdC2 [DC inject. level 2] 0.1 In (2) to [DC inject. level 1]
(IdC)
0.5 In (2)
g
(1) (3)
CAUTION
RISK OF DAMAGE TO THE MOTOR
Check that the motor will withstand this current without overheating.
Failure to follow these instructions can result in equipment damage.
Injection current activated by logic input or selected as stop mode, once period of time [DC injection time 1] (tdI) has
elapsed.
This parameter can be accessed if [Type of stop] (Stt) is set to [DC injection] (dCI) or if [DC injection assign.] (dCI)
is not set to [No] (nO).
tdC [DC injection time 2] 0.1 to 30 s 0.5 s
g
(1) (3)
CAUTION
RISK OF DAMAGE TO THE MOTOR
• Long periods of DC injection braking can cause overheating and damage the motor.
• Protect the motor by avoiding long periods of DC injection braking.
Failure to follow these instructions can result in equipment damage.
Maximum injection time [DC inject. level 2] (IdC2) for injection, selected as stop mode only.
This parameter can be accessed if [Stop type] (Stt) is set to [DC injection] (dCI).
dOtd [Dis. operat opt code] [Ramp stop] (rMp)
nSt
rMp
Disable operation stop mode.
[Freewheel] (nSt): Disable drive function
[Ramp stop] (rMp): Ramp stop then disable drive function
Code Name / Description Adjustment range Factory setting
g
These parameters only appear if the corresponding function has been selected in another menu. When the parameters can
also be accessed and adjusted from within the configuration menu for the corresponding function, their description is detailed
in these menus, on the pages indicated, to aid programming.
Parameter that can be modified during operation or when stopped.
DRI- > CONF > FULL > FUN- > STT-
Configuration Mode (ConF)
S1A28692 03/2010 161
Parameters described in this page can be accessed by:
AUTO DC INJECTION
Code Name / Description Adjustment range Factory setting
FUn- [APPLICATION FUNCT.] (continued)
AdC- [AUTO DC INJECTION]
AdC [Auto DC injection] [Yes] (YES)
DANGER
HAZARD OF ELECTRIC SHOCK, EXPLOSION OR ARC FLASH
When [Auto DC injection] (AdC) is set to [Continuous] (Ct), the injection of current is done even if a run
command has not been sent.
Check this action will not endanger personnel or equipment in any way.
Failure to follow these instructions will result in death or serious injury.
WARNING
NO HOLDING TORQUE
• DC injection braking does not provide any holding torque at zero speed.
• DC injection braking does not work when there is a loss of power or when the drive detects a fault.
• Where necessary, use a separate brake to maintain torque levels.
Failure to follow these instructions can result in death, serious injury, or equipment damage.
nO
YES
Ct
Automatic current injection on stopping (at the end of the ramp).
Note: There is an interlock between this function and [Motor fluxing] (FLU) page 83. If [Motor fluxing] (FLU) is set
to [Continuous] (FCt), [Auto DC injection] (AdC) must be [No] (nO).
Note: [Auto DC injection] (AdC) is set to [No] (nO) when [Motor control type] (Ctt) page 92 is set to
[Sync. mot.] (SYn).
[Auto DC injection] (AdC) is forced to [No] (nO) when [Brake assignment] (bLC) page 179 is not set to [No] (nO).
This parameter gives rise to the injection of current even if a run command has not been sent. It can be accessed with the drive
running.
[No] (nO): No injection
[Yes] (YES): Adjustable injection time
[Continuous] (Ct): Continuous standstill injection
SdC1 [Auto DC inj. level 1] 0 to 1.2 In (2) 0.7 In (2)
g
(1)
CAUTION
RISK OF DAMAGE TO THE MOTOR
Check that the motor will withstand this current without overheating.
Failure to follow these instructions can result in equipment damage.
Level of standstill DC injection current [Auto DC injection] (AdC) is not [No] (nO).
tdC1 [Auto DC inj. time 1] 0.1 to 30 s 0.5 s
g
(1)
CAUTION
RISK OF DAMAGE TO THE MOTOR
• Long periods of DC injection braking can cause overheating and damage the motor.
• Protect the motor by avoiding long periods of DC injection braking.
Failure to follow these instructions can result in equipment damage.
Standstill injection time. This parameter can be accessed if [Auto DC injection] (AdC) is not set to [No] (nO).
If [Motor control type] (Ctt) page 92 is set to [Sync. mot.](SYn), this time corresponds to the zero speed maintenance time.
2 s
DRI- > CONF > FULL > FUN- > ADC-
Configuration Mode (ConF)
162 S1A28692 03/2010
Parameters described in this page can be accessed by:
(1) The parameter can also be accessed in the [SETTINGS] (SEt-) menu.
(2) In corresponds to the rated drive current indicated in the Installation manual and on the drive nameplate.
SdC2 [Auto DC inj. level 2] 0 to 1.2 In (2) 0.5 In (2)
g
(1)
CAUTION
RISK OF DAMAGE TO THE MOTOR
Check that the motor will withstand this current without overheating.
Failure to follow these instructions can result in equipment damage.
2nd level of standstill DC injection current.
This parameter can be accessed if [Auto DC injection] (AdC) is not [No] (nO).
tdC2 [Auto DC inj. time 2] 0 to 30 s 0 s
g
(1)
CAUTION
RISK OF DAMAGE TO THE MOTOR
• Long periods of DC injection braking can cause overheating and damage the motor.
• Protect the motor by avoiding long periods of DC injection braking.
Failure to follow these instructions can result in equipment damage.
2nd standstill injection time.
This parameter can be accessed if [Auto DC injection] (AdC) is set to [Yes] (YES).
Code Name / Description Adjustment range Factory setting
AdC SdC2 Operation
YES x
Ct ≠ 0
Ct
= 0
Run command
Speed
t
SdC1
SdC2
tdC1 tdC1 + tdC2
I
t
SdC1
I
t
SdC1
SdC2
tdC1
I
t
0
t
1
0
g
These parameters only appear if the corresponding function has been selected in another menu. When the parameters can
also be accessed and adjusted from within the configuration menu for the corresponding function, their description is detailed
in these menus, on the pages indicated, to aid programming.
Parameter that can be modified during operation or when stopped.
To change the assignment of this parameter, press the ENT key for 2 s.2 s
DRI- > CONF > FULL > FUN- > ADC-
Configuration Mode (ConF)
S1A28692 03/2010 163
Parameters described in this page can be accessed by:
JOG
Code Name / Description Adjustment range Factory setting
FUn- [APPLICATION FUNCT.] (continued)
JOG- [JOG]
Note: This function cannot be used with certain other functions. Follow the instructions on page 148.
JOG [JOG] [LI3] (LI3)
nO
LI1
...
Pulse operation.
The JOG function is only active if the command channel and the reference channels are on the terminals.
The function is active when the assigned input or bit is at 1.
Example: 2-wire control operation (tCC = 2C).
[No] (nO): Not assigned
[LI1] (LI1): Logical input LI1
[...] (...): See the assignment conditions on page 138 (not [Cd00] (Cd00) to [Cd15] (Cd15))
JGF [Jog frequency] 0 to 10 Hz 10 Hz
g
(1)
Reference in jog operation.
This parameter can be accessed if [JOG] (JOG) is not set to [No] (nO).
1
0
1
0
1
0
0
Ramp
forced to 0.1 s
Reference
JGF reference
JGF reference
LI (JOG)
Forward
Reverse
Ramp
DEC/DE2
Motor
frequency
JGt
DRI- > CONF > FULL > FUN- > JOG-
Configuration Mode (ConF)
164 S1A28692 03/2010
Parameters described in this page can be accessed by:
(1) The parameter can also be accessed in the [SETTINGS] (SEt-) menu.
JGt [Jog delay] 0 to 2.0 s 0.5 s
g
(1)
Anti-repeat delay between 2 consecutive jog operations.
This parameter can be accessed if [JOG] (JOG) is not set to [No] (nO).
Code Name / Description Adjustment range Factory setting
g
These parameters only appear if the corresponding function has been selected in another menu. When the parameters can
also be accessed and adjusted from within the configuration menu for the corresponding function, their description is detailed
in these menus, on the pages indicated, to aid programming.
Parameter that can be modified during operation or when stopped.
To change the assignment of this parameter, press the ENT key for 2 s.2 s
DRI- > CONF > FULL > FUN- > JOG-
Configuration Mode (ConF)
S1A28692 03/2010 165
PRESET SPEEDS
2, 4, 8 or 16 speeds can be preset, requiring 1, 2, 3 or 4 logic inputs respectively.
Note:
You must configure 2 and 4 speeds in order to obtain 4 speeds.
You must configure 2, 4 and 8 speeds in order to obtain 8 speeds.
You must configure 2, 4, 8, and 16 speeds in order to obtain 16 speeds.
Combination table for preset speed inputs
(1) See the diagram on page 132: Reference 1 = (SP1).
16 speeds
LI (PS16)
8 speeds
LI (PS8)
4 speeds
LI (PS4)
2 speeds
LI (PS2)
Speed reference
0 0 0 0 Reference (1)
0 0 0 1 SP2
0 0 1 0 SP3
0 0 1 1 SP4
0 1 0 0 SP5
0 1 0 1 SP6
0 1 1 0 SP7
0 1 1 1 SP8
1 0 0 0 SP9
1 0 0 1 SP10
1 0 1 0 SP11
1 0 1 1 SP12
1 1 0 0 SP13
1 1 0 1 SP14
1 1 1 0 SP15
1 1 1 1 SP16
Configuration Mode (ConF)
166 S1A28692 03/2010
Parameters described in this page can be accessed by:
Code Name / Description Adjustment range Factory setting
FUn- [APPLICATION FUNCT.] (continued)
PSS- [PRESET SPEEDS]
Note: This function cannot be used with certain other functions. Follow the instructions on page 148..
PS2 [2 preset speeds] [No] (nO)
nO
LI1
...
[No] (nO): Not assigned
[LI1] (LI1): Logical input LI1
[...] (...): See the assignment conditions on page 138
PS4 [4 preset speeds] [No] (nO)
Identical to [2 preset speeds] (PS2) page 166.
To obtain 4 speeds, you must also configure 2 speeds.
PS8 [8 preset speeds] [No] (nO)
Identical to [2 preset speeds] (PS2) page 166.
To obtain 8 speeds, you must also configure 2 and 4 speeds.
PS16 [16 preset speeds] [No] (nO)
Identical to [2 preset speeds] (PS2) page 166.
To obtain 16 speeds, you must also configure 2, 4 and 8 speeds.
SP2 [Preset speed 2] 0 to 599 Hz 10 Hz
g
(1)
Preset speed 2. See the Combination table for preset PID references page 192.
SP3 [Preset speed 3] 0 to 599 Hz 15 Hz
g
(1)
Preset speed 3. See the Combination table for preset PID references page 192.
SP4 [Preset speed 4] 0 to 599 Hz 20 Hz
g
(1)
Preset speed 4. See the Combination table for preset PID references page 192.
SP5 [Preset speed 5] 0 to 599 Hz 25 Hz
g
(1)
Preset speed 5. See the Combination table for preset PID references page 192.
SP6 [Preset speed 6] 0 to 599 Hz 30 Hz
g
(1)
Preset speed 6. See the Combination table for preset PID references page 192.
SP7 [Preset speed 7] 0 to 599 Hz 35 Hz
g
(1)
Preset speed 7. See the Combination table for preset PID references page 192.
DRI- > CONF > FULL > FUN- > PSS-
Configuration Mode (ConF)
S1A28692 03/2010 167
Parameters described in this page can be accessed by:
SP8 [Preset speed 8] 0 to 599 Hz 40 Hz
g
(1)
Preset speed 8. See the Combination table for preset PID references page 192.
SP9 [Preset speed 9] 0 to 599 Hz 45 Hz
g
(1)
Preset speed 9. See the Combination table for preset PID references page 192.
SP10 [Preset speed 10] 0 to 599 Hz 50 Hz
g
(1)
Preset speed 10. See the Combination table for preset PID references page 192.
SP11 [Preset speed 11] 0 to 599 Hz 55 Hz
g
(1)
Preset speed 11. See the Combination table for preset PID references page 192.
SP12 [Preset speed 12] 0 to 599 Hz 60 Hz
g
(1)
Preset speed 12. See the Combination table for preset PID references page 192.
SP13 [Preset speed 13] 0 to 599 Hz 70 Hz
g
(1)
Preset speed 13. See the Combination table for preset PID references page 192.
SP14 [Preset speed 14] 0 to 599 Hz 80 Hz
g
(1)
Preset speed 14. See the Combination table for preset PID references page 192.
SP15 [Preset speed 15] 0 to 599 Hz 90 Hz
g
(1)
Preset speed 15. See the Combination table for preset PID references page 192.
SP16 [Preset speed 16] 0 to 599 Hz 100 Hz
g
(1)
Preset speed 16.
The appearance of these [Preset speed x] (SPx) parameters is determined by the number of speeds configured.
See the Combination table for preset PID references page 192.
Code Name / Description Adjustment range Factory setting
DRI- > CONF > FULL > FUN- > PSS-
Configuration Mode (ConF)
168 S1A28692 03/2010
Parameters described in this page can be accessed by:
(1) The parameter can also be accessed in the [SETTINGS] (SEt-) menu.
JPF [Skip Frequency] 0 to 599 Hz 0 Hz
Skip frequency. This parameter helps to prevent prolonged operation within an adjustable range around the regulated frequency.
This function can be used to help to prevent a critical speed, which would cause resonance, being reached. Setting the function
to 0 renders it inactive.
JF2 [Skip Frequency 2] 0 to 599 Hz 0 Hz
2nd skip frequency. This parameter helps to prevent prolonged operation within an adjustable range around the regulated
frequency. This function can be used to help to prevent a critical speed, which would cause resonance, being reached. Setting
the function to 0 renders it inactive.
JF3 [3rd Skip Frequency] 0 to 599 Hz 0 Hz
3rd skip frequency. This parameter helps to prevent prolonged operation within an adjustable range around the regulated
frequency. This function can be used to help to prevent a critical speed, which would cause resonance, being reached. Setting
the function to 0 renders it inactive.
JFH [Skip.Freq.Hysteresis] 0.1 to 10 Hz 1 Hz
g This parameter is visible if at least one skip frequency [Skip Frequency] (JPF), [Skip Frequency 2] (JF2) or
[3rd Skip Frequency] (JF3) is different from 0.
Skip frequency range: between (JPF – JFH) and (JPF + JFH), for example.
This adjustment is common to the 3 frequencies (JPF, JF2, JF3).
Code Name / Description Adjustment range Factory setting
g
These parameters only appear if the corresponding function has been selected in another menu. When the parameters can
also be accessed and adjusted from within the configuration menu for the corresponding function, their description is detailed
in these menus, on the pages indicated, to aid programming.
Parameter that can be modified during operation or when stopped.
DRI- > CONF > FULL > FUN- > PSS-
Configuration Mode (ConF)
S1A28692 03/2010 169
+/- SPEED
Two types of operations are available:
• Use of single action keys: Two logic inputs are required in addition to the operating direction(s).
The input assigned to the “+ speed” command increases the speed, the input assigned to the “- speed”
command decreases the speed.
• Use of double action keys: Only one logic input assigned to “+ speed” is required.
+/- speed with double-press buttons:
Description: 1 button pressed twice (2 steps) for each direction of rotation. A contact closes each time the
button is pressed.
Example of wiring:
LI1: Forward
LIx: Reverse
LIy: + speed
Do not use this +/-speed type with 3-wire control.
Whichever type of operation is selected, the max. speed is set by [High speed] (HSP) (see page 75).
Note:
If the reference is switched via [Ref. 2 switching] (rFC) (see page 140) from any one reference channel to
another reference channel with "+/- speed", the value of reference [Output frequency] (rFr) (after ramp)
may be copied at the same time in accordance with the [Copy channel 1 --> 2] (COP) parameter (see page
141).
If the reference is switched via [Ref. 2 switching] (rFC) (see page 140) from one reference channel to any
other reference channel with "+/- speed", the value of reference [Output frequency] (rFr) (after ramp) is
copied at the same time.
This helps to prevent the speed being incorrectly reset to zero when switching takes place.
Released (- speed) 1st press (speed maintained) 2nd press (faster)
Forward button – a a and b
Reverse button – c c and d
ATVppp control
terminals
LI1 LIx LIy +24
a
b
c
d
a a a a a a a
b b
c c
d
c
Motor frequency
LSP
Forward
0
2nd press
1nd
press
Reverse
0
2nd
press
1nd
press
0
LSP
Configuration Mode (ConF)
170 S1A28692 03/2010
Parameters described in this page can be accessed by:
Code Name / Description Adjustment range Factory setting
FUn- [APPLICATION FUNCT.] (continued)
UPd- [+/- SPEED]
This function can be accessed if reference channel [Ref.2 channel] (Fr2) is set to [+/-Speed] (UPdt), see page 140.
Note: This function cannot be used with certain other functions. Follow the instructions on page 148 .
USP [+ speed assignment] [No] (nO)
nO
LI1
...
Function active if the assigned input or bit is at 1.
[No] (nO): Not assigned
[LI1] (LI1): Logical input LI1
[...] (...): See the assignment conditions on page 138
dSP [-Speed assignment] [No] (nO)
See the assignment conditions on page 138
Function active if the assigned input or bit is at 1.
Str [Reference saved] [No] (nO)
g
Associated with the "+/- speed" function, this parameter can be used to save the reference:
- When the run commands disappear (saved to RAM).
- When the line supply or the run commands disappear (saved to EEPROM).
Therefore, the next time the drive starts up, the speed reference is the last reference saved.
nO
rAM
EEP
[No] (nO): No save (the next time the drive starts up, the speed reference is [Low speed] (LSP), see page 75)
[RAM] (rAM): Saved in RAM
[EEprom] (EEP): Saved in EEPROM
g
These parameters only appear if the corresponding function has been selected in another menu. When the parameters can
also be accessed and adjusted from within the configuration menu for the corresponding function, their description is detailed
in these menus, on the pages indicated, to aid programming.
DRI- > CONF > FULL > FUN- > UPD-
Configuration Mode (ConF)
S1A28692 03/2010 171
+/- SPEED AROUND A REFERENCE
The reference is given by [Ref.1 channel] (Fr1) or [Ref.1B channel] (Fr1b) with
summing/subtraction/multiplication functions and preset speeds if relevant (see the diagram on page 132). For
improved clarity, we will call this reference A. The action of the +speed and -speed keys can be set as a % of
this reference A. On stopping, the reference (A +/- speed) is not saved, so the drive restarts with reference A+
only.
The maximum total reference is limited by [High speed] (HSP) and the minimum reference by
[Low speed] (LSP), see page 75.
Example of 2-wire control:
+ SrP%
Reference A +
-speed
Direction of operation
ForwardForward
Reverse
+speed
- SrP%
- SrP%
+ SrP%
Reference A -
LSP
LSP
Motor frequency
[Acceleration 2] (AC2)
[Deceleration 2] (dE2)
Configuration Mode (ConF)
172 S1A28692 03/2010
Parameters described in this page can be accessed by:
(1) The parameter can also be accessed in the [SETTINGS] (SEt-) menu.
(2) Range 0.01 to 99.99 s or 0.1 to 999.9 s or 1 to 6,000 s according to [Ramp increment] (Inr) page 155.
Code Name / Description Adjustment range Factory setting
FUn- [APPLICATION FUNCT.] (continued)
SrE- [+/-SPEED AROUND REF.]
The function can be accessed for reference channel [Ref.1 channel] (Fr1).
Note: This function cannot be used with certain other functions. Follow the instructions on page 151.
USI [+ speed assignment] [No] (nO)
nO
LI1
...
No] (nO): Not assigned
[LI1] (LI1): Logical input LI1
[...] (...): See the assignment conditions on page 138
dSI [-Speed assignment] [No] (nO)
See the assignment conditions on page 138
Function active if the assigned input or bit is at 1.
SrP [+/-Speed limitation] 0 to 50% 10%
g This parameter limits the variation range with +/- speed as a % of the reference. The ramps used in this function are
[Acceleration 2] (AC2) and [Deceleration 2] (dE2).
This parameter can be accessed if +/- speed is assigned.
AC2 [Acceleration 2] 0.00 to 6,000 s (2) 5.00 s
g
(1)
Time to accelerate from 0 to the [Rated motor freq.] (FrS). To have repeatability in ramps, the value of this parameter must
be set according to the possibility of the application.
This parameter can be accessed if [+/- speed] (tUd) is assigned.
dE2 [Deceleration 2] 0.00 to 6,000 s (2) 5.00 s
g
(1)
Time to decelerate from the [Rated motor freq.] (FrS) to 0. To have repeatability in ramps, the value of this parameter must
be set according to the possibility of the application.
This parameter can be accessed if [+/- speed] (tUd) is assigned.
g
These parameters only appear if the corresponding function has been selected in another menu. When the parameters can
also be accessed and adjusted from within the configuration menu for the corresponding function, their description is detailed
in these menus, on the pages indicated, to aid programming.
Parameter that can be modified during operation or when stopped.
DRI- > CONF > FULL > FUN- > SRE-
Configuration Mode (ConF)
S1A28692 03/2010 173
Parameters described in this page can be accessed by:
REFERENCE MEMORIZING
Saving a speed reference value using a logic input command lasting longer than 0.1 s.
• This function is used to control the speed of several drives alternately via a single analog reference and one
logic input for each drive.
• It is also used to confirm a line reference (communication bus or network) on several drives via a logic input.
This allows movements to be synchronized by getting rid of variations when the reference is set.
• The reference is acquired 100 ms after the rising edge of the request. A new reference is not then acquired
until a new request is made.
t
t
t
0
0
1
0
1
100 ms 100 ms100 ms
F: Motor frequency
Reference
Run command
LIx (saved)
Code Name / Description Adjustment range Factory setting
FUn- [APPLICATION FUNCT.] (continued)
SPM- [MEMO REFERENCE]
SPM [Ref. memo ass.] [No] (nO)
nO
LI1
...
Assignment to a logic input.
Function active if the assigned input is at active state.
[No] (nO): Not assigned
[LI1] (LI1): Logical input LI1
[...] (...): See the assignment conditions on page 138
DRI- > CONF > FULL > FUN- > SPM-
Configuration Mode (ConF)
174 S1A28692 03/2010
Parameters described in this page can be accessed by:
FLUXING BY LOGIC INPUT
Code Name / Description Adjustment range Factory setting
FUn- [APPLICATION FUNCT.] (continued)
FLI- [FLUXING BY LI]
FLU [Motor fluxing] [No] (FnO)
g
(1)
DANGER
HAZARD OF ELECTRIC SHOCK, EXPLOSION OR ARC FLASH
When [Motor fluxing] (FLU) is set to [Continuous] (FCt), the drive automatically builds up flux.
Check this action will not endanger personnel or equipment in any way.
Failure to follow these instructions will result in death or serious injury.
CAUTION
RISK OF DAMAGE TO THE MOTOR
Check that the motor will withstand this current without overheating.
Failure to follow these instructions can result in equipment damage.
FnC
FCt
FnO
[Not cont.] (FnC): Non-continuous mode
[Continuous] (FCt): Continuous mode.
This option is not possible if [Auto DC injection] (AdC) page 161 is [Yes] (YES) or if [Type of stop] (Stt) page 158 is
[Freewheel] (nSt).
[No] (FnO): Function inactive
In order to obtain rapid high torque on startup, magnetic flux needs to already have been established in the motor.
In [Continuous] (FCt) mode, the drive automatically builds up flux when it is powered up.
In [Not cont.] (FnC) mode, fluxing occurs when the motor starts up.
The flux current is greater than [Rated mot. current] (nCr) (configured rated motor current) when the flux is established and
is then adjusted to the motor magnetizing current.
If [Motor control type] (Ctt) page 92 is set to [Sync. mot.] (SYn), the [Motor fluxing] (FLU) parameter causes the
alignment of the rotor and not the fluxing.
If [Brake assignment] (bLC) page 179 is not [No] (nO), the [Motor fluxing] (FLU) parameter has no effect.
FLI [Fluxing assignment] [No] (nO)
g
CAUTION
RISK OF DAMAGE TO THE MOTOR
Check that the motor will withstand this current without overheating.
Failure to follow these instructions can result in equipment damage.
nO
LI1
...
Assignment is only possible if [Motor fluxing] (FLU) is set to [Not cont.] (FnC).
If an LI or a bit is assigned to the motor fluxing command, flux is built up when the assigned input or bit is at 1.
If an LI or a bit has not been assigned, or if the assigned LI or bit is at 0 when a run command is sent, fluxing occurs when the
motor starts.
[No] (nO): Not assigned
[LI1] (LI1): Logical input LI1
[...] (...): See the assignment conditions on page 138
2 s
DRI- > CONF > FULL > FUN- > FLI-
Configuration Mode (ConF)
S1A28692 03/2010 175
Parameters described in this page can be accessed by:
(1) The parameter can also be accessed in the [SETTINGS] (SEt-) menu.
ASt [Angle setting type] [PSIO align.] (PSIO)
g
Mode for measuring the phase-shift angle. Visible only if [Motor control type] (Ctt) is set to [Sync. mot.] (SYn).
[PSI align] (PSI) and [PSIO align] (PSIO) are working for all type of synchronous motors. [SPM align] (SPMA) and
[IPM align] (IPMA) increase performances depending on the type of synchronous motor.
IPMA
SPMA
PSI
PSIO
nO
[IPM align] (IPMA): Alignment for IPM motor. Alignment mode for Interior-buried Permanent Magnet motor (usually, this kind
of motor has a high saliency level). It uses high frequency injection, which is less noisy than standard alignment mode.
[SPM align] (SPMA): Alignment for SPM motor. Mode for Surface-mounted Permanent Magnet motor (usually, this kind of
motor has a medium or low saliency level). It uses high frequency injection, which is less noisy than standard alignment mode.
[PSI align] (PSI): Pulse signal injection. Standard alignment mode by pulse signal injection.
[PSIO align] (PSIO): Pulse signal injection - Optimized. Standard optimized alignment mode by pulse signal injection. The
phase-shift angle measurement time is reduced after the first run order or tune operation, even if the drive has been turned off.
[No align] (nO): No alignment
Code Name / Description Adjustment range Factory setting
g
These parameters only appear if the corresponding function has been selected in another menu. When the parameters can
also be accessed and adjusted from within the configuration menu for the corresponding function, their description is detailed
in these menus, on the pages indicated, to aid programming.
Parameter that can be modified during operation or when stopped.
To change the assignment of this parameter, press the ENT key for 2 s.2 s
DRI- > CONF > FULL > FUN- > FLI-
Configuration Mode (ConF)
176 S1A28692 03/2010
BRAKE LOGIC CONTROL
Used to control an electromagnetic brake by the drive, for horizontal and vertical hoisting applications, and for
unbalanced machines.
Principle:
- Vertical hoisting movement:
Maintain motor torque in the driving load holding direction during brake opening and closing, in order to hold
the load, start smoothly when the brake is released and stop smoothly when the brake is engaged.
- Horizontal movement:
Synchronize brake release with the build-up of torque during startup and brake engage at zero speed on
stopping, to help to prevent jolting.
Recommended settings for brake logic control for a vertical hoisting application:
• [Brake impulse] (bIP): [Yes] (YES). Ensure that the direction of rotation FW corresponds to lifting the
load.
For applications in which the load being lowered is very different from the load being lifted, set bIP =
2 Ibr (for example, ascent always with a load and descent always without a load).
• Brake release current ([Brake release I FW] (Ibr) and [Brake release I Rev] (Ird) if [Brake impulse]
(bIP) = 2 Ibr): Adjust the brake release current to the rated current indicated on the motor.
During testing, adjust the brake release current in order to hold the load smoothly.
• Acceleration time: For hoisting applications, it is advisable to set the acceleration ramps to more than 0.5
seconds. Ensure that the drive does not exceed the current limit.
The same recommendation applies for deceleration.
Reminder: For a hoisting movement, a braking resistor should be used.
• [Brake Release time] (brt): Set according to the type of brake. It is the time required for the mechanical
brake to release.
• [Brake release frequency] (bIr), in open-loop mode only: Leave in [Auto] (AUtO), adjust if
necessary.
• [Brake engage frequency] (bEn): Leave in [Auto] (AUtO), adjust if necessary.
• [Brake engage time] (bEt): Set according to the type of brake. It is the time required for the mechanical
brake to engage.
Recommended settings for brake logic control for a horizontal hoisting application:
• [Brake impulse] (bIP): No
• Brake release current (Ibr): Set to 0.
• [Brake Release time] (brt): Set according to the type of brake. It is the time required for the mechanical
brake to release.
• [Brake engage frequency] (bEn), in open-loop mode only: Leave in [Auto] (AUtO), adjust if
necessary.
• [Brake engage time] (bEt): Set according to the type of brake. It is the time required for the mechanical
brake to engage.
WARNING
LOSS OF CONTROL
• Check that the selected settings and configurations will not result in the dropping or loss of control of the
load being lifted.
• Follow the recommandations below.
Failure to follow these instructions can result in death, serious injury, or equipment damage.
Configuration Mode (ConF)
S1A28692 03/2010 177
Brake logic control, horizontal movement in open-loop mode
Key:
• (bEn): [Brake engage freq]
• (bEt): [Brake engage time]
• (brt): [Brake Release time]
• (Ibr): [Brake release I FW]
• (SdC1): [Auto DC inj. level 1]
• (tbE): [Brake engage delay]
• (ttr): [Time to restart]
Frequency
Reference
bEn
t
Flux current
Rated flux
current
SdC1
Torque current
Ibr
Direction of
operation ReverseForward
Relay
or logic
output
Brake contact
State of brake
Engaged
Released
Type of motor
control
Flux
brt ttrbEttbE
Frequency
Torque
Injection
Locking
0
t
t
t
t
t
t
Fluxed motor
Ibr attained
0 attained
Configuration Mode (ConF)
178 S1A28692 03/2010
Brake logic control, vertical movement in open-loop mode
Key:
• (bEn): [Brake engage freq]
• (bEt): [Brake engage time]
• (bIr): [Brake release freq]
• (brt): [Brake Release time]
• (Ibr): [Brake release I FW]
• (JdC): [Jump at reversal]
• (tbE): [Brake engage delay]
• (ttr): [Time to restart]
Frequency
Reference
bEn
t
Flux current
Rated flux
current
Torque current
Ibr
Direction of
operation DescendingAscending
Relay
or logic
output
Brake contact
State of brake
Engaged
Released
Type of motor
control
brt ttrbEttbE
0
t
t
t
t
t
t
Fluxed motor
Ibr attained
0 attained
bIr
JdC
JdC
Flux
Frequency
Torque
Injection
Locking
Configuration Mode (ConF)
S1A28692 03/2010 179
Parameters described in this page can be accessed by:
Code Name / Description Adjustment range Factory setting
FUn- [APPLICATION FUNCT.] (continued)
bLC- [BRAKE LOGIC CONTROL]
Note: This function cannot be used with certain other functions. Follow the instructions on page 148.
bLC [Brake assignment] [No] (nO)
nO
r2
LO1
dO1
Logic output or control relay.
Note: If the brake is assigned, only a ramp stop is possible. Check the [Type of stop] (Stt) page 158.
Brake logic control can only be assigned if [Motor control type] (Ctt) is not set to [Standard] (Std), [V/F 5pts] (UF5),
[V/F Quad.] (UFq) or [Sync. mot] (SYn). See Compatibility table page 150 to see the compatible functions.
[No] (nO): Function not assigned (in this case, none of the function parameters can be accessed)
[R2] (r2): Relay
[LO1] (LO1): Logic output
[dO1] (dO1): Analog output AO1 functioning as a logic output. Selection can be made if [AO1 assignment] (AO1) page 129
is set to [No] (nO)
bSt [Movement type] [Hoisting] (UEr)
g
HOr
UEr
[Traveling] (HOr): Resistive-load movement (translational motion of overhead crane, for example)
Note: If [Motor control type] (Ctt) is set to [Standard] (Std) or [V/F 5pts] (UF5), [Movement type] (bSt) is forced to
[Traveling] (HOr).
[Hoisting] (UEr): Driving-load movement (hoisting winch, for example)
Note: If [Weight sensor ass.] (PES) page 185 is not [No] (nO), [Movement type] (bSt) is forced to [Hoisting] (UEr).
bCI [Brake contact] [No] (nO)
g If the brake has a monitoring contact (closed for released brake).
nO
LI1
...
[No] (nO): Not assigned
[LI1] (LI1): Logical input LI1
[...] (...): See the assignment conditions on page 138
bIP [Brake impulse] [Yes] (YES)
g Brake impulse.
This parameter can be accessed if [Weight sensor ass.] (PES) is set to [No] (nO) (see page 185). It is set to [Yes] (YES)
if [Movement type] (bSt) is set to [Hoisting] (UEr).
nO
YES
2Ibr
[No] (nO): The motor torque is given in the required operating direction, at current [Brake release I FW] (Ibr)
[Yes] (YES): The motor torque is in forward direction (check that this direction corresponds to ascending), at current
[Brake release I FW] (Ibr)
[2 IBR] (2Ibr): The torque is in the required direction, at current [Brake release I FW] (Ibr) for Forward and
[Brake release I Rev] (Ird) for Reverse, for certain specific applications
Ibr [Brake release I FW] 0 to 1.36 In (2) 0 A
g
(1)
Brake release current threshold for ascending or forward movement.
This parameter can be accessed if [Weight sensor ass.] (PES) is set to [No] (nO) page 185.
Ird [Brake release I Rev] 0 to 1.36 In (2) 0 A
g Brake release current threshold for descending or reverse movement.
This parameter can be accessed if [Brake impulse] (bIP) is set to [2 IBR] (2Ibr).
brt [Brake Release time] 0 to 5.00 s 0 s
g
(1)
Brake release time delay.
DRI- > CONF > FULL > FUN- > BLC-
Configuration Mode (ConF)
180 S1A28692 03/2010
Parameters described in this page can be accessed by:
bIr [Brake release freq] [Auto] (AUtO) to 10 Hz [Auto] (AUtO)
g
(1)
Brake release frequency threshold (initialization of acceleration ramp).
This parameter can be accessed if [Movement type] (bSt) page 179 is set to [Hoisting] (UEr).
AUtO [Auto] (AUtO): The drive takes a value equal to the rated slip of the motor, calculated using the drive parameters
0 to 10 Hz: Manual control.
bEn [Brake engage freq] [Auto] (AUtO)
0 to 10 Hz
[Auto] (AUtO)
g
(1)
Brake engage frequency threshold.
Note: [Brake engage freq] (bEn) cannot be higher than [Low speed] (LSP).
AUtO [Auto] (AUtO): The drive takes a value equal to the rated slip of the motor, calculated using the drive parameters
0 to 10 Hz: Manual control.
tbE [Brake engage delay] 0 to 5.00 s 0 s
g
(1)
WARNING
LOSS OF CONTROL
Modify the Brake engage delay for horizontal movement only otherwise the control of the load can be lost.
Failure to follow these instructions can result in death, serious injury, or equipment damage.
Time delay before request to engage brake.
bEt [Brake engage time] 0 to 5.00 s 0 s
g
(1)
Brake engage time (brake response time).
SdC1
g
(1)
[Auto DC inj. level 1] 0 to 1.2 In (2) 0.7 In (2)
CAUTION
RISK OF DAMAGE TO THE MOTOR
Check that the motor will withstand this current without overheating.
Failure to follow these instructions can result in equipment damage.
Level of standstill DC injection current.
Note: This parameter can be accessed if [Movement type] (bSt) page 179 is set to [Traveling] (HOr).
bEd [Engage at reversal] [No] (nO)
g Can be used to select whether or not the brake engages on transition to zero speed when the operating direction is reversed.
nO
YES
[No] (nO): The brake does not engage
[Yes] (YES): The brake engages
Code Name / Description Adjustment range Factory setting
DRI- > CONF > FULL > FUN- > BLC-
Configuration Mode (ConF)
S1A28692 03/2010 181
Parameters described in this page can be accessed by:
(1) The parameter can also be accessed in the [SETTINGS] (SEt-) menu.
(2) In corresponds to the rated drive current indicated in the Installation manual and on the drive nameplate.
JdC [Jump at reversal] [Auto] (AUtO) to 10 Hz [Auto] (AUtO)
g
(1)
This parameter can be accessed if [Movement type] (bSt) page 179 is set to [Hoisting] (UEr).
AUtO
-
[Auto] (AUtO): The drive takes a value equal to the rated slip of the motor, calculated using the drive parameters
0 to 10 Hz: Manual control
When the reference direction is reversed, this parameter can be used to avoid loss of torque (and consequential release of load)
on transition to zero speed. Parameter is not applicable if [Engage at reversal] (bEd) = [Yes] (YES).
ttr [Time to restart] 0.00 to 15.00 s 0 s
g
(1)
Time between the end of a brake engage sequence and the start of a brake release sequence.
Code Name / Description Adjustment range Factory setting
g
These parameters only appear if the corresponding function has been selected in another menu. When the parameters can
also be accessed and adjusted from within the configuration menu for the corresponding function, their description is detailed
in these menus, on the pages indicated, to aid programming.
Parameter that can be modified during operation or when stopped.
DRI- > CONF > FULL > FUN- > BLC-
Configuration Mode (ConF)
182 S1A28692 03/2010
Parameters described in this page can be accessed by:
Brake control logic expert parameters
Following parameters for brake logic sequence are accessible in expert mode only.
Code Name / Description Adjustment range Factory setting
brH0 [BRH b0] 0
g Selection of the brake restart sequence if a run command is repeated while the brake is engaging.
0
1
[0] (0): The engage/release sequence is completely executed
[1] (1): The brake is released immediately
A run command may be requested during the brake engagement phase. Whether or not the brake release sequence is executed
depends on the value selected for [BRH b0] (brH0).
Note: If a run command is requested during the "ttr" phase, the complete brake control sequence is initialized.
brH1 [BRH b1] 0
g Deactivation of the brake contact in steady state fault.
0
1
[0] (0): The brake contact in steady state fault is active (fault state if the contact is open during operation). The
[Brake feedback] (brF) brake contact fault is monitored in all operating phases.
[1] (1): The brake contact in steady state fault is inactive. The [Brake feedback] (brF) brake contact fault is only monitored
during the brake release and engage phases.
Frequency
Run command
Relay or
logic input
Frequency
Relay or
logic input
bEn [BRH b0] (brH0) = 1
[BRH b0] (brH0) = 0
DRI- > CONF > FULL > FUN- > BLC-
Configuration Mode (ConF)
S1A28692 03/2010 183
Parameters described in this page can be accessed by:
brH2 [BRH b2] 0
g Taking the brake contact into account for the brake control sequence.
0
1
[0] (0): The brake contact is not taken into account
[1] (1): The brake contact is taken into account
If a logic input is assigned to the brake contact:
- [BRH b2] (brH2) = 0: During the brake release sequence, the reference is enabled at the end of the time
[Brake Release time] (brt). During the brake engage sequence, the current changes to 0 according to the ramp
[Current ramp time] (brr) at the end of the [Brake engage time] (bEt).
- [BRH b2] (brH2) = 1: When the brake is released, the reference is enabled when the logic input changes to 1. When
the brake is engaged, the current changes to 0 according to the ramp [Current ramp time] (brr) when the logic input
changes to 0.
brr [Current ramp time] 0 to 5.00 s 0 s
g Torque current ramp time (increase and decrease) for a current variation equal to [Brake release I FW] (Ibr).
g
These parameters only appear if the corresponding function has been selected in another menu. When the parameters can
also be accessed and adjusted from within the configuration menu for the corresponding function, their description is detailed
in these menus, on the pages indicated, to aid programming.
Parameter that can be modified during operation or when stopped.
Code Name / Description Adjustment range Factory setting
brt
brr
brr
bEt
blr
Frequency
Logic input
Brake contact
Frequency
Relay or
logic input
Run command
[BRH b2] (brH2) = 0
[BRH b2] (brH2) = 1
DRI- > CONF > FULL > FUN- > BLC-
Configuration Mode (ConF)
184 S1A28692 03/2010
EXTERNAL WEIGHT MEASUREMENT
Load measurement
This function uses the information supplied by a weight sensor to adapt the current
[Brake release I FW] (Ibr) of the [BRAKE LOGIC CONTROL] (bLC-) function. The signal from the
weight sensor can be assigned to an analog input (usually a 4 - 20 mA signal) or to the pulse-in input,
according to the type of weight sensor.
Example: Measurement of the total weight of a hoisting winch and its load
The current [Brake release I FW] (Ibr) is adapted in accordance with the curve below.
Weight sensor
signal100%[Point 2x]
LP2
Zero load
[Point 1x]
LP1
Ibr
[Point 2y]
(CP2)
[Point 1y]
(CP1)
0
Configuration Mode (ConF)
S1A28692 03/2010 185
Parameters described in this page can be accessed by:
(1) In corresponds to the rated drive current indicated in the Installation manual and on the drive nameplate.
Code Name / Description Adjustment range Factory setting
FUn- [APPLICATION FUNCT.] (continued)
ELM- [EXTERNAL WEIGHT MEAS.]
PES [Weight sensor ass.] [No] (nO)
WARNING
LOSS OF CONTROL
Check that [Point 1 X] (LP1), [Point 2x] (LP2), [Point 1Y] (CP1) and [Point 2Y] (CP2) are correctly
set to avoid loss of control of the load being lifted.
Failure to follow these instructions can result in death, serious injury, or equipment damage.
nO
A11
A12
A13
PI
AIU1
AIU2
OA01
...
OA10
This parameter can be configured if [BRAKE LOGIC CONTROL] (bLC-) page 179 is not set to [No] (nO).
[No] (nO): Not assigned
[Al1] (A11): Analog input A1
[Al2] (A12): Analog input A2
[Al3] (A13): Analog input A3
[RP] (PI): Pulse input
[AI virtual 1] (AIU1): Virtual analog input 1 with the jog dial
[AI virtual 2] (AIU2): Virtual analog input 2 by the communication bus
[OA01] (OA01): Function blocks: Analog Output 01
...
[OA10] (OA10): Function blocks: Analog Output 10
LP1 [Point 1 X] 0 to LP2-0.01% 0%
g
0 to 99.99% of signal on assigned input.
[Point 1x] (LP1) must be less than [Point 2x] (LP2).
This parameter can be accessed if [Weight sensor ass.] (PES) is assigned.
CP1 [Point 1Y] -1.36 In to 1.36 In (1) -In (1)
g Current corresponding to load [Point 1 X] (LP1), in A.
This parameter can be accessed if [Weight sensor ass.] (PES) is assigned.
LP2 [Point 2X] LP1+0.01% to 100% 50%
g
0.01 to 100% of signal on assigned input.
[Point 2x] (LP2) must be greater than [Point 1x] (LP1).
This parameter can be accessed if [Weight sensor ass.] (PES) is assigned.
CP2 [Point 2Y] -1.36 In to 1.36 In (1) 0 A
g Current corresponding to load [Point 2x] (LP2), in A.
This parameter can be accessed if [Weight sensor ass.] (PES) is assigned.
IbrA [Ibr 4-20 mA loss] 0 to 1.36 In (1) 0
g Brake release current in the event of the loss of the weight sensor information.
This parameter can be accessed if the weight sensor is assigned to an analog current input and the 4-20 mA loss is deactivated.
Recommended settings: Rated motor current for a hoisting application.
g
These parameters only appear if the corresponding function has been selected in another menu. When the parameters can
also be accessed and adjusted from within the configuration menu for the corresponding function, their description is detailed
in these menus, on the pages indicated, to aid programming.
Parameter that can be modified during operation or when stopped.
DRI- > CONF > FULL > FUN- > ELM-
Configuration Mode (ConF)
186 S1A28692 03/2010
HIGH SPEED HOISTING
This function can be used to optimize the cycle times for hoisting movements for zero or lightweight loads. It
authorizes operation at "constant power" in order to reach a speed greater than the rated speed without
exceeding the rated motor current.
The speed remains limited by the [High speed] (HSP) parameter page 75.
The function acts on the speed reference pedestal and not on the reference itself.
Principle:
There are 2 possible operating modes:
• Speed reference mode: The maximum permissible speed is calculated by the drive during a speed step that
is set so that the drive can measure the load.
• Current limitation mode: The maximum permissible speed is the speed that supports current limitation in
motor mode, in the "ascending" direction only. For the "descending" direction, operation is in Speed
reference mode.
Frequency
High speed
HSP
Rated
motor
frequency FrS
AscendingConstant power
Constant power
Descending
Tr: Rated
motor
torque
Torque
max.
Torque
High speed
HSP
Rated
motor
frequency FrS
0
Configuration Mode (ConF)
S1A28692 03/2010 187
Speed reference mode
OSP: Adjustable speed step for load measurement
tOS: Load measuring time
Two parameters are used to reduce the speed calculated by the drive, for ascending and descending.
Ascend or descend
command
Reference
Frequency
Calculated limit
t
t
t
tOS
HSP
FrS
OSP
0
HSP
FrS
OSP
0
Configuration Mode (ConF)
188 S1A28692 03/2010
Current limiting mode
SCL: Adjustable speed threshold, above which current limitation is active
CLO: Current limitation for high-speed function
Note: The speed reached for a specific current will be lower in case of network undervoltage in comparison
with nominal network voltage.
Ascend command
Reference
Frequency
t
t
t
HSP
FrS
SCL
0
HSP
FrS
SCL
0
Limit imposed
by current
limitation
Current
t
CLO
Configuration Mode (ConF)
S1A28692 03/2010 189
Rope slack
The Rope slack function can be used to help to prevent starting up at high speed when a load has been set
down ready for lifting but the rope is still slack (as illustrated below).
The speed step (OSP parameters) described on page 187 is used to measure the load. The effective
measurement cycle will not be triggered until the load reaches the adjustable threshold
[Rope slack trq level] (rStL), which corresponds to the weight of the hook.
A logic output or a relay can be assigned to the indication of the rope slack state in the
[INPUTS / OUTPUTS CFG] (I_O-) menu.
Speed
Load
rStL
OSP
tOS
Configuration Mode (ConF)
190 S1A28692 03/2010
Parameters described in this page can be accessed by:
Code Name / Description Adjustment range Factory setting
FUn- [APPLICATION FUNCT.] (continued)
HSH- [HIGH SPEED HOISTING]
Note: This function cannot be used with certain other functions. Follow the instructions on page 148.
HSO [High speed hoisting] [No] (nO)
nO
SSO
CSO
[No] (nO): Function inactive
[Speed ref] (SSO): Speed reference mode
[I Limit] (CSO): Current limitation mode
COF [Motor speed coeff.] 0 to 100% 100%
g Speed reduction coefficient calculated by the drive for Ascending direction.
This parameter can be accessed if [High speed hoisting] (HSO) is set to [Speed ref] (SSO).
COr [Gen. speed coeff] 0 to 100% 50%
g Speed reduction coefficient calculated by the drive for Descending direction.
This parameter can be accessed if [High speed hoisting] (HSO) is not set to [No] (nO).
tOS [Load measuring tm.] 0.1 s to 65 s 0.5 s
g Duration of speed step for measurement.
This parameter can be accessed if [High speed hoisting] (HSO) is not set to [No] (nO).
OSP [Measurement spd] 0 to [Rated motor freq.] (FrS) 40 Hz
g Speed stabilized for measurement.
This parameter can be accessed if [High speed hoisting] (HSO) is not set to [No] (nO).
CLO [High speed I Limit] 0 to 1.5 In (1) In (1)
g Current limitation at high speed.
This parameter can be accessed if [High speed hoisting] (HSO) is set to [I Limit] (CSO).
Note: If the setting is less than 0.25 In, the drive may lock in [Output Phase Loss] (OPL) fault mode if this has been enabled
(see page 238).
SCL [I Limit. frequency] 0 to 599 Hz according to rating 40 Hz
g Frequency threshold, above which the high-speed limitation current is active.
This parameter can be accessed if [High speed hoisting] (HSO) is set to [I Limit] (CSO).
rSd [Rope slack config.] [No] (nO)
g
Rope slack function.
This parameter can be accessed if [High speed hoisting] (HSO) is not set to [No] (nO).
nO
drI
PES
[No] (nO): Function inactive
[Drive estim.] (drI): Measurement of the load by estimating the torque generated by the drive
[Ext. sensor] (PES): Measurement of the load using a weight sensor, can only be assigned if [Weight sensor ass.] (PES)
page 185 is not [No] (nO)
DRI- > CONF > FULL > FUN- > HSH-
Configuration Mode (ConF)
S1A28692 03/2010 191
Parameters described in this page can be accessed by:
(1) In corresponds to the rated drive current indicated in the Installation manual and on the drive nameplate.
rStL [Rope slack trq level] 0 to 100% 0%
g Adjustment threshold corresponding to a load weighing slightly less than the hook when off-load, as a % of the rated load.
This parameter can be accessed if [Rope slack trq level] (rSd) has been assigned.
Code Name / Description Adjustment range Factory setting
g
These parameters only appear if the corresponding function has been selected in another menu. When the parameters can
also be accessed and adjusted from within the configuration menu for the corresponding function, their description is detailed
in these menus, on the pages indicated, to aid programming.
Parameter that can be modified during operation or when stopped.
DRI- > CONF > FULL > FUN- > HSH-
Configuration Mode (ConF)
192 S1A28692 03/2010
PID REGULATOR
Block diagram
The function is activated by assigning an analog input to the PID feedback (measurement).
(1) Ramp AC2 is only active when the PID function starts up and during PID "wake-ups".
PID feedback:
The PID feedback must be assigned to one of the analog inputs AI1 to AI3, to the pulse input, according to
whether any extension cards have been inserted.
PID reference:
The PID reference must be assigned to the following parameters: Preset references via logic inputs (rP2,
rP3, rP4)
In accordance with the configuration of [Act. internal PID ref.] (PII) page 196:
Internal reference (rPI) or
Reference A ([Ref.1 channel] (Fr1) or [Ref.1B channel] (Fr1b), see page 139).
Combination table for preset PID references:
A predictive speed reference can be used to initialize the speed on restarting the process.
PAU
(manu)
Pr2
Pr4
nO
+
-
rP2
rP3
rP4
rIG
rPG
PIF
PIN
0
tLS
rSL
PIF1 / PIF2
PIP1 / PIP2
x(-1)
nO
nO
YES
PIC
nO
AI1
.....
LI
+
+
POH
POL
rdG
ACC DEC
FPI x PSr
PII
SP2
SP16
rPI
A BnO
YES
PrP
AC2
(1)
Internal
reference
Reference A
Pages 132
and 133
PID
feedback
Preset PID references
Error
inversion
Restart error
threshold
(wake-up)
Gains
Ramps
Parameter:
The black square
represents the factory
setting assignment
Key:
Ramp
Preset manual references
Scaling
RP
Network AIU2
Predictive
speed
reference
Manual
reference
Auto/Manual
Pages 132
and 133
LI (Pr4) LI (Pr2) Pr2 = nO Reference
rPI or A
0 0 rPI or A
0 1 rP2
1 0 rP3
1 1 rP4
Configuration Mode (ConF)
S1A28692 03/2010 193
Scaling of feedback and references:
• [Min PID feedback] (PIF1), [Max PID feedback] (PIF2) parameters can be used to scale the PID
feedback (sensor range). This scale MUST be maintained for all other parameters.
• [Min PID reference] (PIP1), [Max PID reference] (PIP2) parameters can be used to scale the
adjustment range, for example the reference. The adjustment range MUST remain within the sensor
range.
The maximum value of the scaling parameters is 32,767. To facilitate installation, we recommend using values
as close as possible to this maximum level, while retaining powers of 10 in relation to the actual values.
Example (see graph below): Adjustment of the volume in a tank, between 6 m3
and 15 m3
.
• Sensor used 4-20 mA, 4.5 m3
for 4 mA and 20 m3
for 20 mA, with the result that PIF1 = 4,500 and
PIF2 = 20,000.
• Adjustment range 6 to 15 m3
, with the result that PIP1 = 6,000 (min. reference) and PIP2 = 15,000
(max. reference).
• Example references:
- rP1 (internal reference) = 9,500
- rP2 (preset reference) = 6,500
- rP3 (preset reference) = 8,000
- rP4 (preset reference) = 11,200
The [3.4 DISPLAY CONFIG.] menu can be used to customize the name of the unit displayed and its format.
Other parameters:
• [PID wake up thresh.] (rSL) parameter: Can be used to set the PID error threshold, above which the
PID regulator will be reactivated (wake-up) after a stop due to the max. time threshold being exceeded at
low speed [Low speed time out] (tLS).
• Reversal of the direction of correction [PID correct. reverse] (PIC): If [PID correct. reverse] (PIC) is
set to [No] (nO), the speed of the motor will increase when the error is positive (for example: pressure
control with a compressor). If [PID correct. reverse] (PIC) is set to [Yes] (YES), the speed of the motor
will decrease when the error is positive (for example: temperature control using a cooling fan).
• The integral gain may be short-circuited by a logic input.
• An alarm on the PID feedback may be configured and indicated by a logic output.
• An alarm on the PID error may be configured and indicated by a logic output.
PID feedback
Adjustment range
(reference)
PIP2 (15,000)
PIP1 (6,000)
PIF1
(4,500)
PIF2
(20,000)
Configuration Mode (ConF)
194 S1A28692 03/2010
"Manual - Automatic" Operation with PID
This function combines the PID regulator, the preset speeds and a manual reference. Depending on the state
of the logic input, the speed reference is given by the preset speeds or by a manual reference input via the
PID function.
Manual reference [Manual reference] (PIM):
• Analog inputs AI1 to AI3
• Pulse input
Predictive speed reference [Speed ref. assign.] (FPI):
• [AI1] (AI1): Analog input
• [AI2] (AI2): Analog input
• [AI3] (AI3): Analog input
• [RP] (PI): Pulse input
• [HMI] (LCC): Graphic display terminal or remote display terminal
• [Modbus] (Mdb): Integrated Modbus
• [CANopen] (CAn): Integrated CANopen®
• [Com. card] (nEt): Communication card (if inserted)
Setting up the PID regulator
1. Configuration in PID mode.
See the diagram on page 192.
2. Perform a test in factory settings mode.
To optimize the drive, adjust [PID prop. gain] (rPG) or [PID integral gain] (rIG) gradually and
independently, and observe the effect on the PID feedback in relation to the reference.
3. If the factory settings are unstable or the reference is incorrect.
• Perform a test with a speed reference in Manual mode (without PID regulator) and with the drive on load
for the speed range of the system:
- In steady state, the speed must be stable and comply with the reference, and the PID feedback signal
must be stable.
- In transient state, the speed must follow the ramp and stabilize quickly, and the PID feedback must
follow the speed. If this is not the case, see the settings for the drive and/or sensor signal and wiring.
• Switch to PID mode.
• Set [Dec ramp adapt.] (brA) to [No] (nO) (no auto-adaptation of the ramp).
• Set [PID ramp] (PrP) to the minimum permitted by the mechanism without triggering an
[Overbraking] (ObF).
• Set the integral gain [PID integral gain] (rIG) to minimum.
• Leave the derivative gain [PID derivative gain] (rdG) at 0.
• Observe the PID feedback and the reference.
• Switch the drive ON/OFF a number of times or vary the load or reference rapidly a number of times.
• Set the proportional gain [PID prop. gain] (rPG) in order to ascertain the compromise between response
time and stability in transient phases (slight overshoot and 1 to 2 oscillations before stabilizing).
• If the reference varies from the preset value in steady state, gradually increase the integral gain
[PID integral gain] (rIG), reduce the proportional gain [PID prop. gain] (rPG) in the event of instability
(pump applications), find a compromise between response time and static precision (see diagram).
• Lastly, the derivative gain may permit the overshoot to be reduced and the response time to be improved,
although this will be more difficult to obtain a compromise in terms of stability, as it depends on 3 gains.
• Perform in-production tests over the whole reference range.
Configuration Mode (ConF)
S1A28692 03/2010 195
The oscillation frequency depends on the system kinematics.
Parameter Rise time Overshoot Stabilization time Static error
rPG
=
rIG
rdG
= =
Regulated
value
Proportional
gain
rPG high
Overshoot
Stabilization time
rPG low
Static error
Rise time
time
Integral
gain
rIG high
rIG low
rdG increased
time
time
Reference
Reference
Reference
rPG and rIG correct
Configuration Mode (ConF)
196 S1A28692 03/2010
Parameters described in this page can be accessed by:
Code Name / Description Adjustment range Factory setting
FUn- [APPLICATION FUNCT.] (continued)
PId- [PID REGULATOR]
Note: This function cannot be used with certain other functions. Follow the instructions on page 148.
PIF [PID feedback ass.] [No] (nO)
nO
A11
A12
A13
PI
AIU1
AIU2
OA01
...
OA10
[No] (nO): Not assigned
[Al1] (A11): Analog input A1
[Al2] (A12): Analog input A2
[Al3] (A13): Analog input A3
[RP] (PI): Pulse input
[AI virtual 1] (AIU1): Virtual analog input 1 by the communication bus
[AI virtual 2] (AIU2): Virtual analog input 2 by the communication bus
[OA01] (OA01): Function blocks: Analog Output 01
...
[OA10] (OA10): Function blocks: Analog Output 10
AIC2 [AI2 net. channel] [No] (nO)
g
This parameter can be accessed if [PID feedback ass.] (PIF) is set to [AI virtual 2] (AIU2). This parameter can also be
accessed in the [INPUTS / OUTPUTS CFG] (I_O-) menu.
nO
Mdb
CAn
nEt
[No] (nO): Not assigned
[Modbus] (Mdb): Integrated Modbus
[CANopen] (CAn): Integrated CANopen®
[Com. card] (nEt): Communication card (if inserted)
PIF1 [Min PID feedback] 0 to [Max PID feedback] (PIF2) (2) 100
g
(1)
Value for minimum feedback.
PIF2 [Max PID feedback] [Min PID feedback] (PIF1) to 32,767 (2) 1,000
g
(1)
Value for maximum feedback.
PIP1 [Min PID reference] [Min PID feedback] (PIF1) to
[Max PID reference] (PIP2) (2)
150
g
(1)
Minimum process value.
PIP2 [Max PID reference] [Min PID reference] (PIP1) to
[Max PID feedback] (PIF2) (2)
900
g
(1)
Maximum process value.
PII [Act. internal PID ref.] [No] (nO)
g Internal PID regulator reference.
nO
YES
[No] (nO): The PID regulator reference is given by [Ref.1 channel] (Fr1) or [Ref.1B channel] (Fr1b) with
summing/subtraction/multiplication functions (see the diagram on page 192).
[Yes] (YES): The PID regulator reference is internal via [Internal PID ref.] (rPI).
DRI- > CONF > FULL > FUN- > PID-
Configuration Mode (ConF)
S1A28692 03/2010 197
Parameters described in this page can be accessed by:
rPI [Internal PID ref.] [Min PID reference] (PIP1) to
[Max PID reference] (PIP2)
150
g Internal PID regulator reference.
This parameter can also be accessed in the [1.2 MONITORING] (MOn-) menu.
rPG [PID prop. gain] 0.01 to 100 1
g Proportional gain.
rIG [PID integral gain] 0.01 to 100 1
g Integral gain.
rdG [PID derivative gain] 0.00 to 100 0
g Derivative gain.
PrP [PID ramp] 0 to 99.9 s 0 s
g
(1)
PID acceleration/deceleration ramp, defined to go from [Min PID reference] (PIP1) to [Max PID reference] (PIP2) and
vice versa.
PIC [PID correct. reverse] [No] (nO)
g
Reversal of the direction of correction [PID correct. reverse] (PIC):
If [PID correct. reverse] (PIC) is set to [No] (nO), the speed of the motor will increase when the error is positive (example:
pressure control with a compressor)
If [PID correct. reverse] (PIC) is set to [Yes] (YES), the speed of the motor will decrease when the error is positive (example:
temperature control using a cooling fan).
nO
YES
[No] (nO): No
[Yes] (YES): Yes
POL [Min PID output] - 599 to 599 Hz 0 Hz
g
(1)
Minimum value of regulator output in Hz.
POH [Max PID output] 0 to 599 Hz 60 Hz
g
(1)
Maximum value of regulator output in Hz.
PAL
g
(1)
[Min fbk alarm] [Min PID feedback] (PIF1) to
[Max PID feedback] (PIF2) (2)
100
Minimum monitoring threshold for regulator feedback.
Code Name / Description Adjustment range Factory setting
DRI- > CONF > FULL > FUN- > PID-
Configuration Mode (ConF)
198 S1A28692 03/2010
Parameters described in this page can be accessed by:
PAH [Max fbk alarm] [Min PID feedback] (PIF1) to
[Max PID feedback] (PIF2) (2)
1,000
g
(1)
Maximum monitoring threshold for regulator feedback.
PEr [PID error Alarm] 0 to 65,535 (2) 100
g
(1)
Regulator error monitoring threshold.
PIS [PID integral reset] [No] (nO)
g
If the assigned input or bit is at 0, the function is inactive (the PID integral is enabled).
If the assigned input or bit is at 1, the function is active (the PID integral is disabled).
nO
LI1
...
No] (nO): Not assigned
[LI1] (LI1): Logical input LI1
[...] (...): See the assignment conditions on page 138
FPI [Speed ref. assign.] [No] (nO)
g PID regulator predictive speed input.
nO
AI1
AI2
AI3
LCC
Mdb
CAn
nEt
PI
AIU1
OA01
...
OA10
[No] (nO): Not assigned
[Al1] (A11): Analog input A1
[Al2] (A12): Analog input A2
[Al3] (A13): Analog input A3
[HMI] (LCC): Graphic display terminal or remote display terminal source
[Modbus] (Mdb): Integrated Modbus
[CANopen] (CAn): Integrated CANopen®
[Com. card] (nEt): Communication option board source
[RP] (PI): Pulse input
[AI virtual 1] (AIU1): Virtual analog input 1 with the jog dial
[OA01] (OA01): Function blocks: Analog Output 01
...
[OA10] (OA10): Function blocks: Analog Output 10
PSr [Speed input %] 1 to 100% 100%
g
(1)
Multiplying coefficient for predictive speed input.
This parameter cannot be accessed if [Speed ref. assign.] (FPI) is set to [No] (nO).
PAU [Auto/Manual assign.] [No] (nO)
g
If the assigned input or bit is at 0, the PID is active.
If the assigned input or bit is at 1, manual operation is active.
nO
LI1
...
[No] (nO): Not assigned
[LI1] (LI1): Logical input LI1
[...] (...): See the assignment conditions on page 138
AC2 [Acceleration 2] 0.00 to 6,000 s (3) 5 s
g
(1)
Time to accelerate from 0 to the [Rated motor freq.] (FrS). To have repeatability in ramps, the value of this parameter must
be set according to the possibility of the application.
Ramp AC2 is only active when the PID function starts up and during PID "wake-ups".
Code Name / Description Adjustment range Factory setting
DRI- > CONF > FULL > FUN- > PID-
Configuration Mode (ConF)
S1A28692 03/2010 199
Parameters described in this page can be accessed by:
(1) The parameter can also be accessed in the [SETTINGS] (SEt-) menu.
(2) If a graphic display terminal is not in use, values greater than 9,999 will be displayed on the 4-digit display with a period
mark after the thousand digit, for example, 15.65 for 15,650.
(3) Range 0.01 to 99.99 s or 0.1 to 999.9 s or 1 to 6,000 s according to [Ramp increment] (Inr) page 155.
PIM [Manual reference] [No] (nO)
g
Manual speed input. This parameter can be accessed if [Auto/Manual assign.] (PAU) is not set to [No] (nO).
The preset speeds are active on the manual reference if they have been configured.
nO
AI1
AI2
AI3
PI
AIU1
OA01
...
OA10
[No] (nO): Not assigned
[Al1] (A11): Analog input A1
[Al2] (A12): Analog input A2
[Al3] (A13): Analog input A3
[RP] (PI): Pulse input
[AI virtual 1] (AIU1): Virtual analog input 1 with the jog dial
[OA01] (OA01): Function blocks: Analog Output 01
...
[OA10] (OA10): Function blocks: Analog Output 10
tLS
(1)
[Low speed time out] 0 to 999.9 s 0 s
Maximum operating time at [Low speed] (LSP) (see [Low speed] (LSP) page 75).
Following operation at [Low speed] (LSP) for a defined period, a motor stop is requested automatically. The motor will restart
if the reference is greater than [Low speed] (LSP) and if a run command is still present.
Note: A value of 0 indicates an unlimited period of time.
If [Low speed time out] (tLS) is not 0, [Type of stop] (Stt) page 158 is forced to [Ramp stop] (rMP) (only if a ramp stop
can be configured).
rSL [PID wake up thresh.] 0.0 to 100.0 0
g DANGER
UNINTENDED EQUIPMENT OPERATION
Check that unintended restarts will not present any danger.
Failure to follow these instructions will result in death or serious injury.
If the "PID" and "Low speed operating time" [Low speed time out] (tLS) functions are configured at the same time, the PID
regulator may attempt to set a speed lower than [Low speed] (LSP).
This results in unsatisfactory operation, which consists of starting, operating at low speed then stopping, and so on…
Parameter [PID wake up thresh.] (rSL) (restart error threshold) can be used to set a minimum PID error threshold for
restarting after a stop at prolonged [Low speed] (LSP). [PID wake up thresh.] (rSL) is a percentage of the PID error (value
depends on [Min PID feedback] (PIF1) and [Max PID feedback] (PIF2), see [Min PID feedback] (PIF1) page 196).
The function is inactive if [Low speed time out] (tLS) = 0 or if [PID wake up thresh.] (rSL) = 0.
Code Name / Description Adjustment range Factory setting
2 s
g
These parameters only appear if the corresponding function has been selected in another menu. When the parameters can
also be accessed and adjusted from within the configuration menu for the corresponding function, their description is detailed
in these menus, on the pages indicated, to aid programming.
Parameter that can be modified during operation or when stopped.
To change the assignment of this parameter, press the ENT key for 2 s.2 s
DRI- > CONF > FULL > FUN- > PID-
Configuration Mode (ConF)
200 S1A28692 03/2010
Parameters described in this page can be accessed by:
PID PRESET REFERENCES
(1) The parameter can also be accessed in the [SETTINGS] (SEt-) menu.
(2) If a graphic display terminal is not in use, values greater than 9,999 will be displayed on the 4-digit display with a period
mark after the thousand digit, for example, 15.65 for 15,650.
Code Name / Description Adjustment range Factory setting
FUn- [APPLICATION FUNCT.] (continued)
PrI- [PID PRESET REFERENCES]
Function can be accessed if [PID feedback ass.] (PIF) page 196 is assigned.
Pr2 [2 preset PID ref.] [No] (nO)
nO
LI1
...
If the assigned input or bit is at 0, the function is inactive.
If the assigned input or bit is at 1, the function is active.
[No] (nO): Not assigned
[LI1] (LI1): Logical input LI1
[...] (...): See the assignment conditions on page 138
Pr4 [4 preset PID ref.] [No] (nO)
Check that [2 preset PID ref.] (Pr2) has been assigned before assigning this function.
Identical to [2 preset PID ref.] (Pr2) page 198.
If the assigned input or bit is at 0, the function is inactive.
If the assigned input or bit is at 1, the function is active.
rP2 [2 preset PID ref.] [Min PID reference] (PIP1) to
[Max PID reference] (PIP2) (2)
300
g
(1)
This parameter can be accessed if [Preset ref. PID 2] (Pr2) is assigned.
rP3 [3 preset PID ref.] [Min PID reference] (PIP1) to
[Max PID reference] (PIP2) (2)
600
g
(1)
This parameter can be accessed if [Preset ref. PID 3] (Pr3) is assigned.
rP4 [4 preset PID ref.] [Min PID reference] (PIP1) to
[Max PID reference] (PIP2) (2)
900
g
(1)
This parameter can be accessed if [Preset ref. PID 4] (Pr4) is assigned.
g
These parameters only appear if the corresponding function has been selected in another menu. When the parameters can
also be accessed and adjusted from within the configuration menu for the corresponding function, their description is detailed
in these menus, on the pages indicated, to aid programming.
Parameter that can be modified during operation or when stopped.
DRI- > CONF > FULL > FUN- > PRI-
Configuration Mode (ConF)
S1A28692 03/2010 201
TORQUE LIMITATION
There are two types of torque limitation:
• With a value that is fixed by a parameter
• With a value that is set by an analog input (AI or pulse)
If both types are enabled, the lowest value is taken into account. The two types of limitation can be configured
or switched remotely using a logic input or via the communication bus.
[Yes]
(YES)
LI
[Motoring torque
lim] (tLIM)
[Gen. torque lim]
(tLIG)
Torque
limitationvia
parameter
[Torque limit. activ.] (tLA)
[No]
(nO)
[LI]
[Yes]
(YES)
LI
[AI.] (AI.)
[RP] (PI)
Torque
limitation via
analoginput,
RP
[Analog limit. act.] (tLC)
[No]
(nO)
[LI]
Lowest value
taken into account
Limitation
value
[Torque ref. assign.] (tAA)
[AI]
Configuration Mode (ConF)
202 S1A28692 03/2010
Parameters described in this page can be accessed by:
Code Name / Description Adjustment range Factory setting
FUn- [APPLICATION FUNCT.] (continued)
tOL- [TORQUE LIMITATION]
tLA [Torque limit. activ.] [No] (nO)
nO
YES
LI1
...
If the assigned input or bit is at 0, the function is inactive.
If the assigned input or bit is at 1, the function is active.
[No] (nO): Function inactive
[Yes] (YES): Function always active
[LI1] (LI1): Logical input LI1
[...] (...): See the assignment conditions on page 138
IntP [Torque increment] [1%] (1)
g
This parameter cannot be accessed if [Torque limit. activ.] (tLA) is set to [No] (nO).
Selection of units for the [Motoring torque lim] (tLIM) and [Gen. torque lim] (tLIG) parameters.
0.1
1
[0,1%] (0.1): Unit 0.1%
[1%] (1): Unit 1%
tLIM [Motoring torque lim] 0 to 300% 100%
g
(1)
This parameter cannot be accessed if [Torque limit. activ.] (tLA) is set to [No] (nO).
Torque limitation in motor mode, as a % or in 0.1% increments of the rated torque in accordance with the
[Torque increment] (IntP) parameter.
tLIG [Gen. torque lim] 0 to 300% 100%
g
(1)
This parameter cannot be accessed if [Torque limit. activ.] (tLA) is set to [No] (nO).
Torque limitation in generator mode, as a % or in 0.1% increments of the rated torque in accordance with the
[Torque increment] (IntP) parameter.
tAA [Torque ref. assign.] [No] (nO)
nO
AI1
AI2
AI3
PI
AIU1
AIU2
OA01
...
OA10
If the function is assigned, the limitation varies between 0% and 300% of the rated torque on the basis of the 0% to 100% signal
applied to the assigned input.
Examples:
12 mA on a 4-20 mA input results in limitation to 150% of the rated torque.
2.5 V on a 10 V input results in 75% of the rated torque.
[No] (nO): Not assigned (function inactive)
[AI1] (AI1): Analog input
[AI2] (AI2): Analog input
[AI3] (AI3): Analog input
[RP] (PI): Pulse input
[AI Virtual 1] (AIU1): Virtual analog input 1 with the jog dial
[AI Virtual 2] (AIU2): Virtual input via communication bus, to be configured via [AI2 net. channel] (AIC2) page 122.
[OA01] (OA01): Function blocks: Analog Output 01
...
[OA10] (OA10): Function blocks: Analog Output 10
DRI- > CONF > FULL > FUN- > TOL-
Configuration Mode (ConF)
S1A28692 03/2010 203
Parameters described in this page can be accessed by:
(1) The parameter can also be accessed in the [SETTINGS] (SEt-) menu.
tLC [Analog limit. act.] [Yes] (YES)
g
This parameter cannot be accessed if [Torque limit. activ.] (tLA) is set to [No] (nO).
Identical to [Torque limit. activ.] (tLA) page 202.
If the assigned input or bit is at 0:
The limitation is specified by the [Motoring torque lim] (tLIM) and [Gen. torque lim.] (tLIG) parameters if
[Torque limit. activ.] (tLA) is not [No] (nO).
No limitation if [Torque limit. activ.] (tLA) is set to [No] (nO).
If the assigned input or bit is at 1:
The limitation depends on the input assigned by [Torque ref. assign.] (tAA).
Note: If [Torque limitation] (tLA) and [Torque ref. assign.] (tAA) are enabled at the same time, the lowest value will be
taken into account.
Code Name / Description Adjustment range Factory setting
g
These parameters only appear if the corresponding function has been selected in another menu. When the parameters can
also be accessed and adjusted from within the configuration menu for the corresponding function, their description is detailed
in these menus, on the pages indicated, to aid programming.
Parameter that can be modified during operation or when stopped.
DRI- > CONF > FULL > FUN- > TOL-
Configuration Mode (ConF)
204 S1A28692 03/2010
Parameters described in this page can be accessed by:
2ND CURRENT LIMITATION
(1) In corresponds to the rated drive current indicated in the Installation manual and on the drive nameplate.
Code Name / Description Adjustment range Factory setting
FUn- [APPLICATION FUNCT.] (continued)
CLI- [2nd CURRENT LIMIT.]
LC2 [Current limit 2] [No] (nO)
nO
LI1
...
If the assigned input or bit is at 0, the first current limitation is active.
If the assigned input or bit is at 1, the second current limitation is active.
[No] (nO): Function inactive
[LI1] (LI1): Logical input LI1
[...] (...): See the assignment conditions on page 138
CL2 [I Limit. 2 value] 0 to 1.5 In (1) 1.5 In (1)
g
CAUTION
RISK OF DAMAGE TO THE MOTOR AND THE DRIVE
• Check that the motor will withstand this current, particularly in the case of permanent magnet synchronous
motors, which are susceptible to demagnetization.
• Check that the profile mission complies with the derating curve given in the installation manual.
Failure to follow these instructions can result in equipment damage.
Second current limitation.
This parameter can be accessed if [Current limit 2] (LC2) is not set to [No] (nO).
The adjustment range is limited to 1.5 In.
Note: If the setting is less than 0.25 In, the drive may lock in [Output Phase Loss] (OPL) fault mode if this has been enabled
(see [Output Phase Loss] (OPL) page 238). If it is less than the no-load motor current, the motor cannot run.
CLI [Current limitation] 0 to 1.5 In (1) 1.5 In (1)
g
CAUTION
RISK OF DAMAGE TO THE MOTOR AND THE DRIVE
• Check that the motor will withstand this current, particularly in the case of permanent magnet synchronous
motors, which are susceptible to demagnetization.
• Check that the profile mission complies with the derating curve given in the installation manual.
Failure to follow these instructions can result in equipment damage.
First current limitation.
This parameter can be accessed if [Current limit 2] (LC2) is not set to [No] (nO).
The adjustment range is limited to 1.5 In.
Note: If the setting is less than 0.25 In, the drive may lock in [Output Phase Loss] (OPL) fault mode if this has been
enabled (see [Output Phase Loss] (OPL) page 238). If it is less than the no-load motor current, the motor cannot run.
g
These parameters only appear if the corresponding function has been selected in another menu. When the parameters can
also be accessed and adjusted from within the configuration menu for the corresponding function, their description is detailed
in these menus, on the pages indicated, to aid programming.
Parameter that can be modified during operation or when stopped.
DRI- > CONF > FULL > FUN- > CLI-
Configuration Mode (ConF)
S1A28692 03/2010 205
LINE CONTACTOR COMMAND
The line contactor closes every time a run command (forward or reverse) is sent and opens after every stop,
as soon as the drive is locked. For example, if the stop mode is stop on ramp, the contactor will open when
the motor reaches zero speed.
Note: The drive control power supply must be provided via an external 24 V source.
Example circuit:
Note: The "Run/Reset" key must be pressed once the "Emergency stop" key has been released.
LIp = Run command [Forward] (Frd) or [Reverse] (rrS)
LO-/LO+ = [Line contactor ass.] (LLC)
LIn = [Drive lock] (LES)
CAUTION
RISK OF DAMAGE TO THE MOTOR
This function can only be used for a small number of consecutive operations with a cycle time longer than
60 s (in order to avoid premature aging of the filter capacitor charging circuit).
Failure to follow these instructions can result in equipment damage.
U V W
L1 L2 L3
LInLIpP24 COM
LO-
LO+
+24
0 V
+24 V
ATVpp
M
3
KM1
K11
K11
K10
24 V source
_
---
K10
K11
3
a line
Emergency
stop
Run/Reset
24 V power supply
Forward
or
reverse
Configuration Mode (ConF)
206 S1A28692 03/2010
Parameters described in this page can be accessed by:
Code Name / Description Adjustment range Factory setting
FUn- [APPLICATION FUNCT.] (continued)
LLC- [LINE CONTACTOR COMMAND]
LLC [Line contactor ass.] [No] (nO)
nO
LO1
r2
dO1
Logic output or control relay.
[No] (nO): Function not assigned (in this case, none of the function parameters can be accessed)
[LO1] (LO1): Logical output LO1
[R2] (r2): Relay r2
[d01] (dO1): Analog output AO1 functioning as a logic output. Selection can be made if [AO1 assignment] (AO1) page 129
is set to [No] (nO)
LES [Drive lock] [No] (nO)
g
This parameter can be accessed if [Line contactor ass.] (LLC) is not set to [No] (nO).
The drive locks when the assigned input or bit changes to 0.
nO
LI1
...
[No] (nO): Function inactive
[LI1] (LI1): Logical input LI1
[...] (...): See the assignment conditions on page 138
LCt [Mains V. time out] 5 to 999 s 5 s
g Monitoring time for closing of line contactor. If, once this time has elapsed, there is no voltage on the drive power circuit, the
drive will lock with a [Line contactor] (LCF) detected fault.
g
These parameters only appear if the corresponding function has been selected in another menu. When the parameters can
also be accessed and adjusted from within the configuration menu for the corresponding function, their description is detailed
in these menus, on the pages indicated, to aid programming.
DRI- > CONF > FULL > FUN- > LCC-
Configuration Mode (ConF)
S1A28692 03/2010 207
OUTPUT CONTACTOR COMMAND
This allows the drive to control a contactor located between the drive and the motor. The request for the
contactor to close is made when a run command is sent. The request for the contactor to open is made when
there is no longer any current in the motor.
Output contactor feedback
The corresponding logic input should be at 1 when there is no run command and at 0 during operation.
In the event of an inconsistency, the drive trips in FCF2 if the output contactor fails to close (LIx at 1) and in
FCF1 if it is stuck (LIx at 0).
The [Delay to motor run] (dbS) parameter can be used to delay tripping in fault mode when a run command
is sent and the [Delay to open cont.] (dAS) parameter delays the detected fault when a stop command is
set.
Note: FCF2 (contactor failing to close) can be reset by the run command changing state from 1 to 0 (0 --> 1 -
-> 0 in 3-wire control).
The [Out. contactor ass.] (OCC) and [Output contact. fdbk] (rCA) functions can be used individually or
together.
CAUTION
RISK OF DAMAGE TO THE MOTOR
If a DC injection braking function has been configured, it should not be left operating too long in stop mode,
as the contactor only opens at the end of braking.
Failure to follow these instructions can result in equipment damage.
U
KM2
M
3
KM2
K20 KM2
K20
V W 0 LOp/Rp +24 LIp
Control FeedbackATVppp
Configuration Mode (ConF)
208 S1A28692 03/2010
Parameters described in this page can be accessed by:
Code Name / Description Adjustment range Factory setting
FUn- [APPLICATION FUNCT.] (continued)
OCC- [OUTPUT CONTACTOR CMD]
OCC [Out. contactor ass.] [No] (nO)
nO
LO1
r2
dO1
Logic output or control relay.
[No] (nO): Function not assigned (in this case, none of the function parameters can be accessed)
[LO1] (LO1): Logical output LO1
[R2] (r2): Relay r2
[dO1] (dO1): Analog output AO1 functioning as a logic output. Selection can be made if [AO1 assignment] (AO1) page 129
is set to [No] (nO)
rCA [Output contact. fdbk] [No] (nO)
nO
LI1
...
The motor starts up when the assigned input or bit changes to 0.
[No] (nO): Function inactive
[LI1] (LI1): Logical input LI1
[...] (...): See the assignment conditions on page 138
dbS [Delay to motor run] 0.05 to 60 s 0.15 s
g
Time delay for:
Motor control following the sending of a run command
Output contactor state monitoring, if the feedback is assigned. If the contactor fails to close at the end of the set time, the drive
will lock in FCF2 mode.
This parameter can be accessed if [Out. contactor ass.] (OCC) is assigned or if [Output contact. fdbk] (rCA) is assigned.
The time delay must be greater than the closing time of the output contactor.
dAS [Delay to open cont.] 0 to 5.00 s 0.10 s
g
Time delay for output contactor opening command following motor stop.
This parameter can be accessed if [Output contact. fdbk] (rCA) is assigned.
The time delay must be greater than the opening time of the output contactor. If it is set to 0, the detected fault will not be
monitored.
If the contactor fails to open at the end of the set time, the drive will lock in FCF1 fault mode.
g
These parameters only appear if the corresponding function has been selected in another menu. When the parameters can
also be accessed and adjusted from within the configuration menu for the corresponding function, their description is detailed
in these menus, on the pages indicated, to aid programming.
Parameter that can be modified during operation or when stopped.
DRI- > CONF > FULL > FUN- > OCC-
Configuration Mode (ConF)
S1A28692 03/2010 209
POSITIONING BY SENSORS
This function is used for managing positioning using position sensors or limit switches linked to logic inputs or
using control word bits:
• Slowing down
• Stopping
The action logic for the inputs and bits can be configured on a rising edge (change from 0 to 1) or a falling edge
(change from 1 to 0). The example below has been configured on a rising edge:
The slowdown mode and stop mode can be configured.
The operation is identical for both directions of operation. Slowdown and stopping operate according to the
same logic, described below.
Forward run command
Reverse run command
[Slowdown forward]
[Stop FW limit sw.]
Speed
[Low speed]
(LSP)
0
0
0
0
0
Configuration Mode (ConF)
210 S1A28692 03/2010
Example: Forward slowdown, on rising edge
• Forward slowdown takes place on a rising edge (change from 0 to 1) of the input or bit assigned to forward
slowdown if this rising edge occurs in forward operation. The slowdown command is then memorized, even
in the event of a power outage. Operation in the opposite direction is authorized at high speed. The
slowdown command is deleted on a falling edge (change from 1 to 0) of the input or bit assigned to forward
slowdown if this falling edge occurs in reverse operation.
• A bit or a logic input can be assigned to disable this function.
• Although forward slowdown is disabled while the disable input or bit is at 1, sensor changes continue to be
monitored and saved.
Example: Positioning on a limit switch, on rising edge
Operation with short cams:
In this instance, when operating for the first time or after restoring the factory settings, the drive must initially
be started outside the slowdown and stop zones in order to initialize the function.
Reverse
stop
Reverse
slowdown
Reverse Forward
Forward
slowdown
Forward
stop
WARNING
LOSS OF CONTROL
When operating for the first time or after restoring the factory settings, the drive must initially be started
outside the slowdown and stop zones in order to initialize the function.
Failure to follow these instructions can result in death, serious injury, or equipment damage.
WARNING
LOSS OF CONTROL
The current zone is memorized at power off.
In case of manual modification of the system position, the drive must be started at the same position at the
next power up of the drive.
Failure to follow these instructions can result in death, serious injury, or equipment damage.
Forward slowdown
Forward stop
Forward slowdown zone
Forward stop zone
Configuration Mode (ConF)
S1A28692 03/2010 211
Operation with long cams:
In this instance, there is no restriction, which means that the function is initialized across the whole trajectory.
Stop at distance calculated after deceleration limit switch
This function can be used to control the stopping of the moving part automatically once a preset distance has
been traveled after the slowdown limit switch.
On the basis of the rated linear speed and the speed estimated by the drive when the slowdown limit switch
is tripped, the drive will induce the stop at the configured distance.
This function is useful in applications where one manual-reset overtravel limit switch is common to both
directions. It will then only respond to help management if the distance is exceeded. The stop limit switch
retains priority in respect of the function.
The [Deceleration type] (dSF) parameter can be configured to obtain either of the functions described
below:
Note:
• If the deceleration ramp is modified while stopping at a distance is in progress, this distance will not be
observed.
• If the direction is modified while stopping at a distance is in progress, this distance will not be observed.
Forward slowdown
Forward stop
Forward slowdown zone
Forward stop zone
WARNING
LOSS OF CONTROL
• Check that the parameters configured are consistent (in particular, you should check that the required
distance is possible).
• This function does not replace the stop limit switch, which remains necessary for safety reasons.
Failure to follow these instructions will result in death, serious injury, or equipment damage.
A B
A B
Frequency
Frequency
A: Slowdown limit switch reached
B: Automatic stop at a distance
Distance
Distance
Slowdown
frequency
Slowdown
frequency
[Stop distance] (Std)
[Deceleration type] (dSF) = [Standard] (Std)
[Deceleration type] (dSF) = [Optimized] (OPt)
Configuration Mode (ConF)
212 S1A28692 03/2010
Parameters described in this page can be accessed by:
Code Name / Description Adjustment range Factory setting
FUn- [APPLICATION FUNCT.] (continued)
LPO- [POSITIONING BY SENSORS]
Note: This function cannot be used with certain other functions. Follow the instructions on page 148.
SAF [Stop FW limit sw.] [No] (nO)
nO
LI1
...
Stop switch forward.
[No] (nO): Not assigned
[LI1] (LI1): Logical input LI1
[...] (...): See the assignment conditions on page 138
SAr [Stop RV limit sw.] [No] (nO)
Stop switch reverse.
Identical to [Stop FW limit sw.] (SAF) above.
SAL [Stop limit config.] [Active low] (LO)
g
WARNING
LOSS OF CONTROL
If [Stop limit config.] (SAL) is set to [Active high] (HIG), the stop command will be activated on active
signal (stop order will not be given if signal is not applied for any reason).
Do not select [Active high] (HIG) unless you are sure that your signal will be present in any case.
Failure to follow these instructions can result in death, serious injury, or equipment damage.
LO
HIG
Level stop switch activation.
This parameter can be accessed if at least one limit switch or one stop sensor has been assigned. It defines the positive or
negative logic of the bits or inputs assigned to the stop.
[Active low] (LO): Stop controlled on a falling edge (change from 1 to 0) of the assigned bits or inputs
[Active high] (HIG): Stop controlled on a rising edge (change from 0 to 1) of the assigned bits or inputs
dAF [Slowdown forward] [No] (nO)
Slowdown attained forward.
Identical to [Stop FW limit sw.] (SAF) above.
dAr [Slowdown reverse] [No] (nO)
Slowdown attained reverse.
Identical to [Stop FW limit sw.] (SAF) above.
dAL [Slowdown limit cfg.] [Active low] (LO)
g
CAUTION
RISK OF DAMAGE TO THE EQUIPMENT
If [Slowdown limit cfg.] (dAL) is set to [Active high] (HIG), the slowdown command will be activated on
active signal (slowdown order will not be given if signal is not applied for any reason).
Do not select [Active high] (HIG) unless you are sure that your signal will be present in any case.
Failure to follow these instructions can result in equipment damage.
LO
HIG
This parameter can be accessed if at least one limit switch or one slowdown sensor has been assigned. It defines the positive
or negative logic of the bits or inputs assigned to the slowdown.
[Active low] (LO): Slowdown controlled on a falling edge (change from 1 to 0) of the assigned bits or inputs
[Active high] (HIG): Slowdown controlled on a rising edge (change from 0 to 1) of the assigned bits or inputs
DRI- > CONF > FULL > FUN- > LPO-
Configuration Mode (ConF)
S1A28692 03/2010 213
Parameters described in this page can be accessed by:
CLS [Disable limit sw.] [No] (nO)
g
WARNING
LOSS OF CONTROL
If [Disable limit sw.] (CLS) is set to an input and activated, the limit switch management will be inhibited.
Check that this configuration will not endanger personnel or equipment in any way.
Failure to follow these instructions can result in death, serious injury, or equipment damage.
nO
LI1
...
This parameter can be accessed if at least one limit switch or one sensor has been assigned.
The action of the limit switches is disabled when the assigned bit or input is at 1. If, at this time, the drive is stopped or being
slowed down by limit switches, it will restart up to its speed reference.
[No] (nO): Function inactive
[LI1] (LI1): Logical input LI1
[...] (...): See the assignment conditions on page 138
PAS [Stop type] [Ramp stop] (rMP)
g This parameter can be accessed if at least one limit switch or one sensor has been assigned.
rMP
FSt
nSt
[Ramp stop] (rMP): Follow ramp
[Fast stop] (FSt): Fast stop (ramp time reduced by [Ramp divider] (dCF), see [Ramp divider] (dCF) page 81)
[Freewheel] (nSt): Freewheel stop
dSF [Deceleration type] [Standard] (Std)
g This parameter can be accessed if at least one limit switch or one sensor has been assigned.
Std
OPt
[Standard] (Std): Uses the [Deceleration] (dEC) or [Deceleration 2] (dE2) ramp (depending on which has been enabled)
[Optimized] (OPt): The ramp time is calculated on the basis of the actual speed when the slowdown contact switches, in order
to limit the operating time at low speed (optimization of the cycle time: the slowdown time is constant regardless of the initial
speed).
Std [Stop distance] [No] (nO)
g
This parameter can be accessed if at least one limit switch or one sensor has been assigned.
Activation and adjustment of the "Stop at distance calculated after the slowdown limit switch" function.
nO
-
[No] (nO): Function inactive (the next two parameters will, therefore, be inaccessible)
0.01 to 10.00: Stop distance range in meters
nLS [Rated linear speed] 0.20 to 5.00 m/s 1.00 m/s
g
This parameter can be accessed if at least one limit switch or one sensor has been assigned and [Stop distance] (Std) is not
set to [No] (nO).
Rated linear speed in meters/second.
SFd [Stop corrector] 50 to 200% 100%
g
This parameter can be accessed if at least one limit switch or one sensor has been assigned and [Stop distance] (Std) is not
set to [No] (nO).
Scaling factor applied to the stop distance to compensate, for example, a non-linear ramp.
g
These parameters only appear if the corresponding function has been selected in another menu. When the parameters can
also be accessed and adjusted from within the configuration menu for the corresponding function, their description is detailed
in these menus, on the pages indicated, to aid programming.
Code Name / Description Adjustment range Factory setting
DRI- > CONF > FULL > FUN- > LPO-
Configuration Mode (ConF)
214 S1A28692 03/2010
PARAMETER SET SWITCHING
A set of 1 to 15 parameters from the [SETTINGS] (SEt-) menu on page 77 can be selected and 2 or 3
different values assigned. These 2 or 3 sets of values can then be switched using 1 or 2 logic inputs or control
word bits. This switching can be performed during operation (motor running).
It can also be controlled on the basis of 1 or 2 frequency thresholds, whereby each threshold acts as a logic
input (0 = threshold not reached, 1 = threshold reached).
Note: Do not modify the parameters in the [SETTINGS] (SEt-) menu, because any modifications made in
this menu ([SETTINGS] (SEt-)) will be lost on the next power-up. The parameters can be adjusted during
operation in the [PARAM. SET SWITCHING] (MLP-) menu, on the active configuration.
Note: Parameter set switching cannot be configured from the integrated display terminal.
Parameters can only be adjusted on the integrated display terminal if the function has been configured
previously via the graphic display terminal, by PC Software or via the bus or communication network. If the
function has not been configured, the [PARAM. SET SWITCHING] (MLP-) menu and the
[SET 1] (PS1-), [SET 2] (PS2-), [SET 3] (PS3-) submenus will not appear.
Values 1 Values 2 Values 3
Parameter 1
Parameter 2
Parameter 3
Parameter 4
Parameter 5
Parameter 6
Parameter 7
Parameter 8
Parameter 9
Parameter 10
Parameter 11
Parameter 12
Parameter 13
Parameter 14
Parameter 15
Parameter 1
Parameter 2
Parameter 3
Parameter 4
Parameter 5
Parameter 6
Parameter 7
Parameter 8
Parameter 9
Parameter 10
Parameter 11
Parameter 12
Parameter 13
Parameter 14
Parameter 15
Parameter 1
Parameter 2
Parameter 3
Parameter 4
Parameter 5
Parameter 6
Parameter 7
Parameter 8
Parameter 9
Parameter 10
Parameter 11
Parameter 12
Parameter 13
Parameter 14
Parameter 15
Parameter 1
Parameter 2
Parameter 3
Parameter 4
Parameter 5
Parameter 6
Parameter 7
Parameter 8
Parameter 9
Parameter 10
Parameter 11
Parameter 12
Parameter 13
Parameter 14
Parameter 15
Input LI or bit or frequency threshold
2 values
0 1 0 or 1
Input LI or bit or frequency threshold
3 values
0 0 1
Configuration Mode (ConF)
S1A28692 03/2010 215
Parameters described in this page can be accessed by:
Code Name / Description Adjustment range Factory setting
FUn- [APPLICATION FUNCT.] (continued)
MLP- [PARAM. SET SWITCHING]
CHA1 [2 parameter sets] [No] (nO)
nO
FtA
F2A
LI1
...
Switching 2 parameter sets.
[No] (nO): Not assigned
[Freq. Th.att.] (FtA): Switching via [Freq. threshold] (Ftd) page 234
[Freq. Th. 2 att.] (F2A): Switching via [Freq. threshold 2] (F2d) page 234
[LI1] (LI1): Logical input LI1
[...] (...): See the assignment conditions on page 138
CHA2 [3 parameter sets] [No] (nO)
Identical to [2 parameter sets] (CHA1) page 215.
Switching 3 parameter sets.
Note: In order to obtain 3 parameter sets, [2 parameter sets] (CHA1) must also be configured.
SPS [PARAMETER SELECTION]
This parameter can only be accessed on the graphic display terminal if [2 parameter sets] (CHA1) is not set to [No] (nO).
Making an entry in this parameter opens a window containing all the adjustment parameters that can be accessed.
Select 1 to 15 parameters using ENT (a then appears next to the parameter). Parameter(s) can also be deselected using
ENT.
Example:
MLP- [PARAM. SET SWITCHING] (continued)
PS1- [SET 1]
g
S101
...
S115
This parameter can be accessed if at least 1 parameter has been selected in [PARAMETER SELECTION].
Making an entry in this parameter opens a settings window containing the selected parameters in the order in which they were
selected.
With the graphic display terminal:
With the integrated display terminal:
Proceed as in the Settings menu using the parameters that appear.
MLP- [PARAM. SET SWITCHING] (continued)
PS2- [SET 2]
g
S201
...
S215
This parameter can be accessed if at least 1 parameter has been selected in [PARAMETER SELECTION].
Identical to [SET 1] (PS1-) page 215.
PARAMETER SELECTION
SETTINGS
Ramp increment
- - - - - - - - -
- - - - - - - - -
- - - - - - - - -
RDY Term +0.0 Hz 0.0 A
SET1
Acceleration : 9.51 s
Deceleration : 9.67 s
Acceleration 2 : 12.58 s
Deceleration 2 : 13.45 s
Begin Acc round: 2.3 s
Code Quick
ENT
RDY Term +0.0 Hz 0.0 A
Acceleration
9.51 s
Min = 0.1 Max = 999.9
<< >> Quick
DRI- > CONF > FULL > FUN- > MLP-
Configuration Mode (ConF)
216 S1A28692 03/2010
Parameters described in this page can be accessed by:
Note: We recommend that a parameter set switching test is carried out while stopped and a check is made to
verify that it has been performed correctly.
Some parameters are interdependent and in this case may be restricted at the time of switching.
Interdependencies between parameters must be respected, even between different sets.
Example: The highest [Low speed] (LSP) must be below the lowest [High speed] (HSP).
MLP- [PARAM. SET SWITCHING] (continued)
PS3- [SET 3]
g
S301
...
S315
This parameter can be accessed if [3 parameter sets] (CHA2) is not [No] (nO) and if at least 1 parameter has been selected
in [PARAMETER SELECTION].
Identical to [SET 1] (PS1-) page 215.
g
These parameters only appear if the corresponding function has been selected in another menu. When the parameters can
also be accessed and adjusted from within the configuration menu for the corresponding function, their description is detailed
in these menus, on the pages indicated, to aid programming.
Parameter that can be modified during operation or when stopped.
Code Name / Description Adjustment range Factory setting
DRI- > CONF > FULL > FUN- > MLP- > PS3-
Configuration Mode (ConF)
S1A28692 03/2010 217
MULTIMOTORS / MULTICONFIGURATIONS
Motor or configuration switching [MULTIMOTORS/CONFIG.] (MMC-)
The drive may contain up to 3 configurations, which can be saved using the
[FACTORY SETTINGS] (FCS-) menu, page 69.
Each of these configurations can be activated remotely, enabling adaptation to:
• 2 or 3 different motors or mechanisms (multimotor mode)
• 2 or 3 different configurations for a single motor (multiconfiguration mode)
The two switching modes cannot be combined.
Note: The following conditions MUST be observed:
• Switching may only take place when stopped (drive locked). If a switching request is sent during operation,
it will not be executed until the next stop.
• In the event of motor switching, the following additional conditions apply:
- When the motors are switched, the power and control terminals concerned must also be switched as
appropriate.
- The maximum power of the drive must not be exceeded by any of the motors.
• All the configurations to be switched must be set and saved in advance in the same hardware configuration,
this being the definitive configuration (option and communication cards). Failure to follow this instruction can
cause the drive to lock on an [Incorrect config.] (CFF) state.
Menus and parameters switched in multimotor mode
• [SETTINGS] (SEt-)
• [MOTOR CONTROL] (drC-)
• [INPUTS / OUTPUTS CFG] (I_O-)
• [COMMAND] (CtL-)
• [APPLICATION FUNCT.] (Fun-) with the exception of the [MULTIMOTORS/CONFIG.] function (to be
configured once only)
• [FAULT MANAGEMENT] (FLt)
• [MY MENU]
• [USER CONFIG.]: The name of the configuration specified by the user in the
[FACTORY SETTINGS] (FCS-) menu
Menus and parameters switched in multiconfiguration mode
As in multimotor mode, except for the motor parameters that are common to the 3 configurations:
• Rated current
• Thermal current
• Rated voltage
• Rated frequency
• Rated speed
• Rated power
• IR compensation
• Slip compensation
• Synchronous motor parameters
• Type of thermal protection
• Thermal state
• The auto-tuning parameters and motor parameters that can be accessed in expert mode
• Type of motor control
Note: No other menus or parameters can be switched.
Configuration Mode (ConF)
218 S1A28692 03/2010
Transfer of a drive configuration to another one, with graphic display terminal, when the drive uses
[MULTIMOTORS/CONFIG.] (MMC-) function
Let A be the source drive and B the drive addressed. In this example, switching is controlled by logic input.
1. Connect graphic display terminal to the drive A.
2. Put logic input LI ([2 Configurations] (CnF1)) and LI ([3 Configurations] (CnF2)) to 0.
3. Download configuration 0 in a file of graphic display terminal (example: file 1 of the graphic display terminal).
4. Put logic input LI ([2 Configurations] (CnF1)) to 1 and leave logic input LI ([3 Configurations] (CnF2))
to 0.
5. Download configuration 1 in a file of graphic display terminal (example: file 2 of the graphic display terminal).
6. Put logic input LI ([3 Configurations] (CnF2)) to 1 and leave logic input LI ([2 Configurations] (CnF1))
to 1.
7. Download configuration 2 in a file of graphic display terminal (example: file 3 of the graphic display terminal).
8. Connect graphic display terminal to the drive B.
9. Put logic input LI ([2 Configurations] (CnF1)) and LI ([3 Configurations] (CnF2)) to 0.
10. Make a factory setting of the drive B.
11. Download the configuration file 0 in the drive (file 1 of graphic display terminal in this example).
12. Put logic input LI ([2 Configurations] (CnF1)) to 1 and leave logic input LI
([3 Configurations] (CnF2)) to 0.
13. Download the configuration file 1 in the drive (file 2 of graphic display terminal in this example).
14. Put logic input LI ([3 Configurations] (CnF2)) to 1 and leave logic input LI
([2 Configurations] (CnF1)) to 1.
15. Download the configuration file 2 in the drive (file 3 of graphic display terminal in this example).
Note: Steps 6, 7, 14 et 15 are necessary only if [MULTIMOTORS/CONFIG.] (MMC-) function is used with
3 configurations or 3 motors.
Switching command
Depending on the number of motors or selected configurations (2 or 3), the switching command is sent using
one or two logic inputs. The table below lists the possible combinations.
Configuration 0
or motor 0
Configuration 1
or motor 1
Configuration 2
or motor 2
Current
configuration
Graphic display
terminal
Network
Terminal
CANopen®
Modbus
[2 Configurations] (CnF1)
[3 Configurations] (CnF2)
CnF1 = 0, CnF2 = 0 CnF1 = 1, CnF2 = 0 CnF1 = 0, CnF2 = 1
or
CnF1 = 1, CnF2 = 1
Configuration Mode (ConF)
S1A28692 03/2010 219
Schematic diagram for multimotor mode
Auto-tuning in multimotor mode
This auto-tuning can be performed:
• Manually using a logic input when the motor changes.
• Automatically each time the motor is activated for the 1st time after switching on the drive, if the
[Automatic autotune] (AUt) parameter on page 96 is set to [Yes] (YES).
Motor thermal states in multimotor mode:
The drive helps to protect the three motors individually. Each thermal state takes into account all stop times,
if the drive power is not switched off.
LI
2 motors or configurations
LI
3 motors or configurations
Number of configurations
or active motors
0 0 0
1 0 1
0 1 2
1 1 2
LI
ATVppp
+ 24 V
LI
Configuration 0
if the 2 contacts
are open
Configuration 1
Configuration 2
Configuration 0 LO or R
Configuration 1
LO or R
Configuration 2
LO or R
M0 M1 M2
Configuration Mode (ConF)
220 S1A28692 03/2010
Parameters described in this page can be accessed by:
Configuration information output
In the [INPUTS / OUTPUTS CFG] (I_O-) menu, a logic output can be assigned to each configuration or
motor (2 or 3) for remote information transmission.
Note: As the [INPUTS / OUTPUTS CFG] (I_O-) menu is switched, these outputs must be assigned in all
configurations in which information is required.
CAUTION
RISK OF DAMAGE TO THE MOTOR
The motor thermal state of each motor is not memorized when power is switched off.
To continue to protect the motors, it is required to:
• Perform auto-tuning on each motor every time the power is switched on,
or
• Use an external overload protection on each motor.
Failure to follow these instructions can result in equipment damage.
Code Name / Description Adjustment range Factory setting
FUn- [APPLICATION FUNCT.] (continued)
MMC- [MULTIMOTORS/CONFIG.]
CHM [Multimotors] [No] (nO)
CAUTION
RISK OF DAMAGE TO THE MOTOR
When [Multimotors] (CHM) is set to [Yes] (YES), the motor thermal state of each motor is not memorized
when power is switched off.
To continue to protect the motors, it is required to :
• Perform auto-tuning on each motor every time the power is switched on,
or
• Use an external overload protection on each motor.
Failure to follow these instructions can result in equipment damage.
nO
YES
[No] (nO): Multiconfiguration possible
[Yes] (YES): Multimotor possible
CnF1 [2 Configurations] [No] (nO)
nO
LI1
...
Switching of 2 motors or 2 configurations.
[No] (nO): No switching
[LI1] (LI1): Logical input LI1
[...] (...): See the assignment conditions on page 138
CnF2 [3 Configurations] [No] (nO)
Switching of 3 motors or 3 configurations.
Identical to [2 Configurations] (CnF1) page 220.
Note: In order to obtain 3 motors or 3 configurations, [2 Configurations] (CnF1) must also be configured.
DRI- > CONF > FULL > FUN- > MMC-
Configuration Mode (ConF)
S1A28692 03/2010 221
Parameters described in this page can be accessed by:
AUTO TUNING BY LOGIC INPUT
Code Name / Description Adjustment range Factory setting
FUn- [APPLICATION FUNCT.] (continued)
tnL- [AUTO TUNING BY LI]
tUL [Auto-tune assign.] [No] (nO)
nO
LI1
...
Auto-tuning is performed when the assigned input or bit changes to 1.
Note: Auto-tuning causes the motor to start up.
[No] (nO): Not assigned
[LI1] (LI1): Logical input LI1
[...] (...): See the assignment conditions on page 138
DRI- > CONF > FULL > FUN- > TNL-
Configuration Mode (ConF)
222 S1A28692 03/2010
TRAVERSE CONTROL
Function for winding reels of yarn (in textile applications):
The speed of rotation of the cam must follow a precise profile to ensure that the reel is steady, compact and
linear:
The function starts when the drive has reached its base reference and the traverse control command has been
enabled.
When the traverse control command is disabled, the drive returns to its base reference, following the ramp
determined by the traverse control function. The function then stops, as soon as it has returned to this
reference.
Bit 15 of word LRS1 is at 1 while the function is active.
Main shaft
Traverse control
drive
Winding drive
Winding motor
Gearbox
Traverse control motor
Gearbox
Cam
Thread guide
Thread
Reel of yarn
t
t
t
t
LI or traverse
control bit
Run command
Motor speed
Bit 15 of word LRS1
(traverse control active)
Base reference
ACC
ramp
dEC ramp
Start of function End of function
Configuration Mode (ConF)
S1A28692 03/2010 223
Function parameters
These define the cycle of frequency variations around the base reference, as shown in the diagram below:
Reel parameters:
trC [Yarn control] (trC): Assignment of the traverse control command to a logic input or to a communication bus
control word bit
trH [Traverse freq. high] (trH): in Hertz
trL [Traverse Freq. Low] (trL): in Hertz
qSH [Quick step High] (qSH): in Hertz
qSL [Quick step Low] (qSL): in Hertz
tUP [Traverse ctrl. accel.] (tUP): time, in seconds
tdn [Traverse ctrl. decel] (tdn): time, in seconds
tbO [Reel time] (tbO): Time taken to make a reel, in minutes.
This parameter is intended to signal the end of winding. When the traverse control operating time since
command [Yarn control] (trC) reaches the value of [Reel time] (tbO), the logic output or one of the relays
changes to state 1, if the corresponding function [End reel] (EbO) has been assigned.
The traverse control operating time EbOt can be monitored online by a communication bus.
dtF [Decrease ref. speed] (dtF): Decrease in the base reference.
In certain cases, the base reference has to be reduced as the reel increases in size. The
[Decrease ref. speed] (dtF) value corresponds to time [Reel time] (tbO). Once this time has elapsed, the
reference continues to fall, following the same ramp. If low speed [Low speed] (LSP) is at 0, the speed
reaches 0 Hz, the drive stops and must be reset by a new run command.
If low speed [Low speed] (LSP) is not 0, the traverse control function continues to operate above
[Low speed] (LSP).
t
tUP
trH
tdn
qSH
qSL
trL
Motor speed
Base
reference
Frequency jump
Frequency jump
0
Base reference
Motor speed
With LSP = 0
tbO
dtF
Motor speed
Base reference
With LSP > 0dtF
tbO
0
0 t
t
LSP
Configuration Mode (ConF)
224 S1A28692 03/2010
rtr [Init. traverse ctrl] Reinitialize traverse control.
This command can be assigned to a logic input or to a communication bus control word bit. It resets the EbO
alarm and the EbOt operating time to 0 and reinitializes the reference to the base reference. As long as rtr
remains at 1, the traverse control function is disabled and the speed remains the same as the base reference.
This command is used primarily when changing reels.
Base
reference
Motor speed
tbO
dtF
t
t
t
t
t
t
t
0
0
0
0
0
0
0
Run
trC
EbOt
Bit 15 of
LRS1
EbO
rtr
tbO
Configuration Mode (ConF)
S1A28692 03/2010 225
Counter wobble
The Counter wobble function is used in certain applications to obtain a constant yarn tension when the
Traverse control function is producing considerable variations in speed on the yarn guide motor
([Traverse freq. high] (trH) and [Traverse Freq. low] (trL), see [Traverse freq. high] (trH) page
227).
Two motors must be used (one master and one slave).
The master controls the speed of the yarn guide, the slave controls the winding speed. The function assigns
the slave a speed profile, which is in antiphase to that of the master. This means that synchronization is
required, using one of the master’s logic outputs and one of the slave’s logic inputs.
Main shaft
Master drive Slave drive
Winding motor
Gearbox
Thread guide motor
Gearbox
Cam
Thread guide
Thread
Reel of yarnSynchronization
tSY SnC
Configuration Mode (ConF)
226 S1A28692 03/2010
Connection of synchronization I/O
The starting conditions for the function are:
• Base speeds reached on both drives
• [Yarn control] (trC) input activated
• Synchronization signal present
Note: The [Quick step High] (qSH) and [Quick step Low] (qSL) parameters should generally be kept at
0.
t
t
t
t
t
trH
trL
trH
trL
Traverse control
command on master
and slave
Run command on
master and slave
Yarn guide motor
speed
(master drive)
tSY/SnC synchronization
Winding motor speed
(slave drive)
(SnCO) LOp
COM
LIp (SnCI)
COM
ATV32 ATV32
Master drive Slave drive
Configuration Mode (ConF)
S1A28692 03/2010 227
Parameters described in this page can be accessed by:
Code Name / Description Adjustment range Factory setting
FUn- [APPLICATION FUNCT.] (continued)
tr0- [TRAVERSE CONTROL]
Note: This function cannot be used with certain other functions. Follow the instructions on page 148.
trC [Yarn control] [No] (nO)
nO
LI1
...
The Traverse control cycle starts when the assigned input or bit changes to 1 and stops when it changes to 0.
[No] (nO): Function inactive, thereby helping to prevent access to other parameters
[LI1] (LI1): Logical input LI1
[...] (...): See the assignment conditions on page 138
trH [Traverse freq. high] 0 to 10 Hz 4 Hz
g
(1)
Traverse frequency high.
trL [Traverse Freq. Low] 0 to 10 Hz 4 Hz
g
(1)
Traverse frequency low.
qSH [Quick step High] 0 to [Traverse freq. high] (trH) 0 Hz
g
(1)
Quick step high.
qSL [Quick step Low] 0 to [Traverse Freq. Low] (trL) 0 Hz
g
(1)
Quick step low.
tUP [Traverse ctrl. accel.] 0.1 to 999.9 s 4 s
g Acceleration traverse control.
tdn [Traverse ctrl. decel] 0.1 to 999.9 s 4 s
g Deceleration traverse control.
tbO [Reel time] 0 to 9,999 min 0 min
g Reel execution time.
EbO [End reel] [No] (nO)
g The assigned output or relay changes to state 1 when the traverse control operating time reaches the [Reel time] (tbO).
nO
LO1
r2
dO1
[No] (nO): Not assigned
[LO1] (LO1): Logical output LO1
[R2] (r2): Relay R2
[dO1] (dO1): Analog output AO1 functioning as a logic output. Selection can be made if [AO1 assignment] (AO1) page 129
is set to [No] (nO).
DRI- > CONF > FULL > FUN- > TRO-
Configuration Mode (ConF)
228 S1A28692 03/2010
Parameters described in this page can be accessed by:
(1) The parameter can also be accessed in the [SETTINGS] (SEt-) menu.
SnC [Counter wobble] [No] (nO)
g
Synchronization input.
To be configured on the winding drive (slave) only.
nO
LI1
...
[No] (nO): Function inactive, thereby helping to prevent access to other parameters
[LI1] (LI1): Logical input LI1
[...] (...): See the assignment conditions on page 138
tSY [Sync. wobble] [No] (nO)
g
Synchronization output.
To be configured on the yarn guide drive (master) only.
nO
LO1
r2
dO1
[No] (nO): Function not assigned
[LO1] (LO1)
[R2] (r2)
[dO1] (dO1): Analog output AO1 functioning as a logic output. Selection can be made if [AO1 assignment] (AO1) page 129
is set to [No] (nO).
dtF [Decrease ref. speed] 0 to 599 Hz 0 Hz
g Decrease in the base reference during the traverse control cycle.
rtr [Init. traverse ctrl] [No] (nO)
g
When the state of the assigned input or bit changes to 1, the traverse control operating time is reset to 0, along with
[Decrease ref. speed] (dtF).
nO
LI1
...
[No] (nO): Function not assigned
[LI1] (LI1): Logical input LI1
[...] (...): See the assignment conditions on page 138
Code Name / Description Adjustment range Factory setting
g
These parameters only appear if the corresponding function has been selected in another menu. When the parameters can
also be accessed and adjusted from within the configuration menu for the corresponding function, their description is detailed
in these menus, on the pages indicated, to aid programming.
Parameter that can be modified during operation or when stopped.
DRI- > CONF > FULL > FUN- > TRO-
Configuration Mode (ConF)
S1A28692 03/2010 229
Parameters described in this page can be accessed by:
HIGH SPEED SWITCHING
Code Name / Description Adjustment range Factory setting
FUn- [APPLICATION FUNCT.] (continued)
CHS- [HSP SWITCHING]
SH2 [2 High speed] [No] (nO)
nO
FtA
F2A
LI1
...
High Speed Switching.
[No] (nO): Function not assigned
[Freq. Th. attain.] (FtA): Frequency threshold attained
[Freq. Th 2 attain.] (F2A): Frequency threshold 2 attained
[LI1] (LI1): Logical input LI1
[...] (...): See the assignment conditions on page 138
SH4 [4 High speed] [No] (nO)
High Speed Switching.
Note: In order to obtain 4 High speed, [2 High speed] (SH2) must also be configured.
Identical to [2 High speed] (SH2) page 229.
HSP [High speed] 0 to 599 Hz 50 Hz
Motor frequency at maximum reference, can be set between [Low speed] (LSP) and [Max frequency] (tFr).
The factory setting changes to 60 Hz if [Standard mot. freq] (bFr) is set to [60Hz NEMA] (60).
HSP2 [High speed 2] 0 to 599 Hz 50 Hz
g Visible if [2 High speed] (SH2) is not set to [No] (nO).
Identical to [High speed] (HSP) page 229.
HSP3 [High speed 3] 0 to 599 Hz 50 Hz
g Visible if [4 High speed] (SH4) is not set to [No] (nO).
Identical to [High speed] (HSP) page 229.
HSP4 [High speed 4] 0 to 599 Hz 50 Hz
g Visible if [4 High speed] (SH4) is not set to [No] (nO).
Identical to [High speed] (HSP) page 229.
g
These parameters only appear if the corresponding function has been selected in another menu. When the parameters can
also be accessed and adjusted from within the configuration menu for the corresponding function, their description is detailed
in these menus, on the pages indicated, to aid programming.
Parameter that can be modified during operation or when stopped.
DRI- > CONF > FULL > FUN- > CHS-
Configuration Mode (ConF)
230 S1A28692 03/2010
Fault Management
With integrated display terminal:
Summary of functions:
Code Name Page
PtC [PTC MANAGEMENT] 232
rSt [FAULT RESET] 232
Atr [AUTOMATIC RESTART] 234
AlS [ALARMS SETTING] 234
FLr [CATCH ON THE FLY] 235
tHt [MOTOR THERMAL PROT.] 237
OPL [OUTPUT PHASE LOSS] 238
IPL [INPUT PHASE LOSS] 238
OHL [DRIVE OVERHEAT] 239
SAt [THERMAL ALARM STOP] 240
EtF [EXTERNAL FAULT] 240
USb [UNDERVOLTAGE MGT] 241
tIt [IGBT TESTS] 242
LFL [4-20mA LOSS] 242
InH [FAULT INHIBITION] 243
CLL [COM. FAULT MANAGEMENT] 243
tId [TORQUE OR I LIM. DETECT] 245
FqF [FREQUENCY METER] 247
dLd [DYNAMIC LOAD DETECT.] 248
tnF [AUTO TUNING FAULT] 249
PPI [CARDS PAIRING] 250
ULd [PROCESS UNDERLOAD] 251
OLd [PROCESS OVERLOAD] 253
LFF [FALLBACK SPEED] 253
FSt [RAMP DIVIDER] 254
dCI [DC INJECTION] 254
Configuration Mode (ConF)
S1A28692 03/2010 231
The parameters in the [FAULT MANAGEMENT] (FLt-) menu can only be modified when the drive is
stopped and there is no run command, except for parameters with a symbol in the code column, which can
be modified with the drive running or stopped.
FULL
FUn-
SIM-
ESC
ESC
ESC
ENT
LAC
CON-
FLt-
ESC
ESC
ENT
ESC
= ENT ESC = ESC
FAULT MANAGEMENT
From ConF menu
Configuration Mode (ConF)
232 S1A28692 03/2010
Parameters described in this page can be accessed by:
PTC probe
1 set of PTC probe can be managed by the drive in order to help to protect the motor: on logic input LI6
converted for this use by switch SW2 on the control block.
The PTC probe is monitored for the following detected faults:
• Motor overheating
• Sensor break
• Sensor short-circuit
Protection via PTC probe does not disable protection via I2
t calculation performed by the drive (the two types
of protection can be combined).
R1A
R1B
R1C
COM
AO1
COM
AI3
AI2
10V
AI1
COM
+24
P24
STO
LO+
LO-
LI6
LI5
LI4
LI3
LI2
LI1
R2C
R2A
SW1
SW2
LI6
PTC
Source
Sink ext.
Sink int.
Code Name / Description Adjustment range Factory setting
FULL [FULL] (continued)
FLt- [FAULT MANAGEMENT]
PtC- [PTC MANAGEMENT]
PtCL [LI6 = PTC probe] [No] (nO)
nO
AS
rdS
rS
Check first that the switch SW2 on the control block is set to PTC.
[No] (nO): Not used
[Always] (AS): PTC probe are monitored permanently, even if the power supply is not connected (as long as the control remains
connected to the power supply)
[Power ON] (rdS): PTC probe are monitored while the drive power supply is connected
[Motor ON] (rS): PTC probe are monitored while the motor power supply is connected
FLt- [FAULT MANAGEMENT] (continued)
rSt- [FAULT RESET]
rSF [Fault reset] [No] (nO)
nO
LI1
...
Detected faults are cleared manually when the assigned input or bit changes to 1, if the cause of the detected fault has
disappeared.
The STOP/RESET key on the graphic display terminal performs the same function.
Following detected faults can be cleared manually : ASF, brF, bLF, CnF, COF, dLF, EPF1, EPF2, FbES,
FCF2, InF9, InFA, InFb, LCF, LFF3, ObF, OHF, OLC, OLF, OPF1, OPF2, OSF, OtFL, PHF,
PtFL, SCF4, SCF5, SLF1, SLF2, SLF3, SOF, SPF, SSF, tJF, tnF and ULF.
[No] (nO): Function inactive
[LI1] (LI1): Logical input LI1
[...] (...): See the assignment conditions on page 138
DRI- > CONF > FULL > FLT-
Configuration Mode (ConF)
S1A28692 03/2010 233
Parameters described in this page can be accessed by:
rPA [Product reset assig.] [No] (nO)
g
DANGER
UNINTENDED EQUIPMENT OPERATION
This configuration enables to reset the drive.
Check this action will not endanger personnel or equipment in any way.
Failure to follow these instructions will result in death or serious injury.
nO
LI1
...
LI6
LAI1
LAI2
OL01
...
OL10
This parameter can only be modified if [3.1 ACCESS LEVEL] (LAC) is set to [Expert] (EPr) mode.
Drive reinitialization via logic input. Can be used to reset all detected faults without having to disconnect the drive from the power
supply. The drive is reinitialized on a rising edge (change from 0 to 1) of the assigned input. The drive can only be reinitialized
when locked.
To assign reinitialization, press and hold down the ENT key for 2 s.
[No] (nO): Function inactive
[LI1] (LI1): Logical input LI1
...
[LI6] (LI6): Logical input LI6
[LAI1] (LAI1): Logical input AI1
[LAI2] (LAI2): Logical input AI2
[OL01] (OL01): Function blocks: Logical Output 01
...
[OL10] (OL10): Function blocks: Logical Output 10
rP [Product reset] [No] (nO)
g
DANGER
UNINTENDED EQUIPMENT OPERATION
You are going to reset the drive.
Check this action will not endanger personnel or equipment in any way.
Failure to follow these instructions will result in death or serious injury.
nO
YES
This parameter can only be accessed if [3.1 ACCESS LEVEL] (LAC) is set to [Expert] (EPr) mode.
Drive reinitialization. Can be used to reset all detected faults without having to disconnect the drive from the power supply.
[No] (nO): Function inactive
[Yes] (YES): Reinitialization. Press and hold down the ENT key for 2 s. The parameter changes back to [No] (nO)
automatically as soon as the operation is complete. The drive can only be reinitialized when locked.
Code Name / Description Adjustment range Factory setting
DRI- > CONF > FULL > FLT- > RST-
Configuration Mode (ConF)
234 S1A28692 03/2010
Parameters described in this page can be accessed by:
FLt- [FAULT MANAGEMENT] (continued)
Atr- [AUTOMATIC RESTART]
Atr [Automatic restart] [No] (nO)
DANGER
UNINTENDED EQUIPMENT OPERATION
• The automatic restart can only be used on machines or installations which do not pose any danger to either
personnel or equipment.
• If the automatic restart is activated, R1 will only indicate a fault has been detected once the time-out period
for the restart sequence has expired.
• The equipment must be used in compliance with national and regional safety regulations.
Failure to follow these instructions will result in death or serious injury.
nO
YES
The drive fault relay remains activated if this function is active. The speed reference and the operating direction must be
maintained.
Use 2-wire control ([2/3 wire control] (tCC) is set to [2 wire] (2C) and [2 wire type] (tCt) is set to [Level] (LEL), see
[2/3 wire control] (tCC) page 73).
If the restart has not taken place once the configurable time tAr has elapsed, the procedure is aborted and the drive remains
locked until it is turned off and then on again.
The fault codes, which permit this function, are listed on page 293.
[No] (nO): Function inactive
[Yes] (YES): Automatic restart, after locking in fault state, if the detected fault has disappeared and the other operating
conditions permit the restart. The restart is performed by a series of automatic attempts separated by increasingly longer waiting
periods: 1 s, 5 s, 10 s, then 1 minute for the following attempts.
tAr [Max. restart time] [5 minutes] (5)
g
This parameter appears if [Automatic restart] (Atr) is set to [Yes] (YES). It can be used to limit the number of consecutive
restarts on a recurrent detected fault.
5
10
30
1h
2h
3h
Ct
[5 min] (5): 5 minutes
[10 minutes] (10): 10 minutes
[30 minutes] (30): 30 minutes
[1 hour] (1h): 1 hour
[2 hours] (2h): 2 hours
[3 hours] (3h): 3 hours
[Unlimited] (Ct): Unlimited
FLt- [FAULT MANAGEMENT] (continued)
ALS- [ALARM SETTING]
Ctd
(1)
[Current threshold] 0 to 1.5 In (1) INV
Motor current threshold.
Ftd [Freq. threshold] 0 to 599 Hz 50 Hz
Motor frequency threshold.
F2d [Freq. threshold 2] 0 to 599 Hz 50 Hz
Motor frequency threshold.
ttH [High torque thd.] -300 to 300% 100%
High torque frequency threshold.
ttL [Low torque thd.] -300 to 300% 50%
Low torque frequency threshold.
Code Name / Description Adjustment range Factory setting
2 s
DRI- > CONF > FULL > FLT- > ATR-
Configuration Mode (ConF)
S1A28692 03/2010 235
Parameters described in this page can be accessed by:
(1) In corresponds to the rated drive current indicated in the Installation manual and on the drive nameplate.
FqL [Pulse warning thd.] 0 to 20,000 Hz 0 Hz
g Frequency level.
Visible if [Frequency meter] (FqF) is not [No] (nO).
FLt- [FAULT MANAGEMENT] (continued)
FLr- [CATCH ON THE FLY]
Note: This function cannot be used with certain other functions. Follow the instructions on page 147.
FLr [Catch on the fly] [No] (nO)
nO
YES
Used to enable a smooth restart if the run command is maintained after the following events:
- Loss of line supply or disconnection.
- Clearance of current detected fault or automatic restart.
- Freewheel stop.
The speed given by the drive resumes from the estimated speed of the motor at the time of the restart, then follows the ramp to
the reference speed.
This function requires 2-wire level control.
When the function is operational, it activates at each run command, resulting in a slight delay of the current (0.5 s max).
[Catch on the fly] (FLr) is forced to [No] (nO) if brake logic control [Brake assignment] (bLC) is assigned (page 179) or
if [Auto DC injection] (AdC) is set to [Continuous] (Ct) page 161 .
[No] (nO): Function inactive
[Yes] (YES): Function active
Code Name / Description Adjustment range Factory setting
g
These parameters only appear if the corresponding function has been selected in another menu. When the parameters can
also be accessed and adjusted from within the configuration menu for the corresponding function, their description is detailed
in these menus, on the pages indicated, to aid programming.
Parameter that can be modified during operation or when stopped.
To change the assignment of this parameter, press the ENT key for 2 s.2 s
DRI- > CONF > FULL > FUN- > FLT- > ALS-
Configuration Mode (ConF)
236 S1A28692 03/2010
Motor thermal protection
Function
Thermal protection by calculating the I²t.
Note: The motor thermal state is not saved when the drive is switched off.
• Self-cooled motors: The tripping curves depend on the motor frequency.
• Force-cooled motors: Only the 50 Hz tripping curve needs to be considered, regardless of the motor
frequency.
The following curves represent the trip time in seconds:.
10, 000
1, 000
100
0.7 0.8 0.9 1 1.1 1.2 1.3 1.4 1.5 1.6
50 Hz20 Hz10 Hz
1 Hz 3 Hz 5 Hz
Trip time in seconds
Motor current / ItH
CAUTION
RISK OF DAMAGE TO THE MOTOR
External protection against overloads is required under the following circumstances:
• When the product is being switched on again, as there is no memory to record the motor thermal state
• When supplying more than one motor
• When supplying motors with ratings less than 0.2 times the nominal drive current
• When using motor switching
Failure to follow these instructions can result in equipment damage.
Configuration Mode (ConF)
S1A28692 03/2010 237
Parameters described in this page can be accessed by:
Code Name / Description Adjustment range Factory setting
FLt- [FAULT MANAGEMENT] (continued)
tHt- [MOTOR THERMAL PROT.]
tHt [Motor protect. type] [Self cooled] (ACL)
nO
ACL
FCL
Note: A trip will occur when the thermal state reaches 118% of the rated state and reactivation will occur when the state falls
back below 100%.
[No] (nO): No protection
[Self cooled] (ACL): For self-cooled motors
[Force-cool] (FCL): For force-cooled motors
ttd [Motor therm. level] 0 to 118% 100%
(1)
Trip threshold for motor thermal alarm (logic output or relay).
ttd2 [Motor2 therm. level] 0 to 118% 100%
Trip threshold for motor 2 thermal alarm (logic output or relay).
ttd3 [Motor3 therm. level] 0 to 118% 100%
Trip threshold for motor 3 thermal alarm (logic output or relay).
OLL [Overload fault mgt] [Freewheel] (YES)
CAUTION
RISK OF DAMAGE TO THE MOTOR
If [Overload fault mgt] (OLL) is set to [Ignore] (nO), motor thermal protection is no longuer provided by
the drive. Provide an alternative means of thermal protection.
Failure to follow these instructions can result in equipment damage.
nO
YES
Stt
LFF
rLS
rMP
FSt
dCI
Type of stop in the event of a motor thermal trip.
[Ignore] (nO): Detected fault ignored
[Freewheel] (YES): Freewheel stop
[Per STT] (Stt): Stop according to configuration of [Type of stop] (Stt) page 158, without tripping. In this case, the fault
relay does not open and the drive is ready to restart as soon as the detected fault disappears, according to the restart conditions
of the active command channel (for example, according to [2/3 wire control] (tCC) and [2 wire type] (tCt) page 112 if
control is via the terminals). Configuring an alarm for this detected fault is recommended (assigned to a logic output, for example)
in order to indicate the cause of the stop.
[fallback spd] (LFF): Change to fallback speed, maintained as long as the detected fault persists and the run command has
not been removed (2)
[Spd maint.] (rLS): The drive maintains the speed being applied when the detected fault occurred, as long as the detected
fault is present and the run command has not been removed (2)
[Ramp stop] (rMP): Stop on ramp
[Fast stop] (FSt): Fast stop
[DC injection] (dCI): DC injection stop. This type of stop cannot be used with certain other functions. See table on page 150
MtM [Mot THR memo] [No] (nO)
nO
YES
Motor thermal state memorization.
[No] (nO): Motor thermal state is not stored at power off
[Yes] (YES): Motor thermal state is stored at power off
DRI- > CONF > FULL > FLT- > THT-
Configuration Mode (ConF)
238 S1A28692 03/2010
Parameters described in this page can be accessed by:
FLt- [FAULT MANAGEMENT] (continued)
OPL- [OUTPUT PHASE LOSS]
OPL [Output Phase Loss] [Yes] (YES)
DANGER
HAZARD OF ELECTRIC SHOCK, EXPLOSION, OR ARC FLASH
If [Output phase loss] (OPL) is set to [No] (nO) or [Output cut] (OAC), loss of cable is not detected.
Check this action will not endanger personnel or equipment in any way.
Failure to follow these instructions will result in death or serious injury.
nO
YES
OAC
Note: [Output phase loss] (OPL) is set to [No] (nO) when [Motor control type] (Ctt) page 92 is set to
[Sync. mot.] (SYn). For other [Motor control type] (Ctt) configurations, [Output phase loss] (OPL) is forced to [Yes]
(YES) if brake logic control is configured.
[No] (nO): Function inactive
[Yes] (YES): Tripping on [Output phase loss] (OPL) with freewheel stop
[Output cut] (OAC): No fault triggered, but management of the output voltage in order to avoid an overcurrent when the link
with the motor is re-established and catch on the fly performed (even if this function has not been configured).
The drive switches to [Output cut] (SOC) state after [OutPh time detect] (Odt) time. Catch on fly is possible as soon as the
drive is in Stand by output cut [Output cut] (SOC) state.
Odt [OutPh time detect] 0.5 to 10 s 0.5 s
Time delay for taking the [Output Phase Loss] (OPL) detected fault into account.
FLt- [FAULT MANAGEMENT] (continued)
IPL- [INPUT PHASE LOSS]
IPL [Input phase loss] According to drive rating
g
Cannot be accessed if drive rating is ATVpppM2.
In this case, no factory settings value.
Factory setting : [Freewheel] (YES) for drive rating ATV32pppN4.
If 1 phase disappears and if this leads to performance decrease, the drive switches to fault mode [Input phase loss] (PFH).
If 2 or 3 phases disappear, the drive trips in [Input phase loss] (PFH).
nO
YES
[Ignore] (nO): Detected fault ignored
[Freewheel] (YES): Detected fault with freewheel stop
Code Name / Description Adjustment range Factory setting
2 s
2 s
DRI- > CONF > FULL > FLT- > OPL-
Configuration Mode (ConF)
S1A28692 03/2010 239
Parameters described in this page can be accessed by:
(1) The parameter can also be accessed in the [SETTINGS] (SEt-) menu.
(2) Because, in this case, the detected fault does not trigger a stop, it is recommended to assign a relay or logic output to
its indication.
FLt- [FAULT MANAGEMENT] (continued)
OHL- [DRIVE OVERHEAT]
OHL [Overtemp fault mgt] [Freewheel] (YES)
CAUTION
RISK OF EQUIPMENT DAMAGE
Inhibiting drive overheating fault detection results in the drive not being protected. This invalidates the
warranty.
Check that the possible consequences do not present any risk.
Failure to follow these instructions can result in injury or equipment damage.
nO
YES
Stt
LFF
rLS
rMP
FSt
dCI
Behavior in the event of the drive overheating.
Note: A trip will occur when the thermal state reaches 118% of the rated state and reactivation will occur when the state falls
back below 90%.
[Ignore] (nO): Detected fault ignored
[Freewheel] (YES): Freewheel stop
[Per STT] (Stt): Stop according to configuration of [Type of stop] (Stt) page 158, without tripping. In this case, the fault
relay does not open and the drive is ready to restart as soon as the detected fault disappears, according to the restart conditions
of the active command channel (for example, according to [2/3 wire control] (tCC) and [2 wire type] (tCt) page 112 if
control is via the terminals). Configuring an alarm for this detected fault is recommended (assigned to a logic output, for example)
in order to indicate the cause of the stop.
[fallback spd] (LFF): Change to fallback speed, maintained as long as the detected fault persists and the run command has
not been removed (2)
[Spd maint.] (rLS): The drive maintains the speed being applied when the detected fault occurred, as long as the detected
fault is present and the run command has not been removed (2)
[Ramp stop] (rMP): Stop on ramp
[Fast stop] (FSt): Fast stop
[DC injection] (dCI): DC injection stop. This type of stop cannot be used with certain other functions. See table on page 148
tHA [Drv therm. state al] 0 to 118% 100%
Trip threshold for drive thermal alarm (logic output or relay).
Code Name / Description Adjustment range Factory setting
g
These parameters only appear if the corresponding function has been selected in another menu. When the parameters can
also be accessed and adjusted from within the configuration menu for the corresponding function, their description is detailed
in these menus, on the pages indicated, to aid programming.
Parameter that can be modified during operation or when stopped.
To change the assignment of this parameter, press the ENT key for 2 s.2 s
DRI- > CONF > FULL > FLT- > OHL-
Configuration Mode (ConF)
240 S1A28692 03/2010
Parameters described in this page can be accessed by:
Deferred stop on thermal alarm
This function helps to prevent the drive stopping between two steps of the process if the drive or motor
overheats, by authorizing operation until the next stop. At the next stop, the drive is locked until the thermal
state falls back to a value, which undershoots the set threshold by 20%. Example: A trip threshold set at 80%
enables reactivation at 60%.
One thermal state threshold must be defined for the drive, and one thermal state threshold for the motor(s),
which will trip the deferred stop.
Code Name / Description Adjustment range Factory setting
FLt- [FAULT MANAGEMENT] (continued)
SAt- [THERMAL ALARM STOP]
SAt [Thermal alarm stop] [No] (nO)
nO
YES
Thermal alarm stop function allow to set a custom alarm thermal level for the drive or the motor. When one of these levels is
reached, the drive trips in freewheel stop.
[No] (nO): Function inactive (in this case, the following parameters cannot be accessed)
[Yes] (YES): Freewheel stop on drive or motor thermal alarm
tHA [Drv therm. state al] 0 to 118% 100%
Thermal state threshold of the drive tripping the deferred stop.
ttd [Motor therm. level] 0 to 118% 100%
Thermal state threshold of the motor tripping the deferred stop.
ttd2 [Motor2 therm. level] 0 to 118% 100%
Thermal state threshold of the motor 2 tripping the deferred stop.
ttd3 [Motor3 therm. level] 0 to 118% 100%
Thermal state threshold of the motor 3 tripping the deferred stop.
FLt- [FAULT MANAGEMENT] (continued)
EtF- [EXTERNAL FAULT]
EtF [External fault ass.] [No] (nO)
nO
LI1
...
If the assigned bit is at 0, there is no external fault.
If the assigned bit is at 1, there is an external fault.
Logic can be configured via [External fault config] (LEt) if a logic input has been assigned.
[No] (nO): Function inactive
[LI1] (LI1): Logical input LI1
[...] (...): See the assignment conditions on page 138
LEt [External fault config] [Active high] (HIG)
g
Parameter can be accessed if the external fault has been assigned to a logic input. It defines the positive or negative logic of
the input assigned to the detected fault.
LO
HIG
[Active low] (LO): Trip on falling edge (change from 1 to 0) of the assigned input
[Active high] (HIG): Trip on rising edge (change from 0 to 1) of the assigned input
DRI- > CONF > FULL > FLT- > SAT-
Configuration Mode (ConF)
S1A28692 03/2010 241
Parameters described in this page can be accessed by:
EPL [External fault mgt] [Freewheel] (YES)
nO
YES
Stt
LFF
rLS
rMP
FSt
dCI
Type of stop in the event of an external fault.
[Ignore] (nO): External fault ignored
[Freewheel] (YES): Freewheel stop
[Per STT] (Stt): Stop according to configuration of [Type of stop] (Stt) page 158, without tripping. In this case, the fault
relay does not open and the drive is ready to restart as soon as the detected fault disappears, according to the restart
conditions of the active command channel (for example, according to [2/3 wire control] (tCC) and [2 wire type] (tCt)
page 112 if control is via the terminals). Configuring an alarm for this detected fault is recommended (assigned to a logic
output, for example) in order to indicate the cause of the stop.
[fallback spd] (LFF): Change to fallback speed, maintained as long as the detected fault persists and the run command has
not been removed (1)
[Spd maint.] (rLS): The drive maintains the speed being applied when the detected fault occurred, as long as the detected
fault is present and the run command has not been removed (1)
[Ramp stop] (rMP): Stop on ramp
[Fast stop] (FSt): Fast stop
[DC injection] (dCI): DC injection stop. This type of stop cannot be used with certain other functions. See table on page 150
FLt- [FAULT MANAGEMENT] (continued)
USb- [UNDERVOLTAGE MGT]
USb [UnderV. fault mgt] [Std fault] (0)
0
1
2
Behavior of the drive in the event of an undervoltage.
[Std fault] (0): The drive trips and the external fault signal is triggered (the fault relay assigned to [No drive flt] (FLt) will
be opened)
[Flt wo relay] (1): The drive trips but the external fault signal is not triggered (the fault relay assigned to [No drive flt] (FLt)
remains closed)
[Alarm] (2): Alarm and fault relay remain closed. The alarm can be assigned to a logic output or a relay
UrES [Mains voltage] According to drive voltage
rating
According to drive voltage
rating
200
220
230
240
380
400
440
460
500
Rated voltage of the line supply in V.
For ATV32pppM2:
[200V ac] (200): 200 Volts AC
[220V ac] (220): 220 Volts AC
[230V ac] (230): 230 Volts AC
[240V ac] (240): 240 Volts AC
For ATV32pppN4:
[380V ac] (380): 380 Volts AC
[400V ac] (400): 400 Volts AC
[440V ac] (440): 440 Volts AC
[460V ac] (460): 460 Volts AC
[500V ac] (500): 500 Volts AC (factory setting)
USL [Undervoltage level] 100 to 276 V According to drive rating
Undervoltage fault level setting in Volts. The factory setting is determined by the drive voltage rating.
USt [Undervolt. time out] 0.2 s to 999.9 s 0.2 s
Time delay for taking undervoltage detected fault into account.
StP [UnderV. prevention] [No] (nO)
nO
MMS
rMP
LnF
Behavior in the event of the undervoltage prevention level being reached.
[No] (nO): No action
[DC Maintain] (MMS): This stop mode uses the inertia to maintain the DC bus voltage as long as possible
[Ramp stop] (rMP): Stop following an adjustable ramp [Max stop time] (StM)
[Lock-out] (LnF): Lock (freewheel stop) without trip
tSM [UnderV. restart tm] 1.0 s to 999.9 s 1.0 s
g Time delay before authorizing the restart after a complete stop for [UnderV. prevention] (StP) = [Ramp stop] (rMP), if
the voltage has returned to normal.
Code Name / Description Adjustment range Factory setting
DRI- > CONF > FULL > FLT- > ETF-
Configuration Mode (ConF)
242 S1A28692 03/2010
Parameters described in this page can be accessed by:
(1) Because, in this case, the detected fault does not trigger a stop, it is recommended to assign a relay or logic output to
its indication.
UPL [Prevention level] 133 to 261 V According to drive rating
g Undervoltage prevention level setting in Volts, which can be accessed if [UnderV. prevention] (StP) is not [No] (nO). The
adjustment range and factory setting are determined by the drive voltage rating and the [Mains voltage] (UrES) value.
StM [Max stop time] 0.01 to 60.00 s 1.00 s
g Ramp time if [UnderV. prevention] (StP) is set to [Ramp stop] (rMP).
tbS [DC bus maintain tm] 1 to 9,999 s 9,999 s
g DC bus maintain time if [UnderV. prevention] (StP) is set to [DC Maintain] (MMS).
FLt- [FAULT MANAGEMENT] (continued)
tIt- [IGBT TESTS]
Strt [IGBT test] [No] (nO)
nO
YES
[No] (nO): No test
[Yes] (YES): The IGBTs are tested on power up and every time a run command is sent. These tests cause a slight delay (a
few ms). In the event of a detected fault, the drive will lock. The following faults can be detected:
- Drive output short-circuit (terminals U-V-W): SCF display.
- IGBT inoperable: xtF, where x indicates the number of the IGBT concerned.
- IGBT short-circuited: x2F, where x indicates the number of the IGBT concerned.
FLt- [FAULT MANAGEMENT] (continued)
LFL- [4-20mA LOSS]
LFL3 [AI3 4-20mA loss] [Ignore] (nO)
nO
YES
Stt
LFF
rLS
rMP
FSt
dCI
[Ignore] (nO): Detected fault ignored. This is the only possible configuration if [AI3 min. value] (CrL3) page 121 is not
greater than 3 mA
[Freewheel] (YES): Freewheel stop
[Per STT] (Stt): Stop according to configuration of [Type of stop] (Stt) page 158, without fault tripping. In this case, the
fault relay does not open and the drive is ready to restart as soon as the detected fault disappears, according to the restart
conditions of the active command channel (for example, according to [2/3 wire control] (tCC) and [2 wire type] (tCt)
page 112 if control is via the terminals). Configuring an alarm for this detected fault is recommended (assigned to a logic
output, for example) in order to indicate the cause of the stop
[Fallback spd] (LFF): Change to fallback speed, maintained as long as the detected fault persists and the run command
has not been removed (1)
[Spd maint.] (rLS): The drive maintains the speed being applied when the detected fault occurred, as long as the detected
fault is present and the run command has not been removed (1)
[Ramp stop] (rMP): Stop on ramp
[Fast stop] (FSt): Fast stop
[DC injection] (dCI): DC injection stop. This type of stop cannot be used with certain other functions. See table on page 148
Code Name / Description Adjustment range Factory setting
g
These parameters only appear if the corresponding function has been selected in another menu. When the parameters can
also be accessed and adjusted from within the configuration menu for the corresponding function, their description is detailed
in these menus, on the pages indicated, to aid programming.
Parameter that can be modified during operation or when stopped.
DRI- > CONF > FULL > FLT- > USB-
Configuration Mode (ConF)
S1A28692 03/2010 243
Parameters described in this page can be accessed by:
Parameter can be accessed in [Expert] mode
Code Name / Description Adjustment range Factory setting
FLt- [FAULT MANAGEMENT] (continued)
InH- [FAULT INHIBITION]
InH [Fault inhibit assign.] [No] (nO)
g
DANGER
LOSS OF PERSONNEL AND EQUIPMENT PROTECTION
Enabling [Fault inhibit assign.] (InH) will disable the drive controller protection features.
• [Fault inhibit assign.] (InH) should not be enabled for typical applications of this equipment.
• [Fault inhibit assign.] (InH) should be enabled only in extraordinary situations where a thorough risk
analysis demonstrates that the presence of adjustable speed drive protection poses a greater risk than
personnel injury or equipment damage.
Failure to follow these instructions will result in death or serious injury.
If the assigned input or bit is at 0, detected fault monitoring is active. If the assigned input or bit is at 1, fault monitoring is inactive.
Active detected faults are cleared on a rising edge (change from 0 to 1) of the assigned input or bit.
Note: The Safe Torque Off function and any detected faults that help to prevent any form of operation are not affected by this
function.
Following faults can be inhibited:
AnF, CnF, COF, CrF1, dLF, EnF, EPF1, EPF2, FCF2, InFA, InFb, LFF3, ObF, OHF, OLC,
OLF, OPF1, OPF2, OSF, OtFL,PHF, PtFL, SLF1, SLF2, SLF3, SOF, SPF, SSF, tJF, tnF and
ULF.
nO
LI1
...
[No] (nO): Function inactive
[LI1] (LI1): Logical input LI1
[...] (...): See the assignment conditions on page 138
FLt- [FAULT MANAGEMENT] (continued)
CLL- [COM. FAULT MANAGEMENT]
CLL [Network fault mgt] [Freewheel] (YES)
WARNING
LOSS OF CONTROL
If Network fault management [Network fault mgt] (CLL) is set to [Ignore] (nO), communication control
will be inhibited.
For safety reasons, inhibiting the communication interruption detection should be restricted to the debug
phase or to special applications.
Failure to follow these instructions can result in death, serious injury, or equipment damage.
nO
YES
Stt
LFF
rLS
rMP
FSt
dCI
Behavior of the drive in the event of a communication interruption with a communication card.
[Ignore] (nO): Detected fault ignored
[Freewheel] (YES): Freewheel stop
[Per STT] (Stt): Stop according to configuration of [Type of stop] (Stt) page 158, without fault tripping. In this case, the
fault relay does not open and the drive is ready to restart as soon as the detected fault disappears, according to the restart
conditions of the active command channel (for example, according to [2/3 wire control] (tCC) and [2 wire type] (tCt) page
112 if control is via the terminals). Configuring an alarm for this detected fault is recommended (assigned to a logic output, for
example) in order to indicate the cause of the stop
[Fallback spd] (LFF): Change to fallback speed, maintained as long as the detected fault persists and the run command has
not been removed (1)
[Spd maint.] (rLS): The drive maintains the speed being applied when the detected fault occurred, as long as the detected
fault is present and the run command has not been removed (1)
[Ramp stop] (rMP): Stop on ramp
[Fast stop] (FSt): Fast stop
[DC injection] (dCI): DC injection stop. This type of stop cannot be used with certain other functions. See table on page 148
2 s
DRI- > CONF > FULL > FLT- > INH-
Configuration Mode (ConF)
244 S1A28692 03/2010
Parameters described in this page can be accessed by:
COL [CANopen fault mgt] [Freewheel] (YES)
WARNING
LOSS OF CONTROL
If CANopen® fault management [Unld. Thr. 0. Speed.] (COL) is set to [Ignore] (nO), communication
control will be inhibited.
For safety reasons, inhibiting the communication interruption detection should be restricted to the debug
phase or to special applications.
Failure to follow these instructions can result in death, serious injury, or equipment damage.
nO
YES
Stt
LFF
rLS
rMP
FSt
dCI
Behavior of the drive in the event of a communication interruption with integrated CANopen®.
[Ignore] (nO): Detected fault ignored
[Freewheel] (YES): Freewheel stop
[Per STT] (Stt): Stop according to configuration of [Type of stop] (Stt) page 158, without fault tripping. In this case, the
fault relay does not open and the drive is ready to restart as soon as the detected fault disappears, according to the restart
conditions of the active command channel (for example, according to [2/3 wire control] (tCC) and [2 wire type] (tCt) page
112 if control is via the terminals). Configuring an alarm for this detected fault is recommended (assigned to a logic output, for
example) in order to indicate the cause of the stop.
[fallback spd] (LFF): Change to fallback speed, maintained as long as the detected fault persists and the run command has
not been removed (1)
[Spd maint.] (rLS): The drive maintains the speed being applied when the detected fault occurred, as long as the detected
fault is present and the run command has not been removed (1)
[Ramp stop] (rMP): Stop on ramp
[Fast stop] (FSt): Fast stop
[DC injection] (dCI): DC injection stop. This type of stop cannot be used with certain other functions. See table on page 150.
SLL [Modbus fault mgt] [Freewheel] (YES)
WARNING
LOSS OF CONTROL
If Modbus fault management [Modbus fault mgt] (SLL) is set to [Ignore] (nO), communication control
will be inhibited.
For safety reasons, inhibiting the communication interruption detection should be restricted to the debug
phase or to special applications.
Failure to follow these instructions can result in death, serious injury, or equipment damage.
nO
YES
Stt
LFF
rLS
rMP
FSt
dCI
Behavior of the drive in the event of a communication interruption with integrated Modbus.
[Ignore] (nO): Detected fault ignored
[Freewheel] (YES): Freewheel stop
[Per STT] (Stt): Stop according to configuration of [Type of stop] (Stt) page 158, without fault tripping. In this case, the
fault relay does not open and the drive is ready to restart as soon as the detected fault disappears, according to the restart
conditions of the active command channel (for example, according to [2/3 wire control] (tCC) and [2 wire type] (tCt) page
112 if control is via the terminals). Configuring an alarm for this detected fault is recommended (assigned to a logic output, for
example) in order to indicate the cause of the stop.
[fallback spd] (LFF): Change to fallback speed, maintained as long as the detected fault persists and the run command has
not been removed (1)
[Spd maint.] (rLS): The drive maintains the speed being applied when the detected fault occurred, as long as the detected
fault is present and the run command has not been removed (1)
[Ramp stop] (rMP): Stop on ramp
[Fast stop] (FSt): Fast stop
[DC injection] (dCI): DC injection stop. This type of stop cannot be used with certain other functions. See table on page 150.
Code Name / Description Adjustment range Factory setting
DRI- > CONF > FULL > FLT- > CLL-
Configuration Mode (ConF)
S1A28692 03/2010 245
Parameters described in this page can be accessed by:
(1) Because, in this case, the detected fault does not trigger a stop, it is recommended to assign a relay or logic output to
its indication.
FLt- [FAULT MANAGEMENT] (continued)
tId- [TORQUE OR I LIM. DETECT]
SSb [Trq/I limit. stop] [Ignore] (nO)
nO
YES
Stt
LFF
rLS
rMP
FSt
dCI
Behavior in the event of switching to torque or current limitation.
[Ignore] (nO): Detected fault ignored
[Freewheel] (YES): Freewheel stop
[Per STT] (Stt): Stop according to configuration of [Type of stop] (Stt) page 158, without fault tripping. In this case, the
fault relay does not open and the drive is ready to restart as soon as the detected fault disappears, according to the restart
conditions of the active command channel (for example, according to [2/3 wire control] (tCC) and [2 wire type] (tCt) page
112 if control is via the terminals). Configuring an alarm for this detected fault is recommended (assigned to a logic output, for
example) in order to indicate the cause of the stop
[fallback spd] (LFF): Change to fallback speed, maintained as long as the detected fault persists and the run command has
not been removed (1)
[Spd maint.] (rLS): The drive maintains the speed being applied when the detected fault occurred, as long as the detected
fault is present and the run command has not been removed (1)
[Ramp stop] (rMP): Stop on ramp
[Fast stop] (FSt): Fast stop
[DC injection] (dCI): DC injection stop. This type of stop cannot be used with certain other functions. See table on page 150
StO [Trq/I limit. time out] 0 to 9,999 ms 1,000 ms
(If trip has been configured)
Time delay for taking SSF limitation into account.
Code Name / Description Adjustment range Factory setting
g
These parameters only appear if the corresponding function has been selected in another menu. When the parameters can
also be accessed and adjusted from within the configuration menu for the corresponding function, their description is detailed
in these menus, on the pages indicated, to aid programming.
Parameter that can be modified during operation or when stopped.
To change the assignment of this parameter, press the ENT key for 2 s.2 s
DRI- > CONF > FULL > FLT- > TID-
Configuration Mode (ConF)
246 S1A28692 03/2010
Use of the "Pulse input" input to measure the speed of rotation of the motor
This function uses the "Pulse input" input and can only be used if the "Pulse input" input is not being used for
another function.
Example of use
An indexed disk driven by the motor and connected to a proximity sensor can be used to generate a frequency
signal that is proportional to the speed of rotation of the motor.
When applied to the "Pulse input" input, this signal supports:
• Measurement and display of the motor speed: signal frequency = 1/T. This frequency is displayed by means
of the [Pulse in. work. freq.] (FqS) parameter, page 44.
• Overspeed detection (if the measured speed exceeds a preset threshold, the drive will trip).
• Brake failure detection, if brake logic control has been configured: If the speed does not drop sufficiently
quickly following a command to engage the brake, the drive will trip. This function can be used to detect
worn brake linings.
• Detection of a speed threshold that can be adjusted using [Pulse warning thd.] (FqL) page 89 and is
assignable to a relay or logic output, see page 123.
T
Time, in seconds
Configuration Mode (ConF)
S1A28692 03/2010 247
Parameters described in this page can be accessed by:
Code Name / Description Adjustment range Factory setting
FLt- [FAULT MANAGEMENT] (continued)
FqF- [FREQUENCY METER]
FqF [Frequency meter] [No] (nO)
nO
YES
Activation of the speed measurement function.
[No] (nO): Function inactive. In this case, none of the function parameters can be accessed
[Yes] (YES): Function active, assignment only possible if no other functions have been assigned to the "Pulse input" input
FqC [Pulse scal. divisor] 1.0 to 100.0 1.0
Scaling factor for the "Pulse input" input (divisor). The frequency measured is displayed by means of the
[Pulse in. work. freq.] (FqS) parameter, page 44.
FqA [Overspd. pulse thd.] [No] (nO)
nO
-
Activation and adjustment of overspeed monitoring: [Overspeed] (SOF).
[No] (nO): No overspeed monitoring
1 Hz to 20.00 kHz: Adjustment of the frequency tripping threshold on the "Pulse input" input divided by
[Pulse scal. divisor] (FqC).
tdS [Pulse overspd delay] 0.0 s to 10.0 s 0.0 s
Time delay for taking overspeed detected fault into account.
Fdt [Level fr. pulse ctrl] [No] (nO)
nO
-
Activation and adjustment of monitoring for the Pulse input (speed feedback): [Speed fdback loss] (SPF).
[No] (nO): No monitoring of speed feedback
0.1 Hz to 599 Hz: Adjustment of the motor frequency threshold for tripping a speed feedback detected fault (difference between
the estimated frequency and the measured speed).
Fqt [Pulse thd. wo Run] [No] (nO)
nO
-
Activation and adjustment of brake failure monitoring: [Brake feedback] (brF). If brake logic control [Brake ] (bLC) page
179 is not configured, this parameter is forced to [No] (nO).
[No] (nO): No brake monitoring
1 Hz to 1,000 Hz: Adjustment of the motor frequency threshold for tripping a brake failure trip (detection of speeds other than 0).
tqb [Pulse wo Run delay] 0.0 s to 10.0 s 0.0 s
Time delay for taking brake failure trip into account.
DRI- > CONF > FULL > FLT- > FQF-
Configuration Mode (ConF)
248 S1A28692 03/2010
Parameters described in this page can be accessed by:
Load variation detection
This detection is only possible with the High-speed hoisting function. It can be used to detect if an obstacle
has been reached, triggering a sudden (upward) increase or (downward) decrease in the load.
Load variation detection triggers a [Dynamic load fault] (dLF). The [Dyn. load Mgt.] (dLb) parameter can
be used to configure the response of the drive in the event of this detected fault.
Load variation detection can also be assigned to a relay or a logic output.
There are two possible detection modes, depending on the configuration of high-speed hoisting:
• Speed reference mode
[High speed hoisting] (HSO) page 190 is set to [Speed ref] (SSO).
Torque variation detection.
During high-speed operation, the load is compared to that measured during the speed step. The
permissible load variation and its duration can be configured. If exceeded, the drive switches to fault mode.
• Current limitation mode
[High speed hoisting] (HSO) page 190 is set to [Current Limit] (CSO).
On ascend, during high-speed operation, an increase in load will result in a drop in speed. Even if high-
speed operation has been activated, if the motor frequency drops below the [I Limit Frequency] (SCL)
threshold page 190, the drive will switch to fault mode. The detection is realised only for a positive variation
of the load and only in the high speed area (area upper to [I Limit Frequency] (SCL)).
On descend, operation takes the form of Speed reference mode.
Code Name / Description Adjustment range Factory setting
FLt- [FAULT MANAGEMENT] (continued)
dLd- [DYNAMIC LOAD DETECT.]
Load variation detection. This can be accessed if [High speed hoisting] (HSO) page 190 is not [No] (nO).
tLd [Dynamic load time] [No] (nO)
nO
-
Activation of load variation detection and adjustment of time delay for taking load variation detected fault
[Dynamic load fault] (dLF) into account.
[No] (nO): No load variation detection
0.00 s to 10.00 s: Adjustment of the time delay for taking detected fault into account.
dLd [Dynamic load threshold] 1 to 100% 100%
Adjustment of the trip threshold for load variation detection, as a % of the load measured during the speed step.
dLb [Dyn. load Mgt.] [Freewheel] (YES)
nO
YES
Stt
LFF
rLS
rMP
FSt
Behavior of the drive in the event of a load variation detected fault.
[Ignore] (nO): Detected fault ignored
[Freewheel] (YES): Freewheel stop
[Per STT] (Stt): Stop according to configuration of [Type of stop] (Stt) page 158, without tripping. In this case, the fault
relay does not open and the drive is ready to restart as soon as the detected fault disappears, according to the restart conditions
of the active command channel, (for example, according to [2/3 wire control] (tCC) and [2 wire type] (tCt) page 112 if
control is via the terminals). Configuring an alarm for this detected fault is recommended (assigned to a logic output, for example)
in order to indicate the cause of the stop
[Fallback spd.] (LFF): Change to fallback speed, maintained as long as the detected fault persists and the run command has
not been removed (1)
[Spd maint.] (rLS): The drive maintains the speed at the time the detected fault occurred, as long as the detected fault persists
and the run command has not been removed (1)
[Ramp stop] (rMP): Stop on ramp
[Fast stop] (FSt): Fast stop
DRI- > CONF > FULL > FLT- > DLD-
Configuration Mode (ConF)
S1A28692 03/2010 249
Parameters described in this page can be accessed by:
(1) Because, in this case, the detected fault does not trigger a stop, it is recommended to assign a relay or logic output to
its indication.
FLt- [FAULT MANAGEMENT] (continued)
tnF- [AUTO TUNING FAULT]
tnL [Autotune fault mgt] [Freewheel] (YES)
nO
YES
[Ignore] (nO): Detected fault ignored
[Freewheel] (YES): Freewheel stop
Code Name / Description Adjustment range Factory setting
g
These parameters only appear if the corresponding function has been selected in another menu. When the parameters can
also be accessed and adjusted from within the configuration menu for the corresponding function, their description is detailed
in these menus, on the pages indicated, to aid programming.
Parameter that can be modified during operation or when stopped.
DRI- > CONF > FULL > FLT- > TNF-
Configuration Mode (ConF)
250 S1A28692 03/2010
Parameters described in this page can be accessed by:
Card pairing
Function can only be accessed in [Expert] (EPr) mode.
This function is used to detect whenever a card has been replaced or the software has been modified in any
way.
When a pairing password is entered, the parameters of the card currently inserted are stored. On every
subsequent power-up, these parameters are verified and, in the event of a discrepancy, the drive locks in HCF
fault mode. Before the drive can be restarted, you must revert to the original situation or re-enter the pairing
password.
The following parameters are verified:
• The type of card for: all cards.
• The software version for: the control block, the communication cards.
• The serial number for: the control block.
Code Name / Description Adjustment range Factory setting
FLt- [FAULT MANAGEMENT] (continued)
PPI- [CARDS PAIRING]
PPI [Pairing password] [OFF] (OFF) to 9,999 [OFF] (OFF)
g
OFF
-
The [OFF] (OFF) value signifies that the card pairing function is inactive
The [ON] (On) value signifies that card pairing is active and that an access code must be entered in order to start the drive in
the event of a card pairing detected fault
As soon as the code has been entered, the drive is unlocked and the code changes to [ON] (On).
The PPI code is an unlock code known only to Schneider Electric Product Support.
g
These parameters only appear if the corresponding function has been selected in another menu. When the parameters can
also be accessed and adjusted from within the configuration menu for the corresponding function, their description is detailed
in these menus, on the pages indicated, to aid programming.
DRI- > CONF > FULL > FLT- > PPI-
Configuration Mode (ConF)
S1A28692 03/2010 251
Parameters described in this page can be accessed by:
Process underload detected fault
A process underload is detected when the next event occurs and remains pending for a minimum time
[Unld Time Detect.] (ULt), which is configurable:
• The motor is in steady state and the torque is below the set underload limit ([Unld. Thr. 0. Speed.] (LUL),
[Unld. Thr. Nom. Speed.] (LUn), [Unld. Freq. Thr. Det.] (rMUd) parameters).
• The motor is in steady state when the offset between the frequency reference and motor frequency falls
below the configurable threshold [Hysteresis Freq. Att.] (Srb).
Between zero frequency and the rated frequency,
the curve reflects the following equation:
torque = LUL +
The underload function is not active for
frequencies below
[Unld. Freq. Thr. Det.] (rMUd).
A relay or a logic output can be assigned to the signaling of this detected fault in the
[INPUTS / OUTPUTS CFG] (I_O-) menu.
0
LUL
LUn
rMUd FrS Frequency
Torque as a % of
the rated torque
Underload
zone
(LUn - LUL) x (frequency)2
(rated frequency)2
Code Name / Description Adjustment range Factory setting
FLt- [FAULT MANAGEMENT] (continued)
ULd- [PROCESS UNDERLOAD]
ULt [Unld T. Del. Detect.] 0 to 100 s 0 s
Underload detection time delay.
A value of 0 deactivates the function and makes the other parameters inaccessible.
LUn [Unld. Thr. Nom. Speed.] 20 to 100% 60%
g Underload threshold at rated motor frequency ([Rated motor freq.] (FrS) page 74), as a % of the rated motor torque.
LUL [Unld. Thr. 0. Speed.] 0 to [Unld.Thr.Nom.Speed]
(LUn)
0%
g Underload threshold at zero frequency, as a % of the rated motor torque.
rMUd [Unld. Freq. Thr. Det.] 0 to 599 Hz 0 Hz
g Minimum frequency underload detection threshold.
Srb [Hysteresis Freq. Att.] 0.3 to 599 Hz 0.3 Hz
g Maximum deviation between the frequency reference and the motor frequency, which defines steady state operation.
DRI- > CONF > FULL > FLT- > ULD-
Configuration Mode (ConF)
S1A28692 03/2010 252
Parameters described in this page can be accessed by:
UdL [Underload Managmt.] [Freewheel] (YES)
g Behavior on switching to underload detection.
nO
YES
rMP
FSt
[Ignore] (nO): Detected fault ignored
[Freewheel] (YES): Freewheel stop
[Ramp stop] (rMP): Stop on ramp
[Fast stop] (FSt): Fast stop
FtU [Underload T.B. Rest.] 0 to 6 min 0 min
g This parameter cannot be accessed if [Underload Mangmt.] (UdL) is set to [Ignore] (nO).
Minimum time permitted between an underload being detected and any automatic restart.
In order to allow an automatic restart, the value of [Max. restart time] (tAr) page 234 must exceed this parameter by at least
one minute.
g
These parameters only appear if the corresponding function has been selected in another menu. When the parameters can
also be accessed and adjusted from within the configuration menu for the corresponding function, their description is detailed
in these menus, on the pages indicated, to aid programming.
Parameter that can be modified during operation or when stopped.
Code Name / Description Adjustment range Factory setting
DRI- > CONF > FULL > FLT- > ULD-
Configuration Mode (ConF)
S1A28692 03/2010 253
Parameters described in this page can be accessed by:
Process overload detected fault
A process overload is detected when the next event occurs and remains pending for a minimum time
[Ovld Time Detect.] (tOL), which is configurable:
• The drive is in current limitation mode.
• The motor is in steady state and the current is above the set overload threshold
[Ovld Detection Thr.] (LOC).
The motor is in steady state when the offset between the frequency reference and motor frequency falls below
the configurable threshold [Hysteresis Freq. Att.] (Srb).
A relay or a logic output can be assigned to the signaling of this detected fault in the
[INPUTS / OUTPUTS CFG] (I_O-) menu.
Code Name / Description Adjustment range Factory setting
FLt- [FAULT MANAGEMENT] (continued)
OLd- [PROCESS OVERLOAD]
tOL [Ovld Time Detect.] 0 to 100 s 0 s
Overload detection time delay.
A value of 0 deactivates the function and makes the other parameters inaccessible.
LOC [Ovld Detection Thr.] 70 to 150% 110%
g
(1)
Overload detection threshold, as a % of the rated motor current [Rated mot. current] (nCr) page 74. This value must be less
than the limit current in order for the function to work.
Srb [Hysteresis Freq.Att.] 0 to 599 Hz 0.3 Hz
g
(1)
Maximum deviation between the frequency reference and the motor frequency, which defines steady state operation.
OdL [Ovld.Proces.Mngmt] [Freewheel] (YES)
g Behavior on switching to overload detection.
nO
YES
rMP
FSt
[Ignore] (nO): Detected fault ignored
[Freewheel] (YES): Freewheel stop
[Ramp stop] (rMP): Stop on ramp
[Fast stop] (FSt): Fast stop
FtO [Overload T.B.Rest.] 0 to 6 min 0 min
g
(1)
This parameter cannot be accessed if [Ovld.Proces.Mngmt] (OdL) is set to [Ignore] (nO).
Minimum time permitted between an overload being detected and any automatic restart.
In order to allow an automatic restart, the value of [Max. restart time] (tAr) page 234 must exceed this parameter by at least
one minute.
FLt- [FAULT MANAGEMENT] (continued)
LFF- [FALLBACK SPEED]
LFF [Fallback speed] 0 to 599 Hz 0 Hz
Selection of the fallback speed.
DRI- > CONF > FULL > FLT- > OLD-
Configuration Mode (ConF)
254 S1A28692 03/2010
Parameters described in this page can be accessed by:
FLt- [FAULT MANAGEMENT] (continued)
FSt- [RAMP DIVIDER]
dCF [Ramp divider] 0 to 10 4
g
(1)
The ramp that is enabled ([Deceleration] (dEC) or [Deceleration 2] (dE2)) is then divided by this coefficient when stop
requests are sent.
Value 0 corresponds to a minimum ramp time.
FLt- [FAULT MANAGEMENT] (continued)
dCI- [DC INJECTION]
IdC [DC inject. level 1] 0.1 to 1.41 In (2) 0.64 In (2)
g
(1) (3)
CAUTION
RISK OF DAMAGE TO THE MOTOR
Check that the motor will withstand this current without overheating.
Failure to follow these instructions can result in equipment damage.
Level of DC injection braking current activated via logic input or selected as stop mode.
tdI [DC injection time 1] 0.1 to 30 s 0.5 s
g
(1) (3)
CAUTION
RISK OF DAMAGE TO THE MOTOR
• Long periods of DC injection braking can cause overheating and damage the motor.
• Protect the motor by avoiding long periods of DC injection braking.
Failure to follow these instructions can result in equipment damage.
Maximum current injection time [DC inject. level 1] (IdC). After this time, the injection current becomes
[DC inject. level 2] (IdC2).
IdC2 [DC inject. level 2] 0.1 In (2) to [DC inject. level 1] (IdC) 0.5 In (2)
g
(1) (3)
CAUTION
RISK OF DAMAGE TO THE MOTOR
Check that the motor will withstand this current without overheating.
Failure to follow these instructions can result in equipment damage.
Injection current activated by logic input or selected as stop mode, once period of time [DC injection time 1] (tdI) has
elapsed.
Code Name / Description Adjustment range Factory setting
DRI- > CONF > FULL > FLT- > FST-
Configuration Mode (ConF)
S1A28692 03/2010 255
Parameters described in this page can be accessed by:
(1) The parameter can also be accessed in the[SETTINGS] (SEt-) and [APPLICATION FUNCT.] (FUn-) menus.
(2) In corresponds to the rated drive current indicated in the Installation manual and on the drive nameplate.
(3) These settings are independent of the [AUTO DC INJECTION] (AdC-) function.
tdC [DC injection time 2] 0.1 to 30 s 0.5 s
g
(1) (3)
CAUTION
RISK OF DAMAGE TO THE MOTOR
• Long periods of DC injection braking can cause overheating and damage the motor.
• Protect the motor by avoiding long periods of DC injection braking.
Failure to follow these instructions can result in equipment damage.
Maximum injection time [DC inject. level 2] (IdC2) for injection, selected as stop mode only.
This parameter can be accessed if [Type of stop] (Stt) is set to [DC injection] (dCI).
Code Name / Description Adjustment range Factory setting
g
These parameters only appear if the corresponding function has been selected in another menu. When the parameters can
also be accessed and adjusted from within the configuration menu for the corresponding function, their description is detailed
in these menus, on the pages indicated, to aid programming.
Parameter that can be modified during operation or when stopped.
DRI- > CONF > FULL > FLT- > DCI-
Configuration Mode (ConF)
256 S1A28692 03/2010
Parameters described in this page can be accessed by:
Communication
With integrated display terminal:
SIM-ESC
ESC
ENT
COM-
LAC
FLt-
FUn-
ESC
ESC
ESC
ENT
ESC
= ENT ESC = ESC
FULL
COMMUNICATION
From COnF menu
Code Name / Description Adjustment range Factory setting
FULL [FULL] (continued)
COM- [COMMUNICATION]
ICS- [COM. SCANNER INPUT]
[Scan. IN1 address] (nMA1) to [Scan. IN4 address] (nMA4) could be used for Fast Task of the communication scanner
(see Modbus & CANopen® communication manual).
nMA1 [Scan. IN1 address] 3,201
Address of the 1st input word.
nMA2 [Scan. IN2 address] 8,604
Address of the 2nd input word.
nMA3 [Scan. IN3 address] 0
Address of the 3rd input word.
nMA4 [Scan. IN4 address] 0
Address of the 4th input word.
nMA5 [Scan. IN5 address] 0
Address of the 5th input word.
nMA6 [Scan. IN6 address] 0
Address of the 6th input word.
nMA7 [Scan. IN7 address] 0
Address of the 7th input word.
DRI- > CONF > FULL > COM- > ICS-
Configuration Mode (ConF)
S1A28692 03/2010 257
Parameters described in this page can be accessed by:
nMA8 [Scan. IN8 address] 0
Address of the 8th input word.
COM- [COMMUNICATION] (continued)
OCS- [COM. SCANNER OUTPUT]
[Scan. Puy address] (nCA1) to [Scan. Out4 address] (nCA4) could be used for Fast Task of the communication scanner
(see Modbus & CANopen® communication manual).
nCA1 [Scan.Out1 address] 8,501
Address of the 1st output word.
nCA2 [Scan.Out2 address] 8,602
Address of the 2nd output word.
nCA3 [Scan.Out3 address] 0
Address of the 3rd output word.
nCA4 [Scan.Out4 address] 0
Address of the 4th output word.
nCA5 [Scan.Out5 address] 0
Address of the 5th output word.
nCA6 [Scan.Out6 address] 0
Address of the 6th output word.
nCA7 [Scan.Out7 address] 0
Address of the 7th output word.
nCA8 [Scan.Out8 address] 0
Address of the 8th output word.
COM- [COMMUNICATION] (continued)
Md1- [MODBUS NETWORK]
Add [Modbus Address] [OFF] (OFF) to 247 [OFF] (OFF)
OFF
-
[OFF] (OFF)
1 to 247
AMOC [Modbus add Com. C.] [OFF] (OFF) to 247 [OFF] (OFF)
g
OFF
-
[OFF] (OFF)
1 to 247
tbr [Modbus baud rate] [19.2 Kbps] (19 2)
4 8 - 9 6 - 19 2 - 38 4 kbps on the integrated display terminal.
4800, 9600, 19200 or 38400 bauds on the graphic display terminal.
tFO [Modbus format] [8-E-1] (8E1)
8O1 - 8E1 - 8n1, 8n2
ttO [Modbus time out] 0.1 to 30 s 10.0 s
0.1 to 30 s
COM1 [Mdb com stat]
r0t0
r0t1
r1t0
r1t1
[r0t0] (r0t0): Modbus no reception, no transmission = communication idle
[r0t1] (r0t1): Modbus no reception, transmission
[r1t0] (r1t0): Modbus reception, no transmission
[r1t1] (r1t1): Modbus reception and transmission
g
These parameters only appear if the corresponding function has been selected in another menu. When the parameters can
also be accessed and adjusted from within the configuration menu for the corresponding function, their description is detailed
in these menus, on the pages indicated, to aid programming.
Code Name / Description Adjustment range Factory setting
DRI- > CONF > FULL > COM- > ICS-
Configuration Mode (ConF)
258 S1A28692 03/2010
Parameters described in this page can be accessed by:
BLUETOOTH
Code Name / Description Adjustment range Factory setting
COM- [COMMUNICATION] (continued)
btH- [BLUETOOTH]
pAn [Device Name]
Device name set with graphic display terminal.
Note: The length is up to 16 alphanumeric digits on the product. According to bluetooth driver, device name must not exceed 14
digits. Digits n°14 & 15 will not be displayed through bluetooth network.
MAC [Mac @]
Read only information accessible with graphic display terminal (XX-XX-XX-XX-XX-XX).
This information is also available on the label in front of the product.
btUA [Bluetooth Activation] [OFF] (OFF)
OFF
On
Activation of the integrated Bluetooth.
[OFF] (OFF): Integrated Bluetooth deactivated
[ON] (On): Integrated Bluetooth activated
btUC [Bluetooth Visibility] [No] (nO)
g Bluetooth Visibility Condition.
nO
FLt
YES
LI1
...
[No] (nO): Not assigned
[No drive flt] (Flt): Drive in fault state
[Yes] (YES): Yes
[LI1] (LI1): Logical input LI1
[...] (...): See the assignment conditions on page 138
btPI [PIN code] 0 to 9,999 0
Bluetooth PIN code from 0 to 9,999.
Example: In order to set a pin code like "0001", just set "1".
COM- [COMMUNICATION] (continued)
CnO- [CANopen]
AdCO [CANopen address] [OFF] (OFF) to 127 [OFF] (OFF)
OFF
-
[OFF] (OFF): OFF
1 to 127
bdCO [CANopen bit rate] [250 kbps] (250)
50
125
250
500
IM
[50 kbps] (50): 50,000 Bauds
[125 kbps] (125): 125,000 Bauds
[250 kbps] (250): 250,000 Bauds
[500 kbps] (500): 500,000 Bauds
[1 Mbps] (1M): 1 MBauds
ErCO [Error code] 0 to 5 -
Read-only parameter, cannot be modified.
DRI- > CONF > FULL > COM- > BTH-
Configuration Mode (ConF)
S1A28692 03/2010 259
Parameters described in this page can be accessed by:
COM- [COMMUNICATION] (continued)
Cbd- [COMMUNICATION CARD]
See the specific documentation for the card used.
LCF- [FORCED LOCAL]
FLO [Forced local assign.] [No] (nO)
WARNING
LOSS OF CONTROL
If the equipment switches to forced local mode, virtual input used in the current configuration will remain fixed
at the last value transmitted.
Do not use the virtual input and forced local mode in the same configuration.
Failure to follow these instructions can result in death, serious injury, or equipment damage.
nO
LI1
...
LI6
LAI1
LAI2
OL01
...
OL10
Forced local assignment.
Forced local mode is active when the input is at state 1.
[Forced local assign.] (FLO) is forced to [No] (nO) if [Profile] (CHCF) is set to [I/O profile] (IO) page 139.
[No] (nO): Function inactive
[LI1] (LI1): Logical input LI1
...
[LI6] (LI6): Logical input LI6
[LAI1] (LAI1): Logical input AI1
[LAI2] (LAI2): Logical input AI2
[OL01] (OL01): Function blocks: Logical Output 01
...
[OL10] (OL10): Function blocks: Logical Output 10
FLOC [Forced local Ref.] [No] (nO)
nO
AI1
AI2
AI3
LCC
PI
OA01
...
OA10
Forced local reference source assignment.
[No] (nO): Not assigned (control via the terminals with zero reference)
[AI1] (AI1): Analog input
[AI2] (AI2): Analog input
[AI3] (AI3): Analog input
[HMI] (LCC): Assignment of the reference and command to the graphic display terminal or remote display terminal.
Reference: [HMI Frequency ref.] (LFr) page 44.
Command: RUN/STOP/FWD/REV keys.
[RP] (PI): Pulse input
[OA01] (OA01): Function blocks: Analog Output 01
...
[OA10] (OA10): Function blocks: Analog Output 10
FLOt [Time-out forc. local] 0.1 to 30 s 10.0 s
g
0.1 to 30 s.
This parameter can be accessed if [Forced local assign.] (FLO) is not set to [No] (nO).
Time delay before communication monitoring is resumed on leaving forced local mode.
g
These parameters only appear if the corresponding function has been selected in another menu. When the parameters can
also be accessed and adjusted from within the configuration menu for the corresponding function, their description is detailed
in these menus, on the pages indicated, to aid programming.
Code Name / Description Adjustment range Factory setting
DRI- > CONF > FULL > COM- > CBD- > LCF-
Configuration Mode (ConF)
260 S1A28692 03/2010
Access Level
See [Access Level] (LAC) page 262.
S1A28692 03/2010 261
Interface (ItF)
6
Interface (ItF)
What's in this Chapter?
This chapter contains the following topics:
Topic Page
Access Level (LAC) 262
Language (LnG) 264
Monitoring Configuration (MCF) 265
Display configuration (dCF) 269
Interface (ItF)
262 S1A28692 03/2010
Parameters described in this page can be accessed by:
Access Level (LAC)
With integrated display terminal:
ItF-
ESC
ESC
ENT
dCF-
ESC
ENT
ESC
NCF-
= ENT ESC = ESC
LAC ACCESS LEVEL
From ItF- menu
Code Name / Description Factory setting
ItF- [3 INTERFACE]
LAC [3.1 ACCESS LEVEL] [Standard] (Std)
bAS
Std
AdU
Epr
[Basic] (bAS): Limited access to [SIMPLY START] (SIM-), [1.2 MONITORING] (MOn-), [SETTINGS] (SEt-),
[FACTORY SETTINGS] (FCS-), [5 PASSWORD] (COd) and [3.1 ACCESS LEVEL] (LAC-) menus. Only one function can be
assigned to each input.
[Standard] (Std): Access to all menus on the integrated display terminal. Only one function can be assigned to each input.
[Advanced] (AdU): Access to all menus on the integrated display terminal. Several functions can be assigned to each input.
[Expert] (EPr): Access to all menus on the integrated display terminal and access to additional parameters. Several functions can
be assigned to each input.
Parameter that can be modified during operation or when stopped.
ITF-
Interface (ItF)
S1A28692 03/2010 263
Comparison of the menus that can be accessed on the graphic display terminal/integrated display terminal
(1) Can be accessed only with graphic display terminal.
Access level
[1 DRIVE MENU] (drI-)
StandardStd
AdvancedAdU
ExpertEPr
[1.1 SPEED REFERENCE] (rEF-)
BasicbAS
[1.2 MONITORING] (MOn-)
MMO- (Monitoring motor)
IOM- (I/O MAP)
SAF- (Monitoring Safety)
MFb- (Monitoring Function Blocks)
CMM- (Communication Map)
MPI- (Monitoring PI)
PEt- (Monitoring Power time)
ALr- (Alarms) (1)
SSt- (Other state) (1)
COd- (Password)
[1.3 CONFIGURATION] (COnF)
MYMn- (My Menu)
FCS- (Factory Settings)
FULL (Full)
SIM- (Simply Start)
SEt- (Settings)
FbM- (Function
Blocks)
[2 IDENTIFICATION] (OId-) (1)
[3 INTERFACE] (ItF-) (1)
[3.1 ACCESS LEVEL] (LAC)
[3.2 LANGUAGE] (LnG)
[4 OPEN / SAVE AS] (trA-) (1)
[5 PASSWORD] (COd-) (1)
A single function can be assigned to each input.
[1 DRIVE MENU] (drI-) [1.2 MONITORING] (MOn-) dGt- (Diagnostics)
[1.3 CONFIGURATION] (COnF) FULL (Full)
drC- (Motor Control)
I_O- (Inputs /
Outputs Configuration)
CtL- (Command)
FUn- (Application
function)
FLt- (Fault
Management)
COM-
(Communication)
[3 INTERFACE] (ItF-)
(1)
[3.3 MONITORING CONFIG.] (MCF-)
A single function can be assigned to each input.
[3.4 DISPLAY CONFIG.] (dCF-) (1)
Several functions can be assigned to each input.
Expert parameters
Several functions can be assigned to each input.
Interface (ItF)
264 S1A28692 03/2010
Parameters described in this page can be accessed by:
Language (LnG)
When only one selection is possible, the selection made is indicated by
Example: Only one language can be chosen.
Code Name / Description Factory setting
LnG [3.2 LANGUAGE] [Language 0] (LnG0)
Current language index.
LnG0
...
LnG9
[Language 0] (LnG0)
...
[Language 9] (LnG9)
Parameter that can be modified during operation or when stopped.
RDY Term +0.0 Hz 0.0 A
3.2 LANGUAGE
English
Français
Deutsch
Español
Italiano
<< >> Quick
Chinese
Русский
Türkçe
ITF-
Interface (ItF)
S1A28692 03/2010 265
Monitoring Configuration (MCF)
This menu can only be accessed with the graphic display terminal.
This can be used to configure the information displayed on the graphic display screen during operation.
RDY Term +0.0 Hz 0.0 A
3 INTERFACE
3.1 ACCESS LEVEL
3.2 LANGUAGE
3.3 MONITORING CONFIG.
Code << >> Quick
ENT
RUN Term +0.0 Hz 0.0 A
3.3 MONITORING CONFIG.
PARAM. BAR SELECT
MONITOR SCREEN TYPE
COM. MAP CONFIG.
Code << >> Quick
[PARAM. BAR SELECT]: Selection of 1 to 2 parameters displayed on the top line (the first 2 cannot
be modified).
[MONITOR SCREEN TYPE]: Selection of parameters displayed in the centre of the screen and the
display mode (digital values or bar graph format).
[COM. MAP CONFIG.]: Selection of the words displayed and their format.
RUN Term +0.0 Hz 0.0 A
3.3 MONITORING CONFIG.
PARAM. BAR SELECT
MONITOR SCREEN TYPE
COM. MAP CONFIG.
Code << >> Quick
Interface (ItF)
266 S1A28692 03/2010
Parameters described in this page can be accessed by:
Code Name / Description
MCF- [3.3 MONITORING CONFIG]
Code Name / Description
PbS- [PARAM. BAR SELECT]
[AI1]
[AI2]
[AI3]
[AO1]
[ETA state world]
[Alarm groups]
[Frequency ref.]
[Output frequency]
[Motor current]
[Motor speed]
[Motor voltage]
[Motor power]
[Motor torque]
[Mains voltage]
[Motor thermal state]
[Drv. thermal state]
[Consumption]
[Run time]
[Power on time]
[IGBT alarm counter]
[Min. freq time]
[PID reference]
[PID feedback]
[PID error]
[PID Output]
[Config. active]
[Utilised param. set]
in V
in V
in mA
in V
in Hz: parameter displayed in factory configuration
in Hz
in A: parameter displayed in factory configuration
in rpm
in V
in W
as a %
in V
as a %
as a %
in Wh or kWh depending on drive rating
in hours (length of time the motor has been switched on)
in hours (length of time the drive has been switched on)
in seconds (total time of IGBT overheating alarms)
in seconds
as a %
as a %
as a %
in Hz
CNF0, 1 or 2 (see page 217)
SET1, 2 or 3 (see page 215)
Select the parameter using ENT (a then appears next to the parameter). Parameter(s) can also be
deselected using ENT.
1 or 2 parameters can be selected.
Example:
PARAM. BAR SELECT
MONITORING
- - - - - - - - -
- - - - - - - - -
- - - - - - - - -
- - - - - - - - -
ITF- > MCF-
Interface (ItF)
S1A28692 03/2010 267
Parameters described in this page can be accessed by:
Monitor screen type
Code Name / Description Factory setting
MSC- [MONITOR SCREEN TYPE]
Mdt [Display value type] [Digital] (dEC)
[Digital] (dEC)
[Bar graph] (bAr)
[List] (LISt)
MPC [PARAMETER SELECTION]
g
[AI1]
[AI2]
[AI3]
[AO1]
[ETA state world]
[Alarm groups]
[Frequency ref.]
[Output frequency]
[Pulse in. work. freq.]
[Motor current]
[Motor speed]
[Motor voltage]
[Motor power]
[Motor torque]
[Mains voltage]
[Motor thermal state]
[Drv. thermal state]
[Consumption]
[Run time]
[Power on time]
[IGBT alarm counter]
[Min. freq time]
[PID reference]
[PID feedback]
[PID error]
[PID Output]
in V
in V
in mA
in V
in Hz: parameter displayed in factory configuration
in Hz
in A: parameter displayed in factory configuration
in Hz
in rpm
in V
in W
as a %
in V
as a %
as a %
in Wh or kWh depending on drive rating
in hours (length of time the motor has been switched on)
in hours (length of time the drive has been switched on)
in seconds (total time of IGBT overheating alarms)
in seconds
as a %
as a %
as a %
in Hz
Select the parameter(s) using ENT (a then appears next to the parameter). Parameter(s) can also be deselected using ENT.
Examples include:
g
These parameters only appear if the corresponding function has been selected in another menu. When the parameters can
also be accessed and adjusted from within the configuration menu for the corresponding function, their description is detailed
in these menus, on the pages indicated, to aid programming.
Parameter that can be modified during operation or when stopped.
PARAMETER SELECTION
MONITORING
- - - - - - - - -
- - - - - - - - -
- - - - - - - - -
- - - - - - - - -
Display of 2 digital values Display of 2 bar graphs Display of a list of 5 values
RUN Term +35.0 Hz 80.0 A RUN Term +35.0 Hz 80.0 A RUN Term +35.0 Hz 80.0 A
Motor speed Min Motor speed max 1.2 MONITORING
1250 rpm 0 1250 rpm 1500 Frequency ref. : 50.1Hz
Motor current: 80 A
Motor current Min Motor current max Motor speed: 1250 rpm
80 A 0 80 A 150 Motor thermal state: 80%
Drv thermal state : 80%
Quick Quick Quick
ITF- > MCF- > MSC-
Interface (ItF)
268 S1A28692 03/2010
Parameters described in this page can be accessed by:
Communication map configuration
Code Name / Description Factory setting
AdL- [COM. MAP CONFIG.]
IAd1 [Word 1 add. select.] 0
Select the address of the word to be displayed by pressing the << and >> (F2 and F3) keys and rotating the jog dial.
FAd1 [Format word 1] [Hex] (HE )
Format of word 1.
HE
SIG
nSG
[Hex] (HE )
[Signed] (SIG)
[Unsigned] (nSG)
IAd2 [Word 2 add. select.] 0
Select the address of the word to be displayed by pressing the << and >> (F2 and F3) keys and rotating the jog dial.
FAd2 [Format word 2] [Hex] (HE )
Format of word 2.
HE
SIG
nSG
[Hex] (HE )
[Signed] (SIG)
[Unsigned] (nSG)
IAd3 [Word 3 add. select.] 0
Select the address of the word to be displayed by pressing the << and >> (F2 and F3) keys and rotating the jog dial.
FAd3 [Format word 3] [Hex] (HE )
Format of word 3.
HE
SIG
nSG
[Hex] (HE )
[Signed] (SIG)
[Unsigned] (nSG)
IAd4 [Word 4 add. select.] 0
Select the address of the word to be displayed by pressing the << and >> (F2 and F3) keys and rotating the jog dial.
FAd4 [Format word 4] [Hex] (HE )
Format of word 4.
HE
SIG
nSG
[Hex] (HE )
[Signed] (SIG)
[Unsigned] (nSG)
Then, it will be possible to view the selected words in the [COMMUNICATION MAP] submenu of the [1.2 MONITORING] menu.
Example:
Parameter that can be modified during operation or when stopped.
RUN Term +35.0 Hz 80.0 A
COMMUNICATION MAP
- - - - - - - -- -
- - - - -- - - - -
W3141: F230 Hex
<< >> Quick
ITF- > MCF- > ADL-
Interface (ItF)
S1A28692 03/2010 269
Display configuration (dCF)
This menu can only be accessed with the graphic display terminal. It can be used to customize parameters or
a menu and to access parameters.
• USER PARAMETERS: Customization of 1 to 15 parameters.
• MY MENU: Creation of a customized menu.
• PARAMETER ACCESS: Customization of the visibility and protection mechanisms of menus and
parameters.
• KEYPAD PARAMETERS: Adjustment of the contrast and stand-by mode of the graphic display terminal
(parameters stored in the terminal rather than in the drive). Choice of the menu displayed on power up.
RDY Term 0.0 Hz 0.0 A
MAIN MENU
1 DRIVE MENU
2 IDENTIFICATION
3 INTERFACE
4 OPEN / SAVE AS
5 PASSWORD
Code Quick
ENT
RDY Term 0.0 Hz 0.0 A
3.4 DISPLAY CONFIG.
USER PARAMETERS
MY MENU CONFIG.
PARAMETER ACCESS
KEYPAD PARAMETERS
Code << >> Quick
RDY Term 0.0 Hz 0.0 A
3 INTERFACE
3.1 ACCESS LEVEL
3.2 LANGUAGE
3.3 MONITORING CONFIG.
3.4 DISPLAY CONFIG.
Code << >> Quick
ENT
Code Name / Description
dCF- [3.4 DISPLAY CONFIG]
Interface (ItF)
270 S1A28692 03/2010
User parameters
If [Return std name] is set to [Yes], the display reverts to standard but the custom settings remain stored.
Selection of 1 to 15
parameters to be
customized.
Note: The 1st
line is [PARAMETER SELECTION] or
[RDY Term +0.0 Hz 0.0 A] depending on the path (ENT or
List).
List of customized parameters.
If no custom settings have
been made, the standard
values appear (names, units,
etc.).
Display on 1 or 2 lines of
characters.
Offsets and coefficients are
numerical values. Do not use
a too high multiplier
(99,999 - max display).
Use F1 to change to ABC, abc, 123, *[-.
Use the jog dial to increment the character (alphabetical order),
and << and >> (F2 and F3) to switch to the next or previous
character respectively.
Standard: use of the
factory set unit.
Customized: customization
of the unit.
%, mA, etc.: select from
drop-down list.
Once you have entered the unit,
if you press ENT, the Ramp
increment screen will re-appear
in order to display the name.
Press ESC to return to Unit.
The message entered appears
while the View key is pressed.
Names (USER MENU NAME, DRIVE NAME, configuration, serial no., lines of messages,
names of units, etc.) are customized as in the example of the parameter name shown
opposite.
If no custom settings have been made, the standard values appear (names, units, etc.).
Display on 1 or 2 lines of characters.
Use F1 to change to ABC, abc, 123, *[-.
Use the jog dial to increment the character (alphabetical order), and
<< and >> (F2 and F3) to switch to the next or previous character respectively.
RDY Term 0.0 Hz 0.0 A
USER PARAMETERS
Return std name : No
PARAMETER SELECTION
CUSTOMIZED SELECTION
MY MENU
DEVICE NAME
Code << >> Quick
SERVICE MESSAGE
CONFIGURATION 0
CONFIGURATION 1
CONFIGURATION 2
SERIAL NUMBER
ENT
ENT
ENT
ENT
ENT
ENT
ENT
RDY Term +0.0 Hz 0.0 A
Unit
Standard
Customized
%
mA
Quick
List
PARAMETER SELECTION
SETTINGS
Ramp increment
Acceleration
Deceleration
Acceleration 2
Deceleration 2
List
PARAMETER SELECTION
FULL
SIMPLY START
SETTINGS
MOTOR CONTROL
INPUTS / OUTPUTS CFG
COMMAND
List
RDY Term +0.0 Hz 0.0 A
CUSTOMIZED SELECTION
Ramp increment
Acceleration
Deceleration 2
Delete
RDY Term +0.0 Hz 0.0 A
Ramp increment
User name
Unit
Multiplier
Divisor
Offset
RDY Term +0.0 Hz 0.0 A
User name
1 DRIVE MENU
FLOW REFERENCE
Nb characters max. 13
ABC << >>
RDY Term +0.0 Hz 0.0 A
SERVICE MESSAGE
LINE 1
LINE 2
LINE 3
LINE 4
LINE 5
View Quick
RDY Term +0.0 Hz 0.0 A
Customized
1 DRIVE MENU
LBS
Nb characters max. 3
ABC << >>
RDY Term +0.0 Hz 0.0 A
LINE 2
1 DRIVE MENU
For any service, dial:
Nb characters max. 23
ABC << >> Quick
RDY Term +0.0 Hz 0.0 A
USER MENU NAME
1 DRIVE MENU
FLOW REFERENCE
Nb characters max. 18
ABC << >> Quick
ENT
Interface (ItF)
S1A28692 03/2010 271
Parameters described in this page can be accessed by:
Code Name / Description Factory setting
CUP- [USER PARAMETERS]
GSP [Return std name] [No] (nO)
Display standard parameters instead of customised ones.
nO
YES
[No] (nO)
[Yes] (YES)
MYMN [MY MENU]
PAn [DEVICE NAME]
SEr- [SERVICE MESSAGE]
SML01 [LINE 1]
SML02 [LINE 2]
SML03 [LINE 3]
SML04 [LINE 4]
SML05 [LINE 5]
CFN01 [CONFIGURATION 0]
CFN02 [CONFIGURATION 1]
CFN03 [CONFIGURATION 2]
PSn [SERIAL NUMBER]
Parameter that can be modified during operation or when stopped.
ITF- > DCF- > CUP-
Interface (ItF)
272 S1A28692 03/2010
My Menu config.
Selection of parameters
included in the user menu.
Note: The 1st line is
[PARAMETER
SELECTION] or
[RDY Term +0.0 Hz 0.0 A]
depending on the path (ENT
or List).
Parameter list making up the
user menu.
Use the F2 and F3 keys to
arrange the parameters in
the list (example below using
F3).
RDY Term +0.0 Hz 0.0 A
MY MENU CONFIG.
PARAMETER SELECTION
SELECTED LIST
Code << >> Quick
ENT
ENT
ENT
PARAMETER SELECTION
FULL
SIMPLY START
SETTINGS
MOTOR CONTROL
INPUTS / OUTPUTS CFG
COMMAND
List
PARAMETER SELECTION
SETTINGS
Ramp increment
Acceleration
Deceleration
Acceleration 2
Deceleration 2
List
List
RDY Term 0.0 Hz 0.0 A
SELECTED LIST
Ramp increment
Acceleration
Deceleration 2
Del Up Down
RDY Term +0.0 Hz 0.0 A
SELECTED LIST
Acceleration
Ramp increment
Speed prop. gain
Del Up Down
Code Name / Description
MYC- [MY MENU CONFIG.]
Interface (ItF)
S1A28692 03/2010 273
Parameter access
Note: The protected parameters are no longer accessible and are not, therefore, displayed for the selected
channels.
Selection to display all
parameters or only the
active parameters.
Press ESC to exit this
screen.
You remain exclusively
in the [1 DRIVE MENU]
menu. All menus are
selected by default.
Press ENT to deselect a
menu.
Press ENT to reselect a
menu.
Note: The protected channel (or channels) must be
selected, as a protected parameter on a selected channel
remains accessible on the channels that are not selected.
In these screens, all
parameters in the
[1 DRIVE MENU] menu
can be protected and are
displayed for selection,
except for the Expert
parameters.
Press the All key to
select all the parameters.
Press the All key again to
deselect all the
parameters.
RDY Term 0.0 Hz 0.0 A
PARAMETER ACCESS
PROTECTION
VISIBILITY
Code << >> Quick
RDY Term 0.0 Hz 0.0 A
VISIBILITY
PARAMETERS
MENUS
Code Quick
ENT
ENT RDY Term 0.0 Hz 0.0 A
PARAMETERS
Active
All
Quick
ENT
MENUS
1 DRIVE MENU
1.1 SPEED REFERENCE
1.2 MONITORING
1.3 CONFIGURATION
RDY Term 0.0 Hz 0.0 A
PROTECTION
PROTECTED CHANNELS
PROTECTED PARAMS
Code Quick
ENT
RDY Term 0.0 Hz 0.0 A
PROTECTED CHANNELS
HMI
PC TOOL
MODBUS
CANopen
COM. CARD
Code Quick
ENT
ENT
PROTECTED PARAMS
1 DRIVE MENU
1.1 SPEED REFERENCE
1.2 MONITORING
1.3 CONFIGURATION
All None
PROTECTED PARAMS
1.3 CONFIGURATION
MY MENU
FACTORY SETTINGS
Macro configuration
FULL
All None
ENT
PROTECTED PARAMS
APPLICATION FUNCT.
REF. OPERATIONS
RAMP
STOP CONFIGURATION
AUTO DC INJECTION
JOG
PROTECTED PARAMS
JOG
JOG
Jog frequency
Jog delay
ENT
No selections can be made in this
screen if there are no parameters.
Interface (ItF)
274 S1A28692 03/2010
Parameters described in this page can be accessed by:
Code Name / Description Factory setting
pAC- [PARAMETER ACCESS]
prO- [PROTECTION]
pCd- [PROTECTED CHANNELS]
COn
P S
Mdb
CAn
nEt
[HMI] (COn): Graphic display terminal or remote display terminal
[PC Tool] (P S): PC Software
[Modbus] (Mdb): Integrated Modbus
[CANopen] (CAn): Integrated CANopen®
[Com. card] (nEt): Communication card (if inserted)
UIS- [VISIBILITY]
PUIS [PARAMETERS] [Active] (ACt)
Parameter visibility: only active ones, or all parameters.
ACt
ALL
[Active] (ACt)
[All] (ALL)
Parameter that can be modified during operation or when stopped.
ITF- > DCF- > PAC- > PRO- > PCD-
Interface (ItF)
S1A28692 03/2010 275
Parameters described in this page can be accessed by:
Keypad parameters
RDY Term 0.0 Hz 0.0 A
KEYPAD PARAMETERS
Keypad contrast : 50%
Keypad stand-by : 5 min
Code << >> Quick
Code Name / Description Adjustment range Factory setting
CnL- [KEYPAD PARAMETERS]
CrSt [Keypad contrast] 0 to 100% 50%
Contrast of the keypad.
CSbY [Keypad stand-by] [No] (nO) to 10 min 5 min
Graphic keypad standby delay.
nO [No] (nO): No
Parameter that can be modified during operation or when stopped.
ITF- > DCF- > CNL-
Interface (ItF)
276 S1A28692 03/2010
S1A28692 03/2010 277
Open / Save as (trA)
7
Open / Save as (trA)
This menu can only be accessed with the graphic display terminal.
[4.1 OPEN]: To download one of the 4 files from the graphic display terminal to the drive.
RDY Term 0.0 Hz 0.0 A
MAIN MENU
1 DRIVE MENU
2 IDENTIFICATION
3 INTERFACE
4 OPEN / SAVE AS
5 PASSWORD
Code Quick
ENT RDY Term 0.0 Hz 0.0 A
4 OPEN / SAVE AS
4.1 OPEN
4.2 SAVE AS
Code << >> Quick
Open / Save as (trA)
278 S1A28692 03/2010
[4.2 SAVE AS]: To download the current drive configuration to the graphic display terminal.
Various messages may appear when the download is requested:
• [TRANSFER IN PROGRESS]
• [DONE]
• Error messages if download not possible
• [Motor parameters are NOT COMPATIBLE. Do you want to continue?]: In this case, the download is
possible, but the parameters will be restricted.
See details on the
next page.
ENT
RDY Term 0.0 Hz 0.0 A
4. OPEN / SAVE AS
4.1 OPEN
4.2 SAVE AS
Code << >> Quick
ENT
ENT
ENT
...
ENT
Note: Opening an empty file
has no effect.
RDY Term 0.0 Hz 0.0 A
4.1 OPEN
File 1 Used
File 2 Empty
File 3 Empty
File 4 Empty
Code << >> Quick
ENT
Saving to a used file deletes
and replaces the
configuration contained in this
file.
RDY Term 0.0 Hz 0.0 A
4.2 SAVE AS
File 1 Used
File 2 Free
File 3 Free
File 4 Free
Code Quick
RDY Term 0.0 Hz 0.0 A
DOWNLOAD GROUP
None
All
Drive configuration
Motor parameters
Communication
Code Quick
RDY Term 0.0 Hz 0.0 A
DOWNLOAD
PLEASE CHECK THAT
THE DRIVE WIRING IS OK
ESC = abort ENT = continue
Code Quick
RDY Term 0.0 Hz 0.0 A
DOWNLOAD
TRANSFER IN PROGRESS
RDY Term 0.0 Hz 0.0 A
DOWNLOAD
DONE
ENT or ESC to continue
Open / Save as (trA)
S1A28692 03/2010 279
DOWNLOAD GROUP
[None]: No parameters
[All]: All parameters in all menus
[Drive configuration]: The entire [1 DRIVE MENU] without
[COMMUNICATION]
[Motor parameters]: [Rated motor volt.] (UnS) In the [MOTOR CONTROL] (drC-) menu
[Rated motor freq.] (FrS)
[PSI align curr. max] (NCr)
[Rated motor speed] (nSP)
[Motor 1 Cosinus phi] (COS)
[Rated motor power] (nPr)
[Motor param choice] (MPC)
[Tune selection] (StUn)
[Mot. therm. current] (ItH)
[IR compensation] (UFr)
[Slip compensation] (SLP)
[Cust stator resist.] (rSA)
[Lfw] (LFA)
[Cust. rotor t const.] (trA)
[Nominal I sync.] (nCrS)
[Nom motor spdsync] (nSPS)
[Pole pairs] (PPnS)
[Syn. EMF constant] (PHS)
[Autotune L d-axis] (LdS)
[Autotune L q-axis] (LqS)
[Nominal freq sync.] (FrSS)
[Cust. stator R syn] (rSAS)
[Motor torque] (tqS)
[U1] (U1)
[F1] (F1)
[U2] (U2)
[F2] (F2)
[U3] (U3)
[F3] (F3)
[U4] (U4)
[F4] (F4)
[U5] (U5)
[F5] (F5)
The motor parameters that can be accessed in [Expert] (EPr)
mode, page 243.
[Mot. therm. current] (ItH) In the [SETTINGS] (SEt-) menu
[Communication] : All the parameters in the [COMMUNICATION] menu
Open / Save as (trA)
280 S1A28692 03/2010
S1A28692 03/2010 281
Password (COd)
8
Password (COd)
With graphic display terminal
With integrated display terminal
Enables the configuration to be protected with an access code or a password to be entered in order to access
a protected configuration.
Example with graphic display terminal:
• The drive is unlocked when the PIN codes are set to [Unlocked] (OFF) (no password) or when the correct
code has been entered. All menus are visible.
• Before protecting the configuration with an access code, you must:
- Define the [Upload rights] (ULr) and [Download rights] (dLr).
- Make a careful note of the code and keep it in a place where you will be able to find it.
RDY Term 0.0 Hz 0.0 A
MAIN MENU
1 DRIVE MENU
2 IDENTIFICATION
3 INTERFACE
4 OPEN / SAVE AS
5 PASSWORD
Code Quick
ENT RUN Term +50.0 Hz 0.0 A
5 PASSWORD
State : Unlocked
PIN code 1 : OFF
PIN code 2 : OFF
Upload rights : Permitted
Download rights : Unlock. drv
Code << >> Quick
drI-
COd-
trA-
= ENT ESC = ESC
ItF-
ENT
ESC
PASSWORD
RUN Term +50.0 Hz 0.0 A
5 PASSWORD
State : Unlocked
PIN code 1 : OFF
Upload rights : Permitted
Download rights : Unlock. drv
Code << >> Quick
ENT
RUN Term +50.0 Hz 0.0 A
PIN 1ode 1
9 5 2 0
Min =OFF Max =9999
<< >> Quick
Password (COd)
282 S1A28692 03/2010
• The drive has 2 access codes, enabling 2 access levels to be set up:
- PIN code 1 is a public unlock code: 6969.
- PIN code 2 is an unlock code known only to Schneider Electric Product Support. It can only be
accessed in [Expert] (EPr) mode.
- Only one PIN1 or PIN2 code can be used, the other must remain set to [OFF] (OFF).
Note: When the unlock code is entered, the user access code appears.
The following items are access-protected:
• Return to factory settings ([FACTORY SETTINGS] (FCS-) menu.
• The channels and parameters protected by the [MY MENU] (MYMn-) as well as the menu itself.
• The custom display settings ([3.4 DISPLAY CONFIG.] (dCF-) menu).
Code Name / Description Adjustment range Factory setting
COd- [5 PASSWORD]
CSt [State] [Unlocked] (ULC)
LC
ULC
Information parameter, cannot be modified.
[Locked] (LC): The drive is locked by a password
[Unlocked] (ULC): The drive is not locked by a password
COd [PIN code 1] [OFF] (OFF) to 9,999 [OFF] (OFF)
1st access code. The value [OFF] (OFF) indicates that no password has been set [Unlocked] (ULC). The value [ON] (On)
indicates that the drive is protected and an access code must be entered in order to unlock it. Once the correct code has been
entered, it remains on the display and the drive is unlocked until the next time the power supply is disconnected.
PIN code 1 is a public unlock code: 6969.
COd2 [PIN code 2] [OFF] (OFF) to 9,999 [OFF] (OFF)
This parameter can only be accessed in [Expert] (EPr) mode.
2nd access code. The value [OFF] (OFF) indicates that no password has been set [Unlocked] (ULC). The value [ON] (On)
indicates that the drive is protected and an access code must be entered in order to unlock it. Once the correct code has been
entered, it remains on the display and the drive is unlocked until the next time the power supply is disconnected.
PIN code 2 is an unlock code known only to Schneider Electric Product Support.
When [PIN code 2] (COd2) is not set to [OFF] (OFF), the [1.2 MONITORING] (MOn-) menu is the only one visible. Then if
[PIN code 2] (COd2) is set to [OFF] (OFF) (drive unlocked), all menus are visible.
If the display settings are modified in [3.4 DISPLAY CONFIG.] (dCF-) menu, and if [PIN code 2] (COd2) is not set to
[OFF] (OFF), the visibility configured is kept. Then if [PIN code 2] (COd2) is set to OFF (drive unlocked), the visibility
configured in [3.4 DISPLAY CONFIG.] (dCF-) menu is kept.
ULr [Upload rights] [Permitted] (ULr0)
ULr0
ULr1
Reads or copies the current configuration to the drive.
[Permitted] (ULr0): The current drive configuration can be uploaded to the graphic display terminal or PC Software.
[Not allowed] (ULr1): The current drive configuration can only be uploaded to the graphic display terminal or PC Sofware if
the drive is not protected by an access code or if the correct code has been entered.
dLr [Download rights] [Unlock. drv] (dLr1)
dLr0
dLr1
dLr2
dLr3
Writes the current configuration to the drive or downloads a configuration to the drive.
[Locked drv] (dLr0): A configuration file can only be downloaded to the drive if the drive is protected by an access code,
which is the same as the access code for the configuration to be downloaded.
[Unlock. drv] (dLr1): A configuration file can be downloaded to the drive or a configuration in the drive can be modified if the
drive is unlocked (access code entered) or is not protected by an access code.
[Not allowed] (dLr2): Download not authorized.
[Lock/unlock] (dLr3): Combination of [Locked drv.] (dLr0) and [Unlock. drv] (dLr1).
S1A28692 03/2010 283
Multipoint Screen
9
Multipoint Screen
Multipoint Screen
Communication is possible between a graphic display terminal and a number of drives connected on the same
bus. The addresses of the drives must be configured in advance in the [COMMUNICATION] (COM-) menu
using the [Modbus Address] (Add) parameter, page 257.
When a number of drives are connected to the same graphic display terminal, it automatically displays the
following screens:
In multipoint mode, the command channel is not displayed. From left to right, the state, then the 2 selected
parameters, and finally the drive address appear.
All menus can be accessed in multipoint mode. Only drive control via the graphic display terminal is not
authorized, apart from the Stop key, which locks all the drives.
If there is a trip on a drive, this drive is displayed.
Selection of drives for multipoint dialog (select each address and
check the box by pressing ENT).
This screen only appears the first time the drive is powered up, or if
the "Cfg Add" function key on the MULTIPOINT SCREEN is pressed
(see below).
Selection of a drive for multipoint dialog.
CONNECTION IN PROGRESS
Vxxxxxx
MULTIPOINT ADDRESSES
Address 1
Address 2
Address 3
Address 4
Address 5
Address 6
ESC
MULTIPOINT SCREEN
Rdy 0 Rpm 0 A 2
RUN +952 Rpm 101 A 3
NLP +1500 Rpm 1250 A 4
Not connected 5
Rdy + 0 Rpm 0 A 6
Cfg Add
Cfg Add
RUN +952 Rpm 101 A 3
Motor speed
Motor current
HOME T/K
ESC
ENT +952 rpm
101 A
Multipoint Screen
284 S1A28692 03/2010
S1A28692 03/2010 285
III
Maintenance and Diagnostics
What's in this Part?
This part contains the following chapters:
Chapter Chapter Name Page
10 Maintenance 287
11 Diagnostics and Troubleshooting 289
286 S1A28692 04/2010
S1A28692 03/2010 287
Maintenance
10
Maintenance
Limitation of Warranty
The warranty does not apply if the product has been opened, except by Schneider Electric services.
Servicing
It is recommended to do the following in order to optimize continuity of operation.
Note: The fan operation depends on the drive thermal state. The drive may be running and the fan not.
Spares and repairs
Serviceable product. Please refer to your Customer Care Centre.
Long time storage
The product capacitor performances after a long time storage above 2 years can be degraded. See page 10.
Fan replacement
It is possible to order a new fan for the ATV32 maintenance, see the commercial references on
www.schneider-electric.com.
Please refer to Installation manual to replace the fan.
CAUTION
RISK OF DAMAGE TO THE DRIVE
Adapt the following recommendations according to the environment conditions: temperature, chemical, dust.
Failure to follow these instructions can result in equipment damage.
Environment Part concerned Action Periodicity
Knock on the product Housing - control block
(led - display)
Check the drive visual aspect At least each year
Corrosion Terminals - connector - screws -
EMC plate
Inspect and clean if required
Dust Terminals - fans - blowholes
Temperature Around the product Check and correct if required
Cooling Fan Check the fan operation
Replace the fan After 3 to 5 years, depending
on the operating conditions
Vibration Terminal connections Check tightening at recom-
mended torque
At least each year
Maintenance
288 S1A28692 03/2010
S1A28692 03/2010 289
Diagnostics and Troubleshooting
11
Diagnostics and Troubleshooting
What's in this Chapter?
This chapter contains the following topics:
Topic Page
Error code 290
Clearing the detected fault 290
Fault detection codes which require a power reset after the detected fault is cleared 291
Fault detection codes that can be cleared with the automatic restart function after the cause has
disappeared
293
Fault detection codes that are cleared as soon as their cause disappears 295
Option card changed or removed 295
Control block changed 295
Fault detection codes displayed on the remote display terminal 296
DANGER
HAZARD OF ELECTRIC SHOCK, EXPLOSION OR ARC FLASH
Read and understand the precautions in "About the book" chapter, before performing any procedure in this
section.
Failure to follow these instructions will result in death or serious injury.
Diagnostics and Troubleshooting
290 S1A28692 03/2010
Error code
• If the display does not light up, check the power supply to the drive.
• The assignment of the Fast stop or Freewheel functions will help to prevent the drive starting if the
corresponding logic inputs are not powered up. The ATV32 then displays [Freewheel] (nSt) in freewheel
stop and [Fast stop] (FSt) in fast stop. This is normal since these functions are active at zero so that the
drive will be stopped if there is a wire break.
• Check that the run command input is activated in accordance with the selected control mode
([2/3 wire control] (tCC) and [2 wire type] (tCt) parameters, page 73).
• If an input is assigned to the limit switch function and this input is at zero, the drive can only be started up
by sending a command for the opposite direction (see page 209).
• If the reference channel or command channel is assigned to a communication bus, when the power supply
is connected, the drive will display [Freewheel] (nSt) and remain in stop mode until the communication
bus sends a command.
Clearing the detected fault
In the event of a non resettable detected fault:
• Disconnect all power, including external control power that may be present.
• Lock all power disconnects in the open position.
• Wait 15 minutes to allow the DC bus capacitors to discharge (the drive LEDs are not indicators of the
absence of DC bus voltage).
• Measure the voltage of the DC bus between the PA/+ and PC/– terminals to ensure that the voltage is less
than 42 Vdc.
• If the DC bus capacitors do not discharge completely, contact your local Schneider Electric representative.
Do not repair or operate the drive.
• Find and correct the detected fault.
• Restore power to the drive to confirm the detected fault has been rectified.
In the event of a resettable detected fault, the drive can be reset after the cause is cleared:
- By switching off the drive until the display disappears completely, then switching on again.
- Automatically in the scenarios described for the [AUTOMATIC RESTART] (Atr-) function, page
234.
- By means of a logic input or control bit assigned to the [FAULT RESET] (rSt-) function, page 232.
- By pressing the STOP/RESET key on the graphic display keypad if the active channel command is
the HMI (see [Cmd channel 1] (Cd1) page 140).
Code Name / Description
dGt- [DIAGNOSTICS]
This menu can only be accessed with the graphic display terminal. It displays detected faults and their cause in plain text and can
be used to carry out tests, see page 58.
Diagnostics and Troubleshooting
S1A28692 03/2010 291
Fault detection codes which require a power reset after the detected fault is cleared
The cause of the detected fault must be removed before resetting by turning off and then back on.
ASF, brF, SOF, SPF and tnF detected faults can also be cleared remotely by means of a logic input
or control bit ([Fault reset] (rSF) parameter, page 232).
Detected Fault Name Probable cause Remedy
ASF [Angle Error] • For the law [Sync. mot.] (SYn), wrong
setting of the speed loop, when the
reference goes through 0.
• Check the speed loop parameters.
• Check the motor phases and the maximum current allowed
by the drive.
brF [Brake feedback] • The brake feedback contact does not
match the brake logic control.
• The brake does not stop the motor quickly
enough (detected by measuring the
speed on the "Pulse input" input).
• Check the feedback circuit and the brake logic control
circuit.
• Check the mechanical state of the brake.
• Check the brake linings.
CrF1 [Precharge] • Charging relay control detected fault or
charging resistor damaged.
• Turn the drive off and then turn on again.
• Check the internal connections.
• Contact Schneider Electric Product Support.
EEF1 [Control Eeprom] • Internal memory detected fault, control
block.
• Check the environment (electromagnetic compatibility).
• Turn off, reset, return to factory settings.
• Contact Schneider Electric Product Support.EEF2 [Power Eeprom] • Internal memory detected fault, power
card.
FCF1 [Out. contact.
stuck]
• The output contactor remains closed
although the opening conditions have
been met.
• Check the contactor and its wiring.
• Check the feedback circuit.
HdF [IGBT desaturation] • Short-circuit or grounding at the drive
output.
• Check the cables connecting the drive to the motor, and the
motor insulation.
ILF [internal com. link] • Communication interruption between
option card and drive.
• Check the environment (electromagnetic compatibility).
• Check the connections.
• Replace the option card.
• Contact Schneider Electric Product Support.
InF1 [Rating error] • The power card is different from the card
stored.
• Check the reference of the power card.
InF2 [Incompatible PB] • The power card is incompatible with the
control block.
• Check the reference of the power card and its compatibility.
InF3 [Internal serial link] • Communication interruption between the
internal cards.
• Check the internal connections.
• Contact Schneider Electric Product Support.
InF4 [Internal-mftg zone] • Internal data inconsistent. • Recalibrate the drive (performed by Schneider Electric
Product Support).
InF6 [Internal - fault
option]
• The option installed in the drive is not
recognized.
• Check the reference and compatibility of the option.
InF9 [Internal- I
measure]
• The current measurements are incorrect. • Replace the current sensors or the power card.
• Contact Schneider Electric Product Support.
InFA [Internal-mains
circuit]
• The input stage is not operating correctly. • Contact Schneider Electric Product Support.
InFb [Internal- th.
sensor]
• The drive temperature sensor is not
operating correctly.
• Replace the drive temperature sensor.
• Contact Schneider Electric Product Support.
InFE [internal- CPU ] • Internal microprocessor detected fault. • Turn off and reset.
• Contact Schneider Electric Product Support.
OCF [Overcurrent] • Parameters in the [SETTINGS] (SEt-)
and [MOTOR CONTROL] (drC-)
menus are not correct.
• Inertia or load too high.
• Mechanical locking.
• Check the parameters.
• Check the size of the motor/drive/load.
• Check the state of the mechanism.
• Decrease [Current limitation] (CLI).
• Increase the switching frequency.
SAFF [Safe function fault] • Debounce time exceeded.
• SS1 trip threshold exceeded.
• Wrong configuration.
• Check the safety functions configuration.
• Contact Schneider Electric Product Support.
Diagnostics and Troubleshooting
292 S1A28692 03/2010
SCF1 [Motor short
circuit]
• Short-circuit or grounding at the drive
output.
• Check the cables connecting the drive to the motor, and the
motor insulation.
• Reduce the switching frequency.
• Connect chokes in series with the motor.
• Check the adjustment of speed loop and brake.
• Increase the [Time to restart] (ttr), page 88.
• Increase the switching frequency.
SCF3 [Ground short
circuit]
• Significant earth leakage current at the
drive output if several motors are
connected in parallel.
• Check the cables connecting the drive to the motor, and the
motor insulation.
• Reduce the switching frequency.
• Connect chokes in series with the motor.
• Check the adjustment of speed loop and brake.
• Increase the [Time to restart] (ttr), page 88.
• Reduce the switching frequency.
SOF [Overspeed] • Instability or driving load too high. • Check the motor, gain and stability parameters.
• Add a braking resistor.
• Check the size of the motor/drive/load.
• Check the parameters settings for the
[FREQUENCY METER] (FqF-) function page 247, if it is
configured.
SPF [Speed fdback
loss]
• Signal on "Pulse input" missing, if the
input is used for speed measurement.
• Check the wiring of the input cable and the detector used.
tnF [Auto-tuning] • Special motor or motor whose power is
not suitable for the drive.
• Motor not connected to the drive.
• Motor not stopped
• Check that the motor/drive are compatible.
• Check that the motor is present during auto-tuning.
• If an output contactor is being used, close it during auto-
tuning.
• Check that the motor is stopped during tune operation.
Detected Fault Name Probable cause Remedy
Diagnostics and Troubleshooting
S1A28692 03/2010 293
Fault detection codes that can be cleared with the automatic restart function after the cause has
disappeared
These detected faults can also be cleared by turning on and off or by means of a logic input or control bit
([Fault reset] (rSF) parameter page 232).
Detected Fault Name Probable cause Remedy
bLF [Brake control] • Brake release current not reached.
• Brake engage frequency threshold
[Brake engage freq] (bEn) only
regulated when brake logic control is
assigned.
• Check the drive/motor connection.
• Check the motor windings.
• Check the [Brake release I FW] (Ibr) and
[Brake release I Rev] (Ird) settings page 179.
• Apply the recommended settings for
[Brake engage freq] (bEn).
CnF [Com. network] • Communication interruption on
communication card.
• Check the environment (electromagnetic compatibility).
• Check the wiring.
• Check the time-out.
• Replace the option card.
• Contact Schneider Electric Product Support.
COF [CANopen com.] • Communication interruption on the
CANopen® bus.
• Check the communication bus.
• Check the time-out.
• Refer to the CANopen® User's manual.
EPF1 [External flt-LI/Bit] • Event triggered by an external
device, depending on user.
• Check the device which caused the trip and reset.
EPF2 [External fault com.] • Event triggered by a communication
network.
• Check for the cause of the trip and reset.
FbES [FB stop flt.] • Function blocks have been stopped
while motor was running.
• Check [FB Stop mode] (FbSM) configuration.
FCF2 [Out. contact. open.] • The output contactor remains open
although the closing conditions have
been met.
• Check the contactor and its wiring.
• Check the feedback circuit.
LCF [input contactor] • The drive is not turned on even
though [Mains V. time out ] (LCt)
has elapsed.
• Check the contactor and its wiring.
• Check the time-out.
• Check the line/contactor/drive connection.
LFF3 [AI3 4-20mA loss] • Loss of the 4-20 mA reference on
analog input AI3.
• Check the connection on the analog inputs.
ObF [Overbraking] • Braking too sudden or driving load.
• Line voltage too high.
• Increase the deceleration time.
• Install a braking resistor if necessary.
• Activate the [Dec ramp adapt.] (brA) function page 157, if
it is compatible with the application.
• Check the line voltage.
OHF [Drive overheat] • Drive temperature too high. • Check the motor load, the drive ventilation and the ambient
temperature. Wait for the drive to cool down before restarting.
OLC [Proc. overload flt] • Process overload. • Check and remove the cause of the overload.
• Check the parameters of the
[PROCESS OVERLOAD] (OLd-) function, page 253.
OLF [Motor overload] • Triggered by excessive motor
current.
• Check the setting of the motor thermal protection, check the
motor load. Wait for the motor to cool down before restarting.
OPF1 [1 output phase loss] • Loss of one phase at drive output. • Check the connections from the drive to the motor.
Diagnostics and Troubleshooting
294 S1A28692 03/2010
OPF2 [3 motor phase loss] • Motor not connected or motor power
too low.
• Output contactor open.
• Instantaneous instability in the motor
current.
• Check the connections from the drive to the motor.
• If an output contactor is being used, set
[Output Phase Loss] (OPL) to [Output cut] (OAC), page
238.
• Test on a low power motor or without a motor: In factory
settings mode, motor phase loss detection is active
[Output Phase Loss] (OPL) = [Yes] (YES). To check the
drive in a test or maintenance environment, without having to
use a motor with the same rating as the drive (in particular for
high power drives), deactivate motor phase loss detection
[Output Phase Loss] (OPL) = [No] (nO), see instructions
given page 238.
• Check and optimize the following parameters:
[IR compensation] (UFr) page 78, [Rated motor volt.]
(UnS) and [Rated mot. current] (nCr) page 74 and
perform [Auto tuning] (tUn) page 75.
OSF [Mains overvoltage] • Line voltage too high.
• Disturbed mains supply.
• Check the line voltage.
OtFL [LI6=PTC overheat] • Overheating of PTC probes detected
on input LI6.
• Check the motor load and motor size.
• Check the motor ventilation.
• Wait for the motor to cool before restarting.
• Check the type and state of the PTC probes.
PtFL [LI6=PTC probe] • PTC probe on input LI6 open or
short-circuited.
• Check the PTC probe and the wiring between it and the
motor/drive.
SCF4 [IGBT short circuit] • Power component detected fault. • Contact Schneider Electric Product Support.
SCF5 [Motor short circuit] • Short-circuit at drive output. • Check the cables connecting the drive to the motor, and the
motor’s insulation.
• Contact Schneider Electric Product Support.
SLF1 [Modbus com.] • Communication interruption on the
Modbus bus.
• Check the communication bus.
• Check the time-out.
• Refer to the Modbus User's manual.
SLF2 [PC com.] • Communication interruption with PC
Software.
• Check the PC Software connecting cable.
• Check the time-out.
SLF3 [HMI com.] • Communication interruption with the
graphic display terminal or remote
display terminal.
• Check the terminal connection
• Check the time-out.
SSF [Torque/current lim] • Switch to torque or current limitation. • Check if there are any mechanical problems.
• Check the parameters of [TORQUE LIMITATION] (tOL-)
page 202 and the parameters of the
[TORQUE OR I LIM. DETECT.] (tId-), page 245.
tJF [IGBT overheat] • Drive overheated. • Check the size of the load/motor/drive.
• Reduce the switching frequency.
• Wait for the motor to cool before restarting.
ULF [Proc. underload Flt] • Process underload. • Check and remove the cause of the underload.
• Check the parameters of the
[PROCESS UNDERLOAD] (Uld-) function, page 251.
Detected Fault Name Probable cause Remedy
Diagnostics and Troubleshooting
S1A28692 03/2010 295
Fault detection codes that are cleared as soon as their cause disappears
Option card changed or removed
When an option card is removed or replaced by another, the drive locks in [Incorrect config.] (CFF) fault
mode on power-up. If the card has been deliberately changed or removed, the detected fault can be cleared
by pressing the ENT key twice, which causes the factory settings to be restored (see page 69) for the
parameter groups affected by the card. These are as follows:
Card replaced by a card of the same type
• Communication cards: only the parameters that are specific to communication cards
Control block changed
When a control block is replaced by a control block configured on a drive with a different rating, the drive locks
in [Incorrect config.] (CFF) fault mode on power-up. If the control block has been deliberately changed, the
detected fault can be cleared by pressing the ENT key twice, which causes all the factory settings to be
restored.
Detected Fault Name Probable cause Remedy
CFF [Incorrect config.] • Option card changed or removed.
• Control block replaced by a control block
configured on a drive with a different
rating.
• The current configuration is inconsistent.
• Check that there are no card errors.
• In the event of the option card being changed/removed
deliberately, see the remarks below.
• Check that there are no card errors.
• In the event of the control block being changed
deliberately, see the remarks below.
• Return to factory settings or retrieve the backup
configuration, if it is valid (see page 69).
CFI [Invalid config.] • Invalid configuration.
The configuration loaded in the drive via
the bus or communication network is
inconsistent.
• Check the configuration loaded previously.
• Load a compatible configuration.
CFI2
CSF [Ch. Sw. fault] • Switch to not valid channels. • Check the function parameters.
dLF [Dynamic load fault] • Abnormal load variation. • Check that the load is not blocked by an obstacle.
• Removal of a run command causes a reset.
FbE [FB fault] • Function blocks error. • See [FB Fault] (FbFt) for more details.
HCF [Cards pairing] • The [CARDS PAIRING] (PPI-)
function page 250 has been configured
and a drive card has been changed.
• In the event of a card error, reinsert the original card.
• Confirm the configuration by entering the
[Pairing password] (PPI) if the card was changed
deliberately.
PHF [Input phase loss] • Drive incorrectly supplied or a fuse
blown.
• One phase missing.
• 3-phase ATV32 used on a single-phase
line supply.
• Unbalanced load.
This protection only operates with the drive
on load.
• Check the power connection and the fuses.
• Use a 3-phase line supply.
• Disable the detected fault by [Input phase loss] (IPL) =
[No] (nO) page 74.
USF [Undervoltage] • Line supply too low.
• Transient voltage dip.
• Check the voltage and the parameters of
[UNDERVOLTAGE MGT] (USb-), page 241.
Diagnostics and Troubleshooting
296 S1A28692 03/2010
Fault detection codes displayed on the remote display terminal
(1) Flashing
Code Name Description
InIt [Initialization in
progress]
The microcontroller is initializing.
Search underway for communication configuration.
COM.E
(1)
[Communication error] Time out detected fault (50 ms).
This message is displayed after 20 attempts at communication.
A-17
(1)
[Alarm button] A key has been held down for more than 10 seconds.
The keypad is disconnected.
The keypad wakes up when a key is pressed.
CLr
(1)
[Confirmation of
detected fault reset]
This is displayed when the STOP key is pressed once if the active command channel is the remote
display terminal.
dEU.E
(1)
[Drive disparity] The drive brand does not match that of the remote display terminal.
rOM.E
(1)
[ROM anomaly] The remote display terminal detects a ROM anomaly on the basis of checksum calculation.
rAM.E
(1)
[RAM anomaly] The remote display terminal detects a RAM anomaly.
CPU.E
(1)
[Other detected faults] Other detected faults.
S1A28692 03/2010 297
IV
Annex
What's in this Part?
This part contains the following chapters:
Chapter Chapter Name Page
12 Index of Functions 299
13 Index of Parameter Codes 301
298 S1A28692 03/2010
S1A28692 03/2010 299
Index of Functions
12
Index of Functions
The following table represents the parameter codes:
Function Page
[2 wire] (2C) 73
[2nd CURRENT LIMIT.] 204
[3 wire] (3C) 73
[+/- SPEED] 170
[+/-SPEED AROUND REF.] 172
[AUTO DC INJECTION] 161
[AUTOMATIC RESTART] 234
[Auto tuning] 75
[AUTO TUNING BY LI] 221
[BRAKE LOGIC CONTROL] 179
[CATCH ON THE FLY] 235
Command and reference channels 131
Deferred stop on thermal alarm 240
[DRIVE OVERHEAT] 239
[FACTORY SETTINGS] 69
[Fault reset] 232
[FLUXING BY LI] 174
[HIGH SPEED HOISTING] 190
[JOG] 163
LINE CONTACTOR COMMAND 205
Load measurement 184
[Load sharing] 109
Load variation detection 248
Motor or configuration switching [MULTIMOTORS/CONFIG.] (MMC-) 217
Motor thermal protection 236
[Noise reduction] 107
[OUTPUT CONTACTOR CMD] 208
[Ovld.Proces.Mngmt] 253
[PARAM. SET SWITCHING] 215
[5 PASSWORD] 282
[PID REGULATOR] 196
POSITIONING BY SENSORS 209
PRESET SPEEDS 165
PTC probe 232
[RAMP] 155
[REFERENCE SWITCH.] 152
Rope slack 189
[RP assignment] 115
REFERENCE MEMORIZING 173
[STOP CONFIGURATION] 158
Stop at distance calculated after deceleration limit switch 211
Index of Functions
300 S1A28692 03/2010
Summing input / Subtracting input / Multiplier 153
Synchronous motor parameters 99
TORQUE LIMITATION 201
TRAVERSE CONTROL 222
[Underload Managmt.] 252
Use of the "Pulse input" input to measure the speed of rotation of the motor 246
Function Page
S1A28692 03/2010 301
Index of Parameter Codes
13
Index of Parameter Codes
The following table represents the parameter codes:
Code CUSTOMER
SETTING
[1.1SPEEDREFERENCE]
(rEF-)
[1.2MONITORING]
(MOn-)
[FACTORYSETTINGS]
(FCS-)
[Macroconfiguration]
(CFG)
[SIMPLYSTART]
(SIM-)
[SETTINGS]
(SEt-)
[MOTORCONTROL]
(drC-)
[INPUTS/OUTPUTSCFG]
(I_O-)
[COMMAND]
(CtL-)
[FUNCTIONBLOCKS]
(FbM-)
[APPLICATIONFUNCT.]
(FUn-)
[FAULTMANAGEMENT]
(FLt-)
[COMMUNICATION]
(COM-)
[3INTERFACE]
(ItF-)
AC2 77 156
172
198
ACC 75 77 155
AdC 161
AdCO 258
Add 257
AI1A 46 120
AI1C 46
A11E 121
A11F 46 121
AI1S 120
A11t 120
A12A 46 120
A12C 46
A12E 121
A12F 46 121
A12S 121
A12t 120
A13A 47 121
A13C 47
A13E 121
A13F 47 121
A13L 121
A13S 121
A13t 121
AIC2 122 196
AIU1 40 44
ALGr 57
AMOC 257
AO1 47 129
AO1C 47
AO1F 47 129
Index of Parameter Codes
302 S1A28692 03/2010
AO1t 129
AOH1 47 129
AOL1 47 129
APH 56
ASH1 47 129
ASL1 47 129
ASt 101 175
Atr 234
AUt 96
101
AU1A 121
AU2A 122
bCI 179
bdCO 258
bEd 180
bEn 88 180
bEt 88 180
bFr 74 92
bIP 179
bIr 88 180
bLC 179
bMp 142
bnS 49 143
bnU 49 143
bOA 107
bOO 107
brA 157
brH0 182
brH1 182
brH2 183
brr 183
brt 88 179
bSP 118
bSt 179
btPI 258
btUA 258
btUC 258
bUEr 49 143
CCFG 74
CCS 140
Cd1 140
Cd2 140
CFG 70 73
Code CUSTOMER
SETTING
[1.1SPEEDREFERENCE]
(rEF-)
[1.2MONITORING]
(MOn-)
[FACTORYSETTINGS]
(FCS-)
[Macroconfiguration]
(CFG)
[SIMPLYSTART]
(SIM-)
[SETTINGS]
(SEt-)
[MOTORCONTROL]
(drC-)
[INPUTS/OUTPUTSCFG]
(I_O-)
[COMMAND]
(CtL-)
[FUNCTIONBLOCKS]
(FbM-)
[APPLICATIONFUNCT.]
(FUn-)
[FAULTMANAGEMENT]
(FLt-)
[COMMUNICATION]
(COM-)
[3INTERFACE]
(ItF-)
Index of Parameter Codes
S1A28692 03/2010 303
CFPS 56
CHA1 215
CHA2 215
CHCF 139
CHM 220
CL2 83 204
CLI 82 106 204
CLL 243
CLO 190
CLS 213
CMdC 50
CnF1 220
CnF2 220
CnFS 56
COd 63
COd2 63
COF 190
COL 244
COP 141
COr 190
COS 94
CP1 185
CP2 185
CrH3 47 121
CrL3 47 121
CrSt 275
CrtF 105
CSbY 275
CSt 63 282
Ctd 89 234
Ctt 92
CtU 49 143
dA2 153
dA3 154
dAF 212
dAL 212
dAr 212
dAS 208
dbS 208
dCC1 60
dCC2 60
dCC3 60
Code CUSTOMER
SETTING
[1.1SPEEDREFERENCE]
(rEF-)
[1.2MONITORING]
(MOn-)
[FACTORYSETTINGS]
(FCS-)
[Macroconfiguration]
(CFG)
[SIMPLYSTART]
(SIM-)
[SETTINGS]
(SEt-)
[MOTORCONTROL]
(drC-)
[INPUTS/OUTPUTSCFG]
(I_O-)
[COMMAND]
(CtL-)
[FUNCTIONBLOCKS]
(FbM-)
[APPLICATIONFUNCT.]
(FUn-)
[FAULTMANAGEMENT]
(FLt-)
[COMMUNICATION]
(COM-)
[3INTERFACE]
(ItF-)
Index of Parameter Codes
304 S1A28692 03/2010
dCC4 60
dCC5 60
dCC6 60
dCC7 60
dCC8 60
dCF 81 158 254
dCI 159
dE2 77 156
172
dEC 75 77 155
dLb 248
dLd 248
dLr 63 282
dO1 126
dO1d 126
dO1H 126
dO1S 126
dP1 58
dP2 60
dP3 60
dP4 60
dP5 60
dP6 60
dP7 60
dP8 60
drC1 60
drC2 60
drC3 60
drC4 60
drC5 60
drC6 60
drC7 60
drC8 60
dSF 213
dSI 172
dSP 172
dtF 228
EbO 227
EPL 241
ErCO 258
EtF 240
F1 105
F2 105
Code CUSTOMER
SETTING
[1.1SPEEDREFERENCE]
(rEF-)
[1.2MONITORING]
(MOn-)
[FACTORYSETTINGS]
(FCS-)
[Macroconfiguration]
(CFG)
[SIMPLYSTART]
(SIM-)
[SETTINGS]
(SEt-)
[MOTORCONTROL]
(drC-)
[INPUTS/OUTPUTSCFG]
(I_O-)
[COMMAND]
(CtL-)
[FUNCTIONBLOCKS]
(FbM-)
[APPLICATIONFUNCT.]
(FUn-)
[FAULTMANAGEMENT]
(FLt-)
[COMMUNICATION]
(COM-)
[3INTERFACE]
(ItF-)
Index of Parameter Codes
S1A28692 03/2010 305
F2d 89
F3 106
F4 106
F5 106
FAb 107
FAd1 268
FAd2 268
FAd3 268
FAd4 268
FbCd 143
FbdF 144
FbFt 49 143
FbrM 144
FbSN 144
FbSt 49 143
FCS1 69
Fdt 247
FFH 105
FFM 91
FFt 89 158
FLI 174
FLO 259
FLOC 259
FLOt 259
FLr 235
FLU 83 96 174
Fn1 142
Fn2 142
Fn3 142
Fn4 142
FPI 198
FqA 247
FqC 247
FqF 247
FqL 89 235
FqS 44
Fqt 247
Fr1 139
Fr1b 152
Fr2 140
FrH 44 44
50
FrI 103
Code CUSTOMER
SETTING
[1.1SPEEDREFERENCE]
(rEF-)
[1.2MONITORING]
(MOn-)
[FACTORYSETTINGS]
(FCS-)
[Macroconfiguration]
(CFG)
[SIMPLYSTART]
(SIM-)
[SETTINGS]
(SEt-)
[MOTORCONTROL]
(drC-)
[INPUTS/OUTPUTSCFG]
(I_O-)
[COMMAND]
(CtL-)
[FUNCTIONBLOCKS]
(FbM-)
[APPLICATIONFUNCT.]
(FUn-)
[FAULTMANAGEMENT]
(FLt-)
[COMMUNICATION]
(COM-)
[3INTERFACE]
(ItF-)
Index of Parameter Codes
306 S1A28692 03/2010
FrS 74 94
FrSS 103
Frt 156
FSt 158
Ftd 89 234
FtO 90 253
FtU 90 252
FtY 69
GFS 69
GSP 271
HF1 102
H1r 103
HSO 190
HSP 75 77 229
HSP2 78 229
HSP3 78 229
HSP4 78 229
IA01 145
IA02 145
IA03 145
IA04 145
IA05 145
IA06 145
IA07 145
IA08 145
IA09 145
IA10 145
IAd1 268
IAd2 268
IAd3 268
IAd4 268
Ibr 88 179
IbrA 185
IdA 98
IdC 81 159 254
IdC2 81 160 254
IL01 144
IL02 144
IL03 144
IL04 144
IL05 144
IL06 144
Code CUSTOMER
SETTING
[1.1SPEEDREFERENCE]
(rEF-)
[1.2MONITORING]
(MOn-)
[FACTORYSETTINGS]
(FCS-)
[Macroconfiguration]
(CFG)
[SIMPLYSTART]
(SIM-)
[SETTINGS]
(SEt-)
[MOTORCONTROL]
(drC-)
[INPUTS/OUTPUTSCFG]
(I_O-)
[COMMAND]
(CtL-)
[FUNCTIONBLOCKS]
(FbM-)
[APPLICATIONFUNCT.]
(FUn-)
[FAULTMANAGEMENT]
(FLt-)
[COMMUNICATION]
(COM-)
[3INTERFACE]
(ItF-)
Index of Parameter Codes
S1A28692 03/2010 307
IL07 144
IL08 144
IL09 144
IL10 144
ILr 103
InH 243
Inr 77 155
IntP 202
IPL 74 238
Ird 88 179
ItH 75 78
JdC 88 181
JF2 90 168
JF3 90 168
JFH 90 168
JGF 83 163
JGt 83 164
JOG 163
JPF 90 168
L1A 45 114
L1d 115
L2A 45 115
L2d 115
L3A 45 114
L3d 115
L4A 45 115
L4d 115
L5A 45 114
L5d 115
L6A 45 115
L6d 115
LA01 145
LA02 145
LA03 145
LA04 145
LA05 145
LA06 145
LA07 145
LA08 145
LA1A 45 115
LA1d 115
LA2A 45 115
Code CUSTOMER
SETTING
[1.1SPEEDREFERENCE]
(rEF-)
[1.2MONITORING]
(MOn-)
[FACTORYSETTINGS]
(FCS-)
[Macroconfiguration]
(CFG)
[SIMPLYSTART]
(SIM-)
[SETTINGS]
(SEt-)
[MOTORCONTROL]
(drC-)
[INPUTS/OUTPUTSCFG]
(I_O-)
[COMMAND]
(CtL-)
[FUNCTIONBLOCKS]
(FbM-)
[APPLICATIONFUNCT.]
(FUn-)
[FAULTMANAGEMENT]
(FLt-)
[COMMUNICATION]
(COM-)
[3INTERFACE]
(ItF-)
Index of Parameter Codes
308 S1A28692 03/2010
LA2d 115
LAC 262
LbA 109
LbC 91 109
LbC1 111
LbC2 111
LbC3 111
LbF 111
LC2 204
LCr 44
LCt 206
LdS 103
LES 206
LEt 240
LFA 98
LFF 253
LFL3 242
LFr 40 44
LFr1 53
LFr2 53
LFr3 53
LIS1 45
LIS2 45
LLC 206
LnG 264
LO1 124
LO1d 124
LO1H 125
LO1S 124
LOC 90 253
LP1 185
LP2 185
LqS 103
LSP 75 77
LUL 90 251
LUn 90 251
M001 146
M002 146
M003 146
M004 146
M005 146
M006 146
Code CUSTOMER
SETTING
[1.1SPEEDREFERENCE]
(rEF-)
[1.2MONITORING]
(MOn-)
[FACTORYSETTINGS]
(FCS-)
[Macroconfiguration]
(CFG)
[SIMPLYSTART]
(SIM-)
[SETTINGS]
(SEt-)
[MOTORCONTROL]
(drC-)
[INPUTS/OUTPUTSCFG]
(I_O-)
[COMMAND]
(CtL-)
[FUNCTIONBLOCKS]
(FbM-)
[APPLICATIONFUNCT.]
(FUn-)
[FAULTMANAGEMENT]
(FLt-)
[COMMUNICATION]
(COM-)
[3INTERFACE]
(ItF-)
Index of Parameter Codes
S1A28692 03/2010 309
M007 146
M008 146
M1Ct 52
M1EC 52
M3Ct 52
M3EC 52
MA2 154
MA3 154
MCr 103
Mdt 267
MFr 40 44 85
MPC 97
MtM 237
nbrP 55
nbtP 55
nC1 53
nC2 53
nC3 53
nC4 53
nC5 53
nC6 53
nC7 53
nC8 53
nCA1 257
nCA2 257
nCA3 257
nCA4 257
nCA5 257
nCA6 257
nCA7 257
nCA8 257
nCr 74 94
nCrS 99
nLS 213
nM1 52
nM2 52
nM3 52
nM4 52
nM5 52
nM6 52
nM7 52
nM8 52
Code CUSTOMER
SETTING
[1.1SPEEDREFERENCE]
(rEF-)
[1.2MONITORING]
(MOn-)
[FACTORYSETTINGS]
(FCS-)
[Macroconfiguration]
(CFG)
[SIMPLYSTART]
(SIM-)
[SETTINGS]
(SEt-)
[MOTORCONTROL]
(drC-)
[INPUTS/OUTPUTSCFG]
(I_O-)
[COMMAND]
(CtL-)
[FUNCTIONBLOCKS]
(FbM-)
[APPLICATIONFUNCT.]
(FUn-)
[FAULTMANAGEMENT]
(FLt-)
[COMMUNICATION]
(COM-)
[3INTERFACE]
(ItF-)
Index of Parameter Codes
310 S1A28692 03/2010
nMA1 256
nMA2 256
nMA3 256
nMA4 256
nMA5 256
nMA6 256
nMA7 256
nMA8 257
nMtS 55
nPr 74 94
nrd 107
nSP 74 94
nSPS 99
nSt 158
OCC 208
OdL 253
Odt 238
OHL 239
OLL 237
OPL 238
OPr 44
OSP 190
Otr 44
PAH 86 198
PAL 86 197
PAS 213
PAU 198
PCd 274
PEr 86 198
PES 185
PFI 48 115
PFr 48 115
PHS 103
PIA 48 115
PIC 197
PIF 196
PIF1 196
PIF2 196
PII 196
PIL 48 115
PIM 199
PIP1 196
Code CUSTOMER
SETTING
[1.1SPEEDREFERENCE]
(rEF-)
[1.2MONITORING]
(MOn-)
[FACTORYSETTINGS]
(FCS-)
[Macroconfiguration]
(CFG)
[SIMPLYSTART]
(SIM-)
[SETTINGS]
(SEt-)
[MOTORCONTROL]
(drC-)
[INPUTS/OUTPUTSCFG]
(I_O-)
[COMMAND]
(CtL-)
[FUNCTIONBLOCKS]
(FbM-)
[APPLICATIONFUNCT.]
(FUn-)
[FAULTMANAGEMENT]
(FLt-)
[COMMUNICATION]
(COM-)
[3INTERFACE]
(ItF-)
Index of Parameter Codes
S1A28692 03/2010 311
PIP2 196
PIS 198
POH 86 197
POL 86 197
PPI 250
PPnS 99
Pr2 200
Pr4 200
PrP 86 197
PS16 166
PS2 166
PS4 166
PS8 166
PSr 86 198
PSt 139
PtCL 232
PtH 56
PUIS 274
qSH 89 227
qSL 89 227
r1 123
r1d 123
r1H 124
r1S 123
r2 124
r2d 124
r2H 124
r2S 124
rCA 208
rCb 152
rdG 86 197
rEC1 55
rFC 140
rFCC 50
rFLt 62
rFr 44
rIG 86 197
rIn 139
rMUd 90 251
rP 233
rP11 53
rP12 54
Code CUSTOMER
SETTING
[1.1SPEEDREFERENCE]
(rEF-)
[1.2MONITORING]
(MOn-)
[FACTORYSETTINGS]
(FCS-)
[Macroconfiguration]
(CFG)
[SIMPLYSTART]
(SIM-)
[SETTINGS]
(SEt-)
[MOTORCONTROL]
(drC-)
[INPUTS/OUTPUTSCFG]
(I_O-)
[COMMAND]
(CtL-)
[FUNCTIONBLOCKS]
(FbM-)
[APPLICATIONFUNCT.]
(FUn-)
[FAULTMANAGEMENT]
(FLt-)
[COMMUNICATION]
(COM-)
[3INTERFACE]
(ItF-)
Index of Parameter Codes
312 S1A28692 03/2010
rP13 54
rP14 54
rP2 86 200
rP21 54
rP22 54
rP23 54
rP24 54
rP3 87 200
rP31 55
rP32 55
rP33 55
rP34 55
rP4 87 200
rPA 233
rPC 40 56
rPE 56
rPF 56
rPG 86 197
rPI 40 56 197
rPO 56
rPr 56
rPS 156
rPt 155
rrS 113
rSA 98
rSAS 103
rSd 190
rSF 232
rSL 199
rStL 190
rtH 56
rtr 228
rUn 113
S101 215
S102 215
S103 215
S104 215
S105 215
S106 215
S107 215
S108 215
S109 215
Code CUSTOMER
SETTING
[1.1SPEEDREFERENCE]
(rEF-)
[1.2MONITORING]
(MOn-)
[FACTORYSETTINGS]
(FCS-)
[Macroconfiguration]
(CFG)
[SIMPLYSTART]
(SIM-)
[SETTINGS]
(SEt-)
[MOTORCONTROL]
(drC-)
[INPUTS/OUTPUTSCFG]
(I_O-)
[COMMAND]
(CtL-)
[FUNCTIONBLOCKS]
(FbM-)
[APPLICATIONFUNCT.]
(FUn-)
[FAULTMANAGEMENT]
(FLt-)
[COMMUNICATION]
(COM-)
[3INTERFACE]
(ItF-)
Index of Parameter Codes
S1A28692 03/2010 313
S110 215
S111 215
S112 215
S113 215
S114 215
S115 215
S201 215
S202 215
S203 215
S204 215
S205 215
S206 215
S207 215
S208 215
S209 215
S210 215
S211 215
S212 215
S213 215
S214 215
S215 215
S301 216
S302 216
S303 216
S304 216
S305 216
S306 216
S307 216
S308 216
S309 216
S310 216
S311 216
S312 216
S313 216
S314 216
S315 216
SA2 153
SA3 153
SAL 212
SAr 212
SAt 240
SCL 190
Code CUSTOMER
SETTING
[1.1SPEEDREFERENCE]
(rEF-)
[1.2MONITORING]
(MOn-)
[FACTORYSETTINGS]
(FCS-)
[Macroconfiguration]
(CFG)
[SIMPLYSTART]
(SIM-)
[SETTINGS]
(SEt-)
[MOTORCONTROL]
(drC-)
[INPUTS/OUTPUTSCFG]
(I_O-)
[COMMAND]
(CtL-)
[FUNCTIONBLOCKS]
(FbM-)
[APPLICATIONFUNCT.]
(FUn-)
[FAULTMANAGEMENT]
(FLt-)
[COMMUNICATION]
(COM-)
[3INTERFACE]
(ItF-)
Index of Parameter Codes
314 S1A28692 03/2010
SCSI 69
SdC1 81 161
180
SdC2 82 162
SFC 78 105
SFd 213
SFFE 49
SFr 82 106
SFt 106
SH2 229
SH4 229
SIr 104
SIt 78 105
SLL 244
SLP 78 105
SLSS 48
SMOt 101
SnC 228
SOP 107
SP10 84 167
SP11 84 167
SP12 84 167
SP13 85 167
SP14 85 167
SP15 85 167
SP16 85 167
SP2 84 166
SP3 84 166
SP4 84 166
SP5 84 166
SP6 84 166
SP7 84 166
SP8 84 167
SP9 84 167
SPb 103
SPF 103
SPG 78 105
SPGU 78 105
SPM 173
Srb 90 251
253
SrP 85 172
SSIS 48
Code CUSTOMER
SETTING
[1.1SPEEDREFERENCE]
(rEF-)
[1.2MONITORING]
(MOn-)
[FACTORYSETTINGS]
(FCS-)
[Macroconfiguration]
(CFG)
[SIMPLYSTART]
(SIM-)
[SETTINGS]
(SEt-)
[MOTORCONTROL]
(drC-)
[INPUTS/OUTPUTSCFG]
(I_O-)
[COMMAND]
(CtL-)
[FUNCTIONBLOCKS]
(FbM-)
[APPLICATIONFUNCT.]
(FUn-)
[FAULTMANAGEMENT]
(FLt-)
[COMMUNICATION]
(COM-)
[3INTERFACE]
(ItF-)
Index of Parameter Codes
S1A28692 03/2010 315
SSb 245
Std 213
StM 242
StO 245
StOS 48
StP 241
Str 170
Strt 242
Stt 158
StUn 75 95
100
SUL 107
tA1 77 155
tA2 77 156
tA3 77 156
tA4 77 156
tAA 202
tAC 62
tAC2 62
tAr 234
tbE 88 180
tbO 227
tbr 257
tbS 242
tCC 73 112
tCt 112
tdC 81 160 255
tdC1 81 161
tdC2 82 162
tdI 81 159 254
tdn 227
tdS 247
tEC1 55
tFO 257
tFr 75 92
tHA 239
240
tHd 44
tHr 44
tHt 237
tLA 202
tLC 203
tLd 248
Code CUSTOMER
SETTING
[1.1SPEEDREFERENCE]
(rEF-)
[1.2MONITORING]
(MOn-)
[FACTORYSETTINGS]
(FCS-)
[Macroconfiguration]
(CFG)
[SIMPLYSTART]
(SIM-)
[SETTINGS]
(SEt-)
[MOTORCONTROL]
(drC-)
[INPUTS/OUTPUTSCFG]
(I_O-)
[COMMAND]
(CtL-)
[FUNCTIONBLOCKS]
(FbM-)
[APPLICATIONFUNCT.]
(FUn-)
[FAULTMANAGEMENT]
(FLt-)
[COMMUNICATION]
(COM-)
[3INTERFACE]
(ItF-)
Index of Parameter Codes
316 S1A28692 03/2010
tLIG 89 202
tLIM 89 202
tLS 83 199
tnL 249
tOL 253
tOS 190
tP11 54
tP12 54
tP13 54
tP14 54
tP21 54
tP22 54
tP23 54
tP24 54
tP31 55
tP32 55
tP33 55
tP34 55
tqb 247
tqS 99
trA 98
trC 227
trH 89 227
trL 89 227
tSM 241
tSY 228
ttd 90 237
240
ttd2 237
240
ttd3 237
240
ttH 89 234
ttL 89 234
ttO 257
ttr 88 181
tUL 221
tUn 75 95
100
tUnU 96
101
tUP 227
tUS 75 95
100
Code CUSTOMER
SETTING
[1.1SPEEDREFERENCE]
(rEF-)
[1.2MONITORING]
(MOn-)
[FACTORYSETTINGS]
(FCS-)
[Macroconfiguration]
(CFG)
[SIMPLYSTART]
(SIM-)
[SETTINGS]
(SEt-)
[MOTORCONTROL]
(drC-)
[INPUTS/OUTPUTSCFG]
(I_O-)
[COMMAND]
(CtL-)
[FUNCTIONBLOCKS]
(FbM-)
[APPLICATIONFUNCT.]
(FUn-)
[FAULTMANAGEMENT]
(FLt-)
[COMMUNICATION]
(COM-)
[3INTERFACE]
(ItF-)
Index of Parameter Codes
S1A28692 03/2010 317
U1 105
U2 105
U3 106
U4 106
U5 106
Ubr 109
UdL 252
UFr 78 105
UIH1 46 120
UIH2 46 121
UILI 46 120
UIL2 46 120
ULn 44
ULr 63
ULt 251
UnS 74 94
UOH1 47 129
UOL1 47 129
UOP 44
UPL 242
UrES 241
USb 241
USI 172
USL 241
USP 170
USt 241
Code CUSTOMER
SETTING
[1.1SPEEDREFERENCE]
(rEF-)
[1.2MONITORING]
(MOn-)
[FACTORYSETTINGS]
(FCS-)
[Macroconfiguration]
(CFG)
[SIMPLYSTART]
(SIM-)
[SETTINGS]
(SEt-)
[MOTORCONTROL]
(drC-)
[INPUTS/OUTPUTSCFG]
(I_O-)
[COMMAND]
(CtL-)
[FUNCTIONBLOCKS]
(FbM-)
[APPLICATIONFUNCT.]
(FUn-)
[FAULTMANAGEMENT]
(FLt-)
[COMMUNICATION]
(COM-)
[3INTERFACE]
(ItF-)
Index of Parameter Codes
318 S1A28692 03/2010
ATV32_programming_manual_S1A28692_01
03/2010

Atv32 programming manual

  • 1.
    www.schneider-electric.com Altivar 32 Variable speeddrives for synchronous and asynchronous motors Programming Manual 03/2010 S1A28692
  • 2.
    2 S1A28692 03/2010 Theinformation provided in this documentation contains general descriptions and/or technical characteristics of the performance of the products contained herein. This documentation is not intended as a substitute for and is not to be used for determining suitability or reliability of these products for specific user applications. It is the duty of any such user or integrator to perform the appropriate and complete risk analysis, evaluation and testing of the products with respect to the relevant specific application or use thereof. Neither Schneider Electric nor any of its affiliates or subsidiaries shall be responsible or liable for misuse of the information contained herein. If you have any suggestions for improvements or amendments or have found errors in this publication, please notify us. No part of this document may be reproduced in any form or by any means, electronic or mechanical, including photocopying, without express written permission of Schneider Electric. All pertinent state, regional, and local safety regulations must be observed when installing and using this product. For reasons of safety and to help ensure compliance with documented system data, only the manufacturer should perform repairs to components. When devices are used for applications with technical safety requirements, the relevant instructions must be followed. Failure to use Schneider Electric software or approved software with our hardware products may result in injury, harm, or improper operating results. Failure to observe this information can result in injury or equipment damage. © 2010 Schneider Electric. All rights reserved.
  • 3.
    S1A28692 03/2010 3 Tableof Contents Safety Information . . . . . . . . . . . . . . . . . . . . . . . . . . . . . . . . . . . . . . . . . . . . . . . . . . . . 7 About the Book. . . . . . . . . . . . . . . . . . . . . . . . . . . . . . . . . . . . . . . . . . . . . . . . . . . . . . . 8 General Overview . . . . . . . . . . . . . . . . . . . . . . . . . . . . . . . . . . . . . . . . . . . . . . . . . . . . . . . . . . 11 Chapter 1 Setup . . . . . . . . . . . . . . . . . . . . . . . . . . . . . . . . . . . . . . . . . . . . . . . . . . . . . . . . . . . . . . . 13 Steps for setting-up the drive . . . . . . . . . . . . . . . . . . . . . . . . . . . . . . . . . . . . . . . . . . . . 14 Preliminary recommendations . . . . . . . . . . . . . . . . . . . . . . . . . . . . . . . . . . . . . . . . . . . 15 Chapter 2 Overview . . . . . . . . . . . . . . . . . . . . . . . . . . . . . . . . . . . . . . . . . . . . . . . . . . . . . . . . . . . . 17 Factory configuration . . . . . . . . . . . . . . . . . . . . . . . . . . . . . . . . . . . . . . . . . . . . . . . . . . 18 Application functions. . . . . . . . . . . . . . . . . . . . . . . . . . . . . . . . . . . . . . . . . . . . . . . . . . . 19 Basic functions . . . . . . . . . . . . . . . . . . . . . . . . . . . . . . . . . . . . . . . . . . . . . . . . . . . . . . . 23 Graphic display terminal option . . . . . . . . . . . . . . . . . . . . . . . . . . . . . . . . . . . . . . . . . . 24 Powering up the drive for the first time . . . . . . . . . . . . . . . . . . . . . . . . . . . . . . . . . . . . . 27 Remote display terminal option . . . . . . . . . . . . . . . . . . . . . . . . . . . . . . . . . . . . . . . . . . 30 Structure of the parameter tables . . . . . . . . . . . . . . . . . . . . . . . . . . . . . . . . . . . . . . . . . 31 Finding a parameter in this document . . . . . . . . . . . . . . . . . . . . . . . . . . . . . . . . . . . . . 32 Description of the HMI . . . . . . . . . . . . . . . . . . . . . . . . . . . . . . . . . . . . . . . . . . . . . . . . . 33 Structure of the menus . . . . . . . . . . . . . . . . . . . . . . . . . . . . . . . . . . . . . . . . . . . . . . . . . 34 Programming . . . . . . . . . . . . . . . . . . . . . . . . . . . . . . . . . . . . . . . . . . . . . . . . . . . . . . . . . . . . . . 35 Chapter 3 Reference Mode (rEF) . . . . . . . . . . . . . . . . . . . . . . . . . . . . . . . . . . . . . . . . . . . . . . . . . 37 Introduction. . . . . . . . . . . . . . . . . . . . . . . . . . . . . . . . . . . . . . . . . . . . . . . . . . . . . . . . . . 38 Organization tree . . . . . . . . . . . . . . . . . . . . . . . . . . . . . . . . . . . . . . . . . . . . . . . . . . . . . 39 Menu . . . . . . . . . . . . . . . . . . . . . . . . . . . . . . . . . . . . . . . . . . . . . . . . . . . . . . . . . . . . . . 40 Chapter 4 Monitoring Mode (MOn) . . . . . . . . . . . . . . . . . . . . . . . . . . . . . . . . . . . . . . . . . . . . . . . . 41 Introduction. . . . . . . . . . . . . . . . . . . . . . . . . . . . . . . . . . . . . . . . . . . . . . . . . . . . . . . . . . 42 Organization tree . . . . . . . . . . . . . . . . . . . . . . . . . . . . . . . . . . . . . . . . . . . . . . . . . . . . . 43 Menu . . . . . . . . . . . . . . . . . . . . . . . . . . . . . . . . . . . . . . . . . . . . . . . . . . . . . . . . . . . . . . 44 [MONIT. MOTOR] ................................................................................................... 44 [I/O MAP] ............................................................................................................... 45 [MONIT. SAFETY] ................................................................................................... 48 [MONIT. FUN. BLOCKS] ......................................................................................... 49 [COMMUNICATION MAP] ....................................................................................... 50 [MONIT. PI] ............................................................................................................ 56 [MONIT. POWER TIME] .......................................................................................... 56 [ALARMS] .............................................................................................................. 57 [OTHER STATE] ..................................................................................................... 58 [DIAGNOSTICS] ..................................................................................................... 58 [PASSWORD] ......................................................................................................... 63 Chapter 5 Configuration Mode (ConF) . . . . . . . . . . . . . . . . . . . . . . . . . . . . . . . . . . . . . . . . . . . . . 65 Introduction. . . . . . . . . . . . . . . . . . . . . . . . . . . . . . . . . . . . . . . . . . . . . . . . . . . . . . . . . . 66 Organization tree . . . . . . . . . . . . . . . . . . . . . . . . . . . . . . . . . . . . . . . . . . . . . . . . . . . . . 67 My Menu . . . . . . . . . . . . . . . . . . . . . . . . . . . . . . . . . . . . . . . . . . . . . . . . . . . . . . . . . . . 68 Table of Contents
  • 4.
    Table of Contents 4S1A28692 03/2010 Factory Settings . . . . . . . . . . . . . . . . . . . . . . . . . . . . . . . . . . . . . . . . . . . . . . . . . . . . . . 69 Macro Configuration . . . . . . . . . . . . . . . . . . . . . . . . . . . . . . . . . . . . . . . . . . . . . . . . . . 70 Full . . . . . . . . . . . . . . . . . . . . . . . . . . . . . . . . . . . . . . . . . . . . . . . . . . . . . . . . . . . . . . . . 73 [SIMPLY START] .................................................................................................... 73 [SETTINGS] ........................................................................................................... 77 [MOTOR CONTROL] ............................................................................................... 92 [INPUTS / OUTPUTS CFG] ................................................................................... 112 [COMMAND] ........................................................................................................ 139 [FUNCTION BLOCKS] ........................................................................................... 143 [APPLICATION FUNCT.] (FUn-) ............................................................................. 147 REFERENCE SWITCHING .............................................................................. 152 REFERENCE OPERATIONS............................................................................ 153 RAMP.......................................................................................................... 155 STOP CONFIGURATION................................................................................. 158 AUTO DC INJECTION..................................................................................... 161 JOG ............................................................................................................ 163 PRESET SPEEDS.......................................................................................... 165 +/- SPEED.................................................................................................... 169 +/- SPEED AROUND A REFERENCE ................................................................ 171 REFERENCE MEMORIZING ............................................................................ 173 FLUXING BY LOGIC INPUT ............................................................................. 174 BRAKE LOGIC CONTROL............................................................................... 176 EXTERNAL WEIGHT MEASUREMENT .............................................................. 184 HIGH SPEED HOISTING................................................................................. 186 PID REGULATOR .......................................................................................... 192 PID PRESET REFERENCES............................................................................ 200 TORQUE LIMITATION .................................................................................... 201 2ND CURRENT LIMITATION............................................................................ 204 LINE CONTACTOR COMMAND........................................................................ 205 OUTPUT CONTACTOR COMMAND .................................................................. 207 POSITIONING BY SENSORS........................................................................... 209 PARAMETER SET SWITCHING........................................................................ 214 MULTIMOTORS / MULTICONFIGURATIONS ...................................................... 217 AUTO TUNING BY LOGIC INPUT ..................................................................... 221 TRAVERSE CONTROL ................................................................................... 222 [COMMUNICATION] ............................................................................................. 256 Access Level . . . . . . . . . . . . . . . . . . . . . . . . . . . . . . . . . . . . . . . . . . . . . . . . . . . . . . . 260 Chapter 6 Interface (ItF). . . . . . . . . . . . . . . . . . . . . . . . . . . . . . . . . . . . . . . . . . . . . . . . . . . . . . . . 261 Access Level (LAC) . . . . . . . . . . . . . . . . . . . . . . . . . . . . . . . . . . . . . . . . . . . . . . . . . . 262 Language (LnG) . . . . . . . . . . . . . . . . . . . . . . . . . . . . . . . . . . . . . . . . . . . . . . . . . . . . . 264 Monitoring Configuration (MCF) . . . . . . . . . . . . . . . . . . . . . . . . . . . . . . . . . . . . . . . . . 265 Display configuration (dCF) . . . . . . . . . . . . . . . . . . . . . . . . . . . . . . . . . . . . . . . . . . . . 269 Chapter 7 Open / Save as (trA) . . . . . . . . . . . . . . . . . . . . . . . . . . . . . . . . . . . . . . . . . . . . . . . . . . 277 Chapter 8 Password (COd) . . . . . . . . . . . . . . . . . . . . . . . . . . . . . . . . . . . . . . . . . . . . . . . . . . . . . 281 Chapter 9 Multipoint Screen . . . . . . . . . . . . . . . . . . . . . . . . . . . . . . . . . . . . . . . . . . . . . . . . . . . . 283 Maintenance and Diagnostics . . . . . . . . . . . . . . . . . . . . . . . . . . . . . . . . . . . . . . . . . . . . . . 285 Chapter 10 Maintenance . . . . . . . . . . . . . . . . . . . . . . . . . . . . . . . . . . . . . . . . . . . . . . . . . . . . . . . . 287 Chapter 11 Diagnostics and Troubleshooting. . . . . . . . . . . . . . . . . . . . . . . . . . . . . . . . . . . . . . . 289 Error code. . . . . . . . . . . . . . . . . . . . . . . . . . . . . . . . . . . . . . . . . . . . . . . . . . . . . . . . . . 290 Clearing the detected fault . . . . . . . . . . . . . . . . . . . . . . . . . . . . . . . . . . . . . . . . . . . . . 290 Fault detection codes which require a power reset after the detected fault is cleared 291 Fault detection codes that can be cleared with the automatic restart function after the cause has disappeared . . . . . . . . . . . . . . . . . . . . . . . . . . . . . . . . . . . . . . . . . . . . . . . . 293 Fault detection codes that are cleared as soon as their cause disappears . . . . . . . . 295
  • 5.
    Table of Contents S1A2869203/2010 5 Option card changed or removed . . . . . . . . . . . . . . . . . . . . . . . . . . . . . . . . . . . . . . . . 295 Control block changed . . . . . . . . . . . . . . . . . . . . . . . . . . . . . . . . . . . . . . . . . . . . . . . . 295 Fault detection codes displayed on the remote display terminal . . . . . . . . . . . . . . . . 296 Annex . . . . . . . . . . . . . . . . . . . . . . . . . . . . . . . . . . . . . . . . . . . . . . . . . . . . . . . . . . . . . . . . . . . . 297 Chapter 12 Index of Functions . . . . . . . . . . . . . . . . . . . . . . . . . . . . . . . . . . . . . . . . . . . . . . . . . . . 299 Chapter 13 Index of Parameter Codes . . . . . . . . . . . . . . . . . . . . . . . . . . . . . . . . . . . . . . . . . . . . . 301
  • 6.
    Table of Contents 6S1A28692 03/2010
  • 7.
    S1A28692 03/2010 7 § SafetyInformation Safety Information Important Information NOTICE Read these instructions carefully, and look at the equipment to become familiar with the device before trying to install, operate, or maintain it. The following special messages may appear throughout this documentation or on the equipment to warn of potential hazards or to call attention to information that clarifies or simplifies a procedure. PLEASE NOTE The word "drive" as used in this manual refers to the controller portion of the adjustable speed drive as defined by NEC. Electrical equipment should be installed, operated, serviced, and maintained only by qualified personnel. No responsibility is assumed by Schneider Electric for any consequences arising out of the use of this product. © 2010 Schneider Electric. All Rights Reserved. The addition of this symbol to a Danger or Warning safety label indicates that an electrical hazard exists, which will result in personal injury if the instructions are not followed. This is the safety alert symbol. It is used to alert you to potential personal injury hazards. Obey all safety messages that follow this symbol to avoid possible injury or death. DANGER DANGER indicates an imminently hazardous situation, which, if not avoided, will result in death or serious injury. WARNING WARNING indicates a potentially hazardous situation, which, if not avoided, can result in death, serious injury, or equipment damage. CAUTION CAUTION indicates a potentially hazardous situation, which, if not avoided, can result in injury or equipment damage. CAUTION CAUTION, used without the safety alert symbol, indicates a potentially hazardous situation which, if not avoided, can result in equipment damage.
  • 8.
    8 S1A28692 04/2010 Aboutthe Book About the Book At a Glance Document scope The purpose of this document is to: • help you to set-up the drive, • show you how to program the drive, • show you the different menus, modes and parameters, • help you in maintenance and diagnostics. Validity note This documentation is valid for the Altivar 32 drive. Related documents You can download the latest versions of these technical publications and other technical information from our website at www.schneider-electric.com. Title of Documentation Reference Number ATV32 Quick Start S1A41715 ATV32 Installation manual S1A28686 ATV32 Modbus manual S1A28698 ATV32 CANopen manual S1A28699 ATV32 Communication Parameters S1A44568 ATV32 Atex manual S1A45605 ATV32 Safety manual S1A45606 ATV32 other option manuals: see www.schneider-electric.com
  • 9.
    About the Book S1A2869203/2010 9 Product related information (1) For additional information, refer to NEMA ICS 1.1 (latest edition), “Safety Guidelines for the Application, Installation, and Maintenance of Solid State Control” and to NEMA ICS 7.1 (latest edition), “Safety Standards for Construction and Guide for Selection, Installation and Operation of Adjustable-Speed Drive Systems.” DANGER HAZARD OF ELECTRIC SHOCK, EXPLOSION OR ARC FLASH • Read and understand this manual before installing or operating the Altivar 32 drive. Installation, adjustment, repair, and maintenance must be performed by qualified personnel. • The user is responsible for compliance with all international and national electrical code requirements with respect to grounding of all equipment. • Many parts of this drive, including the printed circuit boards, operate at the line voltage. DO NOT TOUCH. Use only electrically insulated tools. • DO NOT touch unshielded components or terminal strip screw connections with voltage present. • DO NOT short across terminals PA/+ and PC/– or across the DC bus capacitors. • Before servicing the drive: - Disconnect all power, including external control power that may be present. - Place a “DO NOT TURN ON” label on all power disconnects. - Lock all power disconnects in the open position. - WAIT 15 MINUTES to allow the DC bus capacitors to discharge. - Measure the voltage of the DC bus between the PA/+ and PC/– terminals to ensure that the voltage is less than 42 Vdc. - If the DC bus capacitors do not discharge completely, contact your local Schneider Electric representative. Do not repair or operate the drive. • Install and close all covers before applying power or starting and stopping the drive. Failure to follow these instructions will result in death or serious injury. DANGER UNINTENDED EQUIPMENT OPERATION • Read and understand this manual before installing or operating the Altivar 32 drive. • Any changes made to the parameter settings must be performed by qualified personnel. Failure to follow these instructions will result in death or serious injury. WARNING DAMAGE DRIVE EQUIPMENT Do not operate or install any drive or drive accessory that appears damaged. Failure to follow these instructions can result in death, serious injury, or equipment damage. WARNING LOSS OF CONTROL • The designer of any control scheme must - consider the potential failure modes of control paths and, for certain critical control functions, - provide a means to achieve a safe state during and after a path failure. Examples of critical control functions are emergency stop and overtravel stop. • Separate or redundant control paths must be provided for critical control functions. • System control paths may include communication links. Consideration must be given to the implications of unanticipated transmission delays or failures of the link.(1) Failure to follow these instructions can result in death, serious injury, or equipment damage.
  • 10.
    About the Book 10S1A28692 03/2010 User comments The word "drive" as used in this manual refers to the controller portion of the adjustable speed drive as defined by NEC. CAUTION INCOMPATIBLE LINE VOLTAGE Before turning on and configuring the drive, ensure that the line voltage is compatible with the supply voltage range shown on the drive nameplate. The drive may be damaged if the line voltage is not compatible. Failure to follow these instructions can result in injury or equipment damage. CAUTION RISK OF DERATED PERFORMANCE DUE TO CAPACITOR AGING The product capacitor performances after a long time storage above 2 years can be degraded. In that case, before using the product, apply the following procedure: • Use a variable AC supply connected between L1 and L2 (even for ATV32pppN4 references). • Increase AC supply voltage to have: - 25% of rated voltage during 30 min - 50% of rated voltage during 30 min - 75% of rated voltage during 30 min - 100% of rated voltage during 30 min Failure to follow these instructions can result in equipment damage.
  • 11.
    S1A28692 03/2010 11 I GeneralOverview What's in this Part? This part contains the following chapters: Chapter Chapter Name Page 1 Setup 13 2 Overview 17
  • 12.
  • 13.
    S1A28692 03/2010 13 Setup 1 Setup What'sin this Chapter? This chapter contains the following topics: Topic Page Steps for setting-up the drive 14 Preliminary recommendations 15
  • 14.
    Setup 14 S1A28692 03/2010 Stepsfor setting-up the drive 2. Apply input power to the drive, but do not give a run command. 3. Configure: • The nominal frequency of the motor [Standard mot. freq] (bFr) page 74 if this is not 50 Hz. • The motor parameters in the [MOTOR CONTROL] (drC-) menu, page 92, only if the factory configuration of the drive is not suitable. • The application functions in the [INPUTS / OUTPUTS CFG] (I_O-) menu, page 112, the [COMMAND] (CtL-) menu, page 139, and the [APPLICATION FUNCT.] (FUn-) menu, page 152, only if the factory configuration of the drive is not suitable. 5. Start the drive. 1. Please refer to the installation manual. PROGRAMMING INSTALLATION 4. In the [SETTINGS] (SEt-) menu, adjust the following parameters: • [Acceleration] (ACC), page 75 and [Deceleration] (dEC), page 75. • [Low speed] (LSP), page 75 and [High speed] (HSP), page 77. • [Mot. therm. current] (ItH), page 75. Tips: • Before beginning programming, complete the customer setting tables, page 301. • Use the [Restore config.] (FCS) parameter, page 69, to return to the factory settings at any time. • To locate the description of a function quickly, use the index of functions page 299. • Before configuring a function, read carefully the "Function compatibility" section page 150. Note: The following operations must be performed for optimum drive performance in terms of accuracy and response time: • Enter the values indicated on the motor rating plate in the [MOTOR CONTROL] (drC-) menu, page 92. • Perform auto-tuning with the motor cold and connected using the [Auto-tuning] (tUn) parameter, page 75.
  • 15.
    Setup S1A28692 03/2010 15 Preliminaryrecommendations Before powering up the drive Start-up Note: When factory settings apply and during power-up/manual reset or after a stop command, the motor can only be powered once the "forward", "reverse" and "DC injection stop" commands have been reset. If they have not been reset, the drive will display [Freewheel stop] (nSt) but will not start. If the automatic restart function has been configured ([Automatic restart] (Atr) parameter in the [FAULT MANAGEMENT] (FLt-) menu, page 232), these commands are taken into account without a reset (to zero) being necessary. Line contactor Using a motor with a lower rating or dispensing with a motor altogether With the factory settings, motor output phase loss detection is active ([Output Phase Loss] (OPL) = [Yes] (YES), page 238). To avoid having to use a motor with the same rating as the drive when testing the drive or during a maintenance phase, deactivate the motor output phase loss detection ([Output Phase Loss] (OPL) = [No] (nO)). This can prove particularly useful if very large drives are being tested with a small motor. Set [Motor control type] (Ctt), page 92, to [Standard] (Std) in [Motor control menu] (drC-). DANGER UNINTENDED EQUIPMENT OPERATION Read and understand this manual before installing or operating the ATV32 drive. Any changes made to the parameter settings must be performed by qualified personnel. Check that all logic inputs are inactive to avoid any unintended operation. Failure to follow these instructions will result in death or serious injury. CAUTION RISK OF DAMAGE TO DRIVE Frequent use of the contactor will cause premature aging to the charge circuit of the filter capacitors. Do not power-up the drive less than every 60 seconds. Failure to follow these instructions can result in equipment damage. CAUTION RISK OF DAMAGE TO THE MOTOR Motor thermal protection will not be provided by the drive if the motor 's nominal current is 20% lower than that of the drive. In this case, find an alternative source of thermal protection. Failure to follow these instructions can result in equipment damage. DANGER HAZARD OF ELECTRIC SHOCK, EXPLOSION OR ARC FLASH If [Output Phase Loss] (OPL) is set to [No] (nO), Loss of cable is not detected. Check that this action will not endanger personnel or equipment in any way. Failure to follow these instructions will result in death or serious injury.
  • 16.
  • 17.
    S1A28692 03/2010 17 Overview 2 Overview What'sin this Chapter? This chapter contains the following topics: Topic Page Factory configuration 18 Application functions 19 Basic functions 23 Graphic display terminal option 24 Graphic display terminal option 24 Powering up the drive for the first time 27 Remote display terminal option 30 Structure of the parameter tables 31 Finding a parameter in this document 32 Description of the HMI 33 Structure of the menus 34
  • 18.
    Overview 18 S1A28692 03/2010 Factoryconfiguration Factory settings The Altivar 32 is factory-set for common operating conditions: • Display: drive ready [Ready] (rdY) when motor is ready to run and motor frequency when motor is running. • The LI3 to LI6 logic inputs, AI2 and AI3 analog inputs, LO1 logic output, AO1 analog output, and R2 relay are unassigned. • Stop mode when fault detected: freewheel. Note: If you want to keep the drive presettings to a minimum, select the macro configuration [Macro configuration] (CFG) = [Start/stop] (StS) followed by [Restore config.] (FCS) = [Config. CFG] (InI). For more information, see page 70. Check whether the values above are compatible with the application. Code Description Factory settings values Page bFr [Standard mot. freq] [50Hz IEC] 74 tCC [2/3 wire control] [2 wire] (2C): 2-wire control 73 Ctt [Motor control type] [Standard] (Std): U/F 2 points (Volts/Hz) without internal speed loop 92 ACC [Acceleration] 3.0 seconds 75 dEC [Deceleration] 3.0 seconds 75 LSP [Low speed] 0 Hz 75 HSP [High speed] 50 Hz 75 ItH [Mot. therm. current] Nominal motor current (value depending on drive rating) 75 SdC1 [Auto DC inj. level 1] 0.7 x nominal drive current, for 0.5 seconds 81 SFr [Switching freq.] 4 kHz 82 Frd [Forward] [LI1] (LI1): Logic input LI1 113 rrS [Reverse assign.] [LI2] (LI2): Logic input LI2 113 Fr1 [Ref.1 channel] [AI1] (AI1): Analog input AI1 139 r1 [R1 Assignment] [No drive flt] (FLt): The contact opens when a fault is detected or when the drive has been switched off 123 brA [Dec ramp adapt.] [Yes] (YES): Function active (automatic adaptation of deceleration ramp) 157 Atr [Automatic restart] [No] (nO): Function inactive 234 Stt [Type of stop] [Ramp stop] (rMP): On ramp 158 CFG [Macro configuration] [Start/Stop] (StS) 70
  • 19.
    Overview S1A28692 03/2010 19 Applicationfunctions The tables on the following pages show the combinations of functions and applications, in order to guide your selection. The applications in these tables relate to the following machines, in particular: • Hoisting: cranes, overhead cranes, gantries (vertical hoisting, translation, slewing), lifting platforms • Handling: palletizers/depalletizers, conveyors, roller tables • Packing: carton packers, labeling machines • Textiles: weaving looms, carding frames, washing machines, spinners, drawing frames • Wood: automatic lathes, saws, milling • Process Each machine has its own special features, and the combinations listed here are neither mandatory nor exhaustive. Some functions are designed specifically for a particular application. In this case, the application is identified by a tab in the margin on the relevant programming pages. Motor control functions Functions Page Applications Hoisting Handling Packing Textiles Wood Process V/f ratio 92 b b Sensorless flux vector control 92 b b b b b b 2-point vector control 92 b b Open-loop synchronous motor 92 b Output frequency up to 599 Hz 92 b b Motor overvoltage limiting 107 b b DC bus connection (see Installation manual) - b b Motor fluxing using a logic input 174 b b b Switching frequency of up to 16 kHz 82 b b Auto-tuning 75 b b b b b b
  • 20.
    Overview 20 S1A28692 03/2010 Functionson speed references Functions Page Applications Hoisting Handling Packing Textiles Wood Process Differential bipolar reference 116 b b b Reference delinearization (magnifying glass effect) 119 b b Frequency control input 139 b b Reference switching 152 b Reference summing 153 b Reference subtraction 153 b Reference multiplication 153 b Adjustable profile ramp 155 b b Jog operation 163 b b b Preset speeds 165 b b b + speed / - speed using single action pushbuttons (1 step) 169 b + speed / - speed using double action pushbuttons (2 steps) 169 b +/- speed around a reference 172 b b Save reference 173 b
  • 21.
    Overview S1A28692 03/2010 21 Application-Specificfunctions Functions Page Applications Hoisting Handling Packing Textiles Wood Process Fast stop 158 b Brake control 176 b b Load measurement 184 b High-speed hoisting 186 b Rope slack 189 b PID regulator 192 b Motor/generator torque limit 201 b b b Load sharing 109 b b Line contactor control 205 b b b Output contactor control 208 b Positioning by limit switches or sensors 209 b b b Stop at distance calculated after deceleration limit switch 211 b b Parameter switching 214 b b b b b b Motor or configuration switching 217 b b b Traverse control 222 b Stop configuration 158 b b b Function blocks (see dedicated document) b b b b b b
  • 22.
    Overview 22 S1A28692 03/2010 Safetyfunctions/Fault management Functions Page Applications Hoisting Handling Packing Textiles Wood Process Safe Torque Off (STO) (Safety function, see dedicated document) - b b b b b b Deferred stop on thermal alarm 240 b b Alarm handling 130 b b b b b b Fault management 232 b b b b b b IGBT tests 242 b b b b b b Catch a spinning load 235 b b Motor protection with PTC probes 232 b b b b b b Undervoltage management 241 b b 4-20 mA loss 242 b b b b b Uncontrolled output cut (output phase loss) 238 b Automatic restart 234 b Use of the "Pulse input" input to measure the speed of rotation of the motor 246 b b Load variation detection 248 b Underload detection 251 b Overload detection 253 b Safety Integrated functions (see dedicated document) b b b b b
  • 23.
    Overview S1A28692 03/2010 23 Basicfunctions Drive ventilation The fan starts automatically when the drive thermal state reaches 70% of the maximum thermal state and if the [Fan Mode] (FFM) is set to [Standard] (Std).
  • 24.
    Overview 24 S1A28692 03/2010 Graphicdisplay terminal option Description of the graphic display terminal With the graphic display terminal, which works with FLASH V1.1IE26 or higher, it is possible to display more detailed information than can be shown on the integrated display terminal. Note: Keys 3, 4, 5 and 6 can be used to control the drive directly, if control via the graphic display terminal is activated. To activate the keys on the remote display terminal, you first have to configure [Ref.1 channel] (Fr1) = [HMI] (LCC). For more information, see page 139. 1 Graphic display 2 Function keys F1, F2, F3, F4, see page 142 3 STOP/RESET key 4 RUN key 5 Jog dial: • Press (ENT): - To save the current value - To enter the selected menu or parameter • Turn +/-: - To increment or decrement a value - To go to the next or previous line - To increase or decrease the reference if control via the graphic display terminal is activated 7 ESC key: Aborts a value, a parameter or a menu to return to the previous selection 6 Key for reversing the direction of rotation of the motor
  • 25.
    Overview S1A28692 03/2010 25 Exampleconfiguration windows: Single selection Multiple selection Example configuration window for one value: The << and >> arrows (keys F2 and F3) are used to select the digit to be modified, and the jog dial is rotated to increase or decrease this number. Example visualization of function blocks state: When powering up the graphic display terminal for the first time, the user has to select the required language. When only one selection is possible, the selection made is indicated by . Example: Only one language can be chosen. When multiple selection is possible, the selections made are indicated by . Example: A number of parameters can be chosen to form the [USER MENU]. LANGUAGE English Français Deutsch Italiano Español Chinese Русский Türkçe PARAMETER SELECTION SETTINGS Ramp increment Acceleration-- - - - - - - - Deceleration- - - - - - - - - Acceleration 2- - - - - - - - - Deceleration 2 Edit RDY Term +0.0 Hz 0.0 A Acceleration 9 .51s Min = 0.00 Max = 99.99 << >> Quick ENT RDY Term +0.0 Hz 0.0 A Acceleration 9. 5 1s Min = 0.00 Max = 99.99 << >> Quick OFF light: A valid function blocks program is in the ATV32 in stop mode. ON light: A valid function blocks program is in the ATV32 in run mode. The drive is considered as being in running state and configuration parameters cannot be modified. RDY Term +0.0 Hz 0.0 A Acceleration 9 .51s Min = 0.00 Max = 99.99 << >> Quick
  • 26.
    Overview 26 S1A28692 03/2010 Poweringup the drive with Graphic display terminal for the first time When powering up the graphic display terminal for the first time, the user has to select the required language. Display after the graphic display terminal has been powered up for the first time. Select the language and press ENT. ENT The drive's rating details will now appear. 3 seconds ENT LANGUAGE English Français Deutsch Italiano Español Chinese Русский Türkçe ATV32HU15M2 1.5kW/2HP 220V Single Config. n°0 RDY Term 0.0 Hz 0.0 A ACCESS LEVEL Basic Standard Advanced Expert RDY Term 0.0 Hz 0.0 A 1 DRIVE MENU 1.1 SPEED REFERENCE 1.2 MONITORING 1.3 CONFIGURATION Code << >> Quick
  • 27.
    Overview S1A28692 03/2010 27 Poweringup the drive for the first time With the integrated display terminal, when powering up the drive for the first time, the user immediately accesses to [Standard mot. freq] (bFr) (see page 74 ) in the menu (COnF > FULL > SIM). Display after the drive has been powered up for the first time. 3 seconds The [ACCESS LEVEL] screen follows automatically. ENT Automatically switches to the [1 DRIVE MENU] menu after 3 seconds. Select the menu and press ENT. ESC The MAIN MENU appears on the graphic display terminal if you press the ESC key. ATV32HU15M2 1.5kW/2HP 220V Single Config. n°0 RDY Term 0.0 Hz 0.0 A ACCESS LEVEL Basic Standard Advanced Expert RDY Term 0.0 Hz 0.0 A 1 DRIVE MENU 1.1 SPEED REFERENCE 1.2 MONITORING 1.3 CONFIGURATION Code << >> Quick MAIN MENU 1 DRIVE MENU 2 IDENTIFICATION 3 INTERFACE 4 OPEN / SAVE AS 5 PASSWORD
  • 28.
    Overview 28 S1A28692 03/2010 Subsequentpower-ups With the integrated display terminal, at subsequent power-ups of the drive for the first time, the user immediately accesses to the drive state (Same liste than [Drive state] (HS1) page 59). Example : Ready (rdY). Display after powering up. 3 seconds Automatically switches to the [1 DRIVE MENU] menu after 3 seconds. Select the menu and press ENT. 10 seconds Automatically switches to the monitoring screen after 10 seconds. ATV32HU15M2 1.5kW/2HP 220V Single Config. n°0 RDY Term 0.0 Hz 0.0 A 1 DRIVE MENU 1.1 SPEED REFERENCE 1.2 MONITORING 1.3 CONFIGURATION Code << >> Quick RDY Term +0.0 Hz 0.0 A Frequency ref. +1.3 Hz Min =-599.0 Max = +599.0 Quick
  • 29.
    Overview S1A28692 03/2010 29 Identificationmenu The [IDENTIFICATION] (OId-) menu can only be accessed on the graphic display terminal. This is a read-only menu that cannot be configured. It enables the following information to be displayed: • Drive reference, power rating and voltage • Drive software version • Drive serial number • Safety function status and checksum • Function blocks program and catalogue version • Type of options present, with their software version • Graphic display terminal type and version ENT RUN Term +50.0 Hz 0.0 A MAIN MENU 1 DRIVE MENU 2 IDENTIFICATION 3 INTERFACE 4 OPEN / SAVE AS 5 PASSWORD RUN Term +50.0 Hz 0.0 A 2 IDENTIFICATION ATV32HU22M2 2.2 kW / 3 HP 220 V Single Appl. software V1.1 IE 01 MC software V1.1 IE 01 << >> Quick FFFFFFFFF Product V1.1 IE 01 SAFETY FUNCTIONS Drive Safety status Standard Safe param. CRC 8529 FUNCTION BLOCKS Prg. format version 1 Catalogue version 1 OPTION 1 No option GRAPHIC TERMINAL GRAPHIC S V1.2IE07 00000000000000000
  • 30.
    Overview 30 S1A28692 03/2010 Remotedisplay terminal option Description of the remote display terminal This remote display terminal is a local control unit which can be mounted on the door of the wall-mounted or floor-standing enclosure. It has a cable with connectors, which is connected to the drive serial link (see the documentation supplied with the remote display terminal). With this remote display terminal, up and down arrows are used for navigation rather than a jog dial. (1) If the drive is locked by a code ([PIN code 1] (COd) page 282), pressing the MODE key enables you to switch from the [1.2 MONITORING] (MOn-) menu to the [1.1 SPEED REFERENCE] (rEF-) menu and vice versa. To activate the keys on the remote display terminal, you first have to configure [Ref.1 channel] (Fr1) = [HMI] (LCC). For more information, see page 139. 1 Four digits display 2 MODE key (1): Used to switch [1.1 SPEED REFERENCE] (rEF-), [1.2 MONITORING] (MOn-) and [1.3 CONFIGURATION] (COnF-) menus. 3 ESC key Used to quit a menu/parameter or remove the currently displayed value in order to revert to the previous value retained in the memory 4 RUN key Executes the function assuming it has been configured 5 Navigation keys 6 ENT key Used to save the current value or access the selected menu/parameter 8 Key for reversing the direction of rotation of the motor 7 STOP key Used to stop the motor and perform a reset
  • 31.
    Overview S1A28692 03/2010 31 Structureof the parameter tables The parameter tables contained in the descriptions of the various menus are organized as follows. Example: Note: The text in square brackets [ ] indicates what you will see on the graphic display terminal. A menu followed by the mention "(continued)" appears sometimes to locate you in the structure. Example: In this case, the mention "(continued)" indicates that the [APPLICATION FUNCT.] submenu is above the [PID REGULATOR] submenu in the structure. A parameter can contain some pictograms. Each pictogram has its legend at the end of the table. Main mictograms: Code Name / Description Adjustment range Factory setting PId- [PID REGULATOR] Note: This function cannot be used with certain other functions. Follow the instructions on page 147. PIF [PID feedback ass.] [No] (nO) nO A11 A12 A13 PI AIU2 OA01 ... OA10 [No] (nO): Not assigned [Al1] (A11): Analog input A1 [Al2] (A12): Analog input A2 [Al3] (A13): Analog input A3 [RP] (PI): Pulse input [AI virtual 2] (AIU2): Virtual analog input 2 [OA01] (OA01): Function blocks: Analog Output 01 ... [OA10] (OA10): Function blocks: Analog Output 10 1. Way to access the parameters described in this page 5. Name of submenu on graphic display terminal 2. Submenu code on 4-digit 7-segment display 6. Name of parameter on graphic display terminal 3. Parameter code on 4-digit 7-segment display 7. Value of parameter on graphic display terminal 4. Parameter value on 4-digit 7-segment display FUn- [APPLICATION FUNCT.] (continued) PId- [PID REGULATOR] Note: This function cannot be used with certain other functions. Follow the instructions on page 147. DRI- > CONF > FULL > FUN-Parameters described in this page can be accessed by: 1 3 2 4 5 6 7 g These parameters only appear if the corresponding function has been selected in another menu. When the parameters can also be accessed and adjusted from within the configuration menu for the corresponding function, their description is detailed in these menus, on the pages indicated, to aid programming. Parameter that can be modified during operation or when stopped. To change the assignment of this parameter, press the ENT key for 2 s.2 s
  • 32.
    Overview 32 S1A28692 03/2010 Findinga parameter in this document The following assistance with finding explanations on a parameter is provided: • With the integrated display terminal and the remote display terminal: Direct use of the parameter code index, page 301, to find the page giving details of the displayed parameter. • With the graphic display terminal: Select the required parameter and press F1 : [Code]. The parameter code is displayed instead of its name while the key is held down. Example: ACC • Then use the parameter code index, page 301, to find the page giving details of the displayed parameter. RDY Term +0.0 Hz 0.0 A SETTINGS Ramp increment : 0.1 Acceleration : 9.51 s Deceleration : 9.67 s Low speed : 0.0 Hz High speed : 50.0 Hz Code << >> Quick Code RDY Term +0.0 Hz 0.0 A SETTINGS Ramp increment : 0.1 ACC : 9.51 s Deceleration : 9.67 s Low speed : 0.0 Hz High speed : 50.0 Hz Code << >> Quick
  • 33.
    Overview S1A28692 03/2010 33 Descriptionof the HMI Normal display, with no fault code displayed and no startup: Displays the parameter selected in the [1.2 MONITORING] (MOn-) menu (default: [Frequency ref.] (FrH)). • InIt: Initialization sequence (only on remote display terminal) • tUN: AutoTuning • dCb: Injection braking • rdY: Drive ready • nSt: Freewheel stop control • CLI: Current limit • FSt: Fast stop • FLU: Fluxing function is activated • nLP: Control is powered on but the DC bus is not loaded • CtL: Controlled stop • Obr: Adapted deceleration • SOC: Stand by output cut • USA: Undervoltage alarm • SS1: Safety SS1 level • SLS: Safety SLS level • StO: Safety STO level In the event of a detected fault, the display will flash to notify the user accordingly. If a graphic display terminal is connected, the name of the detected fault will be displayed. A REF mode selected (rEF-) E Dot used to display parameter value (1/10 unit) B MON mode selected (MOn-) F Current display is parameter value C CONF mode selected (COnF) G Current display is parameter unit D Dot used to display parameter value (1/100 unit) Functions of the Display and the Keys 1 The ESC key is used for menu navigation (backward) and parameters adjustment (cancel) 2 The Jog dial is used for menu navigation (up or down) and parameters adjustment (increase/decrease value or element choice). It can be used as Virtual analogic input 1 for drive frequency reference. 3 The ENT key (push on the Jog dial) is used for menu navigation (forward) and parameters adjustment (validate) 88 88 A B C D F G E 1 3 2
  • 34.
    Overview 34 S1A28692 03/2010 Structureof the menus On the 7-segment display, a dash after menu and submenu codes is used to differentiate them from parameter codes. Example: [APPLICATION FUNCT.] (FUn-) menu, [Acceleration] (ACC) parameter Selection of multiple assignments for one parameter Example: List of group 1 alarms in [INPUTS / OUTPUTS CFG] (I_O-) menu A number of alarms can be selected by "checking" them as follows. The digit on the right indicates: The same principle is used for all multiple selections. Powering up Parameter selection This parameter is only visible when the drive is powered up for the first time. The setting can be amended subsequently in the menu [MOTOR CONTROL] (drC-) for [Standard mot. freq] (bFr) [1.1 SPEED REFERENCE] (rEF-) [1.2 MONITORING] (MOn-) [1.3 CONFIGURATION] (COnF) = ENT rEF- MOn- COnF bFr ESC = ESC = ENT ESC ENT ESC ESC ENT ENT ESC Inr ESC = ESC 01SEt- ACC FFM 001 001 selected not selected
  • 35.
    S1A28692 03/2010 35 II Programming What'sin this Part? This part contains the following chapters: Chapter Chapter Name Page 3 Reference Mode (rEF) 37 4 Monitoring Mode (MOn) 41 5 Configuration Mode (ConF) 65 6 Interface (ItF) 261 7 Open / Save as (trA) 277 8 Password (COd) 281 9 Multipoint Screen 283
  • 36.
  • 37.
    S1A28692 03/2010 37 ReferenceMode (rEF) 3 Reference Mode (rEF) What's in this Chapter? This chapter contains the following topics: Topic Page Introduction 38 Organization tree 39 Menu 40
  • 38.
    Reference Mode (rEF) 38S1A28692 03/2010 Introduction Use the reference mode to monitor and, if the reference channel is the analog input 1 ([Ref.1 channel] (Fr1) page 139 set to [AI virtual 1] (AIU1)), adjust the actual reference value by modifying the analog input voltage value. If local control is enabled ([Ref.1 channel] (Fr1) page 139 set to [HMI] (LCC)), the jog dial on the remote display terminal or the Up/Down Navigation keys on the remote display terminal acts as a potentiometer to change the reference value up and down within the limits preset by other parameters ([Low speed] (LSP) or [High speed] (HSP)). There is no need to press the ENT key to confirm the change of the reference.
  • 39.
    Reference Mode (rEF) S1A2869203/2010 39 Organization tree (1) Depending on the active reference channel Possible values: (AIU1) (LFr) (MFr) (rPI) (FrH) (rPC) (2) 2 s or ESC Displayed parameter value and unit of the diagram are given as examples. Value – Unit ESC ESC ENT ENT (1) (2) = ENTrEF 51.3 HErt ESC = ESC
  • 40.
    Reference Mode (rEF) 40S1A28692 04/2010 Parameters described in this page can be accessed by: Menu (1) It is not necessary to press the ENT key to confirm the modification of the reference. Code Name / Description Adjustment range Factory setting drI- [1 DRIVE MENU] rEF- [1.1 SPEED REFERENCE] Displayed parameters depend on drive settings. AIU1 g (1) [Image input AIV1] 0 to 100% of HSP-LSP 0% First virtual AI value. This parameter allows to modify the frequency reference with the embedded jog dial. LFr g (1) [HMI Frequency ref.] -599 to +599 Hz 0 Hz HMI frequency reference (signed value). This parameter allows to modify the frequency reference with the remote HMI. MFr [Multiplying coeff.] 0 to 100% 100% g Multiply frequency variable. Multiplying coefficient, can be accessed if [Multiplier ref.-] (MA2,MA3) page 154 has been assigned to the graphic terminal. rPI [Internal PID ref.] 0 to 32,767 150 g (1) PID: Internal reference PI. This parameter allows to modify the PID internal reference with the jog dial. Internal PID reference is visible if [PID feedback] (PIF) is not set to [No] (nO). FrH [Frequency ref.] -599 to +599 Hz - g Frequency reference before ramp (signed value). Actual frequency reference applied to the motor regardless of which reference channel has been selected. This parameter is in read-only mode. Frequency reference is visible if the command channel is not HMI or virtual AI. rPC [PID reference] 0 to 65,535 - g PID: Setpoint value. PID reference is visible if [PID feedback] (PIF) is not set to [No] (nO). g These parameters only appear if the corresponding function has been selected in another menu. When the parameters can also be accessed and adjusted from within the configuration menu for the corresponding function, their description is detailed in these menus, on the pages indicated, to aid programming. Parameter that can be modified during operation or when stopped. DRI- > REF-
  • 41.
    S1A28692 03/2010 41 MonitoringMode (MOn) 4 Monitoring Mode (MOn) What's in this Chapter? This chapter contains the following topics: Topic Page Introduction 42 Organization tree 43 Menu 44
  • 42.
    Monitoring Mode (MOn) 42S1A28692 03/2010 Introduction The parameters can be accessed when the drive is running or stopped. Some functions have numerous parameters. In order to clarify programming and avoid having to scroll through endless parameters, these functions have been grouped in submenus. Like menus, submenus are identified by a dash after their code. When the drive is running, the value displayed is one of the monitoring parameters. By default, the value displayed is the input frequency reference ([Frequency ref.] (FrH) parameter page 44). While the value of the new monitoring parameter required is being displayed, press a second time on the jog dial key to display the units or press and hold down the jog dial (ENT) again (for 2 seconds) to confirm the change of monitoring parameter and store it. From then on, it is the value of this parameter that will be displayed during operation (even after powering down). Unless the new choice is confirmed by pressing and holding down ENT again, the display will revert to the previous parameter after powering down. Note: After the drive has been turned off or following a loss of line supply, the parameter displayed is the drive status (example: [Ready] (rdY)). The selected parameter is displayed following a run command.
  • 43.
    Monitoring Mode (MOn) S1A2869203/2010 43 Organization tree Displayed parameters of the diagram are given as examples. (1) Visible only with graphic display terminal = ENT ENT ESC Values units FrH ENT ESC SPd UOP OPr Otr LCr (1) (1) (1) rdY MOn LFr MFr rFr ESC = ESC FqS tHr tHd MMO- IOM- SAF- MFB- CMM- MPI- PEt- CnFS CFPS ALGr ALr- SSt- dGt- COd- ULn
  • 44.
    Monitoring Mode (MOn) 44S1A28692 03/2010 Parameters described in this page can be accessed by: Menu Code Name / Description Unit MOn- [1.2 MONITORING] AIU1 [Image input AIV1] % First virtual AI value. This parameter is read-only. It enables you to display the speed reference applied to the motor. FrH [Frequency ref.] Hz Frequency reference before ramp (signed value). This parameter is read-only. It enables you to display the speed reference applied to the motor, regardless of which reference channel has been selected. LFr [HMI Frequency ref.] Hz HMI frequency reference (signed value). This parameter only appears if the function has been enabled. It is used to change the speed reference from the remote control. ENT does not have to be pressed to enable a change of reference. MFr [Multiplying coeff.] % g Multiply frequency variable. Multiplying coefficient, can be accessed if [Multiplier ref. -] (MA2,MA3) page 154 has been assigned. rFr [Output frequency] Hz Estimated motor frequency (signed value). FqS [Pulse in. work. freq.] Hz g Measured frequency of the "Pulse input" input (see page 246). ULn [Mains voltage] V Main voltage (from DC bus). Line voltage based on DC bus measurement, motor running or stopped. tHr [Motor thermal state] % Motor thermal state. 100% = Nominal thermal state, 118% = "OLF" threshold (motor overload). tHd [Drv.thermal state] % Drive thermal state. 100% = Nominal thermal state, 118% = "OHF" threshold (drive overload). MMO- [MONIT. MOTOR] Spd [Motor speed] rpm Motor speed in rpm. UOP [Motor voltage] V Motor voltage. Opr [Motor power] % Output power monitoring (100% = nominal motor power). Otr [Motor torque] % Output torque value (100% = nominal motor torque). LCr [Motor current] A Estimated motor current. DRI- > MON-
  • 45.
    Monitoring Mode (MOn) S1A2869203/2010 45 Parameters described in this page can be accessed by: MOn- [1.2 MONITORING] (continued) IOM- [I/O MAP] LIA- [LOGIC INPUT CONF.] Logic input functions. LIA [LI1 assignment] Read-only parameters, cannot be configured. It displays all the functions that are assigned to the logic input in order to check for multiple assignments. If no functions have been assigned, [No] (nO) is displayed. Use the jog dial to scroll through the functions. The use of graphic display terminal allows to see the delay [LI1 On Delay] (L1d). Possible values are the same than in configuration menu page 114. L2A to L6A LA1A LA2A [L-- assignment] All the logic inputs available on the drive are processed as in the example for LI1 above. LIS1 [State of logic inputs LI1 to LI6] Can be used to visualize the state of logic inputs LI1 to LI6 (display segment assignment: high = 1, low = 0). Example above: LI1 and LI6 are at 1; LI2 to LI5 are at 0. LIS2 [State of Safe Torque Off] Can be used to visualize the state of LA1, LA2 and STO (Safe Torque Off) (display segment assignment: high = 1, low = 0). Example above: LA1 and LA2 are at 0; STO (Safe Torque Off) is at 1. Code Name / Description Unit State 1 State 0 LI1 LI2 LI3 LI4 LI5 LI6 State 1 State 0 LA1 LA2 STO DRI- > MON- > IOM- > LIA-
  • 46.
    Monitoring Mode (MOn) 46S1A28692 03/2010 Parameters described in this page can be accessed by: AIA- [ANALOG INPUTS IMAGE] Analog input functions. AI1C [AI1] V AI1 customer image: Value of analog input 1. AI1A [AI1 assignment] nO Fr1 Fr2 SA2 PIF tAA dA2 PIM FPI SA3 Fr1b dA3 FLOC MA2 MA3 PES IA01 ... IA10 AI1 functions assignment. If no functions have been assigned, [No] (nO) is displayed. Following parameters are visible on the graphic display terminal by pressing the ENT key on the parameter. [No] (nO): Not assigned [Ref.1 channel] (Fr1): Reference source 1 [Ref.2 channel] (Fr2): Reference source 2 [Summing ref. 2] (SA2): Summing reference 2 [PID feedback] (PIF): PI feedback (PI control) [Torque limitation] (tAA): Torque limitation: Activation by an analog value [Subtract. ref. 2] (dA2): Subtracting reference 2 [Manual PID ref.] (PIM): Manual speed reference of the PI(D) regulator (auto-man) [PID speed ref.] (FPI): Speed reference of the PI(D) regulator (predictive reference) [Summing ref. 3] (SA3): Summing reference 3 [Ref.1B channel] (Fr1b): Reference source 1B [Subtract. ref. 3] (dA3): Subtracting reference 3 [Forced local] (FLOC): Forced local reference source [Ref. 2 multiplier] (MA2): Multiplying reference 2 [Ref. 3 multiplier] (MA3): Multiplying reference 3 [Weight input] (PES): External weight measurement function [IA01] (IA01): Functions blocks: Analog Input 01 ... [IA10] (IA10): Functions blocks: Analog Input 10 UIL1 [AI1 min value] V Voltage scaling parameter of 0%. UIH1 [AI1 max value] V Voltage scaling parameter of 100%. AI1F [AI1 filter] s Interference filtering cut-off time of the low-filter. AlA- [ANALOG INPUTS IMAGE] (continued) Analog input functions. AI2C [AI2] V AI2 customer image: Value of analog input 2. AI2A [AI2 assignment] AI2 functions assignment. If no functions have been assigned, [No] (nO) is displayed. Following parameters are visible on the graphic display terminal by pressing the ENT key on the parameter. Identical to [AI1 assignment] (AI1A) page 46. UIL2 [AI2 min value] V Voltage scaling parameter of 0%. UIH2 [AI2 max value] V Voltage scaling parameter of 100%. AI2F [AI2 filter] s Interference filtering cutoff time of the low-filter. Code Name / Description Unit DRI- > MON- > IOM- > AIA-
  • 47.
    Monitoring Mode (MOn) S1A2869203/2010 47 Parameters described in this page can be accessed by: AIA- [ANALOG INPUTS IMAGE] (continued) Analog input functions. AI3C [AI3] V AI3 customer image: Value of analog input 3. AI3A [AI3 assignment] AI3 functions assignment. If no functions have been assigned, [No] (nO) is displayed. Following parameters are visible on the graphic display terminal by pressing the ENT key on the parameter. Identical to [AI1 assignment] (AI1A) page 46. CrL3 [AI3 min value] mA Current scaling parameter of 0%. CrH3 [AI3 max value] mA Current scaling parameter of 100%. AI3F [AI3 filter] s Interference filtering cutoff time of the low-filter. IOM- [I/O MAP] (continued) AOA- [ANALOG OUTPUTS IMAGE] Analog output functions. Following parameters are visible on the graphic display terminal by pressing the ENT key on the parameter. AO1C [AO1C] AO1 customer image: Value of analog output 1. AO1 [AO1 assignment] AO1 functions assignment. If no functions have been assigned, [No] (nO) is displayed. Identical to [AO1 assignment] (AOI) page 129. UOL1 [AO1 min Output] V g Voltage scaling parameter of 0%. Can be accessed if [AO1 Type] (AO1t) is set to [Voltage] (10U). UOH1 [AO1 max Output] V g Voltage scaling parameter of 100%. Can be accessed if [AO1 Type] (AO1t) is set to [Voltage] (10U). AOL1 [AO1 min output] mA g Current scaling parameter of 0%. Can be accessed if [AO1 Type] (AO1t) is set to [Current] (0A). AOH1 [AO1 max output] mA g Current scaling parameter of 100%. Can be accessed if [AO1 Type] (AO1t) is set to [Current] (0A). ASL1 [Scaling AO1 max] % Minimum scaling value for AO1. ASH1 [Scaling AO1 min] % Maximum scaling value for AO1. AO1F [AO1 filter] s Cutoff time of the low-filter. Code Name / Description Unit DRI- > MON- > IOM- > AIA- > AI3C
  • 48.
    Monitoring Mode (MOn) 48S1A28692 03/2010 Parameters described in this page can be accessed by: IOM- [I/O MAP] (continued) FSI- [FREQ. SIGNAL IMAGE] Frequency signal image. This menu is visible only on graphic display terminal. PFrC [RP input] Hz Filtered customer pulse input frequency reference. Following parameters are visible on the graphic display terminal by pressing the ENT key on the parameter. PIA [RP assignment] Pulse input assignment. If no functions have been assigned, [No] (nO) is displayed. Identical to [AI1 assignment] (AI1A) page 46. PIL [RP min value] kHz RP minimum value. Pulse input scaling parameter of 0%. PFr [RP max value] kHz RP maximum value Pulse input scaling parameter of 100%. PFI [RP filter] ms Interference filtering pulse input cutoff time of the low-filter. MOn- [1.2 MONITORING] (continued) SAF- [MONIT. SAFETY] For more details on Integrated Safety Functions, please refer to dedicated Safety manual. StOS IdLE StO FLt [STO status] Status of the Safe Torque Off safety function. [Idle] (IdLE): STO not in progress [Safe stop] (StO): STO in progress [Fault] (FLt): STO fault detected SLSS nO IdLE SS1 SLS StO FLt [SLS status] Status of the Safe Limit speed safety function. [Not config.] (nO): SLS not configured [Idle] (IdLE): SLS not in progress [Safe ramp] (SS1): SLS ramp in progress [Speed limited] (SLS): SLS speed limitation in progress [Safe stop] (StO): SLS safe torque off request in progress [Fault] (FLt): SLS fault detected SS1S nO IdLE SS1 StO FLt [SS1 status] Status of the Safe Stop 1 safety function. [Not config.] (nO): SS1 not configured [Idle] (IdLE): SS1 not in progress [Safe ramp] (SS1): SS1 ramp in progress [Safe stop] (StO): SS1 safe torque off request in progress [Fault] (FLt): SS1 fault detected Code Name / Description Unit DRI- > MON- > IOM- > FSI-
  • 49.
    Monitoring Mode (MOn) S1A2869203/2010 49 Parameters described in this page can be accessed by: SFFE [Safety fault reg.] Safety function detected fault error register. Bit 0 = 1: Logical Input debounce time out Bit 1: Reserved Bit 2 = 1: Motor speed sign changed during SS1 stop Bit 3 = 1: Motor speed reached SS1 trip area Bit 4: Reserved Bit 5: Reserved Bit 6 = 1: Motor speed sign changed during SLS Safe Limitation Bit 7 = 1: Motor speed reached SLS trip area Bit 8: Reserved Bit 9: Reserved Bit 10: Reserved Bit 11: Reserved Bit 12: Reserved Bit 13 = 1: Motor speed measurement is not possible Bit 14 = 1: Motor ground short circuit detected Bit 15 = 1: Motor phase to phase short circuit detected MOn- [1.2 MONITORING] (continued) MFb- [MONIT. FUN. BLOCKS] For more details on Function Blocks, please refer to dedicated Function Blocks manual. FbSt IdLE CHEC StOP InIt rUn Err [FB status] Function Block Status. [Idle] (IdLE): Idle state [Check prog.] (CHEC): Check program state [Stop] (StOP): STOP state [Init] (InIt): Initialization state [Run] (rUn): RUN state [Err] (Err): Error state FbFt nO Int bIn InP PAr CAL tOAU tOPP AdL In [FB fault] Status of the function blocks execution. [No] (nO): No fault detected [Internal] (Int): Internal fault detected [Binary file] (bIn): Binary fault detected [Intern para.] (InP): Internal parameter fault detected [Para. RW] (PAr): Parameter access fault detected [Calculation] (CAL): Calculation fault detected [TO AUX] (tOAU): TimeOut AUX task [TO synch] (tOPP): TimeOut in PRE/POST task [Bad ADLC] (AdL): ADLC with bad parameter [Input assign.] (In): Input not configured FbI- [FB IDENTIFICATION] bUEr [Program version] g Program user version. Can be accessed if [FB status] (FbSt) is not set to [Idle] (IdLE). bnS g [Program size] Program file size. Can be accessed if [FB status] (FbSt) is not set to [Idle] (IdLE). bnU [Prg. format version] Binary format version of the drive. Can be accessed if [FB status] (FbSt) is not set to [Idle] (IdLE). CtU [Catalogue version] Catalog version of the drive. Code Name / Description Unit DRI- > MON- > SAF-
  • 50.
    Monitoring Mode (MOn) 50S1A28692 03/2010 Parameters described in this page can be accessed by: MOn- [1.2 MONITORING] (continued) CMM- [COMMUNICATION MAP] This menu is visible only on graphic display terminal, except for [COM. SCANNER INPUT MAP].(ISA-) and [COM SCAN MAP].(OSA-) menus. CMdC tErM HMI Mdb CAn tUd nEt P S [Command channel] Active command channel. [Terminals] (tErM): Terminals [HMI] (HMI): Graphic display terminal or remote display terminal [Modbus] (Mdb): Integrated Modbus [CANopen] (CAn): Integrated CANopen® [+/- speed] (tUd): +/- speed command [Com. card] (nEt): Communication card (if inserted) [PC tool] (P S): PC software CMd [Cmd value] DRIVECOM command register value. [Profile] (CHCF) is not set to [I/O profile] (IO), see page 139. Possible values in CiA402 profile, separate or not separate mode. Bit 0: "Switch on"/Contactor command Bit 1: "Disable voltage"/Authorization to supply AC power Bit 2: "Quick stop"/Emergency stop Bit 3: "Enable operation"/Run command Bit 4 to Bit 6: Reserved (set to 0) Bit 7: "Fault reset"/Fault acknowledgment active on 0 to 1 rising edge Bit 8: Halt Stop according to the [Type of stop] (Stt) parameter without leaving the Operation enabled state Bit 9: Reserved (set to 0) Bit 10: Reserved (set to 0) Bit 11 to Bit 15: Can be assigned to a command Possible values in the I/O profile. On state command [2 wire] (2C). Bit 0: Forward (on state) command = 0: No forward command = 1: Forward command The assignment of bit 0 cannot be modified. It corresponds to the assignment of the terminals. It can be switched. Bit 0 (Cd00) is only active if the channel of this control word is active. Bit 1 to Bit 15: Can be assigned to commands. On edge command [3 wire] (3C). Bit 0: Stop (run authorization). = 0: Stop = 1: Run is authorized on a forward or reverse command Bit 1: Forward (on 0 to 1 rising edge) command The assignment of bits 0 and 1 cannot be modified. It corresponds to the assignment of the terminals. It can be switched. Bits 0 (Cd00) and 1 (Cd01) are only active if the channel of this control word is active. Bit 2 to Bit 15: Can be assigned to commands rFCC tErM LOC HMI Mdb CAn tUd nEt P S [Active ref. channel] HMI reference channel. [Terminals] (tErM): Terminals [Local] (LOC): Jog dial [HMI] (HMI): Graphic display terminal or remote display terminal [Modbus] (Mdb): Integrated Modbus [CANopen] (CAn): Integrated CANopen® [tUd] (tUd): +/- speed command [Com. card] (nEt): Communication card (if inserted) [PC tool] (P S): PC software FrH [Frequency ref.] Hz Frequency reference before ramp. Code Name / Description Unit DRI- > MON- > CMM-
  • 51.
    Monitoring Mode (MOn) S1A2869203/2010 51 Parameters described in this page can be accessed by: EtA [ETA state word] DRIVECOM status word. Possible values in CiA402 profile, separate or not separate mode. Bit 0: "Ready to switch on", awaiting power section line supply Bit 1: "Switched on", ready Bit 2: "Operation enabled", running Bit 3: "Fault" = 0: No fault = 1: Fault Bit 4: "Voltage enabled", power section line supply present = 0: Power section line supply absent = 1: Power section line supply present When the drive is powered by the power section only, this bit is always at 1. Bit 5: Quick stop/Emergency stop Bit 6: "Switched on disabled", power section line supply locked Bit 7: Alarm = 0: No alarm = 1: Alarm Bit 8: Reserved (= 0) Bit 9: Remote: command or reference via the network = 0: Command or reference via the graphic display terminal or the remote display terminal = 1: Command or reference via the network Bit 10: Target reference reached = 0: The reference is not reached = 1: The reference has been reached When the drive is in speed mode, this is the speed reference. Bit 11: "Internal limit active", reference outside limits = 0: The reference is within the limits = 1: The reference is not within the limits When the drive is in speed mode, the limits are defined by the [Low speed] (LSP) and [High speed] (HSP) parameters. Bit 12 and Bit 13: Reserved (= 0) Bit 14: "Stop key", STOP via stop key = 0: STOP key not pressed = 1: Stop triggered by the STOP key on the graphic display terminal or the remote display terminal Bit 15: "Direction", direction of rotation = 0: Forward rotation at output = 1: Reverse rotation at output The combination of bits 0, 1, 2, 4, 5 and 6 defines the state in the DSP 402 state chart (see the Communication manuals). Possible values in the I/O profile. Note: The value is identical in the CiA402 profile and the I/O profile. In the I/O profile, the description of the values is simplified and does not refer to the CiA402 (Drivecom) state chart. Bit 0: Reserved (= 0 or 1) Bit 1: Ready = 0: Not ready = 1: Ready Bit 2: Running = 0: The drive will not start if a reference other than zero is applied. = 1: Running, if a reference other than zero is applied, the drive can start. Bit 3: Fault = 0: No fault = 1: Fault Bit 4: Power section line supply present = 0: Power section line supply absent = 1: Power section line supply present Bit 5: Reserved (= 1) Bit 6: Reserved (= 0 or 1) Bit 7: Alarm = 0: No alarm = 1: Alarm Bit 8: Reserved (= 0) Bit 9: Command via a network = 0: Command via the terminals or the graphic display terminal = 1: Command via a network Code Name / Description Unit DRI- > MON- > CMM-
  • 52.
    Monitoring Mode (MOn) 52S1A28692 03/2010 Parameters described in this page can be accessed by: Bit 10: Reference reached = 0: The reference is not reached = 1: The reference has been reached Bit 11: Reference outside limits = 0: The reference is within the limits = 1: The reference is not within the limits When the drive is in speed mode, the limits are defined by LSP and HSP parameters. Bit 12 and Bit 13: Reserved (= 0) Bit 14: Stop via STOP key = 0: STOP key not pressed = 1: Stop triggered by the STOP key on the graphic display terminal or the remote display terminal Bit 15: Direction of rotation = 0: Forward rotation at output = 1: Reverse rotation at output Mnd- [MODBUS NETWORK DIAG] Modbus network diagnostic. Mdb1 [COM LED] View of the Modbus Communication. M1Ct [Mb NET frames nb.] Modbus network frame counter: Number of processed frames. M1EC [Mb NET CRC errors] Modbus network CRC error counter: Number of CRC errors. CMM- [COMMUNICATION MAP] (continued) dbt- [DIAG BLUETOOTH] Bluetooth network diagnostic. Mdb2 [COM LED] View of the Bluetooth Communication Led on integrated display. Led Off: The Bluetooth channel is deactivated. Led fixed On: The bluetooth channel is activated with active connection. Led blinking: The bluetooth channel is activated without active connection. M3Ct [Frame Nb] Bluetooth frame counter: Number of processed frames. M3EC [CRC error Nb] Bluetooth CRC error counter: Number of CRC errors. CMM- [COMMUNICATION MAP] (continued) ISA- [COM. SCANNER INPUT MAP] Used for CANopen® and Modbus Network. nM1 [Com Scan In1 val.] Value of the 1st input word. nM2 [Com Scan In2 val.] Value of the 2nd input word. nM3 [Com Scan In3 val.] Value of the 3rd input word. nM4 [Com Scan In4 val.] Value of the 4th input word. nM5 [Com Scan In5 val.] Value of the 5th input word. nM6 [Com Scan In6 val.] Value of the 6th input word. nM7 [Com Scan In7 val.] Value of the 7th input word. nM8 [Com Scan In8 val.] Value of the 8th input word. Code Name / Description Unit DRI- > MON- > CMM-
  • 53.
    Monitoring Mode (MOn) S1A2869203/2010 53 Parameters described in this page can be accessed by: CMM- [COMMUNICATION MAP] (continued) OSA- [COM SCAN OUTPUT MAP] nC1 [Com Scan Out1 val.] Value of the 1st output word. nC2 [Com Scan Out2 val.] Value of the 2nd output word. nC3 [Com Scan Out3 val.] Value of the 3rd output word. nC4 [Com Scan Out4 val.] Value of the 4th output word. nC5 [Com Scan Out5 val.] Value of the 5th output word. nC6 [Com Scan Out6 val.] Value of the 6th output word. nC7 [Com Scan Out7 val.] Value of the 7th output word. nC8 [Com Scan Out8 val.] Value of the 8th output word. CMM- [COMMUNICATION MAP] (continued) C I- [CMD. WORD IMAGE] Command word image: Only accessible via graphic display terminal. CMd1 [Modbus cmd.] Modbus command word image. CMd2 [CANopen cmd.] CANopen® command word image. CMd3 [COM. card cmd.] Communication card command word image. CMM- [COMMUNICATION MAP] (continued) r I- [FREQ. REF. WORD MAP] Frequency reference image: Only accessible via graphic display terminal. LFr1 [Modbus ref.] Hz Modbus frequency reference image. LFr2 [CANopen ref.] Hz CANopen® frequency reference image. LFr3 [Com. card ref.] Hz Communication card frequency reference image. CMM- [COMMUNICATION MAP] (continued) CnM- [CANopen MAP] CANopen® image: Only accessible via graphic display terminal. COn [RUN LED] View of the CANopen® RUN Led Status. CAnE [ERR LED] View of the CANopen® Error Led Status. PO1- [PDO1 IMAGE] View of the RPDO1 and TPDO1. rp11 [Received PDO1-1] g First frame of the received PDO1. Code Name / Description Unit DRI- > MON- > CMM- > OSA-
  • 54.
    Monitoring Mode (MOn) 54S1A28692 03/2010 Parameters described in this page can be accessed by: rp12 [Received PDO1-2] g Second frame of the received PDO1. rp13 [Received PDO1-3] g Third frame of the received PDO1. rp14 [Received PDO1-4] g Fourth frame of the received PDO1. tp11 [Transmit PDO1-1] g First frame of the transmit PDO1. tp12 [Transmit PDO1-2] g Second frame of the transmit PDO1. tp13 [Transmit PDO1-3] g Third frame of the transmit PDO1. tp14 [Transmit PDO1-4] g Fourth frame of the transmit PDO1. CnM- [CANopen MAP] (continued) CANopen® image: Only accessible via graphic display terminal. PO2- [PDO2 IMAGE] View of the RPDO2 and TPDO2: Same structure as [PDO1 IMAGE] (PO1-). rp21 [Received PDO2-1] g First frame of the received PDO2. rp22 [Received PDO2-2] g Second frame of the received PDO2. rp22 [Received PDO2-3] g Third frame of the received PDO2. rp23 [Received PDO2-4] g Fourth frame of the received PDO2. tp21 [Transmit PDO2-1] g First frame of the transmit PDO2. tp22 [Transmit PDO2-2] g Second frame of the transmit PDO2. tp23 [Transmit PDO2-3] g Third frame of the transmit PDO2. tp24 [Transmit PDO2-4] g Fourth frame of the transmit PDO2. Code Name / Description Unit DRI- > MON- > CMM- > CNM- > P01-
  • 55.
    Monitoring Mode (MOn) S1A2869203/2010 55 Parameters described in this page can be accessed by: CnM- [CANopen MAP] (continued) CANopen® image: Only accessible via graphic display terminal. PO3- [PDO3 IMAGE] View of the RPDO3 and TPDO3: Same structure as [PDO1 IMAGE] (PO1-). rp31 [Received PDO3-1] g First frame of the received PDO3. rp32 [Received PDO3-2] g Second frame of the received PDO3. rp32 [Received PDO3-3] g Third frame of the received PDO3. rp33 [Received PDO3-4] g Fourth frame of the received PDO3. tp31 [Transmit PDO3-1] g First frame of the transmit PDO3. tp32 [Transmit PDO3-2] g Second frame of the transmit PDO3. tp33 [Transmit PDO3-3] g Third frame of the transmit PDO3. tp34 [Transmit PDO3-4] g Fourth frame of the transmit PDO3. CnM- [CANopen MAP] (continued) CANopen® image: Only accessible via graphic display terminal. nMtS [Canopen NMT state] bOOt StOP OPE POPE Drive NMT State of the CANopen® slave. [Boot] (bOOt): Bootup [Stopped] (StOP): Stopped [Operation] (OPE): Operational [Pre-op] (POPE): Pre-Operational nbtp [Number of TX PDO] Number of transmit PDO. nbrp [Number of RX PDO] Number of receive PDO. ErCO [Error code] CANopen® error register (from 1 to 5). rEC1 [RX Error Counter] Controller Rx error counter (not memorized at power off). tEC1 [TX error counter] Controller Tx error counter (not memorized at power off). Code Name / Description Unit DRI- > MON- > CMM- > CNM- > P03-
  • 56.
    Monitoring Mode (MOn) 56S1A28692 03/2010 Parameters described in this page can be accessed by: MOn- [1.2 MONITORING] (continued) MpI- g [MONIT. PI] PID management. Visible if [PID feedback ass.] (PIF) is not set to [No] (nO). rPI g [Internal PID ref.] Internal PID reference: As a process value. rpE [PID error] g PID error value. rpF [PID feedback] g PID feedback value. rpC [PID reference] g PID setpoint value via graphic display terminal. rpO [PID Output] Hz PID output value with limitation. MOn- [1.2 MONITORING] (continued) pEt- [MONIT. POWER TIME] ApH [Consumption] Wh, kWh, MWh Energy consumption in Wh, kWh or MWh (accumulated consumption). rtH [Run time] s, min, h Run elapsed time display (resetable) in seconds, minutes or hours (length of time the motor has been switched on). ptH [Power on time] s, min, h Power elapsed time display in seconds, minutes or hours (length of time the drive has been switched on). rpr [Operating t. reset] Reset of run elapsed time. nO APH rtH PtH [No] (nO): Reset operation not in progress [Reset kWh] (APH): Clear [Reset kWh] (APH) [rst. runtime] (rtH): Clear [rst. runtime] (rtH) [rst. P On t.] (PtH): Clear [rst. P On t.] (PtH) MOn- [1.2 MONITORING] (continued) CnFS nO CnF0 CnF1 CnF2 [Config. active] View of the active configuration. [In progress] (nO): Transitory state (configuration changing) [Config. n°0] (CnF0): Configuration 0 active [Config. n°1] (CnF1): Configuration 1 active [Config. n°2] (CnF2): Configuration 2 active CFpS [Utilised param. set] g Configuration parameter status (can be accessed if parameter switching has been enabled, see page 214). nO CFP1 CFP2 CFP3 [None] (nO): Not assigned [Set N°1] (CFP1): Parameter set 1 active [Set N°2] (CFP2): Parameter set 2 active [Set N°3] (CFP3): Parameter set 3 active Code Name / Description Unit DRI- > MON- > MPI-
  • 57.
    Monitoring Mode (MOn) S1A2869203/2010 57 Parameters described in this page can be accessed by: ALGr --- 1-- -2- 12- --3 1-3 -23 123 [Alarm groups] Current impacted alarm group numbers. Group of alarms could be user defined in [INPUTS / OUTPUTS CFG] (I_O-) page 112. [---] (---): No alarm group impacted [1--] (1--): Alarm group 1 [-2-] (-2-): Alarm group 2 [12-] (12-): Alarm group 1 and 2 [--3] (--3): Alarm group 3 [1-3] (1-3): Alarm group 1 and 3 [-23] (-23): Alarm group 2 and 3 [123] (123): Alarm group 1, 2 and 3 ALr- [ALARMS] List of current alarms. If an alarm is present, a appears on the graphic display terminal. nOAL PtCL EtF USA CtA FtA F2A SrA tSA tS2 tS3 UPA FLA tHA AG1 AG2 AG3 PEE PFA AP3 SSA tAd tJA bOA ULA OLA rSdA ttHA ttLA dLdA FqLA [No alarm] (nOAL) [PTCL alarm] (PtCL) [External fault] (EtF) [UnderV. al.] (USA) [I attained] (CtA) [Freq. Th. attain.] (FtA) [Freq. Th. 2 attain.] (F2A) [Freq.ref.att] (SrA) [Th.mot. att.] (tSA) [Th.mot2 att.] (tS2) [Th.mot3 att.] (tS3) [Underv. prev.] (UPA) [HSP attain.] (FLA) [Al. °C drv] (tHA) [Alarm group 1] (AG1) [Alarm group 2] (AG2) [Alarm group 3] (AG3) [PID error al] (PEE) [PID fdbk al.] (PFA) [AI3 Al. 4-20mA] (AP3) [Lim T/I att.] (SSA) [Th.drv.att.] (tAd) [IGBT alarm] (tJA) [Brake R. al.] (bOA) [Underload. Proc. Al.] (ULA) [Overload. Proc. Al.] (OLA) [Rope slack alarm] (rSdA) [High torque alarm] (ttHA) [Low torque alarm] (ttLA) [Dynamic load alarm] (dLdA) [Freq. meter Alarm] (FqLA) Code Name / Description Unit DRI- > MON-
  • 58.
    Monitoring Mode (MOn) 58S1A28692 03/2010 Parameters described in this page can be accessed by: SSt- [OTHER STATE] List of secondary states. This menu is visible only on graphic display terminal. FL PtCL FSt CtA FtA F2A SrA tSA EtF AUtO FtL tUn USA CnF1 CnF2 FLA AnA CFP1 CFP2 CFP3 brS dbL ttHA ttLA MFrd MrrS FqLA [In motor fluxing] (FL ) [PTC Alarm] (PtCL) [Fast stop in prog.] (FSt) [Current Th. attained] (CtA) [Freq. Th. attained] (FtA) [Freq. Th. 2 attained] (F2A) [Frequency ref. att.] (SrA) [Motor th. state att.] (tSA) [External fault alarm] (EtF) [Auto restart] (AUtO) [Remote] (FtL) [Auto-tuning] (tUn) [Undervoltage] (USA) [Config. 1 act.] (CnF1) [Config. 2 act.] (CnF2) [HSP attained] (FLA) [Dévirage charge] (AnA) [Set 1 active] (CFP1) [Set 2 active] (CFP2) [Set 3 active] (CFP3) [In braking] (brS) [DC bus loading] (dbL) [High torque alarm] (ttHA) [Low torque alarm] (ttLA) [Forward] (MFrd) [Reverse] (MrrS) [Freq. metre Alarm] (FqLA) dGt- [DIAGNOSTICS] This menu is visible only on graphic display terminal. pFH- [FAULT HISTORY] Shows the 8 last detected faults. dP1 [Past fault 1] nOF ASF bLF brF CFF CFI2 CnF COF CrF CSF dCF dLF EEF1 EEF2 EPF1 EPF2 FbE FbES FCF1 FCF2 HCF HdF ILF InF1 InF2 InF3 InF4 InF6 Fault record 1 (1 is last). [No fault] (nOF): No detected fault memorized [Angle error] (ASF): Angle setting detected fault [Brake control] (bLF): Brake's motor 3-phases loss [Brake feedback] (brF): Brake contactor detected error [Incorrect config.] (CFF): Invalid configuration at power on [Bad conf] (CFI2): Configuration transfer detected error [Com. network] (CnF): NET option communication interruption [CAN com.] (COF): CANopen® communication interruption [Capa.charg] (CrF): Load relay detected fault [Ch.sw. fault] (CSF): Channel switching detected error [Diff. I fault] (dCF): Differential current detected fault [Load fault] (dLF): Dynamic load detected error [Control EEprom] (EEF1): Control EEprom detected error [Power Eeprom] (EEF2): Power EEprom detected error [External fault LI/Bit] (EPF1): External detected fault from LI or local link [External fault com.] (EPF2): External interruption from communication board [FB fault] (FbE): Function block detected error [FB stop fly.] (FbES): Function block stop detected error [Out. contact. stuck] (FCF1): Output contactor: closed contactor [Out. contact. open.] (FCF2): Output contactor: opened contactor [Cards pairing] (HCF): Hardware configuration detected error [IGBT desaturation] (HdF): Hardware detected error [Option int link] (ILF): Option internal link interruption [Rating error] (InF1): Unknown drive rating [PWR Calib.] (InF2): Unknown or incompatible power board [Int.serial link] (InF3): Internal serial link communication interruption [Int.Mfg area] (InF4): Invalid industrialization zone [Internal-option] (InF6): Unknown or incompatible option board Code Name / Description Unit DRI- > MON- > SST-
  • 59.
    Monitoring Mode (MOn) S1A2869203/2010 59 Parameters described in this page can be accessed by: InF9 InFA InFb InFE LCF LFF3 ObF OCF OHF OLC OLF OPF1 OPF2 OSF OtFL PHF PtFL SAFF SCF1 SCF3 SCF4 SCF5 SLF1 SLF2 SLF3 SOF SPF SrF SSF tJF tnF ULF USF [Internal- I measure] (InF9): Current measurement circuit detected error [Internal-mains circuit] (InFA): Input phase loss circuit detected error [Internal- th. sensor] (InFb): Thermal sensor detected error (OC or SC) [Internal-CPU] (InFE): CPU detected fault (ram, flash, task ...) [Input contactor] (LCF): Line contactor detected error [AI3 4-20mA loss] (LFF3): AI3 4-20 mA loss [Overbraking] (ObF): Overbraking [Overcurrent] (OCF): Overcurrent [Drive overheat] (OHF): Drive overheating [Proc.Overload Flt] (OLC): Torque overload [Motor overload] (OLF): Motor overload [1 output phase loss] (OPF1): Motor 1-phase loss [3out ph loss] (OPF2): Motor 3-phases loss [Mains overvoltage] (OSF): Oversupply detected fault [PTC fault] (OtFL): Motor overheating detected error from PTCL: standard product [Input phase loss] (PHF): Main input 1-phase loss [LI6=PTC probe] (PtFL): PTCL detected error (OC or SC) [Safety fault] (SAFF): Safety function trip [Motor short circuit] (SCF1): Motor short circuit (hard detection) [Ground short circuit] (SCF3): Direct ground short-circuit trip (hard detection) [IGBT short circuit] (SCF4): IGBT short-circuit (hard detection) [Motor short circuit] (SCF5): Load short-circuit during Igon load sequence (hard detection) [Modbus com.] (SLF1): Modbus local serial communication interruption [PC com.] (SLF2): PC Software communication interruption [HMI com.] (SLF3): Remote terminal communication interruption [Overspeed] (SOF): Overspeed [Speed fdback loss] (SPF): Speed feedback loss [Torque time-out] (SrF): Torque regulation time-out [Torque/current lim] (SSF): Torque current limitation detected fault [IGBT overheat] (tJF): IGBT overheating [Auto-tuning] (tnF): Tune detected fault [Pr.Underload Flt] (ULF): Torque underload [Undervoltage] (USF): Undervoltage HS1 [Drive state] tUn dCb rdY nSt rUn ACC dEC CLI FSt FLU nLP CtL Obr SOC USA tC St FA YES EP FLt SS1 SLS StO HMI Status of the detected fault record 1. [Auto-tuning] (tUn): Auto-tuning [In DC inject.] (dCb): Injection braking [Ready] (rdY): Drive ready [Freewheel] (nSt): Freewheel stop control [Drv running] (rUn): Motor in steady state or run command present and zero reference [In accel.] (ACC): Acceleration [In decel.] (dEC): Deceleration [Current lim.] (CLI): Current limit [Fast stop] (FSt): Fast stop [Mot. fluxing] (FLU): Fluxing function is activated [no mains V.] (nLP): Control is powered on but the DC bus is not loaded [control.stop] (CtL): Controlled stop [Dec. adapt.] (Obr): Adapted deceleration [Output cut] (SOC): Stand by output cut [UnderV. al.] (USA): Undervoltage alarm [In mfg. test] (tC): TC indus mode activated [in autotest] (St): Self test in progress [autotest err] (FA): Self test detected error [Autotest OK] (YES): Self test OK [eeprom test] (EP): Self test Eeprom detected error [In fault] (FLt): Product has detected a fault [SS1 active] (SS1): Safety SS1 level [SLS active] (SLS): Safety SLS level [STO active] (StO): Safety STO level Ep1 [ETA state word] DRIVECOM status register of detected fault record 1 (same as [ETA state word] (EtA) page 51). IP1 [ETI state word] Extended status register of detected fault record 1 (see the communication parameters file). Code Name / Description Unit DRI- > MON- > DGT- > PFH-
  • 60.
    Monitoring Mode (MOn) 60S1A28692 03/2010 Parameters described in this page can be accessed by: CMP1 [Cmd word] Command register of detected fault record 1 (same as [Cmd word] (CMd) page 50). LCP1 [Motor current] A Estimated motor current of detected fault record 1 (same as [Motor current] (LCr) page 44). rFp1 [Output frequency] Hz Estimated motor frequency of detected fault record 1 (same as [Output frequency] (rFr) page 44). rtp1 [Elapsed time] h Elapsed run time of detected fault record 1 (same as [Elapsed time] (rtH) page 56). ULp1 [Mains voltage] V Main voltage of detected fault record 1 (same as [Mains voltage] (ULn) page 44). tHP1 [Motor thermal state] % Motor thermal state of detected fault record 1 (same as [Motor thermal state] (tHr) page 44). dCC1 [Command Channel] Command channel of detected fault record 1 (same as [Command channel] (CMdC) page 50). drC1 [Channel ref. active] Reference channel of detected fault record 1 (same as [Channel ref. active] (rFCC) page 50). pFH- [FAULT HISTORY] (continued) Shows the 8 last detected faults. dP2 [Past fault 2] Identical to [Past fault 1] (dP1) page 58. dP3 [Past fault 3] Identical to [Past fault 1] (dP1) page 58. dP4 [Past fault 4] Identical to [Past fault 1] (dP1) page 58. dP5 [Past fault 5] Identical to [Past fault 1] (dP1) page 58. dP6 [Past fault 6] Identical to [Past fault 1] (dP1) page 58. dP7 [Past fault 7] Identical to [Past fault 1] (dP1) page 58. dP8 [Past fault 8] Identical to [Past fault 1] (dP1) page 58. Code Name / Description Unit DRI- > MON- > DGT- > PFH-
  • 61.
    Monitoring Mode (MOn) S1A2869203/2010 61 Parameters described in this page can be accessed by: dGt- [DIAGNOSTICS] (continued) PFL- [CURRENT FAULT LIST] nOF ASF bLF brF CFF CFI2 CnF COF CrF CSF dCF dLF EEF1 EEF2 EPF1 EPF2 FbE FbES FCF1 FCF2 HCF HdF ILF InF1 InF2 InF3 InF4 InF6 InF9 InFA InFb InFE LCF LFF3 ObF OCF OHF OLC OLF OPF1 OPF2 OSF OtFL PHF PtFL SAFF SCF1 SCF3 SCF4 SCF5 SLF1 SLF2 SLF3 SOF SPF SrF SSF tJF tnF ULF USF [No fault] (nOF): No detected fault memorized [Angle error] (ASF): Angle setting detected fault [Brake control] (bLF): Brake's motor 3-phases loss [Brake feedback] (brF): Brake contactor detected error [Incorrect config.] (CFF): Invalid configuration at power on [Bad conf] (CFI2): Configuration transfer detected error [Com. network] (CnF): NET option communication interruption [CAN com.] (COF): CANopen® communication interruption [Capa.charg] (CrF): Load relay detected fault [Ch.sw. fault] (CSF): Channel switching detected error [Diff. I fault] (dCF): Differential current detected fault [Load fault] (dLF): Dynamic load detected error [Control EEprom] (EEF1): Control EEprom detected error [Power Eeprom] (EEF2): Power EEprom detected error [External fault LI/Bit] (EPF1): External detected fault from LI or local link [External fault com.] (EPF2): External interruption from communication board [FB fault] (FbE): Function block detected error [FB stop fly.] (FbES): Function block stop detected error [Out. contact. stuck] (FCF1): Output contactor: closed contactor [Out. contact. open.] (FCF2): Output contactor: opened contactor [Cards pairing] (HCF): Hardware configuration detected error [IGBT desaturation] (HdF): Hardware detected error [Option int link] (ILF): Option internal link interruption [Rating error] (InF1): Unknown drive rating [PWR Calib.] (InF2): Unknown or incompatible power board [Int.serial link] (InF3): Internal serial link communication interruption [Int.Mfg area] (InF4): Invalid industrialization zone [Internal-option] (InF6): Unknown or incompatible option board [Internal- I measure] (InF9): Current measurement circuit detected error [Internal-mains circuit] (InFA): Input phase loss circuit detected error [Internal- th. sensor] (InFb): Thermal sensor detected error (OC or SC) [Internal-CPU] (InFE): CPU detected fault (ram, flash, task ...) [Input contactor] (LCF): Line contactor detected error [AI3 4-20mA loss] (LFF3): AI3 4-20 mA loss [Overbraking] (ObF): Overbraking [Overcurrent] (OCF): Overcurrent [Drive overheat] (OHF): Drive overheating [Proc.Overload Flt] (OLC): Torque overload [Motor overload] (OLF): Motor overload [1 output phase loss] (OPF1): Motor 1-phase loss [3out ph loss] (OPF2): Motor 3-phases loss [Mains overvoltage] (OSF): Oversupply detected fault [PTC fault] (OtFL): Motor overheating detected error from PTCL: standard product [Input phase loss] (PHF): Main input 1-phase loss [LI6=PTC probe] (PtFL): PTCL detected error (OC or SC) [Safety fault] (SAFF): Safety function trip [Motor short circuit] (SCF1): Motor short circuit (hard detection) [Ground short circuit] (SCF3): Direct ground short-circuit trip (hard detection) [IGBT short circuit] (SCF4): IGBT short-circuit (hard detection) [Motor short circuit] (SCF5): Load short-circuit during Igon load sequence (hard detection) [Modbus com.] (SLF1): Modbus local serial communication interruption [PC com.] (SLF2): PC Software communication interruption [HMI com.] (SLF3): Remote terminal communication interruption [Overspeed] (SOF): Overspeed [Speed fdback loss] (SPF): Speed feedback loss [Torque time-out] (SrF): Torque regulation time-out [Torque/current lim] (SSF): Torque current limitation detected fault [IGBT overheat] (tJF): IGBT overheating [Auto-tuning] (tnF): Tune detected fault [Pr.Underload Flt] (ULF): Torque underload [Undervoltage] (USF): Undervoltage Code Name / Description Unit DRI- > MON- > DGT- > PFL-
  • 62.
    Monitoring Mode (MOn) 62S1A28692 03/2010 Parameters described in this page can be accessed by: AFI- [MORE FAULT INFO] Additional detected fault information. CnF [Network fault] Communication option card fault code. This parameter is read-only. The fault code remains saved in the parameter, even if the cause disappears. The parameter is reset after the drive is disconnected and then reconnected. The values of this parameter depend on the network card. Consult the manual for the corresponding card. ILF1 [Internal link fault 1] Communication interruption between option card 1 and drive. This parameter is read-only. The fault code remains saved in the parameter, even if the cause disappears. The parameter is reset after the drive is disconnected and then reconnected. dGt- [DIAGNOSTICS] (continued) tAC [IGBT alarm counter] Transistor alarm time counter (length of time the "IGBT temperature" alarm has been active). SEr- [SERVICE MESSAGE] See page 271. tAC2 [Min. freq time] Transistor alarm time counter at minimum switching frequency (length of time the "IGBT temperature" alarm has been active after the drive has automatically reduced the switching frequency to the minimum value). rFLt nO YES [Reset past faults] Reset all resetable previous detected faults. [No] (nO): Reset not active [YES] (YES): Reset in progress Code Name / Description Unit DRI- > MON- > AFI-
  • 63.
    Monitoring Mode (MOn) S1A2869203/2010 63 Parameters described in this page can be accessed by: MOn- [1.2 MONITORING] (continued) COd- [PASSWORD] HMI Password. If you have lost your code, please contact Schneider Electric. CSt [State] LC ULC Status of the drive (lock/unlock). Information parameter, cannot be modified. [Locked] (LC): The drive is locked by a password [Unlocked] (ULC): The drive is not locked by a password COd OFF On [PIN code 1] Confidential code. Enables the drive configuration to be protected using an access code. When access is locked by means of a code, only the parameters in the [1.2 MONITORING] (MOn-) and [1.1 SPEED REFERENCE] (rEF-) menus can be accessed. The MODE key can be used to switch between menus. Note: Before entering a code, do not forget to make a careful note of it. [OFF] (OFF): No access locking codes. - To lock access, enter a code (2 to 9,999). The display can be incremented using the jog dial. Then press ENT. [ON] (On) appears on the screen to indicate that access has been locked. [ON] (On): A code is locking access (2 to 9,999). - To unlock access, enter the code (incrementing the display using the jog dial) and press ENT. The code remains on the display and access is unlocked until the next time the drive is turned off. Access will be locked again the next time the drive is turned on. - If an incorrect code is entered, the display changes to [ON] (On), and access remains locked. Access is unlocked (the code remains on the screen). - To reactivate locking with the same code when access has been unlocked, return to [ON] (On) using the jog dial and then press ENT. [ON] (On) remains on the screen to indicate that access has been locked. - To lock access with a new code when access has been unlocked, enter the new code (increment the display using the jog dial) and then press ENT. [ON] (On) appears on the screen to indicate that access has been locked. - To clear locking when access has been unlocked, return to [OFF] (OFF) using the jog dial and then press ENT. [OFF] (OFF) remains on the display. Access is unlocked and will remain so until the next restart. COd2 [PIN code 2] g Confidential code 2. Visible if [3.1 ACCESS LEVEL] (LAC) is set to [Expert] (Epr). OFF On 8888 The value [OFF] (OFF) indicates that no password has been set [Unlocked] (ULC). The value [ON] (On) indicates that the drive configuration is protected and an access code must be entered in order to unlock it. Once the correct code has been entered, it remains on the display and the drive is unlocked until the next time the power supply is disconnected. PIN code 2 is an unlock code known only to Schneider Electric Product Support. ULr [Upload rights] ULr0 ULr1 [Permitted] (ULr0): Means that SoMove or the graphic display terminal can save the whole configuration (password, protections, configuration). When the configuration is edited, only the non protected parameters will be accessible. [Not allowed] (ULr1): Means that SoMove or the graphic display terminal cannot save the configuration dLr dLr0 dLr1 dLr2 dLr3 [Download rights] [Locked drv] (dLr0): Locked drive: means that the configuration can be downloaded only in a locked drive which configuration has the same password. If the passwords are different, download is not permitted. [Unlock. drv] (dLr1): Unlocked drive: means that the configuration can be downloaded only in a drive without active password [Not allowed] (dLr2): Not allowed: the configuration cannot be downloaded [Lock/unlock] (dLr3): Lock. + Not: download is permitted following case 0 or case 1 g These parameters only appear if the corresponding function has been selected in another menu. When the parameters can also be accessed and adjusted from within the configuration menu for the corresponding function, their description is detailed in these menus, on the pages indicated, to aid programming. Parameter that can be modified during operation or when stopped. Code Name / Description Unit DRI- > MON- > COD-
  • 64.
    Monitoring Mode (MOn) 64S1A28692 03/2010
  • 65.
    S1A28692 03/2010 65 ConfigurationMode (ConF) 5 Configuration Mode (ConF) What's in this Chapter? This chapter contains the following topics: Topic Page Introduction 66 Organization tree 67 My Menu 68 Factory Settings 69 Macro Configuration 70 Full 73
  • 66.
    Configuration Mode (ConF) 66S1A28692 03/2010 Introduction Configuration mode includes 4 parts: 1. "My Menu" menu includes up to 25 parameters available for user customization using the graphic display terminal or SoMove software. 2. Store/recall parameter set: These 2 functions are used to store and recall customer settings. 3. [Macro configuration] (CFG) parameter which allows to load predefined values for applications (see page 70). 4. FULL: This menu provides access to all other parameters. It includes 10 sub-menus: - [SIMPLY START] (SIM-) page 73 - [SETTINGS] (SEt-) page 77 - [MOTOR CONTROL] (drC-) page 92 - [INPUTS / OUTPUTS CFG] (I_O-) page 112 - [COMMAND] (CtL-) page 139 - [FUNCTION BLOCK] (FbM-) page 143 - [APPLICATION FUNCT.] (FUn-) page 152 - [FAULT MANAGEMENT] (FLt-) page 232 - [COMMUNICATION] (COM-) page 256 - [ACCESS LEVEL] (LAC) page 262
  • 67.
    Configuration Mode (ConF) S1A2869203/2010 67 Organization tree Displayed parameter values are given as examples only. = ENT ENT ESC MYMn SIM- SEt- I_O- COnF FCS- CFG FULL drC- CtL- FUn- COM- FLt- LAC ESC = ESC ENT ESC FbM-
  • 68.
    Configuration Mode (ConF) 68S1A28692 03/2010 Parameters described in this page can be accessed by: My Menu Code Name / Description COnF [1.3 CONFIGURATION] MYMn [MY MENU] This menu contains the parameters selected in the [3.4 DISPLAY CONFIG.] (dCF-) menu on page 269. DRI- > CONF > MYMN-
  • 69.
    Configuration Mode (ConF) S1A2869203/2010 69 Parameters described in this page can be accessed by: Factory Settings Code Name / Description Factory setting COnF [1.3 CONFIGURATION] FCS- [FACTORY SETTINGS] FCSI [Config. Source] [Macro-Conf] (InI) g Choice of source configuration. If the configuration switching function is configured, it will not be possible to access [Config 1] (CFG1) and [Config 2] (CFG2). Note: To load the drive's presettings previously memorized ([Config 1] (Str1) or [Config 2] (Str2)), select the source configuration [Config. Source] (FCSI) = [Config 1] (CFG1) or [Config 2] (CFG2) followed by a factory setting [Goto FACTORY SETTINGS] (GFS) = [YES] (YES). InI CFG1 CFG2 [Macro-Conf] (InI): Factory configuration, return to selected macro configuration [Config 1] (CFG1): Configuration 1 [Config 2] (CFG2): Configuration 2 FrY- [PARAMETER GROUP LIST] Selection of menus to be loaded. See the multiple selection procedure on page 33 for the integrated display terminal and page 24 for the graphic display terminal. Note: In factory configuration and after a return to "factory settings", [PARAMETER GROUP LIST] will be empty. ALL drM MOt COM dIS [All] (ALL): All parameters (the function blocks program will also be erased) [Drive configuration] (drM): The [1 DRIVE MENU] (drI-) menu without [COMMUNICATION] (COM-). In the [2.4 DISPLAY CONFIG.] menu, [Return std name] (GSP) page 271 returns to [No] (nO). [Motor param] (MOt): Motor parameters, see page 279. The following selections can only be accessed if [Config. Source] (FCSI) is set to [Macro-Conf.] (InI). [Comm. menu] (COM): The [COMMUNICATION] (COM-) menu without either [Scan. In1 address] (nMA1) to [Scan. In8 address] (nMA8) or [Scan.Out1 address] (nCA1) to [Scan.Out8 address] (nCA8). [Display config.] (dIS): The [3.3 MONITORING CONFIG.] (MCF-) menu GFS [Goto FACTORY SETTINGS] g DANGER UNINTENDED EQUIPMENT OPERATION Check that the modification of the current configuration is compatible with the wiring diagram used. Failure to follow these instructions will result in death or serious injury. nO YES It is only possible to revert to the factory settings if at least one group of parameters has previously been selected. [No] (nO): No [Yes] (YES): The parameter changes back to [No] (nO) automatically as soon as the operation is complete SCSI [Save config] [No] (nO) g The active configuration to be saved does not appear for selection. For example, if it is [Config 0] (Str0), only [Config 1] (Str1) and [Config 2] (Str2) appear. The parameter changes back to [No] (nO) as soon as the operation is complete. nO Str0 Str1 Str2 [No] (nO): No [Config 0] (Str0): Press and hold down the ENT key for 2 s [Config 1] (Str1): Press and hold down the ENT key for 2 s [Config 2] (Str2): Press and hold down the ENT key for 2 s g These parameters only appear if the corresponding function has been selected in another menu. When the parameters can also be accessed and adjusted from within the configuration menu for the corresponding function, their description is detailed in these menus, on the pages indicated, to aid programming. To change the assignment of this parameter, press the ENT key for 2 s. 2 s 2 s DRI- > CONF > FCS-
  • 70.
    Configuration Mode (ConF) 70S1A28692 03/2010 Parameters described in this page can be accessed by: Macro Configuration Example of total return to factory settings • [Config. Source] (FCSI) is set to [Macro-Conf] (InI) • [PARAMETER GROUP LIST] (FrY-) is set to [All] (ALL) • [Goto FACTORY SETTINGS] (GFS) is set to [Yes] (YES) Code Name / Description Factory setting COnF [1.3 CONFIGURATION] (continued) CFG [Macro configuration] [Start/Stop] (StS) g DANGER UNINTENDED EQUIPMENT OPERATION Check that the selected macro configuration is compatible with the wiring diagram used. Failure to follow these instructions will result in death or serious injury. StS HdG HSt GEn PId nEt [Start/Stop] (StS): Start/stop [M. handling] (HdG): Handling [Hoisting] (HSt): Hoisting [Gen. Use] (GEn): General use [PID regul.] (PId): PID regulation [Network C.] (nEt): Communication bus g These parameters only appear if the corresponding function has been selected in another menu. When the parameters can also be accessed and adjusted from within the configuration menu for the corresponding function, their description is detailed in these menus, on the pages indicated, to aid programming. To change the assignment of this parameter, press the ENT key for 2 s. 2 s 2 s DRI- > CONF
  • 71.
    Configuration Mode (ConF) S1A2869203/2010 71 Assignment of the inputs/outputs (1) To start with, integrated Modbus [Modbus Address] (Add) must first be configured, page 257. Note: These assignments are reinitialized every time the macro configuration changes. Input/ output [Start/Stop] [M. handling] [Gen. Use] [Hoisting] [PID regul.] [Network C.] [AI1] [Ref.1 channel] [Ref.1 channel] [Ref.1 channel] [Ref.1 channel] [Ref.1 channel] (PID reference) [Ref.2 channel] ([Ref.1 channel] = integrated Modbus) (1) [AI2] [No] [Summing ref. 2] [Summing ref. 2] [No] [PID feedback] [No] [AI3] [No] [No] [No] [No] [No] [No] [AO1] [No] [No] [No] [No] [No] [No] [R1] [No drive flt] [No drive flt] [No drive flt] [No drive flt] [No drive flt] [No drive flt] [R2] [No] [No] [No] [Brk control] [No] [No] [LI1] (2-wire) [Forward] [Forward] [Forward] [Forward] [Forward] [Forward] [LI2] (2-wire) [Reverse] [Reverse] [Reverse] [Reverse] [Reverse] [Reverse] [LI3] (2-wire) [No] [2 preset speeds] [Jog] [Fault reset] [PID integral reset] [Ref. 2 switching] [LI4] (2-wire) [No] [4 preset speeds] [Fault reset] [External fault] [2 preset PID ref.] [Fault reset] [LI5] (2-wire) [No] [8 preset speeds] [Torque limitation] [No] [4 preset PID ref.] [No] [LI6] (2-wire) [No] [Fault reset] [No] [No] [No] [No] [LI1] (3-wire) [Drive running] [Drive running] [Drive running] [Drive running] [Drive running] [Drive running] [LI2] (3-wire) [Forward] [Forward] [Forward] [Forward] [Forward] [Forward] [LI3] (3-wire) [Reverse] [Reverse] [Reverse] [Reverse] [Reverse] [Reverse] [LI4] (3-wire) [No] [2 preset speeds] [Jog] [Fault reset] [PID integral reset] [Ref. 2 switching] [LI5] (3-wire) [No] [4 preset speeds] [Fault reset] [External fault] [2 preset PID ref.] [Fault reset] [LI6] (3-wire) [No] [8 preset speeds] [Torque limitation] [No] [4 preset PID ref.] [No] [LO1] [No] [No] [No] [No] [No] [No] Graphic display terminal keys F1 key [No] [No] [No] [No] [No] Control via graphic display terminal F2, F3, F4 keys [No] [No] [No] [No] [No] [No] In 3-wire control, the assignment of inputs LI1 to LI6 shifts.
  • 72.
    Configuration Mode (ConF) 72S1A28692 03/2010 Other configurations and settings In addition to the assignment of inputs/outputs, other parameters are assigned only in the Hoisting macro configuration. Hoisting: • [Movement type] (bSt) is set to [Hoisting] (UEr) page 179 • [Brake contact] (bCI) is set to [No] (nO) page 179 • [Brake impulse] (bIP) is set to [Yes] (YES) page 179 • [Brake release I FW] (Ibr) is set to [Rated mot. current] (nCr) page 179 • [Brake Release time] (brt) is set to 0.5 s page 179 • [Brake release freq] (bIr) is set to [Auto] (AUtO) page 180 • [Brake engage freq] (bEn) is set to [Auto] (AUtO) page 180 • [Brake engage time] (bEt) is set to 0.5 s page 180 • [Engage at reversal] (bEd) is set to [No] (nO) page 180 • [Jump at reversal] (JdC) is set to [Auto] (AUtO) page 181 • [Time to restart] (ttr) is set to 0 s page 181 • [Current ramp time] (brr) is set to 0 s page 183 • [Low speed] (LSP) is set to Rated motor slip calculated by the drive, page 75 • [Output Phase Loss] (OPL) is set to [Yes] (YES) page 238 No further modifications can be made to this parameter. • [Catch on the fly] (FLr) is set to [No] (nO) page 235 No further modifications can be made to this parameter. Return to factory settings: Returning to factory settings with [Config. Source] (FCSI) is set to [Macro-Conf] (InI) page 69 will return the drive to the selected macro configuration. The [Macro configuration] (CFG) parameter does not change, although [Customized macro] (CCFG) disappears. Note: The factory settings that appear in the parameter tables correspond to [Macro configuration] (CFG) = [Start/Stop] (StS). This is the macro configuration set at the factory. Example diagrams for use with the macro configurations [Hoisting] (HSt) diagram (1) Whithout integrated safety function, a contact on the Preventa module must be inserted in the brake control circuit to engage it when the "Safe Torque Off" safety function is activated (see connection diagrams in the Installation manual). U WV L1 L3 ATV KM10 R2A R2C L2 M 3 3 2 (1) AI1 LI1 LI2+24 Electromagnetic brake Forward (Ascend) Reverse (Descend)
  • 73.
    Configuration Mode (ConF) S1A2869203/2010 73 Parameters described in this page can be accessed by: Full Code Name / Description Adjustment range Factory setting COnF [1.3 CONFIGURATION] FULL [FULL] SIM- [SIMPLY START] tCC [2/3 wire control] [2 wire] (2C) DANGER UNINTENDED EQUIPMENT OPERATION When this parameter is changed, [Reserve assign.] (rrS) and [2 wire type] (tCt) parameters, and all the assignments involving the logic inputs will revert to their default values. Check that this change is compatible with the wiring diagram used. Failure to follow these instructions will result in death or serious injury. 2C 3C See [2/3 wire control] (tCC) page 112. [2 wire] (2C) 2-wire control (level commands): This is the input state (0 or 1) or edge (0 to 1 or 1 to 0), which controls running or stopping. Example of "source" wiring: LI1: forward LIx: reverse [3 wire] (3C) 3-wire control (pulse commands): A "forward" or "reverse" pulse is sufficient to command starting, a "stop" pulse is sufficient to command stopping. Example of "source" wiring: LI1: stop LI2: forward LIx: reverse CFG [Macro configuration] [Start/Stop] (StS) g DANGER UNINTENDED EQUIPMENT OPERATION Check that the selected macro configuration is compatible with the wiring diagram used. Failure to follow these instructions will result in death or serious injury. StS HdG HSt GEn PId nEt See [Macro configuration] (CFG) page 70. [Start/Stop] (StS): Start/stop [M. handling] (HdG): Handling [Hoisting] (HSt): Hoisting [Gen. Use] (GEn): General use [PID regul.] (PId): PID regulation [Network C.] (nEt): Communication bus 2 s +24 LI1 LIx ATVppp +24 LI1 LI2 LIx ATVppp 2 s DRI- > CONF > FULL > SIM-
  • 74.
    Configuration Mode (ConF) 74S1A28692 03/2010 Parameters described in this page can be accessed by: CCFG [Customized macro] g Read-only parameter, only visible if at least one macro configuration parameter has been modified. nO YES [No] (nO): No [Yes] (YES): Yes bFr [Standard mot. freq] [50Hz IEC] (50) 50 60 This parameter modifies the presets of the following parameters: [Rated motor volt.] (UnS) below, [High speed] (HSP) page 75, [Freq. threshold] (Ftd) page 89, [Rated motor freq.] (FrS) and [Max frequency] (tFr) . [50Hz IEC] (50): Drive 50 Hz [60Hz NEMA] (60): Drive 60 Hz IPL [Input phase loss] Yes or No, according to drive rating g This parameter is only accessible in this menu on 3-phases drives. If one phase disappears, the drive switches to fault mode [Input phase loss] (PFH), but if 2 or 3 phases disappear, the drive continues to operate until it trips on an undervoltage detected fault (the drive trips in [Input phase loss] (PHF) if there is an input phase loss and if this leads to performance decrease). See [Input phase loss] (IPL) page 238. nO YES [Ignore] (nO): Detected fault ignored, to be used when the drive is supplied via a single-phase supply or by the DC bus [Freewheel] (YES): With freewheel stop nPr [Rated motor power] According to drive rating g Rated motor power given on the nameplate, in kW if [Standard mot. freq] (bFr) is set to [50Hz IEC] (50), in HP if [Standard mot. freq] (bFr) is set to [60Hz NEMA] (60). See [Rated motor power] (nPr) page 94. UnS [Rated motor volt.] 100 to 480 V According to drive rating g Rated motor voltage given on the nameplate. ATV32pppM2: 100 to 240 V – ATV32pppN4: 200 to 480 V. See [Rated motor volt.] (UnS) page 94. nCr [Rated mot. current] 0.25 to 1.5 In (1) According to drive rating and [Standard mot. freq] (bFr) g Rated motor current given on the nameplate. See [Rated mot. current] (nCr) page 94. FrS [Rated motor freq.] 10 to 599 Hz 50 Hz g Rated motor frequency given on the nameplate. The factory setting is 50 Hz, or preset to 60 Hz if [Standard mot. freq] (bFr) is set to 60 Hz. This parameter is not visible if [Motor control type] (Ctt) page 92 is set to [Sync. mot.] (SYn). See [Rated motor freq.] (FrS) page 94. nSP [Rated motor speed] 0 to 65,535 rpm According to drive rating g Rated motor speed given on the nameplate. This parameter is not visible if [Motor control type] (Ctt) page 92 is set to [Sync. mot.] (SYn). See [Rated motor speed] (nSP) page 94. 0 to 9,999 rpm then 10.00 to 60.00 krpm on the integrated display terminal. If, rather than the rated speed, the nameplate indicates the synchronous speed and the slip in Hz or as a %, calculate the rated speed as follows: Nominal speed = Synchronous speed x or Nominal speed = Synchronous speed x (50 Hz motors) or Nominal speed = Synchronous speed x (60 Hz motors) Code Name / Description Adjustment range Factory setting 100 - slip as a % 100 50 - slip in Hz 50 60 - slip in Hz 60 DRI- > CONF > FULL > SIM-
  • 75.
    Configuration Mode (ConF) S1A2869203/2010 75 Parameters described in this page can be accessed by: (1) In corresponds to the rated drive current indicated in the Installation manual and on the drive nameplate. (2) Range 0.01 to 99.99 s or 0.1 to 999.9 s or 1 to 6,000 s according to [Ramp increment] (Inr) page 155. tFr [Max frequency] 10 to 599 Hz 60 Hz The factory setting is 60 Hz, or preset to 72 Hz if [Standard mot. freq] (bFr) is set to 60 Hz. The maximum value is limited by the following conditions: It must not exceed 10 times the value of [Rated motor freq.] (FrS). See [Max frequency] (tFr) page 92. tUn [Auto tuning] [No action] (nO) For asynchronous motors, see page 95. For synchronous motors, see page 100. tUS [Auto tuning state] [Not done] (tAb) tAb PEnd PrOG FAIL dOnE This parameter is not saved at drive power off. It shows the Autotuning status since last power on. See [Auto tuning state] (tUS) page 95. [Not done] (tAb): Autotune is not done [Pending] (PEnd): Autotune has been requested but not yet performed [In Progress] (PrOG): Autotune is in progress [Failed] (FAIL): Autotune has detected a fault [Done] (dOnE): The stator resistance measured by the auto-tuning function is used to control the motor StUn [Tune selection] [Default] (tAb) tAb MEAS CUS See [Tune selection] (StUn) page 95. [Default] (tAb): The default stator resistance value is used to control the motor [Measure] (MEAS): The stator resistance measured by the auto-tuning function is used to control the motor [Custom] (CUS): The stator resistance set manually is used to control the motor ItH [Mot. therm. current] 0.2 to 1.5 In (1) According to drive rating Motor thermal protection current, to be set to the rated current indicated on the nameplate. See [Mot. therm. current] (ItH) page 78. ACC [Acceleration] 0.00 to 6,000 s (2) 3.0 s Time to accelerate from 0 to the [Rated motor freq.] (FrS) (page 74). To have repeatability in ramps, the value of this parameter must be set according to the possibility of the application. See [Acceleration] (ACC) page 77. dEC [Deceleration] 0.00 to 6,000 s (2) 3.0 s Time to decelerate from the [Rated motor freq.] (FrS) (page 74) to 0. To have repeatability in ramps, the value of this parameter must be set according to the possibility of the application. See [Deceleration] (dEC) page 77. LSP [Low speed] 0 to 599 Hz 0 Motor frequency at minimum reference, can be set between 0 and [High speed] (HSP). See [Low speed] (LSP) page 77. HSP [High speed] 0 to 599 Hz 50 Hz Motor frequency at maximum reference, can be set between [Low speed] (LSP) and [Max frequency] (tFr). The factory setting changes to 60 Hz if [Standard mot. freq] (bFr) is set to [60Hz NEMA] (60). See [High speed] (HSP) page 77. Code Name / Description Adjustment range Factory setting g These parameters only appear if the corresponding function has been selected in another menu. When the parameters can also be accessed and adjusted from within the configuration menu for the corresponding function, their description is detailed in these menus, on the pages indicated, to aid programming. Parameter that can be modified during operation or when stopped. To change the assignment of this parameter, press the ENT key for 2 s.2 s DRI- > CONF > FULL > SIM-
  • 76.
    Configuration Mode (ConF) 76S1A28692 03/2010 Settings With integrated display terminal The adjustment parameters can be modified with the drive running or stopped. DANGER UNINTENDED EQUIPMENT OPERATION Check that changes made to the settings during operation do not present any danger. We recommend stopping the drive before making any changes. Failure to follow these instructions will result in death or serious injury. SIM- drC- LAC- SEt- = ENT ESC = ESC ESC ESC ESC ENT ESC ENT FULL SETTINGS From COnF menu
  • 77.
    Configuration Mode (ConF) S1A2869203/2010 77 Parameters described in this page can be accessed by: Code Name / Description Adjustment range Factory setting FULL [FULL] (continued) SEt- [SETTINGS] Inr [Ramp increment] 0.1 This parameter is valid for [Acceleration] (ACC), [Deceleration] (dEC), [Acceleration 2] (AC2) and [Deceleration 2] (dE2). See [Ramp increment] (Inr) page 155. 0.01 0.1 1 [0,01]: Ramp up to 99.99 seconds [0,1]: Ramp up to 999.9 seconds [1]: Ramp up to 6,000 seconds ACC [Acceleration] 0.00 to 6,000 s (1) 3.0 s Time to accelerate from 0 to the [Rated motor freq.] (FrS) page 74. To have repeatability in ramps, the value of this parameter must be set according to the possibility of the application. See [Acceleration] (ACC) page 155. dEC [Deceleration] 0.00 to 6,000 s (1) 3.0 s Time to decelerate from the [Rated motor freq.] (FrS) page 74 to 0. To have repeatability in ramps, the value of this parameter must be set according to the possibility of the application. See [Deceleration] (dEC) page 155. AC2 [Acceleration 2] 0.00 to 6,000 s (1) 5 s g Time to accelerate from 0 to the [Rated motor freq.] (FrS) page 74. To have repeatability in ramps, the value of this parameter must be set according to the possibility of the application. See [Acceleration 2] (AC2) page 156. dE2 [Deceleration 2] 0.00 to 6,000 s (1) 5 s g Time to decelerate from the [Rated motor freq.] (FrS) page 74 to 0. To have repeatability in ramps, the value of this parameter must be set according to the possibility of the application. See [Deceleration 2] (dE2) page 156. tA1 [Begin Acc round] 0 to 100% 10% g Rounding of start of acceleration ramp as a % of the [Acceleration] (ACC) or [Acceleration 2] (AC2) ramp time. Visible if [Ramp type] (rPt) is set to [Customized] (CUS). See [Begin Acc round] (tA1) page 155. tA2 [End Acc round] 0 to 100% 10% g Rounding of end of acceleration ramp as a % of the [Acceleration] (ACC) or [Acceleration 2] (AC2) ramp time. Can be set between 0 and 100% - [Begin Acc round] (tA1). Visible if [Ramp type] (rPt) is set to [Customized] (CUS). See [End Acc round] (tA2) page 156. tA3 [Begin Dec round] 0 to 100% 10% g Rounding of start of deceleration ramp as a % of the [Deceleration] (dEC) or [Deceleration 2] (dE2) ramp time. Visible if [Ramp type] (rPt) is set to [Customized] (CUS). See [Begin Dec round] (tA3) page 156. tA4 [End Dec round] 0 to 100% 10% g Rounding of end of deceleration ramp as a % of the [Deceleration] (dEC) or [Deceleration 2] (dE2) ramp time. Can be set between 0 and 100% - [Begin Dec round] (tA3). Visible if [Ramp type] (rPt) is set to [Customized] (CUS). See [End Dec round] (tA4) page 156. LSP [Low speed] 0 to 599 Hz 0 Hz Motor frequency at minimum reference, can be set between 0 and [High speed] (HSP) page 75. See [Low speed] (LSP) page 75. HSP [High speed] 0 to 599 Hz 50 Hz Motor frequency at maximum reference, can be set between [Low speed] (LSP) and [Max frequency] (tFr). The factory setting changes to 60 Hz if [Standard mot. freq] (bFr) is set to [60Hz NEMA] (60). See [High speed] (HSP) page 75. DRI- > CONF > FULL > SET-
  • 78.
    Configuration Mode (ConF) 78S1A28692 03/2010 Parameters described in this page can be accessed by: (1) Range 0.01 to 99.99 s or 0.1 to 999.9 s or 1 to 6,000 s according to [Ramp increment] (Inr) page 155. (2) In corresponds to the rated drive current indicated in the Installation manual or on the drive nameplate. HSP2 [High speed 2] 0 to 599 Hz 50 Hz g Visible if [2 High speed] (SH2) is not set to [No] (nO). See [High speed 2] (HSP2) page 229. HSP3 [High speed 3] 0 to 599 Hz 50 Hz g Visible if [4 High speed] (SH4) is not set to [No] (nO). See [High speed 3] (HSP3) page 229. HSP4 [High speed 4] 0 to 599 Hz 50 Hz g Visible if [4 High speed] (SH4) is not set to [No] (nO). See [High speed 4] (HSP4) page 229. ItH [Mot. therm. current] 0.2 to 1.5 In (2) According to drive rating Motor thermal protection current, to be set to the rated current indicated on the nameplate. See [Mot. therm. current] (ItH)page 75. UFr [IR compensation] 0 to 200% 100% IR compensation. See [IR comprensation] (UFr) page 105. SLP [Slip compensation] 0 to 300% 100% g Slip compensation. See [Slip compensation] (SLP) page 105. SFC [K speed loop filter] 0 to 100 65 g Speed filter coefficient. See [K speed loop filter] (SFC) page 105. SIt [Speed time integral] 1 to 65,535 ms 63 ms g Speed loop integral time constant. See [Speed time integral] (SIt) page 105. SPG [Speed prop. gain] 0 to 1,000% 40% g Speed loop proportional gain. See [Speed prop. gain] (SPG) page 105. SPGU [UF inertia comp.] 0 to 1,000% 40% g Inertia factor. See [UF inertia comp.] (SPGU) page 105. Code Name / Description Adjustment range Factory setting g These parameters only appear if the corresponding function has been selected in another menu. When the parameters can also be accessed and adjusted from within the configuration menu for the corresponding function, their description is detailed in these menus, on the pages indicated, to aid programming. Parameter that can be modified during operation or when stopped. DRI- > CONF > FULL > SET-
  • 79.
    Configuration Mode (ConF) S1A2869203/2010 79 Parameter settings for [K speed loop filter] (SFC), [Speed prop. gain] (SPG) and [Speed time integral] (SIt) The following parameters can be accessed if [Motor control type] (Ctt) page 92 is set to [SVC V] (UUC), [Sync. mot.] (SYn) or [Energy Sav.] (nLd). General Case: Setting for [K speed loop filter] (SFC) = 0 The regulator is an "IP" type with filtering of the speed reference, for applications requiring flexibility and stability (hoisting or high inertia, for example). • [Speed prop. gain] (SPG) affects excessive speed. • [Speed time integral] (SIt) affects the passband and response time. WARNING LOSS OF CONTROL Bad parameter settings of the speed loop with High Inertia application may cause a Ramp non consistent with application. Failure to follow these instructions will result in death, serious injury, or equipment damage. Initial response Reduction in SIT Reduction in SIT Initial response Increase in SPG Increase in SPG 0 50045040035030025020015010050 0 1 0.8 0.6 0.4 0.2 Reference division Time in ms 0 50045040035030025020015010050 0 1 0.8 0.6 0.4 0.2 Reference division Time in ms 0 50045040035030025020015010050 0 1 0.8 0.6 0.4 0.2 Reference division Time in ms 0 50045040035030025020015010050 0 1 0.8 0.6 0.4 0.2 Reference division Time in ms 0 50045040035030025020015010050 0 1 0.8 0.6 0.4 0.2 Reference division Time in ms 0 50045040035030025020015010050 0 1 0.8 0.6 0.4 0.2 Reference division Time in ms
  • 80.
    Configuration Mode (ConF) 80S1A28692 03/2010 Special case: Parameter [K speed loop filter] (SFC) is not 0 This parameter must be reserved for specific applications that require a short response time (trajectory positioning or servo control). • When set to 100 as described above, the regulator is a “PI” type, without filtering of the speed reference. • Settings between 0 and 100 will obtain an intermediate function between the settings below and those on the previous page. Example: Setting for [K speed loop filter] (SFC) = 100 • [Speed prop. gain] (SPG) affects the passband and response time. • [Speed time integral] (SIt) affects excessive speed. Initial response Reduction in SIT Reduction in SIT Initial response Increase in SPG Increase in SPG 0 50045040035030025020015010050 0 1 0.8 0.6 0.4 0.2 Reference division Time in ms 0 50045040035030025020015010050 0 1 0.8 0.6 0.4 0.2 Reference division Time in ms 0 50045040035030025020015010050 0 1 0.8 0.6 0.4 0.2 Reference division Time in ms 0 50045040035030025020015010050 0 1 0.8 0.6 0.4 0.2 Reference division Time in ms 0 50045040035030025020015010050 0 1 0.8 0.6 0.4 0.2 Reference division Time in ms 0 50045040035030025020015010050 0 1 0.8 0.6 0.4 0.2 Reference division Time in ms
  • 81.
    Configuration Mode (ConF) S1A2869203/2010 81 Parameters described in this page can be accessed by: Code Name / Description Adjustment range Factory setting dCF [Ramp divider] 0 to 10 4 g Deceleration ramp time reduction. See [Ramp divider] (dCF) page 158. IdC [DC inject. level 1] 0.1 to 1.41 In (1) 0.64 In (1) g Level of DC injection braking current activated via logic input or selected as stop mode. See [DC inject. level 1] (IdC) page 159. tdI [DC injection time 1] 0.1 to 30 s 0.5 s g Maximum current injection time [DC inject. level 1] (IdC). After this time, the injection current becomes [DC inject. level 2] (IdC2). See [DC injection time 1] (td1) page 159. IdC2 [DC inject. level 2] 0.1 In to 1.41 In (1) 0.5 In (1) g Injection current activated by logic input or selected as stop mode, once period of time [DC injection time 1] (tdI) has elapsed. See [DC inject. level 2] (IdC2) page 160. tdC [DC injection time 2] 0.1 to 30 s 0.5 s g Maximum injection time [DC inject. level 2] (IdC2) for injection selected as stop mode only. See [DC injection time 2] (tdC) page 160. SdC1 [Auto DC inj. level 1] 0 to 1.2 In (1) 0.7 In (1) g CAUTION RISK OF DAMAGE TO THE MOTOR Check that the motor will withstand this current without overheating. Failure to follow these instructions can result in equipment damage. Level of standstill DC injection current [Auto DC injection] (AdC) is not [No] (nO). See page 161. tdC1 [Auto DC inj. time 1] 0.1 to 30 s 0.5 s g CAUTION RISK OF DAMAGE TO THE MOTOR • Long periods of DC injection braking can cause overheating and damage the motor. • Protect the motor by avoiding long periods of DC injection braking. Failure to follow these instructions can result in equipment damage. Standstill injection time. This parameter can be accessed if [Auto DC injection] (AdC) is not set to [No] (nO). If [Motor control type] (Ctt) page 92 is set to [Sync. mot.](SYn), this time corresponds to the zero speed maintenance time. See page 161. DRI- > CONF > FULL > SET-
  • 82.
    Configuration Mode (ConF) 82S1A28692 03/2010 Parameters described in this page can be accessed by: SdC2 [Auto DC inj. level 2] 0 to 1.2 In (1) 0.5 In (1) g CAUTION RISK OF DAMAGE TO THE MOTOR Check that the motor will withstand this current without overheating. Failure to follow these instructions can result in equipment damage. 2nd level of standstill DC injection current. This parameter can be accessed if [Auto DC injection] (AdC) is not [No] (nO). See page 162. tdC2 [Auto DC inj. time 2] 0 to 30 s 0 s g CAUTION RISK OF DAMAGE TO THE MOTOR • Long periods of DC injection braking can cause overheating and damage the motor. • Protect the motor by avoiding long periods of DC injection braking. Failure to follow these instructions can result in equipment damage. 2nd standstill injection time. This parameter can be accessed if [Auto DC injection] (AdC) is set to [Yes] (YES). See page 162. SFr [Switching freq.] 2 to 16 kHz 4.0 kHz CAUTION RISK OF DAMAGE TO THE DRIVE On ATV32ppppM2 ratings, if the RFI filters are disconnected (operation on an IT system), the drive’s switching frequency must not exceed 4 kHz. Failure to follow these instructions can result in equipment damage. Switching frequency setting. See page 106. Adjustment range: The maximum value is limited to 4 kHz if [Motor surge limit] (SUL) parameter, page 107 is configured. Note: In the event of excessive temperature rise, the drive will automatically reduce the switching frequency and reset it once the temperature returns to normal. CLI [Current Limitation] 0 to 1.5 In (1) 1.5 In (1) g CAUTION RISK OF DAMAGE TO THE MOTOR AND THE DRIVE • Check that the motor will withstand this current, particularly in the case of permanent magnet synchronous motors, which are susceptible to demagnetization. • Check that the profile mission complies with the derating curve given in the installation manual. Failure to follow these instructions can result in equipment damage. Used to limit the motor current. See page 204. Note: If the setting is less than 0.25 In, the drive may lock in [Output Phase Loss] (OPL) fault mode if this has been enabled (see page 238). If it is less than the no-load motor current, the motor cannot run. Code Name / Description Adjustment range Factory setting DRI- > CONF > FULL > SET-
  • 83.
    Configuration Mode (ConF) S1A2869203/2010 83 Parameters described in this page can be accessed by: CL2 [I Limit. 2 value] 0 to 1.5 In (1) 1.5 In (1) g CAUTION RISK OF DAMAGE TO THE MOTOR AND THE DRIVE • Check that the motor will withstand this current, particularly in the case of permanent magnet synchronous motors, which are susceptible to demagnetization. • Check that the profile mission complies with the derating curve given in the installation manual. Failure to follow these instructions can result in equipment damage. See page 204. Note: If the setting is less than 0.25 In, the drive may lock in [Output Phase Loss] (OPL) fault mode if this has been enabled (see page 238). If it is less than the no-load motor current, the motor cannot run. FLU [Motor fluxing] [No] (FnO) g DANGER HAZARD OF ELECTRIC SHOCK, EXPLOSION OR ARC FLASH When [Motor fluxing] (FLU) is set to [Continuous] (FCt), the drive automatically builds up flux. Check this action will not endanger personnel or equipment in any way. Failure to follow these instructions will result in death or serious injury. CAUTION RISK OF DAMAGE TO THE MOTOR Check that the motor will withstand this current without overheating. Failure to follow these instructions can result in equipment damage. FnC FCt FnO The parameter is visible if [Motor control type] (Ctt) page 92 is not set to [Sync. mot.] (SYn). In order to obtain rapid high torque on startup, magnetic flux needs to already have been established in the motor. In [Continuous] (FCt) mode, the drive automatically builds up flux when it is powered up. In [Not cont.] (FnC) mode, fluxing occurs when the motor starts up. The flux current is greater than [Rated mot. current] (nCr) when the flux is established and is then adjusted to the motor magnetizing current. See page 174. [Not cont.] (FnC): Non-continuous mode [Continuous] (FCt): Continuous mode. This option is not possible if [Auto DC injection] (AdC) page 161 is [Yes] (YES) or if [Type of stop] (Stt) page 158 is [Freewheel] (nSt). [No] (FnO): Function inactive. This option is not possible if [Brake assignment] (bLC) page 179 is not [No] (nO). tLS [Low speed time out] 0 to 999.9 s 0 s Maximum operating time at [Low speed] (LSP) (see page 75). Following operation at LSP for a defined period, a motor stop is requested automatically. The motor will restart if the reference is greater than LSP and if a run command is still present. See page 199. Note: A value of 0 indicates an unlimited period of time. Note: If [Low speed time out] (tLS) is not 0, [Type of stop] (Stt) page 158 is forced to [Ramp stop] (rMP) (only if a ramp stop can be configured). JGF [Jog frequency] 0 to 10 Hz 10 Hz g Reference in jog operation. See page 163. JGt [Jog delay] 0 to 2.0 s 0.5 s g Anti-repeat delay between 2 consecutive jog operations. See page 164. Code Name / Description Adjustment range Factory setting 2 s DRI- > CONF > FULL > SET-
  • 84.
    Configuration Mode (ConF) 84S1A28692 03/2010 Parameters described in this page can be accessed by: SP2 [Preset speed 2] 0 to 599 Hz 10 Hz g Preset speed 2. See [Preset speed 2] (SP2) page 166. SP3 [Preset speed 3] 0 to 599 Hz 15 Hz g Preset speed 3. See [Preset speed 3] (SP3) page 166. SP4 [Preset speed 4] 0 to 599 Hz 20 Hz g Preset speed 4. See [Preset speed 4] (SP4) page 166. SP5 [Preset speed 5] 0 to 599 Hz 25 Hz g Preset speed 5. See [Preset speed 5] (SP5) page 166. SP6 [Preset speed 6] 0 to 599 Hz 30 Hz g Preset speed 6. See [Preset speed 6] (SP6) page 166. SP7 [Preset speed 7] 0 to 599 Hz 35 Hz g Preset speed 7. See [Preset speed 7] (SP7) page 166. SP8 [Preset speed 8] 0 to 599 Hz 40 Hz g Preset speed 8. See [Preset speed 8] (SP8) page 167. SP9 [Preset speed 9] 0 to 599 Hz 45 Hz g Preset speed 9. See [Preset speed 9] (SP9) page 167. SP10 [Preset speed 10] 0 to 599 Hz 50 Hz g Preset speed 10. See [Preset speed 10] (SP10) page 167. SP11 [Preset speed 11] 0 to 599 Hz 55 Hz g Preset speed 11. See [Preset speed 11] (SP11) page 167. SP12 [Preset speed 12] 0 to 599 Hz 60 Hz g Preset speed 12. See [Preset speed 12] (SP12) page 167. Code Name / Description Adjustment range Factory setting DRI- > CONF > FULL > SET-
  • 85.
    Configuration Mode (ConF) S1A2869203/2010 85 Parameters described in this page can be accessed by: SP13 [Preset speed 13] 0 to 599 Hz 70 Hz g Preset speed 13. See [Preset speed 13] (SP13) page 167. SP14 [Preset speed 14] 0 to 599 Hz 80 Hz g Preset speed 14. See [Preset speed 14] (SP14) page 167. SP15 [Preset speed 15] 0 to 599 Hz 90 Hz g Preset speed 15. See [Preset speed 15] (SP15) page 167. SP16 [Preset speed 16] 0 to 599 Hz 100 Hz g Preset speed 16. See [Preset speed 16] (SP16) page 167. MFr [Multiplying coeff.] 0 to 100% 100% g Multiplying coefficient, can be accessed if [Multiplier ref.] (MA2, MA3) page 154 has been assigned to the graphic display terminal. See page 40. SrP [+/-Speed limitation] 0 to 50% 10% g Limitation of +/- speed variation. See page 172. Code Name / Description Adjustment range Factory setting DRI- > CONF > FULL > SET-
  • 86.
    Configuration Mode (ConF) 86S1A28692 03/2010 Parameters described in this page can be accessed by: rPG [PID prop. gain] 0.01 to 100 1 g Proportional gain. See page 197. rIG [PID integral gain] 0.01 to 100 1 g Integral gain. See page 197. rdG [PID derivative gain] 0.00 to 100 0 g Derivative gain. See page 197. PrP [PID ramp] 0 to 99.9 s 0 s g PID acceleration/deceleration ramp, defined to go from [Min PID reference] (PIP1) to [Max PID reference] (PIP2) and vice versa. See page 197. POL [Min PID output] -599 to 599 Hz 0 Hz g Minimum value of regulator output in Hz. See page 197. POH [Max PID output] 0 to 599 Hz 60 Hz g Maximum value of regulator output in Hz. See page 197. PAL [Min fbk alarm] See page 197 (2) 100 g Minimum monitoring threshold for regulator feedback. See page 197. PAH [Max fbk alarm] See page 198 (2) 1,000 g Maximum monitoring threshold for regulator feedback. See page 198. PEr [PID error Alarm] 0 to 65,535 (2) 100 g Regulator error monitoring threshold. See page 198. PSr [Speed input %] 1 to 100% 100% g Multiplying coefficient for predictive speed input. See page 198. rP2 [Preset ref. PID 2] See page 200 (2) 300 g Preset PID reference. See page 200. Code Name / Description Adjustment range Factory setting DRI- > CONF > FULL > SET-
  • 87.
    Configuration Mode (ConF) S1A2869203/2010 87 Parameters described in this page can be accessed by: rP3 [Preset ref. PID 3] See page 200 (2) 600 g Preset PID reference. See page 200. rP4 [Preset ref. PID 4] See page 200 (2) 900 g Preset PID reference. See page 200. Code Name / Description Adjustment range Factory setting DRI- > CONF > FULL > SET-
  • 88.
    Configuration Mode (ConF) 88S1A28692 03/2010 Parameters described in this page can be accessed by: Ibr [Brake release I FW] 0 to 1.36 In (1) 0.0 A g Brake release current threshold for lifting or forward movement. See page 179. Ird [Brake release I Rev] 0 to 1.36 In (1) 0.0 A g Brake release current threshold for lowering or reverse movement. See page 179. brt [Brake Release time] 0 to 5.00 s 0 s g Brake release time delay. See page 179. bIr [Brake release freq] [Auto] (AUtO) 0 to 10 Hz [Auto] (AUtO) g See page 180. AUtO [Auto] (AUtO): Nominal value bEn [Brake engage freq] [Auto] (AUtO) 0 to 10 Hz [Auto] (AUtO) g Brake engage frequency threshold. See page 180. tbE [Brake engage delay] 0 to 5.00 s 0 s g WARNING LOSS OF CONTROL Modify the Brake engage delay for horizontal movement only otherwise the control of the load can be lost. Failure to follow these instructions can result in death, serious injury, or equipment damage. Time delay before request to engage brake. See page 180. bEt [Brake engage time] 0 to 5.00 s 0 s g Brake engage time (brake response time). See page 180. JdC [Jump at reversal] [Auto] (AUtO) 0 to 10 Hz [Auto] (AUtO) g See page 181. AUtO [Auto] (AUtO): Nominal value ttr [Time to restart] 0.00 to 15.00 s 0.00 s g Time between the end of a brake engage sequence and the start of a brake release sequence. See page 181. Code Name / Description Adjustment range Factory setting DRI- > CONF > FULL > SET-
  • 89.
    Configuration Mode (ConF) S1A2869203/2010 89 Parameters described in this page can be accessed by: tLIM [Motoring torque lim] 0 to 300% 100% g Torque limitation in motor mode, as a % or in 0.1% increments of the rated torque in accordance with the [Torque increment] (IntP) parameter, page 202. See page 202. tLIG [Gen. torque lim] 0 to 300% 100% g Torque limitation in generator mode, as a % or in 0.1% increments of the rated torque in accordance with the [Torque increment] (IntP) parameter, page 202. See page 202. trH [Traverse freq. high] 0 to 10 Hz 4 Hz g Traverse high. See page 227. trL [Traverse freq. low] 0 to 10 Hz 4 Hz g Traverse low. See page 227. qSH [Quick step High] 0 to [Traverse freq. high] (trH) 0 Hz g Quick step high. See page 227. qSL [Quick step Low] 0 to [Traverse freq. low] (trL 0 Hz g Quick step low. See page 227. Ctd [Current threshold] 0 to 1.5 In (1) In (1) Current threshold for [I attained] (CtA) function assigned to a relay or a logic output (see page 123). See page 234. ttH [High torque thd.] -300% to +300% 100% High torque threshold for [High tq. att.] (ttHA) function assigned to a relay or a logic output (see page 123), as a % of the rated motor torque. See page 234. ttL [Low torque thd.] -300% to +300% 50% Low torque threshold for [Low tq. att.] (ttLA) function assigned to a relay or a logic output (see page 123), as a % of the rated motor torque. See page 234. FqL [Pulse warning thd.] 0 Hz to 20,000 kHz 0 Hz g Speed threshold measured by the [FREQUENCY METER] (FqF-) function, page 247, assigned to a relay or a logic output (see page 123). See page 235. Ftd [Freq. threshold] 0.0 to 599 Hz HSP Motor frequency threshold for [Freq.Th.att.] (FtA) function assigned to a relay or a logic output (see page 123), or used by the [PARAM. SET SWITCHING] (MLP-) function, page 215. See page 234. F2d [Freq. threshold 2] 0.0 to 599 Hz HSP Motor frequency threshold for [Freq. Th. 2 attain.] (F2A) function assigned to a relay or a logic output (see page 123), or used by the [PARAM. SET SWITCHING] (MLP-) function, page 215. See page 234. FFt [Freewheel stop Thd] 0.2 to 599 Hz 0.2 Hz g Speed threshold below which the motor will switch to freewheel stop. This parameter supports switching from a ramp stop or a fast stop to a freewheel stop below a low speed threshold. It can be accessed if [Type of stop] (Stt) is set to [Fast stop] (FSt) or [Ramp stop] (rMP) and if [Brake assignment] (bLC) or [Auto DC injection] (AdC) are configured. See page 158. Code Name / Description Adjustment range Factory setting DRI- > CONF > FULL > SET-
  • 90.
    Configuration Mode (ConF) 90S1A28692 03/2010 Parameters described in this page can be accessed by: ttd [Motor therm. level] 0 to 118% 100% Trip threshold for motor thermal alarm (logic output or relay). See page 237. JPF [Skip Frequency] 0 to 599 Hz 0 Hz Skip frequency. This parameter helps to prevent prolonged operation within an adjustable range around the regulated frequency. This function can be used to help to prevent a speed, which would cause resonance, being reached. Setting the function to 0 renders it inactive. See page 168. JF2 [Skip Frequency 2] 0 to 599 Hz 0 Hz 2nd skip frequency. This parameter helps to prevent prolonged operation within an adjustable range around the regulated frequency. This function can be used to help to prevent a speed, which would cause resonance, being reached. Setting the function to 0 renders it inactive. See page 168. JF3 [3rd Skip Frequency] 0 to 599 Hz 0 Hz 3rd skip frequency. This parameter helps to prevent prolonged operation within an adjustable range around the regulated frequency. This function can be used to help to prevent a speed, which would cause resonance, being reached. Setting the function to 0 renders it inactive. See page 168. JFH [Skip.Freq.Hysteresis] 0.1 to 10 Hz 1 Hz g Parameter visible if at least one skip frequency [Skip Frequency] (JPF), [Skip Frequency 2] (JF2) or [3rd Skip Frequency] (JF3) is different from 0. Skip frequency range: between (JPF – JFH) and (JPF + JFH) for example. This adjustment is common to the 3 frequencies (JPF, JF2, JF3). See page 168. LUn [Unld.Thr.Nom.Speed] 20 to 100% of [Rated mot. current] (nCr) 60% g Underload threshold at rated motor frequency ([Rated motor freq.] (FrS) page 74), as a % of the rated motor torque. Visible only if [Unld T. Del. Detect] (ULt) page 251 is not set to 0. See page 251. LUL [Unld.Thr.0.Speed] 0 to [Unld.Thr.Nom.Speed] (LUn) 0% g Underload threshold at zero frequency, as a % of the rated motor torque. Visible only if [Unld T. Del. Detect] (ULt) page 251 is not set to 0. See page 251. rMUd [Unld. Freq.Thr. Det.] 0 to 599 Hz 0 Hz g Underload detection minimum frequency threshold. See page 251. Srb [Hysteresis Freq.Att.] 0.3 to 599 Hz 0.3 Hz g Maximum deviation between the frequency reference and the motor frequency, which defines steady state operation. See page 251. FtU [Underload T.B.Rest.] 0 to 6 min 0 min g Minimum time permitted between an underload being detected and any automatic restart. In order for an automatic restart to be possible, the value of [Max. restart time] (tAr) page 234 must exceed that of this parameter by at least one minute. See page 252. LOC [Ovld Detection Thr.] 70% to 150% of [Rated mot. current] (nCr) 110% g Overload detection threshold, as a % of the rated motor current [Rated mot. current] (nCr). This value must be less than the limit current in order for the function to work. See page 253. Visible only if [Ovld Time Detect.] (tOL) is not set to 0. This parameter is used to detect an "application overload". This is not a motor or drive thermal overload. FtO [Overload T.B.Rest.] 0 to 6 min 0 min g Minimum time permitted between an overload being detected and any automatic restart. In order for an automatic restart to be possible, the value of [Max. restart time] (tAr) page 234 must exceed that of this parameter by at least one minute. See page 253. Code Name / Description Adjustment range Factory setting DRI- > CONF > FULL > SET-
  • 91.
    Configuration Mode (ConF) S1A2869203/2010 91 Parameters described in this page can be accessed by: (1) In corresponds to the rated drive current indicated in the Installation manual or on the drive nameplate. (2) If a graphic display terminal is not in use, values greater than 9,999 will be displayed on the 4-digit display with a period mark after the thousand digit, example: 15.65 for 15,650. LbC [Load correction] 0 to 599 Hz 0 Hz g Rated correction in Hz. See [Load correction] (LbC) page 109. FFM [Fan Mode] [Standard] (Std) CAUTION RISK OF EQUIPMENT DAMAGE If [Fan Mode] (FFM) is set to [Never] (Stp), the fan of the drive will not be active. Life time of Electronic component will be reduced. Check that the ambient temperature will be limited to 40°C. Failure to follow these instructions can result in equipment damage. Std rUn StP [Standard] (Std): The fan starts and stops automatically according to the drive thermal state [Always] (rUn): The fan is started [Never] (Stp): The fan is stopped Code Name / Description Adjustment range Factory setting g These parameters only appear if the corresponding function has been selected in another menu. When the parameters can also be accessed and adjusted from within the configuration menu for the corresponding function, their description is detailed in these menus, on the pages indicated, to aid programming. Parameter that can be modified during operation or when stopped. To change the assignment of this parameter, press the ENT key for 2 s.2 s DRI- > CONF > FULL > SET-
  • 92.
    Configuration Mode (ConF) 92S1A28692 03/2010 Parameters described in this page can be accessed by: Motor control The parameters in the [MOTOR CONTROL] (drC-) menu can only be modified when the drive is stopped and no run command is present, with the following exceptions: • [Auto tuning] (tUn) page 100, which may cause the motor to start up. • Parameters containing the sign in the code column, which can be modified with the drive running or stopped. Code Name / Description Adjustment range Factory setting FULL [FULL] (continued) drC- [MOTOR CONTROL] bFr [Standard mot. freq] [50 Hz IEC] (50) 50 60 This parameter modifies the presets of the following parameters: [High speed] (HSP) page 75, [Freq. threshold] (Ftd) page 89, [Rated motor volt.] (UnS), [Rated motor freq.] (FrS) and [Max frequency] (tFr). [50 Hz IEC] (50): IEC [60 Hz NEMA] (60): NEMA tFr [Max frequency] 10 to 599 Hz 60 Hz The factory setting is 60 Hz, or preset to 72 Hz if [Standard mot. freq] (bFr) is set to 60 Hz. The maximum value is limited by the following conditions: It must not exceed 10 times the value of [Rated motor freq.] (FrS). Ctt [Motor control type] [Standard] (Std) UUC Std Note: Select law before entering parameter values. [SVC V] (UUC): Sensorless vector control with internal speed loop based on voltage feedback calculation. For applications needing high performance during starting or operation. [Standard] (Std): U/F 2 points (Volts/Hz) without internal speed loop. For simple applications that do not require high performance. Simple motor control law keeping a constant Voltage Frequency ratio, with a possible adjustment of the curve bottom. This law is generally used for motors connected in parallel. Some specific applications with motors in parallel and high performance levels may require [SVC V] (UUC). Note: U0 is the result of an internal calculation based on motor parameters and multiplied by UFr (%). U0 can be adjusted by modifying UFr value. Voltage Frequency FrS UnS U0 DRI- > CONF > FULL > DRC-
  • 93.
    Configuration Mode (ConF) S1A2869203/2010 93 Parameters described in this page can be accessed by: UF5 SYn UFq nLd [V/F 5pts] (UF5): 5-segment V/F profile: As [Standard] (Std) profile but also supports the avoidance of resonance (saturation). Note: U0 is the result of an internal calculation based on motor parameters and multiplied by UFr (%). U0 can be adjusted by modifying UFr value. [Sync. mot.] (SYn): For synchronous permanent magnet motors with sinusoidal electromotive force (EMF) only. This selection makes the asynchronous motor parameters inaccessible, and the synchronous motor parameters accessible. [V/F Quad.] (UFq): Variable torque. For pump and fan applications. [Energy Sav.] (nLd): Energy saving. For applications that do not require high dynamics. Code Name / Description Adjustment range Factory setting Voltage Frequency FrS UnS U5 U4 U3 U1 U2 U0 F1 F2 F3 F4 F5 FrS > F5 > F4 > F3 > F2 > F1 The profile is defined by the values of parameters UnS, FrS, U1 to U5 and F1 to F5. DRI- > CONF > FULL > DRC-
  • 94.
    Configuration Mode (ConF) 94S1A28692 03/2010 Parameters described in this page can be accessed by: Asynchronous motor parameters Code Name / Description Adjustment range Factory setting ASY- [ASYNC. MOTOR] Only visible if [Motor control type] (Ctt) page 92 is not set to [Sync. mot.] (SYn). nPr [Rated motor power] According to drive rating According to drive rating g This parameter cannot be accessed if [Motor control type] (Ctt) page 92 is set to [Sync. mot.] (SYn). Rated motor power given on the nameplate, in kW if [Standard mot. freq] (bFr) is set to [50Hz IEC] (50), in HP if [Standard mot. freq] (bFr) is set to [60Hz NEMA] (60). COS [Motor 1 Cosinus Phi] 0.5 to 1 According to drive rating g Nominal motor cos phi. This parameter can be accessed if [Motor param choice] (MPC) is set to [Mot Cos] (COS). UnS [Rated motor volt.] 100 to 480 V According to drive rating and [Standard mot. freq] (bFr) g This parameter cannot be accessed if [Motor control type] (Ctt) page 92 is set to [Sync. mot.] (SYn). Rated motor voltage given on the nameplate. nCr [Rated mot. current] 0.25 to 1.5 In (1) According to drive rating and [Standard mot. freq] (bFr) g This parameter cannot be accessed if [Motor control type] (Ctt) page 92 is set to [Sync. mot.] (SYn). Rated motor current given on the nameplate. FrS [Rated motor freq.] 10 to 800 Hz 50 Hz g This parameter cannot be accessed if [Motor control type] (Ctt) page 92 is set to [Sync. mot.] (SYn). Rated motor frequency given on the nameplate. The factory setting is 50 Hz, or preset to 60 Hz if [Standard mot. freq] (bFr) is set to 60 Hz. nSP [Rated motor speed] 0 to 65,535 rpm According to drive rating g This parameter cannot be accessed if [Motor control type] (Ctt) page 92 is set to [Sync. mot.] (SYn). 0 to 9,999 rpm then 10.00 to 65.53 krpm on the integrated display terminal. If, rather than the rated speed, the nameplate indicates the synchronous speed and the slip in Hz or as a %, calculate the rated speed as follows: Nominal speed = Synchronous speed x or Nominal speed = Synchronous speed x (50 Hz motors) or Nominal speed = Synchronous speed x (60 Hz motors). 100 - slip as a % 100 50 - slip in Hz 50 60 - slip in Hz 60 DRI- > CONF > FULL > DRC- > ASY-
  • 95.
    Configuration Mode (ConF) S1A2869203/2010 95 Parameters described in this page can be accessed by: tUn [Auto tuning] [No] (nO) DANGER HAZARD OF ELECTRIC SHOCK OR ARC FLASH • During auto-tuning, the motor operates at rated current. • Do not service the motor during auto-tuning. Failure to follow these instructions will result in death or serious injury. WARNING LOSS OF CONTROL • It is essential that the following parameters [Rated motor volt.] (UnS), [Rated motor freq.] (FrS), [Rated mot. current] (nCr), [Rated motor speed] (nSP), and [Rated motor power] (nPr) or [Motor 1 Cosinus Phi] (COS) are correctly configured before starting auto-tuning. • When one or more of these parameters have been changed after auto-tuning has been performed, [Auto tuning] (tUn) will return [No action] (nO) and the procedure will have to be repeated. Failure to follow these instructions can result in death, serious injury, or equipment damage. nO YES CLr - Auto-tuning is only performed if no stop command has been activated. If a "freewheel stop" or "fast stop" function has been assigned to a logic input, this input must be set to 1 (active at 0). - Auto-tuning takes priority over any run or prefluxing commands, which will be taken into account after the auto-tuning sequence. - If auto-tuning detects a fault, the drive displays [No action] (nO) and, depending on the configuration of [Autotune fault mgt] (tnL) page 249, may switch to [Auto-tuning] (tnF) fault mode. - Auto-tuning may last for 1 to 2 seconds. Do not interrupt the process. Wait for the display to change to [No action] (nO). Note: Motor thermal state has a big influence on tune result. Make the tune with the motor stopped and cold. To redo a tune of the motor, wait that it is completely stopped and cold. Set first [Auto tuning] (tUn) to [Erase tune] (CLr), then redo the motor tuning. The use of the motor tuning without doing a [Erase tune] (CLr) first is used to get the thermal state estimation of the motor. In any case, the motor has to be stopped before performing a tune operation. Cable length has an influence on the Tune result. If the cabling is modified, it is necessary to redo the tune operation. [No action] (nO): Auto-tuning not in progress [Do tune] (YES): Auto-tuning is performed immediatly if possible, then the parameter automatically changes to [No action] (nO). If the drive state does not allow the tune operation immediately, the parameter changes to [No] (nO) and the operation must be done again. [Erase tune] (CLr): The motor parameters measured by the auto-tuning function are reseted. The default motor parameters values are used to control the motor. [Auto tuning status] (tUS) is set to [Not done] (tAb). tUS [Auto tuning state] [Not done] (tAb) tAb PEnd PrOG FAIL dOnE (for information only, cannot be modified) This parameter is not saved at drive power off. It shows the Autotuning status since last power on. [Not done] (tAb): Autotune is not done [Pending] (PEnd): Autotune has been requested but not yet performed [In Progress] (PrOG): Autotune is in progress [Failed] (FAIL): Autotune has detected a fault [Done] (dOnE): The motor parameters measured by the auto-tuning function are used to control the motor StUn [Tune selection] [Default] (tAb) tAb MEAS CUS (for information only, cannot be modified) [Default] (tAb): The default values are used to control the motor [Measure] (MEAS): The values measured by the auto-tuning function are used to control the motor [Custom] (CUS): The values set manually are used to control the motor Note: Tune of the motor will increase significantly the performances. Code Name / Description Adjustment range Factory setting 2 s DRI- > CONF > FULL > DRC- > ASY-
  • 96.
    Configuration Mode (ConF) 96S1A28692 03/2010 Parameters described in this page can be accessed by: tUnU [Auto tuning usage] [Therm Mot] (tM) nO tM Ct This parameter shows the way used to modify the motor parameters according to its estimated thermal state. [No] (nO): No thermal state estimation [Therm Mot] (tM): Statoric thermal state estimation based on nominal current and current consumed by the motor [Cold tun] (Ct): Statoric thermal state estimation based on statoric resistance measured at the first cold tune and tune done at each power up AUt [Automatic autotune] [No] (nO) DANGER HAZARD OF ELECTRIC SHOCK, EXPLOSION OR ARC FLASH When [Automatic autotune] (AUt) is changed from [No] (nO), Autotune will be performed every time the power will be switched on. Check this action will not endanger personnel or equipment in any way. Failure to follow these instructions will result in death or serious injury. The motor must be stopped when switching on the drive. [Automatic autotune] (AUt) is forced to [Yes] (YES) if [Auto tuning usage] (tUnU) is set to [Cold tun] (Ct). The value of motor statoric resistance measured during the tune is used to estimate the thermal state of the motor at power up. nO YES [No] (nO): Function deactivated [Yes] (YES): A tune is automatically done at each power up FLU [Motor fluxing] [No] (FnO) g (1) DANGER HAZARD OF ELECTRIC SHOCK, EXPLOSION OR ARC FLASH When [Motor fluxing] (FLU) is set to [Continuous] (FCt), the drive automatically builds up flux. Check this action will not endanger personnel or equipment in any way. Failure to follow these instructions will result in death or serious injury. CAUTION RISK OF DAMAGE TO THE MOTOR Check that the motor will withstand this current without overheating. Failure to follow these instructions can result in equipment damage. FnC FCt FnO If [Motor control type] (Ctt) page 92 is set to [Sync. mot.] (SYn), the factory setting is replaced by [Not cont.] (FnC). In order to obtain rapid high torque on startup, magnetic flux needs to already have been established in the motor. In [Continuous] (FCt) mode, the drive automatically builds up flux when it is powered up. In [Not cont.] (FnC) mode, fluxing occurs when the motor starts up. The flux current is greater than [Rated mot. current] (nCr) (configured rated motor current) when the flux is established and is then adjusted to the motor magnetizing current. [Not cont.] (FnC): Non-continuous mode [Continuous] (FCt): Continuous mode. This option is not possible if [Auto DC injection] (AdC) page 161 is [Yes] (YES) or if [Type of stop] (Stt) page 158 is [Freewheel] (nSt). [No] (FnO): Function inactive. This option is not possible if [Brake assignment] (bLC) page 179 is not [No] (nO). If [Motor control type] (Ctt) page 92 is set to [Sync. mot.] (SYn), the [Motor fluxing] (FLU) parameter causes the alignment of the rotor and not the fluxing. If [Brake assignment] (bLC) page 179 is not [No] (nO), the [Motor fluxing] (FLU) parameter has no effect. Code Name / Description Adjustment range Factory setting 2 s 2 s DRI- > CONF > FULL > DRC- > ASY-
  • 97.
    Configuration Mode (ConF) S1A2869203/2010 97 Parameters described in this page can be accessed by: (1) In corresponds to the rated drive current indicated in the Installation manual and on the drive nameplate. MPC [Motor param choice] [Mot Power] (nPr) g nPr COS [Mot Power] (nPr) [Mot Cos] (COS) Code Name / Description Adjustment range Factory setting g These parameters only appear if the corresponding function has been selected in another menu. When the parameters can also be accessed and adjusted from within the configuration menu for the corresponding function, their description is detailed in these menus, on the pages indicated, to aid programming. Parameter that can be modified during operation or when stopped. To change the assignment of this parameter, press the ENT key for 2 s.2 s DRI- > CONF > FULL > DRC- > ASY-
  • 98.
    Configuration Mode (ConF) 98S1A28692 03/2010 Parameters described in this page can be accessed by: Asynchronous motor parameters: Expert mode (1) On the integrated display unit: 0 to 9,999 then 10.00 to 65.53 (10,000 to 65,535). Code Name / Description Adjustment range Factory setting ASY- [ASYNC. MOTOR] rSA [Cust stator resist.] 0 to 65,535 mOhm 0 mOhm g (1) Cold state stator resistance (per winding), modifiable value. The factory setting is replaced by the result of the auto-tuning operation, if it has been performed. LFA [Lfw] 0 to 655.35 mH 0 mH g Cold state leakage inductance, modifiable value. The factory setting is replaced by the result of the auto-tuning operation, if it has been performed. IdA [Idw] 0 to 6,553.5 A 0 A g Customer adjusted magnetizing current. trA [Cust. rotor t const.] 0 to 65,535 ms 0 ms g Customer adjusted rotor time constant. g These parameters only appear if the corresponding function has been selected in another menu. When the parameters can also be accessed and adjusted from within the configuration menu for the corresponding function, their description is detailed in these menus, on the pages indicated, to aid programming. DRI- > CONF > FULL > DRC- > ASY-
  • 99.
    Configuration Mode (ConF) S1A2869203/2010 99 Parameters described in this page can be accessed by: Synchronous motor parameters These parameters can be accessed if [Motor control type] (Ctt) page 92 is set to [Sync. mot.] (SYn). In this case, the asynchronous motor parameters cannot be accessed. Advices: The drive must be chosen to have enough current according to the need of behavior, but not too much, to have enough accuracy in the current measurement, especially with the high frequency signal injection (see [HF inj. activation] (HFI) page 102). Once the drive is chosen: - Enter the motor nameplate. - Perform the tune. - Adjust [Syn. EMF constant] (PHS) to have optimal behavior (few current in the motor in case of no- load). Note: Performances may be higher on high saliency motors by activating high frequency injection function (see [HF inj. activation] (HFI) page 102). Code Name / Description Adjustment range Factory setting drC- [MOTOR CONTROL] (continued) SYN- [SYNCHRONOUS MOTOR] nCrS [Nominal I sync.] 0.25 to 1.5 In (1) According to drive rating g Rated synchronous motor current given on the nameplate. PPnS [Pole pairs] 1 to 50 According to drive rating g Number of pairs of poles on the synchronous motor. nSPS [Nom motor spdsync] 0 to 48,000 rpm According to drive rating g (2) Rated motor speed given on the nameplate. tqS [Motor torque] 0.1 to 6,553.5 Nm According to drive rating g Rated motor torque given on the nameplate. DRI- > CONF > FULL > DRC- > SYN-
  • 100.
    Configuration Mode (ConF) 100S1A28692 03/2010 Parameters described in this page can be accessed by: tUn [Auto tuning] [No] (nO) DANGER HAZARD OF ELECTRIC SHOCK OR ARC FLASH • During auto-tuning, the motor operates at rated current. • Do not service the motor during auto-tuning. Failure to follow these instructions will result in death or serious injury. WARNING LOSS OF CONTROL • It is essential that the following parameters [Nominal I sync.] (nCrS), [Nom motor spdsync] (nSPS), [Pole pairs] (PPnS), [Syn. EMF constant] (PHS), [Autotune L d-axis] (LdS) and [Autotune L q-axis] (LqS) are correctly configured before starting auto-tuning. • When one or more of these parameters have been changed after auto-tuning has been performed, [Auto tuning] (tUn) will return [No action] (nO) and the procedure will have to be repeated. Failure to follow these instructions can result in death, serious injury, or equipment damage. nO YES CLr - Auto-tuning is only performed if no stop command has been activated. If a "freewheel stop" or "fast stop" function has been assigned to a logic input, this input must be set to 1 (active at 0). - Auto-tuning takes priority over any run or prefluxing commands, which will be taken into account after the auto-tuning sequence. - If auto-tuning detects a fault, the drive displays [No action] (nO) and, depending on the configuration of [Autotune fault mgt] (tnL) page 249, may switch to [Auto-tuning] (tnF) fault mode. - Auto-tuning may last for 1 to 2 seconds. Do not interrupt the process. Wait for the display to change to [No action] (nO). Note: Motor thermal state has a big influence on tune result. Make the tune with the motor stopped and cold. To redo a tune of the motor, wait that it is completely stopped and cold. Set first [Auto tuning] (tUn) to [Erase tune] (CLr), then redo the motor tuning. The use of the motor tuning without doing a [Erase tune] (CLr) first is used to get the thermal state estimation of the motor. In any case, the motor has to be stopped before performing a tune operation. Cable length has an influence on the Tune result. If the cabling is modified, it is necessary to redo the tune operation. [No action] (nO): Auto-tuning not in progress [Do tune] (YES): Auto-tuning is performed immediatly if possible, then the parameter automatically changes to [No action] (nO). If the drive state does not allow the tune operation immediately, the parameter changes to [No] (nO) and the operation must be done again. [Erase tune] (CLr): The motor parameters measured by the auto-tuning function are reseted. The default motor parameters values are used to control the motor. [Auto tuning status] (tUS) is set to [Not done] (tAb). tUS [Auto tuning state] [Not done] (tAb) tAb PEnd PrOG FAIL dOnE (for information only, cannot be modified) This parameter is not saved at drive power off. It shows the Autotuning status since last power on. [Not done] (tAb): Autotune is not done [Pending] (PEnd): Autotune has been requested but not yet performed [In Progress] (PrOG): Autotune is in progress [Failed] (FAIL): Autotune has detected a fault [Done] (dOnE): The motor parameters measured by the auto-tuning function are used to control the motor StUn [Tune selection] [Default] (tAb) tAb MEAS CUS (for information only, cannot be modified) Note: Tune of the motor will increase significantly the performances. [Default] (tAb): The default values are used to control the motor [Measure] (MEAS): The values measured by the auto-tuning function are used to control the motor [Custom] (CUS): The values set manually are used to control the motor Code Name / Description Adjustment range Factory setting 2 s DRI- > CONF > FULL > DRC- > SYN-
  • 101.
    Configuration Mode (ConF) S1A2869203/2010 101 Parameters described in this page can be accessed by: tUnU [Auto tuning usage] [Therm Mot] (tM) nO tM Ct This parameter shows the way used to modify the motor parameters according to its estimated thermal state. [No] (nO): No thermal state estimation [Therm Mot] (tM): Statoric thermal state estimation based on nominal current and current consumed by the motor [Cold tun] (Ct): Statoric thermal state estimation based on statoric resistance measured at the first cold tune and tune done at each power up AUt [Automatic autotune] [No] (nO) DANGER HAZARD OF ELECTRIC SHOCK, EXPLOSION OR ARC FLASH When [Automatic autotune] (AUt) is changed from [No] (nO), Autotune will be performed every time the power will be switched on. Check this action will not endanger personnel or equipment in any way. Failure to follow these instructions will result in death or serious injury. The motor must be stopped when switching on the drive. [Automatic autotune] (AUt) is forced to [Yes] (YES) if [Auto tuning usage] (tUnU) is set to [Cold tun] (Ct). The value of motor statoric resistance measured during the tune is used to estimate the thermal state of the motor at power up. nO YES [No] (nO): Function deactivated [Yes] (YES): A tune is automatically done at each power up SMOt [Saliency mot. state] g (for information only, cannot be modified) Information on synchronous motor saliency. This parameter can be accessed if [Tune selection] (StUN) is set to [Measure] (MEAS). Note: In case of motor with low saliency, the standard control law is advised. nO LLS MLS HLS [No] (nO): Tune not done [Low salient] (LLS): Low saliency level (Recommended configuration: [Angle setting type] (ASt) = [PSI align] (PSI) or [PSIO align] (PSIO) and [HF inj. activation] (HFI) = [No] (nO)). [Med salient] (MLS): Medium saliency level ([Angle setting type] (ASt) = [SPM align] (SPMA) is possible. [HF inj. activation] (HFI) = [Yes] (YES) could work). [High salient] (HLS): High saliency level ([Angle setting type] (ASt) = [IPM align] (IPMA) is possible. [HF inj. activation] (HFI) = [Yes] (YES) is possible). ASt [Angle setting type] [PSIO align.] (PSIO) g Mode for measuring the phase-shift angle. Visible only if [Motor control type] (Ctt) is set to [Sync. mot.] (SYn). [PSI align] (PSI) and [PSIO align] (PSIO) are working for all type of synchronous motors. [SPM align] (SPMA) and [IPM align] (IPMA) increase performances depending on the type of synchronous motor. IPMA SPMA PSI PSIO nO [IPM align] (IPMA): Alignment for IPM motor. Alignment mode for Interior-buried Permanent Magnet motor (usually, this kind of motor has a high saliency level). It uses high frequency injection, which is less noisy than standard alignment mode. [SPM align] (SPMA): Alignment for SPM motor. Mode for Surface-mounted Permanent Magnet motor (usually, this kind of motor has a medium or low saliency level). It uses high frequency injection, which is less noisy than standard alignment mode. [PSI align] (PSI): Pulse signal injection. Standard alignment mode by pulse signal injection. [PSIO align] (PSIO): Pulse signal injection - Optimized. Standard optimized alignment mode by pulse signal injection. The phase shift angle measurement time is reduced after the first run order or tune operation, even if the drive has been turned off. [No align] (nO): No alignment Code Name / Description Adjustment range Factory setting 2 s DRI- > CONF > FULL > DRC- > SYN-
  • 102.
    Configuration Mode (ConF) 102S1A28692 03/2010 Parameters described in this page can be accessed by: (1) In corresponds to the rated drive current indicated in the Installation manual and on the drive nameplate. (2) On the integrated display unit: 0 to 9,999 then 10.00 to 65.53 (10,000 to 65,536). HFI [HF inj. activation] [No] (nO) g Activation of high frequency signal injection in RUN. This function allows to estimate the motor speed in a view to have torque at low speed without speed feedback. Note: The more the saliency is high, the more the [HF inj. activation] (HFI) function will be efficient. In order to ensure the performances, it could be necessary to adjust the speed loop parameters ([K speed loop filter] (SFC), [Speed time integral] (SIt) and [Speed prop. gain] (SPG), see page 105) and the speed estimation phase locked loop (Expert parameters [HF pll bandwith] (SPb) and [HF pll dump. factor] (SPF), see page 103). High frequency injection is not efficient with low saliency motors (see [Saliency mot. state] (SMOt) page 101). It is advised to have 4 kHz of pwm frequency ([Switching freq.] (SFr)). In case of instability with no load, it is advised to decrease [Speed prop. gain] (SPG) and [HF pll bandwith] (SPb). Then, adjust the speed loop parameters to have the dynamic behavior and the PLL gains to have a good speed estimation at low speed. In case of instability with load, it could help to increase the [Angle error Comp.] (PEC) parameter (mainly for SPM motor). nO YES [No] (nO): Function deactivated [Yes] (YES): High frequency injection is used for speed estimation Code Name / Description Adjustment range Factory setting g These parameters only appear if the corresponding function has been selected in another menu. When the parameters can also be accessed and adjusted from within the configuration menu for the corresponding function, their description is detailed in these menus, on the pages indicated, to aid programming. Parameter that can be modified during operation or when stopped. To change the assignment of this parameter, press the ENT key for 2 s.2 s DRI- > CONF > FULL > DRC- > SYN-
  • 103.
    Configuration Mode (ConF) S1A2869203/2010 103 Parameters described in this page can be accessed by: Synchronous motor: Expert mode Code Name / Description Adjustment range Factory setting SYN- [SYNCHRONOUS MOTOR] rSAS [Cust. stator R syn] 0 to 65,535 mOhm 0 mOhm g (1) Cold state stator resistance (per winding). The factory setting is replaced by the result of the auto-tuning operation, if it has been performed. The value can be entered by the user, if he knows it. LdS [Autotune L d-axis] 0 to 655.35 mH 0 mH g Axis "d" stator inductance in mH (per phase). On motors with smooth poles [Autotune L d-axis] (LdS) = [Autotune L q-axis] (LqS) = Stator inductance L. The factory setting is replaced by the result of the auto-tuning operation, if it has been performed. LqS [Autotune L q-axis] 0 to 655.35 mH 0 mH g Axis "q" stator inductance in mH (per phase). On motors with smooth poles [Autotune L d-axis] (LdS) = [Autotune L q-axis] (LqS) = Stator inductance L. The factory setting is replaced by the result of the auto-tuning operation, if it has been performed. PHS [Syn. EMF constant] 0 to 6,553.5 mV/rpm 0 mV/rpm g (1) Synchronous motor EMF constant, in mV per rpm (peak voltage per phase). PHS adjustment allows to reduce the current in operation without load. FrSS [Nominal freq sync.] 10 to 800 Hz nSPS * PPnS / 60 g Nominal motor frequency for synchronous motor in Hz unit. Automatically updated according to [Nom motor spdsync] (nSPS) and [Pole pairs] (PPnS) data. SPb [HF pll bandwith] 0 to 100 Hz 25 Hz g Bandwidth of the stator frequency Pll. SPF [HF pll dump. factor] 0 to 200% 100% g Dumping factor of the stator frequency Pll. PEC [Angle error Comp.] 0 to 500% 0% g Error compensation of the angle position in high frequency mode. It increases performances at low speed in generator and motor mode, particularly for SPM motors. AUtO [Auto] (AUtO): The drive takes a value equal to the rated slip of the motor, calculated using the drive parameters. FrI [HF injection freq.] 250 to 1,000 Hz 500 Hz g Frequency of the high frequency injection signal. It has an influence on the noise during angle shift measurement and speed estimation accuracy. HIr [HF current level] 0 to 200% 50% g Ratio for the current level of the high frequency injection signal. It has an influence on the noise during angle shift measurement and speed estimation accuracy. MCr [PSI align curr. max] [Auto] (AUtO) to 300% [Auto] (AUtO) g Current level in % of [Nominal I sync.] (nCrS) for [PSI align] (PSI) and [PSIO align] (PSIO) angle shift measurement modes. This parameter has an impact on the inductor measurement. [PSI align curr. max] (MCr) is used for tune operation. This current must be equal or higher than the maximum current level of the application, otherwise instability may occur. If [PSI align curr. max] (MCr) is set to [Auto] (AUtO), [PSI align curr. max] (MCr) = 150% of [Nominal I sync.] (nCrS) during the tune operation and 100% of [Nominal I sync.] (nCrS) during angle shift measurement in case of standard alignment ([PSI align] (PSI) or [PSIO align] (PSIO)). ILr [Injection level align] 0 to 200% 25% g Current level in % of [Nominal I sync.] (nCrS) for high frequency phase-shift angle measurement IPMA type. DRI- > CONF > FULL > DRC- > SYN-
  • 104.
    Configuration Mode (ConF) 104S1A28692 03/2010 Parameters described in this page can be accessed by: (1) On the integrated display unit: 0 to 9,999 then 10.00 to 65.53 (10,000 to 65,536). SIr [Boost level align.] 0 to 200% 100% g Current level in % of [Nominal I sync.] (nCrS) for high frequency phase-shift angle measurement SPMA type. Code Name / Description Adjustment range Factory setting g These parameters only appear if the corresponding function has been selected in another menu. When the parameters can also be accessed and adjusted from within the configuration menu for the corresponding function, their description is detailed in these menus, on the pages indicated, to aid programming. Parameter that can be modified during operation or when stopped. DRI- > CONF > FULL > DRC- > SYN-
  • 105.
    Configuration Mode (ConF) S1A2869203/2010 105 Parameters described in this page can be accessed by: Code Name / Description Adjustment range Factory setting drC- [MOTOR CONTROL] (continued) SPG [Speed prop. gain] 0 to 1,000% 40% g Speed loop proportional gain. Visible if [Motor control type] (Ctt) is not set to [Standard] (Std), [V/F 5pts] (UFS) or [V/F Quad.] (UFq). SPGU [UF inertia comp.] 0 to 1,000% 40% g Inertia factor for following motor control laws. Visible if [Motor control type] (Ctt) is set to [Standard] (Std), [V/F 5pts] (UFS) or [V/F Quad.] (UFq). SIt [Speed time integral] 1 to 65,535 ms 63 ms g Speed loop integral time constant. Visible if [Motor control type] (Ctt) is not set to [Standard] (Std), [V/F 5pts] (UFS) or [V/F Quad.] (UFq). SFC [K speed loop filter] 0 to 100 65 g Speed filter coefficient (0(IP) to 100(PI)). FFH [Spd est. filter time] 0 to 100 ms 6.4 ms g Accessible in Expert mode only. Frequency to filter the estimated speed. CrtF [Cur. ref. filter time] 0 to 100 ms 3.2 ms g Accessible in Expert mode only. Filter time of the current reference filter [of control law (if [No] (nO): stator natural frequency)]. UFr [IR compensation] 0 to 200% 100% Used to optimize torque at very low speed, or to adapt to special cases (for example: for motors connected in parallel, decrease [IR compensation] (UFr)). If there is insufficient torque at low speed, increase [IR compensation] (UFr). A too high value can avoid the motor to start (locking) or change the current limiting mode. SLP [Slip compensation] 0 to 300% 100% g This parameter cannot be accessed if [Motor control type] (Ctt) is set to [Sync. mot.] (SYn). This parameter is written at 0% when [Motor control type] (Ctt) is set to [V/F Quad.] (UFq). Adjusts the slip compensation around the value set by the rated motor speed. The speeds given on motor nameplates are not necessarily exact. If slip setting is lower than actual slip: The motor is not rotating at the correct speed in steady state, but at a speed lower than the reference. If slip setting is higher than actual slip: The motor is overcompensated and the speed is unstable. U1 [U1] 0 to 800 V according to rating 0 V g V/F profile setting. This parameter can be accessed if [Motor control type] (Ctt) is set to [V/F 5pts] (UF5). F1 [F1] 0 to 599 Hz 0 Hz g V/F profile setting. This parameter can be accessed if [Motor control type] (Ctt) is set to [V/F 5pts] (UF5). U2 [U2] 0 to 800 V according to rating 0 V g V/F profile setting. This parameter can be accessed if [Motor control type] (Ctt) is set to [V/F 5pts] (UF5). F2 [F2] 0 to 599 Hz 0 Hz g V/F profile setting. This parameter can be accessed if [Motor control type] (Ctt) is set to [V/F 5pts] (UF5). DRI- > CONF > FULL > DRC-
  • 106.
    Configuration Mode (ConF) 106S1A28692 03/2010 Parameters described in this page can be accessed by: U3 [U3] 0 to 800 V according to rating 0 V g V/F profile setting. This parameter can be accessed if [Motor control type] (Ctt) is set to [V/F 5pts] (UF5). F3 [F3] 0 to 599 Hz 0 Hz g V/F profile setting. This parameter can be accessed if [Motor control type] (Ctt) is set to [V/F 5pts] (UF5). U4 [U4] 0 to 800 V according to rating 0 V g V/F profile setting. This parameter can be accessed if [Motor control type] (Ctt) is set to [V/F 5pts] (UF5). F4 [F4] 0 to 599 Hz 0 Hz g V/F profile setting. This parameter can be accessed if [Motor control type] (Ctt) is set to [V/F 5pts] (UF5). U5 [U5] 0 to 800 V according to rating 0 V g V/F profile setting. This parameter can be accessed if [Motor control type] (Ctt) is set to [V/F 5pts] (UF5). F5 [F5] 0 to 599 Hz 0 Hz g V/F profile setting. This parameter can be accessed if [Motor control type] (Ctt) is set to [V/F 5pts] (UF5). CLI [Current Limitation] 0 to 1.5 In (1) 1.5 In (1) g CAUTION RISK OF DAMAGE TO THE MOTOR AND THE DRIVE • Check that the motor will withstand this current, particularly in the case of permanent magnet synchronous motors, which are susceptible to demagnetization. • Check that the profile mission complies with the derating curve given in the installation manual. Failure to follow these instructions can result in equipment damage. First current limitation. Note: If the setting is less than 0.25 In, the drive may lock in [Output Phase Loss] (OPL) fault mode if this has been enabled (see page 238). If it is less than the no-load motor current, the motor cannot run. SFt [Switch. freq type] [SFR type 1] (HF1) HF1 HF2 The motor switching frequency will be modified (reduced) when the internal temperature of the drive will be too high. [SFR type 1] (HF1): Heating optimization Allows the system to adapt the switching frequency according to the motor frequency. [SFR type 2] (HF2): Motor noise optimization (for high switching frequency) Allows the system to keep a constant chosen switching frequency [Switching freq.] (SFr) whatever the motor frequency [Output frequency] (rFr). In the event of overheating, the drive automatically decreases the switching frequency. It is restored to its original value when the temperature returns to normal. SFr [Switching freq.] 2 to 16 kHz 4 kHz CAUTION RISK OF DAMAGE TO THE DRIVE On ATV32ppppM2 ratings, if the RFI filters are disconnected (operation on an IT system), the drive’s switching frequency must not exceed 4 kHz. Failure to follow these instructions can result in equipment damage. Switching frequency setting. Adjustment range: The maximum value is limited to 4 kHz if [Motor surge limit] (SUL) parameter page 107 is configured. Note: In the event of excessive temperature rise, the drive will automatically reduce the switching frequency and reset it once the temperature returns to normal. In case of high speed motor, it is advised to increase the pwm frequency [Switching freq.] (SFr) at 8, 12 or 16 kHz. Code Name / Description Adjustment range Factory setting DRI- > CONF > FULL > DRC-
  • 107.
    Configuration Mode (ConF) S1A2869203/2010 107 Parameters described in this page can be accessed by: nrd [Noise reduction] [No] (nO) nO YES Random frequency modulation helps to prevent any resonance, which may occur at a fixed frequency. [No] (nO): Fixed frequency [Yes] (YES): Frequency with random modulation bOA [Boost activation] [Dynamic] (dYnA) nO dYnA StAt [Inactive] (nO): No boost [Dynamic] (dYnA): Dynamic boost [Static] (StAt): Static boost bOO [Boost] -100 to 100% 0% g This parameter can be accessed if [Boost activation] (bOA) is not set to [No] (nO). Adjustment of the motor magnetizing current at low speed, as a % of the rated magnetizing current. This parameter is used to increase or reduce the time taken to establish the torque. It allows gradual adjustment up to the frequency set by [Action Boost] (FAb). Negative values apply particularly to tapered rotor motors. FAb [Action Boost] 0 to 599 Hz 0 Hz g This parameter can be accessed if [Boost activation] (bOA) is not set to [No] (nO). Frequency above which the magnetizing current is no longer affected by [Boost] (bOO). SUL [Motor surge limit.] [No] (nO) nO YES This function limits motor overvoltages and is useful in the following applications: - NEMA motors - Japanese motors - Spindle motors - Rewound motors This parameter can remain set to [No] (nO) for 230/400 V motors used at 230 V, or if the length of cable between the drive and the motor does not exceed: - 4 m with unshielded cables - 10 m with shielded cables Note: When [Motor surge limit.] (SUL) is set to [Yes](YES), the maximum switching frequency [Switching freq.] (SFr) is modified, see page 107. [No] (nO): Function inactive [Yes] (YES): Function active SOP [Volt surge limit. opt] 10 μs g Optimization parameter for transient overvoltages at the motor terminals. This parameter can be accessed if [Motor surge limit.] (SUL) is set to [Yes] (YES). 6 8 10 Set to 6, 8 or 10 μs, according to the following table. Note: This parameter is useful for ATV32pppN4 drives. Code Name / Description Adjustment range Factory setting 0 Rated magnetizing current Positive [Boost] (bOO) Negative [Boost] (bOO) [Action Boost] (FAb) Magnetizing current Frequency g These parameters only appear if the corresponding function has been selected in another menu. When the parameters can also be accessed and adjusted from within the configuration menu for the corresponding function, their description is detailed in these menus, on the pages indicated, to aid programming. Parameter that can be modified during operation or when stopped. DRI- > CONF > FULL > DRC-
  • 108.
    Configuration Mode (ConF) 108S1A28692 03/2010 The value of the [Volt surge limit. opt] (SOP) parameter corresponds to the attenuation time of the cable used. It is defined to help to prevent the superimposition of voltage wave reflections resulting from long cable lengths. It limits overvoltages to twice the DC bus rated voltage. The tables on the following page give examples of correspondence between the [Volt surge limit. opt] (SOP) parameter and the length of the cable between the drive and the motor. For longer cable lengths, an output of the filter or a dV/dt protection filter must be used. For motors in parallel, the sum of all the cable lengths must be taken into consideration. Compare the length given in the table row corresponding to the power for one motor with that corresponding to the total power, and select the shorter length. Example: Two 7.5 kW (10 HP) motors Take the lengths on the 15 kW (20 HP) table row, which are shorter than those on the 7.5 kW (10 HP) row, and divide by the number of motors to obtain the length per motor (with unshielded "GORSE" cable and SOP = 6, the result is 40/2 = 20 m maximum for each 7.5 kW (10 HP) motor). In special cases (for example, different types of cable, different motor powers in parallel, different cable lengths in parallel, etc.), we recommend using an oscilloscope to check the overvoltage values obtained at the motor terminals. To retain the overall drive performance, do not increase the SOP value unnecessarily. Tables giving the correspondence between the SOP parameter and the cable length, for 400 V line supply For 230/400 V motors used at 230 V, the [Motor surge limit.] (SUL) parameter can remain set to [No] (nO). Altivar 32 Motor Cable cross- section (min) Maximum cable length in meters Reference Power Unshielded "GORSE" cable Type H07 RN-F 4Gxx Shielded "GORSE" cable Type GVCSTV-LS/LH Shielded "BELDEN" cable Type 2950x kW HP in mm² AWG SOP = 10 SOP = 8 SOP = 6 SOP = 10 SOP = 8 SOP = 6 SOP = 10 SOP = 8 SOP = 6 ATV32HO37N4 0.37 0.50 1.5 14 100 m 70 m 45 m 105 m 85 m 65 m 50 m 40 m 30 m ATV32HO55N4 0.55 0.75 1.5 14 100 m 70 m 45 m 105 m 85 m 65 m 50 m 40 m 30 m ATV32HO75N4 0.75 1 1.5 14 100 m 70 m 45 m 105 m 85 m 65 m 50 m 40 m 30 m ATV32HU11N4 1.1 1.5 1.5 14 100 m 70 m 45 m 105 m 85 m 65 m 50 m 40 m 30 m ATV32HU15N4 1.5 2 1.5 14 100 m 70 m 45 m 105 m 85 m 65 m 50 m 40 m 30 m ATV32HU22N4 2.2 3 1.5 14 110 m 65 m 45 m 105 m 85 m 65 m 50 m 40 m 30 m ATV32HU30N4 3 - 1.5 14 110 m 65 m 45 m 105 m 85 m 65 m 50 m 40 m 30 m ATV32HU40N4 4 5 2.5 12 110 m 65 m 45 m 105 m 85 m 65 m 50 m 40 m 30 m ATV32HU55N4 5.5 7.5 4 10 120 m 65 m 45 m 105 m 85 m 65m 50 m 40 m 30 m ATV32HU75N4 7.5 10 6 8 120 m 65 m 45 m 105 m 85 m 65 m 50 m 40 m 30 m ATV32HD11N4 11 15 10 8 115 m 60 m 45 m 100 m 75 m 55 m 50 m 40 m 30 m ATV32HD15N4 15 20 16 6 105 m 60 m 40 m 100 m 70 m 50 m 50 m 40 m 30 m
  • 109.
    Configuration Mode (ConF) S1A2869203/2010 109 Parameters described in this page can be accessed by: Code Name / Description Adjustment range Factory setting Ubr [Braking level] 335 to 820 V According to drive rating voltage Braking transistor command level. LbA [Load sharing] [No] (nO) g When 2 motors are connected mechanically and therefore at the same speed, and each is controlled by a drive, this function can be used to improve torque distribution between the two motors. To do this, it varies the speed based on the torque. This parameter can only be accessed if [Motor control type] (Ctt) page 92 is set to [SVC V] (UUC). nO YES [No] (nO): Function inactive [Yes] (YES): Function active LbC [Load correction] 0 to 599 Hz 0 Hz g Rated correction in Hz. This parameter can be accessed if [Load sharing] (LbA) is set to [Yes] (YES). g These parameters only appear if the corresponding function has been selected in another menu. When the parameters can also be accessed and adjusted from within the configuration menu for the corresponding function, their description is detailed in these menus, on the pages indicated, to aid programming. Parameter that can be modified during operation or when stopped. LbC LbCTorque Nominal torque Nominal torque Frequency0 DRI- > CONF > FULL > DRC-
  • 110.
    Configuration Mode (ConF) 110S1A28692 03/2010 Load sharing, parameters that can be accessed at expert level Principle: The load sharing factor K is determined by the torque and speed, with two factors K1 and K2 (K = K1 x K2). + - Reference Speed Ramp Speed loop Balancing K Filter Torque reference LBC LBC1 LBC2 LBC3 LBF K1 Speed LBC1 LBC2 1 K2 Torque LBC3 LBC3 Rated torque x (1 + LBC3) LBC LBC
  • 111.
    Configuration Mode (ConF) S1A2869203/2010 111 Parameters described in this page can be accessed by: Code Name / Description Adjustment range Factory setting LbC1 [Correction min spd] 0 to 598.9 Hz 0 Hz g This parameter can be accessed if [Load sharing] (LbA) is set to [Yes] (YES). Minimum speed for load correction in Hz. Below this threshold, no corrections are made. Used to cancel correction at very low speed if this would hamper rotation of the motor. LbC2 [Correction max spd] [Correction min spd] (LbC1) + 0.1 at 599 Hz 0.1 Hz g This parameter can be accessed if [Load sharing] (LbA) is set to [Yes] (YES). Speed threshold in Hz above which maximum load correction is applied. LbC3 [Torque offset] 0 to 300% 0% g This parameter can be accessed if [Load sharing] (LbA) is set to [Yes] (YES). Minimum torque for load correction as a % of the rated torque. Below this threshold, no corrections are made. Used to avoid torque instabilities when the torque direction is not constant. LbF [Sharing filter] 0 to 20 s 100 ms g This parameter can be accessed if [Load sharing] (LbA) is set to [Yes] (YES). Time constant (filter) for correction in ms. Used in the event of flexible mechanical coupling in order to avoid instabilities. g These parameters only appear if the corresponding function has been selected in another menu. When the parameters can also be accessed and adjusted from within the configuration menu for the corresponding function, their description is detailed in these menus, on the pages indicated, to aid programming. Parameter that can be modified during operation or when stopped. DRI- > CONF > FULL > DRC-
  • 112.
    Configuration Mode (ConF) 112S1A28692 03/2010 Parameters described in this page can be accessed by: Inputs / outputs CFG The parameters in the [INPUTS / OUTPUTS CFG] (I_O-) menu can only be modified when the drive is stopped and no run command is present. Code Name / Description Adjustment range Factory setting FULL [FULL] (continued) I_O- [INPUTS / OUTPUTS CFG] tCC [2/3 wire control] [2 wire] (2C) DANGER UNINTENDED EQUIPMENT OPERATION When this parameter is changed, [Reserve assign.] (rrS) and [2 wire type] (tCt) parameters, and all the assignments involving the logic inputs will revert to their default values. Check that this change is compatible with the wiring diagram used. Failure to follow these instructions will result in death or serious injury. 2C 3C [2 wire] (2C) 2-wire control (level commands): This is the input state (0 or 1) or edge (0 to 1 or 1 to 0) which controls running or stopping. Example of "source" wiring: LI1: forward LIx: reverse [3 wire] (3C) 3-wire control (pulse commands): A "forward" or "reverse" pulse is sufficient to command starting, a "stop" pulse is sufficient to command stopping. Example of "source" wiring: LI1: stop LI2: forward LIx: reverse tCt [2 wire type] [Transition] (trn) g DANGER UNINTENDED EQUIPMENT OPERATION Check that the modification of the 2 wire type controls is compatible with the wiring diagram used. Failure to follow these instructions will result in death or serious injury. LEL trn PFO [Level] (LEL): State 0 or 1 is taken into account for run (1) or stop (0) [Transition] (trn): A change of state (transition or edge) is necessary to initiate operation, in order to avoid accidental restarts after a break in the power supply [Fwd priority] (PFO): State 0 or 1 is taken into account for run or stop, but the "forward" input takes priority over the "reverse" input 2 s +24 LI1 LIx ATVppp +24 LI1 LI2 LIx ATVppp 2 s DRI- > CONF > FULL > I_O-
  • 113.
    Configuration Mode (ConF) S1A2869203/2010 113 Parameters described in this page can be accessed by: rUn [Drive Running] [No] (nO) g Assignment of the stop command. Visible only if [2/3 wire control] (tCC) is set to [3 wire] (3C). LI1 Cd00 OL01 ... OL10 [LI1] (LI1): Logical input LI1 if not in [I/O profile] (IO) [Cd00] (Cd00): In [I/O profile] (IO), can be switched with possible logic inputs [OL01] (OL01): Function blocks: Logical Output 01 ... [OL10] (OL10): Function blocks: Logical Output 10 Frd [Forward] [LI1] (LI1) LI1 Cd00 OL01 ... OL10 Assignment of the forward direction command. [LI1] (LI1): Logical input LI1 if not in [I/O profile] (IO) [Cd00] (Cd00): In [I/O profile] (IO), can be switched with possible logic inputs [OL01] (OL01): Function blocks: Logical Output 01 ... [OL10] (OL10): Function blocks: Logical Output 10 rrS [Reverse assign.] [LI2] (LI2) nO LI1 ... Assignment of the reverse direction command. [No] (nO): Not assigned [LI1] (LI1): Logical input LI1 [...] (...): See the assignment conditions on page 138 Code Name / Description Adjustment range Factory setting DRI- > CONF > FULL > I_O-
  • 114.
    Configuration Mode (ConF) 114S1A28692 03/2010 Parameters described in this page can be accessed by: L1- [LI1 CONFIGURATION] L1A [LI1 assignment] nO rUn Frd rrS rPS JOG USP dSP PS2 PS4 PS8 rFC nSt dCI FSt FLO rSF tUL SPM FLI PAU PIS Pr2 Pr4 tLA EtF rCA CnF1 CnF2 CHA1 CHA2 tLC CCS InH PS16 LC2 LAF LAr rCb trC bCI SAF SAr dAF dAr CLS LES rtr SnC rPA SH2 SH4 LO1 r1 r2 dO1 btUC OIr FJOG FPS1 FPS2 Read-only parameter, cannot be configured. It displays all the functions that are assigned to input LI1 in order to check for multiple assignments. [No] (nO): Not assigned [Run] (rUn): Run Enable [Forward] (Frd): Forward operation [Reverse] (rrS): Reverse operation [Ramp switching] (rPS): Ramp switching [Jog] (JOG): Jog operation [+Speed] (USP): + speed [- speed] (dSP): - speed [2 preset speeds] (PS2): 2 Preset speeds [4 preset speeds] (PS4): 4 Preset speeds [8 preset speeds] (PS8): 8 Preset speeds [Ref. 2 switching] (rFC): Reference switching [Freewheel stop] (nSt): Freewheel stop [DC injection] (dCI): Injection DC stop [Fast stop] (FSt): Fast stop [Forced local] (FLO): Forced local mode [Fault reset] (rSF): Fault reset [Auto-tuning] (tUL): Auto-tuning [Ref. memo.] (SPM): Save reference [Pre Fluxing] (FLI): Motor fluxing [Auto / manual] (PAU): PI(D) auto-manu [PID integral reset] (PIS): Integral shunting PI(D) [2 preset PID ref.] (Pr2): 2 Preset PI(D) references [4 preset PID ref.] (Pr4): 4 Preset PI(D) references [Torque limitation] (tLA): Permanent torque limitation [External fault] (EtF): External fault [Output contact. fdbk] (rCA): Downstream contactor feedback [2 config. switching] (CnF1): Configuration switching 1 [3 config. switching] (CnF2): Configuration switching 2 [2 parameter sets] (CHA1): Parameter switching 1 [3 parameter sets] (CHA2): Parameter switching 2 [Activ. Analog torque limitation] (tLC): Torque limitation: Activation (analog input) by a logic input [Cmd switching] (CCS): Command channel switching [Fault inhibition] (InH): Fault inhibition [16 preset speeds] (PS16): 16 preset speeds [Current limit 2] (LC2): Current limitation switching [Stop FW limit sw.] (LAF): Limit attained forward [Stop RV limit sw.] (LAr): Limit attained reverse [Ref 1B switching] (rCb): Reference channel switching (1 to 1B) [Traverse control] (trC): Traverse control [Brake contact] (bCI): Brake logic input contact [Stop FW limit sw.] (SAF): Stop switch forward [Stop RV limit sw.] (SAr): Stop switch reverse [Slowdown forward] (dAF): Slowdown attained forward [Slowdown reverse] (dAr): Slowdown attained reverse [Disable limit sw.] (CLS): Limits switches clearing [Drive lock (Line contact. ctrl)] (LES): Emergency stop [Init. traverse ctrl.] (rtr): Reload traverse control [Counter wobble] (SnC): Counter wobble synchronization [Prod. reset] (rPA): Reset Product [2 HSP] (SH2): High Speed 2 [4 HSP] (SH4): High Speed 4 [LO1] (LO1): Logical output LO1 [R1] (r1): Relay R1 [R2] (r2): Relay R2 [DO1] (dO1): Analog/logical output DO1 [Bth visibilit.] (btUC): Bluetooth visibility [Regen. connection] (OIr): Operation with reversible unit [Jog] (FJOG): Function key jog assignment [Preset spd2] (FPS1): Function key preset speed 1 assignment [Preset spd3] (FPS2): Function key preset speed 2 assignment Code Name / Description Adjustment range Factory setting DRI- > CONF > FULL > I_O- > L1-
  • 115.
    Configuration Mode (ConF) S1A2869203/2010 115 Parameters described in this page can be accessed by: FPr1 FPr2 FUSP FdSP Ft USI dSI IL01 ... IL10 FbrM [PID ref. 2] (FPr1): Function key preset PI 1 assignment [PID ref. 3] (FPr2): Function key preset PI 2 assignment [+Speed] (FUSP): Function key faster assignment [-Speed] (FdSP): Function key slower assignment [T/K] (Ft ): Function key bumpless assignment [+speed around ref.] (USI): + Speed around ref [-speed around ref.] (dSI): - Speed around ref [IL01] (IL01): Function blocks: Logical Input 1 ... [IL10] (IL10): Function blocks: Logical Input 10 [FB start] (FbrM): Function blocks: Run mode L1d [LI1 On Delay] 0 to 200 ms 0 ms This parameter is used to take account of the change of the logic input to state 1 with a delay that can be adjusted between 0 and 200 milliseconds, in order to filter out possible interference. The change to state 0 is taken into account without delay. I_O- [INPUTS / OUTPUTS CFG] (continued) L2- to L6- [LIx CONFIGURATION] All the logic inputs available on the drive are processed as in the example for LI1 above, up to LI6. L5- [LA5 CONFIGURATION] Specific parameters for LI5 used as a pulse input. PIA [RP assignment] Read-only parameter, cannot be configured. It displays all the functions associated with the Pulse input in order to check, for example, for compatibility problems. Identical to [AI1 assignment] (A11A) page 120. PIL [RP min value] 0 to 20.00 kHz 0 kHz Pulse input scaling parameter of 0% in Hz * 10 unit. PFr [RP max value] 0 to 20.00 kHz 20.00 kHz Pulse input scaling parameter of 100% in Hz * 10 unit. PFI [RP filter] 0 to 1,000 ms 0 ms I/O ext Pulse input cutoff time of the low-filter. LA1- LA2- [LAx CONFIGURATION] The 2 analog inputs AI1 and AI2 on the drive could be used as LI inputs and are processed as in the example for LI1 above. g These parameters only appear if the corresponding function has been selected in another menu. When the parameters can also be accessed and adjusted from within the configuration menu for the corresponding function, their description is detailed in these menus, on the pages indicated, to aid programming. To change the assignment of this parameter, press the ENT key for 2 s. Code Name / Description Adjustment range Factory setting 2 s DRI- > CONF > FULL > I_O- > L1-
  • 116.
    Configuration Mode (ConF) 116S1A28692 03/2010 Configuration of analog inputs and Pulse input The minimum and maximum input values (in volts, mA, etc.) are converted to % in order to adapt the references to the application. Minimum and maximum input values: The minimum value corresponds to a reference of 0% and the maximum value to a reference of 100%. The minimum value may be greater than the maximum value: For +/- bidirectional inputs, the min. and max. are relative to the absolute value, for example +/- 2 to 8 V. Reference 100% 0% [Min value] (CrLx or ULx or PIL) [Max value] (CrHx or UHx or PFr) 20 mA or 10 V or 20.00 kHz Current or voltage or pulse input Reference 100% 0% [Min value] (CrLx or ULx or PIL) [Max value] (CrHx or UHx or PFr) Current or voltage or pulse input 20 mA or 10 V or 20.00 kHz
  • 117.
    Configuration Mode (ConF) S1A2869203/2010 117 Range (output values): For analog inputs only: This parameter is used to configure the reference range to [0% V100%] or [-100% V +100%] in order to obtain a bidirectional output from a unidirectional input. Reference 100% 0% [Min value] [Max value] Range 0 V 100% Current or voltage input 20 mA or 10 V Reference 100% 0% [Min value] [Max value] Current or voltage input - 100% Range - 100% V + 100% 20 mA or 10 V
  • 118.
    Configuration Mode (ConF) 118S1A28692 03/2010 Parameters described in this page can be accessed by: Code Name / Description Adjustment range Factory setting I_O- [INPUTS / OUTPUTS CFG] (continued) LA1- [LAI CONFIGURATION] bSP [Reference template] [Standard] (bSd) bSd bLS bnS bnS0 [Standard] (bSd) [Pedestal] (bLS) [Deadband] (bnS) [Deadband 0] (bnS0) Parameter that can be modified during operation or when stopped. Frequency Reference LSP -100% +100% HSP LSP HSP 0% At zero reference the frequency = LSP Frequency Reference LSP -100% +100% HSP LSP HSP At reference = 0 to LSP the frequency = LSP Frequency Reference LSP-100% +100% HSP LSP HSP 0 At reference = 0 to LSP the frequency = 0 Frequency Reference LSP -100% +100% HSP LSP HSP 0% This operation is the same as [Standard] (bSd), except that in the following cases at zero reference, the frequency = 0: The signal is less than [Min value], which is greater than 0 (example 1 V on a 2 - 10 V input) The signal is greater than [Min value], which is greater than [Max value] (example: 11 V on a 10 - 0 V input). If the input range is configured as "bidirectional", operation remains identical to [Standard] (bSd). This parameter defines how the speed reference is taken into account, for analog inputs and Pulse input only. In the case of the PID regulator, this is the PID output reference. The limits are set by the [Low speed] (LSP) and [High speed] (HSP) parameters, page 75. DRI- > CONF > FULL > I_O- > LAI-
  • 119.
    Configuration Mode (ConF) S1A2869203/2010 119 Delinearization: For analog inputs only: The input can be delinearized by configuring an intermediate point on the input/output curve of this input: For range 0 V 100% Note: For [Interm. point X], 0% corresponds to [Min value] and 100% to [Max value]. For range -100% V 100% Reference 100% 0% [Min value] (0%) [Interm. point X] [Max value] (100%) Current or voltage input [Interm. point Y] 20 mA or 10 V Reference 100% 0% [Min value] (-100%) [Interm. point X] [Max value] (100%) Current or voltage input [Interm. point Y] - [Interm. point Y] - 100% - [Interm. point X] 0% 20 mA or 10 V
  • 120.
    Configuration Mode (ConF) 120S1A28692 03/2010 Parameters described in this page can be accessed by: Code Name / Description Adjustment range Factory setting AI1- [AI1 CONFIGURATION] AI1A [AI1 assignment] nO AO1 Fr1 Fr2 SA2 PIF tAA dA2 PIM FPI SA3 Fr1b dA3 FLOC MA2 MA3 PES IA01 ... IA10 Read-only parameter, cannot be configured. It displays all the functions associated with input AI1 in order to check, for example, for compatibility problems. [No] (nO): Not assigned [AO1 assignment] (AO1): Analog output AO1 [Ref.1 channel] (Fr1): Reference source 1 [Ref.2 channel] (Fr2): Reference source 2 [Summing ref. 2] (SA2): Summing reference 2 [PID feedback] (PIF): PI feedback (PI control) [Torque limitation] (tAA): Torque limitation: Activation by an analog value [Subtract. ref. 2] (dA2): Subtracting reference 2 [Manual PID ref.] (PIM): Manual speed reference of the PI(D) regulator (auto-man) [PID speed ref.] (FPI): Speed reference of the PI(D) regulator (predictive reference) [Summing ref. 3] (SA3): Summing reference 3 [Ref.1B channel] (Fr1b): Reference source 1B [Subtract. ref. 3] (dA3): Subtracting reference 3 [Forced local] (FLOC): Forced local reference source [Ref.2 multiplier] (MA2): Multiplying reference 2 [Ref. 3 multiplier] (MA3): Multiplying reference 3 [Weight input] (PES): Hoisting: External weight measurement function [IA01] (IA01): Function blocks: Analog Input 01 ... [IA10] (IA10): Function blocks: Analog Input 10 AI1t [AI1 Type] [Voltage] (10U) 10U [Voltage] (10U): Positive voltage input (negative values are interpreted as zero: the input is unidirectional) UIL1 [AI1 min value] 0 to 10.0 V 0 V AI1 voltage scaling parameter of 0%. UIH1 [AI1 max value] 0 to 10.0 V 10.0 V AI1 voltage scaling parameter of 100%. AI1F [AI1 filter] 0 to 10.00 s 0 s Interference filtering. AI1L [AI1 range] [0 - 100%] (POS) POS nEG [0 - 100%] (POS): Positive logical [+/- 100%] (POS): Positive and negative logical AI1E [AI1 Interm. point X] 0 to 100% 0% Input delinearization point coordinate. Percentage of the physical input signal. 0% corresponds to [AI1 min value] (UIL1). 100% corresponds to [AI1 max value] (UIH1). AI1S [AI1 Interm. point Y] 0 to 100% 0% Output delinearization point coordinate (frequency reference). Percentage of the internal frequency reference corresponding to the [AI1 Interm. point X] (A11E) percentage of physical input signal. I_O- [INPUTS / OUTPUTS CFG] (continued) AI2- [AI2 CONFIGURATION] AI2A [AI2 assignment] Identical to [AI1 assignment] (A11A) page 120. AI2t [AI2 Type] [Voltage +/-] (n10U) 10U [Voltage] (10U): 0 - 10 V UIL2 [AI2 min value] 0 to 10.0 V 0 V AI2 voltage scaling parameter of 0%. DRI- > CONF > FULL > I_O- > AI1-
  • 121.
    Configuration Mode (ConF) S1A2869203/2010 121 Parameters described in this page can be accessed by: UIH2 [AI2 max. value] 0 to 10.0 V 10.0 V AI2 voltage scaling parameter of 100%. AI2F [AI2 filter] 0 to 10.00 s 0 s Interference filtering. AI2E [AI2 Interm. point X] 0 to 100% 0% Input delinearization point coordinate. Percentage of the physical input signal. 0% corresponds to [Min value] if the range is 0 V 100%. 0% corresponds to if the range is -100% V +100%. 100% corresponds to [Max value]. AI2S [AI2 Interm. point Y] 0 to 100% 0% Output delinearization point coordinate (frequency reference). Percentage of the internal frequency reference corresponding to the [AI2 Interm. point X] (A12E) percentage of physical input signal. I_O- [INPUTS / OUTPUTS CFG] (continued) AI3- [AI3 CONFIGURATION] AI3A [AI3 assignment] Identical to [AI1 assignment] (A11A) page 120. AI3t [AI3 Type] [Voltage +/-] (n10U) 0A [Current] (0A): 0 - 20 mA CrL3 [AI3 min. value] 0 to 20.0 mA 0 mA AI3 current scaling parameter of 0%. CrH3 [AI3 max. value] 0 to 20.0 mA 20.0 mA AI3 current scaling parameter of 100%. AI3F [AI3 filter] 0 to 10.00 s 0 s Interference filtering. AI3L [AI3 range] [0 - 100%] (POS) POS nEG [0 - 100%] (POS): Unidirectional input [+/- 100%] (nEG): Bidirectional input Example: On a 4 - 20 mA input. 4 mA corresponds to reference -100%. 12 mA corresponds to reference 0%. 20 mA corresponds to reference +100%. Since AI3 is, in physical terms, a bidirectional input, the [+/- 100%] (nEG) configuration must only be used if the signal applied is unidirectional. A bidirectional signal is not compatible with a bidirectional configuration. AI3E [AI3 Interm. point X] 0 to 100% 0% Input delinearization point coordinate. Percentage of the physical input signal. 0% corresponds to [Min value] (CrL3) if the range is 0 V 100%. 0% corresponds to if the range is -100% V +100%. 100% corresponds to [AI3 max. value] (CrH3). AI3S [AI3 Interm. point Y] 0 to 100% 0% Output delinearization point coordinate (frequency reference). Percentage of the internal frequency reference corresponding to the [AI3 Interm. point X] (A13E) percentage of physical input signal. I_O- [INPUTS / OUTPUTS CFG] (continued) AU1- [VIRTUAL AI1] AU1A [AIV1 assignment] Virtual analog input 1 via the jog dial available on the front side of the product. Identical to [AI1 assignment] (A11A) page 120. Code Name / Description Adjustment range Factory setting [Max value] + [Min value] 2 [Al3 max. value] (CrH3) - [Al3 min. value] (CrL3) DRI- > CONF > FULL > I_O- > AI2-
  • 122.
    Configuration Mode (ConF) 122S1A28692 03/2010 Parameters described in this page can be accessed by: I_O- [INPUTS / OUTPUTS CFG] (continued) AU2- [VIRTUAL AI2] AU2A [AIV2 assignment] Possible assignments for [AI virtual 2] (AIU2): Virtual analog input 2 via communication channel, to be configured with [AI2 net. channel] (AIC2). Identical to [AIV1 assignment] (AU1A) page 121. AIC2 [AI2 net. Channel] [No] (nO) g [VIRTUAL AI2] (AU2A) source channel. This parameter can also be accessed in the [PID REGULATOR] (PId-) submenu page 196. Scale: The value 8192 transmitted by this input is equivalent to 10 V on a 10 V input. nO Mdb CAn nEt [No] (nO): Not assigned [Modbus] (Mdb): Integrated Modbus [CANopen] (CAn): Integrated CANopen® [Com. card] (nEt): Communication card (if inserted) g These parameters only appear if the corresponding function has been selected in another menu. When the parameters can also be accessed and adjusted from within the configuration menu for the corresponding function, their description is detailed in these menus, on the pages indicated, to aid programming. Code Name / Description Adjustment range Factory setting DRI- > CONF > FULL > I_O- > AU2-
  • 123.
    Configuration Mode (ConF) S1A2869203/2010 123 Parameters described in this page can be accessed by: Code Name / Description Adjustment range Factory setting I_O- [INPUTS / OUTPUTS CFG] (continued) r1- [R1 CONFIGURATION] r1 [R1 Assignment] [No drive flt] (FLt) nO FLt rUn FtA FLA CtA SrA tSA PEE PFA F2A tAd ULA OLA rSdA ttHA ttLA MFrd MrrS tS2 tS3 AtS CnF0 CnF1 CnF2 CFP1 CFP2 CFP3 dbL brS PrM FqLA MCP LSA dLdA AG1 AG2 AG3 PLA EFA USA UPA tHA SSA tJA bOA AP3 rdY [No] (nO): Not assigned [No drive flt] (FLt): Drive fault detection status (relay normally energized, and de-energized if there is a trip) [Drv running] (rUn): Drive running [Freq. Th. attain.] (FtA): Frequency threshold attained ([Freq. threshold] (Ftd) page 89) [HSP attain.] (FLA): High speed attained [I attained] (CtA): Current threshold attained ([Current threshold] (Ctd) page 89) [Freq.ref.att] (SrA): Frequency reference attained [Th.mot. att.] (tSA): Motor 1 thermal state attained [PID error al] (PEE): PID error alarm [PID fdbk al] (PFA): PID feedback alarm [Freq. Th 2 attain.] (F2A): Frequency threshold 2 attained ([Freq. threshold 2] (F2d) page 89) [Th. drv. att.] (tAd): Drive thermal state attained [Pro.Undload] (ULA): Underload alarm [Ovld.P.Alrm] (OLA): Overload alarm [Rope slack ] (rSdA): Rope slack (see [Rope slack config.] (rSd) parameter page 190) [High tq. att.] (ttHA): Motor torque overshooting high threshold [High torque thd.] (ttH) page 89 [Low tq. att.] (ttLA): Motor torque undershooting low threshold [Low torque thd.] (ttL) page 89 [Forward] (MFrd): Motor in forward rotation [Reverse] (MrrS): Motor in reverse rotation [Th.mot2 att] (tS2): Motor 2 thermal threshold (TTD2) reached [Th.mot3 att] (tS3): Motor 3 thermal threshold (TTD3) reached [Neg Torque] (AtS): Negative torque (braking) [Cnfg.0 act.] (CnF0): Configuration 0 active [Cnfg.1 act.] (CnF1): Configuration 1 active [Cnfg.2 act.] (CnF2): Configuration 2 active [Set 1 active] (CFP1): Parameter set 1 active [Set 2 active] (CFP2): Parameter set 2 active [Set 3 active] (CFP3): Parameter set 3 active [DC charged] (dbL): DC bus charging [In braking] (brS): Drive braking [P. removed] (PrM): Drive locked by "Safe Torque Off" input [Fr.met. alar.] (FqLA): Measured speed threshold attained [Pulse warning thd.] (FqL) page 89 [I present] (MCP): Motor current present [Limit sw. att] (LSA): Limit switch attained [Load alarm] (dLdA): Load variation detection (see page 248) [Alarm Grp 1] (AGI): Alarm group 1 [Alarm Grp 2] (AG2): Alarm group 2 [Alarm Grp 3] (AG3): Alarm group 3 [LI6=PTC al.] (PLA): LI6 = PTCL alarm [Ext. fault al] (EFA): External fault alarm [Under V. al.] (USA): Undervoltage alarm [Uvolt warn] (UPA): Undervoltage threshold [Al. °C drv] (tHA): Drive overheating [Lim T/I att.] (SSA): Torque limit alarm [IGBT al.] (tJA): Thermal junction alarm [Brake R. al.] (bOA): Torque regulation time-out alarm [AI3 Al. 4-20] (AP3): Al3 4-20 mA loss alarm [Brake R. al.] (rdY): Torque regulation time-out alarm r1- [R1 CONFIGURATION] (continued) r1d (1) [R1 Delay time] 0 to 60,000 ms 0 ms The change in state only takes effect once the configured time has elapsed, when the information becomes true. The delay cannot be set for the [No drive flt] (FLt) assignment, and remains at 0. r1S [R1 Active at] [1] (POS) POS nEG Configuration of the operating logic: [1] (POS): State 1 when the information is true [0] (nEG): State 0 when the information is true Configuration [1] (POS) cannot be modified for the [No drive flt] (FLt) assignment. DRI- > CONF > FULL > I_O- > R1-
  • 124.
    Configuration Mode (ConF) 124S1A28692 03/2010 Parameters described in this page can be accessed by: r1H [R1 Holding time] 0 to 9,999 ms 0 ms The change in state only takes effect once the configured time has elapsed, when the information becomes false. The holding time cannot be set for the [No drive flt] (FLt) assignment, and remains at 0. I_O- [INPUTS / OUTPUTS CFG] (continued) r2- [R2 CONFIGURATION] r2 [R2 Assignment] [No] (nO) bLC LLC OCC EbO tSY dCO OL01 ... OL10 Identical to [R1 Assignment] (r1) page 123 with the addition of: [Brk control] (bLC): Brake contactor control [Input cont.] (LLC): Line contactor control [Output cont] (OCC): Output contactor control [End reel] (EbO): End of reel (traverse control function) [Sync. wobble] (tSY): "Counter wobble" synchronization [DC charging] (dCO): DC bus precharging contactor control [OL01] (OL01): Function blocks: Logical Output 01 ... [OL10] (OL10): Function blocks: Logical Output 10 r2d (1) [R2 Delay time] 0 to 60,000 ms 0 ms The delay cannot be set for the [No drive flt] (FLt), [Brk control] (bLC), [Output cont.] (OCC) and [Input cont.] (LLC) assignments, and remains at 0. The change in state only takes effect once the configured time has elapsed, when the information becomes true. r2S [R2 Active at] [1 ] (POS) POS nEG Configuration of the operating logic: [1] (POS): State 1 when the information is true [0] (nEG): State 0 when the information is true The configuration [1 ] (POS) cannot be modified for the [No drive flt] (FLt), [Brk control] (bLC), [DC charging] (dCO), and [Input cont.] (LLC) assignments. r2H [R2 Holding time] 0 to 9,999 ms 0 ms The holding time cannot be set for the [No drive flt] (FLt), [Brk control] (bLC) and [Input cont] (LLC) assignments, and remains at 0. The change in state only takes effect once the configured time has elapsed, when the information becomes false. I_O- [INPUTS / OUTPUTS CFG] (continued) LO1- [LO1 CONFIGURATION] LO1 [LO1 assignment] [No] (nO) bLC LLC OCC EbO tSY dCO OL01 ... OL10 Identical to [R1 Assignment] (r1) page 123 with the addition of (shown for information only as these selections can only be configured in the [APPLICATION FUNCT.] (FUn-)) menu: [Brk control] (bLC): Brake contactor control [Input cont.] (LLC): Line contactor control [Output cont] (OCC): Output contactor control [End reel] (EbO): End of reel(traverse control function) [Sync. wobble] (tSY): "Counter wobble" synchronization [DC charging] (dCO): DC bus precharging contactor control [OL01] (OL01): Function blocks: Logical Output 01 ... [OL10] (OL10): Function blocks: Logical Output 10 LO1d [LO1 delay time] 0 to 60,000 ms (1) 0 ms The delay cannot be set for the [No drive flt] (FLt), [Brk control] (bLC), [Output cont.] (OCC) and [Input cont.] (LLC) assignments, and remains at 0. The change in state only takes effect once the configured time has elapsed, when the information becomes true. LO1S [LO1 active at] [1 ] (POS) POS nEG Configuration of the operating logic: [1] (POS): State 1 when the information is true [0] (nEG): State 0 when the information is true The configuration [1 ] (POS) cannot be modified for the [No drive flt] (FLt), [Brk control] (bLC) and [Input cont.] (LLC) assignments. Code Name / Description Adjustment range Factory setting DRI- > CONF > FULL > I_O- > R1-
  • 125.
    Configuration Mode (ConF) S1A2869203/2010 125 Parameters described in this page can be accessed by: (1) 0 to 9,999 ms then 10.00 to 60.00 s on the integrated display terminal. LO1H [LO1 holding time] 0 to 9,999 ms 0 The holding time cannot be set for the [No drive flt] (FLt), [Brk control] (bLC) and [Input cont] (LLC) assignments, and remains at 0. The change in state only takes effect once the configured time has elapsed, when the information becomes false. Code Name / Description Adjustment range Factory setting DRI- > CONF > FULL > I_O- > LO1-
  • 126.
    Configuration Mode (ConF) 126S1A28692 03/2010 Parameters described in this page can be accessed by: Use of analog output AO1 as a logic output Analog output AO1 can be used as a logic output, by assigning DO1. In this case, when set to 0, this output corresponds to the AO1 min. value (0 V, or 0 mA for example), and when set to 1 to the AO1 max. value (10 V, or 20 mA for example). The electrical characteristics of this analog output remain unchanged. As these characteristics are different from logic output characteristics, check that it is still compatible with the intended application. (1) 0 to 9,999 ms then 10.00 to 60.00 s on the integrated display terminal. Code Name / Description Adjustment range Factory setting I_O- [INPUTS / OUTPUTS CFG] (continued) dO1- [DO1 CONFIGURATION] dO1 [DO1 assignment] [No] (nO) bLC LLC OCC EbO tSY dCO OL01 ... OL10 Identical to [R1 Assignment] (r1) page 123 with the addition of (shown for information only as these selections can only be configured in the [APPLICATION FUNCT.] (FUn-)) menu: [Brk control] (bLC): Brake contactor control [Input cont.] (LLC): Line contactor control [Output cont] (OCC): Output contactor control [End reel] (EbO): End of reel(traverse control function) [Sync. wobble] (tSY): "Counter wobble" synchronization [DC charging] (dCO): DC bus precharging contactor control [OL01] (OL01): Function blocks: Logical Output 01 ... [OL10] (OL10): Function blocks: Logical Output 10 dO1d [DO1 delay time] 0 to 60,000 ms (1) 0 ms The delay cannot be set for the [No drive flt] (FLt), [Brk control] (bLC), [Output cont.] (OCC) and [Input cont.] (LLC) assignments, and remains at 0. The change in state only takes effect once the configured time has elapsed, when the information becomes true. dO1S [DO1 active at] [1 ] (POS) POS nEG Configuration of the operating logic: [1] (POS): State 1 when the information is true [0] (nEG): State 0 when the information is true The configuration [1 ] (POS) cannot be modified for the [No drive flt] (FLt), [Brk control] (bLC) and [Input cont.] (LLC) assignments. dO1H [DO1 holding time] 0 to 9,999 ms 0 ms The holding time cannot be set for the [No drive flt] (FLt), [Brk control] (bLC) and [Input cont] (LLC) assignments, and remains at 0. The change in state only takes effect once the configured time has elapsed, when the information becomes false. DRI- > CONF > FULL > I_O- > DO1-
  • 127.
    Configuration Mode (ConF) S1A2869203/2010 127 Configuration of analog output Minimum and maximum values (output values): The minimum output value, in volts, corresponds to the lower limit of the assigned parameter and the maximum value corresponds to its upper limit. The minimum value may be greater than the maximum value. Parameter assigned Upper limit [Min Output] (AOLx or UOLx) [Max Output] (AOHx or UOHx) 20 mA or 10 V Current or voltage output Lower limit Parameter assigned [Min Output] (AOLx or UOLx) [Max Output] (AOHx or UOHx) 20 mA or 10 V Current or voltage output Upper limit Lower limit
  • 128.
    Configuration Mode (ConF) 128S1A28692 03/2010 Scaling of the assigned parameter The scale of the assigned parameter can be adapted in accordance with requirements by modifying the values of the lower and upper limits by means of two parameters for each analog output. These parameters are given in %. 100% corresponds to the total variation range of the configured parameter, so: 100% = upper limit - lower limit For example, [Sign. torque] (Stq) which varies between -3 and +3 times the rated torque, 100% corresponds to 6 times the rated torque. • The [Scaling AOx min] (ASLx) parameter modifies the lower limit: new value = lower limit + (range x ASLx). The value 0% (factory setting) does not modify the lower limit. • The [Scaling AOx max] (ASHx) parameter modifies the upper limit: new value = lower limit + (range x ASLx). The value 100% (factory setting) does not modify the upper limit. • [Scaling AOx min] (ASLx) must always be lower than [Scaling AOx max] (ASHx). Application example 2 The value of the motor current at the AO1 output is to be transferred with 0 - 20 mA, range 2 In motor, In motor being the equivalent of a 0.8 In drive. The [I motor] (OCr) parameter varies between 0 and 2 times the rated drive current, or a range of 2.5 times the rated drive current. [Scaling AO1 min] (ASL1) must not modify the lower limit, which therefore remains at its factory setting of 0%. [Scaling AO1 max] (ASH1) must modify the upper limit by 0.5x the rated motor torque, or 100 - 100/5 = 80% (new value = lower limit + (range x ASH1). Upper limit of the assigned parameter Lower limit of the assigned parameter New scale 100 % ASLx ASHx
  • 129.
    Configuration Mode (ConF) S1A2869203/2010 129 Parameters described in this page can be accessed by: Code Name / Description Adjustment range Factory setting I_O- [INPUTS / OUTPUTS CFG] (continued) AO1- [AO1 CONFIGURATION] AO1 [AO1 assignment] [No] (nO) nO OCr OFr OFS OrP trq Stq OrS OPS OPF OPE OPI OPr UOP tHr tHr2 tHr3 tHd tqL d01 tqMS OA01 ... OA10 [No] (nO): Not assigned [I motor] (OCr): Current in the motor, between 0 and 2 In (In = rated drive current indicated in the Installation manual and on the drive nameplate) [Motor freq.] (OFr): Output frequency, from 0 to [Max frequency] (tFr) [Sig. o/p frq.] (OFS): Signed output frequency, between - [Max frequency] (tFr) and + [Max frequency] (tFr) [Ramp out.] (OrP): From 0 to [Max frequency] (tFr) [Motor torq.] (trq): Motor torque, between 0 and 3 times the rated motor torque [Sign. torque] (Stq): Signed motor torque, between -3 and +3 times the rated motor torque. The + sign corresponds to the motor mode and the - sign to the generator mode (braking). [sign ramp] (OrS): Signed ramp output, between - [Max frequency] (tFr) and + [Max frequency] (tFr). [PID ref.] (OPS): PID regulator reference between [Min PID reference] (PIP1) and [Max PID reference] (PIP2). [PID feedbk] (OPF): PID regulator feedback between [Min PID feedback] (PIF1) and [Max PID feedback] (PIF2) [PID error] (OPE): PID regulator error between- 5 % and + 5 % of ([Max PID feedback] (PIF2) - [Min PID feedback] (PIF1)) [PID output] (OPI): PID regulator output between [Low speed] (LSP) and [High speed] (HSP) [Mot. power] (OPr): Motor power, between 0 and 2.5 times [Rated motor power] (nPr) [Motor volt.] (UOP): Voltage applied to the motor, between 0 and [Rated motor volt.] (UnS) [Mot thermal] (tHr): Motor thermal state, between 0 and 200% of the rated thermal state [Mot therm2] (tHr2): Motor thermal state 2, between 0 and 200 % of the rated thermal state [Mot therm3] (tHr3): Motor thermal state 3, between 0 and 200% of the rated thermal state [Drv thermal] (tHd): Drive thermal state, between 0 and 200% of the rated thermal state [Torque lim.] (tqL): Torque limit, between 0 and 3 times the rated motor torque [dO1] (dO1): Assignment to a logic output. This assignment can only appear if [DO1 assignment] (dO1) has been assigned. This is the only possible choice in this case, and is only displayed for informational purposes. [Torque 4Q] (tqMS): Signed motor torque, between -3 and +3 times the rated motor torque. The + sign and the - sign correspond to the physical direction of the torque, regardless of mode (motor or generator). [OA01] (OA01): Function blocks: Analog Output 01 ... [OA10] (OA10): Function blocks: Analog Output 10 AO1t [AO1 Type] [Current] (0A) 10U 0A [Voltage] (10U): Voltage output [Current] (0A): Current output AOL1 [AO1 min Output] 0 to 20.0 mA 0 mA g This parameter can be accessed if [AO1 Type] (AO1t) is set to [Current] (0A). AOH1 [AO1 max Output] 0 to 20.0 mA 20.0 mA g This parameter can be accessed if [AO1 Type] (AO1t) is set to [Current] (0A). UOL1 [AO1 min Output] 0 to 10.0 V 0 V g This parameter can be accessed if [AO1 Type] (AO1t) is set to [Voltage] (10U). UOH1 [AO1 max Output] 0 to 10.0 V 10.0 V g This parameter can be accessed if [AO1 Type] (AO1t) is set to [Voltage] (10U). ASL1 [Scaling AO1 min] 0 to 100.0% 0% Scaling of the lower limit of the assigned parameter, as a % of the maximum possible variation. ASH1 [Scaling AO1 max] 0 to 100.0% 100.0% Scaling of the upper limit of the assigned parameter, as a % of the maximum possible variation. AO1F [AO1 Filter] 0 to 10.00 s 0 s Interference filtering. This parameter is forced to 0 if [AO1 assignment] (AO1) is set to [dO1] (dO1). g These parameters only appear if the corresponding function has been selected in another menu. When the parameters can also be accessed and adjusted from within the configuration menu for the corresponding function, their description is detailed in these menus, on the pages indicated, to aid programming. DRI- > CONF > FULL > I_O- > AO1-
  • 130.
    Configuration Mode (ConF) 130S1A28692 03/2010 Parameters described in this page can be accessed by: The following submenus group the alarms into 1 to 3 groups, each of which can be assigned to a relay or a logic output for remote signaling. These groups can also be displayed on the graphic display terminal (see [3.3 MONITORING CONFIG.] (MCF-) menu page 266) and viewed via the [1.2 MONITORING] (MOn-) menu page 41. When one or a number of alarms selected in a group occurs, this alarm group is activated. Code Name / Description I_O- [INPUTS / OUTPUTS CFG] (continued) A1C- [ALARM GRP1 DEFINITION] PLA EFA USA CtA FtA F2A SrA tSA tS2 tS3 UPA FLA tHA PEE PFA AP3 SSA tAd tJA ULA OLA rSdA ttHA ttLA FqLA dLdA Selection to be made from the following list: [LI6=PTC al.] (PLA): LI6 = PTCL alarm [Ext. fault al.] (EFA): External fault alarm [Under V. al.] (USA): Undervoltage alarm [I attained] (CtA): Current threshold attained ([Current threshold] (Ctd) page 89) [Freq.Th.att.] (FtA): Frequency threshold attained ([Freq. threshold] (Ftd) page 89) [Freq. Th. 2 attain.] (F2A): Frequency threshold 2 attained ([Freq. Th. 2 attain] (F2d) page 89) [Freq.ref.att] (SrA): Frequency reference attained [Th.mot. att.] (tSA): Motor 1 thermal state attained [Th.mot2 att] (tS2): Motor 2 thermal state attained [Th.mot3 att] (tS3): Motor 3 thermal state attained [Uvolt warn] (UPA): Undervoltage threshold [HSP attain.] (FLA): High speed attained [Al. °C drv] (tHA): Drive overheating [[PID error al] (PEE): PID error alarm [PID fdbk al.] (PFA): PID feedback alarm [AI3 Al. 4-20] (AP3): Alarm indicating absence of 4-20 mA signal on input AI3 [Lim T/I att.] (SSA): Torque limit alarm [Th. drv. att.] (tAd): Drive thermal state attained [IGBT alarm] (tJA): IGBT alarm [Underload. Proc. Al.] (ULA): Underload alarm [Overload. Proc. Al.] (OLA): Overload alarm [Rope slack alarm] (rSdA): Rope slack (see [Rope slack config.] (rSd) parameter page 190) [High torque alarm] (ttHA): Motor torque overshooting high threshold [High torque thd.] (ttH) page 89. [Low torque alarm] (ttLA): Motor torque undershooting low threshold[Low torque thd.] (ttL) page 89. [Freq. meter Alarm] (FqLA): Measured speed threshold attained: [Pulse warning thd.] (FqL) page 89. [Dynamic load alarm] (dLdA): Load variation detection (see [DYNAMIC LOAD DETECT.] (dLd-) page 248). See the multiple selection procedure on page 33 for the integrated display terminal, and page 24 for the graphic display terminal. A2C- [ALARM GRP2 DEFINITION] Identical to [ALARM GRP1 DEFINITION] (A1C-) page 130. A3C- [ALARM GRP3 DEFINITION] Identical to [ALARM GRP1 DEFINITION] (A1C-) page 130. DRI- > CONF > FULL > I_O- > A1C-
  • 131.
    Configuration Mode (ConF) S1A2869203/2010 131 Command The parameters in the [COMMAND] (CtL-) menu can only be modified when the drive is stopped and no run command is present. Command and reference channels Run commands (forward, reverse, stop, etc.) and references can be sent using the following channels: Note: [LA1] (LA1) and [LA2] (LA2) can be used as 2 logic inputs in source mode only. • + 24 V power supply (max. 30 V) • State 0 if < 7.5 V, state 1 if > 8.5 V. Note: The stop keys on the graphic display terminal or remote display can be programmed as non-priority keys. A stop key can only have priority if the [Stop Key priority] (PSt) parameter in the [COMMAND] (CtL-) menu, page 139 is set to [Yes] (YES). The behavior of the Altivar 32 can be adapted according to requirements: • [Not separ.] (SIM): Command and reference are sent via the same channel. • [Separate] (SEP): Command and reference may be sent via different channels. In these configurations, control via the communication bus is performed in accordance with the DRIVECOM standard with only 5 freely-assignable bits (see Communication Parameters Manual). The application functions cannot be accessed via the communication interface. • [I/O profile] (IO): The command and the reference can come from different channels. This configuration both simplifies and extends use via the communication interface. Commands may be sent via the logic inputs on the terminals or via the communication bus. When commands are sent via a bus, they are available on a word, which acts as virtual terminals containing only logic inputs. Application functions can be assigned to the bits in this word. More than one function can be assigned to the same bit. Note: Stop commands from the graphic display terminal or remote display terminal remain active even if the terminals are not the active command channel. Command Reference Terminals: logic inputs LI or analog inputs used as logic inputs LA Function blocks Remote display terminal Graphic display terminal Integrated Modbus Integrated CANopen® Communication card Terminals: analog inputs AI, pulse input Function blocks Remote display terminal Graphic display terminal Integrated Modbus Integrated CANopen® Communication card +/- speed via the terminals +/- speed via the graphic display terminal DANGER UNINTENDED EQUIPMENT OPERATION When analog inputs [Al1] (A11) or [Al2] (A12) are used as logic inputs ([LAI1] (LAI1) or [LAI2] (LAI2)) in a configuration, they remain active in their behaviors in analog input mode (example : [Ref.1 channel] (Fr1) is still set to [Al1] (A11)). • Remove the configuration of [Al1] (A11) or [Al2] (A12) in analog input mode or • Check this behavior will not endanger personnel or equipment in any way Failure to follow these instructions will result in death or serious injury.
  • 132.
    Configuration Mode (ConF) 132S1A28692 03/2010 Reference channel for [Not separ.] (SIM), [Separate] (SEP) and [I/O profile] (IO) configurations, PID not configured Fr1, SA2, SA3, dA2, dA3, MA2, MA3: • Terminals, graphic display terminal, integrated Modbus, integrated CANopen®, communication card Fr1b, for SEP and IO: • Terminals, graphic display terminal, integrated Modbus, integrated CANopen®, communication card Fr1b, for SIM: • Terminals, only accessible if Fr1 = terminals Fr2: • Terminals, graphic display terminal, integrated Modbus, integrated CANopen®, communication card, and +/- speed Note: [Ref.1B channel] (Fr1b) and [Ref 1B switching] (rCb) must be configured in the [APPLICATION FUNCT.] (Fun-) menu. H/> 72H 279/ :52 H2/ 2H% 279 ;-% ;-& @-% @-& 8-% 8-& 2H$ 2H$> +/- speed around a reference Preset speeds Jog operation PID not assigned Graphic display terminal Forced local Ramps Parameter: The black square represents the factory setting assignment Key: Channel1 Channel [Ref 1B switching] [Ref.1 channel] [Ref.1B channel] [Summing ref. 2] [Summing ref. 3] [Subtract. ref. 2] [Subtract. ref. 3] [Multiplier ref. 2] [Low speed] [Multiplier ref. 3] [PID REGULATOR] AI1 [Ref.2 channel] [Ref. 2 switching] (FRA+SA2+SA3-dA2-dA3)xMA2xMA3 (SP1) SP2 SP16 LI LCC FRA nO [High speed] nO nO nO nO FrH rFr AI2 AI3 HSP LSP ACC DEC AC2 DE2 LI nO0V Note: Forced local is not active in [I/O profile].
  • 133.
    Configuration Mode (ConF) S1A2869203/2010 133 Reference channel for [Not separ.] (SIM), [Separate] (SEP) and [I/O profile] (IO) configurations, PID configured with PID references at the terminals (1) Ramps not active if the PID function is active in automatic mode. Fr1: • Terminals, graphic display terminal, integrated Modbus, integrated CANopen®, communication card Fr1b, for SEP and IO: • Terminals, graphic display terminal, integrated Modbus, integrated CANopen®, communication card Fr1b, for SIM: • Terminals, only accessible if Fr1 = terminals SA2, SA3, dA2, dA3: • Terminals only Fr2: • Terminals, graphic display terminal, integrated Modbus, integrated CANopen®, communication card, and +/- speed Note: [Ref.1B channel] (Fr1b) and [Ref 1B switching] (rCb) must be configured in the [APPLICATION FUNCT.] (Fun-) menu. H/> 72H 279/ H2/ 2H% 279 ;-% ;-& @-% @-& 2H$ 2H$> Graphic display terminal Ramps (1) Parameter: The black square represents the factory setting assignment Key: Channel 1 Channel 2 PID See page 192 A Forced local [Ref 1B switching] [Ref.1 channel] [Ref.1B channel] [Summing ref. 2] [Summing ref. 3] [Subtract. ref. 2] [Subtract. ref. 3] [Low speed] AI1 [Ref.2 channel] [Ref. 2 switching] FRA+SA2+SA3-dA2-dA3 B LCC FRA [High speed] nO FrH rFr AI2 AI3 HSP LSP ACC DEC AC2 DE2 LI nO0V Note: Forced local is not active in [I/O profile].
  • 134.
    Configuration Mode (ConF) 134S1A28692 03/2010 Command channel for [Not separ.] (SIM) configuration Reference and command, not separate The command channel is determined by the reference channel. Parameters Fr1, Fr2, rFC, FLO and FLOC are common to reference and command. Example: If the reference is Fr1 = AI1 (analog input at the terminals), control is via LI (logic input at the terminals). 279/ /4/2 H2/ 2H% 279 :;I 2H$ (Stop Key priority) Forced local Parameter: The black square represents the factory setting assignment Forward Reverse STOP Graphic display terminal Key: Graphic display terminal LI AI1 (RUN/STOP FWD/REV) LCC nO AI2 AI3 LI [Ref.1 channel] [Ref.2 channel] [Ref. 2 switching] [Profile] YES SIM STOP CMD LI nO nO
  • 135.
    Configuration Mode (ConF) S1A2869203/2010 135 Command channel for [Separate] (SEP) configuration Separate reference and command Parameters FLO and FLOC are common to reference and command. Example: If the reference is in forced local mode via AI1 (analog input at the terminals), command in forced local mode is via LI (logic input at the terminals). The command channels Cd1 and Cd2 are independent of the reference channels Fr1, Fr1b and Fr2. Cd1, Cd2: • Terminals, graphic display terminal, integrated Modbus, integrated CANopen®, communication card 279/ /4/2 //; /@% 279 :;I /@$ (Stop Key priority) Forced local Parameter: The black square represents the factory setting assignment, except for [Profile]. Forward Reverse STOP Graphic display terminal Key: Graphic display terminal LI AI1 (RUN/STOP FWD/REV) LCC nO AI2 AI3 [Cmd channel 1] [Cmd channel 2] [Cmd switching] [Profile] YES SEP STOP CMD LI nO nO
  • 136.
    Configuration Mode (ConF) 136S1A28692 03/2010 Command channel for [I/O profile] (IO) configuration Separate reference and command, as in [Separate] (SEP) configuration The command channels Cd1 and Cd2 are independent of the reference channels Fr1, Fr1b and Fr2. Cd1, Cd2: • Terminals, graphic display terminal, integrated Modbus, integrated CANopen®, communication card A command or an action can be assigned: • To a fixed channel by selecting an LI input or a Cxxx bit: - By selecting, for example, LI3, this action will be triggered by LI3 regardless of which command channel is switched. - By selecting, for example, C214, this action will be triggered by integrated CANopen® with bit 14 regardless of which command channel is switched. • To a switchable channel by selecting a CDxx bit: - By selecting, for example, Cd11, this action will be triggered by: LI12 if the terminals channel is active C111 if the integrated Modbus channel is active C211 if the integrated CANopen® channel is active C311 if the communication card channel is active If the active channel is the graphic display terminal, the functions and commands assigned to CDxx switchable internal bits are inactive. Note: Cd06 to Cd13 can only be used for switching between 2 networks. They do not have equivalent logic inputs. /4/2 //; /@% 279 :;I /@$ (Stop Key priority) Forced local Parameter: The black square represents the factory setting assignment, except for [Profile]. Forward Reverse STOP Key: Graphic display terminal nO [Cmd channel 1] [Cmd channel 2] [Cmd switching] [Profile] YES SEP STOP CMD LI nO
  • 137.
    Configuration Mode (ConF) S1A2869203/2010 137 (1) If [2/3 wire control] (tCC) page 73 is set to [3 wire] (3C), LI2, C101, C201 and C301 cannot be accessed. Terminals Integrated Modbus Integrated CANopen® Communication card Internal bit, can be switched CD00 LI2 (1) C101 (1) C201 (1) C301 (1) CD01 LI3 C102 C202 C302 CD02 LI4 C103 C203 C303 CD03 LI5 C104 C204 C304 CD04 LI6 C105 C205 C305 CD05 - C106 C206 C306 CD06 - C107 C207 C307 CD07 - C108 C208 C308 CD08 - C109 C209 C309 CD09 - C110 C210 C310 CD10 - C111 C211 C311 CD11 - C112 C212 C312 CD12 LAI1 C113 C213 C313 CD13 LAI2 C114 C214 C314 CD14 - C115 C215 C315 CD15 OL01 to OL10
  • 138.
    Configuration Mode (ConF) 138S1A28692 03/2010 Assignment conditions for logic inputs and control bits The following elements are available for every command or function that can be assigned to a logic input or a control bit: Note: In [I/O profile] (IO) configuration, LI1 cannot be accessed and if [2/3 wire control] (tCC) page 73 is set to [3 wire] (3C), LI2, C101, C201 and C301 cannot be accessed either. [LI1] (LI1) to [LI6] (LI6) Drive with or without option [LAI1] (LAI1) to [LAI2] (LAI2) Logical inputs [C101] (C101) to [C110] (C110) With integrated Modbus in [I/O profile] (IO) configuration [C111] (C111) to [C115] (C115) With integrated Modbus regardless of configuration [C201] (C201) to [C210] (C210) With integrated CANopen® in [I/O profile] (IO) configuration [C211] (C211) to [C215] (C215) With integrated CANopen® regardless of configuration [C301] (C301) to [C310] (C310) With a communication card in [I/O profile] (IO) configuration [C311] (C311) to [C315] (C315) With a communication card regardless of configuration [CD00] (Cd00) to [CD10] (Cd10) In [I/O profile] (IO) configuration [CD11] (Cd11) to [CD15] (Cd15) Regardless of configuration [OL01] (OL01) to [OL10] (OL10) Regardless of configuration WARNING LOSS OF CONTROL Inactive communication channels are not monitored (no trip in the event of a communication bus interruption). Check that the commands and functions assigned to bits C101 to C315 will not pose a risk in the event of the interruption of the associated communication bus. Failure to follow these instructions can result in death, serious injury, or equipment damage.
  • 139.
    Configuration Mode (ConF) S1A2869203/2010 139 Parameters described in this page can be accessed by: Code Name / Description Adjustment range Factory setting FULL [FULL] (continued) CtL- [COMMAND] Fr1 [Ref.1 channel] [Al1] (A11) A11 A12 A13 LCC Mdb CAn nEt PI AIU1 0A01 ... OA10 [Al1] (A11): Analog input A1 [Al2] (A12): Analog input A2 [Al3] (A13): Analog input A3 [HMI] (LCC): Graphic display terminal or remote display terminal source [Modbus] (Mdb): Integrated Modbus [CANopen] (CAn): Integrated CANopen® [Com. card] (nEt): Communication card (if inserted) [RP] (PI): Pulse input [AI virtual 1] (AIU1): Virtual analog input 1 with the jog dial (only available if [Profile] (CHCF) is not set to [Not separ.] (SIM)) [OA01] (OA01): Function blocks: Analog Output 01 ... [OA10] (OA10): Function blocks: Analog Output 10 rIn [RV Inhibition] [No] (nO) nO YES Inhibition of movement in reverse direction, does not apply to direction requests sent by logic inputs. Reverse direction requests sent by logic inputs are taken into account. Reverse direction requests sent by the graphic display terminal are not taken into account. Reverse direction requests sent by the line are not taken into account. Any reverse speed reference originating from the PID, summing input, etc., is interpreted as a zero reference (0 Hz). [No] (nO) [Yes] (YES) PSt [Stop Key priority] [Yes] (YES) WARNING LOSS OF CONTROL You are going to disable the stop key located on the remote displays. Do not select [No] (nO) unless exterior stopping methods exist. Failure to follow these instructions can result in death, serious injury, or equipment damage. nO YES This will be a freewheel stop. If the active command channel is the graphic display terminal, the stop will be performed according to the [Type of stop] (Stt) page 158 irrespective of the configuration of [Stop Key priority] (PSt). [No] (nO) [Yes] (YES): Gives priority to the STOP key on the graphic display terminal when the graphic display terminal is not enabled as the command channel. CHCF [Profile] [Not separ.] (SIM) DANGER UNINTENDED EQUIPMENT OPERATION When [I/O profile] (IO) is deselected, the drive automatically returns to the factory setting. Check that the modification of the current configuration is compatible with the wiring diagram used. Failure to follow these instructions will result in death or serious injury. SIM SEP IO [Not separ.] (SIM): Reference and command, not separate [Separate] (SEP): Separate reference and command. This assignment cannot be accessed in [I/O profile] (IO). [I/O profile] (IO): I/O profile 2 s 2 s DRI- > CONF > FULL > CTL-
  • 140.
    Configuration Mode (ConF) 140S1A28692 03/2010 Parameters described in this page can be accessed by: CCS [Cmd switching] [ch1 active] (Cd1) g This parameter can be accessed if [Profile] (CHCF) is set to [Separate] (SEP) or [I/O profile] (IO). If the assigned input or bit is at 0, channel [Cmd channel 1] (Cd1) is active. If the assigned input or bit is at 1, channel [Cmd channel 2] (Cd2) is active. Cd1 Cd2 LI1 ... [ch1 active] (Cd1): [Cmd channel 1] (Cd1) active (no switching) [ch2 active] (Cd2): [Cmd channel 2] (Cd2) active (no switching) [LI1] (LI1): Logical input LI1 [...] (...): See the assignment conditions on page 138 (not Cd00 to Cd15) Cd1 [Cmd channel 1] [Terminals] (tEr) g This parameter can be accessed if [Profile] (CHCF) is set to [Separate] (SEP) or [I/O profile] (IO). tEr LCC Mdb CAn nEt [Terminals] (tEr): Terminals [HMI] (LCC): Graphic display terminal or remote display terminal [Modbus] (Mdb): Integrated Modbus [CANopen] (CAn): Integrated CANopen® [Com. card] (nEt): Communication card (if inserted) Cd2 [Cmd channel 2] [Modbus] (Mdb) g This parameter can be accessed if [Profile] (CHCF) is set to [Separate] (SEP) or [I/O profile] (IO). tEr LCC Mdb CAn nEt [Terminals] (tEr): Terminals [HMI] (LCC): Graphic display terminal or remote display terminal [Modbus] (Mdb): Integrated Modbus [CANopen] (CAn): Integrated CANopen® [Com. card] (nEt): Communication card (if inserted) rFC [Ref. 2 switching] [Ref.1 channel] (Fr1) Fr1 Fr2 LI1 ... This parameter can be accessed if [Profile] (CHCF) is set to [Separate] (SEP) or [I/O profile] (IO). If the assigned input or bit is at 0, channel [Cmd channel 1] (Cd1) is active. If the assigned input or bit is at 1, channel [Cmd channel 2] (Cd2) is active. [Ref. 1 channel] (Fr1): [Cmd channel 1] (Cd1) active (no switching) [Ref. 2 channel] (Fr2): [Cmd channel 2] (Cd2) active (no switching) [LI1] (LI1): Logical input LI1 [...] (...): See the assignment conditions on page 138 (not Cd00 to Cd15) Fr2 [Ref.2 channel] [No] (nO) nO A11 A12 A13 Updt LCC Mdb CAn nEt PI AIU1 0A01 ... OA10 [No] (nO): Not assigned. If [Profile] (CHCF) is set to [Not separ.] (SIM), the command is at the terminals with a zero reference. If [Profile] (CHCF) is set to [Separate] (SEP) or [I/O profile] (IO), the reference is zero. [Al1] (A11): Analog input A1 [Al2] (A12): Analog input A2 [Al3] (A13): Analog input A3 [+/-Speed] (UPdt): +/- speed command [HMI] (LCC): Graphic display terminal or remote display terminal [Modbus] (Mdb): Integrated Modbus [CANopen] (CAn): Integrated CANopen® [Com. card] (nEt): Communication card (if inserted) [RP] (PI): Pulse input [AI virtual 1] (AIU1): Virtual analog input 1 with the jog dial [OA01] (OA01): Function blocks: Analog Output 01 ... [OA10] (OA10): Function blocks: Analog Output 10 Code Name / Description Adjustment range Factory setting DRI- > CONF > FULL > CTL-
  • 141.
    Configuration Mode (ConF) S1A2869203/2010 141 Parameters described in this page can be accessed by: COP [Copy channel 1 <> 2] [No] (nO) DANGER UNINTENDED EQUIPMENT OPERATION Copying the command and/or reference can change the direction of rotation. Check that this is safe. Failure to follow these instructions will result in death or serious injury. nO SP Cd ALL Can be used to copy the current reference and/or the command by means of switching, in order to avoid speed surges, for example. If [Profile] (CHCF) page 139 is set to [Not separ.] (SIM) or [Separate] (SEP), copying will only be possible from channel 1 to channel 2. If [Profile] (CHCF) is set to [I/O profile] (IO), copying will be possible in both directions. A reference or a command cannot be copied to a channel on the terminals. The reference copied is [Frequency ref.] (FrH) (before ramp) unless the destination channel reference is set via +/- speed. In this case, the reference copied is [Output frequency] (rFr) (after ramp). [No] (nO): No copy [Reference] (SP): Copy reference [Command] (Cd): Copy command [Cmd + ref.] (ALL): Copy command and reference g These parameters only appear if the corresponding function has been selected in another menu. When the parameters can also be accessed and adjusted from within the configuration menu for the corresponding function, their description is detailed in these menus, on the pages indicated, to aid programming. To change the assignment of this parameter, press the ENT key for 2 s. Code Name / Description Adjustment range Factory setting 2 s 2 s DRI- > CONF > FULL > CTL-
  • 142.
    Configuration Mode (ConF) 142S1A28692 03/2010 Parameters described in this page can be accessed by: As the graphic display terminal may be selected as the command and/or reference channel, its action modes can be configured. The parameters on this page can only be accessed on the graphic display terminal, and not on the integrated display terminal. Comments: • The display terminal command/reference is only active if the command and/or reference channels from the terminal are active with the exception of [T/K] (Ft) (command via the display terminal), which takes priority over these channels. Press [T/K] (Ft) (command via the display terminal) again to revert control to the selected channel. • Command and reference via the display terminal are impossible if the latter is connected to more than one drive. • The JOG, preset speed and +/- speed functions can only be accessed if [Profile] (CHCF) is set to [Not separ.] (SIM). • The preset PID reference functions can only be accessed if [Profile] (CHCF) is set to [Not separ.] (SIM) or [Separate] (SEP). • The [T/K] (Ft) (command via the display terminal) can be accessed regardless of the [Profile] (CHCF). Code Name / Description Adjustment range Factory setting Fn1 [F1 key assignment] [No] (nO) nO FJOG FPS1 FPS2 FPr1 FPr2 FuSP FdSP Ft [No] (nO): Not assigned [Jog] (FJOG): JOG operation [Preset spd2] (FPS1): Press the key to run the drive at the 2nd preset speed [Preset speed 2] (SP2) page 84. Press STOP to stop the drive. [Preset spd3] (FPS2): Press the key to run the drive at the 3rd preset speed [Preset speed 3] (SP3) page 84. Press STOP to stop the drive. [PID ref. 2] (FPr1): Sets a PID reference equal to the 2nd preset PID reference [Preset ref. PID 2] (rP2) page 86, without sending a run command. Only operates if [Ref.1 channel] (Fr1) is set to [HMI] (LCC). Does not operate with the [T/K] (Ft) function. [PID ref. 3] (FPr2): Sets a PID reference equal to the 3rd preset PID reference [Preset ref. PID 3] (rP3) page 87, without sending a run command. Only operates if [Ref.1 channel] (Fr1) is set to [HMI] (LCC). Does not operate with the [T/K] (Ft) function. [+speed] (FUSP): Faster, only operates if [Ref.2 channel] (Fr2) is set to [HMI] (LCC). Press the key to run the drive and increase the speed. Press STOP to stop the drive. [- speed] (FdSP): Slower, only operates if [Ref.2 channel] (Fr2) is set to [HMI] (LCC) and if a different key has been assigned to [+ speed]. Press the key to run the drive and decrease the speed. Press STOP to stop the drive. [T/K] (Ft): Command via the display terminal: Takes priority over [Cmd switching] (CCS) and over [Ref. 2 switching] (rFC). Fn2 [F2 key assignment] [No] (nO) Identical to [F1 key assignment] (Fn1) page 142. Fn3 [F3 key assignment] [No] (nO) Identical to [F1 key assignment] (Fn1) page 142. Fn4 [F4 key assignment] [No] (nO) Identical to [F1 key assignment] (Fn1) page 142. bMp [HMI cmd.] [Stop] (StOP) g When the [T/K] (Ft) function is assigned to a key and that function is active, this parameter defines the behavior at the moment when control returns to the graphic display terminal or remote display terminal. StOp bUMF [Stop] (StOP): Stops the drive (although the controlled direction of operation and reference of the previous channel are copied (to be taken into account on the next RUN command)). [Bumpless] (bUMF): Does not stop the drive (the controlled direction of operation and the reference of the previous channel are copied) g These parameters only appear if the corresponding function has been selected in another menu. When the parameters can also be accessed and adjusted from within the configuration menu for the corresponding function, their description is detailed in these menus, on the pages indicated, to aid programming. DRI- > CONF > FULL > CTL-
  • 143.
    Configuration Mode (ConF) S1A2869203/2010 143 Parameters described in this page can be accessed by: Function Block Management Code Name / Description Adjustment range Factory setting FULL [FULL] (continued) FbM- [FUNCTION BLOCKS] MFb- [MONIT. FUN. BLOCKS] Note: This section shows only what is possible to do with local or remote display on the drive. For advanced configuration using PC software, please refer to the dedicated Function blocks manual. FbSt [FB Status] IdLE CHEC StOP InIt rUn Err [Idle] (IdLE): No binary file in the target, the FB is waiting for a download [Check] (CHEC): Check the program downloaded [Stop] (StOP): The Function blocks application is stopped [Init] (InIt): Check coherency between ATVLogic program and Function blocks parameters [Run] (rUn): The Function blocks application is running [Error] (Err): An internal error has been detected. The Function blocks application is in fault state mode. FbFt [FB Fault] nO Int bIn InP PAr CAL tOAU tOPP AdL In [No] (nO): No detected fault [Internal] (Int): Internal detected error [Binary file] (bIn): Binary file corrupted [Intern Para.] (InP): Internal parameter detected error [Para. RW] (PAr): Parameter access detected error [Calculation] (CAL): Calculation detected error [TO AUX] (tOAU): TimeOut AUX task [TO synch] (tOPP): TimeOut in PRE/POST task [Bad ADLC] (AdL): ADLC with bad parameter [Input assig.] (In): Input not configured FbI- [FB IDENTIFICATION] bUEr [Cust. program version] 0 to 255 - g Program user version. bnS [Program size] 0 to 65,535 - g Program file size. bnU [Prg. format version] 0 to 255 - Binary format version of the drive. CtU [Catalog version] 0 to 65,535 - Catalog version of the drive. FbM- [FUNCTION BLOCKS] (continued) FbCd [FB Command] Allows to start and stop the function blocks manually. StOP Strt [FB Command] (FbCd) is forced to [Stop] (StOP) if there is no valid function blocks application in the drive memory. [FB Command] (FbCd) is set to [Start] (Strt) when the function blocks application switch to Run according to [FB start mode] (FbrM) configuration. Note: As soon as the function blocks are started, the drive is considered as in running state and the modification of configuration parameters is no longer possible. [Stop] (StOP): Function blocks application Stop command [Start] (Strt): Function blocks application Start command DRI- > CONF > FULL > FBM- > MFB-
  • 144.
    Configuration Mode (ConF) 144S1A28692 03/2010 Parameters described in this page can be accessed by: FbrM [FB start mode] [No] (nO) DANGER UNINTENDED EQUIPMENT OPERATION Start mode value will allow the start of the program by the selected channel. Check that this configuration will not endanger personnel or equipment in any way. Failure to follow these instructions will result in death or serious injury. nO YES LI1 ... Allows to choose the different ways of starting the Function blocks application. Note: Modifications of this parameter are not taken into account if the Function blocks application is running. [No] (nO): Function blocks application is controlled by [FB command] (FbCd) parameter [Yes] (YES): Function blocks application switches to Run automatically at drive power on [LI1] (LI1): Function blocks application switches to Run on a rising edge of the logic input. It switch to Stop on falling edge of the logic input. [...] (...): See the assignment conditions on page 138 (not [OL10] (OL01) to [OL10] (OL10)). FbSM [FB Stop mode] [Freewheel] (YES) WARNING LOSS OF CONTROL If [FB stop mode] (FbSM) is set to [No] (nO) the motor will not stop when the program will be stopped. Do not select these values unless exterior stopping methods exist. Failure to follow these instructions can result in death, serious injury, or equipment damage. nO YES rMP FSt dCI Allows to setup the way of working of the drive when function blocks are stopped. [Ignore] (nO): The drive ignores the detected fault [Freewheel] (YES): Motor stops in freewheel [Ramp stop] (rMP): Ramp stop [Fast stop] (FSt): Fast stop [DC injection] (dCI): DC injection FbdF [FB on drive fault] [Stop] (StOP) StOP IGn Behavior of function blocks when the drive trips. [Stop] (StOP): Function blocks stops when the drive trips, outputs are realeased [Ignore] (IGn): Function blocks continue to work when the drive trips (except CFF and INFE) FbA- [INPUTS ASSIGNMENTS] IL01 [Logic input 1 assignment] [No] (nO) nO FLt FtA F2A Fr1 Fr2 Cd1 Cd2 Fr1b YES LI1 ... Possible assignment for the Function block logic input. [No] (nO): Not assigned [No drive flt] (FLt): Drive fault detection status (relay normally energized, and de-energized if there is a trip) [Freq. Th. attain.] (FtA): Frequency threshold attained ([Freq. threshold] (Ftd) page 89) [Freq. Th 2 attain.] (F2A): Frequency threshold 2 attained ([Freq. threshold 2] (F2d) page 89) [Ref.1 channel] (Fr1) Reference source 1 [Ref.2 channel] (Fr2) Reference source 2 [ch1 active] (Cd1): Command channel = channel 1 (for CSS) [ch2 active] (Cd2): Command channel = channel 2 (for CSS) [Ref.1B channel] (Frlb): Reference channel = channel 1b (for RFC) [Yes] (YES): Yes [LI1] (LI1): Logical input LI1 [...] (...): See the assignment conditions on page 138 IL-- [Logic input x assignment] [No] (nO) All the Function Blocks logic inputs available on the drive are processed as in the example for [Logic input 1 assignment] (IL01) above, up to [Logic input 10 assignment] (IL10). Code Name / Description Adjustment range Factory setting 2 s DRI- > CONF > FULL > FBM-
  • 145.
    Configuration Mode (ConF) S1A2869203/2010 145 Parameters described in this page can be accessed by: IA01 [Analog input 1 assignment] [No] (nO) nO A11 A12 A13 OCr OFr OrP trq Stq OrS OPS OPF OPE OPI OPr tHr tHd tqMS UPdt UPdH LCC Mdb CAn nEt OFS tHr2 tHr3 tqL UOP PI AIU1 dO1 AIU2 OA01 ... OA10 Possible assignment for the Function block analog input. [No] (nO): Not assigned [Al1] (A11): Analog input A1 [Al2] (A12): Analog input A2 [Al3] (A13): Analog input A3 [I motor] (OCr): Motor current [Motor freq.] (OFr): Motor speed [Ramp. out] (OrP): Ramp output [Motor torq.] (trq): Motor torque [Sign torque] (Stq): Signed motor torque [Sign ramp] (OrS): Signed ramp output [PID ref.] (OPS): PI(D) reference [PID feedbk] (OPF): PI(D) feedback [PID error] (OPE): PI(D) error [PID output] (OPI): PI(D) integral [Mot. power] (OPr): Motor power [Mot. thermal] (tHr): Motor thermal state [Drv thermal] (tHd): Drive thermal state [Torque 4Q] (tqMS): Signed motor torque [+/-Speed] (UPdt): Up/Down function is assigned by Lix [+/-spd HMI] (UPdH): Up/Down function is assigned by graphic display terminal or remote display terminal [HMI] (LCC): Graphic display terminal or remote display terminal source [Modbus] (Mdb): Integrated Modbus [CANopen] (CAn): Integrated CANopen® [Com. card] (nEt): Communication option board source [Sig. o/p frq.] (OFS): Signed output frequency [Mot therm2] (tHr2): Motor 2 thermal state [Mot therm3] (tHr3): Motor 3 thermal state [Torque lim.] (tqL): Torque limitation [Motor volt.] (UOP): Motor voltage [RP] (PI): Pulse input [AI virtual 1] (AIU1): Virtual analog input 1 with the jog dial [DO1] (dO1): Analog/logical output DO1 [AI virtual 2] (AIU2): Virtual analog input 2 by the communication bus [OA01] (OA01): Function blocks: Analog Output 01 ... [OA10] (OA10): Function blocks: Analog Output 10 IA-- [Analog input x assignment] [No] (nO) All the Function blocks analog inputs available on the drive are processed as in the example for [IA01] (IA01) above, up to [IA10] (IA10). FbM- [FUNCTION BLOCKS] (continued) FAd- [ADL CONTAINERS] ADL containers contain Modbus logical adress of internal parameters of the drive. If the chosen adress is valid, the display shows the parameter name instead of the adress. LA01 ADL Container 01 3,015 to 64,299 0 LA02 ADL Container 02 3,015 to 64,299 0 LA03 ADL Container 03 3,015 to 64,299 0 LA04 ADL Container 04 3,015 to 64,299 0 LA05 ADL Container 05 3,015 to 64,299 0 LA06 ADL Container 06 3,015 to 64,299 0 LA07 ADL Container 07 3,015 to 64,299 0 LA08 ADL Container 08 3,015 to 64,299 0 Code Name / Description Adjustment range Factory setting DRI- > CONF > FULL > FBM- > FBA-
  • 146.
    Configuration Mode (ConF) 146S1A28692 03/2010 Parameters described in this page can be accessed by: (1) If a graphic display terminal is not in use, values greater than 9,999 will be displayed on the 4-digit display with a period mark after the thousand digit, for example, 15.65 for 15,650. FbM- [FUNCTION BLOCKS] (continued) FbP- [FB PARAMETERS] Internal parameters available for the user program. M001 [ ] 0 to 65,535 0 (1) M001 Parameter saved in EEprom. M002 [ ] 0 to 65,535 0 (1) M002 Parameter saved in EEprom M003 [ ] 0 to 65,535 0 (1) M003 Parameter saved in EEprom M004 [ ] 0 to 65,535 0 (1) M004 Parameter saved in EEprom M005 [ ] 0 to 65,535 0 (1) M005 Parameter written in RAM M006 [ ] 0 to 65,535 0 (1) M006 Parameter written in RAM M007 [ ] 0 to 65,535 0 (1) M007 Parameter written in RAM M008 [ ] 0 to 65,535 0 (1) M008 Parameter written in RAM Code Name / Description Adjustment range Factory setting g These parameters only appear if the corresponding function has been selected in another menu. When the parameters can also be accessed and adjusted from within the configuration menu for the corresponding function, their description is detailed in these menus, on the pages indicated, to aid programming. Parameter that can be modified during operation or when stopped. To change the assignment of this parameter, press the ENT key for 2 s.2 s DRI- > CONF > FULL > FBM- > FBP-
  • 147.
    Configuration Mode (ConF) S1A2869203/2010 147 [APPLICATION FUNCT.] (FUn-) Summary of functions: The parameters in the [APPLICATION FUNCT.] (Fun-) menu can only be modified when the drive is stopped and there is no run command, except for parameters with a symbol in the code column, which can be modified with the drive running or stopped. Code Name Page (rEF-) [REFERENCE SWITCH.] 152 (OAI-) [REF. OPERATIONS] 153 (rPt-) [RAMP] 155 (Stt-) [STOP CONFIGURATION] 158 (AdC-) [AUTO DC INJECTION] 161 (JOG-) [JOG] 163 (PSS-) [PRESET SPEEDS] 166 (UPd) [+/- SPEED] 170 (SrE-) [+/-SPEED AROUND REF.] 172 (SPM-) [MEMO REFERENCE] 173 (FLI-) [FLUXING BY LI] 174 (bLC-) [BRAKE LOGIC CONTROL] 179 (ELM-) [EXTERNAL WEIGHT MEAS.] 185 (HSH-) [HIGH SPEED HOISTING] 190 (PId-) [PID REGULATOR] 196 (Pr1-) [PID PRESET REFERENCES] 200 (tOL-) [TORQUE LIMITATION] 202 (CLI-) [2nd CURRENT LIMIT.] 204 (LLC-) [LINE CONTACTOR COMMAND] 206 (OCC-) [OUTPUT CONTACTOR CMD] 208 (LPO-) [POSITIONING BY SENSORS] 212 (MLP-) [PARAM. SET SWITCHING] 215 (MMC-) [MULTIMOTORS/CONFIG.] 220 (tnL-) [AUTO TUNING BY LI] 221 (trO-) [TRAVERSE CONTROL] 222 (CHS-) [HSP SWITCHING] 229
  • 148.
    Configuration Mode (ConF) 148S1A28692 03/2010 Note: Compatibility of functions The choice of application functions may be limited by the number of I/O and by the fact that some functions are incompatible with others. Functions that are not listed in the table below are fully compatible. If there is an incompatibility between functions, the first function configured will help to prevent the others being configured. Each of the functions on the following pages can be assigned to one of the inputs or outputs. DANGER UNINTENDED EQUIPMENT OPERATION A single input can activate several functions at the same time (reverse and 2nd ramp for example). Ensure that these functions can be used at the same time. Failure to follow these instructions will result in death or serious injury.
  • 149.
    Configuration Mode (ConF) S1A2869203/2010 149 It is only possible to assign one input to several functions at [Advanced] (AdU) and [Expert] (EPr) levels. Before assigning a command, reference or function to an input or output, the user must check that this input or output has not already been assigned and that another input or output has not been assigned to an incompatible function. The drive factory setting or macro configurations automatically configure functions, which may help to prevent other functions being assigned. In some case, it is necessary to unconfigure one or more functions in order to be able to enable another. Check the compatibility table below. Stop functions have priority over run commands. Speed references via logic command have priority over analog references. Note: This compatibility table does not affect commands that can be assigned to the keys of the graphic display terminal (see page 24).
  • 150.
    Configuration Mode (ConF) 150S1A28692 03/2010 Compatibility table (1) Priority is given to the first of these two stop modes to be activated. (2) Only the multiplier reference is incompatible with the PID regulator. Referenceoperations (page153) +/-speed(3) (page170) Presetspeeds (page165) PIDregulator (page196) Traversecontrol (page227) JOGoperation (page163) Referenceswitching (page152) Skipfrequency (page168) Brakelogiccontrol (page179) AutoDCinjection (page161) Catchonthefly (page235) Outputcontactorcommand (page208) DCinjectionstop (page158) Faststop (page158) Freewheelstop (page158) +/-speedaroundareference (page172) Highspeedhoisting (page190) Loadsharing (page109) Positioningbysensors (page212) Reference operations (page 153) A p (2) A A A +/- speed (3) (page 170) p p A A Preset speeds (page 165) X A A A PID regulator (page 196) p (2) p p A A p p p p p Traverse control (page 227) p p p A A p p JOG operation (page 163) X p X p p A p X p p Reference switching (page 152) X X X X X A A Skip frequency (page 168) X X X X X X X X Brake logic control (page 179) p p p p p Auto DC injection (page 161) A A A Catch on the fly (page 235) p Output contactor command (page 208) p DC injection stop (page 158) p X p (1) A Fast stop (page 158) p (1) A Freewheel stop (page 158) X X X +/- speed around a reference (page 172) p p p X X High speed hoisting (page 190) p p p Load sharing (page 109) p Positioning by sensors (page 212) p Incompatible functions Compatible functions Not applicable The function indicated by the arrow has priority over the other. Priority functions (functions which cannot be active at the same time):
  • 151.
    Configuration Mode (ConF) S1A2869203/2010 151 Incompatible Functions The following function will be inaccessible or deactivated after an Automatic restart. This is only possible for control type if [2/3 wire control] (tCC) is set to [2 wire] (2C) and if [2 wire type] (tCt) is set to [Level] (LEL) or [Fwd priority] (PFO). See [2/3 wire control] (tCC) page 73. The [1.2 MONITORING] (MOn-) menu page 41 can be used to display the functions assigned to each input in order to check their compatibility. When a function is assigned, a appears on the graphic display terminal, as illustrated in the example below: If you attempt to assign a function that is incompatible with another function that has already been assigned, an alarm message will appear: • With the graphic display terminal: • With the integrated display terminal and the remote display terminal: COMP flashes until ENT or ESC is pressed. When you assign a logic input, an analog input, a reference channel or a bit to a function, pressing the HELP key will display the functions that may already have been activated by this input, bit or channel. When a logic input, an analog input, a reference channel or a bit that has already been assigned is assigned to another function, the following screens appear: • With the graphic display terminal: If the access level permits this new assignment, pressing ENT confirms the assignment. If the access level does not permit this new assignment, pressing ENT results in the following display: • With the integrated display terminal: The code for the first function, which is already assigned, is displayed flashing. If the access level permits this new assignment, pressing ENT confirms the assignment. If the access level does not permit this new assignment, pressing ENT has no effect, and the message continues to flash. It is only possible to exit by pressing ESC. RDY Term 0.0Hz 0A APPLICATION FUNCT. REFERENCE SWITCH. REF. OPERATIONS RAMP STOP CONFIGURATION AUTO DC INJECTION Code << >> Quick RDY Term +0.0 Hz 0.0 A INCOMPATIBILITY The function can't be assigned because an incompatible function is already selected. See programming book. ENT or ESC to continue RUN Term 0.0 Hz 0.0 A WARNING - ASSIGNED TO Forward ENT-Valid. ESC-Abort RUN Term 0.0 Hz 0.0 A ASSIGNMENT FORBIDDEN Un-assign the present functions, or select "Advanced" access level
  • 152.
    Configuration Mode (ConF) 152S1A28692 03/2010 Parameters described in this page can be accessed by: REFERENCE SWITCHING Code Name / Description Adjustment range Factory setting FUn- [APPLICATION FUNCT.] rEF- [REFERENCE SWITCH.] rCb [Ref 1B switching] [ch1 active] (Fr1) Fr1 Fr1b LI1 ... See the diagrams on pages 132 and 133. If the assigned input or bit is at 0, [Ref.1 channel] (Fr1) is active (see [Ref.1 channel] (Fr1) page 139). If the assigned input or bit is at 1, [Ref.1B channel] (Fr1b) is active. [Ref 1B switching] (rCb) is forced to [ch1 active] (Fr1) if [Profile] (CHCF) is set to [Not separ.] (SIM) with [Ref.1 channel] (Fr1) assigned via the terminals (analog inputs, pulse input). See [Ref.1 channel] (Fr1) page 139. [ch1 active] (Frl): No switching, [Ref.1 channel] (Fr1) active [ch1B active] (Fr1b): No switching, [Ref.1B channel] (Fr1b) active [LI1] (LI1): Logical input LI1 [...] (...): See the assignment conditions on page 138 (not [Cd00] (CdOO) to [Cd15] (Cd15)). Fr1b [Ref.1B channel] [No] (nO) nO A11 A12 A13 LCC Mdb CAn nEt PI AIU1 OA01 ... OA10 [No] (nO): Not assigned [Al1] (A11): Analog input A1 [Al2] (A12): Analog input A2 [Al3] (A13): Analog input A3 [HMI] (LCC): Graphic display terminal or remote display terminal source [Modbus] (Mdb): Integrated Modbus [CANopen] (CAn): Integrated CANopen® [Com. card] (nEt): Communication option board source [RP] (PI): Pulse input [AI virtual 1] (AIU1): Virtual analog input 1 with the jog dial (only available if [Profile] (CHCF) is not set to [Not separ.] (SIM)) [OA01] (OA01): Function blocks: Analog Output 01 ... [OA10] (OA10): Function blocks: Analog Output 10 DRI- > CONF > FULL > REF-
  • 153.
    Configuration Mode (ConF) S1A2869203/2010 153 Parameters described in this page can be accessed by: REFERENCE OPERATIONS Summing input / Subtracting input / Multiplier A = (Fr1 or Fr1b + SA2 + SA3 - dA2 - dA3) x MA2 x MA3 • If SA2, SA3, dA2, dA3 are not assigned, they are set to 0. • If MA2, MA3 are not assigned, they are set to 1. • A is limited by the minimum LSP and maximum HSP parameters. • For multiplication, the signal on MA2 or MA3 is interpreted as a %. 100% corresponds to the maximum value of the corresponding input. If MA2 or MA3 is sent via the communication bus or graphic display terminal, an MFr multiplication variable, page 266 must be sent via the bus or graphic display terminal. • Reversal of the direction of operation in the event of a negative result can be inhibited (see [RV Inhibition] (SIn) page 139). Fr1 or Fr1b SA2 SA3 dA2 dA3 MA2 MA3 A Code Name / Description Adjustment range Factory setting FUn- [APPLICATION FUNCT.] (continued) OAI- [REF. OPERATIONS] Reference = (Fr1 or Fr1b + SA2 + SA3 - dA2 - dA3) x MA2 x MA3. See the diagrams on pages 132 and 133. Note: This function cannot be used with certain other functions. Follow the instructions on page 148. SA2 [Summing ref. 2] [No] (nO) nO A11 A12 A13 LCC Mdb CAn nEt PI AIU1 AIU2 OA01 ... OA10 Selection of a reference to be added to [Ref.1 channel] (Fr1) or [Ref.1B channel] (Fr1b). [No] (nO): Not assigned [Al1] (A11): Analog input A1 [Al2] (A12): Analog input A2 [Al3] (A13): Analog input A3 [HMI] (LCC): Graphic display terminal or remote display terminal source [Modbus] (Mdb): Integrated Modbus [CANopen] (CAn): Integrated CANopen® [Com. card] (nEt): Communication option board source [RP] (PI): Motor voltage [AI virtual 1] (AIU1): Virtual analog input 1 with the jog dial [AI virtual 2] (AIU2): Virtual analog input 2 by the communication bus [OA01] (OA01): Function blocks: Analog Output 01 ... [OA10] (OA10): Function blocks: Analog Output 10 SA3 [Summing ref. 3] [No] (nO) Selection of a reference to be added to [Ref.1 channel] (Fr1) or [Ref.1B channel] (Fr1b). Identical to [Summing ref. 2] (SA2) page 153. dA2 [Subtract. ref. 2] [No] (nO) Selection of a reference to be subtracted from [Ref.1 channel] (Fr1) or [Ref.1B channel] (Fr1b). Identical to [Summing ref. 2] (SA2) page 153. DRI- > CONF > FULL > FUN- > OAI-
  • 154.
    Configuration Mode (ConF) 154S1A28692 03/2010 Parameters described in this page can be accessed by: dA3 [Subtract. ref. 3] [No] (nO) Selection of a reference to be subtracted from [Ref.1 channel] (Fr1) or [Ref.1B channel] (Fr1b). Identical to [Summing ref. 2] (SA2) page 153. MA2 [Multiplier ref. 2] [No] (nO) Selection of a multiplier reference [Ref.1 channel] (Fr1) or [Ref.1B channel] (Fr1b). Identical to [Summing ref. 2] (SA2) page 153. MA3 [Multiplier ref. 3] [No] (nO) Selection of a multiplier reference [Ref.1 channel] (Fr1) or [Ref.1B channel] (Fr1b). Identical to [Summing ref. 2] (SA2) page 153. Code Name / Description Adjustment range Factory setting DRI- > CONF > FULL > FUN- > OAI-
  • 155.
    Configuration Mode (ConF) S1A2869203/2010 155 Parameters described in this page can be accessed by: RAMP Code Name / Description Adjustment range Factory setting FUn- [APPLICATION FUNCT.] (continued) rPt- [RAMP] rPt [Ramp type] [Linear] (LIn) LIn S U CUS [Linear] (LIn) [S ramp] (S) [U ramp] (U) [Customized] (CUS) S ramps The rounding coefficient is fixed, t1 = 0.6 set ramp time (linear) t2 = 0.4 set ramp time (round) t3 = 1.4 set ramp time The rounding coefficient is fixed, t1 = 0.5 set ramp time (linear) t2 = 1.0 set ramp time (round) t3 = 1.5 set ramp time tA1: adjustable from 0 to 100% tA2: adjustable from 0 to (100% - tA1) tA3: adjustable from 0 to 100% tA4: adjustable from 0 to (100% - tA3) t12 = ACC * (tA1(%) / 100 + tA2(%) / 100 + 1) t34 = DEC * (tA3(%) / 100 + tA4(%) / 100 + 1) Inr [Ramp increment] [0,1 ] (0.1) (1) 0.01 0.1 1 This parameter is valid for [Acceleration] (ACC), [Deceleration] (dEC), [Acceleration 2] (AC2) and [Deceleration 2] (dE2). [0,01]: Ramp up to 99.99 seconds [0,1]: Ramp up to 999.9 seconds [1]: Ramp up to 6,000 seconds ACC (1) [Acceleration] 0.00 to 6,000 s (2) 3.0 s Time to accelerate from 0 to the [Rated motor freq.] (FrS) (page 74). To have repeatability in ramps, the value of this parameter must be set according to the possibility of the application. dEC (1) [Deceleration] 0.00 to 6,000 s (2) 3.0 s Time to decelerate from the [Rated motor freq.] (FrS) (page 74) to 0. To have repeatability in ramps, the value of this parameter must be set according to the possibility of the application. tA1 [Begin Acc round] 0 to 100% 10% g (1) Rounding of start of acceleration ramp as a % of the [Acceleration] (ACC) or [Acceleration 2] (AC2) ramp time. Can be set between 0 and 100%. This parameter can be accessed if the [Ramp type] (rPt) is [Customized] (CUS). FrS t 0 t2 t2t1 t3 f (Hz) t2 t2t1 t3 FrS t 0 f (Hz) FrS t 0 t2 t3 f (Hz) FrS t 0 f (Hz) t1 t2 t3 t1 FrS t 0 tA1 tA2 tA3 tA4 t12 f (Hz) FrS t 0 t34 f (Hz) U ramps Customized ramps DRI- > CONF > FULL > FUN- > RPT-
  • 156.
    Configuration Mode (ConF) 156S1A28692 03/2010 Parameters described in this page can be accessed by: tA2 [End Acc round] 0 to 100% 10% g (1) Rounding of end of acceleration ramp as a % of the [Acceleration] (ACC) or [Acceleration 2] (AC2) ramp time. Can be set between 0 and (100% - [Begin Acc round] (tA1)). This parameter can be accessed if the [Ramp type] (rPt) is [Customized] (CUS). tA3 [Begin Dec round] 0 to 100% 10% g (1) Rounding of start of deceleration ramp as a % of the [Deceleration] (dEC) or [Deceleration 2] (dE2) ramp time. Can be set between 0 and 100%. This parameter can be accessed if the [Ramp type] (rPt) is [Customized] (CUS). tA4 [End Dec round] 0 to 100% 10% g (1) Rounding of end of deceleration ramp as a % of the [Deceleration] (dEC) or [Deceleration 2] (dE2) ramp time. Can be set between 0 and (100% - [Begin Dec round] (tA3)). This parameter can be accessed if the [Ramp type] (rPt) is [Customized] (CUS). Frt [Ramp 2 threshold] 0 to 599 Hz according to rating 0 Hz Ramp switching threshold The 2nd ramp is switched if the value of [Ramp 2 threshold] (Frt) is not 0 (0 deactivates the function) and the output frequency is greater than [Ramp 2 threshold] (Frt). Threshold ramp switching can be combined with [Ramp switch ass.] (rPS) switching as follows: rPS [Ramp switch ass.] [No] (nO) Identical to [Ref.1B channel] (Fr1b) page 152. AC2 [Acceleration 2] 0.00 to 6,000 s (2) 5.0 s g (1) Time to accelerate from 0 to the [Rated motor freq.] (FrS). To have repeatability in ramps, the value of this parameter must be set according to the possibility of the application. This parameter can be accessed if [Ramp 2 threshold] (Frt) is greater than 0 or if [Ramp switch ass.] (rPS) is assigned. dE2 [Deceleration 2] 0.00 to 6,000 s (2) 5.0 s g (1) Time to decelerate from [Rated motor freq.] (FrS) to 0. To have repeatability in ramps, the value of this parameter must be set according to the possibility of the application. This parameter can be accessed if [Ramp 2 threshold] (Frt) is greater than 0 or if [Ramp switch ass.] (rPS) is assigned. Code Name / Description Adjustment range Factory setting LI or bit Frequency Ramp 0 < Frt ACC, dEC 0 > Frt AC2, dE2 1 < Frt AC2, dE2 1 > Frt AC2, dE2 DRI- > CONF > FULL > FUN- > RPT-
  • 157.
    Configuration Mode (ConF) S1A2869203/2010 157 Parameters described in this page can be accessed by: (1) The parameter can also be accessed in the [SETTINGS] (SEt-) menu. (2) Range 0.01 to 99.99 s or 0.1 to 999.9 s or 1 to 6,000 s according to [Ramp increment] (Inr) page 155. brA [Dec ramp adapt.] [Yes] (YES) CAUTION RISK OF DAMAGE TO THE MOTOR Choose only [Dec ramp adapt.] (brA) = [Yes] (YES) or [No] (nO) if the motor is a permanent magnet synchronous motor, otherwise it will be demagnetized. Failure to follow these instructions can result in equipment damage. nO YES dYnA Activating this function automatically adapts the deceleration ramp, if this has been set at a too low value according to the inertia of the load, which can cause an overvoltage detected fault. [Dec ramp adapt.] (brA) is forced to [No] (nO) if the brake logic control [Brake assignment] (bLC) is assigned (page 179). The function is incompatible with applications requiring: - Positioning on a ramp. - The use of a braking resistor (the resistor would not operate correctly). [No] (nO): Function inactive [Yes] (YES): Function active, for applications that do not require strong deceleration The following selections appear depending on the rating of the drive and [Motor control type] (Ctt) page 92. They enable stronger deceleration to be obtained than with [Yes] (YES). Use comparative testing to determine your selection. [High torq. A] (dYnA): Addition of a constant current flow component. When [Dec ramp adapt.] (brA) is configured on [High torq. x] (dYnx), the dynamic performances for braking are improved by the addition of a current flow component. The aim is to increase the iron loss and magnetic energy stored in the motor. Code Name / Description Adjustment range Factory setting g These parameters only appear if the corresponding function has been selected in another menu. When the parameters can also be accessed and adjusted from within the configuration menu for the corresponding function, their description is detailed in these menus, on the pages indicated, to aid programming. Parameter that can be modified during operation or when stopped. DRI- > CONF > FULL > FUN- > RPT-
  • 158.
    Configuration Mode (ConF) 158S1A28692 03/2010 Parameters described in this page can be accessed by: STOP CONFIGURATION Code Name / Description Adjustment range Factory setting FUn- [APPLICATION FUNCT.] (continued) Stt- [STOP CONFIGURATION] Note: Some types of stops cannot be used with all other functions. Follow the instructions on page 148. Stt [Type of stop] [Ramp stop] (rMP) rMP FSt nSt dCI Stop mode on disappearance of the run command or appearance of a stop command. Note: If the "brake logic" function on page 179 has been enabled, or if [Low speed time out] (tLS) page 83 or 199 is not 0, only ramp type stops may be configured. [Ramp stop] (rMP): Stop on ramp [Fast stop] (FSt): Fast stop [Freewheel] (nSt): Freewheel stop [DC injection] (dCI): DC injection stop. Available only if [Motor control type] (Ctt) page 92 is not set to [Sync. mot.] (SYn). FFt [Freewheel stop Thd.] 0.2 to 599 Hz 0.2 Hz g (1) Speed threshold below which the motor will switch to freewheel stop. This parameter supports switching from a ramp stop or a fast stop to a freewheel stop below a low speed threshold. This parameter can be accessed if [Type of stop] (Stt) is set to [Fast stop] (FSt) or [Ramp stop] (rMP) and if [Brake assignment] (bLC) or [Auto DC injection] (AdC) are configured. nSt [Freewheel stop ass.] [No] (nO) nO LI1 ... The stop is activated when the input or the bit changes to 0. If the input returns to state 1 and the run command is still active, the motor will only restart if [2/3 wire control] (tCC) page 73 is set to [2 wire] (2C) and if [2 wire type] (tCt) is set to [Level] (LEL) or [Fwd priority] (PFO). If not, a new run command must be sent. [No] (nO): Not assigned [LI1] (LI1): Logical input LI1 [...] (...): See the assignment conditions on page 138 FSt [Fast stop assign.] [No] (nO) nO LI1 ... The stop is activated when the input changes to 0 or the bit changes to 1 (bit in [I/O profile] (IO) at 0). If the input returns to state 1 and the run command is still active, the motor will only restart if [2/3 wire control] (tCC) page 73 is set to [2 wire] (2C) and if [2 wire type] (tCt) is set to [Level] (LEL) or [Fwd priority] (PFO). If not, a new run command must be sent. Note: This function cannot be used with certain other functions. Follow the instructions on page 148. [No] (nO): Not assigned [LI1] (LI1): Logical input LI1 [...] (...): See the assignment conditions on page 138 dCF [Ramp divider] 0 to 10 4 g (1) This parameter can be accessed if [Type of stop] (Stt) is set to [Fast stop] (FSt) and if [Fast stop assign.] (FSt) is not [No] (nO) and if [Stop type] (PAS) is set to [Fast stop] (FSt). The ramp that is enabled ([Deceleration] (dEC) or [Deceleration 2] (dE2)) is then divided by this coefficient when stop requests are sent. Value 0 corresponds to a minimum ramp time. DRI- > CONF > FULL > FUN- > STT-
  • 159.
    Configuration Mode (ConF) S1A2869203/2010 159 Parameters described in this page can be accessed by: dCI [DC injection assign.] [No] (nO) WARNING NO HOLDING TORQUE • DC injection braking does not provide any holding torque at zero speed. • DC injection braking does not work when there is a loss of power or when the drive detects a fault. • Where necessary, use a separate brake to maintain torque levels. Failure to follow these instructions can result in death, serious injury, or equipment damage. nO LI1 ... DC injection braking is initiated when the assigned input or bit changes to state 1. If the input returns to state 0 and the run command is still active, the motor will only restart if [2/3 wire control] (tCC) page 73 is set to [2 wire] (2C) and if [2 wire type] (tCt) is set to [Level] (LEL) or [Fwd priority] (PFO). If not, a new run command must be sent. Note: This function cannot be used with certain other functions. Follow the instructions on page 148. [No] (nO): Not assigned [LI1] (LI1): Logical input LI1 [...] (...): See the assignment conditions on page 138 IdC [DC inject. level 1] 0.1 to 1.41 In (2) 0.64 In (2) g (1) (3) WARNING NO HOLDING TORQUE • DC injection braking does not provide any holding torque at zero speed. • DC injection braking does not work when there is a loss of power or when the drive detects a fault. • Where necessary, use a separate brake to maintain torque levels. Failure to follow these instructions can result in death, serious injury, or equipment damage. CAUTION RISK OF DAMAGE TO THE MOTOR Check that the motor will withstand this current without overheating. Failure to follow these instructions can result in equipment damage. Level of DC injection braking current activated via logic input or selected as stop mode. This parameter can be accessed if [Type of stop] (Stt) is set to [DC injection] (dCI) or if [DC injection assign.] (dCI) is not [No] (nO). tdI [DC injection time 1] 0.1 to 30 s 0.5 s g (1) (3) CAUTION RISK OF DAMAGE TO THE MOTOR • Long periods of DC injection braking can cause overheating and damage the motor. • Protect the motor by avoiding long periods of DC injection braking. Failure to follow these instructions can result in equipment damage. Maximum current injection time [DC inject. level 1] (IdC). After this time, the injection current becomes [DC inject. level 2] (IdC2). This parameter can be accessed if [Type of stop] (Stt) is set to [DC injection] (dCI) or if [DC injection assign.] (dCI) is not set to [No] (nO). Code Name / Description Adjustment range Factory setting DRI- > CONF > FULL > FUN- > STT-
  • 160.
    Configuration Mode (ConF) 160S1A28692 03/2010 Parameters described in this page can be accessed by: (1) The parameter can also be accessed in the [SETTINGS] (SEt-) menu. (2) In corresponds to the rated drive current indicated in the Installation manual and on the drive nameplate. (3) These settings are independent of the [AUTO DC INJECTION] (AdC-) function. IdC2 [DC inject. level 2] 0.1 In (2) to [DC inject. level 1] (IdC) 0.5 In (2) g (1) (3) CAUTION RISK OF DAMAGE TO THE MOTOR Check that the motor will withstand this current without overheating. Failure to follow these instructions can result in equipment damage. Injection current activated by logic input or selected as stop mode, once period of time [DC injection time 1] (tdI) has elapsed. This parameter can be accessed if [Type of stop] (Stt) is set to [DC injection] (dCI) or if [DC injection assign.] (dCI) is not set to [No] (nO). tdC [DC injection time 2] 0.1 to 30 s 0.5 s g (1) (3) CAUTION RISK OF DAMAGE TO THE MOTOR • Long periods of DC injection braking can cause overheating and damage the motor. • Protect the motor by avoiding long periods of DC injection braking. Failure to follow these instructions can result in equipment damage. Maximum injection time [DC inject. level 2] (IdC2) for injection, selected as stop mode only. This parameter can be accessed if [Stop type] (Stt) is set to [DC injection] (dCI). dOtd [Dis. operat opt code] [Ramp stop] (rMp) nSt rMp Disable operation stop mode. [Freewheel] (nSt): Disable drive function [Ramp stop] (rMp): Ramp stop then disable drive function Code Name / Description Adjustment range Factory setting g These parameters only appear if the corresponding function has been selected in another menu. When the parameters can also be accessed and adjusted from within the configuration menu for the corresponding function, their description is detailed in these menus, on the pages indicated, to aid programming. Parameter that can be modified during operation or when stopped. DRI- > CONF > FULL > FUN- > STT-
  • 161.
    Configuration Mode (ConF) S1A2869203/2010 161 Parameters described in this page can be accessed by: AUTO DC INJECTION Code Name / Description Adjustment range Factory setting FUn- [APPLICATION FUNCT.] (continued) AdC- [AUTO DC INJECTION] AdC [Auto DC injection] [Yes] (YES) DANGER HAZARD OF ELECTRIC SHOCK, EXPLOSION OR ARC FLASH When [Auto DC injection] (AdC) is set to [Continuous] (Ct), the injection of current is done even if a run command has not been sent. Check this action will not endanger personnel or equipment in any way. Failure to follow these instructions will result in death or serious injury. WARNING NO HOLDING TORQUE • DC injection braking does not provide any holding torque at zero speed. • DC injection braking does not work when there is a loss of power or when the drive detects a fault. • Where necessary, use a separate brake to maintain torque levels. Failure to follow these instructions can result in death, serious injury, or equipment damage. nO YES Ct Automatic current injection on stopping (at the end of the ramp). Note: There is an interlock between this function and [Motor fluxing] (FLU) page 83. If [Motor fluxing] (FLU) is set to [Continuous] (FCt), [Auto DC injection] (AdC) must be [No] (nO). Note: [Auto DC injection] (AdC) is set to [No] (nO) when [Motor control type] (Ctt) page 92 is set to [Sync. mot.] (SYn). [Auto DC injection] (AdC) is forced to [No] (nO) when [Brake assignment] (bLC) page 179 is not set to [No] (nO). This parameter gives rise to the injection of current even if a run command has not been sent. It can be accessed with the drive running. [No] (nO): No injection [Yes] (YES): Adjustable injection time [Continuous] (Ct): Continuous standstill injection SdC1 [Auto DC inj. level 1] 0 to 1.2 In (2) 0.7 In (2) g (1) CAUTION RISK OF DAMAGE TO THE MOTOR Check that the motor will withstand this current without overheating. Failure to follow these instructions can result in equipment damage. Level of standstill DC injection current [Auto DC injection] (AdC) is not [No] (nO). tdC1 [Auto DC inj. time 1] 0.1 to 30 s 0.5 s g (1) CAUTION RISK OF DAMAGE TO THE MOTOR • Long periods of DC injection braking can cause overheating and damage the motor. • Protect the motor by avoiding long periods of DC injection braking. Failure to follow these instructions can result in equipment damage. Standstill injection time. This parameter can be accessed if [Auto DC injection] (AdC) is not set to [No] (nO). If [Motor control type] (Ctt) page 92 is set to [Sync. mot.](SYn), this time corresponds to the zero speed maintenance time. 2 s DRI- > CONF > FULL > FUN- > ADC-
  • 162.
    Configuration Mode (ConF) 162S1A28692 03/2010 Parameters described in this page can be accessed by: (1) The parameter can also be accessed in the [SETTINGS] (SEt-) menu. (2) In corresponds to the rated drive current indicated in the Installation manual and on the drive nameplate. SdC2 [Auto DC inj. level 2] 0 to 1.2 In (2) 0.5 In (2) g (1) CAUTION RISK OF DAMAGE TO THE MOTOR Check that the motor will withstand this current without overheating. Failure to follow these instructions can result in equipment damage. 2nd level of standstill DC injection current. This parameter can be accessed if [Auto DC injection] (AdC) is not [No] (nO). tdC2 [Auto DC inj. time 2] 0 to 30 s 0 s g (1) CAUTION RISK OF DAMAGE TO THE MOTOR • Long periods of DC injection braking can cause overheating and damage the motor. • Protect the motor by avoiding long periods of DC injection braking. Failure to follow these instructions can result in equipment damage. 2nd standstill injection time. This parameter can be accessed if [Auto DC injection] (AdC) is set to [Yes] (YES). Code Name / Description Adjustment range Factory setting AdC SdC2 Operation YES x Ct ≠ 0 Ct = 0 Run command Speed t SdC1 SdC2 tdC1 tdC1 + tdC2 I t SdC1 I t SdC1 SdC2 tdC1 I t 0 t 1 0 g These parameters only appear if the corresponding function has been selected in another menu. When the parameters can also be accessed and adjusted from within the configuration menu for the corresponding function, their description is detailed in these menus, on the pages indicated, to aid programming. Parameter that can be modified during operation or when stopped. To change the assignment of this parameter, press the ENT key for 2 s.2 s DRI- > CONF > FULL > FUN- > ADC-
  • 163.
    Configuration Mode (ConF) S1A2869203/2010 163 Parameters described in this page can be accessed by: JOG Code Name / Description Adjustment range Factory setting FUn- [APPLICATION FUNCT.] (continued) JOG- [JOG] Note: This function cannot be used with certain other functions. Follow the instructions on page 148. JOG [JOG] [LI3] (LI3) nO LI1 ... Pulse operation. The JOG function is only active if the command channel and the reference channels are on the terminals. The function is active when the assigned input or bit is at 1. Example: 2-wire control operation (tCC = 2C). [No] (nO): Not assigned [LI1] (LI1): Logical input LI1 [...] (...): See the assignment conditions on page 138 (not [Cd00] (Cd00) to [Cd15] (Cd15)) JGF [Jog frequency] 0 to 10 Hz 10 Hz g (1) Reference in jog operation. This parameter can be accessed if [JOG] (JOG) is not set to [No] (nO). 1 0 1 0 1 0 0 Ramp forced to 0.1 s Reference JGF reference JGF reference LI (JOG) Forward Reverse Ramp DEC/DE2 Motor frequency JGt DRI- > CONF > FULL > FUN- > JOG-
  • 164.
    Configuration Mode (ConF) 164S1A28692 03/2010 Parameters described in this page can be accessed by: (1) The parameter can also be accessed in the [SETTINGS] (SEt-) menu. JGt [Jog delay] 0 to 2.0 s 0.5 s g (1) Anti-repeat delay between 2 consecutive jog operations. This parameter can be accessed if [JOG] (JOG) is not set to [No] (nO). Code Name / Description Adjustment range Factory setting g These parameters only appear if the corresponding function has been selected in another menu. When the parameters can also be accessed and adjusted from within the configuration menu for the corresponding function, their description is detailed in these menus, on the pages indicated, to aid programming. Parameter that can be modified during operation or when stopped. To change the assignment of this parameter, press the ENT key for 2 s.2 s DRI- > CONF > FULL > FUN- > JOG-
  • 165.
    Configuration Mode (ConF) S1A2869203/2010 165 PRESET SPEEDS 2, 4, 8 or 16 speeds can be preset, requiring 1, 2, 3 or 4 logic inputs respectively. Note: You must configure 2 and 4 speeds in order to obtain 4 speeds. You must configure 2, 4 and 8 speeds in order to obtain 8 speeds. You must configure 2, 4, 8, and 16 speeds in order to obtain 16 speeds. Combination table for preset speed inputs (1) See the diagram on page 132: Reference 1 = (SP1). 16 speeds LI (PS16) 8 speeds LI (PS8) 4 speeds LI (PS4) 2 speeds LI (PS2) Speed reference 0 0 0 0 Reference (1) 0 0 0 1 SP2 0 0 1 0 SP3 0 0 1 1 SP4 0 1 0 0 SP5 0 1 0 1 SP6 0 1 1 0 SP7 0 1 1 1 SP8 1 0 0 0 SP9 1 0 0 1 SP10 1 0 1 0 SP11 1 0 1 1 SP12 1 1 0 0 SP13 1 1 0 1 SP14 1 1 1 0 SP15 1 1 1 1 SP16
  • 166.
    Configuration Mode (ConF) 166S1A28692 03/2010 Parameters described in this page can be accessed by: Code Name / Description Adjustment range Factory setting FUn- [APPLICATION FUNCT.] (continued) PSS- [PRESET SPEEDS] Note: This function cannot be used with certain other functions. Follow the instructions on page 148.. PS2 [2 preset speeds] [No] (nO) nO LI1 ... [No] (nO): Not assigned [LI1] (LI1): Logical input LI1 [...] (...): See the assignment conditions on page 138 PS4 [4 preset speeds] [No] (nO) Identical to [2 preset speeds] (PS2) page 166. To obtain 4 speeds, you must also configure 2 speeds. PS8 [8 preset speeds] [No] (nO) Identical to [2 preset speeds] (PS2) page 166. To obtain 8 speeds, you must also configure 2 and 4 speeds. PS16 [16 preset speeds] [No] (nO) Identical to [2 preset speeds] (PS2) page 166. To obtain 16 speeds, you must also configure 2, 4 and 8 speeds. SP2 [Preset speed 2] 0 to 599 Hz 10 Hz g (1) Preset speed 2. See the Combination table for preset PID references page 192. SP3 [Preset speed 3] 0 to 599 Hz 15 Hz g (1) Preset speed 3. See the Combination table for preset PID references page 192. SP4 [Preset speed 4] 0 to 599 Hz 20 Hz g (1) Preset speed 4. See the Combination table for preset PID references page 192. SP5 [Preset speed 5] 0 to 599 Hz 25 Hz g (1) Preset speed 5. See the Combination table for preset PID references page 192. SP6 [Preset speed 6] 0 to 599 Hz 30 Hz g (1) Preset speed 6. See the Combination table for preset PID references page 192. SP7 [Preset speed 7] 0 to 599 Hz 35 Hz g (1) Preset speed 7. See the Combination table for preset PID references page 192. DRI- > CONF > FULL > FUN- > PSS-
  • 167.
    Configuration Mode (ConF) S1A2869203/2010 167 Parameters described in this page can be accessed by: SP8 [Preset speed 8] 0 to 599 Hz 40 Hz g (1) Preset speed 8. See the Combination table for preset PID references page 192. SP9 [Preset speed 9] 0 to 599 Hz 45 Hz g (1) Preset speed 9. See the Combination table for preset PID references page 192. SP10 [Preset speed 10] 0 to 599 Hz 50 Hz g (1) Preset speed 10. See the Combination table for preset PID references page 192. SP11 [Preset speed 11] 0 to 599 Hz 55 Hz g (1) Preset speed 11. See the Combination table for preset PID references page 192. SP12 [Preset speed 12] 0 to 599 Hz 60 Hz g (1) Preset speed 12. See the Combination table for preset PID references page 192. SP13 [Preset speed 13] 0 to 599 Hz 70 Hz g (1) Preset speed 13. See the Combination table for preset PID references page 192. SP14 [Preset speed 14] 0 to 599 Hz 80 Hz g (1) Preset speed 14. See the Combination table for preset PID references page 192. SP15 [Preset speed 15] 0 to 599 Hz 90 Hz g (1) Preset speed 15. See the Combination table for preset PID references page 192. SP16 [Preset speed 16] 0 to 599 Hz 100 Hz g (1) Preset speed 16. The appearance of these [Preset speed x] (SPx) parameters is determined by the number of speeds configured. See the Combination table for preset PID references page 192. Code Name / Description Adjustment range Factory setting DRI- > CONF > FULL > FUN- > PSS-
  • 168.
    Configuration Mode (ConF) 168S1A28692 03/2010 Parameters described in this page can be accessed by: (1) The parameter can also be accessed in the [SETTINGS] (SEt-) menu. JPF [Skip Frequency] 0 to 599 Hz 0 Hz Skip frequency. This parameter helps to prevent prolonged operation within an adjustable range around the regulated frequency. This function can be used to help to prevent a critical speed, which would cause resonance, being reached. Setting the function to 0 renders it inactive. JF2 [Skip Frequency 2] 0 to 599 Hz 0 Hz 2nd skip frequency. This parameter helps to prevent prolonged operation within an adjustable range around the regulated frequency. This function can be used to help to prevent a critical speed, which would cause resonance, being reached. Setting the function to 0 renders it inactive. JF3 [3rd Skip Frequency] 0 to 599 Hz 0 Hz 3rd skip frequency. This parameter helps to prevent prolonged operation within an adjustable range around the regulated frequency. This function can be used to help to prevent a critical speed, which would cause resonance, being reached. Setting the function to 0 renders it inactive. JFH [Skip.Freq.Hysteresis] 0.1 to 10 Hz 1 Hz g This parameter is visible if at least one skip frequency [Skip Frequency] (JPF), [Skip Frequency 2] (JF2) or [3rd Skip Frequency] (JF3) is different from 0. Skip frequency range: between (JPF – JFH) and (JPF + JFH), for example. This adjustment is common to the 3 frequencies (JPF, JF2, JF3). Code Name / Description Adjustment range Factory setting g These parameters only appear if the corresponding function has been selected in another menu. When the parameters can also be accessed and adjusted from within the configuration menu for the corresponding function, their description is detailed in these menus, on the pages indicated, to aid programming. Parameter that can be modified during operation or when stopped. DRI- > CONF > FULL > FUN- > PSS-
  • 169.
    Configuration Mode (ConF) S1A2869203/2010 169 +/- SPEED Two types of operations are available: • Use of single action keys: Two logic inputs are required in addition to the operating direction(s). The input assigned to the “+ speed” command increases the speed, the input assigned to the “- speed” command decreases the speed. • Use of double action keys: Only one logic input assigned to “+ speed” is required. +/- speed with double-press buttons: Description: 1 button pressed twice (2 steps) for each direction of rotation. A contact closes each time the button is pressed. Example of wiring: LI1: Forward LIx: Reverse LIy: + speed Do not use this +/-speed type with 3-wire control. Whichever type of operation is selected, the max. speed is set by [High speed] (HSP) (see page 75). Note: If the reference is switched via [Ref. 2 switching] (rFC) (see page 140) from any one reference channel to another reference channel with "+/- speed", the value of reference [Output frequency] (rFr) (after ramp) may be copied at the same time in accordance with the [Copy channel 1 --> 2] (COP) parameter (see page 141). If the reference is switched via [Ref. 2 switching] (rFC) (see page 140) from one reference channel to any other reference channel with "+/- speed", the value of reference [Output frequency] (rFr) (after ramp) is copied at the same time. This helps to prevent the speed being incorrectly reset to zero when switching takes place. Released (- speed) 1st press (speed maintained) 2nd press (faster) Forward button – a a and b Reverse button – c c and d ATVppp control terminals LI1 LIx LIy +24 a b c d a a a a a a a b b c c d c Motor frequency LSP Forward 0 2nd press 1nd press Reverse 0 2nd press 1nd press 0 LSP
  • 170.
    Configuration Mode (ConF) 170S1A28692 03/2010 Parameters described in this page can be accessed by: Code Name / Description Adjustment range Factory setting FUn- [APPLICATION FUNCT.] (continued) UPd- [+/- SPEED] This function can be accessed if reference channel [Ref.2 channel] (Fr2) is set to [+/-Speed] (UPdt), see page 140. Note: This function cannot be used with certain other functions. Follow the instructions on page 148 . USP [+ speed assignment] [No] (nO) nO LI1 ... Function active if the assigned input or bit is at 1. [No] (nO): Not assigned [LI1] (LI1): Logical input LI1 [...] (...): See the assignment conditions on page 138 dSP [-Speed assignment] [No] (nO) See the assignment conditions on page 138 Function active if the assigned input or bit is at 1. Str [Reference saved] [No] (nO) g Associated with the "+/- speed" function, this parameter can be used to save the reference: - When the run commands disappear (saved to RAM). - When the line supply or the run commands disappear (saved to EEPROM). Therefore, the next time the drive starts up, the speed reference is the last reference saved. nO rAM EEP [No] (nO): No save (the next time the drive starts up, the speed reference is [Low speed] (LSP), see page 75) [RAM] (rAM): Saved in RAM [EEprom] (EEP): Saved in EEPROM g These parameters only appear if the corresponding function has been selected in another menu. When the parameters can also be accessed and adjusted from within the configuration menu for the corresponding function, their description is detailed in these menus, on the pages indicated, to aid programming. DRI- > CONF > FULL > FUN- > UPD-
  • 171.
    Configuration Mode (ConF) S1A2869203/2010 171 +/- SPEED AROUND A REFERENCE The reference is given by [Ref.1 channel] (Fr1) or [Ref.1B channel] (Fr1b) with summing/subtraction/multiplication functions and preset speeds if relevant (see the diagram on page 132). For improved clarity, we will call this reference A. The action of the +speed and -speed keys can be set as a % of this reference A. On stopping, the reference (A +/- speed) is not saved, so the drive restarts with reference A+ only. The maximum total reference is limited by [High speed] (HSP) and the minimum reference by [Low speed] (LSP), see page 75. Example of 2-wire control: + SrP% Reference A + -speed Direction of operation ForwardForward Reverse +speed - SrP% - SrP% + SrP% Reference A - LSP LSP Motor frequency [Acceleration 2] (AC2) [Deceleration 2] (dE2)
  • 172.
    Configuration Mode (ConF) 172S1A28692 03/2010 Parameters described in this page can be accessed by: (1) The parameter can also be accessed in the [SETTINGS] (SEt-) menu. (2) Range 0.01 to 99.99 s or 0.1 to 999.9 s or 1 to 6,000 s according to [Ramp increment] (Inr) page 155. Code Name / Description Adjustment range Factory setting FUn- [APPLICATION FUNCT.] (continued) SrE- [+/-SPEED AROUND REF.] The function can be accessed for reference channel [Ref.1 channel] (Fr1). Note: This function cannot be used with certain other functions. Follow the instructions on page 151. USI [+ speed assignment] [No] (nO) nO LI1 ... No] (nO): Not assigned [LI1] (LI1): Logical input LI1 [...] (...): See the assignment conditions on page 138 dSI [-Speed assignment] [No] (nO) See the assignment conditions on page 138 Function active if the assigned input or bit is at 1. SrP [+/-Speed limitation] 0 to 50% 10% g This parameter limits the variation range with +/- speed as a % of the reference. The ramps used in this function are [Acceleration 2] (AC2) and [Deceleration 2] (dE2). This parameter can be accessed if +/- speed is assigned. AC2 [Acceleration 2] 0.00 to 6,000 s (2) 5.00 s g (1) Time to accelerate from 0 to the [Rated motor freq.] (FrS). To have repeatability in ramps, the value of this parameter must be set according to the possibility of the application. This parameter can be accessed if [+/- speed] (tUd) is assigned. dE2 [Deceleration 2] 0.00 to 6,000 s (2) 5.00 s g (1) Time to decelerate from the [Rated motor freq.] (FrS) to 0. To have repeatability in ramps, the value of this parameter must be set according to the possibility of the application. This parameter can be accessed if [+/- speed] (tUd) is assigned. g These parameters only appear if the corresponding function has been selected in another menu. When the parameters can also be accessed and adjusted from within the configuration menu for the corresponding function, their description is detailed in these menus, on the pages indicated, to aid programming. Parameter that can be modified during operation or when stopped. DRI- > CONF > FULL > FUN- > SRE-
  • 173.
    Configuration Mode (ConF) S1A2869203/2010 173 Parameters described in this page can be accessed by: REFERENCE MEMORIZING Saving a speed reference value using a logic input command lasting longer than 0.1 s. • This function is used to control the speed of several drives alternately via a single analog reference and one logic input for each drive. • It is also used to confirm a line reference (communication bus or network) on several drives via a logic input. This allows movements to be synchronized by getting rid of variations when the reference is set. • The reference is acquired 100 ms after the rising edge of the request. A new reference is not then acquired until a new request is made. t t t 0 0 1 0 1 100 ms 100 ms100 ms F: Motor frequency Reference Run command LIx (saved) Code Name / Description Adjustment range Factory setting FUn- [APPLICATION FUNCT.] (continued) SPM- [MEMO REFERENCE] SPM [Ref. memo ass.] [No] (nO) nO LI1 ... Assignment to a logic input. Function active if the assigned input is at active state. [No] (nO): Not assigned [LI1] (LI1): Logical input LI1 [...] (...): See the assignment conditions on page 138 DRI- > CONF > FULL > FUN- > SPM-
  • 174.
    Configuration Mode (ConF) 174S1A28692 03/2010 Parameters described in this page can be accessed by: FLUXING BY LOGIC INPUT Code Name / Description Adjustment range Factory setting FUn- [APPLICATION FUNCT.] (continued) FLI- [FLUXING BY LI] FLU [Motor fluxing] [No] (FnO) g (1) DANGER HAZARD OF ELECTRIC SHOCK, EXPLOSION OR ARC FLASH When [Motor fluxing] (FLU) is set to [Continuous] (FCt), the drive automatically builds up flux. Check this action will not endanger personnel or equipment in any way. Failure to follow these instructions will result in death or serious injury. CAUTION RISK OF DAMAGE TO THE MOTOR Check that the motor will withstand this current without overheating. Failure to follow these instructions can result in equipment damage. FnC FCt FnO [Not cont.] (FnC): Non-continuous mode [Continuous] (FCt): Continuous mode. This option is not possible if [Auto DC injection] (AdC) page 161 is [Yes] (YES) or if [Type of stop] (Stt) page 158 is [Freewheel] (nSt). [No] (FnO): Function inactive In order to obtain rapid high torque on startup, magnetic flux needs to already have been established in the motor. In [Continuous] (FCt) mode, the drive automatically builds up flux when it is powered up. In [Not cont.] (FnC) mode, fluxing occurs when the motor starts up. The flux current is greater than [Rated mot. current] (nCr) (configured rated motor current) when the flux is established and is then adjusted to the motor magnetizing current. If [Motor control type] (Ctt) page 92 is set to [Sync. mot.] (SYn), the [Motor fluxing] (FLU) parameter causes the alignment of the rotor and not the fluxing. If [Brake assignment] (bLC) page 179 is not [No] (nO), the [Motor fluxing] (FLU) parameter has no effect. FLI [Fluxing assignment] [No] (nO) g CAUTION RISK OF DAMAGE TO THE MOTOR Check that the motor will withstand this current without overheating. Failure to follow these instructions can result in equipment damage. nO LI1 ... Assignment is only possible if [Motor fluxing] (FLU) is set to [Not cont.] (FnC). If an LI or a bit is assigned to the motor fluxing command, flux is built up when the assigned input or bit is at 1. If an LI or a bit has not been assigned, or if the assigned LI or bit is at 0 when a run command is sent, fluxing occurs when the motor starts. [No] (nO): Not assigned [LI1] (LI1): Logical input LI1 [...] (...): See the assignment conditions on page 138 2 s DRI- > CONF > FULL > FUN- > FLI-
  • 175.
    Configuration Mode (ConF) S1A2869203/2010 175 Parameters described in this page can be accessed by: (1) The parameter can also be accessed in the [SETTINGS] (SEt-) menu. ASt [Angle setting type] [PSIO align.] (PSIO) g Mode for measuring the phase-shift angle. Visible only if [Motor control type] (Ctt) is set to [Sync. mot.] (SYn). [PSI align] (PSI) and [PSIO align] (PSIO) are working for all type of synchronous motors. [SPM align] (SPMA) and [IPM align] (IPMA) increase performances depending on the type of synchronous motor. IPMA SPMA PSI PSIO nO [IPM align] (IPMA): Alignment for IPM motor. Alignment mode for Interior-buried Permanent Magnet motor (usually, this kind of motor has a high saliency level). It uses high frequency injection, which is less noisy than standard alignment mode. [SPM align] (SPMA): Alignment for SPM motor. Mode for Surface-mounted Permanent Magnet motor (usually, this kind of motor has a medium or low saliency level). It uses high frequency injection, which is less noisy than standard alignment mode. [PSI align] (PSI): Pulse signal injection. Standard alignment mode by pulse signal injection. [PSIO align] (PSIO): Pulse signal injection - Optimized. Standard optimized alignment mode by pulse signal injection. The phase-shift angle measurement time is reduced after the first run order or tune operation, even if the drive has been turned off. [No align] (nO): No alignment Code Name / Description Adjustment range Factory setting g These parameters only appear if the corresponding function has been selected in another menu. When the parameters can also be accessed and adjusted from within the configuration menu for the corresponding function, their description is detailed in these menus, on the pages indicated, to aid programming. Parameter that can be modified during operation or when stopped. To change the assignment of this parameter, press the ENT key for 2 s.2 s DRI- > CONF > FULL > FUN- > FLI-
  • 176.
    Configuration Mode (ConF) 176S1A28692 03/2010 BRAKE LOGIC CONTROL Used to control an electromagnetic brake by the drive, for horizontal and vertical hoisting applications, and for unbalanced machines. Principle: - Vertical hoisting movement: Maintain motor torque in the driving load holding direction during brake opening and closing, in order to hold the load, start smoothly when the brake is released and stop smoothly when the brake is engaged. - Horizontal movement: Synchronize brake release with the build-up of torque during startup and brake engage at zero speed on stopping, to help to prevent jolting. Recommended settings for brake logic control for a vertical hoisting application: • [Brake impulse] (bIP): [Yes] (YES). Ensure that the direction of rotation FW corresponds to lifting the load. For applications in which the load being lowered is very different from the load being lifted, set bIP = 2 Ibr (for example, ascent always with a load and descent always without a load). • Brake release current ([Brake release I FW] (Ibr) and [Brake release I Rev] (Ird) if [Brake impulse] (bIP) = 2 Ibr): Adjust the brake release current to the rated current indicated on the motor. During testing, adjust the brake release current in order to hold the load smoothly. • Acceleration time: For hoisting applications, it is advisable to set the acceleration ramps to more than 0.5 seconds. Ensure that the drive does not exceed the current limit. The same recommendation applies for deceleration. Reminder: For a hoisting movement, a braking resistor should be used. • [Brake Release time] (brt): Set according to the type of brake. It is the time required for the mechanical brake to release. • [Brake release frequency] (bIr), in open-loop mode only: Leave in [Auto] (AUtO), adjust if necessary. • [Brake engage frequency] (bEn): Leave in [Auto] (AUtO), adjust if necessary. • [Brake engage time] (bEt): Set according to the type of brake. It is the time required for the mechanical brake to engage. Recommended settings for brake logic control for a horizontal hoisting application: • [Brake impulse] (bIP): No • Brake release current (Ibr): Set to 0. • [Brake Release time] (brt): Set according to the type of brake. It is the time required for the mechanical brake to release. • [Brake engage frequency] (bEn), in open-loop mode only: Leave in [Auto] (AUtO), adjust if necessary. • [Brake engage time] (bEt): Set according to the type of brake. It is the time required for the mechanical brake to engage. WARNING LOSS OF CONTROL • Check that the selected settings and configurations will not result in the dropping or loss of control of the load being lifted. • Follow the recommandations below. Failure to follow these instructions can result in death, serious injury, or equipment damage.
  • 177.
    Configuration Mode (ConF) S1A2869203/2010 177 Brake logic control, horizontal movement in open-loop mode Key: • (bEn): [Brake engage freq] • (bEt): [Brake engage time] • (brt): [Brake Release time] • (Ibr): [Brake release I FW] • (SdC1): [Auto DC inj. level 1] • (tbE): [Brake engage delay] • (ttr): [Time to restart] Frequency Reference bEn t Flux current Rated flux current SdC1 Torque current Ibr Direction of operation ReverseForward Relay or logic output Brake contact State of brake Engaged Released Type of motor control Flux brt ttrbEttbE Frequency Torque Injection Locking 0 t t t t t t Fluxed motor Ibr attained 0 attained
  • 178.
    Configuration Mode (ConF) 178S1A28692 03/2010 Brake logic control, vertical movement in open-loop mode Key: • (bEn): [Brake engage freq] • (bEt): [Brake engage time] • (bIr): [Brake release freq] • (brt): [Brake Release time] • (Ibr): [Brake release I FW] • (JdC): [Jump at reversal] • (tbE): [Brake engage delay] • (ttr): [Time to restart] Frequency Reference bEn t Flux current Rated flux current Torque current Ibr Direction of operation DescendingAscending Relay or logic output Brake contact State of brake Engaged Released Type of motor control brt ttrbEttbE 0 t t t t t t Fluxed motor Ibr attained 0 attained bIr JdC JdC Flux Frequency Torque Injection Locking
  • 179.
    Configuration Mode (ConF) S1A2869203/2010 179 Parameters described in this page can be accessed by: Code Name / Description Adjustment range Factory setting FUn- [APPLICATION FUNCT.] (continued) bLC- [BRAKE LOGIC CONTROL] Note: This function cannot be used with certain other functions. Follow the instructions on page 148. bLC [Brake assignment] [No] (nO) nO r2 LO1 dO1 Logic output or control relay. Note: If the brake is assigned, only a ramp stop is possible. Check the [Type of stop] (Stt) page 158. Brake logic control can only be assigned if [Motor control type] (Ctt) is not set to [Standard] (Std), [V/F 5pts] (UF5), [V/F Quad.] (UFq) or [Sync. mot] (SYn). See Compatibility table page 150 to see the compatible functions. [No] (nO): Function not assigned (in this case, none of the function parameters can be accessed) [R2] (r2): Relay [LO1] (LO1): Logic output [dO1] (dO1): Analog output AO1 functioning as a logic output. Selection can be made if [AO1 assignment] (AO1) page 129 is set to [No] (nO) bSt [Movement type] [Hoisting] (UEr) g HOr UEr [Traveling] (HOr): Resistive-load movement (translational motion of overhead crane, for example) Note: If [Motor control type] (Ctt) is set to [Standard] (Std) or [V/F 5pts] (UF5), [Movement type] (bSt) is forced to [Traveling] (HOr). [Hoisting] (UEr): Driving-load movement (hoisting winch, for example) Note: If [Weight sensor ass.] (PES) page 185 is not [No] (nO), [Movement type] (bSt) is forced to [Hoisting] (UEr). bCI [Brake contact] [No] (nO) g If the brake has a monitoring contact (closed for released brake). nO LI1 ... [No] (nO): Not assigned [LI1] (LI1): Logical input LI1 [...] (...): See the assignment conditions on page 138 bIP [Brake impulse] [Yes] (YES) g Brake impulse. This parameter can be accessed if [Weight sensor ass.] (PES) is set to [No] (nO) (see page 185). It is set to [Yes] (YES) if [Movement type] (bSt) is set to [Hoisting] (UEr). nO YES 2Ibr [No] (nO): The motor torque is given in the required operating direction, at current [Brake release I FW] (Ibr) [Yes] (YES): The motor torque is in forward direction (check that this direction corresponds to ascending), at current [Brake release I FW] (Ibr) [2 IBR] (2Ibr): The torque is in the required direction, at current [Brake release I FW] (Ibr) for Forward and [Brake release I Rev] (Ird) for Reverse, for certain specific applications Ibr [Brake release I FW] 0 to 1.36 In (2) 0 A g (1) Brake release current threshold for ascending or forward movement. This parameter can be accessed if [Weight sensor ass.] (PES) is set to [No] (nO) page 185. Ird [Brake release I Rev] 0 to 1.36 In (2) 0 A g Brake release current threshold for descending or reverse movement. This parameter can be accessed if [Brake impulse] (bIP) is set to [2 IBR] (2Ibr). brt [Brake Release time] 0 to 5.00 s 0 s g (1) Brake release time delay. DRI- > CONF > FULL > FUN- > BLC-
  • 180.
    Configuration Mode (ConF) 180S1A28692 03/2010 Parameters described in this page can be accessed by: bIr [Brake release freq] [Auto] (AUtO) to 10 Hz [Auto] (AUtO) g (1) Brake release frequency threshold (initialization of acceleration ramp). This parameter can be accessed if [Movement type] (bSt) page 179 is set to [Hoisting] (UEr). AUtO [Auto] (AUtO): The drive takes a value equal to the rated slip of the motor, calculated using the drive parameters 0 to 10 Hz: Manual control. bEn [Brake engage freq] [Auto] (AUtO) 0 to 10 Hz [Auto] (AUtO) g (1) Brake engage frequency threshold. Note: [Brake engage freq] (bEn) cannot be higher than [Low speed] (LSP). AUtO [Auto] (AUtO): The drive takes a value equal to the rated slip of the motor, calculated using the drive parameters 0 to 10 Hz: Manual control. tbE [Brake engage delay] 0 to 5.00 s 0 s g (1) WARNING LOSS OF CONTROL Modify the Brake engage delay for horizontal movement only otherwise the control of the load can be lost. Failure to follow these instructions can result in death, serious injury, or equipment damage. Time delay before request to engage brake. bEt [Brake engage time] 0 to 5.00 s 0 s g (1) Brake engage time (brake response time). SdC1 g (1) [Auto DC inj. level 1] 0 to 1.2 In (2) 0.7 In (2) CAUTION RISK OF DAMAGE TO THE MOTOR Check that the motor will withstand this current without overheating. Failure to follow these instructions can result in equipment damage. Level of standstill DC injection current. Note: This parameter can be accessed if [Movement type] (bSt) page 179 is set to [Traveling] (HOr). bEd [Engage at reversal] [No] (nO) g Can be used to select whether or not the brake engages on transition to zero speed when the operating direction is reversed. nO YES [No] (nO): The brake does not engage [Yes] (YES): The brake engages Code Name / Description Adjustment range Factory setting DRI- > CONF > FULL > FUN- > BLC-
  • 181.
    Configuration Mode (ConF) S1A2869203/2010 181 Parameters described in this page can be accessed by: (1) The parameter can also be accessed in the [SETTINGS] (SEt-) menu. (2) In corresponds to the rated drive current indicated in the Installation manual and on the drive nameplate. JdC [Jump at reversal] [Auto] (AUtO) to 10 Hz [Auto] (AUtO) g (1) This parameter can be accessed if [Movement type] (bSt) page 179 is set to [Hoisting] (UEr). AUtO - [Auto] (AUtO): The drive takes a value equal to the rated slip of the motor, calculated using the drive parameters 0 to 10 Hz: Manual control When the reference direction is reversed, this parameter can be used to avoid loss of torque (and consequential release of load) on transition to zero speed. Parameter is not applicable if [Engage at reversal] (bEd) = [Yes] (YES). ttr [Time to restart] 0.00 to 15.00 s 0 s g (1) Time between the end of a brake engage sequence and the start of a brake release sequence. Code Name / Description Adjustment range Factory setting g These parameters only appear if the corresponding function has been selected in another menu. When the parameters can also be accessed and adjusted from within the configuration menu for the corresponding function, their description is detailed in these menus, on the pages indicated, to aid programming. Parameter that can be modified during operation or when stopped. DRI- > CONF > FULL > FUN- > BLC-
  • 182.
    Configuration Mode (ConF) 182S1A28692 03/2010 Parameters described in this page can be accessed by: Brake control logic expert parameters Following parameters for brake logic sequence are accessible in expert mode only. Code Name / Description Adjustment range Factory setting brH0 [BRH b0] 0 g Selection of the brake restart sequence if a run command is repeated while the brake is engaging. 0 1 [0] (0): The engage/release sequence is completely executed [1] (1): The brake is released immediately A run command may be requested during the brake engagement phase. Whether or not the brake release sequence is executed depends on the value selected for [BRH b0] (brH0). Note: If a run command is requested during the "ttr" phase, the complete brake control sequence is initialized. brH1 [BRH b1] 0 g Deactivation of the brake contact in steady state fault. 0 1 [0] (0): The brake contact in steady state fault is active (fault state if the contact is open during operation). The [Brake feedback] (brF) brake contact fault is monitored in all operating phases. [1] (1): The brake contact in steady state fault is inactive. The [Brake feedback] (brF) brake contact fault is only monitored during the brake release and engage phases. Frequency Run command Relay or logic input Frequency Relay or logic input bEn [BRH b0] (brH0) = 1 [BRH b0] (brH0) = 0 DRI- > CONF > FULL > FUN- > BLC-
  • 183.
    Configuration Mode (ConF) S1A2869203/2010 183 Parameters described in this page can be accessed by: brH2 [BRH b2] 0 g Taking the brake contact into account for the brake control sequence. 0 1 [0] (0): The brake contact is not taken into account [1] (1): The brake contact is taken into account If a logic input is assigned to the brake contact: - [BRH b2] (brH2) = 0: During the brake release sequence, the reference is enabled at the end of the time [Brake Release time] (brt). During the brake engage sequence, the current changes to 0 according to the ramp [Current ramp time] (brr) at the end of the [Brake engage time] (bEt). - [BRH b2] (brH2) = 1: When the brake is released, the reference is enabled when the logic input changes to 1. When the brake is engaged, the current changes to 0 according to the ramp [Current ramp time] (brr) when the logic input changes to 0. brr [Current ramp time] 0 to 5.00 s 0 s g Torque current ramp time (increase and decrease) for a current variation equal to [Brake release I FW] (Ibr). g These parameters only appear if the corresponding function has been selected in another menu. When the parameters can also be accessed and adjusted from within the configuration menu for the corresponding function, their description is detailed in these menus, on the pages indicated, to aid programming. Parameter that can be modified during operation or when stopped. Code Name / Description Adjustment range Factory setting brt brr brr bEt blr Frequency Logic input Brake contact Frequency Relay or logic input Run command [BRH b2] (brH2) = 0 [BRH b2] (brH2) = 1 DRI- > CONF > FULL > FUN- > BLC-
  • 184.
    Configuration Mode (ConF) 184S1A28692 03/2010 EXTERNAL WEIGHT MEASUREMENT Load measurement This function uses the information supplied by a weight sensor to adapt the current [Brake release I FW] (Ibr) of the [BRAKE LOGIC CONTROL] (bLC-) function. The signal from the weight sensor can be assigned to an analog input (usually a 4 - 20 mA signal) or to the pulse-in input, according to the type of weight sensor. Example: Measurement of the total weight of a hoisting winch and its load The current [Brake release I FW] (Ibr) is adapted in accordance with the curve below. Weight sensor signal100%[Point 2x] LP2 Zero load [Point 1x] LP1 Ibr [Point 2y] (CP2) [Point 1y] (CP1) 0
  • 185.
    Configuration Mode (ConF) S1A2869203/2010 185 Parameters described in this page can be accessed by: (1) In corresponds to the rated drive current indicated in the Installation manual and on the drive nameplate. Code Name / Description Adjustment range Factory setting FUn- [APPLICATION FUNCT.] (continued) ELM- [EXTERNAL WEIGHT MEAS.] PES [Weight sensor ass.] [No] (nO) WARNING LOSS OF CONTROL Check that [Point 1 X] (LP1), [Point 2x] (LP2), [Point 1Y] (CP1) and [Point 2Y] (CP2) are correctly set to avoid loss of control of the load being lifted. Failure to follow these instructions can result in death, serious injury, or equipment damage. nO A11 A12 A13 PI AIU1 AIU2 OA01 ... OA10 This parameter can be configured if [BRAKE LOGIC CONTROL] (bLC-) page 179 is not set to [No] (nO). [No] (nO): Not assigned [Al1] (A11): Analog input A1 [Al2] (A12): Analog input A2 [Al3] (A13): Analog input A3 [RP] (PI): Pulse input [AI virtual 1] (AIU1): Virtual analog input 1 with the jog dial [AI virtual 2] (AIU2): Virtual analog input 2 by the communication bus [OA01] (OA01): Function blocks: Analog Output 01 ... [OA10] (OA10): Function blocks: Analog Output 10 LP1 [Point 1 X] 0 to LP2-0.01% 0% g 0 to 99.99% of signal on assigned input. [Point 1x] (LP1) must be less than [Point 2x] (LP2). This parameter can be accessed if [Weight sensor ass.] (PES) is assigned. CP1 [Point 1Y] -1.36 In to 1.36 In (1) -In (1) g Current corresponding to load [Point 1 X] (LP1), in A. This parameter can be accessed if [Weight sensor ass.] (PES) is assigned. LP2 [Point 2X] LP1+0.01% to 100% 50% g 0.01 to 100% of signal on assigned input. [Point 2x] (LP2) must be greater than [Point 1x] (LP1). This parameter can be accessed if [Weight sensor ass.] (PES) is assigned. CP2 [Point 2Y] -1.36 In to 1.36 In (1) 0 A g Current corresponding to load [Point 2x] (LP2), in A. This parameter can be accessed if [Weight sensor ass.] (PES) is assigned. IbrA [Ibr 4-20 mA loss] 0 to 1.36 In (1) 0 g Brake release current in the event of the loss of the weight sensor information. This parameter can be accessed if the weight sensor is assigned to an analog current input and the 4-20 mA loss is deactivated. Recommended settings: Rated motor current for a hoisting application. g These parameters only appear if the corresponding function has been selected in another menu. When the parameters can also be accessed and adjusted from within the configuration menu for the corresponding function, their description is detailed in these menus, on the pages indicated, to aid programming. Parameter that can be modified during operation or when stopped. DRI- > CONF > FULL > FUN- > ELM-
  • 186.
    Configuration Mode (ConF) 186S1A28692 03/2010 HIGH SPEED HOISTING This function can be used to optimize the cycle times for hoisting movements for zero or lightweight loads. It authorizes operation at "constant power" in order to reach a speed greater than the rated speed without exceeding the rated motor current. The speed remains limited by the [High speed] (HSP) parameter page 75. The function acts on the speed reference pedestal and not on the reference itself. Principle: There are 2 possible operating modes: • Speed reference mode: The maximum permissible speed is calculated by the drive during a speed step that is set so that the drive can measure the load. • Current limitation mode: The maximum permissible speed is the speed that supports current limitation in motor mode, in the "ascending" direction only. For the "descending" direction, operation is in Speed reference mode. Frequency High speed HSP Rated motor frequency FrS AscendingConstant power Constant power Descending Tr: Rated motor torque Torque max. Torque High speed HSP Rated motor frequency FrS 0
  • 187.
    Configuration Mode (ConF) S1A2869203/2010 187 Speed reference mode OSP: Adjustable speed step for load measurement tOS: Load measuring time Two parameters are used to reduce the speed calculated by the drive, for ascending and descending. Ascend or descend command Reference Frequency Calculated limit t t t tOS HSP FrS OSP 0 HSP FrS OSP 0
  • 188.
    Configuration Mode (ConF) 188S1A28692 03/2010 Current limiting mode SCL: Adjustable speed threshold, above which current limitation is active CLO: Current limitation for high-speed function Note: The speed reached for a specific current will be lower in case of network undervoltage in comparison with nominal network voltage. Ascend command Reference Frequency t t t HSP FrS SCL 0 HSP FrS SCL 0 Limit imposed by current limitation Current t CLO
  • 189.
    Configuration Mode (ConF) S1A2869203/2010 189 Rope slack The Rope slack function can be used to help to prevent starting up at high speed when a load has been set down ready for lifting but the rope is still slack (as illustrated below). The speed step (OSP parameters) described on page 187 is used to measure the load. The effective measurement cycle will not be triggered until the load reaches the adjustable threshold [Rope slack trq level] (rStL), which corresponds to the weight of the hook. A logic output or a relay can be assigned to the indication of the rope slack state in the [INPUTS / OUTPUTS CFG] (I_O-) menu. Speed Load rStL OSP tOS
  • 190.
    Configuration Mode (ConF) 190S1A28692 03/2010 Parameters described in this page can be accessed by: Code Name / Description Adjustment range Factory setting FUn- [APPLICATION FUNCT.] (continued) HSH- [HIGH SPEED HOISTING] Note: This function cannot be used with certain other functions. Follow the instructions on page 148. HSO [High speed hoisting] [No] (nO) nO SSO CSO [No] (nO): Function inactive [Speed ref] (SSO): Speed reference mode [I Limit] (CSO): Current limitation mode COF [Motor speed coeff.] 0 to 100% 100% g Speed reduction coefficient calculated by the drive for Ascending direction. This parameter can be accessed if [High speed hoisting] (HSO) is set to [Speed ref] (SSO). COr [Gen. speed coeff] 0 to 100% 50% g Speed reduction coefficient calculated by the drive for Descending direction. This parameter can be accessed if [High speed hoisting] (HSO) is not set to [No] (nO). tOS [Load measuring tm.] 0.1 s to 65 s 0.5 s g Duration of speed step for measurement. This parameter can be accessed if [High speed hoisting] (HSO) is not set to [No] (nO). OSP [Measurement spd] 0 to [Rated motor freq.] (FrS) 40 Hz g Speed stabilized for measurement. This parameter can be accessed if [High speed hoisting] (HSO) is not set to [No] (nO). CLO [High speed I Limit] 0 to 1.5 In (1) In (1) g Current limitation at high speed. This parameter can be accessed if [High speed hoisting] (HSO) is set to [I Limit] (CSO). Note: If the setting is less than 0.25 In, the drive may lock in [Output Phase Loss] (OPL) fault mode if this has been enabled (see page 238). SCL [I Limit. frequency] 0 to 599 Hz according to rating 40 Hz g Frequency threshold, above which the high-speed limitation current is active. This parameter can be accessed if [High speed hoisting] (HSO) is set to [I Limit] (CSO). rSd [Rope slack config.] [No] (nO) g Rope slack function. This parameter can be accessed if [High speed hoisting] (HSO) is not set to [No] (nO). nO drI PES [No] (nO): Function inactive [Drive estim.] (drI): Measurement of the load by estimating the torque generated by the drive [Ext. sensor] (PES): Measurement of the load using a weight sensor, can only be assigned if [Weight sensor ass.] (PES) page 185 is not [No] (nO) DRI- > CONF > FULL > FUN- > HSH-
  • 191.
    Configuration Mode (ConF) S1A2869203/2010 191 Parameters described in this page can be accessed by: (1) In corresponds to the rated drive current indicated in the Installation manual and on the drive nameplate. rStL [Rope slack trq level] 0 to 100% 0% g Adjustment threshold corresponding to a load weighing slightly less than the hook when off-load, as a % of the rated load. This parameter can be accessed if [Rope slack trq level] (rSd) has been assigned. Code Name / Description Adjustment range Factory setting g These parameters only appear if the corresponding function has been selected in another menu. When the parameters can also be accessed and adjusted from within the configuration menu for the corresponding function, their description is detailed in these menus, on the pages indicated, to aid programming. Parameter that can be modified during operation or when stopped. DRI- > CONF > FULL > FUN- > HSH-
  • 192.
    Configuration Mode (ConF) 192S1A28692 03/2010 PID REGULATOR Block diagram The function is activated by assigning an analog input to the PID feedback (measurement). (1) Ramp AC2 is only active when the PID function starts up and during PID "wake-ups". PID feedback: The PID feedback must be assigned to one of the analog inputs AI1 to AI3, to the pulse input, according to whether any extension cards have been inserted. PID reference: The PID reference must be assigned to the following parameters: Preset references via logic inputs (rP2, rP3, rP4) In accordance with the configuration of [Act. internal PID ref.] (PII) page 196: Internal reference (rPI) or Reference A ([Ref.1 channel] (Fr1) or [Ref.1B channel] (Fr1b), see page 139). Combination table for preset PID references: A predictive speed reference can be used to initialize the speed on restarting the process. PAU (manu) Pr2 Pr4 nO + - rP2 rP3 rP4 rIG rPG PIF PIN 0 tLS rSL PIF1 / PIF2 PIP1 / PIP2 x(-1) nO nO YES PIC nO AI1 ..... LI + + POH POL rdG ACC DEC FPI x PSr PII SP2 SP16 rPI A BnO YES PrP AC2 (1) Internal reference Reference A Pages 132 and 133 PID feedback Preset PID references Error inversion Restart error threshold (wake-up) Gains Ramps Parameter: The black square represents the factory setting assignment Key: Ramp Preset manual references Scaling RP Network AIU2 Predictive speed reference Manual reference Auto/Manual Pages 132 and 133 LI (Pr4) LI (Pr2) Pr2 = nO Reference rPI or A 0 0 rPI or A 0 1 rP2 1 0 rP3 1 1 rP4
  • 193.
    Configuration Mode (ConF) S1A2869203/2010 193 Scaling of feedback and references: • [Min PID feedback] (PIF1), [Max PID feedback] (PIF2) parameters can be used to scale the PID feedback (sensor range). This scale MUST be maintained for all other parameters. • [Min PID reference] (PIP1), [Max PID reference] (PIP2) parameters can be used to scale the adjustment range, for example the reference. The adjustment range MUST remain within the sensor range. The maximum value of the scaling parameters is 32,767. To facilitate installation, we recommend using values as close as possible to this maximum level, while retaining powers of 10 in relation to the actual values. Example (see graph below): Adjustment of the volume in a tank, between 6 m3 and 15 m3 . • Sensor used 4-20 mA, 4.5 m3 for 4 mA and 20 m3 for 20 mA, with the result that PIF1 = 4,500 and PIF2 = 20,000. • Adjustment range 6 to 15 m3 , with the result that PIP1 = 6,000 (min. reference) and PIP2 = 15,000 (max. reference). • Example references: - rP1 (internal reference) = 9,500 - rP2 (preset reference) = 6,500 - rP3 (preset reference) = 8,000 - rP4 (preset reference) = 11,200 The [3.4 DISPLAY CONFIG.] menu can be used to customize the name of the unit displayed and its format. Other parameters: • [PID wake up thresh.] (rSL) parameter: Can be used to set the PID error threshold, above which the PID regulator will be reactivated (wake-up) after a stop due to the max. time threshold being exceeded at low speed [Low speed time out] (tLS). • Reversal of the direction of correction [PID correct. reverse] (PIC): If [PID correct. reverse] (PIC) is set to [No] (nO), the speed of the motor will increase when the error is positive (for example: pressure control with a compressor). If [PID correct. reverse] (PIC) is set to [Yes] (YES), the speed of the motor will decrease when the error is positive (for example: temperature control using a cooling fan). • The integral gain may be short-circuited by a logic input. • An alarm on the PID feedback may be configured and indicated by a logic output. • An alarm on the PID error may be configured and indicated by a logic output. PID feedback Adjustment range (reference) PIP2 (15,000) PIP1 (6,000) PIF1 (4,500) PIF2 (20,000)
  • 194.
    Configuration Mode (ConF) 194S1A28692 03/2010 "Manual - Automatic" Operation with PID This function combines the PID regulator, the preset speeds and a manual reference. Depending on the state of the logic input, the speed reference is given by the preset speeds or by a manual reference input via the PID function. Manual reference [Manual reference] (PIM): • Analog inputs AI1 to AI3 • Pulse input Predictive speed reference [Speed ref. assign.] (FPI): • [AI1] (AI1): Analog input • [AI2] (AI2): Analog input • [AI3] (AI3): Analog input • [RP] (PI): Pulse input • [HMI] (LCC): Graphic display terminal or remote display terminal • [Modbus] (Mdb): Integrated Modbus • [CANopen] (CAn): Integrated CANopen® • [Com. card] (nEt): Communication card (if inserted) Setting up the PID regulator 1. Configuration in PID mode. See the diagram on page 192. 2. Perform a test in factory settings mode. To optimize the drive, adjust [PID prop. gain] (rPG) or [PID integral gain] (rIG) gradually and independently, and observe the effect on the PID feedback in relation to the reference. 3. If the factory settings are unstable or the reference is incorrect. • Perform a test with a speed reference in Manual mode (without PID regulator) and with the drive on load for the speed range of the system: - In steady state, the speed must be stable and comply with the reference, and the PID feedback signal must be stable. - In transient state, the speed must follow the ramp and stabilize quickly, and the PID feedback must follow the speed. If this is not the case, see the settings for the drive and/or sensor signal and wiring. • Switch to PID mode. • Set [Dec ramp adapt.] (brA) to [No] (nO) (no auto-adaptation of the ramp). • Set [PID ramp] (PrP) to the minimum permitted by the mechanism without triggering an [Overbraking] (ObF). • Set the integral gain [PID integral gain] (rIG) to minimum. • Leave the derivative gain [PID derivative gain] (rdG) at 0. • Observe the PID feedback and the reference. • Switch the drive ON/OFF a number of times or vary the load or reference rapidly a number of times. • Set the proportional gain [PID prop. gain] (rPG) in order to ascertain the compromise between response time and stability in transient phases (slight overshoot and 1 to 2 oscillations before stabilizing). • If the reference varies from the preset value in steady state, gradually increase the integral gain [PID integral gain] (rIG), reduce the proportional gain [PID prop. gain] (rPG) in the event of instability (pump applications), find a compromise between response time and static precision (see diagram). • Lastly, the derivative gain may permit the overshoot to be reduced and the response time to be improved, although this will be more difficult to obtain a compromise in terms of stability, as it depends on 3 gains. • Perform in-production tests over the whole reference range.
  • 195.
    Configuration Mode (ConF) S1A2869203/2010 195 The oscillation frequency depends on the system kinematics. Parameter Rise time Overshoot Stabilization time Static error rPG = rIG rdG = = Regulated value Proportional gain rPG high Overshoot Stabilization time rPG low Static error Rise time time Integral gain rIG high rIG low rdG increased time time Reference Reference Reference rPG and rIG correct
  • 196.
    Configuration Mode (ConF) 196S1A28692 03/2010 Parameters described in this page can be accessed by: Code Name / Description Adjustment range Factory setting FUn- [APPLICATION FUNCT.] (continued) PId- [PID REGULATOR] Note: This function cannot be used with certain other functions. Follow the instructions on page 148. PIF [PID feedback ass.] [No] (nO) nO A11 A12 A13 PI AIU1 AIU2 OA01 ... OA10 [No] (nO): Not assigned [Al1] (A11): Analog input A1 [Al2] (A12): Analog input A2 [Al3] (A13): Analog input A3 [RP] (PI): Pulse input [AI virtual 1] (AIU1): Virtual analog input 1 by the communication bus [AI virtual 2] (AIU2): Virtual analog input 2 by the communication bus [OA01] (OA01): Function blocks: Analog Output 01 ... [OA10] (OA10): Function blocks: Analog Output 10 AIC2 [AI2 net. channel] [No] (nO) g This parameter can be accessed if [PID feedback ass.] (PIF) is set to [AI virtual 2] (AIU2). This parameter can also be accessed in the [INPUTS / OUTPUTS CFG] (I_O-) menu. nO Mdb CAn nEt [No] (nO): Not assigned [Modbus] (Mdb): Integrated Modbus [CANopen] (CAn): Integrated CANopen® [Com. card] (nEt): Communication card (if inserted) PIF1 [Min PID feedback] 0 to [Max PID feedback] (PIF2) (2) 100 g (1) Value for minimum feedback. PIF2 [Max PID feedback] [Min PID feedback] (PIF1) to 32,767 (2) 1,000 g (1) Value for maximum feedback. PIP1 [Min PID reference] [Min PID feedback] (PIF1) to [Max PID reference] (PIP2) (2) 150 g (1) Minimum process value. PIP2 [Max PID reference] [Min PID reference] (PIP1) to [Max PID feedback] (PIF2) (2) 900 g (1) Maximum process value. PII [Act. internal PID ref.] [No] (nO) g Internal PID regulator reference. nO YES [No] (nO): The PID regulator reference is given by [Ref.1 channel] (Fr1) or [Ref.1B channel] (Fr1b) with summing/subtraction/multiplication functions (see the diagram on page 192). [Yes] (YES): The PID regulator reference is internal via [Internal PID ref.] (rPI). DRI- > CONF > FULL > FUN- > PID-
  • 197.
    Configuration Mode (ConF) S1A2869203/2010 197 Parameters described in this page can be accessed by: rPI [Internal PID ref.] [Min PID reference] (PIP1) to [Max PID reference] (PIP2) 150 g Internal PID regulator reference. This parameter can also be accessed in the [1.2 MONITORING] (MOn-) menu. rPG [PID prop. gain] 0.01 to 100 1 g Proportional gain. rIG [PID integral gain] 0.01 to 100 1 g Integral gain. rdG [PID derivative gain] 0.00 to 100 0 g Derivative gain. PrP [PID ramp] 0 to 99.9 s 0 s g (1) PID acceleration/deceleration ramp, defined to go from [Min PID reference] (PIP1) to [Max PID reference] (PIP2) and vice versa. PIC [PID correct. reverse] [No] (nO) g Reversal of the direction of correction [PID correct. reverse] (PIC): If [PID correct. reverse] (PIC) is set to [No] (nO), the speed of the motor will increase when the error is positive (example: pressure control with a compressor) If [PID correct. reverse] (PIC) is set to [Yes] (YES), the speed of the motor will decrease when the error is positive (example: temperature control using a cooling fan). nO YES [No] (nO): No [Yes] (YES): Yes POL [Min PID output] - 599 to 599 Hz 0 Hz g (1) Minimum value of regulator output in Hz. POH [Max PID output] 0 to 599 Hz 60 Hz g (1) Maximum value of regulator output in Hz. PAL g (1) [Min fbk alarm] [Min PID feedback] (PIF1) to [Max PID feedback] (PIF2) (2) 100 Minimum monitoring threshold for regulator feedback. Code Name / Description Adjustment range Factory setting DRI- > CONF > FULL > FUN- > PID-
  • 198.
    Configuration Mode (ConF) 198S1A28692 03/2010 Parameters described in this page can be accessed by: PAH [Max fbk alarm] [Min PID feedback] (PIF1) to [Max PID feedback] (PIF2) (2) 1,000 g (1) Maximum monitoring threshold for regulator feedback. PEr [PID error Alarm] 0 to 65,535 (2) 100 g (1) Regulator error monitoring threshold. PIS [PID integral reset] [No] (nO) g If the assigned input or bit is at 0, the function is inactive (the PID integral is enabled). If the assigned input or bit is at 1, the function is active (the PID integral is disabled). nO LI1 ... No] (nO): Not assigned [LI1] (LI1): Logical input LI1 [...] (...): See the assignment conditions on page 138 FPI [Speed ref. assign.] [No] (nO) g PID regulator predictive speed input. nO AI1 AI2 AI3 LCC Mdb CAn nEt PI AIU1 OA01 ... OA10 [No] (nO): Not assigned [Al1] (A11): Analog input A1 [Al2] (A12): Analog input A2 [Al3] (A13): Analog input A3 [HMI] (LCC): Graphic display terminal or remote display terminal source [Modbus] (Mdb): Integrated Modbus [CANopen] (CAn): Integrated CANopen® [Com. card] (nEt): Communication option board source [RP] (PI): Pulse input [AI virtual 1] (AIU1): Virtual analog input 1 with the jog dial [OA01] (OA01): Function blocks: Analog Output 01 ... [OA10] (OA10): Function blocks: Analog Output 10 PSr [Speed input %] 1 to 100% 100% g (1) Multiplying coefficient for predictive speed input. This parameter cannot be accessed if [Speed ref. assign.] (FPI) is set to [No] (nO). PAU [Auto/Manual assign.] [No] (nO) g If the assigned input or bit is at 0, the PID is active. If the assigned input or bit is at 1, manual operation is active. nO LI1 ... [No] (nO): Not assigned [LI1] (LI1): Logical input LI1 [...] (...): See the assignment conditions on page 138 AC2 [Acceleration 2] 0.00 to 6,000 s (3) 5 s g (1) Time to accelerate from 0 to the [Rated motor freq.] (FrS). To have repeatability in ramps, the value of this parameter must be set according to the possibility of the application. Ramp AC2 is only active when the PID function starts up and during PID "wake-ups". Code Name / Description Adjustment range Factory setting DRI- > CONF > FULL > FUN- > PID-
  • 199.
    Configuration Mode (ConF) S1A2869203/2010 199 Parameters described in this page can be accessed by: (1) The parameter can also be accessed in the [SETTINGS] (SEt-) menu. (2) If a graphic display terminal is not in use, values greater than 9,999 will be displayed on the 4-digit display with a period mark after the thousand digit, for example, 15.65 for 15,650. (3) Range 0.01 to 99.99 s or 0.1 to 999.9 s or 1 to 6,000 s according to [Ramp increment] (Inr) page 155. PIM [Manual reference] [No] (nO) g Manual speed input. This parameter can be accessed if [Auto/Manual assign.] (PAU) is not set to [No] (nO). The preset speeds are active on the manual reference if they have been configured. nO AI1 AI2 AI3 PI AIU1 OA01 ... OA10 [No] (nO): Not assigned [Al1] (A11): Analog input A1 [Al2] (A12): Analog input A2 [Al3] (A13): Analog input A3 [RP] (PI): Pulse input [AI virtual 1] (AIU1): Virtual analog input 1 with the jog dial [OA01] (OA01): Function blocks: Analog Output 01 ... [OA10] (OA10): Function blocks: Analog Output 10 tLS (1) [Low speed time out] 0 to 999.9 s 0 s Maximum operating time at [Low speed] (LSP) (see [Low speed] (LSP) page 75). Following operation at [Low speed] (LSP) for a defined period, a motor stop is requested automatically. The motor will restart if the reference is greater than [Low speed] (LSP) and if a run command is still present. Note: A value of 0 indicates an unlimited period of time. If [Low speed time out] (tLS) is not 0, [Type of stop] (Stt) page 158 is forced to [Ramp stop] (rMP) (only if a ramp stop can be configured). rSL [PID wake up thresh.] 0.0 to 100.0 0 g DANGER UNINTENDED EQUIPMENT OPERATION Check that unintended restarts will not present any danger. Failure to follow these instructions will result in death or serious injury. If the "PID" and "Low speed operating time" [Low speed time out] (tLS) functions are configured at the same time, the PID regulator may attempt to set a speed lower than [Low speed] (LSP). This results in unsatisfactory operation, which consists of starting, operating at low speed then stopping, and so on… Parameter [PID wake up thresh.] (rSL) (restart error threshold) can be used to set a minimum PID error threshold for restarting after a stop at prolonged [Low speed] (LSP). [PID wake up thresh.] (rSL) is a percentage of the PID error (value depends on [Min PID feedback] (PIF1) and [Max PID feedback] (PIF2), see [Min PID feedback] (PIF1) page 196). The function is inactive if [Low speed time out] (tLS) = 0 or if [PID wake up thresh.] (rSL) = 0. Code Name / Description Adjustment range Factory setting 2 s g These parameters only appear if the corresponding function has been selected in another menu. When the parameters can also be accessed and adjusted from within the configuration menu for the corresponding function, their description is detailed in these menus, on the pages indicated, to aid programming. Parameter that can be modified during operation or when stopped. To change the assignment of this parameter, press the ENT key for 2 s.2 s DRI- > CONF > FULL > FUN- > PID-
  • 200.
    Configuration Mode (ConF) 200S1A28692 03/2010 Parameters described in this page can be accessed by: PID PRESET REFERENCES (1) The parameter can also be accessed in the [SETTINGS] (SEt-) menu. (2) If a graphic display terminal is not in use, values greater than 9,999 will be displayed on the 4-digit display with a period mark after the thousand digit, for example, 15.65 for 15,650. Code Name / Description Adjustment range Factory setting FUn- [APPLICATION FUNCT.] (continued) PrI- [PID PRESET REFERENCES] Function can be accessed if [PID feedback ass.] (PIF) page 196 is assigned. Pr2 [2 preset PID ref.] [No] (nO) nO LI1 ... If the assigned input or bit is at 0, the function is inactive. If the assigned input or bit is at 1, the function is active. [No] (nO): Not assigned [LI1] (LI1): Logical input LI1 [...] (...): See the assignment conditions on page 138 Pr4 [4 preset PID ref.] [No] (nO) Check that [2 preset PID ref.] (Pr2) has been assigned before assigning this function. Identical to [2 preset PID ref.] (Pr2) page 198. If the assigned input or bit is at 0, the function is inactive. If the assigned input or bit is at 1, the function is active. rP2 [2 preset PID ref.] [Min PID reference] (PIP1) to [Max PID reference] (PIP2) (2) 300 g (1) This parameter can be accessed if [Preset ref. PID 2] (Pr2) is assigned. rP3 [3 preset PID ref.] [Min PID reference] (PIP1) to [Max PID reference] (PIP2) (2) 600 g (1) This parameter can be accessed if [Preset ref. PID 3] (Pr3) is assigned. rP4 [4 preset PID ref.] [Min PID reference] (PIP1) to [Max PID reference] (PIP2) (2) 900 g (1) This parameter can be accessed if [Preset ref. PID 4] (Pr4) is assigned. g These parameters only appear if the corresponding function has been selected in another menu. When the parameters can also be accessed and adjusted from within the configuration menu for the corresponding function, their description is detailed in these menus, on the pages indicated, to aid programming. Parameter that can be modified during operation or when stopped. DRI- > CONF > FULL > FUN- > PRI-
  • 201.
    Configuration Mode (ConF) S1A2869203/2010 201 TORQUE LIMITATION There are two types of torque limitation: • With a value that is fixed by a parameter • With a value that is set by an analog input (AI or pulse) If both types are enabled, the lowest value is taken into account. The two types of limitation can be configured or switched remotely using a logic input or via the communication bus. [Yes] (YES) LI [Motoring torque lim] (tLIM) [Gen. torque lim] (tLIG) Torque limitationvia parameter [Torque limit. activ.] (tLA) [No] (nO) [LI] [Yes] (YES) LI [AI.] (AI.) [RP] (PI) Torque limitation via analoginput, RP [Analog limit. act.] (tLC) [No] (nO) [LI] Lowest value taken into account Limitation value [Torque ref. assign.] (tAA) [AI]
  • 202.
    Configuration Mode (ConF) 202S1A28692 03/2010 Parameters described in this page can be accessed by: Code Name / Description Adjustment range Factory setting FUn- [APPLICATION FUNCT.] (continued) tOL- [TORQUE LIMITATION] tLA [Torque limit. activ.] [No] (nO) nO YES LI1 ... If the assigned input or bit is at 0, the function is inactive. If the assigned input or bit is at 1, the function is active. [No] (nO): Function inactive [Yes] (YES): Function always active [LI1] (LI1): Logical input LI1 [...] (...): See the assignment conditions on page 138 IntP [Torque increment] [1%] (1) g This parameter cannot be accessed if [Torque limit. activ.] (tLA) is set to [No] (nO). Selection of units for the [Motoring torque lim] (tLIM) and [Gen. torque lim] (tLIG) parameters. 0.1 1 [0,1%] (0.1): Unit 0.1% [1%] (1): Unit 1% tLIM [Motoring torque lim] 0 to 300% 100% g (1) This parameter cannot be accessed if [Torque limit. activ.] (tLA) is set to [No] (nO). Torque limitation in motor mode, as a % or in 0.1% increments of the rated torque in accordance with the [Torque increment] (IntP) parameter. tLIG [Gen. torque lim] 0 to 300% 100% g (1) This parameter cannot be accessed if [Torque limit. activ.] (tLA) is set to [No] (nO). Torque limitation in generator mode, as a % or in 0.1% increments of the rated torque in accordance with the [Torque increment] (IntP) parameter. tAA [Torque ref. assign.] [No] (nO) nO AI1 AI2 AI3 PI AIU1 AIU2 OA01 ... OA10 If the function is assigned, the limitation varies between 0% and 300% of the rated torque on the basis of the 0% to 100% signal applied to the assigned input. Examples: 12 mA on a 4-20 mA input results in limitation to 150% of the rated torque. 2.5 V on a 10 V input results in 75% of the rated torque. [No] (nO): Not assigned (function inactive) [AI1] (AI1): Analog input [AI2] (AI2): Analog input [AI3] (AI3): Analog input [RP] (PI): Pulse input [AI Virtual 1] (AIU1): Virtual analog input 1 with the jog dial [AI Virtual 2] (AIU2): Virtual input via communication bus, to be configured via [AI2 net. channel] (AIC2) page 122. [OA01] (OA01): Function blocks: Analog Output 01 ... [OA10] (OA10): Function blocks: Analog Output 10 DRI- > CONF > FULL > FUN- > TOL-
  • 203.
    Configuration Mode (ConF) S1A2869203/2010 203 Parameters described in this page can be accessed by: (1) The parameter can also be accessed in the [SETTINGS] (SEt-) menu. tLC [Analog limit. act.] [Yes] (YES) g This parameter cannot be accessed if [Torque limit. activ.] (tLA) is set to [No] (nO). Identical to [Torque limit. activ.] (tLA) page 202. If the assigned input or bit is at 0: The limitation is specified by the [Motoring torque lim] (tLIM) and [Gen. torque lim.] (tLIG) parameters if [Torque limit. activ.] (tLA) is not [No] (nO). No limitation if [Torque limit. activ.] (tLA) is set to [No] (nO). If the assigned input or bit is at 1: The limitation depends on the input assigned by [Torque ref. assign.] (tAA). Note: If [Torque limitation] (tLA) and [Torque ref. assign.] (tAA) are enabled at the same time, the lowest value will be taken into account. Code Name / Description Adjustment range Factory setting g These parameters only appear if the corresponding function has been selected in another menu. When the parameters can also be accessed and adjusted from within the configuration menu for the corresponding function, their description is detailed in these menus, on the pages indicated, to aid programming. Parameter that can be modified during operation or when stopped. DRI- > CONF > FULL > FUN- > TOL-
  • 204.
    Configuration Mode (ConF) 204S1A28692 03/2010 Parameters described in this page can be accessed by: 2ND CURRENT LIMITATION (1) In corresponds to the rated drive current indicated in the Installation manual and on the drive nameplate. Code Name / Description Adjustment range Factory setting FUn- [APPLICATION FUNCT.] (continued) CLI- [2nd CURRENT LIMIT.] LC2 [Current limit 2] [No] (nO) nO LI1 ... If the assigned input or bit is at 0, the first current limitation is active. If the assigned input or bit is at 1, the second current limitation is active. [No] (nO): Function inactive [LI1] (LI1): Logical input LI1 [...] (...): See the assignment conditions on page 138 CL2 [I Limit. 2 value] 0 to 1.5 In (1) 1.5 In (1) g CAUTION RISK OF DAMAGE TO THE MOTOR AND THE DRIVE • Check that the motor will withstand this current, particularly in the case of permanent magnet synchronous motors, which are susceptible to demagnetization. • Check that the profile mission complies with the derating curve given in the installation manual. Failure to follow these instructions can result in equipment damage. Second current limitation. This parameter can be accessed if [Current limit 2] (LC2) is not set to [No] (nO). The adjustment range is limited to 1.5 In. Note: If the setting is less than 0.25 In, the drive may lock in [Output Phase Loss] (OPL) fault mode if this has been enabled (see [Output Phase Loss] (OPL) page 238). If it is less than the no-load motor current, the motor cannot run. CLI [Current limitation] 0 to 1.5 In (1) 1.5 In (1) g CAUTION RISK OF DAMAGE TO THE MOTOR AND THE DRIVE • Check that the motor will withstand this current, particularly in the case of permanent magnet synchronous motors, which are susceptible to demagnetization. • Check that the profile mission complies with the derating curve given in the installation manual. Failure to follow these instructions can result in equipment damage. First current limitation. This parameter can be accessed if [Current limit 2] (LC2) is not set to [No] (nO). The adjustment range is limited to 1.5 In. Note: If the setting is less than 0.25 In, the drive may lock in [Output Phase Loss] (OPL) fault mode if this has been enabled (see [Output Phase Loss] (OPL) page 238). If it is less than the no-load motor current, the motor cannot run. g These parameters only appear if the corresponding function has been selected in another menu. When the parameters can also be accessed and adjusted from within the configuration menu for the corresponding function, their description is detailed in these menus, on the pages indicated, to aid programming. Parameter that can be modified during operation or when stopped. DRI- > CONF > FULL > FUN- > CLI-
  • 205.
    Configuration Mode (ConF) S1A2869203/2010 205 LINE CONTACTOR COMMAND The line contactor closes every time a run command (forward or reverse) is sent and opens after every stop, as soon as the drive is locked. For example, if the stop mode is stop on ramp, the contactor will open when the motor reaches zero speed. Note: The drive control power supply must be provided via an external 24 V source. Example circuit: Note: The "Run/Reset" key must be pressed once the "Emergency stop" key has been released. LIp = Run command [Forward] (Frd) or [Reverse] (rrS) LO-/LO+ = [Line contactor ass.] (LLC) LIn = [Drive lock] (LES) CAUTION RISK OF DAMAGE TO THE MOTOR This function can only be used for a small number of consecutive operations with a cycle time longer than 60 s (in order to avoid premature aging of the filter capacitor charging circuit). Failure to follow these instructions can result in equipment damage. U V W L1 L2 L3 LInLIpP24 COM LO- LO+ +24 0 V +24 V ATVpp M 3 KM1 K11 K11 K10 24 V source _ --- K10 K11 3 a line Emergency stop Run/Reset 24 V power supply Forward or reverse
  • 206.
    Configuration Mode (ConF) 206S1A28692 03/2010 Parameters described in this page can be accessed by: Code Name / Description Adjustment range Factory setting FUn- [APPLICATION FUNCT.] (continued) LLC- [LINE CONTACTOR COMMAND] LLC [Line contactor ass.] [No] (nO) nO LO1 r2 dO1 Logic output or control relay. [No] (nO): Function not assigned (in this case, none of the function parameters can be accessed) [LO1] (LO1): Logical output LO1 [R2] (r2): Relay r2 [d01] (dO1): Analog output AO1 functioning as a logic output. Selection can be made if [AO1 assignment] (AO1) page 129 is set to [No] (nO) LES [Drive lock] [No] (nO) g This parameter can be accessed if [Line contactor ass.] (LLC) is not set to [No] (nO). The drive locks when the assigned input or bit changes to 0. nO LI1 ... [No] (nO): Function inactive [LI1] (LI1): Logical input LI1 [...] (...): See the assignment conditions on page 138 LCt [Mains V. time out] 5 to 999 s 5 s g Monitoring time for closing of line contactor. If, once this time has elapsed, there is no voltage on the drive power circuit, the drive will lock with a [Line contactor] (LCF) detected fault. g These parameters only appear if the corresponding function has been selected in another menu. When the parameters can also be accessed and adjusted from within the configuration menu for the corresponding function, their description is detailed in these menus, on the pages indicated, to aid programming. DRI- > CONF > FULL > FUN- > LCC-
  • 207.
    Configuration Mode (ConF) S1A2869203/2010 207 OUTPUT CONTACTOR COMMAND This allows the drive to control a contactor located between the drive and the motor. The request for the contactor to close is made when a run command is sent. The request for the contactor to open is made when there is no longer any current in the motor. Output contactor feedback The corresponding logic input should be at 1 when there is no run command and at 0 during operation. In the event of an inconsistency, the drive trips in FCF2 if the output contactor fails to close (LIx at 1) and in FCF1 if it is stuck (LIx at 0). The [Delay to motor run] (dbS) parameter can be used to delay tripping in fault mode when a run command is sent and the [Delay to open cont.] (dAS) parameter delays the detected fault when a stop command is set. Note: FCF2 (contactor failing to close) can be reset by the run command changing state from 1 to 0 (0 --> 1 - -> 0 in 3-wire control). The [Out. contactor ass.] (OCC) and [Output contact. fdbk] (rCA) functions can be used individually or together. CAUTION RISK OF DAMAGE TO THE MOTOR If a DC injection braking function has been configured, it should not be left operating too long in stop mode, as the contactor only opens at the end of braking. Failure to follow these instructions can result in equipment damage. U KM2 M 3 KM2 K20 KM2 K20 V W 0 LOp/Rp +24 LIp Control FeedbackATVppp
  • 208.
    Configuration Mode (ConF) 208S1A28692 03/2010 Parameters described in this page can be accessed by: Code Name / Description Adjustment range Factory setting FUn- [APPLICATION FUNCT.] (continued) OCC- [OUTPUT CONTACTOR CMD] OCC [Out. contactor ass.] [No] (nO) nO LO1 r2 dO1 Logic output or control relay. [No] (nO): Function not assigned (in this case, none of the function parameters can be accessed) [LO1] (LO1): Logical output LO1 [R2] (r2): Relay r2 [dO1] (dO1): Analog output AO1 functioning as a logic output. Selection can be made if [AO1 assignment] (AO1) page 129 is set to [No] (nO) rCA [Output contact. fdbk] [No] (nO) nO LI1 ... The motor starts up when the assigned input or bit changes to 0. [No] (nO): Function inactive [LI1] (LI1): Logical input LI1 [...] (...): See the assignment conditions on page 138 dbS [Delay to motor run] 0.05 to 60 s 0.15 s g Time delay for: Motor control following the sending of a run command Output contactor state monitoring, if the feedback is assigned. If the contactor fails to close at the end of the set time, the drive will lock in FCF2 mode. This parameter can be accessed if [Out. contactor ass.] (OCC) is assigned or if [Output contact. fdbk] (rCA) is assigned. The time delay must be greater than the closing time of the output contactor. dAS [Delay to open cont.] 0 to 5.00 s 0.10 s g Time delay for output contactor opening command following motor stop. This parameter can be accessed if [Output contact. fdbk] (rCA) is assigned. The time delay must be greater than the opening time of the output contactor. If it is set to 0, the detected fault will not be monitored. If the contactor fails to open at the end of the set time, the drive will lock in FCF1 fault mode. g These parameters only appear if the corresponding function has been selected in another menu. When the parameters can also be accessed and adjusted from within the configuration menu for the corresponding function, their description is detailed in these menus, on the pages indicated, to aid programming. Parameter that can be modified during operation or when stopped. DRI- > CONF > FULL > FUN- > OCC-
  • 209.
    Configuration Mode (ConF) S1A2869203/2010 209 POSITIONING BY SENSORS This function is used for managing positioning using position sensors or limit switches linked to logic inputs or using control word bits: • Slowing down • Stopping The action logic for the inputs and bits can be configured on a rising edge (change from 0 to 1) or a falling edge (change from 1 to 0). The example below has been configured on a rising edge: The slowdown mode and stop mode can be configured. The operation is identical for both directions of operation. Slowdown and stopping operate according to the same logic, described below. Forward run command Reverse run command [Slowdown forward] [Stop FW limit sw.] Speed [Low speed] (LSP) 0 0 0 0 0
  • 210.
    Configuration Mode (ConF) 210S1A28692 03/2010 Example: Forward slowdown, on rising edge • Forward slowdown takes place on a rising edge (change from 0 to 1) of the input or bit assigned to forward slowdown if this rising edge occurs in forward operation. The slowdown command is then memorized, even in the event of a power outage. Operation in the opposite direction is authorized at high speed. The slowdown command is deleted on a falling edge (change from 1 to 0) of the input or bit assigned to forward slowdown if this falling edge occurs in reverse operation. • A bit or a logic input can be assigned to disable this function. • Although forward slowdown is disabled while the disable input or bit is at 1, sensor changes continue to be monitored and saved. Example: Positioning on a limit switch, on rising edge Operation with short cams: In this instance, when operating for the first time or after restoring the factory settings, the drive must initially be started outside the slowdown and stop zones in order to initialize the function. Reverse stop Reverse slowdown Reverse Forward Forward slowdown Forward stop WARNING LOSS OF CONTROL When operating for the first time or after restoring the factory settings, the drive must initially be started outside the slowdown and stop zones in order to initialize the function. Failure to follow these instructions can result in death, serious injury, or equipment damage. WARNING LOSS OF CONTROL The current zone is memorized at power off. In case of manual modification of the system position, the drive must be started at the same position at the next power up of the drive. Failure to follow these instructions can result in death, serious injury, or equipment damage. Forward slowdown Forward stop Forward slowdown zone Forward stop zone
  • 211.
    Configuration Mode (ConF) S1A2869203/2010 211 Operation with long cams: In this instance, there is no restriction, which means that the function is initialized across the whole trajectory. Stop at distance calculated after deceleration limit switch This function can be used to control the stopping of the moving part automatically once a preset distance has been traveled after the slowdown limit switch. On the basis of the rated linear speed and the speed estimated by the drive when the slowdown limit switch is tripped, the drive will induce the stop at the configured distance. This function is useful in applications where one manual-reset overtravel limit switch is common to both directions. It will then only respond to help management if the distance is exceeded. The stop limit switch retains priority in respect of the function. The [Deceleration type] (dSF) parameter can be configured to obtain either of the functions described below: Note: • If the deceleration ramp is modified while stopping at a distance is in progress, this distance will not be observed. • If the direction is modified while stopping at a distance is in progress, this distance will not be observed. Forward slowdown Forward stop Forward slowdown zone Forward stop zone WARNING LOSS OF CONTROL • Check that the parameters configured are consistent (in particular, you should check that the required distance is possible). • This function does not replace the stop limit switch, which remains necessary for safety reasons. Failure to follow these instructions will result in death, serious injury, or equipment damage. A B A B Frequency Frequency A: Slowdown limit switch reached B: Automatic stop at a distance Distance Distance Slowdown frequency Slowdown frequency [Stop distance] (Std) [Deceleration type] (dSF) = [Standard] (Std) [Deceleration type] (dSF) = [Optimized] (OPt)
  • 212.
    Configuration Mode (ConF) 212S1A28692 03/2010 Parameters described in this page can be accessed by: Code Name / Description Adjustment range Factory setting FUn- [APPLICATION FUNCT.] (continued) LPO- [POSITIONING BY SENSORS] Note: This function cannot be used with certain other functions. Follow the instructions on page 148. SAF [Stop FW limit sw.] [No] (nO) nO LI1 ... Stop switch forward. [No] (nO): Not assigned [LI1] (LI1): Logical input LI1 [...] (...): See the assignment conditions on page 138 SAr [Stop RV limit sw.] [No] (nO) Stop switch reverse. Identical to [Stop FW limit sw.] (SAF) above. SAL [Stop limit config.] [Active low] (LO) g WARNING LOSS OF CONTROL If [Stop limit config.] (SAL) is set to [Active high] (HIG), the stop command will be activated on active signal (stop order will not be given if signal is not applied for any reason). Do not select [Active high] (HIG) unless you are sure that your signal will be present in any case. Failure to follow these instructions can result in death, serious injury, or equipment damage. LO HIG Level stop switch activation. This parameter can be accessed if at least one limit switch or one stop sensor has been assigned. It defines the positive or negative logic of the bits or inputs assigned to the stop. [Active low] (LO): Stop controlled on a falling edge (change from 1 to 0) of the assigned bits or inputs [Active high] (HIG): Stop controlled on a rising edge (change from 0 to 1) of the assigned bits or inputs dAF [Slowdown forward] [No] (nO) Slowdown attained forward. Identical to [Stop FW limit sw.] (SAF) above. dAr [Slowdown reverse] [No] (nO) Slowdown attained reverse. Identical to [Stop FW limit sw.] (SAF) above. dAL [Slowdown limit cfg.] [Active low] (LO) g CAUTION RISK OF DAMAGE TO THE EQUIPMENT If [Slowdown limit cfg.] (dAL) is set to [Active high] (HIG), the slowdown command will be activated on active signal (slowdown order will not be given if signal is not applied for any reason). Do not select [Active high] (HIG) unless you are sure that your signal will be present in any case. Failure to follow these instructions can result in equipment damage. LO HIG This parameter can be accessed if at least one limit switch or one slowdown sensor has been assigned. It defines the positive or negative logic of the bits or inputs assigned to the slowdown. [Active low] (LO): Slowdown controlled on a falling edge (change from 1 to 0) of the assigned bits or inputs [Active high] (HIG): Slowdown controlled on a rising edge (change from 0 to 1) of the assigned bits or inputs DRI- > CONF > FULL > FUN- > LPO-
  • 213.
    Configuration Mode (ConF) S1A2869203/2010 213 Parameters described in this page can be accessed by: CLS [Disable limit sw.] [No] (nO) g WARNING LOSS OF CONTROL If [Disable limit sw.] (CLS) is set to an input and activated, the limit switch management will be inhibited. Check that this configuration will not endanger personnel or equipment in any way. Failure to follow these instructions can result in death, serious injury, or equipment damage. nO LI1 ... This parameter can be accessed if at least one limit switch or one sensor has been assigned. The action of the limit switches is disabled when the assigned bit or input is at 1. If, at this time, the drive is stopped or being slowed down by limit switches, it will restart up to its speed reference. [No] (nO): Function inactive [LI1] (LI1): Logical input LI1 [...] (...): See the assignment conditions on page 138 PAS [Stop type] [Ramp stop] (rMP) g This parameter can be accessed if at least one limit switch or one sensor has been assigned. rMP FSt nSt [Ramp stop] (rMP): Follow ramp [Fast stop] (FSt): Fast stop (ramp time reduced by [Ramp divider] (dCF), see [Ramp divider] (dCF) page 81) [Freewheel] (nSt): Freewheel stop dSF [Deceleration type] [Standard] (Std) g This parameter can be accessed if at least one limit switch or one sensor has been assigned. Std OPt [Standard] (Std): Uses the [Deceleration] (dEC) or [Deceleration 2] (dE2) ramp (depending on which has been enabled) [Optimized] (OPt): The ramp time is calculated on the basis of the actual speed when the slowdown contact switches, in order to limit the operating time at low speed (optimization of the cycle time: the slowdown time is constant regardless of the initial speed). Std [Stop distance] [No] (nO) g This parameter can be accessed if at least one limit switch or one sensor has been assigned. Activation and adjustment of the "Stop at distance calculated after the slowdown limit switch" function. nO - [No] (nO): Function inactive (the next two parameters will, therefore, be inaccessible) 0.01 to 10.00: Stop distance range in meters nLS [Rated linear speed] 0.20 to 5.00 m/s 1.00 m/s g This parameter can be accessed if at least one limit switch or one sensor has been assigned and [Stop distance] (Std) is not set to [No] (nO). Rated linear speed in meters/second. SFd [Stop corrector] 50 to 200% 100% g This parameter can be accessed if at least one limit switch or one sensor has been assigned and [Stop distance] (Std) is not set to [No] (nO). Scaling factor applied to the stop distance to compensate, for example, a non-linear ramp. g These parameters only appear if the corresponding function has been selected in another menu. When the parameters can also be accessed and adjusted from within the configuration menu for the corresponding function, their description is detailed in these menus, on the pages indicated, to aid programming. Code Name / Description Adjustment range Factory setting DRI- > CONF > FULL > FUN- > LPO-
  • 214.
    Configuration Mode (ConF) 214S1A28692 03/2010 PARAMETER SET SWITCHING A set of 1 to 15 parameters from the [SETTINGS] (SEt-) menu on page 77 can be selected and 2 or 3 different values assigned. These 2 or 3 sets of values can then be switched using 1 or 2 logic inputs or control word bits. This switching can be performed during operation (motor running). It can also be controlled on the basis of 1 or 2 frequency thresholds, whereby each threshold acts as a logic input (0 = threshold not reached, 1 = threshold reached). Note: Do not modify the parameters in the [SETTINGS] (SEt-) menu, because any modifications made in this menu ([SETTINGS] (SEt-)) will be lost on the next power-up. The parameters can be adjusted during operation in the [PARAM. SET SWITCHING] (MLP-) menu, on the active configuration. Note: Parameter set switching cannot be configured from the integrated display terminal. Parameters can only be adjusted on the integrated display terminal if the function has been configured previously via the graphic display terminal, by PC Software or via the bus or communication network. If the function has not been configured, the [PARAM. SET SWITCHING] (MLP-) menu and the [SET 1] (PS1-), [SET 2] (PS2-), [SET 3] (PS3-) submenus will not appear. Values 1 Values 2 Values 3 Parameter 1 Parameter 2 Parameter 3 Parameter 4 Parameter 5 Parameter 6 Parameter 7 Parameter 8 Parameter 9 Parameter 10 Parameter 11 Parameter 12 Parameter 13 Parameter 14 Parameter 15 Parameter 1 Parameter 2 Parameter 3 Parameter 4 Parameter 5 Parameter 6 Parameter 7 Parameter 8 Parameter 9 Parameter 10 Parameter 11 Parameter 12 Parameter 13 Parameter 14 Parameter 15 Parameter 1 Parameter 2 Parameter 3 Parameter 4 Parameter 5 Parameter 6 Parameter 7 Parameter 8 Parameter 9 Parameter 10 Parameter 11 Parameter 12 Parameter 13 Parameter 14 Parameter 15 Parameter 1 Parameter 2 Parameter 3 Parameter 4 Parameter 5 Parameter 6 Parameter 7 Parameter 8 Parameter 9 Parameter 10 Parameter 11 Parameter 12 Parameter 13 Parameter 14 Parameter 15 Input LI or bit or frequency threshold 2 values 0 1 0 or 1 Input LI or bit or frequency threshold 3 values 0 0 1
  • 215.
    Configuration Mode (ConF) S1A2869203/2010 215 Parameters described in this page can be accessed by: Code Name / Description Adjustment range Factory setting FUn- [APPLICATION FUNCT.] (continued) MLP- [PARAM. SET SWITCHING] CHA1 [2 parameter sets] [No] (nO) nO FtA F2A LI1 ... Switching 2 parameter sets. [No] (nO): Not assigned [Freq. Th.att.] (FtA): Switching via [Freq. threshold] (Ftd) page 234 [Freq. Th. 2 att.] (F2A): Switching via [Freq. threshold 2] (F2d) page 234 [LI1] (LI1): Logical input LI1 [...] (...): See the assignment conditions on page 138 CHA2 [3 parameter sets] [No] (nO) Identical to [2 parameter sets] (CHA1) page 215. Switching 3 parameter sets. Note: In order to obtain 3 parameter sets, [2 parameter sets] (CHA1) must also be configured. SPS [PARAMETER SELECTION] This parameter can only be accessed on the graphic display terminal if [2 parameter sets] (CHA1) is not set to [No] (nO). Making an entry in this parameter opens a window containing all the adjustment parameters that can be accessed. Select 1 to 15 parameters using ENT (a then appears next to the parameter). Parameter(s) can also be deselected using ENT. Example: MLP- [PARAM. SET SWITCHING] (continued) PS1- [SET 1] g S101 ... S115 This parameter can be accessed if at least 1 parameter has been selected in [PARAMETER SELECTION]. Making an entry in this parameter opens a settings window containing the selected parameters in the order in which they were selected. With the graphic display terminal: With the integrated display terminal: Proceed as in the Settings menu using the parameters that appear. MLP- [PARAM. SET SWITCHING] (continued) PS2- [SET 2] g S201 ... S215 This parameter can be accessed if at least 1 parameter has been selected in [PARAMETER SELECTION]. Identical to [SET 1] (PS1-) page 215. PARAMETER SELECTION SETTINGS Ramp increment - - - - - - - - - - - - - - - - - - - - - - - - - - - RDY Term +0.0 Hz 0.0 A SET1 Acceleration : 9.51 s Deceleration : 9.67 s Acceleration 2 : 12.58 s Deceleration 2 : 13.45 s Begin Acc round: 2.3 s Code Quick ENT RDY Term +0.0 Hz 0.0 A Acceleration 9.51 s Min = 0.1 Max = 999.9 << >> Quick DRI- > CONF > FULL > FUN- > MLP-
  • 216.
    Configuration Mode (ConF) 216S1A28692 03/2010 Parameters described in this page can be accessed by: Note: We recommend that a parameter set switching test is carried out while stopped and a check is made to verify that it has been performed correctly. Some parameters are interdependent and in this case may be restricted at the time of switching. Interdependencies between parameters must be respected, even between different sets. Example: The highest [Low speed] (LSP) must be below the lowest [High speed] (HSP). MLP- [PARAM. SET SWITCHING] (continued) PS3- [SET 3] g S301 ... S315 This parameter can be accessed if [3 parameter sets] (CHA2) is not [No] (nO) and if at least 1 parameter has been selected in [PARAMETER SELECTION]. Identical to [SET 1] (PS1-) page 215. g These parameters only appear if the corresponding function has been selected in another menu. When the parameters can also be accessed and adjusted from within the configuration menu for the corresponding function, their description is detailed in these menus, on the pages indicated, to aid programming. Parameter that can be modified during operation or when stopped. Code Name / Description Adjustment range Factory setting DRI- > CONF > FULL > FUN- > MLP- > PS3-
  • 217.
    Configuration Mode (ConF) S1A2869203/2010 217 MULTIMOTORS / MULTICONFIGURATIONS Motor or configuration switching [MULTIMOTORS/CONFIG.] (MMC-) The drive may contain up to 3 configurations, which can be saved using the [FACTORY SETTINGS] (FCS-) menu, page 69. Each of these configurations can be activated remotely, enabling adaptation to: • 2 or 3 different motors or mechanisms (multimotor mode) • 2 or 3 different configurations for a single motor (multiconfiguration mode) The two switching modes cannot be combined. Note: The following conditions MUST be observed: • Switching may only take place when stopped (drive locked). If a switching request is sent during operation, it will not be executed until the next stop. • In the event of motor switching, the following additional conditions apply: - When the motors are switched, the power and control terminals concerned must also be switched as appropriate. - The maximum power of the drive must not be exceeded by any of the motors. • All the configurations to be switched must be set and saved in advance in the same hardware configuration, this being the definitive configuration (option and communication cards). Failure to follow this instruction can cause the drive to lock on an [Incorrect config.] (CFF) state. Menus and parameters switched in multimotor mode • [SETTINGS] (SEt-) • [MOTOR CONTROL] (drC-) • [INPUTS / OUTPUTS CFG] (I_O-) • [COMMAND] (CtL-) • [APPLICATION FUNCT.] (Fun-) with the exception of the [MULTIMOTORS/CONFIG.] function (to be configured once only) • [FAULT MANAGEMENT] (FLt) • [MY MENU] • [USER CONFIG.]: The name of the configuration specified by the user in the [FACTORY SETTINGS] (FCS-) menu Menus and parameters switched in multiconfiguration mode As in multimotor mode, except for the motor parameters that are common to the 3 configurations: • Rated current • Thermal current • Rated voltage • Rated frequency • Rated speed • Rated power • IR compensation • Slip compensation • Synchronous motor parameters • Type of thermal protection • Thermal state • The auto-tuning parameters and motor parameters that can be accessed in expert mode • Type of motor control Note: No other menus or parameters can be switched.
  • 218.
    Configuration Mode (ConF) 218S1A28692 03/2010 Transfer of a drive configuration to another one, with graphic display terminal, when the drive uses [MULTIMOTORS/CONFIG.] (MMC-) function Let A be the source drive and B the drive addressed. In this example, switching is controlled by logic input. 1. Connect graphic display terminal to the drive A. 2. Put logic input LI ([2 Configurations] (CnF1)) and LI ([3 Configurations] (CnF2)) to 0. 3. Download configuration 0 in a file of graphic display terminal (example: file 1 of the graphic display terminal). 4. Put logic input LI ([2 Configurations] (CnF1)) to 1 and leave logic input LI ([3 Configurations] (CnF2)) to 0. 5. Download configuration 1 in a file of graphic display terminal (example: file 2 of the graphic display terminal). 6. Put logic input LI ([3 Configurations] (CnF2)) to 1 and leave logic input LI ([2 Configurations] (CnF1)) to 1. 7. Download configuration 2 in a file of graphic display terminal (example: file 3 of the graphic display terminal). 8. Connect graphic display terminal to the drive B. 9. Put logic input LI ([2 Configurations] (CnF1)) and LI ([3 Configurations] (CnF2)) to 0. 10. Make a factory setting of the drive B. 11. Download the configuration file 0 in the drive (file 1 of graphic display terminal in this example). 12. Put logic input LI ([2 Configurations] (CnF1)) to 1 and leave logic input LI ([3 Configurations] (CnF2)) to 0. 13. Download the configuration file 1 in the drive (file 2 of graphic display terminal in this example). 14. Put logic input LI ([3 Configurations] (CnF2)) to 1 and leave logic input LI ([2 Configurations] (CnF1)) to 1. 15. Download the configuration file 2 in the drive (file 3 of graphic display terminal in this example). Note: Steps 6, 7, 14 et 15 are necessary only if [MULTIMOTORS/CONFIG.] (MMC-) function is used with 3 configurations or 3 motors. Switching command Depending on the number of motors or selected configurations (2 or 3), the switching command is sent using one or two logic inputs. The table below lists the possible combinations. Configuration 0 or motor 0 Configuration 1 or motor 1 Configuration 2 or motor 2 Current configuration Graphic display terminal Network Terminal CANopen® Modbus [2 Configurations] (CnF1) [3 Configurations] (CnF2) CnF1 = 0, CnF2 = 0 CnF1 = 1, CnF2 = 0 CnF1 = 0, CnF2 = 1 or CnF1 = 1, CnF2 = 1
  • 219.
    Configuration Mode (ConF) S1A2869203/2010 219 Schematic diagram for multimotor mode Auto-tuning in multimotor mode This auto-tuning can be performed: • Manually using a logic input when the motor changes. • Automatically each time the motor is activated for the 1st time after switching on the drive, if the [Automatic autotune] (AUt) parameter on page 96 is set to [Yes] (YES). Motor thermal states in multimotor mode: The drive helps to protect the three motors individually. Each thermal state takes into account all stop times, if the drive power is not switched off. LI 2 motors or configurations LI 3 motors or configurations Number of configurations or active motors 0 0 0 1 0 1 0 1 2 1 1 2 LI ATVppp + 24 V LI Configuration 0 if the 2 contacts are open Configuration 1 Configuration 2 Configuration 0 LO or R Configuration 1 LO or R Configuration 2 LO or R M0 M1 M2
  • 220.
    Configuration Mode (ConF) 220S1A28692 03/2010 Parameters described in this page can be accessed by: Configuration information output In the [INPUTS / OUTPUTS CFG] (I_O-) menu, a logic output can be assigned to each configuration or motor (2 or 3) for remote information transmission. Note: As the [INPUTS / OUTPUTS CFG] (I_O-) menu is switched, these outputs must be assigned in all configurations in which information is required. CAUTION RISK OF DAMAGE TO THE MOTOR The motor thermal state of each motor is not memorized when power is switched off. To continue to protect the motors, it is required to: • Perform auto-tuning on each motor every time the power is switched on, or • Use an external overload protection on each motor. Failure to follow these instructions can result in equipment damage. Code Name / Description Adjustment range Factory setting FUn- [APPLICATION FUNCT.] (continued) MMC- [MULTIMOTORS/CONFIG.] CHM [Multimotors] [No] (nO) CAUTION RISK OF DAMAGE TO THE MOTOR When [Multimotors] (CHM) is set to [Yes] (YES), the motor thermal state of each motor is not memorized when power is switched off. To continue to protect the motors, it is required to : • Perform auto-tuning on each motor every time the power is switched on, or • Use an external overload protection on each motor. Failure to follow these instructions can result in equipment damage. nO YES [No] (nO): Multiconfiguration possible [Yes] (YES): Multimotor possible CnF1 [2 Configurations] [No] (nO) nO LI1 ... Switching of 2 motors or 2 configurations. [No] (nO): No switching [LI1] (LI1): Logical input LI1 [...] (...): See the assignment conditions on page 138 CnF2 [3 Configurations] [No] (nO) Switching of 3 motors or 3 configurations. Identical to [2 Configurations] (CnF1) page 220. Note: In order to obtain 3 motors or 3 configurations, [2 Configurations] (CnF1) must also be configured. DRI- > CONF > FULL > FUN- > MMC-
  • 221.
    Configuration Mode (ConF) S1A2869203/2010 221 Parameters described in this page can be accessed by: AUTO TUNING BY LOGIC INPUT Code Name / Description Adjustment range Factory setting FUn- [APPLICATION FUNCT.] (continued) tnL- [AUTO TUNING BY LI] tUL [Auto-tune assign.] [No] (nO) nO LI1 ... Auto-tuning is performed when the assigned input or bit changes to 1. Note: Auto-tuning causes the motor to start up. [No] (nO): Not assigned [LI1] (LI1): Logical input LI1 [...] (...): See the assignment conditions on page 138 DRI- > CONF > FULL > FUN- > TNL-
  • 222.
    Configuration Mode (ConF) 222S1A28692 03/2010 TRAVERSE CONTROL Function for winding reels of yarn (in textile applications): The speed of rotation of the cam must follow a precise profile to ensure that the reel is steady, compact and linear: The function starts when the drive has reached its base reference and the traverse control command has been enabled. When the traverse control command is disabled, the drive returns to its base reference, following the ramp determined by the traverse control function. The function then stops, as soon as it has returned to this reference. Bit 15 of word LRS1 is at 1 while the function is active. Main shaft Traverse control drive Winding drive Winding motor Gearbox Traverse control motor Gearbox Cam Thread guide Thread Reel of yarn t t t t LI or traverse control bit Run command Motor speed Bit 15 of word LRS1 (traverse control active) Base reference ACC ramp dEC ramp Start of function End of function
  • 223.
    Configuration Mode (ConF) S1A2869203/2010 223 Function parameters These define the cycle of frequency variations around the base reference, as shown in the diagram below: Reel parameters: trC [Yarn control] (trC): Assignment of the traverse control command to a logic input or to a communication bus control word bit trH [Traverse freq. high] (trH): in Hertz trL [Traverse Freq. Low] (trL): in Hertz qSH [Quick step High] (qSH): in Hertz qSL [Quick step Low] (qSL): in Hertz tUP [Traverse ctrl. accel.] (tUP): time, in seconds tdn [Traverse ctrl. decel] (tdn): time, in seconds tbO [Reel time] (tbO): Time taken to make a reel, in minutes. This parameter is intended to signal the end of winding. When the traverse control operating time since command [Yarn control] (trC) reaches the value of [Reel time] (tbO), the logic output or one of the relays changes to state 1, if the corresponding function [End reel] (EbO) has been assigned. The traverse control operating time EbOt can be monitored online by a communication bus. dtF [Decrease ref. speed] (dtF): Decrease in the base reference. In certain cases, the base reference has to be reduced as the reel increases in size. The [Decrease ref. speed] (dtF) value corresponds to time [Reel time] (tbO). Once this time has elapsed, the reference continues to fall, following the same ramp. If low speed [Low speed] (LSP) is at 0, the speed reaches 0 Hz, the drive stops and must be reset by a new run command. If low speed [Low speed] (LSP) is not 0, the traverse control function continues to operate above [Low speed] (LSP). t tUP trH tdn qSH qSL trL Motor speed Base reference Frequency jump Frequency jump 0 Base reference Motor speed With LSP = 0 tbO dtF Motor speed Base reference With LSP > 0dtF tbO 0 0 t t LSP
  • 224.
    Configuration Mode (ConF) 224S1A28692 03/2010 rtr [Init. traverse ctrl] Reinitialize traverse control. This command can be assigned to a logic input or to a communication bus control word bit. It resets the EbO alarm and the EbOt operating time to 0 and reinitializes the reference to the base reference. As long as rtr remains at 1, the traverse control function is disabled and the speed remains the same as the base reference. This command is used primarily when changing reels. Base reference Motor speed tbO dtF t t t t t t t 0 0 0 0 0 0 0 Run trC EbOt Bit 15 of LRS1 EbO rtr tbO
  • 225.
    Configuration Mode (ConF) S1A2869203/2010 225 Counter wobble The Counter wobble function is used in certain applications to obtain a constant yarn tension when the Traverse control function is producing considerable variations in speed on the yarn guide motor ([Traverse freq. high] (trH) and [Traverse Freq. low] (trL), see [Traverse freq. high] (trH) page 227). Two motors must be used (one master and one slave). The master controls the speed of the yarn guide, the slave controls the winding speed. The function assigns the slave a speed profile, which is in antiphase to that of the master. This means that synchronization is required, using one of the master’s logic outputs and one of the slave’s logic inputs. Main shaft Master drive Slave drive Winding motor Gearbox Thread guide motor Gearbox Cam Thread guide Thread Reel of yarnSynchronization tSY SnC
  • 226.
    Configuration Mode (ConF) 226S1A28692 03/2010 Connection of synchronization I/O The starting conditions for the function are: • Base speeds reached on both drives • [Yarn control] (trC) input activated • Synchronization signal present Note: The [Quick step High] (qSH) and [Quick step Low] (qSL) parameters should generally be kept at 0. t t t t t trH trL trH trL Traverse control command on master and slave Run command on master and slave Yarn guide motor speed (master drive) tSY/SnC synchronization Winding motor speed (slave drive) (SnCO) LOp COM LIp (SnCI) COM ATV32 ATV32 Master drive Slave drive
  • 227.
    Configuration Mode (ConF) S1A2869203/2010 227 Parameters described in this page can be accessed by: Code Name / Description Adjustment range Factory setting FUn- [APPLICATION FUNCT.] (continued) tr0- [TRAVERSE CONTROL] Note: This function cannot be used with certain other functions. Follow the instructions on page 148. trC [Yarn control] [No] (nO) nO LI1 ... The Traverse control cycle starts when the assigned input or bit changes to 1 and stops when it changes to 0. [No] (nO): Function inactive, thereby helping to prevent access to other parameters [LI1] (LI1): Logical input LI1 [...] (...): See the assignment conditions on page 138 trH [Traverse freq. high] 0 to 10 Hz 4 Hz g (1) Traverse frequency high. trL [Traverse Freq. Low] 0 to 10 Hz 4 Hz g (1) Traverse frequency low. qSH [Quick step High] 0 to [Traverse freq. high] (trH) 0 Hz g (1) Quick step high. qSL [Quick step Low] 0 to [Traverse Freq. Low] (trL) 0 Hz g (1) Quick step low. tUP [Traverse ctrl. accel.] 0.1 to 999.9 s 4 s g Acceleration traverse control. tdn [Traverse ctrl. decel] 0.1 to 999.9 s 4 s g Deceleration traverse control. tbO [Reel time] 0 to 9,999 min 0 min g Reel execution time. EbO [End reel] [No] (nO) g The assigned output or relay changes to state 1 when the traverse control operating time reaches the [Reel time] (tbO). nO LO1 r2 dO1 [No] (nO): Not assigned [LO1] (LO1): Logical output LO1 [R2] (r2): Relay R2 [dO1] (dO1): Analog output AO1 functioning as a logic output. Selection can be made if [AO1 assignment] (AO1) page 129 is set to [No] (nO). DRI- > CONF > FULL > FUN- > TRO-
  • 228.
    Configuration Mode (ConF) 228S1A28692 03/2010 Parameters described in this page can be accessed by: (1) The parameter can also be accessed in the [SETTINGS] (SEt-) menu. SnC [Counter wobble] [No] (nO) g Synchronization input. To be configured on the winding drive (slave) only. nO LI1 ... [No] (nO): Function inactive, thereby helping to prevent access to other parameters [LI1] (LI1): Logical input LI1 [...] (...): See the assignment conditions on page 138 tSY [Sync. wobble] [No] (nO) g Synchronization output. To be configured on the yarn guide drive (master) only. nO LO1 r2 dO1 [No] (nO): Function not assigned [LO1] (LO1) [R2] (r2) [dO1] (dO1): Analog output AO1 functioning as a logic output. Selection can be made if [AO1 assignment] (AO1) page 129 is set to [No] (nO). dtF [Decrease ref. speed] 0 to 599 Hz 0 Hz g Decrease in the base reference during the traverse control cycle. rtr [Init. traverse ctrl] [No] (nO) g When the state of the assigned input or bit changes to 1, the traverse control operating time is reset to 0, along with [Decrease ref. speed] (dtF). nO LI1 ... [No] (nO): Function not assigned [LI1] (LI1): Logical input LI1 [...] (...): See the assignment conditions on page 138 Code Name / Description Adjustment range Factory setting g These parameters only appear if the corresponding function has been selected in another menu. When the parameters can also be accessed and adjusted from within the configuration menu for the corresponding function, their description is detailed in these menus, on the pages indicated, to aid programming. Parameter that can be modified during operation or when stopped. DRI- > CONF > FULL > FUN- > TRO-
  • 229.
    Configuration Mode (ConF) S1A2869203/2010 229 Parameters described in this page can be accessed by: HIGH SPEED SWITCHING Code Name / Description Adjustment range Factory setting FUn- [APPLICATION FUNCT.] (continued) CHS- [HSP SWITCHING] SH2 [2 High speed] [No] (nO) nO FtA F2A LI1 ... High Speed Switching. [No] (nO): Function not assigned [Freq. Th. attain.] (FtA): Frequency threshold attained [Freq. Th 2 attain.] (F2A): Frequency threshold 2 attained [LI1] (LI1): Logical input LI1 [...] (...): See the assignment conditions on page 138 SH4 [4 High speed] [No] (nO) High Speed Switching. Note: In order to obtain 4 High speed, [2 High speed] (SH2) must also be configured. Identical to [2 High speed] (SH2) page 229. HSP [High speed] 0 to 599 Hz 50 Hz Motor frequency at maximum reference, can be set between [Low speed] (LSP) and [Max frequency] (tFr). The factory setting changes to 60 Hz if [Standard mot. freq] (bFr) is set to [60Hz NEMA] (60). HSP2 [High speed 2] 0 to 599 Hz 50 Hz g Visible if [2 High speed] (SH2) is not set to [No] (nO). Identical to [High speed] (HSP) page 229. HSP3 [High speed 3] 0 to 599 Hz 50 Hz g Visible if [4 High speed] (SH4) is not set to [No] (nO). Identical to [High speed] (HSP) page 229. HSP4 [High speed 4] 0 to 599 Hz 50 Hz g Visible if [4 High speed] (SH4) is not set to [No] (nO). Identical to [High speed] (HSP) page 229. g These parameters only appear if the corresponding function has been selected in another menu. When the parameters can also be accessed and adjusted from within the configuration menu for the corresponding function, their description is detailed in these menus, on the pages indicated, to aid programming. Parameter that can be modified during operation or when stopped. DRI- > CONF > FULL > FUN- > CHS-
  • 230.
    Configuration Mode (ConF) 230S1A28692 03/2010 Fault Management With integrated display terminal: Summary of functions: Code Name Page PtC [PTC MANAGEMENT] 232 rSt [FAULT RESET] 232 Atr [AUTOMATIC RESTART] 234 AlS [ALARMS SETTING] 234 FLr [CATCH ON THE FLY] 235 tHt [MOTOR THERMAL PROT.] 237 OPL [OUTPUT PHASE LOSS] 238 IPL [INPUT PHASE LOSS] 238 OHL [DRIVE OVERHEAT] 239 SAt [THERMAL ALARM STOP] 240 EtF [EXTERNAL FAULT] 240 USb [UNDERVOLTAGE MGT] 241 tIt [IGBT TESTS] 242 LFL [4-20mA LOSS] 242 InH [FAULT INHIBITION] 243 CLL [COM. FAULT MANAGEMENT] 243 tId [TORQUE OR I LIM. DETECT] 245 FqF [FREQUENCY METER] 247 dLd [DYNAMIC LOAD DETECT.] 248 tnF [AUTO TUNING FAULT] 249 PPI [CARDS PAIRING] 250 ULd [PROCESS UNDERLOAD] 251 OLd [PROCESS OVERLOAD] 253 LFF [FALLBACK SPEED] 253 FSt [RAMP DIVIDER] 254 dCI [DC INJECTION] 254
  • 231.
    Configuration Mode (ConF) S1A2869203/2010 231 The parameters in the [FAULT MANAGEMENT] (FLt-) menu can only be modified when the drive is stopped and there is no run command, except for parameters with a symbol in the code column, which can be modified with the drive running or stopped. FULL FUn- SIM- ESC ESC ESC ENT LAC CON- FLt- ESC ESC ENT ESC = ENT ESC = ESC FAULT MANAGEMENT From ConF menu
  • 232.
    Configuration Mode (ConF) 232S1A28692 03/2010 Parameters described in this page can be accessed by: PTC probe 1 set of PTC probe can be managed by the drive in order to help to protect the motor: on logic input LI6 converted for this use by switch SW2 on the control block. The PTC probe is monitored for the following detected faults: • Motor overheating • Sensor break • Sensor short-circuit Protection via PTC probe does not disable protection via I2 t calculation performed by the drive (the two types of protection can be combined). R1A R1B R1C COM AO1 COM AI3 AI2 10V AI1 COM +24 P24 STO LO+ LO- LI6 LI5 LI4 LI3 LI2 LI1 R2C R2A SW1 SW2 LI6 PTC Source Sink ext. Sink int. Code Name / Description Adjustment range Factory setting FULL [FULL] (continued) FLt- [FAULT MANAGEMENT] PtC- [PTC MANAGEMENT] PtCL [LI6 = PTC probe] [No] (nO) nO AS rdS rS Check first that the switch SW2 on the control block is set to PTC. [No] (nO): Not used [Always] (AS): PTC probe are monitored permanently, even if the power supply is not connected (as long as the control remains connected to the power supply) [Power ON] (rdS): PTC probe are monitored while the drive power supply is connected [Motor ON] (rS): PTC probe are monitored while the motor power supply is connected FLt- [FAULT MANAGEMENT] (continued) rSt- [FAULT RESET] rSF [Fault reset] [No] (nO) nO LI1 ... Detected faults are cleared manually when the assigned input or bit changes to 1, if the cause of the detected fault has disappeared. The STOP/RESET key on the graphic display terminal performs the same function. Following detected faults can be cleared manually : ASF, brF, bLF, CnF, COF, dLF, EPF1, EPF2, FbES, FCF2, InF9, InFA, InFb, LCF, LFF3, ObF, OHF, OLC, OLF, OPF1, OPF2, OSF, OtFL, PHF, PtFL, SCF4, SCF5, SLF1, SLF2, SLF3, SOF, SPF, SSF, tJF, tnF and ULF. [No] (nO): Function inactive [LI1] (LI1): Logical input LI1 [...] (...): See the assignment conditions on page 138 DRI- > CONF > FULL > FLT-
  • 233.
    Configuration Mode (ConF) S1A2869203/2010 233 Parameters described in this page can be accessed by: rPA [Product reset assig.] [No] (nO) g DANGER UNINTENDED EQUIPMENT OPERATION This configuration enables to reset the drive. Check this action will not endanger personnel or equipment in any way. Failure to follow these instructions will result in death or serious injury. nO LI1 ... LI6 LAI1 LAI2 OL01 ... OL10 This parameter can only be modified if [3.1 ACCESS LEVEL] (LAC) is set to [Expert] (EPr) mode. Drive reinitialization via logic input. Can be used to reset all detected faults without having to disconnect the drive from the power supply. The drive is reinitialized on a rising edge (change from 0 to 1) of the assigned input. The drive can only be reinitialized when locked. To assign reinitialization, press and hold down the ENT key for 2 s. [No] (nO): Function inactive [LI1] (LI1): Logical input LI1 ... [LI6] (LI6): Logical input LI6 [LAI1] (LAI1): Logical input AI1 [LAI2] (LAI2): Logical input AI2 [OL01] (OL01): Function blocks: Logical Output 01 ... [OL10] (OL10): Function blocks: Logical Output 10 rP [Product reset] [No] (nO) g DANGER UNINTENDED EQUIPMENT OPERATION You are going to reset the drive. Check this action will not endanger personnel or equipment in any way. Failure to follow these instructions will result in death or serious injury. nO YES This parameter can only be accessed if [3.1 ACCESS LEVEL] (LAC) is set to [Expert] (EPr) mode. Drive reinitialization. Can be used to reset all detected faults without having to disconnect the drive from the power supply. [No] (nO): Function inactive [Yes] (YES): Reinitialization. Press and hold down the ENT key for 2 s. The parameter changes back to [No] (nO) automatically as soon as the operation is complete. The drive can only be reinitialized when locked. Code Name / Description Adjustment range Factory setting DRI- > CONF > FULL > FLT- > RST-
  • 234.
    Configuration Mode (ConF) 234S1A28692 03/2010 Parameters described in this page can be accessed by: FLt- [FAULT MANAGEMENT] (continued) Atr- [AUTOMATIC RESTART] Atr [Automatic restart] [No] (nO) DANGER UNINTENDED EQUIPMENT OPERATION • The automatic restart can only be used on machines or installations which do not pose any danger to either personnel or equipment. • If the automatic restart is activated, R1 will only indicate a fault has been detected once the time-out period for the restart sequence has expired. • The equipment must be used in compliance with national and regional safety regulations. Failure to follow these instructions will result in death or serious injury. nO YES The drive fault relay remains activated if this function is active. The speed reference and the operating direction must be maintained. Use 2-wire control ([2/3 wire control] (tCC) is set to [2 wire] (2C) and [2 wire type] (tCt) is set to [Level] (LEL), see [2/3 wire control] (tCC) page 73). If the restart has not taken place once the configurable time tAr has elapsed, the procedure is aborted and the drive remains locked until it is turned off and then on again. The fault codes, which permit this function, are listed on page 293. [No] (nO): Function inactive [Yes] (YES): Automatic restart, after locking in fault state, if the detected fault has disappeared and the other operating conditions permit the restart. The restart is performed by a series of automatic attempts separated by increasingly longer waiting periods: 1 s, 5 s, 10 s, then 1 minute for the following attempts. tAr [Max. restart time] [5 minutes] (5) g This parameter appears if [Automatic restart] (Atr) is set to [Yes] (YES). It can be used to limit the number of consecutive restarts on a recurrent detected fault. 5 10 30 1h 2h 3h Ct [5 min] (5): 5 minutes [10 minutes] (10): 10 minutes [30 minutes] (30): 30 minutes [1 hour] (1h): 1 hour [2 hours] (2h): 2 hours [3 hours] (3h): 3 hours [Unlimited] (Ct): Unlimited FLt- [FAULT MANAGEMENT] (continued) ALS- [ALARM SETTING] Ctd (1) [Current threshold] 0 to 1.5 In (1) INV Motor current threshold. Ftd [Freq. threshold] 0 to 599 Hz 50 Hz Motor frequency threshold. F2d [Freq. threshold 2] 0 to 599 Hz 50 Hz Motor frequency threshold. ttH [High torque thd.] -300 to 300% 100% High torque frequency threshold. ttL [Low torque thd.] -300 to 300% 50% Low torque frequency threshold. Code Name / Description Adjustment range Factory setting 2 s DRI- > CONF > FULL > FLT- > ATR-
  • 235.
    Configuration Mode (ConF) S1A2869203/2010 235 Parameters described in this page can be accessed by: (1) In corresponds to the rated drive current indicated in the Installation manual and on the drive nameplate. FqL [Pulse warning thd.] 0 to 20,000 Hz 0 Hz g Frequency level. Visible if [Frequency meter] (FqF) is not [No] (nO). FLt- [FAULT MANAGEMENT] (continued) FLr- [CATCH ON THE FLY] Note: This function cannot be used with certain other functions. Follow the instructions on page 147. FLr [Catch on the fly] [No] (nO) nO YES Used to enable a smooth restart if the run command is maintained after the following events: - Loss of line supply or disconnection. - Clearance of current detected fault or automatic restart. - Freewheel stop. The speed given by the drive resumes from the estimated speed of the motor at the time of the restart, then follows the ramp to the reference speed. This function requires 2-wire level control. When the function is operational, it activates at each run command, resulting in a slight delay of the current (0.5 s max). [Catch on the fly] (FLr) is forced to [No] (nO) if brake logic control [Brake assignment] (bLC) is assigned (page 179) or if [Auto DC injection] (AdC) is set to [Continuous] (Ct) page 161 . [No] (nO): Function inactive [Yes] (YES): Function active Code Name / Description Adjustment range Factory setting g These parameters only appear if the corresponding function has been selected in another menu. When the parameters can also be accessed and adjusted from within the configuration menu for the corresponding function, their description is detailed in these menus, on the pages indicated, to aid programming. Parameter that can be modified during operation or when stopped. To change the assignment of this parameter, press the ENT key for 2 s.2 s DRI- > CONF > FULL > FUN- > FLT- > ALS-
  • 236.
    Configuration Mode (ConF) 236S1A28692 03/2010 Motor thermal protection Function Thermal protection by calculating the I²t. Note: The motor thermal state is not saved when the drive is switched off. • Self-cooled motors: The tripping curves depend on the motor frequency. • Force-cooled motors: Only the 50 Hz tripping curve needs to be considered, regardless of the motor frequency. The following curves represent the trip time in seconds:. 10, 000 1, 000 100 0.7 0.8 0.9 1 1.1 1.2 1.3 1.4 1.5 1.6 50 Hz20 Hz10 Hz 1 Hz 3 Hz 5 Hz Trip time in seconds Motor current / ItH CAUTION RISK OF DAMAGE TO THE MOTOR External protection against overloads is required under the following circumstances: • When the product is being switched on again, as there is no memory to record the motor thermal state • When supplying more than one motor • When supplying motors with ratings less than 0.2 times the nominal drive current • When using motor switching Failure to follow these instructions can result in equipment damage.
  • 237.
    Configuration Mode (ConF) S1A2869203/2010 237 Parameters described in this page can be accessed by: Code Name / Description Adjustment range Factory setting FLt- [FAULT MANAGEMENT] (continued) tHt- [MOTOR THERMAL PROT.] tHt [Motor protect. type] [Self cooled] (ACL) nO ACL FCL Note: A trip will occur when the thermal state reaches 118% of the rated state and reactivation will occur when the state falls back below 100%. [No] (nO): No protection [Self cooled] (ACL): For self-cooled motors [Force-cool] (FCL): For force-cooled motors ttd [Motor therm. level] 0 to 118% 100% (1) Trip threshold for motor thermal alarm (logic output or relay). ttd2 [Motor2 therm. level] 0 to 118% 100% Trip threshold for motor 2 thermal alarm (logic output or relay). ttd3 [Motor3 therm. level] 0 to 118% 100% Trip threshold for motor 3 thermal alarm (logic output or relay). OLL [Overload fault mgt] [Freewheel] (YES) CAUTION RISK OF DAMAGE TO THE MOTOR If [Overload fault mgt] (OLL) is set to [Ignore] (nO), motor thermal protection is no longuer provided by the drive. Provide an alternative means of thermal protection. Failure to follow these instructions can result in equipment damage. nO YES Stt LFF rLS rMP FSt dCI Type of stop in the event of a motor thermal trip. [Ignore] (nO): Detected fault ignored [Freewheel] (YES): Freewheel stop [Per STT] (Stt): Stop according to configuration of [Type of stop] (Stt) page 158, without tripping. In this case, the fault relay does not open and the drive is ready to restart as soon as the detected fault disappears, according to the restart conditions of the active command channel (for example, according to [2/3 wire control] (tCC) and [2 wire type] (tCt) page 112 if control is via the terminals). Configuring an alarm for this detected fault is recommended (assigned to a logic output, for example) in order to indicate the cause of the stop. [fallback spd] (LFF): Change to fallback speed, maintained as long as the detected fault persists and the run command has not been removed (2) [Spd maint.] (rLS): The drive maintains the speed being applied when the detected fault occurred, as long as the detected fault is present and the run command has not been removed (2) [Ramp stop] (rMP): Stop on ramp [Fast stop] (FSt): Fast stop [DC injection] (dCI): DC injection stop. This type of stop cannot be used with certain other functions. See table on page 150 MtM [Mot THR memo] [No] (nO) nO YES Motor thermal state memorization. [No] (nO): Motor thermal state is not stored at power off [Yes] (YES): Motor thermal state is stored at power off DRI- > CONF > FULL > FLT- > THT-
  • 238.
    Configuration Mode (ConF) 238S1A28692 03/2010 Parameters described in this page can be accessed by: FLt- [FAULT MANAGEMENT] (continued) OPL- [OUTPUT PHASE LOSS] OPL [Output Phase Loss] [Yes] (YES) DANGER HAZARD OF ELECTRIC SHOCK, EXPLOSION, OR ARC FLASH If [Output phase loss] (OPL) is set to [No] (nO) or [Output cut] (OAC), loss of cable is not detected. Check this action will not endanger personnel or equipment in any way. Failure to follow these instructions will result in death or serious injury. nO YES OAC Note: [Output phase loss] (OPL) is set to [No] (nO) when [Motor control type] (Ctt) page 92 is set to [Sync. mot.] (SYn). For other [Motor control type] (Ctt) configurations, [Output phase loss] (OPL) is forced to [Yes] (YES) if brake logic control is configured. [No] (nO): Function inactive [Yes] (YES): Tripping on [Output phase loss] (OPL) with freewheel stop [Output cut] (OAC): No fault triggered, but management of the output voltage in order to avoid an overcurrent when the link with the motor is re-established and catch on the fly performed (even if this function has not been configured). The drive switches to [Output cut] (SOC) state after [OutPh time detect] (Odt) time. Catch on fly is possible as soon as the drive is in Stand by output cut [Output cut] (SOC) state. Odt [OutPh time detect] 0.5 to 10 s 0.5 s Time delay for taking the [Output Phase Loss] (OPL) detected fault into account. FLt- [FAULT MANAGEMENT] (continued) IPL- [INPUT PHASE LOSS] IPL [Input phase loss] According to drive rating g Cannot be accessed if drive rating is ATVpppM2. In this case, no factory settings value. Factory setting : [Freewheel] (YES) for drive rating ATV32pppN4. If 1 phase disappears and if this leads to performance decrease, the drive switches to fault mode [Input phase loss] (PFH). If 2 or 3 phases disappear, the drive trips in [Input phase loss] (PFH). nO YES [Ignore] (nO): Detected fault ignored [Freewheel] (YES): Detected fault with freewheel stop Code Name / Description Adjustment range Factory setting 2 s 2 s DRI- > CONF > FULL > FLT- > OPL-
  • 239.
    Configuration Mode (ConF) S1A2869203/2010 239 Parameters described in this page can be accessed by: (1) The parameter can also be accessed in the [SETTINGS] (SEt-) menu. (2) Because, in this case, the detected fault does not trigger a stop, it is recommended to assign a relay or logic output to its indication. FLt- [FAULT MANAGEMENT] (continued) OHL- [DRIVE OVERHEAT] OHL [Overtemp fault mgt] [Freewheel] (YES) CAUTION RISK OF EQUIPMENT DAMAGE Inhibiting drive overheating fault detection results in the drive not being protected. This invalidates the warranty. Check that the possible consequences do not present any risk. Failure to follow these instructions can result in injury or equipment damage. nO YES Stt LFF rLS rMP FSt dCI Behavior in the event of the drive overheating. Note: A trip will occur when the thermal state reaches 118% of the rated state and reactivation will occur when the state falls back below 90%. [Ignore] (nO): Detected fault ignored [Freewheel] (YES): Freewheel stop [Per STT] (Stt): Stop according to configuration of [Type of stop] (Stt) page 158, without tripping. In this case, the fault relay does not open and the drive is ready to restart as soon as the detected fault disappears, according to the restart conditions of the active command channel (for example, according to [2/3 wire control] (tCC) and [2 wire type] (tCt) page 112 if control is via the terminals). Configuring an alarm for this detected fault is recommended (assigned to a logic output, for example) in order to indicate the cause of the stop. [fallback spd] (LFF): Change to fallback speed, maintained as long as the detected fault persists and the run command has not been removed (2) [Spd maint.] (rLS): The drive maintains the speed being applied when the detected fault occurred, as long as the detected fault is present and the run command has not been removed (2) [Ramp stop] (rMP): Stop on ramp [Fast stop] (FSt): Fast stop [DC injection] (dCI): DC injection stop. This type of stop cannot be used with certain other functions. See table on page 148 tHA [Drv therm. state al] 0 to 118% 100% Trip threshold for drive thermal alarm (logic output or relay). Code Name / Description Adjustment range Factory setting g These parameters only appear if the corresponding function has been selected in another menu. When the parameters can also be accessed and adjusted from within the configuration menu for the corresponding function, their description is detailed in these menus, on the pages indicated, to aid programming. Parameter that can be modified during operation or when stopped. To change the assignment of this parameter, press the ENT key for 2 s.2 s DRI- > CONF > FULL > FLT- > OHL-
  • 240.
    Configuration Mode (ConF) 240S1A28692 03/2010 Parameters described in this page can be accessed by: Deferred stop on thermal alarm This function helps to prevent the drive stopping between two steps of the process if the drive or motor overheats, by authorizing operation until the next stop. At the next stop, the drive is locked until the thermal state falls back to a value, which undershoots the set threshold by 20%. Example: A trip threshold set at 80% enables reactivation at 60%. One thermal state threshold must be defined for the drive, and one thermal state threshold for the motor(s), which will trip the deferred stop. Code Name / Description Adjustment range Factory setting FLt- [FAULT MANAGEMENT] (continued) SAt- [THERMAL ALARM STOP] SAt [Thermal alarm stop] [No] (nO) nO YES Thermal alarm stop function allow to set a custom alarm thermal level for the drive or the motor. When one of these levels is reached, the drive trips in freewheel stop. [No] (nO): Function inactive (in this case, the following parameters cannot be accessed) [Yes] (YES): Freewheel stop on drive or motor thermal alarm tHA [Drv therm. state al] 0 to 118% 100% Thermal state threshold of the drive tripping the deferred stop. ttd [Motor therm. level] 0 to 118% 100% Thermal state threshold of the motor tripping the deferred stop. ttd2 [Motor2 therm. level] 0 to 118% 100% Thermal state threshold of the motor 2 tripping the deferred stop. ttd3 [Motor3 therm. level] 0 to 118% 100% Thermal state threshold of the motor 3 tripping the deferred stop. FLt- [FAULT MANAGEMENT] (continued) EtF- [EXTERNAL FAULT] EtF [External fault ass.] [No] (nO) nO LI1 ... If the assigned bit is at 0, there is no external fault. If the assigned bit is at 1, there is an external fault. Logic can be configured via [External fault config] (LEt) if a logic input has been assigned. [No] (nO): Function inactive [LI1] (LI1): Logical input LI1 [...] (...): See the assignment conditions on page 138 LEt [External fault config] [Active high] (HIG) g Parameter can be accessed if the external fault has been assigned to a logic input. It defines the positive or negative logic of the input assigned to the detected fault. LO HIG [Active low] (LO): Trip on falling edge (change from 1 to 0) of the assigned input [Active high] (HIG): Trip on rising edge (change from 0 to 1) of the assigned input DRI- > CONF > FULL > FLT- > SAT-
  • 241.
    Configuration Mode (ConF) S1A2869203/2010 241 Parameters described in this page can be accessed by: EPL [External fault mgt] [Freewheel] (YES) nO YES Stt LFF rLS rMP FSt dCI Type of stop in the event of an external fault. [Ignore] (nO): External fault ignored [Freewheel] (YES): Freewheel stop [Per STT] (Stt): Stop according to configuration of [Type of stop] (Stt) page 158, without tripping. In this case, the fault relay does not open and the drive is ready to restart as soon as the detected fault disappears, according to the restart conditions of the active command channel (for example, according to [2/3 wire control] (tCC) and [2 wire type] (tCt) page 112 if control is via the terminals). Configuring an alarm for this detected fault is recommended (assigned to a logic output, for example) in order to indicate the cause of the stop. [fallback spd] (LFF): Change to fallback speed, maintained as long as the detected fault persists and the run command has not been removed (1) [Spd maint.] (rLS): The drive maintains the speed being applied when the detected fault occurred, as long as the detected fault is present and the run command has not been removed (1) [Ramp stop] (rMP): Stop on ramp [Fast stop] (FSt): Fast stop [DC injection] (dCI): DC injection stop. This type of stop cannot be used with certain other functions. See table on page 150 FLt- [FAULT MANAGEMENT] (continued) USb- [UNDERVOLTAGE MGT] USb [UnderV. fault mgt] [Std fault] (0) 0 1 2 Behavior of the drive in the event of an undervoltage. [Std fault] (0): The drive trips and the external fault signal is triggered (the fault relay assigned to [No drive flt] (FLt) will be opened) [Flt wo relay] (1): The drive trips but the external fault signal is not triggered (the fault relay assigned to [No drive flt] (FLt) remains closed) [Alarm] (2): Alarm and fault relay remain closed. The alarm can be assigned to a logic output or a relay UrES [Mains voltage] According to drive voltage rating According to drive voltage rating 200 220 230 240 380 400 440 460 500 Rated voltage of the line supply in V. For ATV32pppM2: [200V ac] (200): 200 Volts AC [220V ac] (220): 220 Volts AC [230V ac] (230): 230 Volts AC [240V ac] (240): 240 Volts AC For ATV32pppN4: [380V ac] (380): 380 Volts AC [400V ac] (400): 400 Volts AC [440V ac] (440): 440 Volts AC [460V ac] (460): 460 Volts AC [500V ac] (500): 500 Volts AC (factory setting) USL [Undervoltage level] 100 to 276 V According to drive rating Undervoltage fault level setting in Volts. The factory setting is determined by the drive voltage rating. USt [Undervolt. time out] 0.2 s to 999.9 s 0.2 s Time delay for taking undervoltage detected fault into account. StP [UnderV. prevention] [No] (nO) nO MMS rMP LnF Behavior in the event of the undervoltage prevention level being reached. [No] (nO): No action [DC Maintain] (MMS): This stop mode uses the inertia to maintain the DC bus voltage as long as possible [Ramp stop] (rMP): Stop following an adjustable ramp [Max stop time] (StM) [Lock-out] (LnF): Lock (freewheel stop) without trip tSM [UnderV. restart tm] 1.0 s to 999.9 s 1.0 s g Time delay before authorizing the restart after a complete stop for [UnderV. prevention] (StP) = [Ramp stop] (rMP), if the voltage has returned to normal. Code Name / Description Adjustment range Factory setting DRI- > CONF > FULL > FLT- > ETF-
  • 242.
    Configuration Mode (ConF) 242S1A28692 03/2010 Parameters described in this page can be accessed by: (1) Because, in this case, the detected fault does not trigger a stop, it is recommended to assign a relay or logic output to its indication. UPL [Prevention level] 133 to 261 V According to drive rating g Undervoltage prevention level setting in Volts, which can be accessed if [UnderV. prevention] (StP) is not [No] (nO). The adjustment range and factory setting are determined by the drive voltage rating and the [Mains voltage] (UrES) value. StM [Max stop time] 0.01 to 60.00 s 1.00 s g Ramp time if [UnderV. prevention] (StP) is set to [Ramp stop] (rMP). tbS [DC bus maintain tm] 1 to 9,999 s 9,999 s g DC bus maintain time if [UnderV. prevention] (StP) is set to [DC Maintain] (MMS). FLt- [FAULT MANAGEMENT] (continued) tIt- [IGBT TESTS] Strt [IGBT test] [No] (nO) nO YES [No] (nO): No test [Yes] (YES): The IGBTs are tested on power up and every time a run command is sent. These tests cause a slight delay (a few ms). In the event of a detected fault, the drive will lock. The following faults can be detected: - Drive output short-circuit (terminals U-V-W): SCF display. - IGBT inoperable: xtF, where x indicates the number of the IGBT concerned. - IGBT short-circuited: x2F, where x indicates the number of the IGBT concerned. FLt- [FAULT MANAGEMENT] (continued) LFL- [4-20mA LOSS] LFL3 [AI3 4-20mA loss] [Ignore] (nO) nO YES Stt LFF rLS rMP FSt dCI [Ignore] (nO): Detected fault ignored. This is the only possible configuration if [AI3 min. value] (CrL3) page 121 is not greater than 3 mA [Freewheel] (YES): Freewheel stop [Per STT] (Stt): Stop according to configuration of [Type of stop] (Stt) page 158, without fault tripping. In this case, the fault relay does not open and the drive is ready to restart as soon as the detected fault disappears, according to the restart conditions of the active command channel (for example, according to [2/3 wire control] (tCC) and [2 wire type] (tCt) page 112 if control is via the terminals). Configuring an alarm for this detected fault is recommended (assigned to a logic output, for example) in order to indicate the cause of the stop [Fallback spd] (LFF): Change to fallback speed, maintained as long as the detected fault persists and the run command has not been removed (1) [Spd maint.] (rLS): The drive maintains the speed being applied when the detected fault occurred, as long as the detected fault is present and the run command has not been removed (1) [Ramp stop] (rMP): Stop on ramp [Fast stop] (FSt): Fast stop [DC injection] (dCI): DC injection stop. This type of stop cannot be used with certain other functions. See table on page 148 Code Name / Description Adjustment range Factory setting g These parameters only appear if the corresponding function has been selected in another menu. When the parameters can also be accessed and adjusted from within the configuration menu for the corresponding function, their description is detailed in these menus, on the pages indicated, to aid programming. Parameter that can be modified during operation or when stopped. DRI- > CONF > FULL > FLT- > USB-
  • 243.
    Configuration Mode (ConF) S1A2869203/2010 243 Parameters described in this page can be accessed by: Parameter can be accessed in [Expert] mode Code Name / Description Adjustment range Factory setting FLt- [FAULT MANAGEMENT] (continued) InH- [FAULT INHIBITION] InH [Fault inhibit assign.] [No] (nO) g DANGER LOSS OF PERSONNEL AND EQUIPMENT PROTECTION Enabling [Fault inhibit assign.] (InH) will disable the drive controller protection features. • [Fault inhibit assign.] (InH) should not be enabled for typical applications of this equipment. • [Fault inhibit assign.] (InH) should be enabled only in extraordinary situations where a thorough risk analysis demonstrates that the presence of adjustable speed drive protection poses a greater risk than personnel injury or equipment damage. Failure to follow these instructions will result in death or serious injury. If the assigned input or bit is at 0, detected fault monitoring is active. If the assigned input or bit is at 1, fault monitoring is inactive. Active detected faults are cleared on a rising edge (change from 0 to 1) of the assigned input or bit. Note: The Safe Torque Off function and any detected faults that help to prevent any form of operation are not affected by this function. Following faults can be inhibited: AnF, CnF, COF, CrF1, dLF, EnF, EPF1, EPF2, FCF2, InFA, InFb, LFF3, ObF, OHF, OLC, OLF, OPF1, OPF2, OSF, OtFL,PHF, PtFL, SLF1, SLF2, SLF3, SOF, SPF, SSF, tJF, tnF and ULF. nO LI1 ... [No] (nO): Function inactive [LI1] (LI1): Logical input LI1 [...] (...): See the assignment conditions on page 138 FLt- [FAULT MANAGEMENT] (continued) CLL- [COM. FAULT MANAGEMENT] CLL [Network fault mgt] [Freewheel] (YES) WARNING LOSS OF CONTROL If Network fault management [Network fault mgt] (CLL) is set to [Ignore] (nO), communication control will be inhibited. For safety reasons, inhibiting the communication interruption detection should be restricted to the debug phase or to special applications. Failure to follow these instructions can result in death, serious injury, or equipment damage. nO YES Stt LFF rLS rMP FSt dCI Behavior of the drive in the event of a communication interruption with a communication card. [Ignore] (nO): Detected fault ignored [Freewheel] (YES): Freewheel stop [Per STT] (Stt): Stop according to configuration of [Type of stop] (Stt) page 158, without fault tripping. In this case, the fault relay does not open and the drive is ready to restart as soon as the detected fault disappears, according to the restart conditions of the active command channel (for example, according to [2/3 wire control] (tCC) and [2 wire type] (tCt) page 112 if control is via the terminals). Configuring an alarm for this detected fault is recommended (assigned to a logic output, for example) in order to indicate the cause of the stop [Fallback spd] (LFF): Change to fallback speed, maintained as long as the detected fault persists and the run command has not been removed (1) [Spd maint.] (rLS): The drive maintains the speed being applied when the detected fault occurred, as long as the detected fault is present and the run command has not been removed (1) [Ramp stop] (rMP): Stop on ramp [Fast stop] (FSt): Fast stop [DC injection] (dCI): DC injection stop. This type of stop cannot be used with certain other functions. See table on page 148 2 s DRI- > CONF > FULL > FLT- > INH-
  • 244.
    Configuration Mode (ConF) 244S1A28692 03/2010 Parameters described in this page can be accessed by: COL [CANopen fault mgt] [Freewheel] (YES) WARNING LOSS OF CONTROL If CANopen® fault management [Unld. Thr. 0. Speed.] (COL) is set to [Ignore] (nO), communication control will be inhibited. For safety reasons, inhibiting the communication interruption detection should be restricted to the debug phase or to special applications. Failure to follow these instructions can result in death, serious injury, or equipment damage. nO YES Stt LFF rLS rMP FSt dCI Behavior of the drive in the event of a communication interruption with integrated CANopen®. [Ignore] (nO): Detected fault ignored [Freewheel] (YES): Freewheel stop [Per STT] (Stt): Stop according to configuration of [Type of stop] (Stt) page 158, without fault tripping. In this case, the fault relay does not open and the drive is ready to restart as soon as the detected fault disappears, according to the restart conditions of the active command channel (for example, according to [2/3 wire control] (tCC) and [2 wire type] (tCt) page 112 if control is via the terminals). Configuring an alarm for this detected fault is recommended (assigned to a logic output, for example) in order to indicate the cause of the stop. [fallback spd] (LFF): Change to fallback speed, maintained as long as the detected fault persists and the run command has not been removed (1) [Spd maint.] (rLS): The drive maintains the speed being applied when the detected fault occurred, as long as the detected fault is present and the run command has not been removed (1) [Ramp stop] (rMP): Stop on ramp [Fast stop] (FSt): Fast stop [DC injection] (dCI): DC injection stop. This type of stop cannot be used with certain other functions. See table on page 150. SLL [Modbus fault mgt] [Freewheel] (YES) WARNING LOSS OF CONTROL If Modbus fault management [Modbus fault mgt] (SLL) is set to [Ignore] (nO), communication control will be inhibited. For safety reasons, inhibiting the communication interruption detection should be restricted to the debug phase or to special applications. Failure to follow these instructions can result in death, serious injury, or equipment damage. nO YES Stt LFF rLS rMP FSt dCI Behavior of the drive in the event of a communication interruption with integrated Modbus. [Ignore] (nO): Detected fault ignored [Freewheel] (YES): Freewheel stop [Per STT] (Stt): Stop according to configuration of [Type of stop] (Stt) page 158, without fault tripping. In this case, the fault relay does not open and the drive is ready to restart as soon as the detected fault disappears, according to the restart conditions of the active command channel (for example, according to [2/3 wire control] (tCC) and [2 wire type] (tCt) page 112 if control is via the terminals). Configuring an alarm for this detected fault is recommended (assigned to a logic output, for example) in order to indicate the cause of the stop. [fallback spd] (LFF): Change to fallback speed, maintained as long as the detected fault persists and the run command has not been removed (1) [Spd maint.] (rLS): The drive maintains the speed being applied when the detected fault occurred, as long as the detected fault is present and the run command has not been removed (1) [Ramp stop] (rMP): Stop on ramp [Fast stop] (FSt): Fast stop [DC injection] (dCI): DC injection stop. This type of stop cannot be used with certain other functions. See table on page 150. Code Name / Description Adjustment range Factory setting DRI- > CONF > FULL > FLT- > CLL-
  • 245.
    Configuration Mode (ConF) S1A2869203/2010 245 Parameters described in this page can be accessed by: (1) Because, in this case, the detected fault does not trigger a stop, it is recommended to assign a relay or logic output to its indication. FLt- [FAULT MANAGEMENT] (continued) tId- [TORQUE OR I LIM. DETECT] SSb [Trq/I limit. stop] [Ignore] (nO) nO YES Stt LFF rLS rMP FSt dCI Behavior in the event of switching to torque or current limitation. [Ignore] (nO): Detected fault ignored [Freewheel] (YES): Freewheel stop [Per STT] (Stt): Stop according to configuration of [Type of stop] (Stt) page 158, without fault tripping. In this case, the fault relay does not open and the drive is ready to restart as soon as the detected fault disappears, according to the restart conditions of the active command channel (for example, according to [2/3 wire control] (tCC) and [2 wire type] (tCt) page 112 if control is via the terminals). Configuring an alarm for this detected fault is recommended (assigned to a logic output, for example) in order to indicate the cause of the stop [fallback spd] (LFF): Change to fallback speed, maintained as long as the detected fault persists and the run command has not been removed (1) [Spd maint.] (rLS): The drive maintains the speed being applied when the detected fault occurred, as long as the detected fault is present and the run command has not been removed (1) [Ramp stop] (rMP): Stop on ramp [Fast stop] (FSt): Fast stop [DC injection] (dCI): DC injection stop. This type of stop cannot be used with certain other functions. See table on page 150 StO [Trq/I limit. time out] 0 to 9,999 ms 1,000 ms (If trip has been configured) Time delay for taking SSF limitation into account. Code Name / Description Adjustment range Factory setting g These parameters only appear if the corresponding function has been selected in another menu. When the parameters can also be accessed and adjusted from within the configuration menu for the corresponding function, their description is detailed in these menus, on the pages indicated, to aid programming. Parameter that can be modified during operation or when stopped. To change the assignment of this parameter, press the ENT key for 2 s.2 s DRI- > CONF > FULL > FLT- > TID-
  • 246.
    Configuration Mode (ConF) 246S1A28692 03/2010 Use of the "Pulse input" input to measure the speed of rotation of the motor This function uses the "Pulse input" input and can only be used if the "Pulse input" input is not being used for another function. Example of use An indexed disk driven by the motor and connected to a proximity sensor can be used to generate a frequency signal that is proportional to the speed of rotation of the motor. When applied to the "Pulse input" input, this signal supports: • Measurement and display of the motor speed: signal frequency = 1/T. This frequency is displayed by means of the [Pulse in. work. freq.] (FqS) parameter, page 44. • Overspeed detection (if the measured speed exceeds a preset threshold, the drive will trip). • Brake failure detection, if brake logic control has been configured: If the speed does not drop sufficiently quickly following a command to engage the brake, the drive will trip. This function can be used to detect worn brake linings. • Detection of a speed threshold that can be adjusted using [Pulse warning thd.] (FqL) page 89 and is assignable to a relay or logic output, see page 123. T Time, in seconds
  • 247.
    Configuration Mode (ConF) S1A2869203/2010 247 Parameters described in this page can be accessed by: Code Name / Description Adjustment range Factory setting FLt- [FAULT MANAGEMENT] (continued) FqF- [FREQUENCY METER] FqF [Frequency meter] [No] (nO) nO YES Activation of the speed measurement function. [No] (nO): Function inactive. In this case, none of the function parameters can be accessed [Yes] (YES): Function active, assignment only possible if no other functions have been assigned to the "Pulse input" input FqC [Pulse scal. divisor] 1.0 to 100.0 1.0 Scaling factor for the "Pulse input" input (divisor). The frequency measured is displayed by means of the [Pulse in. work. freq.] (FqS) parameter, page 44. FqA [Overspd. pulse thd.] [No] (nO) nO - Activation and adjustment of overspeed monitoring: [Overspeed] (SOF). [No] (nO): No overspeed monitoring 1 Hz to 20.00 kHz: Adjustment of the frequency tripping threshold on the "Pulse input" input divided by [Pulse scal. divisor] (FqC). tdS [Pulse overspd delay] 0.0 s to 10.0 s 0.0 s Time delay for taking overspeed detected fault into account. Fdt [Level fr. pulse ctrl] [No] (nO) nO - Activation and adjustment of monitoring for the Pulse input (speed feedback): [Speed fdback loss] (SPF). [No] (nO): No monitoring of speed feedback 0.1 Hz to 599 Hz: Adjustment of the motor frequency threshold for tripping a speed feedback detected fault (difference between the estimated frequency and the measured speed). Fqt [Pulse thd. wo Run] [No] (nO) nO - Activation and adjustment of brake failure monitoring: [Brake feedback] (brF). If brake logic control [Brake ] (bLC) page 179 is not configured, this parameter is forced to [No] (nO). [No] (nO): No brake monitoring 1 Hz to 1,000 Hz: Adjustment of the motor frequency threshold for tripping a brake failure trip (detection of speeds other than 0). tqb [Pulse wo Run delay] 0.0 s to 10.0 s 0.0 s Time delay for taking brake failure trip into account. DRI- > CONF > FULL > FLT- > FQF-
  • 248.
    Configuration Mode (ConF) 248S1A28692 03/2010 Parameters described in this page can be accessed by: Load variation detection This detection is only possible with the High-speed hoisting function. It can be used to detect if an obstacle has been reached, triggering a sudden (upward) increase or (downward) decrease in the load. Load variation detection triggers a [Dynamic load fault] (dLF). The [Dyn. load Mgt.] (dLb) parameter can be used to configure the response of the drive in the event of this detected fault. Load variation detection can also be assigned to a relay or a logic output. There are two possible detection modes, depending on the configuration of high-speed hoisting: • Speed reference mode [High speed hoisting] (HSO) page 190 is set to [Speed ref] (SSO). Torque variation detection. During high-speed operation, the load is compared to that measured during the speed step. The permissible load variation and its duration can be configured. If exceeded, the drive switches to fault mode. • Current limitation mode [High speed hoisting] (HSO) page 190 is set to [Current Limit] (CSO). On ascend, during high-speed operation, an increase in load will result in a drop in speed. Even if high- speed operation has been activated, if the motor frequency drops below the [I Limit Frequency] (SCL) threshold page 190, the drive will switch to fault mode. The detection is realised only for a positive variation of the load and only in the high speed area (area upper to [I Limit Frequency] (SCL)). On descend, operation takes the form of Speed reference mode. Code Name / Description Adjustment range Factory setting FLt- [FAULT MANAGEMENT] (continued) dLd- [DYNAMIC LOAD DETECT.] Load variation detection. This can be accessed if [High speed hoisting] (HSO) page 190 is not [No] (nO). tLd [Dynamic load time] [No] (nO) nO - Activation of load variation detection and adjustment of time delay for taking load variation detected fault [Dynamic load fault] (dLF) into account. [No] (nO): No load variation detection 0.00 s to 10.00 s: Adjustment of the time delay for taking detected fault into account. dLd [Dynamic load threshold] 1 to 100% 100% Adjustment of the trip threshold for load variation detection, as a % of the load measured during the speed step. dLb [Dyn. load Mgt.] [Freewheel] (YES) nO YES Stt LFF rLS rMP FSt Behavior of the drive in the event of a load variation detected fault. [Ignore] (nO): Detected fault ignored [Freewheel] (YES): Freewheel stop [Per STT] (Stt): Stop according to configuration of [Type of stop] (Stt) page 158, without tripping. In this case, the fault relay does not open and the drive is ready to restart as soon as the detected fault disappears, according to the restart conditions of the active command channel, (for example, according to [2/3 wire control] (tCC) and [2 wire type] (tCt) page 112 if control is via the terminals). Configuring an alarm for this detected fault is recommended (assigned to a logic output, for example) in order to indicate the cause of the stop [Fallback spd.] (LFF): Change to fallback speed, maintained as long as the detected fault persists and the run command has not been removed (1) [Spd maint.] (rLS): The drive maintains the speed at the time the detected fault occurred, as long as the detected fault persists and the run command has not been removed (1) [Ramp stop] (rMP): Stop on ramp [Fast stop] (FSt): Fast stop DRI- > CONF > FULL > FLT- > DLD-
  • 249.
    Configuration Mode (ConF) S1A2869203/2010 249 Parameters described in this page can be accessed by: (1) Because, in this case, the detected fault does not trigger a stop, it is recommended to assign a relay or logic output to its indication. FLt- [FAULT MANAGEMENT] (continued) tnF- [AUTO TUNING FAULT] tnL [Autotune fault mgt] [Freewheel] (YES) nO YES [Ignore] (nO): Detected fault ignored [Freewheel] (YES): Freewheel stop Code Name / Description Adjustment range Factory setting g These parameters only appear if the corresponding function has been selected in another menu. When the parameters can also be accessed and adjusted from within the configuration menu for the corresponding function, their description is detailed in these menus, on the pages indicated, to aid programming. Parameter that can be modified during operation or when stopped. DRI- > CONF > FULL > FLT- > TNF-
  • 250.
    Configuration Mode (ConF) 250S1A28692 03/2010 Parameters described in this page can be accessed by: Card pairing Function can only be accessed in [Expert] (EPr) mode. This function is used to detect whenever a card has been replaced or the software has been modified in any way. When a pairing password is entered, the parameters of the card currently inserted are stored. On every subsequent power-up, these parameters are verified and, in the event of a discrepancy, the drive locks in HCF fault mode. Before the drive can be restarted, you must revert to the original situation or re-enter the pairing password. The following parameters are verified: • The type of card for: all cards. • The software version for: the control block, the communication cards. • The serial number for: the control block. Code Name / Description Adjustment range Factory setting FLt- [FAULT MANAGEMENT] (continued) PPI- [CARDS PAIRING] PPI [Pairing password] [OFF] (OFF) to 9,999 [OFF] (OFF) g OFF - The [OFF] (OFF) value signifies that the card pairing function is inactive The [ON] (On) value signifies that card pairing is active and that an access code must be entered in order to start the drive in the event of a card pairing detected fault As soon as the code has been entered, the drive is unlocked and the code changes to [ON] (On). The PPI code is an unlock code known only to Schneider Electric Product Support. g These parameters only appear if the corresponding function has been selected in another menu. When the parameters can also be accessed and adjusted from within the configuration menu for the corresponding function, their description is detailed in these menus, on the pages indicated, to aid programming. DRI- > CONF > FULL > FLT- > PPI-
  • 251.
    Configuration Mode (ConF) S1A2869203/2010 251 Parameters described in this page can be accessed by: Process underload detected fault A process underload is detected when the next event occurs and remains pending for a minimum time [Unld Time Detect.] (ULt), which is configurable: • The motor is in steady state and the torque is below the set underload limit ([Unld. Thr. 0. Speed.] (LUL), [Unld. Thr. Nom. Speed.] (LUn), [Unld. Freq. Thr. Det.] (rMUd) parameters). • The motor is in steady state when the offset between the frequency reference and motor frequency falls below the configurable threshold [Hysteresis Freq. Att.] (Srb). Between zero frequency and the rated frequency, the curve reflects the following equation: torque = LUL + The underload function is not active for frequencies below [Unld. Freq. Thr. Det.] (rMUd). A relay or a logic output can be assigned to the signaling of this detected fault in the [INPUTS / OUTPUTS CFG] (I_O-) menu. 0 LUL LUn rMUd FrS Frequency Torque as a % of the rated torque Underload zone (LUn - LUL) x (frequency)2 (rated frequency)2 Code Name / Description Adjustment range Factory setting FLt- [FAULT MANAGEMENT] (continued) ULd- [PROCESS UNDERLOAD] ULt [Unld T. Del. Detect.] 0 to 100 s 0 s Underload detection time delay. A value of 0 deactivates the function and makes the other parameters inaccessible. LUn [Unld. Thr. Nom. Speed.] 20 to 100% 60% g Underload threshold at rated motor frequency ([Rated motor freq.] (FrS) page 74), as a % of the rated motor torque. LUL [Unld. Thr. 0. Speed.] 0 to [Unld.Thr.Nom.Speed] (LUn) 0% g Underload threshold at zero frequency, as a % of the rated motor torque. rMUd [Unld. Freq. Thr. Det.] 0 to 599 Hz 0 Hz g Minimum frequency underload detection threshold. Srb [Hysteresis Freq. Att.] 0.3 to 599 Hz 0.3 Hz g Maximum deviation between the frequency reference and the motor frequency, which defines steady state operation. DRI- > CONF > FULL > FLT- > ULD-
  • 252.
    Configuration Mode (ConF) S1A2869203/2010 252 Parameters described in this page can be accessed by: UdL [Underload Managmt.] [Freewheel] (YES) g Behavior on switching to underload detection. nO YES rMP FSt [Ignore] (nO): Detected fault ignored [Freewheel] (YES): Freewheel stop [Ramp stop] (rMP): Stop on ramp [Fast stop] (FSt): Fast stop FtU [Underload T.B. Rest.] 0 to 6 min 0 min g This parameter cannot be accessed if [Underload Mangmt.] (UdL) is set to [Ignore] (nO). Minimum time permitted between an underload being detected and any automatic restart. In order to allow an automatic restart, the value of [Max. restart time] (tAr) page 234 must exceed this parameter by at least one minute. g These parameters only appear if the corresponding function has been selected in another menu. When the parameters can also be accessed and adjusted from within the configuration menu for the corresponding function, their description is detailed in these menus, on the pages indicated, to aid programming. Parameter that can be modified during operation or when stopped. Code Name / Description Adjustment range Factory setting DRI- > CONF > FULL > FLT- > ULD-
  • 253.
    Configuration Mode (ConF) S1A2869203/2010 253 Parameters described in this page can be accessed by: Process overload detected fault A process overload is detected when the next event occurs and remains pending for a minimum time [Ovld Time Detect.] (tOL), which is configurable: • The drive is in current limitation mode. • The motor is in steady state and the current is above the set overload threshold [Ovld Detection Thr.] (LOC). The motor is in steady state when the offset between the frequency reference and motor frequency falls below the configurable threshold [Hysteresis Freq. Att.] (Srb). A relay or a logic output can be assigned to the signaling of this detected fault in the [INPUTS / OUTPUTS CFG] (I_O-) menu. Code Name / Description Adjustment range Factory setting FLt- [FAULT MANAGEMENT] (continued) OLd- [PROCESS OVERLOAD] tOL [Ovld Time Detect.] 0 to 100 s 0 s Overload detection time delay. A value of 0 deactivates the function and makes the other parameters inaccessible. LOC [Ovld Detection Thr.] 70 to 150% 110% g (1) Overload detection threshold, as a % of the rated motor current [Rated mot. current] (nCr) page 74. This value must be less than the limit current in order for the function to work. Srb [Hysteresis Freq.Att.] 0 to 599 Hz 0.3 Hz g (1) Maximum deviation between the frequency reference and the motor frequency, which defines steady state operation. OdL [Ovld.Proces.Mngmt] [Freewheel] (YES) g Behavior on switching to overload detection. nO YES rMP FSt [Ignore] (nO): Detected fault ignored [Freewheel] (YES): Freewheel stop [Ramp stop] (rMP): Stop on ramp [Fast stop] (FSt): Fast stop FtO [Overload T.B.Rest.] 0 to 6 min 0 min g (1) This parameter cannot be accessed if [Ovld.Proces.Mngmt] (OdL) is set to [Ignore] (nO). Minimum time permitted between an overload being detected and any automatic restart. In order to allow an automatic restart, the value of [Max. restart time] (tAr) page 234 must exceed this parameter by at least one minute. FLt- [FAULT MANAGEMENT] (continued) LFF- [FALLBACK SPEED] LFF [Fallback speed] 0 to 599 Hz 0 Hz Selection of the fallback speed. DRI- > CONF > FULL > FLT- > OLD-
  • 254.
    Configuration Mode (ConF) 254S1A28692 03/2010 Parameters described in this page can be accessed by: FLt- [FAULT MANAGEMENT] (continued) FSt- [RAMP DIVIDER] dCF [Ramp divider] 0 to 10 4 g (1) The ramp that is enabled ([Deceleration] (dEC) or [Deceleration 2] (dE2)) is then divided by this coefficient when stop requests are sent. Value 0 corresponds to a minimum ramp time. FLt- [FAULT MANAGEMENT] (continued) dCI- [DC INJECTION] IdC [DC inject. level 1] 0.1 to 1.41 In (2) 0.64 In (2) g (1) (3) CAUTION RISK OF DAMAGE TO THE MOTOR Check that the motor will withstand this current without overheating. Failure to follow these instructions can result in equipment damage. Level of DC injection braking current activated via logic input or selected as stop mode. tdI [DC injection time 1] 0.1 to 30 s 0.5 s g (1) (3) CAUTION RISK OF DAMAGE TO THE MOTOR • Long periods of DC injection braking can cause overheating and damage the motor. • Protect the motor by avoiding long periods of DC injection braking. Failure to follow these instructions can result in equipment damage. Maximum current injection time [DC inject. level 1] (IdC). After this time, the injection current becomes [DC inject. level 2] (IdC2). IdC2 [DC inject. level 2] 0.1 In (2) to [DC inject. level 1] (IdC) 0.5 In (2) g (1) (3) CAUTION RISK OF DAMAGE TO THE MOTOR Check that the motor will withstand this current without overheating. Failure to follow these instructions can result in equipment damage. Injection current activated by logic input or selected as stop mode, once period of time [DC injection time 1] (tdI) has elapsed. Code Name / Description Adjustment range Factory setting DRI- > CONF > FULL > FLT- > FST-
  • 255.
    Configuration Mode (ConF) S1A2869203/2010 255 Parameters described in this page can be accessed by: (1) The parameter can also be accessed in the[SETTINGS] (SEt-) and [APPLICATION FUNCT.] (FUn-) menus. (2) In corresponds to the rated drive current indicated in the Installation manual and on the drive nameplate. (3) These settings are independent of the [AUTO DC INJECTION] (AdC-) function. tdC [DC injection time 2] 0.1 to 30 s 0.5 s g (1) (3) CAUTION RISK OF DAMAGE TO THE MOTOR • Long periods of DC injection braking can cause overheating and damage the motor. • Protect the motor by avoiding long periods of DC injection braking. Failure to follow these instructions can result in equipment damage. Maximum injection time [DC inject. level 2] (IdC2) for injection, selected as stop mode only. This parameter can be accessed if [Type of stop] (Stt) is set to [DC injection] (dCI). Code Name / Description Adjustment range Factory setting g These parameters only appear if the corresponding function has been selected in another menu. When the parameters can also be accessed and adjusted from within the configuration menu for the corresponding function, their description is detailed in these menus, on the pages indicated, to aid programming. Parameter that can be modified during operation or when stopped. DRI- > CONF > FULL > FLT- > DCI-
  • 256.
    Configuration Mode (ConF) 256S1A28692 03/2010 Parameters described in this page can be accessed by: Communication With integrated display terminal: SIM-ESC ESC ENT COM- LAC FLt- FUn- ESC ESC ESC ENT ESC = ENT ESC = ESC FULL COMMUNICATION From COnF menu Code Name / Description Adjustment range Factory setting FULL [FULL] (continued) COM- [COMMUNICATION] ICS- [COM. SCANNER INPUT] [Scan. IN1 address] (nMA1) to [Scan. IN4 address] (nMA4) could be used for Fast Task of the communication scanner (see Modbus & CANopen® communication manual). nMA1 [Scan. IN1 address] 3,201 Address of the 1st input word. nMA2 [Scan. IN2 address] 8,604 Address of the 2nd input word. nMA3 [Scan. IN3 address] 0 Address of the 3rd input word. nMA4 [Scan. IN4 address] 0 Address of the 4th input word. nMA5 [Scan. IN5 address] 0 Address of the 5th input word. nMA6 [Scan. IN6 address] 0 Address of the 6th input word. nMA7 [Scan. IN7 address] 0 Address of the 7th input word. DRI- > CONF > FULL > COM- > ICS-
  • 257.
    Configuration Mode (ConF) S1A2869203/2010 257 Parameters described in this page can be accessed by: nMA8 [Scan. IN8 address] 0 Address of the 8th input word. COM- [COMMUNICATION] (continued) OCS- [COM. SCANNER OUTPUT] [Scan. Puy address] (nCA1) to [Scan. Out4 address] (nCA4) could be used for Fast Task of the communication scanner (see Modbus & CANopen® communication manual). nCA1 [Scan.Out1 address] 8,501 Address of the 1st output word. nCA2 [Scan.Out2 address] 8,602 Address of the 2nd output word. nCA3 [Scan.Out3 address] 0 Address of the 3rd output word. nCA4 [Scan.Out4 address] 0 Address of the 4th output word. nCA5 [Scan.Out5 address] 0 Address of the 5th output word. nCA6 [Scan.Out6 address] 0 Address of the 6th output word. nCA7 [Scan.Out7 address] 0 Address of the 7th output word. nCA8 [Scan.Out8 address] 0 Address of the 8th output word. COM- [COMMUNICATION] (continued) Md1- [MODBUS NETWORK] Add [Modbus Address] [OFF] (OFF) to 247 [OFF] (OFF) OFF - [OFF] (OFF) 1 to 247 AMOC [Modbus add Com. C.] [OFF] (OFF) to 247 [OFF] (OFF) g OFF - [OFF] (OFF) 1 to 247 tbr [Modbus baud rate] [19.2 Kbps] (19 2) 4 8 - 9 6 - 19 2 - 38 4 kbps on the integrated display terminal. 4800, 9600, 19200 or 38400 bauds on the graphic display terminal. tFO [Modbus format] [8-E-1] (8E1) 8O1 - 8E1 - 8n1, 8n2 ttO [Modbus time out] 0.1 to 30 s 10.0 s 0.1 to 30 s COM1 [Mdb com stat] r0t0 r0t1 r1t0 r1t1 [r0t0] (r0t0): Modbus no reception, no transmission = communication idle [r0t1] (r0t1): Modbus no reception, transmission [r1t0] (r1t0): Modbus reception, no transmission [r1t1] (r1t1): Modbus reception and transmission g These parameters only appear if the corresponding function has been selected in another menu. When the parameters can also be accessed and adjusted from within the configuration menu for the corresponding function, their description is detailed in these menus, on the pages indicated, to aid programming. Code Name / Description Adjustment range Factory setting DRI- > CONF > FULL > COM- > ICS-
  • 258.
    Configuration Mode (ConF) 258S1A28692 03/2010 Parameters described in this page can be accessed by: BLUETOOTH Code Name / Description Adjustment range Factory setting COM- [COMMUNICATION] (continued) btH- [BLUETOOTH] pAn [Device Name] Device name set with graphic display terminal. Note: The length is up to 16 alphanumeric digits on the product. According to bluetooth driver, device name must not exceed 14 digits. Digits n°14 & 15 will not be displayed through bluetooth network. MAC [Mac @] Read only information accessible with graphic display terminal (XX-XX-XX-XX-XX-XX). This information is also available on the label in front of the product. btUA [Bluetooth Activation] [OFF] (OFF) OFF On Activation of the integrated Bluetooth. [OFF] (OFF): Integrated Bluetooth deactivated [ON] (On): Integrated Bluetooth activated btUC [Bluetooth Visibility] [No] (nO) g Bluetooth Visibility Condition. nO FLt YES LI1 ... [No] (nO): Not assigned [No drive flt] (Flt): Drive in fault state [Yes] (YES): Yes [LI1] (LI1): Logical input LI1 [...] (...): See the assignment conditions on page 138 btPI [PIN code] 0 to 9,999 0 Bluetooth PIN code from 0 to 9,999. Example: In order to set a pin code like "0001", just set "1". COM- [COMMUNICATION] (continued) CnO- [CANopen] AdCO [CANopen address] [OFF] (OFF) to 127 [OFF] (OFF) OFF - [OFF] (OFF): OFF 1 to 127 bdCO [CANopen bit rate] [250 kbps] (250) 50 125 250 500 IM [50 kbps] (50): 50,000 Bauds [125 kbps] (125): 125,000 Bauds [250 kbps] (250): 250,000 Bauds [500 kbps] (500): 500,000 Bauds [1 Mbps] (1M): 1 MBauds ErCO [Error code] 0 to 5 - Read-only parameter, cannot be modified. DRI- > CONF > FULL > COM- > BTH-
  • 259.
    Configuration Mode (ConF) S1A2869203/2010 259 Parameters described in this page can be accessed by: COM- [COMMUNICATION] (continued) Cbd- [COMMUNICATION CARD] See the specific documentation for the card used. LCF- [FORCED LOCAL] FLO [Forced local assign.] [No] (nO) WARNING LOSS OF CONTROL If the equipment switches to forced local mode, virtual input used in the current configuration will remain fixed at the last value transmitted. Do not use the virtual input and forced local mode in the same configuration. Failure to follow these instructions can result in death, serious injury, or equipment damage. nO LI1 ... LI6 LAI1 LAI2 OL01 ... OL10 Forced local assignment. Forced local mode is active when the input is at state 1. [Forced local assign.] (FLO) is forced to [No] (nO) if [Profile] (CHCF) is set to [I/O profile] (IO) page 139. [No] (nO): Function inactive [LI1] (LI1): Logical input LI1 ... [LI6] (LI6): Logical input LI6 [LAI1] (LAI1): Logical input AI1 [LAI2] (LAI2): Logical input AI2 [OL01] (OL01): Function blocks: Logical Output 01 ... [OL10] (OL10): Function blocks: Logical Output 10 FLOC [Forced local Ref.] [No] (nO) nO AI1 AI2 AI3 LCC PI OA01 ... OA10 Forced local reference source assignment. [No] (nO): Not assigned (control via the terminals with zero reference) [AI1] (AI1): Analog input [AI2] (AI2): Analog input [AI3] (AI3): Analog input [HMI] (LCC): Assignment of the reference and command to the graphic display terminal or remote display terminal. Reference: [HMI Frequency ref.] (LFr) page 44. Command: RUN/STOP/FWD/REV keys. [RP] (PI): Pulse input [OA01] (OA01): Function blocks: Analog Output 01 ... [OA10] (OA10): Function blocks: Analog Output 10 FLOt [Time-out forc. local] 0.1 to 30 s 10.0 s g 0.1 to 30 s. This parameter can be accessed if [Forced local assign.] (FLO) is not set to [No] (nO). Time delay before communication monitoring is resumed on leaving forced local mode. g These parameters only appear if the corresponding function has been selected in another menu. When the parameters can also be accessed and adjusted from within the configuration menu for the corresponding function, their description is detailed in these menus, on the pages indicated, to aid programming. Code Name / Description Adjustment range Factory setting DRI- > CONF > FULL > COM- > CBD- > LCF-
  • 260.
    Configuration Mode (ConF) 260S1A28692 03/2010 Access Level See [Access Level] (LAC) page 262.
  • 261.
    S1A28692 03/2010 261 Interface(ItF) 6 Interface (ItF) What's in this Chapter? This chapter contains the following topics: Topic Page Access Level (LAC) 262 Language (LnG) 264 Monitoring Configuration (MCF) 265 Display configuration (dCF) 269
  • 262.
    Interface (ItF) 262 S1A2869203/2010 Parameters described in this page can be accessed by: Access Level (LAC) With integrated display terminal: ItF- ESC ESC ENT dCF- ESC ENT ESC NCF- = ENT ESC = ESC LAC ACCESS LEVEL From ItF- menu Code Name / Description Factory setting ItF- [3 INTERFACE] LAC [3.1 ACCESS LEVEL] [Standard] (Std) bAS Std AdU Epr [Basic] (bAS): Limited access to [SIMPLY START] (SIM-), [1.2 MONITORING] (MOn-), [SETTINGS] (SEt-), [FACTORY SETTINGS] (FCS-), [5 PASSWORD] (COd) and [3.1 ACCESS LEVEL] (LAC-) menus. Only one function can be assigned to each input. [Standard] (Std): Access to all menus on the integrated display terminal. Only one function can be assigned to each input. [Advanced] (AdU): Access to all menus on the integrated display terminal. Several functions can be assigned to each input. [Expert] (EPr): Access to all menus on the integrated display terminal and access to additional parameters. Several functions can be assigned to each input. Parameter that can be modified during operation or when stopped. ITF-
  • 263.
    Interface (ItF) S1A28692 03/2010263 Comparison of the menus that can be accessed on the graphic display terminal/integrated display terminal (1) Can be accessed only with graphic display terminal. Access level [1 DRIVE MENU] (drI-) StandardStd AdvancedAdU ExpertEPr [1.1 SPEED REFERENCE] (rEF-) BasicbAS [1.2 MONITORING] (MOn-) MMO- (Monitoring motor) IOM- (I/O MAP) SAF- (Monitoring Safety) MFb- (Monitoring Function Blocks) CMM- (Communication Map) MPI- (Monitoring PI) PEt- (Monitoring Power time) ALr- (Alarms) (1) SSt- (Other state) (1) COd- (Password) [1.3 CONFIGURATION] (COnF) MYMn- (My Menu) FCS- (Factory Settings) FULL (Full) SIM- (Simply Start) SEt- (Settings) FbM- (Function Blocks) [2 IDENTIFICATION] (OId-) (1) [3 INTERFACE] (ItF-) (1) [3.1 ACCESS LEVEL] (LAC) [3.2 LANGUAGE] (LnG) [4 OPEN / SAVE AS] (trA-) (1) [5 PASSWORD] (COd-) (1) A single function can be assigned to each input. [1 DRIVE MENU] (drI-) [1.2 MONITORING] (MOn-) dGt- (Diagnostics) [1.3 CONFIGURATION] (COnF) FULL (Full) drC- (Motor Control) I_O- (Inputs / Outputs Configuration) CtL- (Command) FUn- (Application function) FLt- (Fault Management) COM- (Communication) [3 INTERFACE] (ItF-) (1) [3.3 MONITORING CONFIG.] (MCF-) A single function can be assigned to each input. [3.4 DISPLAY CONFIG.] (dCF-) (1) Several functions can be assigned to each input. Expert parameters Several functions can be assigned to each input.
  • 264.
    Interface (ItF) 264 S1A2869203/2010 Parameters described in this page can be accessed by: Language (LnG) When only one selection is possible, the selection made is indicated by Example: Only one language can be chosen. Code Name / Description Factory setting LnG [3.2 LANGUAGE] [Language 0] (LnG0) Current language index. LnG0 ... LnG9 [Language 0] (LnG0) ... [Language 9] (LnG9) Parameter that can be modified during operation or when stopped. RDY Term +0.0 Hz 0.0 A 3.2 LANGUAGE English Français Deutsch Español Italiano << >> Quick Chinese Русский Türkçe ITF-
  • 265.
    Interface (ItF) S1A28692 03/2010265 Monitoring Configuration (MCF) This menu can only be accessed with the graphic display terminal. This can be used to configure the information displayed on the graphic display screen during operation. RDY Term +0.0 Hz 0.0 A 3 INTERFACE 3.1 ACCESS LEVEL 3.2 LANGUAGE 3.3 MONITORING CONFIG. Code << >> Quick ENT RUN Term +0.0 Hz 0.0 A 3.3 MONITORING CONFIG. PARAM. BAR SELECT MONITOR SCREEN TYPE COM. MAP CONFIG. Code << >> Quick [PARAM. BAR SELECT]: Selection of 1 to 2 parameters displayed on the top line (the first 2 cannot be modified). [MONITOR SCREEN TYPE]: Selection of parameters displayed in the centre of the screen and the display mode (digital values or bar graph format). [COM. MAP CONFIG.]: Selection of the words displayed and their format. RUN Term +0.0 Hz 0.0 A 3.3 MONITORING CONFIG. PARAM. BAR SELECT MONITOR SCREEN TYPE COM. MAP CONFIG. Code << >> Quick
  • 266.
    Interface (ItF) 266 S1A2869203/2010 Parameters described in this page can be accessed by: Code Name / Description MCF- [3.3 MONITORING CONFIG] Code Name / Description PbS- [PARAM. BAR SELECT] [AI1] [AI2] [AI3] [AO1] [ETA state world] [Alarm groups] [Frequency ref.] [Output frequency] [Motor current] [Motor speed] [Motor voltage] [Motor power] [Motor torque] [Mains voltage] [Motor thermal state] [Drv. thermal state] [Consumption] [Run time] [Power on time] [IGBT alarm counter] [Min. freq time] [PID reference] [PID feedback] [PID error] [PID Output] [Config. active] [Utilised param. set] in V in V in mA in V in Hz: parameter displayed in factory configuration in Hz in A: parameter displayed in factory configuration in rpm in V in W as a % in V as a % as a % in Wh or kWh depending on drive rating in hours (length of time the motor has been switched on) in hours (length of time the drive has been switched on) in seconds (total time of IGBT overheating alarms) in seconds as a % as a % as a % in Hz CNF0, 1 or 2 (see page 217) SET1, 2 or 3 (see page 215) Select the parameter using ENT (a then appears next to the parameter). Parameter(s) can also be deselected using ENT. 1 or 2 parameters can be selected. Example: PARAM. BAR SELECT MONITORING - - - - - - - - - - - - - - - - - - - - - - - - - - - - - - - - - - - - ITF- > MCF-
  • 267.
    Interface (ItF) S1A28692 03/2010267 Parameters described in this page can be accessed by: Monitor screen type Code Name / Description Factory setting MSC- [MONITOR SCREEN TYPE] Mdt [Display value type] [Digital] (dEC) [Digital] (dEC) [Bar graph] (bAr) [List] (LISt) MPC [PARAMETER SELECTION] g [AI1] [AI2] [AI3] [AO1] [ETA state world] [Alarm groups] [Frequency ref.] [Output frequency] [Pulse in. work. freq.] [Motor current] [Motor speed] [Motor voltage] [Motor power] [Motor torque] [Mains voltage] [Motor thermal state] [Drv. thermal state] [Consumption] [Run time] [Power on time] [IGBT alarm counter] [Min. freq time] [PID reference] [PID feedback] [PID error] [PID Output] in V in V in mA in V in Hz: parameter displayed in factory configuration in Hz in A: parameter displayed in factory configuration in Hz in rpm in V in W as a % in V as a % as a % in Wh or kWh depending on drive rating in hours (length of time the motor has been switched on) in hours (length of time the drive has been switched on) in seconds (total time of IGBT overheating alarms) in seconds as a % as a % as a % in Hz Select the parameter(s) using ENT (a then appears next to the parameter). Parameter(s) can also be deselected using ENT. Examples include: g These parameters only appear if the corresponding function has been selected in another menu. When the parameters can also be accessed and adjusted from within the configuration menu for the corresponding function, their description is detailed in these menus, on the pages indicated, to aid programming. Parameter that can be modified during operation or when stopped. PARAMETER SELECTION MONITORING - - - - - - - - - - - - - - - - - - - - - - - - - - - - - - - - - - - - Display of 2 digital values Display of 2 bar graphs Display of a list of 5 values RUN Term +35.0 Hz 80.0 A RUN Term +35.0 Hz 80.0 A RUN Term +35.0 Hz 80.0 A Motor speed Min Motor speed max 1.2 MONITORING 1250 rpm 0 1250 rpm 1500 Frequency ref. : 50.1Hz Motor current: 80 A Motor current Min Motor current max Motor speed: 1250 rpm 80 A 0 80 A 150 Motor thermal state: 80% Drv thermal state : 80% Quick Quick Quick ITF- > MCF- > MSC-
  • 268.
    Interface (ItF) 268 S1A2869203/2010 Parameters described in this page can be accessed by: Communication map configuration Code Name / Description Factory setting AdL- [COM. MAP CONFIG.] IAd1 [Word 1 add. select.] 0 Select the address of the word to be displayed by pressing the << and >> (F2 and F3) keys and rotating the jog dial. FAd1 [Format word 1] [Hex] (HE ) Format of word 1. HE SIG nSG [Hex] (HE ) [Signed] (SIG) [Unsigned] (nSG) IAd2 [Word 2 add. select.] 0 Select the address of the word to be displayed by pressing the << and >> (F2 and F3) keys and rotating the jog dial. FAd2 [Format word 2] [Hex] (HE ) Format of word 2. HE SIG nSG [Hex] (HE ) [Signed] (SIG) [Unsigned] (nSG) IAd3 [Word 3 add. select.] 0 Select the address of the word to be displayed by pressing the << and >> (F2 and F3) keys and rotating the jog dial. FAd3 [Format word 3] [Hex] (HE ) Format of word 3. HE SIG nSG [Hex] (HE ) [Signed] (SIG) [Unsigned] (nSG) IAd4 [Word 4 add. select.] 0 Select the address of the word to be displayed by pressing the << and >> (F2 and F3) keys and rotating the jog dial. FAd4 [Format word 4] [Hex] (HE ) Format of word 4. HE SIG nSG [Hex] (HE ) [Signed] (SIG) [Unsigned] (nSG) Then, it will be possible to view the selected words in the [COMMUNICATION MAP] submenu of the [1.2 MONITORING] menu. Example: Parameter that can be modified during operation or when stopped. RUN Term +35.0 Hz 80.0 A COMMUNICATION MAP - - - - - - - -- - - - - - -- - - - - W3141: F230 Hex << >> Quick ITF- > MCF- > ADL-
  • 269.
    Interface (ItF) S1A28692 03/2010269 Display configuration (dCF) This menu can only be accessed with the graphic display terminal. It can be used to customize parameters or a menu and to access parameters. • USER PARAMETERS: Customization of 1 to 15 parameters. • MY MENU: Creation of a customized menu. • PARAMETER ACCESS: Customization of the visibility and protection mechanisms of menus and parameters. • KEYPAD PARAMETERS: Adjustment of the contrast and stand-by mode of the graphic display terminal (parameters stored in the terminal rather than in the drive). Choice of the menu displayed on power up. RDY Term 0.0 Hz 0.0 A MAIN MENU 1 DRIVE MENU 2 IDENTIFICATION 3 INTERFACE 4 OPEN / SAVE AS 5 PASSWORD Code Quick ENT RDY Term 0.0 Hz 0.0 A 3.4 DISPLAY CONFIG. USER PARAMETERS MY MENU CONFIG. PARAMETER ACCESS KEYPAD PARAMETERS Code << >> Quick RDY Term 0.0 Hz 0.0 A 3 INTERFACE 3.1 ACCESS LEVEL 3.2 LANGUAGE 3.3 MONITORING CONFIG. 3.4 DISPLAY CONFIG. Code << >> Quick ENT Code Name / Description dCF- [3.4 DISPLAY CONFIG]
  • 270.
    Interface (ItF) 270 S1A2869203/2010 User parameters If [Return std name] is set to [Yes], the display reverts to standard but the custom settings remain stored. Selection of 1 to 15 parameters to be customized. Note: The 1st line is [PARAMETER SELECTION] or [RDY Term +0.0 Hz 0.0 A] depending on the path (ENT or List). List of customized parameters. If no custom settings have been made, the standard values appear (names, units, etc.). Display on 1 or 2 lines of characters. Offsets and coefficients are numerical values. Do not use a too high multiplier (99,999 - max display). Use F1 to change to ABC, abc, 123, *[-. Use the jog dial to increment the character (alphabetical order), and << and >> (F2 and F3) to switch to the next or previous character respectively. Standard: use of the factory set unit. Customized: customization of the unit. %, mA, etc.: select from drop-down list. Once you have entered the unit, if you press ENT, the Ramp increment screen will re-appear in order to display the name. Press ESC to return to Unit. The message entered appears while the View key is pressed. Names (USER MENU NAME, DRIVE NAME, configuration, serial no., lines of messages, names of units, etc.) are customized as in the example of the parameter name shown opposite. If no custom settings have been made, the standard values appear (names, units, etc.). Display on 1 or 2 lines of characters. Use F1 to change to ABC, abc, 123, *[-. Use the jog dial to increment the character (alphabetical order), and << and >> (F2 and F3) to switch to the next or previous character respectively. RDY Term 0.0 Hz 0.0 A USER PARAMETERS Return std name : No PARAMETER SELECTION CUSTOMIZED SELECTION MY MENU DEVICE NAME Code << >> Quick SERVICE MESSAGE CONFIGURATION 0 CONFIGURATION 1 CONFIGURATION 2 SERIAL NUMBER ENT ENT ENT ENT ENT ENT ENT RDY Term +0.0 Hz 0.0 A Unit Standard Customized % mA Quick List PARAMETER SELECTION SETTINGS Ramp increment Acceleration Deceleration Acceleration 2 Deceleration 2 List PARAMETER SELECTION FULL SIMPLY START SETTINGS MOTOR CONTROL INPUTS / OUTPUTS CFG COMMAND List RDY Term +0.0 Hz 0.0 A CUSTOMIZED SELECTION Ramp increment Acceleration Deceleration 2 Delete RDY Term +0.0 Hz 0.0 A Ramp increment User name Unit Multiplier Divisor Offset RDY Term +0.0 Hz 0.0 A User name 1 DRIVE MENU FLOW REFERENCE Nb characters max. 13 ABC << >> RDY Term +0.0 Hz 0.0 A SERVICE MESSAGE LINE 1 LINE 2 LINE 3 LINE 4 LINE 5 View Quick RDY Term +0.0 Hz 0.0 A Customized 1 DRIVE MENU LBS Nb characters max. 3 ABC << >> RDY Term +0.0 Hz 0.0 A LINE 2 1 DRIVE MENU For any service, dial: Nb characters max. 23 ABC << >> Quick RDY Term +0.0 Hz 0.0 A USER MENU NAME 1 DRIVE MENU FLOW REFERENCE Nb characters max. 18 ABC << >> Quick ENT
  • 271.
    Interface (ItF) S1A28692 03/2010271 Parameters described in this page can be accessed by: Code Name / Description Factory setting CUP- [USER PARAMETERS] GSP [Return std name] [No] (nO) Display standard parameters instead of customised ones. nO YES [No] (nO) [Yes] (YES) MYMN [MY MENU] PAn [DEVICE NAME] SEr- [SERVICE MESSAGE] SML01 [LINE 1] SML02 [LINE 2] SML03 [LINE 3] SML04 [LINE 4] SML05 [LINE 5] CFN01 [CONFIGURATION 0] CFN02 [CONFIGURATION 1] CFN03 [CONFIGURATION 2] PSn [SERIAL NUMBER] Parameter that can be modified during operation or when stopped. ITF- > DCF- > CUP-
  • 272.
    Interface (ItF) 272 S1A2869203/2010 My Menu config. Selection of parameters included in the user menu. Note: The 1st line is [PARAMETER SELECTION] or [RDY Term +0.0 Hz 0.0 A] depending on the path (ENT or List). Parameter list making up the user menu. Use the F2 and F3 keys to arrange the parameters in the list (example below using F3). RDY Term +0.0 Hz 0.0 A MY MENU CONFIG. PARAMETER SELECTION SELECTED LIST Code << >> Quick ENT ENT ENT PARAMETER SELECTION FULL SIMPLY START SETTINGS MOTOR CONTROL INPUTS / OUTPUTS CFG COMMAND List PARAMETER SELECTION SETTINGS Ramp increment Acceleration Deceleration Acceleration 2 Deceleration 2 List List RDY Term 0.0 Hz 0.0 A SELECTED LIST Ramp increment Acceleration Deceleration 2 Del Up Down RDY Term +0.0 Hz 0.0 A SELECTED LIST Acceleration Ramp increment Speed prop. gain Del Up Down Code Name / Description MYC- [MY MENU CONFIG.]
  • 273.
    Interface (ItF) S1A28692 03/2010273 Parameter access Note: The protected parameters are no longer accessible and are not, therefore, displayed for the selected channels. Selection to display all parameters or only the active parameters. Press ESC to exit this screen. You remain exclusively in the [1 DRIVE MENU] menu. All menus are selected by default. Press ENT to deselect a menu. Press ENT to reselect a menu. Note: The protected channel (or channels) must be selected, as a protected parameter on a selected channel remains accessible on the channels that are not selected. In these screens, all parameters in the [1 DRIVE MENU] menu can be protected and are displayed for selection, except for the Expert parameters. Press the All key to select all the parameters. Press the All key again to deselect all the parameters. RDY Term 0.0 Hz 0.0 A PARAMETER ACCESS PROTECTION VISIBILITY Code << >> Quick RDY Term 0.0 Hz 0.0 A VISIBILITY PARAMETERS MENUS Code Quick ENT ENT RDY Term 0.0 Hz 0.0 A PARAMETERS Active All Quick ENT MENUS 1 DRIVE MENU 1.1 SPEED REFERENCE 1.2 MONITORING 1.3 CONFIGURATION RDY Term 0.0 Hz 0.0 A PROTECTION PROTECTED CHANNELS PROTECTED PARAMS Code Quick ENT RDY Term 0.0 Hz 0.0 A PROTECTED CHANNELS HMI PC TOOL MODBUS CANopen COM. CARD Code Quick ENT ENT PROTECTED PARAMS 1 DRIVE MENU 1.1 SPEED REFERENCE 1.2 MONITORING 1.3 CONFIGURATION All None PROTECTED PARAMS 1.3 CONFIGURATION MY MENU FACTORY SETTINGS Macro configuration FULL All None ENT PROTECTED PARAMS APPLICATION FUNCT. REF. OPERATIONS RAMP STOP CONFIGURATION AUTO DC INJECTION JOG PROTECTED PARAMS JOG JOG Jog frequency Jog delay ENT No selections can be made in this screen if there are no parameters.
  • 274.
    Interface (ItF) 274 S1A2869203/2010 Parameters described in this page can be accessed by: Code Name / Description Factory setting pAC- [PARAMETER ACCESS] prO- [PROTECTION] pCd- [PROTECTED CHANNELS] COn P S Mdb CAn nEt [HMI] (COn): Graphic display terminal or remote display terminal [PC Tool] (P S): PC Software [Modbus] (Mdb): Integrated Modbus [CANopen] (CAn): Integrated CANopen® [Com. card] (nEt): Communication card (if inserted) UIS- [VISIBILITY] PUIS [PARAMETERS] [Active] (ACt) Parameter visibility: only active ones, or all parameters. ACt ALL [Active] (ACt) [All] (ALL) Parameter that can be modified during operation or when stopped. ITF- > DCF- > PAC- > PRO- > PCD-
  • 275.
    Interface (ItF) S1A28692 03/2010275 Parameters described in this page can be accessed by: Keypad parameters RDY Term 0.0 Hz 0.0 A KEYPAD PARAMETERS Keypad contrast : 50% Keypad stand-by : 5 min Code << >> Quick Code Name / Description Adjustment range Factory setting CnL- [KEYPAD PARAMETERS] CrSt [Keypad contrast] 0 to 100% 50% Contrast of the keypad. CSbY [Keypad stand-by] [No] (nO) to 10 min 5 min Graphic keypad standby delay. nO [No] (nO): No Parameter that can be modified during operation or when stopped. ITF- > DCF- > CNL-
  • 276.
  • 277.
    S1A28692 03/2010 277 Open/ Save as (trA) 7 Open / Save as (trA) This menu can only be accessed with the graphic display terminal. [4.1 OPEN]: To download one of the 4 files from the graphic display terminal to the drive. RDY Term 0.0 Hz 0.0 A MAIN MENU 1 DRIVE MENU 2 IDENTIFICATION 3 INTERFACE 4 OPEN / SAVE AS 5 PASSWORD Code Quick ENT RDY Term 0.0 Hz 0.0 A 4 OPEN / SAVE AS 4.1 OPEN 4.2 SAVE AS Code << >> Quick
  • 278.
    Open / Saveas (trA) 278 S1A28692 03/2010 [4.2 SAVE AS]: To download the current drive configuration to the graphic display terminal. Various messages may appear when the download is requested: • [TRANSFER IN PROGRESS] • [DONE] • Error messages if download not possible • [Motor parameters are NOT COMPATIBLE. Do you want to continue?]: In this case, the download is possible, but the parameters will be restricted. See details on the next page. ENT RDY Term 0.0 Hz 0.0 A 4. OPEN / SAVE AS 4.1 OPEN 4.2 SAVE AS Code << >> Quick ENT ENT ENT ... ENT Note: Opening an empty file has no effect. RDY Term 0.0 Hz 0.0 A 4.1 OPEN File 1 Used File 2 Empty File 3 Empty File 4 Empty Code << >> Quick ENT Saving to a used file deletes and replaces the configuration contained in this file. RDY Term 0.0 Hz 0.0 A 4.2 SAVE AS File 1 Used File 2 Free File 3 Free File 4 Free Code Quick RDY Term 0.0 Hz 0.0 A DOWNLOAD GROUP None All Drive configuration Motor parameters Communication Code Quick RDY Term 0.0 Hz 0.0 A DOWNLOAD PLEASE CHECK THAT THE DRIVE WIRING IS OK ESC = abort ENT = continue Code Quick RDY Term 0.0 Hz 0.0 A DOWNLOAD TRANSFER IN PROGRESS RDY Term 0.0 Hz 0.0 A DOWNLOAD DONE ENT or ESC to continue
  • 279.
    Open / Saveas (trA) S1A28692 03/2010 279 DOWNLOAD GROUP [None]: No parameters [All]: All parameters in all menus [Drive configuration]: The entire [1 DRIVE MENU] without [COMMUNICATION] [Motor parameters]: [Rated motor volt.] (UnS) In the [MOTOR CONTROL] (drC-) menu [Rated motor freq.] (FrS) [PSI align curr. max] (NCr) [Rated motor speed] (nSP) [Motor 1 Cosinus phi] (COS) [Rated motor power] (nPr) [Motor param choice] (MPC) [Tune selection] (StUn) [Mot. therm. current] (ItH) [IR compensation] (UFr) [Slip compensation] (SLP) [Cust stator resist.] (rSA) [Lfw] (LFA) [Cust. rotor t const.] (trA) [Nominal I sync.] (nCrS) [Nom motor spdsync] (nSPS) [Pole pairs] (PPnS) [Syn. EMF constant] (PHS) [Autotune L d-axis] (LdS) [Autotune L q-axis] (LqS) [Nominal freq sync.] (FrSS) [Cust. stator R syn] (rSAS) [Motor torque] (tqS) [U1] (U1) [F1] (F1) [U2] (U2) [F2] (F2) [U3] (U3) [F3] (F3) [U4] (U4) [F4] (F4) [U5] (U5) [F5] (F5) The motor parameters that can be accessed in [Expert] (EPr) mode, page 243. [Mot. therm. current] (ItH) In the [SETTINGS] (SEt-) menu [Communication] : All the parameters in the [COMMUNICATION] menu
  • 280.
    Open / Saveas (trA) 280 S1A28692 03/2010
  • 281.
    S1A28692 03/2010 281 Password(COd) 8 Password (COd) With graphic display terminal With integrated display terminal Enables the configuration to be protected with an access code or a password to be entered in order to access a protected configuration. Example with graphic display terminal: • The drive is unlocked when the PIN codes are set to [Unlocked] (OFF) (no password) or when the correct code has been entered. All menus are visible. • Before protecting the configuration with an access code, you must: - Define the [Upload rights] (ULr) and [Download rights] (dLr). - Make a careful note of the code and keep it in a place where you will be able to find it. RDY Term 0.0 Hz 0.0 A MAIN MENU 1 DRIVE MENU 2 IDENTIFICATION 3 INTERFACE 4 OPEN / SAVE AS 5 PASSWORD Code Quick ENT RUN Term +50.0 Hz 0.0 A 5 PASSWORD State : Unlocked PIN code 1 : OFF PIN code 2 : OFF Upload rights : Permitted Download rights : Unlock. drv Code << >> Quick drI- COd- trA- = ENT ESC = ESC ItF- ENT ESC PASSWORD RUN Term +50.0 Hz 0.0 A 5 PASSWORD State : Unlocked PIN code 1 : OFF Upload rights : Permitted Download rights : Unlock. drv Code << >> Quick ENT RUN Term +50.0 Hz 0.0 A PIN 1ode 1 9 5 2 0 Min =OFF Max =9999 << >> Quick
  • 282.
    Password (COd) 282 S1A2869203/2010 • The drive has 2 access codes, enabling 2 access levels to be set up: - PIN code 1 is a public unlock code: 6969. - PIN code 2 is an unlock code known only to Schneider Electric Product Support. It can only be accessed in [Expert] (EPr) mode. - Only one PIN1 or PIN2 code can be used, the other must remain set to [OFF] (OFF). Note: When the unlock code is entered, the user access code appears. The following items are access-protected: • Return to factory settings ([FACTORY SETTINGS] (FCS-) menu. • The channels and parameters protected by the [MY MENU] (MYMn-) as well as the menu itself. • The custom display settings ([3.4 DISPLAY CONFIG.] (dCF-) menu). Code Name / Description Adjustment range Factory setting COd- [5 PASSWORD] CSt [State] [Unlocked] (ULC) LC ULC Information parameter, cannot be modified. [Locked] (LC): The drive is locked by a password [Unlocked] (ULC): The drive is not locked by a password COd [PIN code 1] [OFF] (OFF) to 9,999 [OFF] (OFF) 1st access code. The value [OFF] (OFF) indicates that no password has been set [Unlocked] (ULC). The value [ON] (On) indicates that the drive is protected and an access code must be entered in order to unlock it. Once the correct code has been entered, it remains on the display and the drive is unlocked until the next time the power supply is disconnected. PIN code 1 is a public unlock code: 6969. COd2 [PIN code 2] [OFF] (OFF) to 9,999 [OFF] (OFF) This parameter can only be accessed in [Expert] (EPr) mode. 2nd access code. The value [OFF] (OFF) indicates that no password has been set [Unlocked] (ULC). The value [ON] (On) indicates that the drive is protected and an access code must be entered in order to unlock it. Once the correct code has been entered, it remains on the display and the drive is unlocked until the next time the power supply is disconnected. PIN code 2 is an unlock code known only to Schneider Electric Product Support. When [PIN code 2] (COd2) is not set to [OFF] (OFF), the [1.2 MONITORING] (MOn-) menu is the only one visible. Then if [PIN code 2] (COd2) is set to [OFF] (OFF) (drive unlocked), all menus are visible. If the display settings are modified in [3.4 DISPLAY CONFIG.] (dCF-) menu, and if [PIN code 2] (COd2) is not set to [OFF] (OFF), the visibility configured is kept. Then if [PIN code 2] (COd2) is set to OFF (drive unlocked), the visibility configured in [3.4 DISPLAY CONFIG.] (dCF-) menu is kept. ULr [Upload rights] [Permitted] (ULr0) ULr0 ULr1 Reads or copies the current configuration to the drive. [Permitted] (ULr0): The current drive configuration can be uploaded to the graphic display terminal or PC Software. [Not allowed] (ULr1): The current drive configuration can only be uploaded to the graphic display terminal or PC Sofware if the drive is not protected by an access code or if the correct code has been entered. dLr [Download rights] [Unlock. drv] (dLr1) dLr0 dLr1 dLr2 dLr3 Writes the current configuration to the drive or downloads a configuration to the drive. [Locked drv] (dLr0): A configuration file can only be downloaded to the drive if the drive is protected by an access code, which is the same as the access code for the configuration to be downloaded. [Unlock. drv] (dLr1): A configuration file can be downloaded to the drive or a configuration in the drive can be modified if the drive is unlocked (access code entered) or is not protected by an access code. [Not allowed] (dLr2): Download not authorized. [Lock/unlock] (dLr3): Combination of [Locked drv.] (dLr0) and [Unlock. drv] (dLr1).
  • 283.
    S1A28692 03/2010 283 MultipointScreen 9 Multipoint Screen Multipoint Screen Communication is possible between a graphic display terminal and a number of drives connected on the same bus. The addresses of the drives must be configured in advance in the [COMMUNICATION] (COM-) menu using the [Modbus Address] (Add) parameter, page 257. When a number of drives are connected to the same graphic display terminal, it automatically displays the following screens: In multipoint mode, the command channel is not displayed. From left to right, the state, then the 2 selected parameters, and finally the drive address appear. All menus can be accessed in multipoint mode. Only drive control via the graphic display terminal is not authorized, apart from the Stop key, which locks all the drives. If there is a trip on a drive, this drive is displayed. Selection of drives for multipoint dialog (select each address and check the box by pressing ENT). This screen only appears the first time the drive is powered up, or if the "Cfg Add" function key on the MULTIPOINT SCREEN is pressed (see below). Selection of a drive for multipoint dialog. CONNECTION IN PROGRESS Vxxxxxx MULTIPOINT ADDRESSES Address 1 Address 2 Address 3 Address 4 Address 5 Address 6 ESC MULTIPOINT SCREEN Rdy 0 Rpm 0 A 2 RUN +952 Rpm 101 A 3 NLP +1500 Rpm 1250 A 4 Not connected 5 Rdy + 0 Rpm 0 A 6 Cfg Add Cfg Add RUN +952 Rpm 101 A 3 Motor speed Motor current HOME T/K ESC ENT +952 rpm 101 A
  • 284.
  • 285.
    S1A28692 03/2010 285 III Maintenanceand Diagnostics What's in this Part? This part contains the following chapters: Chapter Chapter Name Page 10 Maintenance 287 11 Diagnostics and Troubleshooting 289
  • 286.
  • 287.
    S1A28692 03/2010 287 Maintenance 10 Maintenance Limitationof Warranty The warranty does not apply if the product has been opened, except by Schneider Electric services. Servicing It is recommended to do the following in order to optimize continuity of operation. Note: The fan operation depends on the drive thermal state. The drive may be running and the fan not. Spares and repairs Serviceable product. Please refer to your Customer Care Centre. Long time storage The product capacitor performances after a long time storage above 2 years can be degraded. See page 10. Fan replacement It is possible to order a new fan for the ATV32 maintenance, see the commercial references on www.schneider-electric.com. Please refer to Installation manual to replace the fan. CAUTION RISK OF DAMAGE TO THE DRIVE Adapt the following recommendations according to the environment conditions: temperature, chemical, dust. Failure to follow these instructions can result in equipment damage. Environment Part concerned Action Periodicity Knock on the product Housing - control block (led - display) Check the drive visual aspect At least each year Corrosion Terminals - connector - screws - EMC plate Inspect and clean if required Dust Terminals - fans - blowholes Temperature Around the product Check and correct if required Cooling Fan Check the fan operation Replace the fan After 3 to 5 years, depending on the operating conditions Vibration Terminal connections Check tightening at recom- mended torque At least each year
  • 288.
  • 289.
    S1A28692 03/2010 289 Diagnosticsand Troubleshooting 11 Diagnostics and Troubleshooting What's in this Chapter? This chapter contains the following topics: Topic Page Error code 290 Clearing the detected fault 290 Fault detection codes which require a power reset after the detected fault is cleared 291 Fault detection codes that can be cleared with the automatic restart function after the cause has disappeared 293 Fault detection codes that are cleared as soon as their cause disappears 295 Option card changed or removed 295 Control block changed 295 Fault detection codes displayed on the remote display terminal 296 DANGER HAZARD OF ELECTRIC SHOCK, EXPLOSION OR ARC FLASH Read and understand the precautions in "About the book" chapter, before performing any procedure in this section. Failure to follow these instructions will result in death or serious injury.
  • 290.
    Diagnostics and Troubleshooting 290S1A28692 03/2010 Error code • If the display does not light up, check the power supply to the drive. • The assignment of the Fast stop or Freewheel functions will help to prevent the drive starting if the corresponding logic inputs are not powered up. The ATV32 then displays [Freewheel] (nSt) in freewheel stop and [Fast stop] (FSt) in fast stop. This is normal since these functions are active at zero so that the drive will be stopped if there is a wire break. • Check that the run command input is activated in accordance with the selected control mode ([2/3 wire control] (tCC) and [2 wire type] (tCt) parameters, page 73). • If an input is assigned to the limit switch function and this input is at zero, the drive can only be started up by sending a command for the opposite direction (see page 209). • If the reference channel or command channel is assigned to a communication bus, when the power supply is connected, the drive will display [Freewheel] (nSt) and remain in stop mode until the communication bus sends a command. Clearing the detected fault In the event of a non resettable detected fault: • Disconnect all power, including external control power that may be present. • Lock all power disconnects in the open position. • Wait 15 minutes to allow the DC bus capacitors to discharge (the drive LEDs are not indicators of the absence of DC bus voltage). • Measure the voltage of the DC bus between the PA/+ and PC/– terminals to ensure that the voltage is less than 42 Vdc. • If the DC bus capacitors do not discharge completely, contact your local Schneider Electric representative. Do not repair or operate the drive. • Find and correct the detected fault. • Restore power to the drive to confirm the detected fault has been rectified. In the event of a resettable detected fault, the drive can be reset after the cause is cleared: - By switching off the drive until the display disappears completely, then switching on again. - Automatically in the scenarios described for the [AUTOMATIC RESTART] (Atr-) function, page 234. - By means of a logic input or control bit assigned to the [FAULT RESET] (rSt-) function, page 232. - By pressing the STOP/RESET key on the graphic display keypad if the active channel command is the HMI (see [Cmd channel 1] (Cd1) page 140). Code Name / Description dGt- [DIAGNOSTICS] This menu can only be accessed with the graphic display terminal. It displays detected faults and their cause in plain text and can be used to carry out tests, see page 58.
  • 291.
    Diagnostics and Troubleshooting S1A2869203/2010 291 Fault detection codes which require a power reset after the detected fault is cleared The cause of the detected fault must be removed before resetting by turning off and then back on. ASF, brF, SOF, SPF and tnF detected faults can also be cleared remotely by means of a logic input or control bit ([Fault reset] (rSF) parameter, page 232). Detected Fault Name Probable cause Remedy ASF [Angle Error] • For the law [Sync. mot.] (SYn), wrong setting of the speed loop, when the reference goes through 0. • Check the speed loop parameters. • Check the motor phases and the maximum current allowed by the drive. brF [Brake feedback] • The brake feedback contact does not match the brake logic control. • The brake does not stop the motor quickly enough (detected by measuring the speed on the "Pulse input" input). • Check the feedback circuit and the brake logic control circuit. • Check the mechanical state of the brake. • Check the brake linings. CrF1 [Precharge] • Charging relay control detected fault or charging resistor damaged. • Turn the drive off and then turn on again. • Check the internal connections. • Contact Schneider Electric Product Support. EEF1 [Control Eeprom] • Internal memory detected fault, control block. • Check the environment (electromagnetic compatibility). • Turn off, reset, return to factory settings. • Contact Schneider Electric Product Support.EEF2 [Power Eeprom] • Internal memory detected fault, power card. FCF1 [Out. contact. stuck] • The output contactor remains closed although the opening conditions have been met. • Check the contactor and its wiring. • Check the feedback circuit. HdF [IGBT desaturation] • Short-circuit or grounding at the drive output. • Check the cables connecting the drive to the motor, and the motor insulation. ILF [internal com. link] • Communication interruption between option card and drive. • Check the environment (electromagnetic compatibility). • Check the connections. • Replace the option card. • Contact Schneider Electric Product Support. InF1 [Rating error] • The power card is different from the card stored. • Check the reference of the power card. InF2 [Incompatible PB] • The power card is incompatible with the control block. • Check the reference of the power card and its compatibility. InF3 [Internal serial link] • Communication interruption between the internal cards. • Check the internal connections. • Contact Schneider Electric Product Support. InF4 [Internal-mftg zone] • Internal data inconsistent. • Recalibrate the drive (performed by Schneider Electric Product Support). InF6 [Internal - fault option] • The option installed in the drive is not recognized. • Check the reference and compatibility of the option. InF9 [Internal- I measure] • The current measurements are incorrect. • Replace the current sensors or the power card. • Contact Schneider Electric Product Support. InFA [Internal-mains circuit] • The input stage is not operating correctly. • Contact Schneider Electric Product Support. InFb [Internal- th. sensor] • The drive temperature sensor is not operating correctly. • Replace the drive temperature sensor. • Contact Schneider Electric Product Support. InFE [internal- CPU ] • Internal microprocessor detected fault. • Turn off and reset. • Contact Schneider Electric Product Support. OCF [Overcurrent] • Parameters in the [SETTINGS] (SEt-) and [MOTOR CONTROL] (drC-) menus are not correct. • Inertia or load too high. • Mechanical locking. • Check the parameters. • Check the size of the motor/drive/load. • Check the state of the mechanism. • Decrease [Current limitation] (CLI). • Increase the switching frequency. SAFF [Safe function fault] • Debounce time exceeded. • SS1 trip threshold exceeded. • Wrong configuration. • Check the safety functions configuration. • Contact Schneider Electric Product Support.
  • 292.
    Diagnostics and Troubleshooting 292S1A28692 03/2010 SCF1 [Motor short circuit] • Short-circuit or grounding at the drive output. • Check the cables connecting the drive to the motor, and the motor insulation. • Reduce the switching frequency. • Connect chokes in series with the motor. • Check the adjustment of speed loop and brake. • Increase the [Time to restart] (ttr), page 88. • Increase the switching frequency. SCF3 [Ground short circuit] • Significant earth leakage current at the drive output if several motors are connected in parallel. • Check the cables connecting the drive to the motor, and the motor insulation. • Reduce the switching frequency. • Connect chokes in series with the motor. • Check the adjustment of speed loop and brake. • Increase the [Time to restart] (ttr), page 88. • Reduce the switching frequency. SOF [Overspeed] • Instability or driving load too high. • Check the motor, gain and stability parameters. • Add a braking resistor. • Check the size of the motor/drive/load. • Check the parameters settings for the [FREQUENCY METER] (FqF-) function page 247, if it is configured. SPF [Speed fdback loss] • Signal on "Pulse input" missing, if the input is used for speed measurement. • Check the wiring of the input cable and the detector used. tnF [Auto-tuning] • Special motor or motor whose power is not suitable for the drive. • Motor not connected to the drive. • Motor not stopped • Check that the motor/drive are compatible. • Check that the motor is present during auto-tuning. • If an output contactor is being used, close it during auto- tuning. • Check that the motor is stopped during tune operation. Detected Fault Name Probable cause Remedy
  • 293.
    Diagnostics and Troubleshooting S1A2869203/2010 293 Fault detection codes that can be cleared with the automatic restart function after the cause has disappeared These detected faults can also be cleared by turning on and off or by means of a logic input or control bit ([Fault reset] (rSF) parameter page 232). Detected Fault Name Probable cause Remedy bLF [Brake control] • Brake release current not reached. • Brake engage frequency threshold [Brake engage freq] (bEn) only regulated when brake logic control is assigned. • Check the drive/motor connection. • Check the motor windings. • Check the [Brake release I FW] (Ibr) and [Brake release I Rev] (Ird) settings page 179. • Apply the recommended settings for [Brake engage freq] (bEn). CnF [Com. network] • Communication interruption on communication card. • Check the environment (electromagnetic compatibility). • Check the wiring. • Check the time-out. • Replace the option card. • Contact Schneider Electric Product Support. COF [CANopen com.] • Communication interruption on the CANopen® bus. • Check the communication bus. • Check the time-out. • Refer to the CANopen® User's manual. EPF1 [External flt-LI/Bit] • Event triggered by an external device, depending on user. • Check the device which caused the trip and reset. EPF2 [External fault com.] • Event triggered by a communication network. • Check for the cause of the trip and reset. FbES [FB stop flt.] • Function blocks have been stopped while motor was running. • Check [FB Stop mode] (FbSM) configuration. FCF2 [Out. contact. open.] • The output contactor remains open although the closing conditions have been met. • Check the contactor and its wiring. • Check the feedback circuit. LCF [input contactor] • The drive is not turned on even though [Mains V. time out ] (LCt) has elapsed. • Check the contactor and its wiring. • Check the time-out. • Check the line/contactor/drive connection. LFF3 [AI3 4-20mA loss] • Loss of the 4-20 mA reference on analog input AI3. • Check the connection on the analog inputs. ObF [Overbraking] • Braking too sudden or driving load. • Line voltage too high. • Increase the deceleration time. • Install a braking resistor if necessary. • Activate the [Dec ramp adapt.] (brA) function page 157, if it is compatible with the application. • Check the line voltage. OHF [Drive overheat] • Drive temperature too high. • Check the motor load, the drive ventilation and the ambient temperature. Wait for the drive to cool down before restarting. OLC [Proc. overload flt] • Process overload. • Check and remove the cause of the overload. • Check the parameters of the [PROCESS OVERLOAD] (OLd-) function, page 253. OLF [Motor overload] • Triggered by excessive motor current. • Check the setting of the motor thermal protection, check the motor load. Wait for the motor to cool down before restarting. OPF1 [1 output phase loss] • Loss of one phase at drive output. • Check the connections from the drive to the motor.
  • 294.
    Diagnostics and Troubleshooting 294S1A28692 03/2010 OPF2 [3 motor phase loss] • Motor not connected or motor power too low. • Output contactor open. • Instantaneous instability in the motor current. • Check the connections from the drive to the motor. • If an output contactor is being used, set [Output Phase Loss] (OPL) to [Output cut] (OAC), page 238. • Test on a low power motor or without a motor: In factory settings mode, motor phase loss detection is active [Output Phase Loss] (OPL) = [Yes] (YES). To check the drive in a test or maintenance environment, without having to use a motor with the same rating as the drive (in particular for high power drives), deactivate motor phase loss detection [Output Phase Loss] (OPL) = [No] (nO), see instructions given page 238. • Check and optimize the following parameters: [IR compensation] (UFr) page 78, [Rated motor volt.] (UnS) and [Rated mot. current] (nCr) page 74 and perform [Auto tuning] (tUn) page 75. OSF [Mains overvoltage] • Line voltage too high. • Disturbed mains supply. • Check the line voltage. OtFL [LI6=PTC overheat] • Overheating of PTC probes detected on input LI6. • Check the motor load and motor size. • Check the motor ventilation. • Wait for the motor to cool before restarting. • Check the type and state of the PTC probes. PtFL [LI6=PTC probe] • PTC probe on input LI6 open or short-circuited. • Check the PTC probe and the wiring between it and the motor/drive. SCF4 [IGBT short circuit] • Power component detected fault. • Contact Schneider Electric Product Support. SCF5 [Motor short circuit] • Short-circuit at drive output. • Check the cables connecting the drive to the motor, and the motor’s insulation. • Contact Schneider Electric Product Support. SLF1 [Modbus com.] • Communication interruption on the Modbus bus. • Check the communication bus. • Check the time-out. • Refer to the Modbus User's manual. SLF2 [PC com.] • Communication interruption with PC Software. • Check the PC Software connecting cable. • Check the time-out. SLF3 [HMI com.] • Communication interruption with the graphic display terminal or remote display terminal. • Check the terminal connection • Check the time-out. SSF [Torque/current lim] • Switch to torque or current limitation. • Check if there are any mechanical problems. • Check the parameters of [TORQUE LIMITATION] (tOL-) page 202 and the parameters of the [TORQUE OR I LIM. DETECT.] (tId-), page 245. tJF [IGBT overheat] • Drive overheated. • Check the size of the load/motor/drive. • Reduce the switching frequency. • Wait for the motor to cool before restarting. ULF [Proc. underload Flt] • Process underload. • Check and remove the cause of the underload. • Check the parameters of the [PROCESS UNDERLOAD] (Uld-) function, page 251. Detected Fault Name Probable cause Remedy
  • 295.
    Diagnostics and Troubleshooting S1A2869203/2010 295 Fault detection codes that are cleared as soon as their cause disappears Option card changed or removed When an option card is removed or replaced by another, the drive locks in [Incorrect config.] (CFF) fault mode on power-up. If the card has been deliberately changed or removed, the detected fault can be cleared by pressing the ENT key twice, which causes the factory settings to be restored (see page 69) for the parameter groups affected by the card. These are as follows: Card replaced by a card of the same type • Communication cards: only the parameters that are specific to communication cards Control block changed When a control block is replaced by a control block configured on a drive with a different rating, the drive locks in [Incorrect config.] (CFF) fault mode on power-up. If the control block has been deliberately changed, the detected fault can be cleared by pressing the ENT key twice, which causes all the factory settings to be restored. Detected Fault Name Probable cause Remedy CFF [Incorrect config.] • Option card changed or removed. • Control block replaced by a control block configured on a drive with a different rating. • The current configuration is inconsistent. • Check that there are no card errors. • In the event of the option card being changed/removed deliberately, see the remarks below. • Check that there are no card errors. • In the event of the control block being changed deliberately, see the remarks below. • Return to factory settings or retrieve the backup configuration, if it is valid (see page 69). CFI [Invalid config.] • Invalid configuration. The configuration loaded in the drive via the bus or communication network is inconsistent. • Check the configuration loaded previously. • Load a compatible configuration. CFI2 CSF [Ch. Sw. fault] • Switch to not valid channels. • Check the function parameters. dLF [Dynamic load fault] • Abnormal load variation. • Check that the load is not blocked by an obstacle. • Removal of a run command causes a reset. FbE [FB fault] • Function blocks error. • See [FB Fault] (FbFt) for more details. HCF [Cards pairing] • The [CARDS PAIRING] (PPI-) function page 250 has been configured and a drive card has been changed. • In the event of a card error, reinsert the original card. • Confirm the configuration by entering the [Pairing password] (PPI) if the card was changed deliberately. PHF [Input phase loss] • Drive incorrectly supplied or a fuse blown. • One phase missing. • 3-phase ATV32 used on a single-phase line supply. • Unbalanced load. This protection only operates with the drive on load. • Check the power connection and the fuses. • Use a 3-phase line supply. • Disable the detected fault by [Input phase loss] (IPL) = [No] (nO) page 74. USF [Undervoltage] • Line supply too low. • Transient voltage dip. • Check the voltage and the parameters of [UNDERVOLTAGE MGT] (USb-), page 241.
  • 296.
    Diagnostics and Troubleshooting 296S1A28692 03/2010 Fault detection codes displayed on the remote display terminal (1) Flashing Code Name Description InIt [Initialization in progress] The microcontroller is initializing. Search underway for communication configuration. COM.E (1) [Communication error] Time out detected fault (50 ms). This message is displayed after 20 attempts at communication. A-17 (1) [Alarm button] A key has been held down for more than 10 seconds. The keypad is disconnected. The keypad wakes up when a key is pressed. CLr (1) [Confirmation of detected fault reset] This is displayed when the STOP key is pressed once if the active command channel is the remote display terminal. dEU.E (1) [Drive disparity] The drive brand does not match that of the remote display terminal. rOM.E (1) [ROM anomaly] The remote display terminal detects a ROM anomaly on the basis of checksum calculation. rAM.E (1) [RAM anomaly] The remote display terminal detects a RAM anomaly. CPU.E (1) [Other detected faults] Other detected faults.
  • 297.
    S1A28692 03/2010 297 IV Annex What'sin this Part? This part contains the following chapters: Chapter Chapter Name Page 12 Index of Functions 299 13 Index of Parameter Codes 301
  • 298.
  • 299.
    S1A28692 03/2010 299 Indexof Functions 12 Index of Functions The following table represents the parameter codes: Function Page [2 wire] (2C) 73 [2nd CURRENT LIMIT.] 204 [3 wire] (3C) 73 [+/- SPEED] 170 [+/-SPEED AROUND REF.] 172 [AUTO DC INJECTION] 161 [AUTOMATIC RESTART] 234 [Auto tuning] 75 [AUTO TUNING BY LI] 221 [BRAKE LOGIC CONTROL] 179 [CATCH ON THE FLY] 235 Command and reference channels 131 Deferred stop on thermal alarm 240 [DRIVE OVERHEAT] 239 [FACTORY SETTINGS] 69 [Fault reset] 232 [FLUXING BY LI] 174 [HIGH SPEED HOISTING] 190 [JOG] 163 LINE CONTACTOR COMMAND 205 Load measurement 184 [Load sharing] 109 Load variation detection 248 Motor or configuration switching [MULTIMOTORS/CONFIG.] (MMC-) 217 Motor thermal protection 236 [Noise reduction] 107 [OUTPUT CONTACTOR CMD] 208 [Ovld.Proces.Mngmt] 253 [PARAM. SET SWITCHING] 215 [5 PASSWORD] 282 [PID REGULATOR] 196 POSITIONING BY SENSORS 209 PRESET SPEEDS 165 PTC probe 232 [RAMP] 155 [REFERENCE SWITCH.] 152 Rope slack 189 [RP assignment] 115 REFERENCE MEMORIZING 173 [STOP CONFIGURATION] 158 Stop at distance calculated after deceleration limit switch 211
  • 300.
    Index of Functions 300S1A28692 03/2010 Summing input / Subtracting input / Multiplier 153 Synchronous motor parameters 99 TORQUE LIMITATION 201 TRAVERSE CONTROL 222 [Underload Managmt.] 252 Use of the "Pulse input" input to measure the speed of rotation of the motor 246 Function Page
  • 301.
    S1A28692 03/2010 301 Indexof Parameter Codes 13 Index of Parameter Codes The following table represents the parameter codes: Code CUSTOMER SETTING [1.1SPEEDREFERENCE] (rEF-) [1.2MONITORING] (MOn-) [FACTORYSETTINGS] (FCS-) [Macroconfiguration] (CFG) [SIMPLYSTART] (SIM-) [SETTINGS] (SEt-) [MOTORCONTROL] (drC-) [INPUTS/OUTPUTSCFG] (I_O-) [COMMAND] (CtL-) [FUNCTIONBLOCKS] (FbM-) [APPLICATIONFUNCT.] (FUn-) [FAULTMANAGEMENT] (FLt-) [COMMUNICATION] (COM-) [3INTERFACE] (ItF-) AC2 77 156 172 198 ACC 75 77 155 AdC 161 AdCO 258 Add 257 AI1A 46 120 AI1C 46 A11E 121 A11F 46 121 AI1S 120 A11t 120 A12A 46 120 A12C 46 A12E 121 A12F 46 121 A12S 121 A12t 120 A13A 47 121 A13C 47 A13E 121 A13F 47 121 A13L 121 A13S 121 A13t 121 AIC2 122 196 AIU1 40 44 ALGr 57 AMOC 257 AO1 47 129 AO1C 47 AO1F 47 129
  • 302.
    Index of ParameterCodes 302 S1A28692 03/2010 AO1t 129 AOH1 47 129 AOL1 47 129 APH 56 ASH1 47 129 ASL1 47 129 ASt 101 175 Atr 234 AUt 96 101 AU1A 121 AU2A 122 bCI 179 bdCO 258 bEd 180 bEn 88 180 bEt 88 180 bFr 74 92 bIP 179 bIr 88 180 bLC 179 bMp 142 bnS 49 143 bnU 49 143 bOA 107 bOO 107 brA 157 brH0 182 brH1 182 brH2 183 brr 183 brt 88 179 bSP 118 bSt 179 btPI 258 btUA 258 btUC 258 bUEr 49 143 CCFG 74 CCS 140 Cd1 140 Cd2 140 CFG 70 73 Code CUSTOMER SETTING [1.1SPEEDREFERENCE] (rEF-) [1.2MONITORING] (MOn-) [FACTORYSETTINGS] (FCS-) [Macroconfiguration] (CFG) [SIMPLYSTART] (SIM-) [SETTINGS] (SEt-) [MOTORCONTROL] (drC-) [INPUTS/OUTPUTSCFG] (I_O-) [COMMAND] (CtL-) [FUNCTIONBLOCKS] (FbM-) [APPLICATIONFUNCT.] (FUn-) [FAULTMANAGEMENT] (FLt-) [COMMUNICATION] (COM-) [3INTERFACE] (ItF-)
  • 303.
    Index of ParameterCodes S1A28692 03/2010 303 CFPS 56 CHA1 215 CHA2 215 CHCF 139 CHM 220 CL2 83 204 CLI 82 106 204 CLL 243 CLO 190 CLS 213 CMdC 50 CnF1 220 CnF2 220 CnFS 56 COd 63 COd2 63 COF 190 COL 244 COP 141 COr 190 COS 94 CP1 185 CP2 185 CrH3 47 121 CrL3 47 121 CrSt 275 CrtF 105 CSbY 275 CSt 63 282 Ctd 89 234 Ctt 92 CtU 49 143 dA2 153 dA3 154 dAF 212 dAL 212 dAr 212 dAS 208 dbS 208 dCC1 60 dCC2 60 dCC3 60 Code CUSTOMER SETTING [1.1SPEEDREFERENCE] (rEF-) [1.2MONITORING] (MOn-) [FACTORYSETTINGS] (FCS-) [Macroconfiguration] (CFG) [SIMPLYSTART] (SIM-) [SETTINGS] (SEt-) [MOTORCONTROL] (drC-) [INPUTS/OUTPUTSCFG] (I_O-) [COMMAND] (CtL-) [FUNCTIONBLOCKS] (FbM-) [APPLICATIONFUNCT.] (FUn-) [FAULTMANAGEMENT] (FLt-) [COMMUNICATION] (COM-) [3INTERFACE] (ItF-)
  • 304.
    Index of ParameterCodes 304 S1A28692 03/2010 dCC4 60 dCC5 60 dCC6 60 dCC7 60 dCC8 60 dCF 81 158 254 dCI 159 dE2 77 156 172 dEC 75 77 155 dLb 248 dLd 248 dLr 63 282 dO1 126 dO1d 126 dO1H 126 dO1S 126 dP1 58 dP2 60 dP3 60 dP4 60 dP5 60 dP6 60 dP7 60 dP8 60 drC1 60 drC2 60 drC3 60 drC4 60 drC5 60 drC6 60 drC7 60 drC8 60 dSF 213 dSI 172 dSP 172 dtF 228 EbO 227 EPL 241 ErCO 258 EtF 240 F1 105 F2 105 Code CUSTOMER SETTING [1.1SPEEDREFERENCE] (rEF-) [1.2MONITORING] (MOn-) [FACTORYSETTINGS] (FCS-) [Macroconfiguration] (CFG) [SIMPLYSTART] (SIM-) [SETTINGS] (SEt-) [MOTORCONTROL] (drC-) [INPUTS/OUTPUTSCFG] (I_O-) [COMMAND] (CtL-) [FUNCTIONBLOCKS] (FbM-) [APPLICATIONFUNCT.] (FUn-) [FAULTMANAGEMENT] (FLt-) [COMMUNICATION] (COM-) [3INTERFACE] (ItF-)
  • 305.
    Index of ParameterCodes S1A28692 03/2010 305 F2d 89 F3 106 F4 106 F5 106 FAb 107 FAd1 268 FAd2 268 FAd3 268 FAd4 268 FbCd 143 FbdF 144 FbFt 49 143 FbrM 144 FbSN 144 FbSt 49 143 FCS1 69 Fdt 247 FFH 105 FFM 91 FFt 89 158 FLI 174 FLO 259 FLOC 259 FLOt 259 FLr 235 FLU 83 96 174 Fn1 142 Fn2 142 Fn3 142 Fn4 142 FPI 198 FqA 247 FqC 247 FqF 247 FqL 89 235 FqS 44 Fqt 247 Fr1 139 Fr1b 152 Fr2 140 FrH 44 44 50 FrI 103 Code CUSTOMER SETTING [1.1SPEEDREFERENCE] (rEF-) [1.2MONITORING] (MOn-) [FACTORYSETTINGS] (FCS-) [Macroconfiguration] (CFG) [SIMPLYSTART] (SIM-) [SETTINGS] (SEt-) [MOTORCONTROL] (drC-) [INPUTS/OUTPUTSCFG] (I_O-) [COMMAND] (CtL-) [FUNCTIONBLOCKS] (FbM-) [APPLICATIONFUNCT.] (FUn-) [FAULTMANAGEMENT] (FLt-) [COMMUNICATION] (COM-) [3INTERFACE] (ItF-)
  • 306.
    Index of ParameterCodes 306 S1A28692 03/2010 FrS 74 94 FrSS 103 Frt 156 FSt 158 Ftd 89 234 FtO 90 253 FtU 90 252 FtY 69 GFS 69 GSP 271 HF1 102 H1r 103 HSO 190 HSP 75 77 229 HSP2 78 229 HSP3 78 229 HSP4 78 229 IA01 145 IA02 145 IA03 145 IA04 145 IA05 145 IA06 145 IA07 145 IA08 145 IA09 145 IA10 145 IAd1 268 IAd2 268 IAd3 268 IAd4 268 Ibr 88 179 IbrA 185 IdA 98 IdC 81 159 254 IdC2 81 160 254 IL01 144 IL02 144 IL03 144 IL04 144 IL05 144 IL06 144 Code CUSTOMER SETTING [1.1SPEEDREFERENCE] (rEF-) [1.2MONITORING] (MOn-) [FACTORYSETTINGS] (FCS-) [Macroconfiguration] (CFG) [SIMPLYSTART] (SIM-) [SETTINGS] (SEt-) [MOTORCONTROL] (drC-) [INPUTS/OUTPUTSCFG] (I_O-) [COMMAND] (CtL-) [FUNCTIONBLOCKS] (FbM-) [APPLICATIONFUNCT.] (FUn-) [FAULTMANAGEMENT] (FLt-) [COMMUNICATION] (COM-) [3INTERFACE] (ItF-)
  • 307.
    Index of ParameterCodes S1A28692 03/2010 307 IL07 144 IL08 144 IL09 144 IL10 144 ILr 103 InH 243 Inr 77 155 IntP 202 IPL 74 238 Ird 88 179 ItH 75 78 JdC 88 181 JF2 90 168 JF3 90 168 JFH 90 168 JGF 83 163 JGt 83 164 JOG 163 JPF 90 168 L1A 45 114 L1d 115 L2A 45 115 L2d 115 L3A 45 114 L3d 115 L4A 45 115 L4d 115 L5A 45 114 L5d 115 L6A 45 115 L6d 115 LA01 145 LA02 145 LA03 145 LA04 145 LA05 145 LA06 145 LA07 145 LA08 145 LA1A 45 115 LA1d 115 LA2A 45 115 Code CUSTOMER SETTING [1.1SPEEDREFERENCE] (rEF-) [1.2MONITORING] (MOn-) [FACTORYSETTINGS] (FCS-) [Macroconfiguration] (CFG) [SIMPLYSTART] (SIM-) [SETTINGS] (SEt-) [MOTORCONTROL] (drC-) [INPUTS/OUTPUTSCFG] (I_O-) [COMMAND] (CtL-) [FUNCTIONBLOCKS] (FbM-) [APPLICATIONFUNCT.] (FUn-) [FAULTMANAGEMENT] (FLt-) [COMMUNICATION] (COM-) [3INTERFACE] (ItF-)
  • 308.
    Index of ParameterCodes 308 S1A28692 03/2010 LA2d 115 LAC 262 LbA 109 LbC 91 109 LbC1 111 LbC2 111 LbC3 111 LbF 111 LC2 204 LCr 44 LCt 206 LdS 103 LES 206 LEt 240 LFA 98 LFF 253 LFL3 242 LFr 40 44 LFr1 53 LFr2 53 LFr3 53 LIS1 45 LIS2 45 LLC 206 LnG 264 LO1 124 LO1d 124 LO1H 125 LO1S 124 LOC 90 253 LP1 185 LP2 185 LqS 103 LSP 75 77 LUL 90 251 LUn 90 251 M001 146 M002 146 M003 146 M004 146 M005 146 M006 146 Code CUSTOMER SETTING [1.1SPEEDREFERENCE] (rEF-) [1.2MONITORING] (MOn-) [FACTORYSETTINGS] (FCS-) [Macroconfiguration] (CFG) [SIMPLYSTART] (SIM-) [SETTINGS] (SEt-) [MOTORCONTROL] (drC-) [INPUTS/OUTPUTSCFG] (I_O-) [COMMAND] (CtL-) [FUNCTIONBLOCKS] (FbM-) [APPLICATIONFUNCT.] (FUn-) [FAULTMANAGEMENT] (FLt-) [COMMUNICATION] (COM-) [3INTERFACE] (ItF-)
  • 309.
    Index of ParameterCodes S1A28692 03/2010 309 M007 146 M008 146 M1Ct 52 M1EC 52 M3Ct 52 M3EC 52 MA2 154 MA3 154 MCr 103 Mdt 267 MFr 40 44 85 MPC 97 MtM 237 nbrP 55 nbtP 55 nC1 53 nC2 53 nC3 53 nC4 53 nC5 53 nC6 53 nC7 53 nC8 53 nCA1 257 nCA2 257 nCA3 257 nCA4 257 nCA5 257 nCA6 257 nCA7 257 nCA8 257 nCr 74 94 nCrS 99 nLS 213 nM1 52 nM2 52 nM3 52 nM4 52 nM5 52 nM6 52 nM7 52 nM8 52 Code CUSTOMER SETTING [1.1SPEEDREFERENCE] (rEF-) [1.2MONITORING] (MOn-) [FACTORYSETTINGS] (FCS-) [Macroconfiguration] (CFG) [SIMPLYSTART] (SIM-) [SETTINGS] (SEt-) [MOTORCONTROL] (drC-) [INPUTS/OUTPUTSCFG] (I_O-) [COMMAND] (CtL-) [FUNCTIONBLOCKS] (FbM-) [APPLICATIONFUNCT.] (FUn-) [FAULTMANAGEMENT] (FLt-) [COMMUNICATION] (COM-) [3INTERFACE] (ItF-)
  • 310.
    Index of ParameterCodes 310 S1A28692 03/2010 nMA1 256 nMA2 256 nMA3 256 nMA4 256 nMA5 256 nMA6 256 nMA7 256 nMA8 257 nMtS 55 nPr 74 94 nrd 107 nSP 74 94 nSPS 99 nSt 158 OCC 208 OdL 253 Odt 238 OHL 239 OLL 237 OPL 238 OPr 44 OSP 190 Otr 44 PAH 86 198 PAL 86 197 PAS 213 PAU 198 PCd 274 PEr 86 198 PES 185 PFI 48 115 PFr 48 115 PHS 103 PIA 48 115 PIC 197 PIF 196 PIF1 196 PIF2 196 PII 196 PIL 48 115 PIM 199 PIP1 196 Code CUSTOMER SETTING [1.1SPEEDREFERENCE] (rEF-) [1.2MONITORING] (MOn-) [FACTORYSETTINGS] (FCS-) [Macroconfiguration] (CFG) [SIMPLYSTART] (SIM-) [SETTINGS] (SEt-) [MOTORCONTROL] (drC-) [INPUTS/OUTPUTSCFG] (I_O-) [COMMAND] (CtL-) [FUNCTIONBLOCKS] (FbM-) [APPLICATIONFUNCT.] (FUn-) [FAULTMANAGEMENT] (FLt-) [COMMUNICATION] (COM-) [3INTERFACE] (ItF-)
  • 311.
    Index of ParameterCodes S1A28692 03/2010 311 PIP2 196 PIS 198 POH 86 197 POL 86 197 PPI 250 PPnS 99 Pr2 200 Pr4 200 PrP 86 197 PS16 166 PS2 166 PS4 166 PS8 166 PSr 86 198 PSt 139 PtCL 232 PtH 56 PUIS 274 qSH 89 227 qSL 89 227 r1 123 r1d 123 r1H 124 r1S 123 r2 124 r2d 124 r2H 124 r2S 124 rCA 208 rCb 152 rdG 86 197 rEC1 55 rFC 140 rFCC 50 rFLt 62 rFr 44 rIG 86 197 rIn 139 rMUd 90 251 rP 233 rP11 53 rP12 54 Code CUSTOMER SETTING [1.1SPEEDREFERENCE] (rEF-) [1.2MONITORING] (MOn-) [FACTORYSETTINGS] (FCS-) [Macroconfiguration] (CFG) [SIMPLYSTART] (SIM-) [SETTINGS] (SEt-) [MOTORCONTROL] (drC-) [INPUTS/OUTPUTSCFG] (I_O-) [COMMAND] (CtL-) [FUNCTIONBLOCKS] (FbM-) [APPLICATIONFUNCT.] (FUn-) [FAULTMANAGEMENT] (FLt-) [COMMUNICATION] (COM-) [3INTERFACE] (ItF-)
  • 312.
    Index of ParameterCodes 312 S1A28692 03/2010 rP13 54 rP14 54 rP2 86 200 rP21 54 rP22 54 rP23 54 rP24 54 rP3 87 200 rP31 55 rP32 55 rP33 55 rP34 55 rP4 87 200 rPA 233 rPC 40 56 rPE 56 rPF 56 rPG 86 197 rPI 40 56 197 rPO 56 rPr 56 rPS 156 rPt 155 rrS 113 rSA 98 rSAS 103 rSd 190 rSF 232 rSL 199 rStL 190 rtH 56 rtr 228 rUn 113 S101 215 S102 215 S103 215 S104 215 S105 215 S106 215 S107 215 S108 215 S109 215 Code CUSTOMER SETTING [1.1SPEEDREFERENCE] (rEF-) [1.2MONITORING] (MOn-) [FACTORYSETTINGS] (FCS-) [Macroconfiguration] (CFG) [SIMPLYSTART] (SIM-) [SETTINGS] (SEt-) [MOTORCONTROL] (drC-) [INPUTS/OUTPUTSCFG] (I_O-) [COMMAND] (CtL-) [FUNCTIONBLOCKS] (FbM-) [APPLICATIONFUNCT.] (FUn-) [FAULTMANAGEMENT] (FLt-) [COMMUNICATION] (COM-) [3INTERFACE] (ItF-)
  • 313.
    Index of ParameterCodes S1A28692 03/2010 313 S110 215 S111 215 S112 215 S113 215 S114 215 S115 215 S201 215 S202 215 S203 215 S204 215 S205 215 S206 215 S207 215 S208 215 S209 215 S210 215 S211 215 S212 215 S213 215 S214 215 S215 215 S301 216 S302 216 S303 216 S304 216 S305 216 S306 216 S307 216 S308 216 S309 216 S310 216 S311 216 S312 216 S313 216 S314 216 S315 216 SA2 153 SA3 153 SAL 212 SAr 212 SAt 240 SCL 190 Code CUSTOMER SETTING [1.1SPEEDREFERENCE] (rEF-) [1.2MONITORING] (MOn-) [FACTORYSETTINGS] (FCS-) [Macroconfiguration] (CFG) [SIMPLYSTART] (SIM-) [SETTINGS] (SEt-) [MOTORCONTROL] (drC-) [INPUTS/OUTPUTSCFG] (I_O-) [COMMAND] (CtL-) [FUNCTIONBLOCKS] (FbM-) [APPLICATIONFUNCT.] (FUn-) [FAULTMANAGEMENT] (FLt-) [COMMUNICATION] (COM-) [3INTERFACE] (ItF-)
  • 314.
    Index of ParameterCodes 314 S1A28692 03/2010 SCSI 69 SdC1 81 161 180 SdC2 82 162 SFC 78 105 SFd 213 SFFE 49 SFr 82 106 SFt 106 SH2 229 SH4 229 SIr 104 SIt 78 105 SLL 244 SLP 78 105 SLSS 48 SMOt 101 SnC 228 SOP 107 SP10 84 167 SP11 84 167 SP12 84 167 SP13 85 167 SP14 85 167 SP15 85 167 SP16 85 167 SP2 84 166 SP3 84 166 SP4 84 166 SP5 84 166 SP6 84 166 SP7 84 166 SP8 84 167 SP9 84 167 SPb 103 SPF 103 SPG 78 105 SPGU 78 105 SPM 173 Srb 90 251 253 SrP 85 172 SSIS 48 Code CUSTOMER SETTING [1.1SPEEDREFERENCE] (rEF-) [1.2MONITORING] (MOn-) [FACTORYSETTINGS] (FCS-) [Macroconfiguration] (CFG) [SIMPLYSTART] (SIM-) [SETTINGS] (SEt-) [MOTORCONTROL] (drC-) [INPUTS/OUTPUTSCFG] (I_O-) [COMMAND] (CtL-) [FUNCTIONBLOCKS] (FbM-) [APPLICATIONFUNCT.] (FUn-) [FAULTMANAGEMENT] (FLt-) [COMMUNICATION] (COM-) [3INTERFACE] (ItF-)
  • 315.
    Index of ParameterCodes S1A28692 03/2010 315 SSb 245 Std 213 StM 242 StO 245 StOS 48 StP 241 Str 170 Strt 242 Stt 158 StUn 75 95 100 SUL 107 tA1 77 155 tA2 77 156 tA3 77 156 tA4 77 156 tAA 202 tAC 62 tAC2 62 tAr 234 tbE 88 180 tbO 227 tbr 257 tbS 242 tCC 73 112 tCt 112 tdC 81 160 255 tdC1 81 161 tdC2 82 162 tdI 81 159 254 tdn 227 tdS 247 tEC1 55 tFO 257 tFr 75 92 tHA 239 240 tHd 44 tHr 44 tHt 237 tLA 202 tLC 203 tLd 248 Code CUSTOMER SETTING [1.1SPEEDREFERENCE] (rEF-) [1.2MONITORING] (MOn-) [FACTORYSETTINGS] (FCS-) [Macroconfiguration] (CFG) [SIMPLYSTART] (SIM-) [SETTINGS] (SEt-) [MOTORCONTROL] (drC-) [INPUTS/OUTPUTSCFG] (I_O-) [COMMAND] (CtL-) [FUNCTIONBLOCKS] (FbM-) [APPLICATIONFUNCT.] (FUn-) [FAULTMANAGEMENT] (FLt-) [COMMUNICATION] (COM-) [3INTERFACE] (ItF-)
  • 316.
    Index of ParameterCodes 316 S1A28692 03/2010 tLIG 89 202 tLIM 89 202 tLS 83 199 tnL 249 tOL 253 tOS 190 tP11 54 tP12 54 tP13 54 tP14 54 tP21 54 tP22 54 tP23 54 tP24 54 tP31 55 tP32 55 tP33 55 tP34 55 tqb 247 tqS 99 trA 98 trC 227 trH 89 227 trL 89 227 tSM 241 tSY 228 ttd 90 237 240 ttd2 237 240 ttd3 237 240 ttH 89 234 ttL 89 234 ttO 257 ttr 88 181 tUL 221 tUn 75 95 100 tUnU 96 101 tUP 227 tUS 75 95 100 Code CUSTOMER SETTING [1.1SPEEDREFERENCE] (rEF-) [1.2MONITORING] (MOn-) [FACTORYSETTINGS] (FCS-) [Macroconfiguration] (CFG) [SIMPLYSTART] (SIM-) [SETTINGS] (SEt-) [MOTORCONTROL] (drC-) [INPUTS/OUTPUTSCFG] (I_O-) [COMMAND] (CtL-) [FUNCTIONBLOCKS] (FbM-) [APPLICATIONFUNCT.] (FUn-) [FAULTMANAGEMENT] (FLt-) [COMMUNICATION] (COM-) [3INTERFACE] (ItF-)
  • 317.
    Index of ParameterCodes S1A28692 03/2010 317 U1 105 U2 105 U3 106 U4 106 U5 106 Ubr 109 UdL 252 UFr 78 105 UIH1 46 120 UIH2 46 121 UILI 46 120 UIL2 46 120 ULn 44 ULr 63 ULt 251 UnS 74 94 UOH1 47 129 UOL1 47 129 UOP 44 UPL 242 UrES 241 USb 241 USI 172 USL 241 USP 170 USt 241 Code CUSTOMER SETTING [1.1SPEEDREFERENCE] (rEF-) [1.2MONITORING] (MOn-) [FACTORYSETTINGS] (FCS-) [Macroconfiguration] (CFG) [SIMPLYSTART] (SIM-) [SETTINGS] (SEt-) [MOTORCONTROL] (drC-) [INPUTS/OUTPUTSCFG] (I_O-) [COMMAND] (CtL-) [FUNCTIONBLOCKS] (FbM-) [APPLICATIONFUNCT.] (FUn-) [FAULTMANAGEMENT] (FLt-) [COMMUNICATION] (COM-) [3INTERFACE] (ItF-)
  • 318.
    Index of ParameterCodes 318 S1A28692 03/2010
  • 319.